Введен в действие
Постановлением
Госстандарта РФ
от 13 марта 2002 г.
N 91-ст
МЕЖГОСУДАРСТВЕННЫЙ СТАНДАРТ
ТРАНСФОРМАТОРЫ НАПРЯЖЕНИЯ
ОБЩИЕ ТЕХНИЧЕСКИЕ УСЛОВИЯ
Voltage transformers. General
specifications
ГОСТ 1983-2001
Группа Е64
ОКП 34 1450
Предисловие
1. Разработан
Открытым акционерным обществом ОАО "Свердловский завод трансформаторов
тока".
Внесен Госстандартом России.
2. Принят
Межгосударственным советом по стандартизации, метрологии и сертификации
(Протокол N 20 от 1 ноября 2001 г.).
За принятие проголосовали:
|
Наименование государства
|
Наименование национального органа
по стандартизации
|
|
Азербайджанская
Республика
Республика Армения
Республика Беларусь
Республика Казахстан
Кыргызская Республика
Республика Молдова
Российская Федерация
Республика Таджикистан
Туркменистан
Республика Узбекистан
Украина
|
Азгосстандарт
Армгосстандарт
Госстандарт Республики Беларусь
Госстандарт Республики Казахстан
Кыргызстандарт
Молдовастандарт
Госстандарт России
Таджикстандарт
Главгосслужба "Туркменстандартлары"
Узгосстандарт
Госстандарт Украины
|
3. Настоящий
стандарт соответствует международным стандартам МЭК 60044-2:1997
"Измерительные трансформаторы. Часть 2. Индуктивные трансформаторы
напряжения" в части электромагнитных трансформаторов напряжения и МЭК
186-87 "Трансформаторы напряжения" в части емкостных трансформаторов
напряжения.
4. Постановлением
Государственного комитета Российской Федерации по стандартизации и метрологии
от 13 марта 2002 г. N 91-ст межгосударственный стандарт ГОСТ 1983-2001 введен в
действие непосредственно в качестве государственного стандарта Российской
Федерации с 1 января 2003 г.
5. Взамен ГОСТ
1983-89.
1. Область
применения
Настоящий стандарт
распространяется на электромагнитные и емкостные трансформаторы напряжения
(далее - трансформаторы), предназначенные для применения в электрических цепях
переменного тока частотой 50 или 60 Гц с номинальными напряжениями от 0,38 до
750 кВ включительно с целью передачи сигнала
измерительной информации приборам измерения, защиты, автоматики, сигнализации и
управления.
Дополнительные
требования к отдельным видам трансформаторов в связи со спецификой их
конструкции или назначения (например, к антирезонансным
трансформаторам, предназначенным для установки в комплектных распределительных
устройствах (КРУ), пофазно экранированных токопроводах) устанавливают в стандартах, технических
условиях, договорах или контрактах (далее - стандартах) на трансформаторы
конкретных типов.
Стандарт не
распространяется на лабораторные трансформаторы.
2.
Нормативные ссылки
В настоящем
стандарте использованы ссылки на следующие стандарты:
ГОСТ 2.601-95.
Единая система конструкторской документации. Эксплуатационные документы
ГОСТ 8.216-88.
Государственная система обеспечения единства измерений. Трансформаторы
напряжения. Методика поверки
ГОСТ 12.2.007.0-75.
Система стандартов безопасности труда. Изделия электротехнические. Общие
требования безопасности
ГОСТ 12.2.007.3-75.
Система стандартов безопасности труда. Электротехнические устройства на
напряжение свыше 1000 В. Требования безопасности
ГОСТ 12.3.019-80. Система
стандартов безопасности труда. Испытания и измерения электрические. Общие
требования безопасности
ГОСТ 15.001-88
<*>. Система разработки и постановки продукции на производство. Продукция
производственно-технического назначения
--------------------------------
<*> В
Российской Федерации действует ГОСТ Р 15.201-2000.
ГОСТ 15.309-98.
Система разработки и постановки продукции на производство. Испытания и приемка
выпускаемой продукции. Основные положения
ГОСТ 27.003-90.
Надежность в технике. Состав и общие правила задания требований по надежности
ГОСТ 721-77.
Системы электроснабжения, сети, источники, преобразователи и приемники
электрической энергии. Номинальные напряжения свыше 1000 В
ГОСТ 1516.1-76.
Электрооборудование переменного тока на напряжения от 3 до 500 кВ. Требования к электрической прочности изоляции
ГОСТ 1516.2-97.
Электрооборудование и электроустановки переменного тока на напряжение 3 кВ и выше. Общие методы испытаний электрической прочности
изоляции
ГОСТ 1516.3-96. Электрооборудование
переменного тока на напряжения от 1 до 750 кВ.
Требования к электрической прочности изоляции
ГОСТ 3484.1-88.
Трансформаторы силовые. Методы электромагнитных испытаний
ГОСТ 3484.2-88.
Трансформаторы силовые. Испытания на нагрев
ГОСТ 3484.5-88.
Трансформаторы силовые. Испытания баков на герметичность
ГОСТ 6581-75.
Материалы электроизоляционные жидкие. Методы электрических испытаний
ГОСТ 8865-93.
Системы электрической изоляции. Оценка нагревостойкости
и классификация
ГОСТ 9920-89 (МЭК
694-80, МЭК 815-86). Электроустановки переменного тока на напряжение от 3 до
750 кВ. Длина пути утечки внешней изоляции
ГОСТ 10434-82.
Соединения контактные электрические. Классификация. Общие технические
требования
ГОСТ 13109-97.
Электрическая энергия. Совместимость технических средств электромагнитная.
Нормы качества электрической энергии в системах электроснабжения общего
назначения
ГОСТ 14192-96.
Маркировка грузов
ГОСТ 15150-69.
Машины, приборы и другие технические изделия. Исполнения для различных
климатических районов. Категории, условия эксплуатации, хранения и
транспортирования в части воздействия климатических факторов внешней среды
ГОСТ 15543.1-89.
Изделия электротехнические. Общие требования в части стойкости к климатическим
внешним воздействующим факторам
ГОСТ 16504-81.
Система государственных испытаний продукции. Испытания и контроль качества
продукции. Основные термины и определения
ГОСТ 16962.1-89
(МЭК 68-2-1-74). Изделия электротехнические. Методы испытаний на устойчивость к
климатическим внешним воздействующим факторам
ГОСТ 16962.2-90.
Изделия электротехнические. Методы испытаний на стойкость к механическим
внешним воздействующим факторам
ГОСТ 17516.1-90.
Изделия электротехнические. Общие требования в части стойкости к механическим
внешним воздействующим факторам
ГОСТ 18425-73. Тара
транспортная наполненная. Метод испытания на удар при свободном падении
ГОСТ 18685-73.
Трансформаторы тока и напряжения. Термины и определения
ГОСТ 19880-74.
Электротехника. Основные понятия. Термины и определения
ГОСТ 20074-83.
Электрооборудование и электроустановки. Метод измерения характеристик частичных
разрядов
ГОСТ 20690-75.
Электрооборудование переменного тока на напряжение 750 кВ.
Требования к электрической прочности изоляции
ГОСТ 21130-75.
Изделия электротехнические. Зажимы заземляющие и знаки
заземления. Конструкция и размеры
ГОСТ 22756-77 (МЭК
722-86). Трансформаторы (силовые и напряжения) и реакторы. Методы испытаний
электрической прочности изоляции
ГОСТ 23216-78.
Изделия электротехнические. Хранение, транспортирование, временная
противокоррозионная защита, упаковка. Общие требования и методы испытаний
РМГ 29-99.
Государственная система обеспечения единства измерений. Метрология. Основные
термины и определения.
3.
Определения
Термины,
применяемые в настоящем стандарте, и соответствующие им определения - по ГОСТ
3484.1, ГОСТ 16504, ГОСТ 18685, ГОСТ 19880, РМГ 29, а также следующие:
3.1. Антирезонансный трансформатор: трансформатор, устойчиво
работающий при наличии в сети феррорезонансных явлений.
3.2. Трехфазная
группа однофазных трансформаторов: группа из трех однофазных трансформаторов,
установленных на общей раме (площадке) и электрически соединенных между собой
по определенной схеме.
3.3. Номинальный
коэффициент напряжения: коэффициент, на который следует умножать номинальное
первичное напряжение, чтобы найти максимальное напряжение, при котором
трансформатор соответствует требованиям по нагреву в течение установленного
времени.
3.4. Испытание для
утверждения типа: вид государственного метрологического контроля вновь
разработанного трансформатора, проводимого в целях обеспечения единства
измерений, утверждения типа трансформатора и занесения его в Государственный
реестр средств измерений.
3.5. Испытание на
соответствие утвержденному типу: вид государственного метрологического
контроля, проводимого периодически в целях определения соответствия выпускаемых
из производства трансформаторов утвержденному типу.
4.
Классификация
4.1. Трансформаторы
подразделяют по следующим основным признакам.
4.1.1. По роду установки
(категории размещения и климатическому исполнению) по ГОСТ 15150.
При размещении
трансформаторов внутри оболочек комплектных изделий категории размещения должны
соответствовать указанным в таблице 1.
Таблица 1
Категории
размещения трансформаторов, установленных внутри
оболочек
комплектных изделий
┌───────────────────────────┬────────────────────────────────────┐
│Характеристика
среды внутри│ Категория размещения по ГОСТ 15150 │
│ оболочки ├────┬─────────┬─────┬─────┬─────────┤
│ │ 1 │
2 │ 3
│ 4 │
5 │
├───────────────────────────┼────┼─────────┼─────┼─────┼─────────┤
│
1. Газовая среда, │ - │
- │ 4
│ - │
- │
│изолированная от наружного │ │ │ │
│ │
│воздуха,
или жидкая среда │ │ │ │
│ │
│
2. Газовая среда, не │ 2 │2 или 2.1│ 3
│ 4 │5 или 5.1│
│изолированная от наружного │ │ │ │
│ │
│воздуха
│ │ │ │
│ │
└───────────────────────────┴────┴─────────┴─────┴─────┴─────────┘
4.1.2. По числу
фаз.
4.1.3. По наличию
или отсутствию заземления вывода Х первичной обмотки.
4.1.4. По принципу
действия.
4.1.5. По числу
ступеней трансформации.
4.1.6. По наличию
компенсационной обмотки или обмотки для контроля изоляции сети.
4.1.7. По виду
изоляции.
4.1.8. По
особенностям конструктивного исполнения.
Основные признаки
трансформаторов и их обозначения приведены в таблицах 2 и 3.
Таблица 2
┌───────────────────────────────────────────┬────────────────────┐
│
Конструктивное исполнение трансформаторов │Условное обозначение│
├───────────────────────────────────────────┼────────────────────┤
│
Заземляемый
│ З │
│
Незаземляемый │ - │
│
Однофазный │ О │
│
Трехфазный │ Т │
│
Электромагнитный
│ - │
│
Электромагнитный каскадный │ К │
│
С емкостным делителем
│ ДЕ │
│
Двухобмоточный │ - │
│
Трехобмоточный │ - │
│
Трехфазный с дополнительными обмотками │ И │
│для
контроля изоляции сети
│ │
│
Трехфазный с компенсационными обмотками │ К │
│
Защищенное исполнение
│ З │
│
Водозащищенное исполнение │ В │
│
Герметичное исполнение
│ Г
│
│
С встроенным предохранителем
│ П │
│
Антирезонансная конструкция │ А │
└───────────────────────────────────────────┴────────────────────┘
Таблица 3
┌───────────────────────────────────────┬────────────────────────┐
│ Вид изоляции │ Условное обозначение │
├───────────────────────────────────────┼────────────────────────┤
│
Воздушно-бумажная │ С │
│
Литая
│ Л │
│
Залитая битумным компаундом │ К │
│
С фарфоровой покрышкой
│ Ф │
│
Масляная
│ М │
│
Газовая
│ Г │
└───────────────────────────────────────┴────────────────────────┘
4.2. Трехобмоточный трансформатор следует изготовлять с двумя
вторичными обмотками: основной и дополнительной.
По требованию
потребителя допускается изготовление трехобмоточных
трансформаторов с двумя основными вторичными обмотками.
5. Основные
параметры
5.1.
Трансформаторам, предназначенным для измерения, следует присваивать классы
точности, выбираемые из ряда: 0,1; 0,2; 0,5; 1,0; 3,0.
Трансформаторам,
предназначенным для защиты <*>, следует присваивать классы точности 3Р
или 6Р.
--------------------------------
<*> Здесь и
далее под словом "защита" подразумевается защита, управление,
автоматика, сигнализация.
Трансформаторам
присваивают один или несколько классов точности в зависимости от номинальных
мощностей и назначения.
Конкретные классы
точности следует устанавливать в стандартах на трансформаторы конкретных типов.
Примечание. Для
трехфазных трехобмоточных трансформаторов классы
точности устанавливают только для основной вторичной обмотки. Для однофазных трехобмоточных трансформаторов классы точности
устанавливают для обеих вторичных обмоток, причем для дополнительной вторичной
обмотки класс точности должен быть 3, 3Р или 6Р.
5.2.
Номинальные мощности трансформаторов для любого класса точности следует
выбирать из ряда: 10; 15; 25; 30; 50; 75; 100; 150; 200; 300; 400; 500; 600;
800; 1000; 1200 В x А <*>. Значения номинальных
мощностей для низших классов точности трансформаторов определяют в соответствии
с Приложением А.
--------------------------------
<*> По
согласованию с потребителем допускается изготовление трансформаторов с
номинальными мощностями 20 и 45 В x А.
Конкретные значения
номинальных мощностей для всех классов точности устанавливают в стандартах на
трансформаторы конкретных типов.
5.3. Предельные
мощности трансформаторов следует выбирать из ряда: 160; 250; 400; 630; 1000;
1600; 2000; 2500 В x А.
Конкретные значения
предельных мощностей следует устанавливать в стандартах на трансформаторы
конкретных типов.
5.4. За
номинальные и предельные мощности трехобмоточных
трансформаторов принимают суммарные мощности основной и дополнительной
вторичных обмоток.
При нагрузке
однофазного трехобмоточного трансформатора до
предельной мощности, основная вторичная обмотка должна быть нагружена до
мощности, равной разности предельной мощности и номинальной мощности
дополнительной вторичной обмотки.
Для трехфазных
трансформаторов за номинальные и предельные мощности принимают трехфазные
мощности.
Для трехобмоточных трансформаторов с включенными нагрузками на
обеих вторичных обмотках, работающих одновременно, распределение мощности
нагрузки между обмотками следует устанавливать в стандартах на трансформаторы
конкретных типов.
5.5. Номинальные
напряжения первичных обмоток однофазных трансформаторов, включаемых между
фазами, и трехфазных трансформаторов на напряжение до 1000 В
должны быть 380 или 660 В.
Номинальные
напряжения первичных обмоток трансформаторов на напряжение более 1000 В должны соответствовать указанным в таблице 4.
Таблица 4
В киловольтах
┌───────────────┬────────────────────────────────────────────────┐
│ Класс │
Номинальное напряжение первичной обмотки │
│ напряжения
│ для
трансформаторов │
│по
ГОСТ 1516.1
├─────────────────┬──────────────────┬───────────┤
│
и ГОСТ 1516.3 │ однофазных │
однофазных
│трехфазных │
│ │ незаземляемых, │
заземляемых, │ │
│ │включаемых между │
включаемых между │
│
│ │ фазами
│ фазой и землей │ │
├───────────────┼─────────────────┼──────────────────┼───────────┤
│ │ │ _ │ │
│ 3
│ 3 │ 3/\/3 │ 3
│
│ │ │ _ │ │
│ 3
│ 3,15 <*> │
3,3/\/3 │ -
│
│ │ │ _ │ │
│ 6
│ 6 │ 6/\/3 │ 6
│
│ │ │ _ │ │
│ 6
│ 6 │
6,6/\/3 │ 6,6 <*>
│
│ │ │ _ │ │
│ 10
│ 10 │ 10/\/3 │ 10
│
│ │ │ _ │ │
│ 10
│ 10,5 <*> │
10,5/\/3 │ 10,5
<*> │
│ │ │ _ │ │
│ 10
│ 11 <*> │
11/\/3 │ 11,0
<*> │
│ │ │ _ │ │
│ 15
│ 13,8 <*> │
13,8/\/3 │ -
│
│ │ │ _ │ │
│ 15
│ 15 │ 15/\/3 │ -
│
│ │ │ _ │ │
│ 15
│ 15,75 <*> │
15,75/\/3 <*> │ -
│
│ │ │ _ │ │
│ 20
│ 18 <*> │
18/\/3 │ -
│
│ │ │ _
│ │
│ 20
│ 20 <*> │
20/\/3 <*> │ -
│
│ │ │ _ │ │
│ 24
│ - │ 24/\/3 │ -
│
│ │ │ _
│ │
│ 27
│ - │ 27/\/3 │ -
│
│ │ │ _ │ │
│ 35
│ 35 │ 35/\/3 │ 35
│
│ │ │ _ │ │
│ 110
│ - │ 110/\/3 │ -
│
│ │ │ _ │ │
│ 150
│ - │ 150/\/3 │ -
│
│ │ │ _ │ │
│ 220
│ - │ 220/\/3 │ -
│
│ │ │ _ │ │
│ 330
│ - │ 330/\/3 │ -
│
│
│ │ _ │
│
│ 500
│ - │ 500/\/3 │ -
│
│ │ │ _ │ │
│ 750
│ - │ 750/\/3 │
- │
├───────────────┴─────────────────┴──────────────────┴───────────┤
│
<*> Только для
трансформаторов, присоединяемых│
│непосредственно
к шинам
генераторного напряжения электрических│
│ _ _
│
│станций или к
выводам генераторов; 15,75/\/3 и
20/\/3 также│
│для
собственных нужд подстанций. │
└────────────────────────────────────────────────────────────────┘
Значения напряжения
следует указывать в стандартах на трансформаторы конкретных типов.
5.6. Номинальные
напряжения основных вторичных обмоток должны быть 100 В
для однофазных трансформаторов, включаемых на напряжение между фазами, и
В - для однофазных трансформаторов, включаемых
на напряжение между фазой и землей; для трансформаторов, предназначенных для
экспорта, - соответственно 110 или
В, 120 или
В.
Примечание. По
требованию потребителя допускается изготавливать трансформаторы с напряжением
основных вторичных обмоток 200 или
В, 220 или
В.
5.7. Номинальные
напряжения дополнительных вторичных обмоток должны быть:
100 В - для однофазных трансформаторов, работающих в сетях с
заземленной нейтралью;
В - для
однофазных трансформаторов, работающих в сетях с изолированной
нейтралью;
для трансформаторов,
предназначенных для экспорта, - соответственно 110 или
В, 120 или
В.
Примечание. По
требованию потребителя допускается изготавливать трансформаторы с напряжением
дополнительных вторичных обмоток соответственно 200 или
В, 220 или
В.
5.8. Номинальное
вторичное напряжение трехфазных трансформаторов должно быть 100 В, а для трансформаторов, предназначенных для экспорта, -
110 В.
5.9. Номинальная
частота напряжения питающей сети должна быть 50 или 60 Гц. Качество напряжения
- по ГОСТ 13109.
5.10. Схемы
и группы соединений первичных и вторичных обмоток
трансформаторов должны соответствовать указанным в таблицах 5 - 12.
Примечание. В
технической документации допускаются обозначения: У вместо (
),
вместо (
), V
вместо (
) и Z
вместо (
).
Таблица 5
Схемы и
группы соединений обмоток
однофазных двухобмоточных трансформаторов

Таблица 6
Схемы и группы
соединений обмоток
однофазных трехобмоточных трансформаторов
с двумя основными
вторичными обмотками

Таблица 7
Схемы и группы
соединений обмоток
однофазных трехобмоточных трансформаторов
с основной и
дополнительной вторичными обмотками

Таблица 8
Схемы и группы
соединений обмоток
трехфазных двухобмоточных трансформаторов

Таблица 9
Схемы и группы
соединений обмоток
трехфазных двухобмоточных трансформаторов
с положительной
компенсацией <*>
угловой погрешности

--------------------------------
<*>
Положительная компенсация угловой погрешности трансформатора - поворот вектора
первичного фазного напряжения относительно вектора вторичного фазного
напряжения по направлению движения часовой стрелки на некоторый угол.
Таблица 10
Схема и группа
соединений обмоток
трехфазных двухобмоточных трансформаторов
с отрицательной
компенсацией <*>
угловой погрешности

--------------------------------
<*>
Отрицательная компенсация угловой погрешности трансформатора - поворот вектора
первичного фазного напряжения относительно вектора вторичного фазного
напряжения против направления движения часовой стрелки на некоторый угол.
Таблица 11
Схемы и группы
соединений обмоток
трехфазных трехобмоточных трансформаторов
с основной и
дополнительной вторичными обмотками

Таблица 12
Схемы и
группы соединений обмоток
трехфазных трехобмоточных трансформаторов
с двумя основными
вторичными обмотками

5.11. Условное
обозначение трансформатора
Х Н Х Х Х Х - Х Х ХХ
│
│ │ │ │ │
│ │ │
│
│ │ │ │ │
│ │
└── Климатическое исполнение и категория
│
│ │ │ │ │
│ │ размещения по
ГОСТ 15150
│
│ │ │ │ │
│ └───── Категория в
зависимости от длины пути
│
│ │ │ │ │
│ утечки внешней
изоляции по ГОСТ 9920
│
│ │ │ │ │
└─────── Класс
напряжения первичной обмотки для
│
│ │ │ │ │
основного типоисполнения, кВ
│
│ │ │ │
└───────────
Другие конструктивные признаки
│
│ │ │
└─────────────
Вид изоляции
│
│ │
└───────────────
Конструктивный признак, характеризующий
│
│ │ принцип
действия
│
│ └─────────────────
Конструктивный признак, характеризующий
│
│ число фаз
│
└───────────────────
Целевое назначение (трансформатор
│
напряжения)
└─────────────────────
Заземляемый трансформатор
Примечания. 1. В
стандартах на трансформаторы конкретных типов в обозначении допускается
применять дополнительные или исключать отдельные данные.
2. Левая буквенная
часть обозначения представляет серию, совокупность буквенной и цифровой частей
- тип.
3. Для трансформаторов
ниже 1000 В вместо класса напряжения указывают
номинальное напряжение первичной обмотки в киловольтах.
Пример условного
обозначения трансформатора напряжения заземляемого, однофазного,
электромагнитного, с литой изоляцией, со встроенным предохранителем, класса
напряжения 10 кВ, климатического исполнения Т, категории размещения 3 по ГОСТ 15150:
ЗНОЛП - 10Т3.
То же, антирезонансной конструкции, масляного трехфазного с
дополнительными обмотками для контроля изоляции сети, класса напряжения 10 кВ, климатического исполнения У,
категории размещения 2 по ГОСТ 15150:
НАМИ - 10У2.
6.
Технические требования
6.1. Трансформаторы
следует изготовлять в соответствии с требованиями настоящего стандарта,
стандартов на трансформаторы конкретных типов по рабочим чертежам, утвержденным
в установленном порядке.
6.2. В трехобмоточном трансформаторе основная вторичная обмотка
предназначена для питания измерительных приборов и цепей защитных устройств,
дополнительная вторичная обмотка - для питания цепей защитных устройств и
контроля изоляции сети.
6.3. Однофазные
трансформаторы должны быть рассчитаны для работы в электрических схемах
согласно рисункам Б.1, Б.2, Б.6 - Б.10 Приложения Б.
6.4. В
трехфазных трехобмоточных трансформаторах, включенных
по схеме согласно рисунку Б.4, и однофазных трехобмоточных
трансформаторах, включенных по схеме согласно рисунку Б.8 Приложения Б,
напряжение на вводах разомкнутого треугольника при симметричном номинальном
первичном фазном напряжении не должно превышать 3 В.
6.5. К
каждой дополнительной вторичной обмотке группы однофазных трехобмоточных
трансформаторов, соединенных по схемам, изображенным на рисунках Б.9 и Б.10
Приложения Б, допускается подключать фазные нагрузки
(рисунок 1).

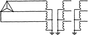
Рисунок 1
Сумма мощности
фазной нагрузки
и общей нагрузки разомкнутого треугольника
при равенстве
не должна превышать мощности дополнительной
вторичной обмотки трансформатора
(за расчетную схему принимается двухфазное
короткое замыкание на землю)
. (1)
6.6. Трехфазные трансформаторы, а также трехфазные группы однофазных
трансформаторов, предназначенные для контроля изоляции в сетях с изолированной нейтралью, должны выдерживать не менее 8 ч однофазные
замыкания сети на землю при наибольшем рабочем напряжении, соответствующем ГОСТ
721.
Однофазные
трансформаторы должны выдерживать напряжения в соответствии с таблицей 13.
Таблица 13
┌───────────┬─────────────────┬──────────────────────────────────┐
│Номинальный│Продолжительность│Способ включения
первичной обмотки│
│коэффициент│ включения
│ и условия заземления
системы │
│напряжения
│ │ │
├───────────┼─────────────────┼──────────────────────────────────┤
│ 1,2
│ Неограниченная
│ Между фазами любой сети. Между │
│ │ │нейтральной точкой
трансформатора │
│ │ │и землей в любой сети │
│
1,5 │ 30 с │ Между фазой и землей в
системе │
│ │ │с эффективно
заземленной нейтралью│
│
1,9 │ 30 с │ Между фазой и землей в
системе с │
│ │ │неэффективно
заземленной нейтралью│
│ │ │с автоматическим
отключением при
│
│ │ │замыкании
на землю │
│ 1,9
│ 8 ч │ Между
фазой и землей в системе │
│ │ │с изолированной нейтралью без
│
│ │ │автоматического
отключения при
│
│ │ │замыкании на землю или в │
│ │ │резонансно-заземленной
системе │
│ │ │без автоматического
отключения │
│ │ │при замыкании на
землю │
└───────────┴─────────────────┴──────────────────────────────────┘
6.7.
Напряжение на вводах разомкнутого треугольника дополнительных вторичных обмоток
трехобмоточных трансформаторов должно быть от 90 до
110 В при приложенном к ним симметричном линейном
напряжении, соответствующем номинальному первичному напряжению, и последующем
замыкании одной из фаз на землю.
Примечание.
Указанные значения напряжений относятся к трансформаторам с
номинальным вторичным напряжением 100 В. Для трансформаторов с номинальным
вторичным напряжением 110 и 200 В значения напряжений следует указывать
в стандартах на эти трансформаторы.
6.8. Требования по
устойчивости к внешним воздействиям окружающей среды
6.8.1.
Трансформаторы следует изготавливать в климатических исполнениях по ГОСТ 15150
и ГОСТ 15543.1. Категория размещения - по ГОСТ 15150.
Вид климатического
исполнения и категорию размещения следует указывать в стандартах на
трансформаторы конкретных типов.
Для трансформаторов
категории размещения 4 по ГОСТ 15150 климатическое исполнение - УХЛ4 или О4.
Требования в части
стойкости к климатическим внешним воздействующим факторам - по ГОСТ 15543.1.
6.8.2.
Трансформаторы должны быть предназначены для работы на высоте до 1000 м над
уровнем моря, за исключением трансформаторов на номинальное напряжение 750 кВ, которые должны быть предназначены для работы на высоте
до 500 м.
Допускается по
согласованию между потребителем и изготовителем изготавливать трансформаторы
для работы на высоте свыше 1000 м.
6.8.3.
Устойчивость трансформаторов к воздействию механических факторов внешней среды
- по ГОСТ 17516.1. Группу механического исполнения по ГОСТ 17516.1
устанавливают в стандартах на трансформаторы конкретных типов.
Трансформаторы
категории размещения 1 должны быть рассчитаны на суммарную механическую
нагрузку от ветра скоростью 40 м/с, гололеда с толщиной стенки льда 20 мм и от тяжения проводов не менее:
500 Н (50 кгс) -
для трансформаторов на номинальное напряжение до 35 кВ
включительно;
1000 Н (100 кгс) -
для трансформаторов на номинальное напряжение от 110 до 220 кВ;
1500 Н (150 кгс) -
для трансформаторов на номинальное напряжение 330 кВ
и выше.
6.8.4. Рабочее
положение трансформаторов в пространстве должно быть указано в стандартах на
трансформаторы конкретных типов.
6.9. Требования к
конструкции
6.9.1. Вводы и
контактные выводы
6.9.1.1.
Расположение вводов масляных трансформаторов и контактных выводов сухих
трансформаторов следует указывать в стандартах на трансформаторы конкретных
типов.
6.9.1.2. Контактные
выводы следует выполнять по ГОСТ 10434.
6.9.1.3. У
трансформаторов с первичным напряжением 35 кВ и выше
вводы вторичных обмоток и заземляемые вводы первичной обмотки должны быть с
контактным резьбовым соединением диаметром не менее М6.
6.9.1.4. У
трансформаторов категории размещения 1 по ГОСТ 15150 длина пути утечки внешней
изоляции по ГОСТ 9920 должна быть установлена в стандартах на трансформаторы
конкретных типов.
У трансформаторов
категорий размещения 2 и 5 по ГОСТ 15150 длина пути утечки внешней изоляции с
учетом выпадения росы и инея должна быть установлена в стандартах на
трансформаторы конкретных типов.
6.9.1.5. Плоский
контактный зажим ввода первичного напряжения трансформатора, предназначенный
для соединения с шинами экранированного токопровода,
должен позволять регулирование его высоты по отношению к вводу не менее 10 мм.
6.9.1.6.
Конструкцией трансформаторов категории размещения 1 по ГОСТ 15150 должна быть
обеспечена защита места присоединения кабелей к выводам вторичных обмоток от
атмосферных осадков.
6.9.2. Баки (фарфоровые
покрышки) и расширители
6.9.2.1.
Конструкция маслонаполненных трансформаторов должна обеспечивать их
герметичность. Стандарты на маслонаполненные трансформаторы должны содержать
требования по проверке герметичности конструкции, а также требования к газо- и
влагосодержанию заливаемого в трансформаторы масла.
6.9.2.2.
Маслонаполненный трансформатор должен иметь расширитель, вместимость которого
обеспечивает постоянное наличие в нем масла при всех режимах работы
трансформатора в диапазоне рабочих температур. Функцию расширителя могут
выполнять верхняя часть фарфоровой покрышки, сильфон или другие устройства.
6.9.2.3.
Маслонаполненные трансформаторы должны иметь указатели уровня масла. Около указателя уровня масла или на нем должны быть нанесены три
контрольные черты, соответствующие уровню масла в неработающем трансформаторе
при температуре 20 °C, а также при верхнем и нижнем значениях температуры.
Допускается применять другие устройства контроля уровня масла.
6.9.2.4. В трансформаторах
с массой масла до 50 кг допускается наносить на указателе уровня масла одну
контрольную черту, по которой устанавливают уровень заливаемого в трансформатор
масла при температуре 20 °C.
6.9.2.5. В
герметичных трансформаторах способы контроля уровня масла должны быть указаны в
стандартах на эти трансформаторы.
6.9.2.6.
Трансформаторы с массой масла менее 20 кг, соответствующие требованиям 6.9.2.2,
допускается изготавливать без указателей уровня масла.
6.9.2.7.
Конструкция газонаполненных трансформаторов должна иметь защиту от чрезмерного
увеличения давления газа при аварии, связанной с пробоем внутренней изоляции и
горением дуги.
6.9.2.8.
Конструкция газонаполненных трансформаторов должна обеспечивать утечку массы
газа не более 1% в год.
6.9.3. Арматура
6.9.3.1. Масляные
трансформаторы с первичным напряжением 10 кВ и выше и
массой масла более 10 кг должны быть снабжены арматурой для заливки, отбора
проб и слива масла.
6.9.3.2. Арматуру
для отбора проб масла помещают в нижней части бака, при этом должно быть
предусмотрено плавное регулирование вытекающей струи масла.
6.9.3.3. На
трансформаторах, конструкцией которых предусмотрена разборка, должно быть место
для нанесения поверительного клейма или пломбы.
Клеймо или пломба должны препятствовать разборке трансформатора без их
нарушения.
6.9.3.4.
Трансформаторы с массой более 20 кг должны иметь устройство по ГОСТ 12.2.007.0
для подъема, опускания и удержания их на весу. При невозможности
конструктивного выполнения таких приспособлений в руководстве по эксплуатации
следует указывать места захвата трансформатора при такелажных работах.
6.9.4. Заземление
6.9.4.1.
Трансформаторы с первичным напряжением до 660 В
включительно должны быть оснащены заземляющими зажимами с резьбовым соединением
шпилек, болтов, винтов диаметром не менее М6, трансформаторы на номинальное
напряжение свыше 660 В - не менее М8. Конструкция и размеры заземляющих зажимов
- по ГОСТ 21130.
6.9.4.2. Около
заземляющего зажима должен быть нанесен знак заземления по ГОСТ 21130.
Способ нанесения
знака заземления должен обеспечивать его долговечность и стойкость к
атмосферным воздействиям.
6.9.4.3.
Поверхность площадки заземляющего зажима (бобышка, прилив) должна
соответствовать требованиям ГОСТ 21130. Размеры поверхности площадки должны
быть достаточными для надежного соединения с шиной шириной не менее 20 мм - для
трансформаторов с первичным напряжением 3 - 35 кВ и
шириной не менее 40 мм - для трансформаторов с первичным напряжением 110 кВ и выше.
Примечание. Для
малогабаритных трансформаторов с первичным напряжением до 660
В допускается уменьшать площадки заземления до размеров, позволяющих
надежно соединять их с заземляющей жилой диаметром не менее 2 мм.
6.9.4.4.
Трансформаторы с литой изоляцией, не имеющие металлического корпуса,
допускается изготавливать без заземляющих зажимов.
6.9.5. Защита масла
и поверхностей трансформатора
6.9.5.1. Масляные
трансформаторы с первичным напряжением 110 кВ и выше
должны быть оборудованы защитой, предохраняющей масло от непосредственного
соприкосновения с окружающим воздухом.
6.9.5.2. Все
непосредственно соприкасающиеся с окружающим воздухом, подверженные коррозии
поверхности трансформатора должны быть защищены лакокрасочными, гальваническими
и другими покрытиями.
6.9.5.3.
Металлические поверхности внутри бака или расширителя масляного трансформатора
должны иметь маслостойкое покрытие, защищающее масло от соприкосновения с ними
и не оказывающее вредного воздействия на масло.
Примечание.
Допускается не защищать покрытием торцевые поверхности магнитопроводов
и поверхности материалов, не оказывающих активного каталитического воздействия
на масло.
6.10. Применяемые в
конструкции трансформаторов материалы должны обеспечивать выполнение требований
по взрыво-
и пожаробезопасности.
Марку масла
указывают в стандартах на трансформаторы конкретных типов.
6.11.
Требования к нагреву
6.11.1. Превышение
элементами трансформаторов температуры окружающей среды не должно быть более
значений, указанных в таблице 14.
Таблица 14
┌──────────────┬─────────┬───────────────────────┬───────────────┐
│ Элемент
│Класс │Превышение
температуры │Метод измерения│
│трансформатора│нагрево- │ при
номинальном │ │
│ │стойкости│напряжении,
протекании │ │
│ │по ГОСТ │тока, соответствующего │ │
│ │8865 │
предельной мощности │ │
│ │ │ трансформатора, и │ │
│ │ │эффективной температуре│ │
│ │ │ окружающего воздуха │ │
│ │ │ 40 °C │ │
├──────────────┼─────────┼───────────────────────┼───────────────┤
│
Обмотки, │ Все
│ 65 │ По
изменению │
│погруженные │ классы │
│сопротивления │
│в
масло │ │ │обмоток │
│ │ │ │постоянному │
│ │ │ │току │
│
Обмотки, │ B
│ 85 │ То же │
│залитые │ │ │ │
│эпоксидным │ │ │ │
│компаундом │ │ │ │
│
Обмотки, │ Все
│ 50 │ " │
│залитые │ классы │ │ │
│битумным │ │ │ │
│компаундом │ │ │ │
│
Обмотки сухих│ A │ 60 │ " │
│трансформато- │
E │ 75 │ │
│ров │ B
│ 85 │ │
│ │ F
│ 110 │ │
│ │ H
│ 135 │ │
│
Масло в
│ │ │ По
термометру │
│верхних
слоях:│
│
│или термопаре │
│
исполнение │ -
│ 60 │ │
│герметичное │ │ │ │
│или
с │ │ │ │
│устройством, │ │ │ │
│полностью │ │ │ │
│защищающим │ │ │ │
│масло
от
│ │ │ │
│соприкасания
│ │ │ │
│с
окружающим │ │ │ │
│воздухом │ │ │ │
│
в остальных │ -
│ 55 │
То же │
│случаях
│ │ │ │
├──────────────┴─────────┴───────────────────────┴───────────────┤
│ Примечания. 1. Указанные требования не распространяются на│
│трансформаторы, размещаемые
с внешней стороны
пофазно│
│экранированных токопроводов, но обязательны для вводов,│
│находящихся
внутри токопроводов. │
│ 2.
Вместо эффективной температуры
окружающей среды│
│допускается
принимать верхнее значение температуры. │
└────────────────────────────────────────────────────────────────┘
6.11.2. Для
трансформаторов, эксплуатируемых при температуре окружающего воздуха выше 40
°C, допускаемые значения превышения температуры, указанные в таблице 14, должны
быть уменьшены на разность между температурой окружающего воздуха при
эксплуатации и при 40 °С. При температуре эксплуатации ниже 40 °C допускаемые
значения превышения температуры соответственно увеличиваются.
6.11.3. Классы нагревостойкости изоляции обмоток сухих трансформаторов
должны быть указаны в стандартах на трансформаторы конкретных типов.
6.11.4.
Превышения температуры элементов однофазных трансформаторов, указанные в
таблице 14, могут быть на 10 °C выше при номинальных коэффициентах напряжения
1,5 и 1,9 (таблица 13) и значении мощности, установленном в стандартах на
трансформаторы конкретных типов.
6.12.
Требования к изоляции
6.12.1. Требования
к электрической прочности изоляции трансформаторов с номинальными первичными
напряжениями 3 - 500 кВ - по ГОСТ 1516.1 и ГОСТ
1516.3, а с номинальным первичным напряжением 750 кВ
- по ГОСТ 1516.3 и ГОСТ 20690.
Заземляемые нейтрали первичных обмоток трехфазных трансформаторов, а
также предназначенные для заземления вводы первичных обмоток однофазных
трансформаторов могут иметь неполную изоляцию, которая должна выдерживать в
течение 1 мин испытательное напряжение 3 кВ частотой
50 Гц, приложенное от внешнего источника.
Изоляция вторичных
обмоток трансформаторов должна выдерживать в течение 1 мин испытательное
напряжение 3 кВ частотой 50 Гц, приложенное от
внешнего источника.
6.12.2.
Трансформаторы, изготавливаемые с номинальными первичными напряжениями,
отличающимися от указанных в таблице 4, значения которых не превышают или равны
наибольшему рабочему напряжению соответствующего класса напряжения, указанного
в ГОСТ 1516.1 и ГОСТ 1516.3, должны иметь уровень изоляции по ГОСТ 1516.1, ГОСТ
1516.3 или ГОСТ 20690 для напряжения данного класса.
6.12.3. Изоляция
первичных обмоток трансформаторов с номинальным первичным напряжением до 660 В включительно должна выдерживать одноминутное
испытательное напряжение 3 кВ частотой 50 Гц,
приложенное от внешнего источника.
6.12.4. Требования
к электрической прочности изоляции емкостных делителей напряжения, изолирующих
подставок и электромагнитных устройств для емкостных
трансформаторов должны быть указаны в стандартах на эти трансформаторы.
6.12.5.
Уровень частичных разрядов изоляции электромагнитных трансформаторов на
номинальное напряжение 3 кВ и выше уровня изоляции
"а" по ГОСТ 1516.3 должен соответствовать значениям, приведенным в
таблице 15.
Таблица 15
┌───────────────┬────────────┬────────────┬──────────────────────┐
│ Условие
│ Соединение │ Напряжение │Допускаемый уровень │
│ заземления
│ первичной │ измерения │частичных разрядов, │
│ системы
│ обмотки │ частичных │пКл, для
изоляции │
│ │ │ разрядов
├──────┬───────┬───────┤
│ │ │ │жидкой│газовой│твердой│
├───────────────┼────────────┼────────────┼──────┼───────┼───────┤
│
Эффективно │Фаза - земля│
U │
10 │ 20
│ 50 │
│заземленная │ │ н.р │ │ │ │
│нейтраль
│
├────────────┤ ├───────┼───────┤
│ │ │ U
│ │ 10
│ 20 │
│ │ │
н.р │
│ │ │
│ │ │ 1,1----
│ │ │ │
│ │ │ _
│ │ │ │
│ │ │ \/3
│ │ │ │
│ ├────────────┼────────────┤
├───────┼───────┤
│ │Фаза - фаза │
1,1U │ │
10 │ 20
│
│ │ │ н.р │
│ │ │
├───────────────┼────────────┼────────────┼──────┼───────┼───────┤
│
Неэффективно │Фаза - земля│
U │ 10
│ 20 │
50 │
│заземленная
или│ │ н.р │ │ │ │
│изолированная │
├────────────┤
├───────┼───────┤
│нейтраль
│ │ U
│ │ 10 │ 20
│
│ │ │ н.р │
│ │ │
│ │ │ 1,1----
│ │ │ │
│ │ │ _
│ │ │ │
│ │ │ \/3
│ │ │ │
│
├────────────┼────────────┤
├───────┼───────┤
│ │Фаза - фаза │
1,1U │ │
10 │ 20
│
│ │ │ н.р │
│ │ │
├───────────────┴────────────┴────────────┴──────┴───────┴───────┤
│ Примечание. U - наибольшее рабочее напряжение. │
│ н.р
│
└────────────────────────────────────────────────────────────────┘
Требования,
предъявляемые к маслонаполненным трансформаторам на номинальное напряжение 110 кВ и выше по тангенсу угла диэлектрических потерь, должны
быть указаны в стандартах на трансформаторы конкретных типов.
6.12.6. При
нормальных климатических условиях по ГОСТ 15150 сопротивление изоляции
первичных обмоток должно быть не менее 300 МОм, вторичных обмоток - не менее 50
МОм, связующих обмоток каскадных трансформаторов - не менее 1 МОм.
6.12.7.
Диэлектрические показатели качества масла маслонаполненных трансформаторов
должны соответствовать указанным в таблице 16.
Таблица 16
┌────────────────────┬─────────────┬─────────────────────────────┐
│Показатель
качества │Номинальное
│Предельно допустимое значение│
│ масла │напряжение │
показателя качества масла │
│ │трансформа-
├─────────────┬───────────────┤
│ │торов, кВ │для
заливки в│после заливки в│
│ │ │трансформатор│ трансформатор │
├────────────────────┼─────────────┼─────────────┼───────────────┤
│
Пробивное
│До 15 включ. │ 30
│ 25 │
│напряжение │До 35
включ. │
35 │ 30
│
│по
ГОСТ 6581, кВ,
│ 110 - 150 │
60 │ 55
│
│не
менее │ 220 - 500
│ 65 │ 60
│
│ │ 750
│ 70 │ 65
│
├────────────────────┼─────────────┼─────────────┼───────────────┤
│
Тангенс угла
│До 220 включ.│ 1,7
│ 2,0 │
│диэлектрических │ Св. 220 │
0,5 │ 0,7
│
│потерь
при 90 °C │ │ │ │
│по
ГОСТ 6581, %, │ │ │ │
│не
более │ │ │ │
└────────────────────┴─────────────┴─────────────┴───────────────┘
6.12.8.
Газовая изоляция первичной обмотки трансформаторов, работающих при избыточном
давлении газа, должна в течение 15 мин выдерживать напряжение
при избыточном давлении газа, равном нулю.
6.13.
Требования к переходным процессам в емкостных трансформаторах
6.13.1. Переходный процесс, возникающий во вторичной цепи емкостного
трансформатора после отключения в ней короткого замыкания при первичном
напряжении 0,8 - 1,2 номинального значения, указанного в таблице 4, должен
затухать до значения, отличающегося от исходного не более чем на 10%, за время,
соответствующее 10 периодам номинальной частоты.
6.13.2. При
внезапных коротких замыканиях в первичной цепи емкостного трансформатора его
вторичное напряжение в течение одного периода номинальной частоты должно
снизиться до значения менее 10% амплитудного значения до короткого замыкания.
6.13.3. Допустимые
значения амплитуды колебания вторичного напряжения при включении емкостного
трансформатора на полное номинальное первичное напряжение должны быть предусмотрены
в эксплуатационной документации на трансформаторы конкретных типов.
6.14.
Требования к стойкости электромагнитных трансформаторов при токах короткого
замыкания
6.14.1.
Электромагнитные трансформаторы должны в течение 1 с
выдерживать токи короткого замыкания, возникающего на вводах вторичных
обмоток.
6.14.2. По
согласованию между потребителем и изготовителем в стандартах на трансформаторы
конкретных типов указывают токи короткого замыкания между всеми вторичными
выводами.
6.15.
Метрологические характеристики
6.15.1.
Метрологические характеристики должны быть установлены для следующих рабочих
условий применения трансформаторов:
частота переменного
тока (50 +/- 0,5) или (60 +/- 0,5) Гц;
мощность
активно-индуктивной нагрузки при коэффициенте мощности 0,8 определяется от
до
,
<*>
где
- номинальная мощность трансформатора в данном
классе точности, В x А;
-
номинальное значение первичного напряжения трансформатора, В;
-
значение первичного напряжения, подведенного к трансформатору, В;
0,8 - 1,2
номинального напряжения - для трансформаторов, предназначенных для измерения;
от 0,02 или 0,05 до
1,2; 1,5 или 1,9 номинального напряжения - для трансформаторов, предназначенных
для защиты;
температура
окружающего воздуха - в соответствии со стандартами на трансформаторы
конкретных типов;
высота установки трансформаторов
над уровнем моря - по 6.8.2.
--------------------------------
<*>
По согласованию с потребителем допускается более узкий диапазон мощности
нагрузки, например, от
до
.
6.15.2. Предельные
значения допускаемых погрешностей трансформаторов в рабочих условиях применения
по 6.15.1 при установившемся режиме работы должны соответствовать указанным в
таблице 17.
Таблица 17
┌──────────────┬─────────────────────────────────────────────────┐
│Класс
точности│ Предел
допускаемой погрешности │
│
├───────────────┬─────────────────────────────────┤
│ │ напряжения, %
│ угловой │
├──────────────┼───────────────┼────────────────┬────────────────┤
│ 0,1
│ +/- 0,1 │
+/- 5' │ +/- 0,15 срад
│
│ 0,2
│ +/- 0,2 │
+/- 10' │ +/- 0,3 срад │
│ 0,5
│ +/- 0,5 │
+/- 20' │ +/- 0,6 срад │
│ 1,0
│ +/- 1,0 │
+/- 40' │ +/- 1,2 срад │
│ 3,0
│ +/- 3,0 │ Не нормируют │
│ 3Р
│ +/- 3,0 │
+/- 120' │ +/- 3,5 срад │
│ 6Р
│ +/- 6,0 │
+/- 240' │
+/- 7,0 срад
│
├──────────────┴───────────────┴────────────────┴────────────────┤
│ Примечание. В таблице указаны
погрешности
трансформаторов│
│для
защиты в диапазоне первичных
напряжений от 0,2
до 1,2│
│номинального. │
│ При
значении первичного напряжения,
подведенного к│
│трансформатору
для защиты, равном 0,02 номинального, предельные│
│значения
допускаемых погрешностей должны быть
увеличены в два│
│раза. │
│ При
значении первичного напряжения,
подведенного к│
│трансформатору для
защиты, равном 0,05;
1,5 или 1,9│
│номинального,
предельные значения допускаемых погрешностей
по│
│согласованию между
разработчиком и заказчиком
могут быть│
│увеличены в два раза.
│
│ В стандартах на трансформаторы конкретных
типов должны быть│
│указаны расчетные
значения погрешностей при
значениях│
│напряжений
0,02; 0,05; 1,5 и 1,9 номинального. │
└────────────────────────────────────────────────────────────────┘
6.15.3. По
согласованию между потребителем и изготовителем в эксплуатационной документации
на трансформаторы должны быть указаны зависимости погрешностей от влияющих
факторов: первичного напряжения, мощности нагрузки, коэффициента мощности
нагрузки, частоты, температуры в диапазоне их рабочих значений, а также
динамические характеристики.
Также должна быть
указана точность определения зависимости погрешностей.
Зависимости
погрешностей от каждого влияющего фактора следует приводить при номинальных
значениях всех остальных влияющих факторов.
6.16. Ток
холостого хода должен быть установлен изготовителем и указан в эксплуатационной
документации на трансформаторы конкретных типов.
6.17.
Сопротивление обмоток постоянному току должно быть установлено изготовителем и
указано в эксплуатационной документации на трансформаторы конкретных типов.
6.18.
Напряжение короткого замыкания должно быть указано в эксплуатационной
документации на трансформаторы конкретных типов.
6.19. Требования к
надежности
6.19.1. Средняя
наработка до отказа должна быть установлена по ГОСТ 27.003 и указана в
стандартах на трансформаторы конкретных типов.
6.19.2. Средний
срок службы трансформаторов - 25 лет.
6.19.3. Требования
по ремонтопригодности должны быть указаны в стандартах на трансформаторы
конкретных типов.
6.20. Комплектность
6.20.1.
Комплектность трансформаторов должна быть установлена в стандартах на
трансформаторы конкретных типов.
6.20.2. К
трансформаторам должна быть приложена эксплуатационная документация по ГОСТ
2.601: паспорт, руководство по эксплуатации, ведомости ЗИП (при наличии).
Для трансформаторов
на напряжение до 10 кВ включительно по согласованию с
потребителем, если это установлено в стандартах на трансформаторы конкретных
типов, паспорт может быть заменен этикеткой.
Для трансформаторов
на напряжение до 660 В номенклатура эксплуатационной
документации может быть сокращена и должна быть указана в стандартах на
трансформаторы конкретных типов.
Число экземпляров
эксплуатационной документации, прилагаемой к трансформаторам, устанавливают в
стандартах на трансформаторы конкретных типов.
6.21. Маркировка
6.21.1. Все вводы и
выводы трансформаторов для внешнего присоединения следует обозначать способом,
обеспечивающим долговечность и стойкость маркировки к атмосферным воздействиям.
Условные
обозначения вводов и выводов - в соответствии с таблицами 5 - 12.
6.21.2. Каждый
трансформатор должен быть снабжен прикрепленной на видном месте табличкой, на
которой указывают:
товарный знак
предприятия-изготовителя или его наименование;
наименование
"трансформатор напряжения";
тип трансформатора
и климатическое исполнение;
порядковый номер по
системе нумерации предприятия-изготовителя;
обозначение
стандарта на трансформаторы конкретных типов или обозначение настоящего
стандарта;
год выпуска (на
трансформаторах, предназначенных для экспорта, не указывают);
номинальное
напряжение первичной обмотки, В;
номинальные
напряжения каждой из вторичных обмоток, В (для трехфазных трехобмоточных
трансформаторов указывают только напряжение основной вторичной обмотки);
номинальную
частоту, Гц (при частоте 50 Гц допускается не
указывать);
классы точности и
соответствующие им номинальные мощности, В x А;
предельную
мощность, В x А;
полную массу трансформатора,
кг;
условное
обозначение схемы и группы соединения обмоток (для трехфазных трансформаторов).
Примечания. 1.
Допускается наносить перечисленные данные на одну или несколько табличек, а
также частично или полностью на элементы конструкции трансформатора.
2. Допускается
наносить на табличку дополнительную информацию в соответствии со стандартами на
трансформаторы конкретных типов.
6.21.3. В каскадных
и емкостных трансформаторах маркируют каждый блок или конденсатор, входящий в
комплект трансформатора.
6.21.4. Маркировка
транспортной тары - по ГОСТ 14192.
6.22. Упаковка
6.22.1. Перед
упаковыванием все неокрашенные наружные поверхности, которые могут подвергаться
коррозии и порче, должны быть подвергнуты консервации.
6.22.2. Упаковка
должна обеспечивать сохранность трансформаторов при их транспортировании. Вид
упаковывания должен быть предусмотрен в стандартах на трансформаторы конкретных
типов.
7.
Требования безопасности
7.1. Требования
безопасности к конструкции трансформаторов - по ГОСТ 12.2.007.0 и ГОСТ
12.2.007.3.
7.2. Требования
безопасности при испытаниях трансформаторов - по ГОСТ 8.216 и ГОСТ 12.3.019.
8. Правила
приемки
8.1. Для
проверки соответствия трансформаторов требованиям настоящего стандарта и
стандартов на трансформаторы конкретных типов следует проводить испытания:
для утверждения
типа;
на соответствие
утвержденному типу;
квалификационные;
приемосдаточные;
периодические;
типовые.
8.2. Объем
испытаний и проверок, в зависимости от конструктивных особенностей и назначения
трансформатора, следует выбирать по таблице 18 и устанавливать в стандартах на
трансформаторы конкретных типов.
Таблица 18
┌──────────────────┬──────────────────────────────┬──────────────┐
│ Наименование │
Необходимость проведения
│ Пункт │
│ испытания │ испытаний │ настоящего
│
│ и проверки │ │ стандарта
│
│
├─────┬─────┬──────┬─────┬─────┼───────┬──────┤
│ │для │на
│ква- │прие-│пери-│техни-
│методы│
│ │ут- │соот-│лифи- │мо- │оди- │ческие │конт- │
│ │верж-│вет-
│каци- │сда-
│чес- │требо- │роля │
│ │дения│ствие│онных
│точ-
│ких │вания │
│
│ │типа │ут- │
│ных
│ │ │ │
│ │ │верж-│ │ │
│ │ │
│ │ │ден-
│ │ │
│ │ │
│ │ │ному │ │ │
│ │ │
│ │ │типу │ │ │
│ │ │
├──────────────────┼─────┼─────┼──────┼─────┼─────┼───────┼──────┤
│
1. Проверка на │ +
│ + │
+ │ +
│ + │ 6.1;
│ 9.1 │
│соответствие │ │
│ │ │
│6.20.2 │ │
│требованиям │ │
│ │ │
│ │ │
│сборочного
чертежа│ │ │ │ │
│ │ │
│
2. Испытание │
│ │ │ │
│ │ │
│пробы
масла │ │
│ │ │
│ │ │
│маслонаполненных │
│ │ │
│ │ │ │
│трансформаторов: │
│ │ │
│ │ │ │
│
определение │ -
│ - │
+ │ +
│ + │6.12.7 │ 9.2 │
│пробивного │ │
│ │ │
│ │ │
│напряжения │ │
│ │ │
│ │ │
│
определение │ -
│ - │
+ │ +
│ + │6.12.5;│ 9.2; │
│тангенса
угла │ │
│ │ │
│6.12.7 │ 9.17 │
│диэлектрических │
│ │ │
│ │ │ │
│потерь │ │
│ │ │
│ │ │
│
3. Измерение
│ - │
- │ +
│ О │
+ │6.12.6 │ 9.3 │
│сопротивления │
│ │ │
│ │ │ │
│изоляции
обмоток │ │
│ │ │
│ │ │
│
4. Испытания │ │
│ │ │
│ │ │
│электрической │
│ │ │
│ │ │ │
│прочности │ │
│ │ │
│ │ │
│изоляции: │ │
│ │ │
│ │ │
│
одноминутным │ -
│ - │
+ │ +
│ + │ 6.12
│ 9.4 │
│напряжением │ │
│ │ │
│ │ │
│промышленной │ │
│ │ │
│ │ │
│частоты │ │
│ │ │
│ │ │
│
трансформаторов │ -
│ - │
+ │ -
│ + │ 6.12
│ 9.4 │
│с
номинальным │ │
│ │ │
│ │ │
│напряжением
330 кВ│
│ │ │ │
│ │ │
│и
выше напряжением│ │ │ │ │
│ │ │
│коммутационного │
│ │ │
│ │ │ │
│импульса │ │
│ │ │
│ │ │
│
трансформаторов │ -
│ - │
+ │ -
│ - │ 6.12
│ 9.4 │
│с
номинальным │ │
│ │ │
│ │ │
│напряжением
свыше │ │ │ │ │
│ │
│
│1000 В
│ │ │ │ │
│ │ │
│напряжениями │ │
│ │ │
│ │ │
│грозового
импульса│ │ │ │ │
│ │ │
│
внутренней
│ - │
- │ О
│ - │
- │ 6.12 │ 9.4
│
│изоляции
первичной│ │ │ │ │
│ │ │
│обмотки
на
│ │ │ │ │
│ │ │
│стойкость
к
│ │ │ │ │
│ │ │
│тепловому
пробою │ │
│ │ │
│ │ │
│
изоляции │ -
│ - │
+ │ -
│ + │6.12.8 │ 9.4 │
│первичной
обмотки │ │ │ │ │
│ │ │
│газонаполненных │
│ │ │
│ │ │ │
│трансформаторов │
│ │ │ │
│ │ │
│при
остаточном │ │
│ │ │
│ │ │
│давлении газа,
│ │ │ │ │
│ │ │
│равном нулю
│ │ │ │ │
│ │ │
│
проверка длины │ -
│ - │
+ │ -
│ - │6.9.1.4│ 9.20 │
│пути
утечки │ │
│ │ │
│ │ │
│
5. Измерение тока│ - │
- │ +
│ + │
+ │ 6.16 │ 9.5
│
│холостого
хода │ │
│ │ │
│ │ │
│
6. Определение │ │
│ │ │
│ │ │
│погрешностей: │
│ │ │
│ │ │ │
│
при нагрузках, │ +
│ + │
+ │ -
│ + │ 6.15
│ 9.6 │
│соответствующих │
│ │ │
│ │ │ │
│всем
классам │ │
│ │ │
│ │ │
│точности, │ │
│ │ │
│ │ │
│присвоенных │ │
│ │ │
│ │ │
│данному │ │
│ │ │
│ │ │
│трансформатору │
│ │ │
│ │ │ │
│
при нагрузках, │ -
│ - │
- │ +
│ - │ 6.15
│ 9.6 │
│соответствующих │
│ │ │
│ │ │ │
│высшему
классу │ │
│ │ │
│ │ │
│точности │ │
│ │ │
│ │ │
│
7. Проверка │ +
│ + │
+ │ +
│ + │ 5.10
│ 9.6 │
│группы
соединения │ │ │ │ │
│ │ │
│обмоток │
│ │ │ │
│ │ │
│
8. Измерения │ │
│ │ │
│ │ │
│напряжения
на
│ │ │ │ │
│ │ │
│вводах
│ │ │ │ │
│ │ │
│разомкнутого │ │
│ │ │
│ │ │
│треугольника │ │
│ │ │
│ │ │
│дополнительных │
│ │ │
│ │ │ │
│вторичных
обмоток │ │ │ │ │
│ │
│
│трехобмоточных
│ │ │ │ │
│ │ │
│трансформаторов: │
│ │ │
│ │ │ │
│
при симметричном │ + │
+ │ +
│ + │
+ │ 6.4, │ 9.7
│
│номинальном │ │
│ │ │
│ 6.5 │
│
│первичном │ │
│ │ │
│ │ │
│напряжении
│ │ │ │ │
│ │ │
│
при замыкании │ +
│ - │
+ │ -
│ - │
6.7 │ 9.8 │
│одной
из фаз │ │
│ │ │
│ │ │
│на
землю │ │
│ │ │
│ │ │
│
9. Испытание │ -
│ - │
+ │ -
│ - │ 6.11
│ 9.9 │
│на
нагрев │ │
│ │ │
│ │ │
│
10. Испытание │ -
│ - │
+ │ -
│ - │ 6.6,
│ 9.10 │
│на
устойчивость │ │
│ │ │
│ 6.11 │ │
│трансформаторов │
│ │ │
│ │ │ │
│к
длительному │ │
│ │ │
│ │ │
│однофазному │ │
│ │ │
│ │ │
│замыканию
питающей│
│ │ │ │
│ │ │
│сети
на землю │ │
│ │ │
│ │ │
│
11. Испытание │ -
│ - │
+ │ -
│ - │ 6.14
│ 9.11 │
│на
устойчивость │ │
│ │ │
│ │ │
│трансформаторов │
│ │ │
│ │ │ │
│к
токам короткого │ │
│ │ │
│ │ │
│замыкания │ │
│ │ │
│ │ │
│
12. Проверка │ -
│ - │
+ │ -
│ - │ 6.13
│ 9.12 │
│работоспособности
│ │ │ │ │
│ │ │
│емкостных │ │
│ │ │
│ │ │
│трансформаторов
в │
│ │ │ │
│ │ │
│переходных
режимах│
│ │ │ │
│ │ │
│
13. Климатические│ + │
+ │ +
│ - │
О │ 6.8.1 │ 9.13
│
│испытания │ │
│ │ │
│ │ │
│в
объеме, │ │
│ │ │
│ │ │
│предусмотренном │
│ │ │
│ │ │ │
│стандартами
на
│ │ │ │ │
│ │ │
│трансформаторы │
│ │ │
│ │ │ │
│конкретных
типов │ │
│ │ │
│ │ │
│
14. Механические │
- │ -
│ + │
- │ О
│ 6.8.3 │ 9.13 │
│испытания
в
│ │ │ │ │
│ │ │
│объеме,
│ │ │ │ │
│ │ │
│предусмотренном │
│ │ │ │
│ │ │
│стандартами
на
│ │ │ │ │
│ │ │
│трансформаторы │
│ │ │
│ │ │ │
│конкретных
типов │ │
│ │ │
│ │ │
│
15. Испытание │ -
│ - │
+ │ -
│ - │ 10.1
│ 9.15 │
│на
прочность при
│ │ │ │ │
│ │ │
│транспортировании │
│ │ │ │
│ │ │
│
16. Испытание │ -
│ - │
+ │ -
│ - │ 10.1
│ 9.16 │
│упаковки
на
│ │ │ │ │
│ │ │
│сбрасывание │ │
│ │ │
│ │ │
│
17. Измерение │ -
│ - │
+ │ +
│ + │6.12.5 │ 9.17 │
│уровня
частичных
│ │ │
│ │
│ │ │
│разрядов │ │
│ │ │
│ │ │
│электромагнитных │
│ │ │
│ │ │ │
│трансформаторов
с │
│ │ │ │
│ │ │
│уровнем
изоляции │ │
│ │ │
│ │ │
│"а"
по ГОСТ 1516.3│ │ │ │ │
│ │ │
│
18. Подтверждение│ - │
- │ -
│ - │
+ │6.18.1 │ 9.18
│
│средней
наработки │ │ │ │ │
│ │ │
│до
отказа │ │
│ │ │
│ │ │
│
19. Испытание │ -
│ - │
+ │ +
│ + │6.9.2.1│ 9.19 │
│маслонаполненных │
│ │ │
│ │ │ │
│трансформаторов │
│ │ │
│ │ │ │
│на
герметичность │ │
│ │ │
│ │ │
│
20. Измерение
│ - │
- │ +
│ О │
+ │ 6.17 │ 9.21 │
│сопротивления │
│ │ │
│ │ │ │
│обмоток │ │
│ │ │
│ │
│
│постоянному
току │ │
│ │ │
│ │ │
│
21. Определение │ -
│ - │
+ │ +
│ + │6.9.2.8│ 9.14 │
│количественной │
│ │ │
│ │ │ │
│утечки
газа │ │
│ │ │
│ │ │
│газонаполненных │
│ │ │
│ │ │ │
│трансформаторов │
│ │ │
│ │ │ │
│
22. Испытание │ -
│ - │
+ │ -
│ - │6.9.2.7│ 9.22 │
│газонаполненных │
│ │
│ │ │ │ │
│трансформаторов
на│
│ │ │ │
│ │ │
│взрывобезопасность│ │
│ │ │
│ │ │
├──────────────────┴─────┴─────┴──────┴─────┴─────┴───────┴──────┤
│ Примечания. 1. Знак
"+" означает, что испытания
проводят;│
│знак
"-" - не проводят; буква "О" -
испытания проводят, если│
│они
предусмотрены в стандартах
на трансформаторы конкретных│
│типов.
│
│ 2. Для трансформаторов класса
напряжения 330 кВ и
выше│
│вместо
испытания электрической прочности
изоляции одноминутным│
│напряжением промышленной частоты
допускается проводить│
│испытания электрической прочности
изоляции напряжением│
│коммутационного
импульса.
│
│ 3. Для трансформаторов с номинальной
частотой 60 Гц
все│
│испытания
проводят при частоте
50 Гц (кроме
определения│
│погрешностей емкостных
трансформаторов), о чем
должно быть│
│указано
в паспорте.
│
└────────────────────────────────────────────────────────────────┘
8.3. Общие
положения
8.3.1. При
испытаниях квалификационных, для утверждения типа, периодических, типовых и на
соответствие утвержденному типу отдельные испытания, не влияющие на результаты
других испытаний, предусмотренных таблицей 18, допускается проводить на разных
трансформаторах (параллельные испытания).
Перечень
параллельных испытаний следует устанавливать в стандартах на трансформаторы
конкретных типов.
8.3.2. Допускается
совмещение отдельных видов испытаний из перечисленных
в 8.1.
8.3.3. Типоисполнения и число трансформаторов, подвергаемых
каждому испытанию при испытаниях квалификационных, для утверждения типа,
периодических, типовых и на соответствие утвержденному типу следует указывать в
стандартах на трансформаторы конкретных типов.
8.3.4. При
приемосдаточных испытаниях трансформаторы подвергают проверке методом сплошного
контроля.
8.3.5. Допускается
проводить испытания на сборочных единицах и деталях трансформаторов.
Допускается по
согласованию между потребителем и изготовителем при испытаниях
квалификационных, для утверждения типа, периодических, типовых и на
соответствие утвержденному типу засчитывать испытания трансформаторов других
типов (серий), имеющих аналогичные конструктивные или технологические решения
или одинаковые применяемые материалы, при наличии таких указаний в стандартах
на трансформаторы конкретных типов.
8.3.6.
Последовательность испытаний может быть произвольной, если иные требования не
установлены в стандартах на трансформаторы конкретных типов.
8.3.7. При отрицательных результатах приемосдаточных, периодических и
типовых испытаний после устранения дефектов повторные испытания проводят в
полном объеме или в технически обоснованных случаях в сокращенном объеме:
повторяют испытания, по которым получены неудовлетворительные результаты,
испытания, которые могли повлиять на возникновение дефектов, а также те
испытания, которые не проводились.
Если конкретные
причины неудовлетворительного результата не установлены, повторные испытания по
пунктам несоответствия проводят на удвоенном числе образцов.
Результаты
повторных испытаний являются окончательными.
8.4.
Квалификационные испытания
8.4.1. Порядок
проведения квалификационных испытаний - по ГОСТ 15.001 и ГОСТ 15.309.
8.4.2. Допускается
засчитывать в качестве квалификационных испытаний испытания опытных образцов,
проведенные в соответствии с таблицей 18, если соблюдены следующие условия:
опытные образцы
были изготовлены по технологии и на оборудовании, предусмотренных
для серийного производства;
при изготовлении
установочной серии не проводилась доработка конструкции, требующая проведения
испытаний;
время, прошедшее
после испытаний опытных образцов, не превышает срок, установленный для
периодических испытаний.
Если эти условия не
соблюдены, то при соответствующем техническом обосновании допускается
засчитывать отдельные испытания, на результатах которых несоблюдение указанных
условий не отражается.
8.5.
Приемосдаточные испытания
Приемосдаточные
испытания проводит служба технического контроля или другая уполномоченная на это
служба предприятия-изготовителя.
Одновременно с
приемосдаточными испытаниями каждый трансформатор должен подвергаться первичной
поверке по правилам, принятым в стране-изготовителе, и по методике ГОСТ 8.216.
8.6. Периодические
испытания
8.6.1. Периодические
испытания следует проводить на трансформаторах серийного производства не реже
одного раза в 5 лет.
Подтверждение
средней наработки до отказа первый раз проводят через 10 лет после начала
серийного производства, затем - не реже одного раза в 5 лет.
8.6.2. Если
производство трансформаторов было прервано ко времени наступления срока
очередных периодических испытаний, то при возобновлении выпуска следует
проводить периодические испытания трансформаторов на образцах первой партии,
изготовленной после возобновления производства.
До завершения
отдельных (длительных по времени) испытаний, входящих в объем периодических
испытаний, основанием для выпуска трансформаторов является протокол предыдущих
периодических испытаний.
8.7. Типовые
испытания следует проводить в полном или сокращенном объеме квалификационных
испытаний при изменении конструкции, применяемых материалов или технологии
производства, если эти изменения могут оказать влияние на характеристики или
параметры трансформаторов.
В зависимости от
характера вносимого изменения (изменений) испытаниям допускается подвергать
отдельные сборочные единицы, детали, образцы материалов и др.
8.8. Испытания для
утверждения типа и на соответствие утвержденному типу следует проводить по
правилам, принятым в стране-изготовителе.
9. Методы
контроля
9.1.
Проверка на соответствие требованиям сборочного чертежа
9.1.1. Проверке
подлежат:
габаритные
<*>, установочные и присоединительные размеры, для которых на сборочном
чертеже указаны предельные отклонения;
масса
трансформатора <*>;
состояние
поверхности наружных изоляционных частей;
состояние защитных
покрытий наружных частей;
состояние площадок
под заземляющие зажимы;
правильность
заполнения табличек технических данных;
маркировка выводов;
комплектность.
--------------------------------
<*>
Только при испытаниях квалификационных, для утверждения типа, типовых,
периодических и на соответствие утвержденному типу.
Проверку проводят
внешним осмотром, измерением универсальным измерительным инструментом, при
помощи шаблонов, а также взвешиванием трансформатора на весах общего применения
или при помощи пружинного динамометра.
9.1.2. При
приемосдаточных испытаниях размеры допускается проверять на деталях и сборочных
единицах до сборки трансформатора.
9.1.3. Допускается
определять массу трансформатора суммированием масс всех сборочных единиц.
9.2.
Определение пробивного напряжения и тангенса угла диэлектрических потерь при
испытании пробы масла - по ГОСТ 6581. Для трансформаторов с номинальным напряжением
до 35 кВ включительно проба масла отбирается в тот же
день из емкости, из которой масло заливается в трансформатор, а для
трансформаторов с номинальным напряжением 110 кВ и
выше - непосредственно из трансформатора. Порядок взятия пробы должен быть
установлен в стандартах на трансформаторы конкретных типов.
9.3.
Измерение сопротивления изоляции обмоток проводится мегаомметром
на 2500 В для первичных обмоток незаземляемых
трансформаторов и на 1000 В - для первичных обмоток заземляемых и вторичных
обмоток всех трансформаторов.
9.4.
Испытание электрической прочности изоляции - по ГОСТ 1516.2 и ГОСТ 22756.
При повторных
испытаниях внутренней изоляции первичных обмоток, проводимых с целью проверки
работоспособности трансформаторов после проведения испытаний других видов,
испытательное напряжение должно быть не более 90% испытательного напряжения,
предусмотренного ГОСТ 1516.1 и ГОСТ 1516.3.
9.5.
Измерение тока холостого хода - по ГОСТ 3481.1.
9.6.
Определение погрешностей (6.15) и проверка группы соединения обмоток (5.10) -
по ГОСТ 8.216. При испытании трехобмоточных
трансформаторов обмотка, свободная от испытаний, должна быть разомкнута.
Для трехобмоточных трансформаторов, длительно работающих с
включенными нагрузками на обеих вторичных обмотках, погрешности трансформаторов
определяют с включением нагрузок на обе вторичные обмотки. Порядок
распределения нагрузок между вторичными обмотками при определении погрешностей
должен быть указан в стандартах на трансформаторы конкретных типов.
Примечания. 1.
Погрешности емкостных трансформаторов, предназначенных для работы в
электрических цепях переменного тока частотой 50 Гц, определяют при частотах
питающего напряжения 49,5 и 50,5 Гц.
2. Погрешности
емкостных трансформаторов, предназначенных для работы в электрических цепях
переменного тока частотой 60 Гц, определяют при частотах питающего напряжения
59,5 и 60,5 Гц.
3. Погрешности
емкостных трансформаторов определяют при нагрузках, соответствующих всем
классам точности. С разрешения Государственного центра по испытанию средств
измерений (по специализации) по результатам испытаний для утверждения типа (по
проверке соответствия утвержденному типу) трансформатора допускается проверять
погрешности этих трансформаторов только по высшему классу точности.
4. Погрешности
обмоток для защиты определяют при напряжениях 0,2 и 1,2 номинального значения.
5. При
приемосдаточных испытаниях определение погрешностей электромагнитных
трансформаторов проводят при меньшем числе значений напряжений и мощностей,
если обоснованность такого уменьшения подтверждена квалификационными и типовыми
испытаниями.
9.7.
Напряжение на вводах разомкнутого треугольника вторичных дополнительных обмоток
трехобмоточных трансформаторов (6.4) измеряют при
нагрузке этих обмоток номинальной мощностью с коэффициентом мощности 0,8
(характер нагрузки - активно-индуктивный).
Для получения
симметрии первичного фазного напряжения допускается испытывать трансформатор в
питающей сети с заземленной нейтралью по схемам, изображенным на рисунках Б.9 и Б.10
Приложения Б.
9.8.
Напряжение на вводах разомкнутого треугольника вторичных дополнительных обмоток
трехобмоточных трансформаторов (6.7), возникающее при
замыкании одной из фаз первичных обмоток на землю, измеряют при номинальном
значении нагрузки дополнительных обмоток и значении нагрузки основных вторичных
обмоток, соответствующей низшему классу точности.
При этом
трансформаторы включаются в сеть с изолированной нейтралью, а их линейные выводы первичных обмоток
поочередно закорачивают на землю. Допускается
проводить испытание на любых двух фазах трансформаторов.
Примечание. При
испытаниях по 9.7 и 9.8 необходимо заземление дополнительных вторичных обмоток
через пробивной предохранитель для трансформаторов, включаемых по схемам,
изображенным на рисунках Б.4 и Б.5 Приложения Б.
9.9.
Испытание на нагрев при предельной мощности - по ГОСТ 3484.2 методом
непосредственной нагрузки при питании номинальным напряжением со стороны
первичной обмотки и распределением нагрузки согласно 5.4. При этом допускается
контролировать только температуру обмоток по изменению сопротивления, а у
маслонаполненных трансформаторов также температуру верхних слоев масла.
9.10.
Испытание на устойчивость к длительным однофазным замыканиям питающей сети на
землю проводят только для заземляемых трансформаторов, предназначенных для
работы в сетях с изолированной нейтралью
(6.6).
К трехфазным
трансформаторам, а также к трехфазным группам однофазных трансформаторов,
объединенных предприятием-изготовителем в единую конструкцию, подводят
трехфазное практически синусоидальное и практически симметричное напряжение,
равное наибольшему рабочему значению по ГОСТ 1516.3 с последующим замыканием
одной из фаз первичной обмотки на землю. К однофазным трансформаторам подводят
напряжение, равное 1,9 номинального.
При испытании
трансформаторов вторичные обмотки должны быть нагружены мощностью, указанной в
стандартах на трансформаторы конкретных типов.
В этом режиме
трансформаторы испытывают в течение 8 ч. Превышение температуры трансформаторов
должно соответствовать 6.11.4.
Температуру
трансформаторов, подвергающихся повышенному напряжению в течение 30 с (таблица 14), не контролируют.
После этих
испытаний трансформаторы должны быть подвергнуты повторным испытаниям в объеме
приемосдаточных.
9.11.
Испытания на устойчивость к токам короткого замыкания проводят следующим
образом.
К первичным
обмоткам трансформаторов подводят напряжение, равное 0,9 - 1,05 номинального, при разомкнутых вторичных обмотках. Затем одну
из вторичных обмоток с помощью специального устройства закорачивают
и выдерживают режим в течение 1 с. При этом напряжение на выводах первичной
обмотки должно сохраняться в указанных пределах.
Критерии оценки
должны быть указаны в стандартах на трансформаторы конкретных типов.
При испытании
электромагнитных трансформаторов и электромагнитных устройств емкостных
трансформаторов напряжение допускается подводить со стороны вторичных обмоток
при замкнутой накоротко первичной обмотке.
9.12.
Работу трансформатора при переходных процессах проверяют с осциллографической
записью или определением показателей процесса другими методами, обеспечивающими
необходимую точность измерений.
9.12.1. Испытание
на затухание переходного процесса при кратковременном коротком замыкании во
вторичной цепи (6.13.1) проводят замыканием накоротко вводов основной вторичной
обмотки трансформатора при опыте холостого хода. Падение напряжения во внешней
цепи при этом должно быть не более 10% номинального значения. Длительность
переходного процесса определяют десять раз. Если хотя бы в одном случае
длительность переходного процесса составит более 10 периодов номинальной
частоты, то проводят дополнительно 90 аналогичных проверок. При этом длительность
переходного процесса может быть от 10 до 15 периодов номинальной частоты не
более чем в трех случаях из суммарных 100.
9.12.2. Испытание на скорость снижения вторичного напряжения до
установленного значения (6.13.2) при внезапном коротком замыкании на зажимах
первичной цепи проводят по два раза с наименьшей в высшем классе точности и
наибольшей в низшем классе точности активно-индуктивной нагрузкой с
коэффициентом мощности 0,8 и при мгновенном первичном напряжении, близком к
нулевому и максимальному значениям. Эта проверка может быть проведена по
схеме, изображенной на рисунке 2, соответствующей эквивалентной схеме
емкостного трансформатора. Параметры эквивалентной схемы должны быть указаны в
стандартах на трансформаторы конкретных типов.

Т1
- питающий трансформатор; С - конденсатор отбора мощности
емкостного
трансформатора; Т2 - трансформатор напряжения
для осциллографирования; ЭУ - электромагнитное устройство
емкостного
трансформатора;
В - высоковольтный
короткозамыкатель;
-
нагрузка основной вторичной обмотки
Рисунок 2
Допускается
применять другие методы испытаний, которые должны быть указаны в стандартах на
трансформаторы конкретных типов.
9.13. Методы
и виды испытаний трансформаторов на устойчивость к климатическим внешним
воздействующим факторам по ГОСТ 16962.1 и механическим внешним воздействующим
факторам по ГОСТ 16962.2 должны быть указаны в стандартах на трансформаторы
конкретных типов в зависимости от исполнения и конструктивных особенностей
трансформаторов.
При испытаниях
трансформаторов категории размещения 1 на воздействие нагрузок от ветра,
гололеда и тяжения проводов основание трансформатора
жестко закрепляют, а к середине вывода его первичной обмотки прикладывают
нагрузку, установленную в 6.8.3. Указанную нагрузку прикладывают поочередно в
трех взаимно перпендикулярных направлениях: в горизонтальной плоскости по оси
вывода в сторону от трансформатора, в горизонтальной плоскости в направлении,
перпендикулярном к оси вывода, и в вертикальной плоскости по направлению к
основанию.
Для стержневых
вводов и выводов, расположенных вертикально, нагрузку прикладывают поочередно в
двух направлениях: вертикально вверх и горизонтально в любом направлении.
В каждом
направлении время выдержки нагрузки - 1 мин.
Трансформатор
считают выдержавшим испытание, если во время и после его проведения не отмечено
повреждений трансформатора или вывода, течи масла у маслонаполненных и
увеличение утечки газа у газонаполненных трансформаторов.
9.14.
Определение количественной утечки газа газонаполненных трансформаторов
Испытание по
определению утечки газа проводят при температуре окружающей среды (25 +/- 10)
°C.
Испытуемый
трансформатор, заполненный газом до номинального рабочего давления, помещают в
замкнутый объем (камеру, чехол из полимерной пленки), который не должен
превышать наружный объем испытуемого трансформатора более чем в 3 раза.
Внутри объема
должен располагаться вентилятор, способствующий перемешиванию смеси воздуха и
газа, заполняющего трансформатор.
После установки
трансформатора в замкнутый объем в последний вводят щуп чувствительного прибора
(течеискателя), реагирующего на малые концентрации
газа, которым заполнен испытуемый трансформатор, и фиксируют показания прибора.
Через определенный промежуток времени выдержки трансформатора в замкнутом
объеме (например, 1 ч) операцию повторяют.
Годовую утечку газа
q, % массы газа в испытуемом трансформаторе, определяют по формуле
,
где
- разность концентрации газа в замкнутом
объеме за время выдержки, г/л;
= 1
кгс/см2;
-
разность между замкнутым и наружным объемом испытуемого трансформатора, л;
-
номинальное давление газа (абсолютное) в трансформаторе, кгс/см2;
- объем
газа в трансформаторе, л;
d - плотность газа
в трансформаторе;
t - время между
измерениями, ч.
Для трансформатора,
заполненного элегазом, годовую утечку газа определяют
по формуле
.
Примечания. 1.
Значения объемов, необходимых для вычисления утечки, должны быть определены с
погрешностью, не превышающей 20%.
2. Если шкала
прибора для определения утечки не калибрована непосредственно в значениях
концентрации газа, г/л, эти значения находят по зависимости С
= f(н) (где н - показания прибора в единицах шкалы), приложенной к свидетельству
об аттестации (калибровке), проводимой в установленном порядке.
9.15.
Испытание на прочность при транспортировании
9.15.1. Методы
испытания на прочность при транспортировании по ГОСТ 23216 должны быть указаны
в стандартах на трансформаторы конкретных типов.
9.15.2. После
испытания трансформаторы распаковывают, проводят внешний осмотр
трансформаторов, тары, креплений, а также проверяют параметры, установленные в
стандартах на трансформаторы конкретных типов.
9.15.3.
Трансформатор и его упаковку считают выдержавшими испытание, если:
а) при внешнем
осмотре упаковки не обнаружены механические повреждения тары, ведущие к потере
защитных свойств, а также нарушения креплений упакованных изделий в таре.
Допускается ослабление креплений изделия в таре, если это не привело к
повреждению трансформатора в процессе испытания;
б) при внешнем
осмотре трансформатора не обнаружены повреждения, препятствующие его работе, а
результаты повторных испытаний на электрическую прочность изоляции и
определение погрешностей - положительные.
9.15.4. При
упаковке нескольких трансформаторов в один ящик допускается проводить проверку
параметров выборочно. Число подлежащих испытанию трансформаторов должно быть
указано в стандартах на трансформаторы конкретных типов.
9.15.5. Для
крупногабаритных трансформаторов испытание допускается не проводить, а
способность трансформаторов и упаковки противостоять разрушающему воздействию
механических нагрузок при транспортировании оценивают по результатам
транспортирования этих или аналогичных изделий потребителю.
9.16.
Испытание упаковки трансформатора на сбрасывание
9.16.1. Методы
испытания упаковки трансформаторов на сбрасывание по ГОСТ 18425 должны быть
указаны в стандартах на трансформаторы конкретных типов.
9.16.2. Испытанию
подвергают упаковку суммарной массой (вместе с упакованным трансформатором) до
200 кг. Упаковку суммарной массой более 200 кг, а также упаковку, маркированную
знаком "Хрупкое. Осторожно", испытанию на
прочность при сбрасывании не подвергают.
9.16.3. Ящик
(упаковку) с находящимся в нем трансформатором (трансформаторами) или макетом,
имитирующим упакованные трансформаторы, сбрасывают один раз на площадку по ГОСТ
18425 на его торцевую сторону с высоты:
0,5 м - при
суммарной массе (трансформатора и упаковки) до 100 кг включительно;
0,3 м - при
суммарной массе (трансформатора и упаковки) свыше 100 до 200 кг включительно.
9.16.4. По
окончании испытания проводят внешний осмотр упаковки.
9.16.5. Упаковку
считают выдержавшей испытание, если при внешнем осмотре не обнаружены
повреждения, ведущие к потере ее защитных свойств. Допускается ослабление
отдельных креплений.
9.17.
Уровень частичных разрядов определяют по ГОСТ 1516.3 и ГОСТ 20074.
Метод измерения тангенса угла диэлектрических потерь маслонаполненных
трансформаторов должен быть указан в стандартах на трансформаторы
конкретных типов.
9.18.
Подтверждение средней наработки до отказа проводят на основании сбора у
потребителей и обработки информации о работе трансформаторов или их прототипов
по методике, указанной в стандарте на трансформатор конкретного типа.
9.19.
Испытания на герметичность - по ГОСТ 3484.5.
9.20. Длину
пути утечки внешней изоляции трансформаторов на соответствие требованиям 6.9.1.4
проверяют по ГОСТ 9920.
9.21.
Измерение сопротивления обмоток постоянному току проверяют по ГОСТ 3484.1.
9.22.
Методы испытания газонаполненных трансформаторов на взрывобезопасность должны
быть указаны в стандартах на трансформаторы конкретных типов.
10.
Транспортирование и хранение
10.1.
Транспортирование
10.1.1.
Транспортирование упакованных трансформаторов осуществляют транспортом любого
вида. Требования к транспортированию в части воздействия механических факторов
по ГОСТ 23216 и климатических факторов внешней среды по ГОСТ 15150 должны быть
указаны в стандартах на трансформаторы конкретных типов.
При
транспортировании в транспортных контейнерах трансформаторы без индивидуальной
упаковки должны быть надежно закреплены и предохранены от механических
повреждений.
Допускается
транспортирование трансформаторов в пределах одного города без упаковки при
условии принятия необходимых мер, исключающих возможность их повреждения.
10.2. Хранение
10.2.1. Требования
к хранению трансформаторов в части воздействия климатических факторов внешней
среды по ГОСТ 15150 должны быть указаны в стандартах на трансформаторы
конкретных типов.
11.
Указания по эксплуатации
При вводе в
эксплуатацию, а также в процессе эксплуатации трансформаторов следует соблюдать
требования, установленные в стандартах на трансформаторы конкретных типов. Эти
требования указывают в эксплуатационной документации.
12.
Гарантии изготовителя
12.1. Изготовитель
гарантирует соответствие трансформаторов требованиям настоящего стандарта при
соблюдении условий применения, эксплуатации, хранения и транспортирования,
установленных настоящим стандартом.
Гарантийный срок
эксплуатации трансформаторов - три года с момента ввода в эксплуатацию, но не
более трех с половиной лет со дня отгрузки трансформатора с
предприятия-изготовителя.
12.2. Для
трансформаторов, предназначенных для экспорта, гарантийный срок эксплуатации
устанавливается в соответствии с нормами, принятыми в стране-изготовителе.
Приложение А
(рекомендуемое)
ВЫБОР
НОМИНАЛЬНЫХ МОЩНОСТЕЙ ДЛЯ ТРАНСФОРМАТОРОВ
РАЗЛИЧНЫХ КЛАССОВ
ТОЧНОСТИ
Номинальные
мощности для трансформаторов различных классов точности, выбираемые по 5.2,
определяют, исходя из установленных предельных значений погрешностей напряжения
для этих классов точности.
На рисунке А.1
приведены рекомендуемые характеристики процентного изменения вторичного
напряжения трансформатора, соответствующие коэффициенту мощности вторичной
нагрузки 0,8 при активно-индуктивной нагрузке.

f - погрешность
напряжения, %;
- номинальная мощность
для высшего класса
точности, В x А
Рисунок А.1
Верхняя
характеристика соответствует приложенному первичному напряжению 0,8
,
нижняя - напряжению 1,2
.
Характеристики позволяют определять коэффициенты кратности номинальных
мощностей для более низких классов точности по выбранной номинальной мощности
для высшего класса точности. Характеристики приведены для трансформатора,
имеющего высший класс точности 0,2.
Выбор кратности
номинальных мощностей для классов точности 1 и 3 допускается осуществлять по
рисунку А.1 по выбранной номинальной мощности для класса точности 0,5.
Класс точности 0,5
для данного трансформатора - высший. Коэффициенты кратности мощностей
приблизительно равны 1,5 и 3,5.
Выбор мощностей
осуществляют по рисунку А.1 так, чтобы характеристика погрешности
трансформатора имела бы определенный запас, составляющий примерно 20%
предельного значения погрешности вторичного напряжения или 5% с учетом
результатов климатических испытаний, проведенных при верхнем и нижнем значениях
рабочих температур окружающей среды по ГОСТ 15150 и ГОСТ 15543.1.
На рисунке А.1
прямоугольник ABCD характеризует предельно допускаемую зону погрешности
напряжения трансформатора при изменении вторичной нагрузки от 0,25 до
номинального значения.
Погрешность
напряжения f, %, определяют по формуле
, (А.1)
где
- номинальный коэффициент трансформации;
-
значение первичного напряжения, В;
-
значение вторичного напряжения, соответствующее приложенному напряжению
при данных условиях измерения, В.
Приложение Б
(справочное)
СТРУКТУРНЫЕ
ЭЛЕКТРИЧЕСКИЕ СХЕМЫ ВКЛЮЧЕНИЯ ТРАНСФОРМАТОРОВ
Схемы
включения трансформаторов должны соответствовать изображенным на рисунках Б.1 -
Б.10.

Рисунок
Б.1. Схема включения однофазных незаземляемых
двухобмоточных трансформаторов в трехфазных электрических
сетях с изолированной нейтралью и
напряжением 3 - 35 кВ

Рисунок
Б.2. Схема включения однофазных заземляемых
и трехфазных
заземляемых двухобмоточных трансформаторов
в трехфазных
электрических сетях с изолированной нейтралью
и напряжением 3 -
35 кВ

Рисунок Б.3. Схема
включения однофазных заземляемых
и трехфазных
заземляемых двухобмоточных трансформаторов
в трехфазных
электрических сетях с изолированной нейтралью
и напряжением 3 -
35 кВ

Рисунок
Б.4. Схема включения трехфазных трехобмоточных
трансформаторов в
трехфазных электрических сетях
с изолированной нейтралью и
напряжением 3 - 35 кВ

Рисунок
Б.5. Схема включения трехфазных трехобмоточных
трансформаторов в
трехфазных электрических сетях
с изолированной нейтралью и
напряжением 3 - 35 кВ

Рисунок
Б.6. Схема включения однофазных заземляемых
и трехфазных
заземляемых трехобмоточных трансформаторов
с двумя основными
вторичными обмотками в трехфазных
электрических сетях
с изолированной нейтралью
и напряжением 3 -
35 кВ

Рисунок Б.7. Схема
включения однофазных заземляемых
трехобмоточных трансформаторов с двумя основными вторичными
обмотками в
трехфазных электрических сетях с заземленной
нейтралью и напряжением 110 кВ и выше

Рисунок
Б.8. Схема включения однофазных заземляемых
трехобмоточных трансформаторов в трехфазных электрических
сетях с изолированной нейтралью и
напряжением 3 - 35 кВ

Рисунок
Б.9. Схема включения однофазных заземляемых
трехобмоточных трансформаторов в трехфазных электрических
сетях с заземленной нейтралью и
напряжением 110 кВ и выше

Рисунок
Б.10. Схема включения однофазных емкостных
трансформаторов
напряжения в трехфазных электрических сетях
с заземленной нейтралью и
напряжением 110 кВ и выше
Допускается
заземлять непосредственно один из линейных концов вторичных обмоток вместо
заземления нейтрали вторичных основных обмоток
трансформаторов, соединенных по схемам, изображенным на рисунках Б.2, Б.4, Б.6
- Б.10. На схемах, изображенных на рисунках Б.8 - Б.10, допускается любое
чередование фаз вторичных дополнительных обмоток, соединенных по схеме разомкнутый
треугольник.
Схема включения трехобмоточных трансформаторов класса напряжения 110 кВ, предназначенных для работы в сетях с
изолированной нейтралью, должна соответствовать
изображенной на рисунке Б.8.