Принят и введен в
действие
Постановлением
Госстандарта РФ
от 25 декабря 2001
г. N 586-ст
ГОСУДАРСТВЕННЫЙ СТАНДАРТ РОССИЙСКОЙ ФЕДЕРАЦИИ
УСТАНОВКИ ГАЗОТУРБИННЫЕ
МЕТОДЫ ОПРЕДЕЛЕНИЯ ВЫБРОСОВ ВРЕДНЫХ ВЕЩЕСТВ
Gas
turbines. Methods of exhaust gas emission determination
ГОСТ Р ИСО 11042-1-2001
Группа Е23
ОКС 27.040;
ОКП 31 1000
Дата введения
1 января 2003 года
Предисловие
1. Разработан и внесен Техническим комитетом по стандартизации
ТК 414 "Газовые турбины".
2. Принят и введен
в действие Постановлением Госстандарта России от 25 декабря 2001 г. N 586-ст.
3. Настоящий
стандарт представляет собой аутентичный текст международного стандарта ИСО
11042-1-96 "Газовые турбины. Эмиссия с отработавшими газами. Часть 1. Измерения
и расчеты".
4. Введен впервые.
Введение
Настоящий стандарт
является основополагающим стандартом в области определения выбросов вредных
веществ газотурбинными установками.
Настоящий стандарт
устанавливает методы и средства определения выбросов, соответствующие термины,
требования к условиям проведения испытаний, средствам, качеству и обработке
результатов измерений, а также варианты представления уровня выбросов.
Перечень
компонентов выбросов, подлежащих определению в соответствии с настоящим стандартом,
определяют по согласованию между заинтересованными сторонами в пределах
номенклатуры нормируемых параметров, установленных для газотурбинных установок.
1. Область
применения
Настоящий стандарт
применяется в приемочных испытаниях газотурбинных установок при определении их
соответствия нормам выброса вредных веществ.
Требования
настоящего стандарта являются обязательными для всех газотурбинных установок с
рабочим процессом незамкнутого цикла, создающим механическую мощность на валу и
(или) используемым в качестве привода для выработки электроэнергии.
2.
Нормативные ссылки
В настоящем
стандарте использованы ссылки на следующие стандарты:
ГОСТ 17.2.4.06-90.
Охрана природы. Атмосфера. Методы определения скорости и расхода газопылевых
потоков, отходящих от стационарных источников загрязнения
ГОСТ 17356-89 (ИСО
3544-78, ИСО 5063-78). Горелки на газообразном и жидком топливах. Термины и
определения
ИСО 2314-89
<*>. Газовые турбины. Приемочные испытания
ИСО 2533-75
<*>. Стандартная атмосфера
ИСО 6141-84
<*>. Газовый анализ. Градуировочные газовые смеси
ИСО 11042-1-96
<*>. Газовые турбины. Выбросы вредных веществ. Часть 1. Измерения и
оценки.
--------------------------------
<*>
Международный стандарт - во ВНИИКИ Госстандарта России.
3.
Определения
В настоящем
стандарте применяют следующие термины с соответствующими определениями:
3.1.
Выбросы вредных веществ: вещества, поступающие в окружающую среду вместе с
отработавшими (выхлопными) газами. Выбросы вредных веществ
включают следующие составляющие:
- оксиды азота
: сумма
NO и
в пересчете на
;
- диоксид азота
;
- оксид углерода
CO;
- диоксид углерода
;
- оксиды серы
: сумма
и
,
представляемая как
;
- углеводороды CH:
сумма всех несгоревших или частично сгоревших углеводородов в пересчете на
метан (3.8);
- летучие
органические соединения VOCs: сумма всех углеводородов за вычетом
и
в пересчете на метан (3.8);
- аммиак
;
- дым: в
соответствии с измерениями методом Бахараха (7.8);
- твердые частицы:
все твердые частицы, образовавшиеся в процессе горения.
3.2. Точность:
степень близости измеренного значения к независимо установленной действительной
величине.
3.3. Градуировочные
газы: эталонная газовая смесь с высокой точностью состава, используемая для
настройки, регулировки и периодической проверки средств измерений.
3.4. Концентрация:
объемная доля
(
) компонента
i в газовой смеси.
Концентрация может
быть выражена также в процентах (
),
или см3/м3 (
). При
расчете массы компонента в 1 нм3 отработавшего газа концентрация, равная 1
,
соответствует: 1,2497 мг/нм3 для CO; 2,858 мг/нм3 для
;
1,3387 мг/нм3 для NO; 2,05255 мг/нм3 для
;
0,7157 мг/нм3 для
.
3.5. Влияние
неизмеряемых компонентов: относительное изменение показаний, обусловленное
компонентами газовой смеси, не являющимися объектом измерений.
3.6. Линейность:
способность средства измерения обеспечивать пропорциональность показаний
входному сигналу.
3.7. Случайная
составляющая основной погрешности: изменение показаний средства измерения, не
связанное с характеристиками анализируемой пробы и отличимое от дрейфа
показаний (при доверительной вероятности 0,95 соответствует двум значениям
среднеквадратичного отклонения).
3.8.
:
условное обозначение единицы концентрации углеводородов в пересчете на метан.
Концентрация, равная 1
,
соответствует: 1
для метана
; 2
для этана
; 3
для пропана
и т.д.
3.9. Сходимость:
степень близости результатов, полученная при повторных измерениях через
короткие промежутки времени без регулировки средств измерений.
3.10. Разрешение:
наименьшее обнаруживаемое изменение измеряемой величины.
3.11.
Чувствительность: изменение выходного сигнала средства измерения при изменении
концентрации анализируемого компонента.
3.12. Стабильность
(дрейф градуировочной характеристики): изменение с течением времени выходного
сигнала от градуировочной смеси того же состава.
3.13. Чувствительность
к индивидуальным углеводородам: разный выходной сигнал (в пересчете на метан)
на ту же концентрацию углеводородов различных классов.
3.14. Нулевой
воздух: бинарная смесь кислорода и азота в том же соотношении, что и в чистом
атмосферном воздухе.
3.15. Дрейф нуля:
отклонение во времени от нуля показаний средства измерения при анализе пробы, в
которой отсутствует анализируемый компонент.
3.16. Нулевой газ:
газ, используемый для установки или регулировки нуля показаний средства
измерения.
4. Условные
обозначения
Обозначения
величин, используемых в настоящем стандарте, и единицы измерений приведены в
таблице 1, символы для компонентов выбросов - в таблице 2.
Таблица 1
Обозначения
и единицы измерения
┌────────────────┬──────────────────────────────────────────┬─────────┐
│ Обозначение
│
Величина │
Единица │
│ │
│измерения│
├────────────────┼──────────────────────────────────────────┼─────────┤
│E │ Низшая теплота сгорания
топлива │ кДж/кг │
│
n │
│ │
├────────────────┼──────────────────────────────────────────┼─────────┤
│E │ Характеристика
выбросов │ -
│
├────────────────┼──────────────────────────────────────────┼─────────┤
│EM │ Характеристика выбросов:
масса компонента│ мг/м3 │
│ i
│i, содержащаяся в 1 м3 отработавшего
газа │ │
│ │при 0 °C и 101,3 кПа │ │
├────────────────┼──────────────────────────────────────────┼─────────┤
│EM │ Характеристика выбросов:
масса компонента│ мг/м3 │
│ i,15,dry
│i в 1 м3 "сухого" отработавшего газа │ │
│ │при 0 °C и 101,3 кПа, приведенная
│ │
│ │к стандартизованному
содержанию кислорода,│
│
│ │15% <*> │ │
├────────────────┼──────────────────────────────────────────┼─────────┤
│EM │ Характеристика выбросов:
массовый │ г/ГДж │
│ i,F
│расход компонента i на единицу тепловой │ │
│ │мощности газотурбинной
установки │ │
├────────────────┼──────────────────────────────────────────┼─────────┤
│EM │ Характеристика выбросов:
массовый │г/кВт
x ч│
│ i,P
│расход компонента i на единицу мощности │ │
│ │газотурбинной
установки │ │
├────────────────┼──────────────────────────────────────────┼─────────┤
│EP │ Характеристика выбросов
для твердых │ мг/м3
│
│ │частиц (аналогичная EM )
│ │
│ │ i │ │
├────────────────┼──────────────────────────────────────────┼─────────┤
│ES │ Характеристика выбросов
для дыма │ -
│
│ │(число Бахараха, см. 5.2) │ │
├────────────────┼──────────────────────────────────────────┼─────────┤
│EV │ Характеристика выбросов:
концентрация │ см3/см3 │
│ │компонента i в
отработавшем газе │ │
├────────────────┼──────────────────────────────────────────┼─────────┤
│EV │ Характеристика выбросов:
концентрация │ см3/м3 │
│ i,15,dry
│компонента i в "сухом" отработавшем газе, │ │
│ │приведенная к
стандартизованному │ │
│ │содержанию кислорода,
15% <*> │ │
├────────────────┼──────────────────────────────────────────┼─────────┤
│m │ Масса
│ кг │
├────────────────┼──────────────────────────────────────────┼─────────┤
│M │ Молярная масса │кг/кмоль │
├────────────────┼──────────────────────────────────────────┼─────────┤
│M │ Суммарная молярная
масса │кг/кмоль
│
│
tot │
│ │
├────────────────┼──────────────────────────────────────────┼─────────┤
│n │ Количество вещества
(число киломолей) │ кмоль
│
├────────────────┼──────────────────────────────────────────┼─────────┤
│n │ Количество компонента
i │ кмоль
│
│
i │(число киломолей
компонента i) │ │
├────────────────┼──────────────────────────────────────────┼─────────┤
│n │ Суммарное количество
компонентов │ кмоль
│
│
tot │(суммарное число
киломолей) │ │
├────────────────┼──────────────────────────────────────────┼─────────┤
│P │ Мощность на валу газотурбинной
│ кВт │
│ │установки │ │
├────────────────┼──────────────────────────────────────────┼─────────┤
│q │ Массовый расход │ кг/с │
│
m │
│ │
├────────────────┼──────────────────────────────────────────┼─────────┤
│q │ Объемный расход │ м3/с │
│
V │ │ │
├────────────────┼──────────────────────────────────────────┼─────────┤
│V │ Объем компонента i │ м3
│
│
i │
│ │
├────────────────┼──────────────────────────────────────────┼─────────┤
│V │ Молярный объем │м3/кмоль
│
│
mn │
│ │
├────────────────┼──────────────────────────────────────────┼─────────┤
│V │ Объем "сухого"
отработавшего газа │ м3 │
│
n,dry │при нормальных
условиях <**>
│ │
├────────────────┼──────────────────────────────────────────┼─────────┤
│V │ Объем "сухого"
отработавшего газа │ м3
│
│
n,15,dry │при нормальных
условиях, приведенный │ │
│ │к стандартизованному
содержанию │ │
│ │кислорода 15%
<*> │ │
├────────────────┼──────────────────────────────────────────┼─────────┤
│V │ Объем
"влажного" отработавшего газа
│ м3 │
│
n,wet │при нормальных
условиях │ │
├────────────────┼──────────────────────────────────────────┼─────────┤
│V │ Полный объем
компонентов │ м3
│
│
tot │
│ │
├────────────────┼──────────────────────────────────────────┼─────────┤
│x │ Парциальное содержание
компонента i, │ -
│
│
i │равное n /n │ │
│ │ i
tot
│ │
├────────────────┼──────────────────────────────────────────┼─────────┤
│z │ Предельное число │ -
│
├────────────────┼──────────────────────────────────────────┼─────────┤
│Z │ Коэффициент сжимаемости
газа │ -
│
├────────────────┼──────────────────────────────────────────┼─────────┤
│ро │ Плотность │ кг/м3 │
├────────────────┼──────────────────────────────────────────┼─────────┤
│ро │ Плотность твердой частицы │ кг/м3 │
│ pa
│
│ │
├────────────────┼──────────────────────────────────────────┼─────────┤
│фи │ Концентрация CO в "сухом" │ %
│
│ CO ,dry
│ 2 │ │
│ 2
│отработавшем газе │ │
├────────────────┼──────────────────────────────────────────┼─────────┤
│фи │ Концентрация CO в "сухом" │ %
│
│ CO ,stoich,dry│ 2 │ │
│ 2
│отработавшем газе при
стехиометрическом │ │
│ │сжигании
топлива
│ │
├────────────────┼──────────────────────────────────────────┼─────────┤
│фи │ Концентрация паров воды в
отработавшем
│ % │
│ H O
│ газе
│ │
│ 2
│ │ │
├────────────────┼──────────────────────────────────────────┼─────────┤
│фи │ Концентрация компонента i
в "сухом" │ см3/см3
│
│ i,dry
│отработавшем газе │ │
├────────────────┼──────────────────────────────────────────┼─────────┤
│фи │ Концентрация компонента i
во "влаж-
│ см3/см3 │
│ i,wet
│ном" отработавшем газе, равная V
/V │ │
│ │ i to
│ │
├────────────────┼──────────────────────────────────────────┼─────────┤
│фи │ Концентрация O в "сухом" │ %
│
│ O ,dry
│ 2 │ │
│ 2
│отработавшем газе │ │
├────────────────┴──────────────────────────────────────────┴─────────┤
│
<*> В настоящем
стандарте концентрацию O ,
равную 15%│
│
2 │
│(по
ИСО 2533), используют в качестве стандартизованного содержания│
│кислорода в
отработавшем газе. По согласованию
допускается иное│
│значение
для стандартизованного содержания O . │
│ 2 │
│
<**> Нормальными условиями
считают давление P =
101,3 кПа,│
│
H │
│температуру
t = 0 °C. │
│ H
│
└─────────────────────────────────────────────────────────────────────┘
Таблица 2
Химические
символы для веществ,
Присутствующих в
отработавших газах
┌──────────┬─────────────────────┬──────────┬────────────────────┐
│Химический│Наименование
вещества│Химический│
Наименование │
│ символ
│
│ символ │
вещества │
├──────────┼─────────────────────┼──────────┼────────────────────┤
│CO │Оксид углерода │NO │Сумма оксидов азота │
│ │ │ x
│ │
├──────────┼─────────────────────┼──────────┼────────────────────┤
│CO │Диоксид углерода │O │Кислород │
│ 2
│
│ 2 │ │
├──────────┼─────────────────────┼──────────┼────────────────────┤
│H
O │Вода │SO │Диоксид серы │
│
2 │ │ 2
│ │
├──────────┼─────────────────────┼──────────┼────────────────────┤
│N │Азот │SO │Триоксид серы │
│
2 │ │ 3
│ │
├──────────┼─────────────────────┼──────────┼────────────────────┤
│NH │Аммиак │SO │Сумма оксидов серы │
│ 3
│
│ x │ │
├──────────┼─────────────────────┼──────────┼────────────────────┤
│NO │Оксид азота │CH │Несгоревшие │
│ │ │ │углеводороды │
├──────────┼─────────────────────┼──────────┼────────────────────┤
│NO │Диоксид азота │VOCs │Летучие
органические│
│ 2
│
│ │вещества │
└──────────┴─────────────────────┴──────────┴────────────────────┘
5. Условия
проведения испытаний
5.1.
Газотурбинная установка и топливо
В документации на
газотурбинную установку по измерениям выбросов вредных веществ указывают
следующую информацию:
-
предприятие-изготовитель;
- тип;
- мощность,
массовый расход отработавшего газа и (или) расход топлива для условий, при
которых измеряют выбросы вредных веществ;
- внешние условия,
т.е. давление, температуру и влажность окружающего воздуха;
- характеристики
топлива;
- задействованное
оборудование, являющееся частью газотурбинной установки и влияющее на выбросы
вредных веществ, например каталитические преобразователи (нейтрализаторы),
впрыск воды или пара, охладители испарительного типа, конденсаторы (с указанием
соответствующих параметров).
Примечание.
Поскольку на выбросы вредных веществ влияют характеристики топлива (например содержащийся в топливе азот), для последних указывают
химический и фракционный состав, температуру разгонки, физические свойства
(плотность, вязкость), высоту некоптящего пламени и т.д.
5.2.
Измеряемые величины
При определении
выбросов вредных веществ измерению подлежат:
- для газовых
компонентов: величины
или
;
- для дыма:
значения ES или иная характеристика дымности по согласованию;
- для твердых
частиц (если такие измерения требуются): значение EP во "влажном"
отработавшем газе.
5.3. Стандартные
условия
В качестве
стандартных условий измерений выбросов вредных веществ принимают
(ИСО 2314):
-
давление 101,3 кПа;
-
температуру 15 °C;
-
относительную влажность 60%.
Примечание. Для
химических расчетов в качестве стандартной принимают
температуру 0 °C.
6.
Измерения
6.1. Определение
составляющих выбросов вредных веществ
Составляющие
выбросов вредных веществ определяют или рассчитывают указанными ниже методами:
сумму
в пересчете на
измеряют по 7.2;
CO и
измеряют по 7.3;
измеряют
по 7.4;
- рекомендуемый
метод не установлен;
сумму
в пересчете на
рассчитывают, исходя из
содержания серы в топливе;
измеряют
или рассчитывают (по уравнению горения с учетом влажности воздуха);
CH измеряют по 7.5;
VOCs измеряют по
7.5;
измеряют
по 7.6;
измеряют
по 7.7, допускается по согласованию расчетный метод;
дым измеряют по
7.8;
твердые частицы
измеряют по 7.9; твердые частицы, поступающие с воздухом на вход в
газотурбинную установку, должны быть исключены из измеренной концентрации
частиц в отработавшем газе, если их доля в этой концентрации значительна.
Примечание.
Необходимость раздельного определения NO и
определяют по согласованию между
заинтересованными сторонами. Сведения о составляющих выбросов вредных веществ приведены в Приложении Б.
6.2.
Организация измерений
6.2.1. Общие
положения
Система измерений
включает три основных элемента:
а) зонд для отбора
пробы;
б) систему
транспортировки и кондиционирования пробы;
в) аналитические
приборы и систему обработки данных.
Измерения проводят
при непрерывном отборе представительной пробы отработавшего газа. По
согласованию между заинтересованными сторонами допускается дискретный (не
непрерывный) отбор проб.
В газотурбинной
установке место отбора пробы определяют:
- моделированием
течения, т.е. имитацией линий тока газа с учетом препятствий, расхода газа,
режима течения (турбулентного или ламинарного) и т.п.;
- определением поля
скорости в выходном канале с выбором в этом поле представительных точек для
отбора пробы газа;
- согласованием на
основе имеющегося опыта.
Отбор пробы в
единственном сечении, не требующий переналадки системы отбора проб в ходе
испытаний, обычно является приемлемым при измерении выбросов для газотурбинной
установки, как при задействованном дополнительном оборудовании (5.1), так и без
него. Сечение отбора пробы выбирают как можно ближе к выходному сечению
двигателя. В случае, если газотурбинная установка
оборудована системами регенерации тепла, дожигания, разбавления, нейтрализации
и т.п., сечение отбора пробы определяют по
согласованию между заинтересованными сторонами.
Не допускается
отбор проб в сечении выброса отработавшего газа в атмосферу, поскольку при этом
возможно подмешивание к пробе атмосферного воздуха.
6.2.2. Зонд для
отбора проб
Зонд для отбора
проб должен обеспечивать представительную пробу отработавшего газа. Для
получения представительной пробы рекомендуется применять многоточечный
усредняющий зонд при расположении приемных отверстий в зонах равной площади с
охватом всего поперечного сечения выхлопного трубопровода (по ГОСТ 17.2.4.06).
Независимо от типа используемого зонда необходимо доказать, что
представительность пробы отработавшего газа действительно обеспечивается. Если
для доказательства представительности используется отбор проб из различных точек
сечения с помощью перемещаемого зонда (траверсирование) зонд должен
обеспечивать полный охват выхлопа, т.е. его длина должна быть достаточной для
траверсирования всего сечения выхлопного трубопровода. Процедуру
траверсирования устанавливают по согласованию между заинтересованными
сторонами.
Зонд для отбора
проб и используемый вакуумный насос должны обеспечивать непрерывную подачу
достаточного количества отработавшего газа в газоанализаторы.
6.2.3. Система
транспортировки пробы
Пробы для измерения
концентрации газообразных компонентов, твердых частиц и дыма транспортируют по
отдельным линиям (магистралям). По согласованию допускается для газообразных
компонентов и дыма использовать общую магистраль.
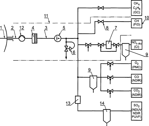
Схема системы
измерения концентрации газообразных компонентов приведена на рисунке 1. При
использовании альтернативных средств измерений допускается модификация схемы
системы измерений.

1 - пробоотборный
зонд; 2 - подвод газа для проверки
системы; 3 -
магистраль для транспортировки пробы;
4 - фильтр; 5 -
насос для прокачки пробы; 6 - регулятор
противодавления; 7
- конвертер
-> NO; 8 - подвод газа
для градуировки
средств измерения; 9 - осушитель пробы
(холодильник,
функционирует при <= 3 °C);
10 -
газоанализатор; 11 - термостатируемая (обогреваемая)
часть системы; 12 -
насос для продувки системы
(если необходимо);
13 - конвертер
->
;
14 - влагоуловитель
(отстойник)
Примечание.
Концентрацию
допускается измерять как в осушенной, так и в
неосушенной пробе.
Рисунок 1.
Схема системы измерения концентраций
газообразных
компонентов выброса
При транспортировке
пробы в зависимости от принципа работы газоанализатора обеспечивают следующие
условия:
- для
предотвращения конденсации компонентов магистраль нагревают до температуры,
которая должна быть не менее чем на 10 °C выше температуры конденсации
отработавшего газа; так, при сжигании природного газа или легких углеводородных
топлив с содержанием серы менее 1% (по массе) температура магистрали должна
быть не ниже 150 °C;
- температуру
магистрали поддерживают постоянной в пределах +/- 5 °C;
- при пропускании
пробы через осушитель (водоотделитель) температура магистрали должна быть равна
температуре осушителя;
- рекомендуется
термостатировать при указанной температуре все оборудование, включая насосы.
Магистраль для
транспортировки пробы должна отвечать следующим требованиям:
- все участки
магистрали должны сохранять работоспособность при нагреве ее до указанных выше
температур;
- все участки
магистрали и соединения должны быть герметичными;
- материалы,
контактирующие с пробой, не должны вступать в химические реакции с отработавшим
газом (например нержавеющая сталь или тефлон);
- при изготовлении
магистрали из тефлона рекомендуется провести ее очистку продувкой азотом (для
удаления остатков растворителей, использующихся в процессе изготовления); при
продувке магистраль нагревают до указанных выше температур;
- время
транспортировки пробы от зонда до средства измерения не должно превышать 30 с.
При использовании
длинных магистралей устанавливают дополнительный прокачивающий насос,
обеспечивающий отбор и транспортировку достаточного количества отработавшего
газа в газоанализаторы.
6.2.4. Средства
измерения
Средства измерения
для регулирования расхода пробы комплектуют клапанами, расходомерами и т.п., у
которых материал, контактирующий с пробой, должен быть стойким к коррозии (например нержавеющая сталь или тефлон). Температуру пробы
поддерживают на указанном выше уровне, позволяющем предотвратить конденсацию
компонентов пробы.
Проверка средств
измерения - в соответствии с разделом 7.
6.3. Проведение
испытаний, расчеты, отчет по результатам испытаний
Концентрации
вредных веществ измеряют после достижения стационарных значений характеристик
газотурбинной установки (ИСО 2314).
Изменение в
процессе испытаний влагосодержания в атмосферном воздухе, в граммах воды на кг сухого воздуха, не должно превышать +/- 0,5 г/кг. При
превышении этого значения допускается использовать по согласованию между
заинтересованными сторонами расчетные поправки.
Газоанализаторы
градуируют до и после испытаний.
Систему измерений
следует проверять перед испытаниями и через равные интервалы времени (в
процессе испытаний). Частота проверки герметичности сборки системы и проверки
характеристик используемого оборудования - по инструкциям изготовителя.
При градуировке
средств измерений с дрейфом показаний вследствие изменения температуры их
размещают в среде с постоянной температурой (термостатируют).
Измерение
концентраций вредных веществ повторяют не менее трех раз. Регистрацию показаний
средств измерения проводят после их стабилизации. Одновременно регистрируют
показания средств измерения, относящиеся к характеристикам газотурбинной
установки.
По результатам
отдельных (повторных) измерений определяют среднеарифметическое значение.
Каждое отдельное измерение представляет собой среднее значение установившейся
концентрации в течение времени отбора пробы. Время отбора пробы при проведении
отдельного измерения должно быть не менее 1 мин плюс среднее время отклика
системы. При измерении концентрации твердых частиц, если это необходимо для
обеспечения точности по 7.9, время отбора пробы по согласованию между
заинтересованными сторонами увеличивают.
По результатам
испытаний составляют отчет в соответствии с Приложением А. Расчеты, относящиеся
к составу пробы, могут выполняться по образцу (алгоритму), приведенному в
Приложении А. Пояснения к Приложению А приведены в разделе 9.
7. Средства измерения
7.1. Типы средств
измерения
Рекомендуемые типы
средств и методы измерения концентраций компонентов отработавшего газа
приведены в таблице 3. По каждому компоненту для типа средств
и методу измерения, указанным в таблице 3, требования к характеристикам
приведены в 7.2 - 7.9. По согласованию между заинтересованными сторонами
допускается использовать средства и методы измерения, не включенные в таблицу
3.
Таблица 3
Типы средств
(методы) измерения
┌──────────────────┬─────────────────────────────────────────────┐
│ Компонент │ Тип средства (метод) измерения │
│отработавшего
газа│
│
├──────────────────┼─────────────────────────────────────────────┤
│NO │ Хемилюминесценция (CL)
или недисперсионная │
│ x │спектрофотометрия в
инфракрасной области │
│ │(NDIR), или
недисперсионная спектрофотометрия│
│ │в ультрафиолетовой
области (NDUV) │
├──────────────────┼─────────────────────────────────────────────┤
│CO │ NDIR │
├──────────────────┼─────────────────────────────────────────────┤
│CO │ NDIR │
│ 2 │
│
├──────────────────┼─────────────────────────────────────────────┤
│SO │ NDIR или NDUV, или
флуоресценция │
│ 2 │в ультрафиолетовой
области (PUVF) │
├──────────────────┼─────────────────────────────────────────────┤
│CH │ Ионизация пламени
(FID) │
├──────────────────┼─────────────────────────────────────────────┤
│VOC │ Газовая хроматография
(GC) │
│ 3 │ │
├──────────────────┼─────────────────────────────────────────────┤
│NH │ Хемилюминесценция
<*> или спектрофотометрия │
│ 3 │
│
├──────────────────┼─────────────────────────────────────────────┤
│Дым │ Методы Бахараха (ИСО
5063) или измерение │
│ │оптической плотности
газа │
├──────────────────┼─────────────────────────────────────────────┤
│Твердые
частицы │ Гравиметрический или
оптический метод │
├──────────────────┼─────────────────────────────────────────────┤
│O │ Парамагнитная ячейка
(РМС) или электрохими- │
│
2 │ческая ячейка,
или циркониевая ячейка │
├──────────────────┴─────────────────────────────────────────────┤
│
<*> После окисления аммиака. │
└────────────────────────────────────────────────────────────────┘
7.2.
Газоанализаторы

7.2.1. Метод
измерения
Концентрацию
измеряют регистрацией хемилюминесцентного
излучения, испускаемого при химической реакции между NO и
. Так
как метод не реагирует на
, то
для измерения концентрации
пробу пропускают через конвертер,
преобразующий
в NO. При измерениях регистрируют как исходную
концентрацию NO в пробе, так и суммарную (после конвертера) концентрацию NO.
Таким образом, концентрация
может быть получена вычитанием исходной
концентрации NO из суммарной. Обязательным является
только измерение концентрации
.
7.2.2.
Требования к характеристикам газоанализатора

Основные
характеристики газоанализатора
должны соответствовать требованиям,
приведенным в таблице 4 (если условия эксплуатации газоанализатора
соответствуют указанным изготовителем).
Таблица 4
Требования
к основным характеристикам газоанализатора

┌──────────────┬─────────────────────────────────────────────────┐
│Характеристика│ Требование │
├──────────────┼─────────────────────────────────────────────────┤
│
Разрешение │ Менее
0,5% диапазона измерений или менее
│
│ │ -1
│
│ │1 млн
│
├──────────────┼─────────────────────────────────────────────────┤
│
Сходимость │ Менее
+/- 1% диапазона измерений или менее
│
│ │ -1 │
│ │+/- 1 млн │
├──────────────┼─────────────────────────────────────────────────┤
│
Стабильность │ За двухчасовой период: менее +/-
2% диапазона │
│ │ -1 │
│ │измерений или менее +/- 1 млн
│
├──────────────┼─────────────────────────────────────────────────┤
│
Дрейф нуля │ За
двухчасовой период: менее 1% диапазона
│
│ │ -1 │
│ │измерений или менее +/- 1 млн
│
├──────────────┼─────────────────────────────────────────────────┤
│
Случайная │ При
0,5 Гц и более: менее +/- 1% диапазона
│
│составляющая │ -1 │
│основной │измерений или менее +/- 1 млн
│
│погрешности │ │
├──────────────┼─────────────────────────────────────────────────┤
│
Влияние │ Относительное
изменение показаний, обусловленное│
│неизмеряемых │наличием CO и паров воды, должно быть: │
│компонентов │ 2 │
│ │ - менее 0,2% на 1%
объемной доли CO ; │
│ │ 2 │
│ │ - менее 0,5% на 1%
объемной доли паров воды. │
│ │ Если одно или оба условия
не выполняются, то │
│ │определяют и указывают в
технической документации│
│ │соответствующие
поправочные коэффициенты │
├──────────────┼─────────────────────────────────────────────────┤
│
Время │ Не более 10 с с момента
поступления пробы │
│установления │в газоанализатор до получения
показаний, │
│показаний │составляющих 90% окончательного
значения │
├──────────────┼─────────────────────────────────────────────────┤
│
Линейность │ Линейность
показаний проверяют в каждом диапазо-│
│ │не при объемных долях 30,
60 и 90% диапазона │
│ │измерений с использованием
либо отдельных газовых│
│ │смесей, либо делителя
газа. Отклонение показаний │
│ │от прямой линии по методу
наименьших квадратов │
│ │должно быть менее +/- 2%
диапазона измерений │
├──────────────┼─────────────────────────────────────────────────┤
│
Конвертер │ Конвертер
конструируют и эксплуатируют так,
│
│ │чтобы свести к минимуму
наличие NO в пробе перед│
│ │ 2 │
│ │измерением содержания
NO и исключить влияние │
│ │ x │
│ │конвертера на исходную
концентрацию NO в пробе. │
│ │КПД конвертера │
│ │ Эта = 100[фи'
- фи ]/фи >= 90%, │
│ │ NO
NO NO │
│ │ 2 │
│ │где фи - исходная концентрация NO в пробе, │
│ │ NO
│
│ │фи' - концентрация NO после конвертера. │
│ │ NO
│
│ │Это значение КПД
используют для корректировки │
│ │измеренной концентрации
NO в пробе, равной │
│ │ 2 │
│ │[фи' - фи ], чтобы получить значение │
│ │ NO
NO
│
│ │концентрации NO , соответствующее КПД = 100%. │
│ │ 2 │
└──────────────┴─────────────────────────────────────────────────┘
7.3.
Газоанализаторы CO и

7.3.1. Метод
измерения
Концентрации CO и
измеряют методом недисперсионной инфракрасной
спектрофотометрии (NDIR). В газоанализаторах этого типа используют
дифференциальный принцип с измерением разности поглощения энергии от
инфракрасного источника излучения в двух параллельных ячейках (кюветах): в рабочей (с анализируемой пробой газа) и в эталонной.
Требуемый уровень чувствительности достигается изменением размера рабочей
кюветы (подбором числа составляющих ее отдельных кювет), или изменением
электронной схемы (коэффициента усиления), или обоими способами. Влияние
неизмеряемых компонентов, вызываемое наложением полос поглощения от других
газов, минимизируют абсорбционными фильтрами для конкретных газов и (или)
оптическими фильтрами (последнее предпочтительнее).
7.3.2. Требования к
характеристикам газоанализаторов CO и
.
Основные
характеристики газоанализаторов CO и
должны соответствовать требованиям,
приведенным в таблицах 5 и 6 (если условия эксплуатации газоанализатора
соответствуют указанным изготовителем).
Таблица 5
Требования к
основным характеристикам газоанализатора CO
┌──────────────┬─────────────────────────────────────────────────┐
│Характеристика│ Требование │
├──────────────┼─────────────────────────────────────────────────┤
│
Диапазон
│ Регулируемый в пределах объемной доли от 0 │
│измерений │ -1 │
│ │до 2500 млн │
├──────────────┼─────────────────────────────────────────────────┤
│ │
-1│
│
Разрешение │ Менее 0,5% диапазона
измерений или менее 1 млн │
├──────────────┼─────────────────────────────────────────────────┤
│
Сходимость │ Менее
+/- 1% диапазона измерений или менее
│
│ │ -1 │
│ │+/- 2 млн │
├──────────────┼─────────────────────────────────────────────────┤
│
Стабильность │ За двухчасовой период: менее +/-
2% диапазона │
│ │ -1 │
│ │измерений или менее +/- 2 млн │
├──────────────┼─────────────────────────────────────────────────┤
│
Дрейф нуля │ За
двухчасовой период: менее +/- 1% диапазона
│
│ │ -1 │
│ │измерений или менее +/- 2 млн │
├──────────────┼─────────────────────────────────────────────────┤
│
Случайная
│ 0,5 Гц и более: менее +/- 1% диапазона измерений│
│составляющая │ -1 │
│основной │или менее +/- 1 млн
│
│погрешности │
│
├──────────────┼─────────────────────────────────────────────────┤
│
Влияние │ Изменение показаний,
обусловленное наличием │
│неизмеряемых │этилена CO и паров воды, должно быть: │
│компонентов │ 2 │
│ │ -1 │
│ │ - менее 500 млн на 1% объемной
доли этилена; │
│ │ -1 │
│ │ - менее 2 млн на 1% объемной
доли CO ; │
│ │ 2 │
│ │ -1 │
│ │ - менее 2 млн на 1% объемной
доли паров воды │
│ │(в случае анализа
"влажной" пробы).
│
│ │ Если для CO или для паров воды эти условия │
│ │ 2 │
│ │не выполняются, то
определяют и указывают │
│
│в технической документации соответствующие │
│ │поправочные
коэффициенты
│
├──────────────┼─────────────────────────────────────────────────┤
│
Время │ Не
более 10 с с момента поступления пробы
│
│установления │в газоанализатор до получения
показаний, │
│показаний │составляющих 90% окончательного
значения │
├──────────────┼─────────────────────────────────────────────────┤
│
Линейность │ Линейность
показаний проверяют в каждом диапазо-│
│ │не при объемных долях 30,
60 и 90% диапазона │
│ │измерений с использованием
либо отдельных газовых│
│ │смесей, либо делителя
газа. Отклонение показаний │
│ │от прямой линии по методу
наименьших квадратов │
│ │должно быть менее +/- 2%
диапазона измерений │
└──────────────┴─────────────────────────────────────────────────┘
Таблица 6
Требования
к основным характеристикам газоанализатора

┌──────────────┬─────────────────────────────────────────────────┐
│Характеристика│ Требование │
├──────────────┼─────────────────────────────────────────────────┤
│
Диапазон
│ Регулируемый в пределах объемной доли от 0% │
│измерений │до 20%
│
├──────────────┼─────────────────────────────────────────────────┤
│
Разрешение │Менее
0,5% диапазона измерений или менее
│
│ │ -1 │
│ │100 млн
│
├──────────────┼─────────────────────────────────────────────────┤
│
Сходимость │ Менее
+/- 1% диапазона измерений или менее
│
│ │ -1 │
│ │+/- 100 млн │
├──────────────┼─────────────────────────────────────────────────┤
│
Стабильность │ За двухчасовой период: менее +/-
2% диапазона │
│ │ -1 │
│ │измерений или менее +/-
100 млн │
├──────────────┼─────────────────────────────────────────────────┤
│
Дрейф нуля │ За
двухчасовой период менее +/- 1% диапазона
│
│ │ -1 │
│ │измерений или менее +/-
100 млн │
├──────────────┼─────────────────────────────────────────────────┤
│
Случайная
│ 0,5 Гц и более менее +/- 1% диапазона измерений │
│составляющая │ -1 │
│основной │или менее +/- 100 млн │
│погрешности │
│
├──────────────┼─────────────────────────────────────────────────┤
│
Влияние │ Изменение показаний,
обусловленное наличием │
│неизмеряемых │ -1 │
│компонентов │паров воды, должно быть менее 20 млн на 1% │
│ │объемной доли паров воды
(анализ "влажной" пробы)│
├──────────────┼─────────────────────────────────────────────────┤
│
Время │ Не
более 10 с с момента поступления пробы
│
│установления │в газоанализатор до получения
показаний, │
│показаний │составляющих 90% окончательного
значения │
├──────────────┼─────────────────────────────────────────────────┤
│
Линейность │ Линейность
показаний проверяют в каждом диапазо-│
│ │не при объемных долях 30,
60 и 90% диапазона │
│ │измерений с использованием
либо отдельных газовых│
│ │смесей, либо делителя
газа. Отклонение показаний │
│ │от прямой линии по методу
наименьших квадратов │
│ │должно быть менее +/- 2%
диапазона измерений │
└──────────────┴─────────────────────────────────────────────────┘
7.3.3. Специальные
требования для газоанализаторов CO и

7.3.3.1. Требования
к условиям эксплуатации
Предпочтительным
является анализ предварительно осушенной ("сухой") пробы. Давление
пробы на входе в газоанализатор измеряют и поддерживают постоянным в пределах
0,2 кПа в течение времени градуировки и испытаний. Допускается использование
газоанализаторов CO и
последовательно с газоанализаторами
и (или)
во всех случаях, когда измеряются концентрации
этих компонентов.
7.3.3.2. Требования
к температуре пробы
При измерении
концентрации CO и
в "сухой" пробе температура кюветы с
пробой в газоанализаторе должна быть не ниже 40 °C с погрешностью +/- 2 °C. По
согласованию допускается при использовании легкого углеводородного топлива
анализировать неосушенную ("влажную") пробу. В этом случае температура
кюветы с пробой (и элементов, контактирующих с пробой на участке неосушенной
пробы) должна быть не ниже 50 °C с точностью +/- 2 °C. На влияние паров воды
вводят поправки.
7.4.
Газоанализатор

7.4.1. Метод измерения
Концентрацию
рекомендуется вычислять по результатам анализа
состава топлива при условии, что вся содержащаяся в топливе сера полностью
окисляется до
.
Измерения проводят,
если ожидаемая концентрация
превышает нижний предел обнаружения,
соответствующий 3,4 мг
на 1 м3 "сухого" отработавшего газа.
Концентрацию
измеряют методом недисперсионной инфракрасной спектрофотометрии (NDIR) или методом
недисперсионной ультрафиолетовой спектрофотометрии (NDUV).
7.4.2.
Влияние неизмеряемых компонентов
При измерениях
методом NDIR на показания газоанализатора влияет присутствие в пробе
, паров
воды и углеводородов. При измерениях методом NDUV на показания газоанализатора
влияет только присутствие углеводородов.
7.4.3. Требования к
характеристикам газоанализатора

Основные
характеристики газоанализатора
должны соответствовать требованиям,
приведенным в таблице 7 (если условия эксплуатации газоанализатора
соответствуют указанным изготовителем).
Таблица 7
Требования к
основным характеристикам газоанализаторов

┌───────────────────┬────────────────────────────────────────────┐
│ Характеристика │ Требование │
├───────────────────┼────────────────────────────────────────────┤
│
Диапазон измерений│ Регулируемый в пределах
объемной доли от 0 │
│ │ -1 │
│ │до 1000 млн , минимальный
диапазон от 0 │
│ │ -1 │
│ │до 50 млн │
├───────────────────┼────────────────────────────────────────────┤
│
Разрешение
│ Менее 0,5% диапазона измерений или менее │
│ │ -1 │
│ │+/- 2 млн │
├───────────────────┼────────────────────────────────────────────┤
│
Сходимость
│ Менее +/- 1% диапазона измерений или менее │
│ │ -1 │
│ │+/- 1 млн │
├───────────────────┼────────────────────────────────────────────┤
│
Стабильность
│ За двухчасовой период: менее +/- 3% │
│ │ -1 │
│ │диапазона измерений
или менее +/- 1 млн
│
├───────────────────┼────────────────────────────────────────────┤
│
Дрейф нуля
│За двухчасовой период: менее +/- 2% │
│ │ -1 │
│ │диапазона измерений
или менее +/- 1 млн
│
├───────────────────┼────────────────────────────────────────────┤
│
Случайная состав- │ 0,5 Гц и более: менее +/- 2%
диапазона │
│ляющая
основной │ -1 │
│погрешности │измерений или менее +/- 0,05 млн │
├───────────────────┼────────────────────────────────────────────┤
│
Влияние │ Относительное
изменение показаний, │
│неизмеряемых │обусловленное
наличием CO , паров воды │
│компонентов │ 2 │
│ │и углеводородов,
должно быть: │
│ │ - менее 1% на 1%
объемной доли CO ; │
│ │ 2 │
│ │ - менее 2% на 1%
объемной доли паров воды; │
│ │ -1 │
│ │ - менее 1% на каждые
10 млн
углеводородов│
│ │(суммарное влияние
должно быть менее 4%). │
│ │ Наибольшее влияние
на показания оказывает │
│ │присутствие воды. Для
поддержания │
│ │постоянного
содержания воды в пробе давление│
│ │в холодильнике
поддерживают с погрешностью │
│ │+/- 0,2 кПа. Чтобы
исключить влияние аммиака│
│ │на установках,
имеющих в своем составе │
│ │каталитические нейтрализаторы
NO (SCR), │
│ │ x │
│ │концентрацию SO измеряют до подмешивания │
│ │ 2 │
│ │аммиака
<*>
│
├───────────────────┼────────────────────────────────────────────┤
│
Время установления│ Не более 50 с с момента
поступления пробы │
│показаний │в газоанализатор до получения
показаний, │
│ │составляющих 90%
окончательного значения │
├───────────────────┼────────────────────────────────────────────┤
│
Линейность │ Линейность показаний проверяют со смесью │
│ │SO и N в
каждом диапазоне при объемных │
│ │ 2
2
│
│ │долях
30, 60 и 90% диапазона измерений
│
│ │с использованием либо
отдельных газовых
│
│ │смесей, либо делителя
газа. Отклонение │
│ │показаний от прямой
линии по методу │
│ │наименьших квадратов
должно быть менее │
│ │+/- 2% диапазона
измерений │
├───────────────────┴────────────────────────────────────────────┤
│
<*> При использовании метода
NDIR учитывают влияние
всех│
│трех
неизмеряемых компонентов (7.4.2). При
использовании метода│
│NDUV
учитывают только влияние углеводородов.
Если для любого из│
│трех компонентов
условия не выполняются,
то определяют│
│и
указывают в технической документации поправочные коэффициенты.│
└────────────────────────────────────────────────────────────────┘
7.5.
Анализатор углеводородов
7.5.1. Метод
измерения
Концентрацию
несгоревших и частично сгоревших углеводородов (включая все углеводородные
компоненты) измеряют детектором ионизации пламени. При сжигании в специальном
контролируемом факеле пламени содержащихся в пробе несгоревших газообразных
углеводородов происходит их ионизация с числом ионов, пропорциональным числу
разорванных углеродно-водородных связей. Метод обеспечивает получение суммарной
концентрации всех углеводородов, присутствующих в пробе. В случае установления
требований, относящихся к летучим органическим соединениям, необходима
информация о содержании конкретных углеводородов, чтобы исключить не входящие в
категорию VOCs.
Примечание. При
некоторых обстоятельствах фоновая концентрация углеводородов в окружающей среде
может быть значительной, в том числе выше измеряемой в отработавшем в турбине
газе. Фоновую концентрацию контролируют отбором тем же зондом проб окружающего
воздуха до и после проведения очередных испытаний газотурбинной установки. Если
фоновая концентрация значительна и желателен ее параллельный контроль в ходе
испытаний, то предусматривают дополнительную обводную линию для отбора проб
воздуха в непосредственной близости от входа в установку. Углеводороды
анализируют во "влажной" пробе при температуре необогреваемого
трубопровода.
7.5.2. Требования к
характеристикам анализатора углеводородов
Основные
характеристики анализатора углеводородов должны соответствовать требованиям,
приведенным в таблице 8 (если условия эксплуатации анализатора соответствуют
указанным его изготовителем).
Таблица 8
Требования
к основным характеристикам
анализатора
углеводородов
┌──────────────┬─────────────────────────────────────────────────┐
│Характеристика│ Требование │
├──────────────┼─────────────────────────────────────────────────┤
│
Диапазон
│ Регулируемый в пределах объемной доли от 0 │
│измерений │ -1 │
│ │до 1500 млн С , минимальный диапазон от 0 │
│ │ 1 │
│ │ -1 │
│ │до 10 млн С . │
│ │ 1 │
│ │ Рекомендуется иметь в
анализаторе достаточное │
│ │число отградуированных
диапазонов измерений, │
│ │так как для уменьшения
погрешности измерение │
│ │концентрации углеводородов
должно проводиться при│
│ │показаниях
анализатора не менее 50% той части
│
│ │диапазона, которая обеспечена градуировкой. │
│ │ -1 │
│ │Например если диапазон от
0 до 100 млн С │
│ │
1 │
│ │
-1 │
│ │отградуирован газом с
концентрацией 60 млн
С , │
│ │ 1 │
│ │то часть диапазона,
обеспеченная градуировкой │
│ │и обозначаемая
далее FSD, составит 60% диапазона.│
│ │Следовательно, в этом
диапазоне измерения следует│
│ │проводить при показаниях
анализатора не менее 30%│
│ │диапазона │
├──────────────┼─────────────────────────────────────────────────┤
│
Разрешение │ Менее
0,5% диапазона измерений или менее │
│ │ -1 │
│ │ 0,5 млн С │
│ │ 1 │
├──────────────┼─────────────────────────────────────────────────┤
│
Сходимость │ Менее
+/- 1% диапазона измерений или менее
│
│ │ -1 │
│ │+/- 0,5 млн С │
│ │ 1 │
├──────────────┼─────────────────────────────────────────────────┤
│
Стабильность │ За двухчасовой период: менее +/-
2% диапазона │
│ │ -1 │
│ │измерений или менее +/- 1
млн С │
│ │ 1 │
├──────────────┼─────────────────────────────────────────────────┤
│
Дрейф нуля │ За
двухчасовой период: менее +/- 1% FSD
│
│ │ -1 │
│ │или менее +/- 0,5 млн С │
│ │ 1 │
├──────────────┼─────────────────────────────────────────────────┤
│
Случайная
│ 0,5 Гц и более: менее +/- 1% диапазона измерений│
│составляющая │ -1 │
│основной │или менее +/- 0,5 млн С │
│погрешности │ 1 │
├──────────────┼─────────────────────────────────────────────────┤
│
Влияние │ По
7.5.3
│
│неизмеряемых │
│
│компонентов │ │
├──────────────┼─────────────────────────────────────────────────┤
│
Время │ Не
более 10 с с момента поступления пробы
│
│установления │в анализатор до получения показаний,
составляющих│
│показаний │90% окончательного показания │
├──────────────┼─────────────────────────────────────────────────┤
│
Линейность │ Линейность
показаний проверяют со смесью пропана│
│ │и воздуха в каждом
диапазоне при объемных долях │
│ │30, 60 и 90% диапазона
измерений с использованием│
│ │либо отдельных газовых
смесей, либо делителя │
│ │газа. Отклонение показаний
от прямой линии │
│ │по методу наименьших
квадратов должно быть менее │
│ │+/- 2% диапазона измерений │
└──────────────┴─────────────────────────────────────────────────┘
7.5.3.
Влияние неизмеряемых компонентов конкретных углеводородов
Необходимо
соблюдать следующие требования:
7.5.3.1. В качестве
топлива для факела пламени в анализаторе используют стандартную смесь из 40%
водорода и 60% гелия, что позволяет уменьшить погрешность измерений,
обусловленную неодинаковыми концентрациями кислорода и неодинаковым
ассортиментом конкретных углеводородов в отработавшем газе на разных режимах
эксплуатации газотурбинной установки. Вместо гелия допускается использовать
азот. В воздухе для факела пламени в анализаторе объемная доля примеси
органических веществ (представленных как
)
должна быть менее 10% FSD по таблице 8, но не более 10
.
Рекомендуется использовать нулевой воздух.
7.3.5.2.
Относительное изменение показаний, обусловленное влиянием концентрации
кислорода в пробе, определяют сравнением показаний, полученных при концентрации
углеводородов 500
сначала в нулевом воздухе, а затем в азоте (например 500/3
пропана в смеси с нулевым воздухом и в смеси с
азотом).
Допустимое
изменение показаний - менее 2%.
7.5.3.3.
Относительное изменение показаний, вызванное вариацией в ассортименте
конкретных углеводородов, определяют сравнением показаний, полученных со
следующими газовыми смесями:
а) 500
пропана в нулевом воздухе;
б) 500
пропилена в нулевом воздухе;
в) 500
толуола в нулевом воздухе;
г) 500
n-гексана в нулевом воздухе.
Допустимое
изменение показаний (в
) -
менее 5%.
7.5.4. Определение
летучих органических соединений
7.5.4.1. Общие
положения
В случае
предъявления требований, ограничивающих выбросы летучих органических соединений
(VOCs), определяют суммарную концентрацию несгоревших углеводородов, из которой
вычитают концентрации метана (
) и
этана (
).
Указанное вычитание может быть проведено автоматически, если детектор ионизации
пламени (FID) использовать в комбинации с газовым хроматографом (GC), как
указано ниже.
7.5.4.2.
Непосредственное определение VOCs.
На автоматизированном GC из пробы выделяют две части: воздух и
сумму метана и этана, после чего проводят обратную промывку колонки, что
позволяет получить третью часть пробы, включающую все VOCs, суммарную
концентрацию которых определяют пропусканием этой части пробы через FID. Так
как метан, этан и VOCs отделены от воздуха, то не возникает проблемы влияния
кислорода. Для ускорения разделения компонентов допускается использовать две
колонки с соответствующим переключением подачи пробы. Данный вариант
определения VOCs рекомендуется, когда необходимо контролировать и CH, и VOCs.
7.5.4.3.
Определение VOCs вычитанием
Альтернативный
вариант определения VOCs предусматривает параллельное использование GC для
определения доли метана и этана в пробе и FID для определения суммарной
концентрации CH. Суммарную концентрацию VOCs получают вычитанием метана и этана
из CH.
7.6.
Анализатор

В случаях, когда
присутствует в отработавшем газе, например при
использовании каталитических нейтрализаторов оксидов азота (SCR), его
концентрацию измеряют.
7.6.1. Метод
измерения
Концентрацию
измеряют анализаторами типа CL
(хемилюминесценция - по 7.2) с двумя разными конвертерами. Метод основан на
неодинаковом поведении
в конвертере в зависимости от его
температурного режима. В конвертере из нержавеющей стали рабочую температуру
поддерживают на уровне 700 °C. При этой температуре содержащийся
в пробе
полностью окисляется в NO в соответствии с
реакцией
(1)
(вследствие этого конвертер из
нержавеющей стали не должен использоваться для измерения концентрации
в пробе, если в ней содержится
). В
конвертере из графита рабочую температуру поддерживают на уровне 300 °C. При
такой температуре
не окисляется, и NO образуется только из
в соответствии с реакцией
. (2)
Схема измерения
концентрации
с использованием двух конвертеров (и одного
газоанализатора CL) приведена на рисунке 2. Альтернативный вариант - схема, в
которой каждый из конвертеров укомплектован отдельным газоанализатором CL.

1 - конвертер; 2 -
влагоотделитель с холодильником;
3 - конвертер из
графита
A - измерение
концентрации
; B -
измерение
концентрации NO; C
- измерение концентрации
.
Концентрация
равна A - B. Концентрация
равна C - A
Рисунок 2.
Схема измерения концентрации

Разница в
измеренных газоанализатором CL концентрациях NO с двумя различными конвертерами
позволяет в соответствии с формулами (1) и (2) определить концентрацию
.
7.6.2. Требования к
характеристикам анализатора

Метод определения
основан на использовании двух разных
конвертеров (рисунок 2). Основные характеристики конвертеров и газоанализатора
CL должны соответствовать требованиям 7.2.2. Конструкция конвертера из
нержавеющей стали должна обеспечивать с высоким КПД окисление
и преобразование содержащегося в пробе
в NO.
7.6.3.
Корректировка результатов измерений концентрации

Если измеренные
концентрации
близки к предельно допустимым, результаты должны быть откорректированы
(аналогично таблице 4), чтобы они соответствовали КПД конвертера 100%. КПД
конвертера равен
(3)
или
, (4)
где
- исходная концентрация NO в пробе;
-
концентрация NO после конвертера.
7.7. Анализатор

7.7.1. Метод
измерения
Концентрацию
кислорода измеряют на основе парамагнитного принципа. Молекулы кислорода
вследствие своих магнитных свойств увлекаются в неоднородном магнитном поле в
направлении увеличения напряженности поля. Когда два газовых потока с разным
содержанием
пропускают через магнитное поле, возникает
перепад давления. При измерении концентрации
в пробе отработавшего газа в качестве
эталонного газа используют смесь
и
с объемной долей кислорода 20,95%. Эталонный
газ и пробу вводят в измерительную магнитную камеру по двум каналам (рисунок
3). Так как оба канала соединены между собой, то возникший перепад давления
,
пропорциональный содержанию
в пробе, создает переток газа между каналами.
Микродатчик расхода перетекающего газа формирует соответствующий электрический
сигнал.

1 - камера
измерений; 2 - микродатчик расхода;
3 - капилляры; 4 -
электромагнит
Рисунок 3.
Типовая функциональная схема анализатора

7.7.2. Требования к
характеристикам анализатора

Основные
характеристики анализатора
должны соответствовать требованиям,
приведенным в таблице 9 (если условия эксплуатации анализатора соответствуют
указанным изготовителем).
Таблица 9
Требования к
основным характеристикам анализатора

|
Характеристика
|
Требование
|
|
Диапазон измерений
|
Регулируемый в
пределах объемной доли
от 0% до 25%
|
|
Разрешение
|
Менее +/- 0,2% диапазона измерений или
менее объемной доли +/- 0,5%
|
|
Сходимость
|
Менее +/- 0,2% диапазона измерений или
менее объемной доли +/- 0,05%
|
|
Стабильность
|
За двухчасовой период: менее +/- 2%
диапазона измерений или менее объемной
доли +/- 0,05%
|
|
Дрейф нуля
|
За двухчасовой период: менее +/- 0,2%
диапазона измерений или менее объемной
доли +/- 0,05%
|
|
Случайная
составляющая основной
погрешности
|
0,5 Гц и более: менее +/- 0,2% диапазона
измерений или менее объемной доли
+/- 0,05%
|
|
Влияние неизмеряемых
компонентов
|
См. 7.7.3
|
|
Время установления
показаний
|
См. 7.2.2
|
|
Линейность
|
См. 7.2.2
|
7.7.3.
Специальные требования
Большинство газов
проявляет магнитные свойства, что может повлиять на результаты измерения
концентрации кислорода. Это влияние на общую погрешность измерений может быть
учтено по согласованию между заинтересованными сторонами.
7.8.
Средства измерения дымности
7.8.1. Метод
измерения
Для определения
дымности отработавшего газа используют метод Бахараха по ИСО 5063, который не
требует измерения концентрации твердых частиц.
Дымность
характеризуют числом дымности (числом Бахараха) и определяют по плотности
дымного пятна на фильтре с диапазоном шкалы чисел дымности от 0 до 9 (связь
между уменьшением числа дымности и снижением дымления - логарифмическая).
7.8.2. Оборудование
7.8.2.1.
Насос (ручной) - за одну операцию должен обеспечивать прокачивание (отсос) 160
см3 +/- 5% отработавшего газа через рабочую часть поверхности фильтра
(диаметром 6 мм, т.е. приблизительно 570 см3 +/- 5% газа на 1 см2 рабочей части поверхности фильтра). Ход поршня насоса
должен быть около 200 мм.
Примечания. 1. Если
температура пробы отличается от нормальной (таблица 1), измеренное число дымности
приводят к нормальному значению удельного объема пробы (570 см3 на 1 см2 рабочей части поверхности фильтра) по корректировочной
кривой: число дымности в функции объема пробы, приведенного к нормальным
условиям с использованием измерений температуры пробы.
2. Зажимное
устройство, в которое вставляется фильтр, должно обеспечивать достаточную
герметичность для предотвращения конденсации газа при прокачке пробы насосом.
3. Допускается
проводить отбор пробы с помощью электромеханического насоса.
7.8.2.2.
Пробоотборная трубка - наружным диаметром 6 мм по 7.8.2.1.
7.8.2.3.
Фильтровальная бумага - с коэффициентом отражения (85 +/- 2,5)%, определенным
фотометрическим способом, с размещением фильтровальной бумаги на белой
поверхности с коэффициентом отражения >= 75%. При пропускании чистого
воздуха через новую фильтровальную бумагу со скоростью 3 дм3/мин на 1 см2 рабочей части поверхности фильтра перепад давления на
фильтре должен быть в диапазоне 2 - 10 кПа.
7.8.2.4.
Стандартная серая шкала - с 10 градациями, равномерно распределенными от белого
до темно-серого цвета и соответствующими числам дымности от 0 до 9. Шкала
наносится печатью (или иным методом) на бумажную или пластиковую основу,
коэффициент отражения которой (85 +/- 2,5)% определяют фотометрическим методом.
Увеличение на одну единицу числа дымности соответствует
уменьшению коэффициента отражения на 10%, т.е. число дымности 0 соответствует
коэффициенту отражения для бумажной или пластиковой основы шкалы, а, например,
число дымности 6 соответствует уменьшению коэффициента отражения на 60%. Для
данной градации разброс локальных значений коэффициента отражения в каждой
точке должен быть не более 3%. Если шкала защищена прозрачной пластиковой
пленкой, то затемненное пятно на фильтре при сопоставлении с градациями
на стандартной шкале рассматривается через пленку той же толщины. Диаметр
градаций на стандартной шкале должен быть приблизительно 20 мм; диаметр
центрального круглого окна на каждой градации - 6 мм.
7.8.3. Процедура
определения числа дымности
Число дымности
определяют в следующей последовательности:
а) вставляют в
зажимное устройство бумажный фильтр, затягивают зажимы;
б) вводят
пробоотборную трубку в поток отработавшего газа перпендикулярно к его
направлению и проверяют отсутствие подсоса воздуха между пробоотборной трубкой
и стенкой выхлопного трубопровода (из которого осуществляется отбор пробы);
в) проводят отбор
(отсос) пробы насосом;
г) извлекают
пробоотборник из потока, освобождают фильтр из зажимного устройства;
д) помещают
фильтр позади стандартной шкалы, через центральные окна шкалы сравнивают
визуально рабочее пятно на фильтре с каждой из градаций серой шкалы, отмечают
число дымности, соответствующее градации, наиболее близкой по цвету к пятну на
фильтре, в интервале чисел дымности от 0 до 4 оценивают с возможной точностью в
десятых долях промежуточные значения;
е) проводят
достаточное число отборов в разных позициях пробоотборника внутри выхлопного
трубопровода, чтобы убедиться в представительности полученных результатов.
7.9.
Средства измерения для твердых частиц
7.9.1. Введение
Измерение
концентрации твердых частиц, необходимость которого определяют по согласованию
между заинтересованными сторонами, проводят с учетом рассмотренных ниже
требований.
Концентрацию
твердых частиц в отработавшем газе, а также в воздухе, поступающем на вход
газовой турбины, определяют весовым методом. Отбирают представительную пробу из
общего потока газа/воздуха, содержащего частицы. Частицы сепарируют из пробы,
аккумулированную массу частиц взвешивают и соотносят с количеством отобранного
газа/воздуха.
Допускается также
измерять оптическую плотность газа или рассеянную составляющую потока света для
непрерывного контроля выброса твердых частиц, но с учетом того, что связь между
массой частиц и характеристиками пропускания или рассеяния света зависит от
размера частиц, их формы, распределения частиц по размерам, плотности и
оптических свойств материала частиц. Эти методы требуют предварительной
градуировки в предположении, что свойства частиц при градуировке остаются теми
же и при измерениях.
7.9.2. Общая
характеристика системы отбора и анализа проб
Систему измерения
весовой концентрации твердых частиц монтируют отдельно от системы для
газообразных компонентов (6.2). Применяют систему либо с
внутренним, либо с внешним (по отношению к газовому каналу) сепаратором частиц
- рисунки 4 и 5.

1 - пробоотборный
зонд; 2 - сепаратор; 3 - колено;
4 - пробоотборная
магистраль с контролируемой температурой;
5 - запорный
клапан; 6 - дроссель расходомера;
7 - индикатор
расхода; 8 - регулятор отсоса; 9 - эжектор,
эксгаустер; 10 -
контроль температуры пробы; 11 - контроль
температуры
магистрали; 12 - температурный зонд; 13 - зонд
давления; 14 -
пробоотборник для газовых компонентов;
15 - датчик
скорости газа вблизи пробоотборного зонда;
16 - устройство
обогрева сепаратора
Рисунок 4. Система
измерения весовой концентрации
твердых частиц (с
внутренним сепаратором)

1 - пробоотборный
зонд; 2 - колено; 3 - пробоотборная
магистраль с
контролируемой температурой; 4 - сепаратор;
5 - дроссель
расходомера; 6 - индикатор расхода;
7 - запорный
клапан; 8 - регулятор отсоса; 9 - эжектор,
эксгаустер; 10 -
контроль температуры пробы; 11 - контроль
температуры
магистрали; 12 - температурный зонд; 13 - зонд
давления; 14 -
пробоотборник для газовых компонентов
эмиссии; 15 -
датчик скорости газа вблизи пробоотборного
зонда; 16 -
устройство обогрева сепаратора
Рисунок 5.
Система измерения весовой концентрации
твердых частиц (с
внешним сепаратором)
Сепаратор
представляет собой фильтр. При больших концентрациях частиц требуется
предварительная сепарация в устройстве циклонного типа, иначе фильтр будет
забит частицами прежде, чем закончится отбор необходимого количества газа.
Фильтрующий материал должен выдерживать температуру пробы, быть химически
устойчивым и иметь достаточно малые поры для полного
отфильтровывания частиц.
Нержавеющая сталь
не при всех условиях удовлетворяет требованиям коррозионной и термической
стойкости. Поэтому такие части системы, как пробоотборник, корпус сепаратора и
магистраль для транспортировки пробы от пробоотборника к сепаратору,
изготовляют из термостойкого стекла.
7.9.3.
Характеристики элементов системы отбора и анализа проб
7.9.3.1.
Расположение пробоотборника
Проба считается
представительной (т.е. имеющей характеристики, идентичные средним
характеристикам потока отработавшего газа), если число точек отбора - не менее
четырех на 1 м2 площади поперечного сечения выхлопного
трубопровода при общем числе точек отбора от 12 до 20. Допускается отступать от
этого требования при наличии предварительных проверок или по согласованию между
заинтересованными сторонами. Минимальное расстояние, на которое место отбора
должно отстоять от мест с возмущением потока газа любого типа (изгиб,
расширение, сжатие трубопровода и т.д.):
вниз по потоку или
вверх по потоку (
- гидравлический
диаметр трубопровода). Если это требование невыполнимо, допускается уменьшить
указанные расстояния до
и до
соответственно, при условии увеличения общего
числа точек отбора.
7.9.3.2.
Пробоотборник
Для отбора проб
используют зонды с одним приемным отверстием. Возможные варианты конструкции
зонда для твердых частиц приведены на рисунке 6. Конструкции зонда и системы
отбора должны обеспечивать погрешность из-за неизокинетичности отбора пробы не
более +/- 10% для частиц с аэродинамическим диаметром менее 5 мкм. Зонд
устанавливают параллельно оси потока с отклонением от оси не более +/- 10°.

-
внутренний диаметр приемного отверстия зонда;
-
внешний диаметр приемного отверстия зонда;
-
эффективный диаметр приемного отверстия зонда
Примечание.
Эффективный диаметр
выбирают в диапазоне 5 мм <=
<= 30 мм.
Рисунок 6.
Возможные варианты конструкции пробоотборного
зонда для твердых
частиц
Эффективный диаметр
приемного отверстия зонда (с учетом коэффициента расхода) определяют с учетом
объемного расхода газа. При идеальном изокинетическом отборе (скорость в
приемном отверстии зонда v равна скорости невозмущенного течения в канале w)
диаметр
рассчитывают по формуле
, (5)
где
- объемный расход газа/воздуха, м3/с;
w - скорость
газа/воздуха, м/с.
Погрешность из-за
неизокинетичности отбора оценивают по диаграмме на рисунке 7 при значении числа
Стокса,
,
вычисляемом по формуле
, (6)
где
- диаметр частицы, м;
-
плотность материала частицы, кг/м3;
-
динамическая вязкость газа, Па x с;
w - скорость газа,
м/с;
-
эффективный диаметр приемного отверстия зонда, м;
C - коэффициент
проскальзывания.

Рисунок 7.
Эффективность отбора пробы в соответствии
с уравнением
Беляева-Левина
Поправочный
коэффициент C учитывает уменьшение коэффициента сопротивления частицы в потоке
относительно величины, следующей из закона Стокса. Уменьшение коэффициента
сопротивления имеет место, когда отношение длины свободного пробега молекул к
диаметру частицы (
- число
Кнудсена) приближается к единице. Коэффициент C вычисляют по формуле
, (7)
где функцию J от
числа Кнудсена рассчитывают по формуле
. (8)
7.9.3.3.
Транспортировка пробы
Конструкция
трубопровода для транспортировки пробы и системы отбора должна обеспечивать
минимально возможные потери твердых частиц при транспортировке вследствие
Броуновской диффузии, гравитационного и инерциального оседания на стенках,
электростатического осаждения, термофореза и т.п. Как показывает опыт,
предпочтительней трубопроводы максимально короткие, вертикально расположенные,
с минимальным числом поворотов, заземлением металлических участков,
минимальными градиентами температуры и каналом диаметром не менее 5 мм.
Возможный вариант пробоотборного зонда и трубопровода с одним поворотом при
внутреннем сепараторе твердых частиц показан на рисунке 8.

1 - пробоотборный
зонд; 2 - колено; 3 - подсоединение
сепаратора; 4 -
уплотнение; 5 - корпус фильтра;
6 - патрон фильтра;
7 - набивка фильтра (кварцевые нити);
8 - корпус
сепаратора
< 50
мм,
> 5 мм,
= 30 мм (диаметр патрона),
,
= 70 мм (длина патрона),
= 80 мм,

Примечания. 1. Зонд
может быть соединен с сепаратором прямой трубой, а изгиб расположен за
сепаратором.
2. Длина
цилиндрической части у периферии зонда должна
быть
>=
.
Рисунок 8.
Возможный вариант пробоотборного зонда
с сепаратором для
твердых частиц
7.9.3.4. Сепарация
частиц
Сепарация твердых
частиц из пробы должна быть полной. Рекомендуется использовать в качестве
фильтра плотную набивку кварцевых нитей диаметром не более 10 мкм в патрон из
специального стекла. После сепаратора располагают дополнительный фильтр для задержания оставшегося в пробе мелкодисперсного материала.
7.9.3.5. Проведение
измерений
Объемный расход
газа непрерывно измеряют расходомерами. Массу твердых частиц определяют
взвешиванием тщательно просушенного фильтрующего материала (вместе с патроном)
до и после отбора пробы. Учитывают также массу частиц, осевших на стенках
пробоотборника и транспортной магистрали (7.9.3.3). Взвешивание проводят с
точностью до 1% при массе частиц 100 мг и более и до 0,1 мг - при меньшей массе
частиц. Объемный расход пробы (при диаметре приемного отверстия пробоотборника
по 7.9.3.2) должен обеспечивать аккумуляцию достаточной массы частиц за время
отбора пробы, равное 2 ч. Нижняя граница концентрации твердых частиц в газовом
потоке, которая может быть определена настоящим методом, должна быть в
диапазоне от 1 до 5 мг/м3.
8. Качество
измерений
8.1. Введение
Для обеспечения
требуемого качества измерений должны быть выполнены все требования к
конструкции и сборке измерительного оборудования, процедурам градуировки и
проведения измерений, изложенные в предшествующих разделах. В качестве
дополнительного критерия представительности отобранной пробы отработавшего газа
допускается использовать баланс углерода - сравнение количества углерода,
внесенного в газотурбинную установку с топливом, и углерода по данным анализа
пробы (без учета углерода, содержащегося в твердых частицах).
8.2. Методы
градуировки
Градуировку средств
измерений проводят с помощью градуировочных газовых смесей, приготовленных по
ИСО 6141 с точностью приготовления по таблице 10. Рекомендуется готовить смеси
градуировочных газов с азотом при уровнях концентрации примерно 30, 60 и 90%
используемых диапазонов измерения.
Таблица 10
Точность
приготовления градуировочных газовых смесей
┌──────┬──────────────────────────┬──────────────────────────────┐
│Анали-│ Газовая
смесь │ Границы погрешности <*> │
│затор
│
│ │
├──────┼──────────────────────────┼──────────────────────────────┤
│ │ │ -1 │
│CH │Пропан, (10 +/- 1)% O , N │+/-
2% или +/- 0,05 млн
<**>│
│ │ 2
z│
│
├──────┼──────────────────────────┼──────────────────────────────┤
│ │ │ -1 │
│CH │Пропан, (20,95 +/- 1)% O ,│+/-
2% или +/- 0,05 млн
<**>│
│ │ 2 │ │
│ │N │ │
│ │ 2 │ │
├──────┼──────────────────────────┼──────────────────────────────┤
│ │ │ -1 │
│CH │Пропилен в нулевом воздухе│+/-
2% или +/- 0,05 млн
<**>│
├──────┼──────────────────────────┼──────────────────────────────┤
│ │ │ -1
│
│CH │Толуол в нулевом воздухе │+/- 2% или +/- 0,05 млн <**>│
├──────┼──────────────────────────┼──────────────────────────────┤
│ │ │ -1 │
│CH │n-гексан в нулевом воздухе│+/-
2% или +/- 0,05 млн
<**>│
├──────┼──────────────────────────┼──────────────────────────────┤
│ │ │ -1 │
│CO │CO в N │+/- 2% или +/- 2 млн <**> │
│ │ 2 │ │
├──────┼──────────────────────────┼──────────────────────────────┤
│ │ │ -1 │
│CO │CO
в N │+/-
1% или +/- 100 млн
<**> │
│ 2
│ 2 2 │ │
├──────┼──────────────────────────┼──────────────────────────────┤
│ │ │ -1 │
│NO │NO в N │+/- 1% или +/- 1 млн <**> │
│ x
│ 2 │ │
├──────┼──────────────────────────┼──────────────────────────────┤
│ │ │ -1 │
│O │O
в N │+/-
0,2% или +/- 100 млн
<**>│
│
2 │ 2 2 │ │
├──────┼──────────────────────────┼──────────────────────────────┤
│ │ │ -1 │
│SO │SO
в N │+/-
1% или +/- 1 млн
<**> │
│ 2
│ 2 2 │ │
├──────┴──────────────────────────┴──────────────────────────────┤
│
<*> При доверительной вероятности 95%. │
│
<**> В зависимости от того, что больше. │
└────────────────────────────────────────────────────────────────┘
Допускаются
двухкомпонентные градуировочные смеси, содержащие СО и
.
Трехкомпонентные смеси, содержащие CO,
и
в нулевом воздухе, допускаются, если
гарантирована стабильность смеси.
Нулевым газом для
анализатора углеводородов (для проверки нуля показаний) является нулевой
воздух, для остальных анализаторов - чистый азот. В обоих видах нулевого газа
содержание примесей должно быть меньше следующих значений:
C 1
;
CO 1
;
100
;
1
;
1
.
9. Обработка результатов измерений
9.1. Общие
положения
Газообразные
компоненты выбросов считают идеальным газом, для которого молярная концентрация
пропорциональна отношению парциального давления к полному давлению и
пропорциональна объемной доле. Концентрацию этих компонентов в приведенных ниже
формулах пересчета и приведения допустимо выражать также в процентах или в
(см3/м3). По отношению к числам дымности
(числам Бахараха), а также к концентрации твердых частиц процедуры пересчета
(приведения) не применяют.
9.2. Соотношение
между концентрациями в "сухой" и "влажной" пробах
отработавшего газа
Измерения
концентраций относят к "сухой" пробе, если содержавшаяся в пробе вода
была до проведения измерений сконденсирована и удалена из пробы. Все другие
измерения считают проведенными во "влажной" пробе. Разницу между
концентрациями в "сухой" и "влажной" пробах рассчитывают по
содержанию воды в пробе, которое по согласованию между заинтересованными
сторонами либо определяют расчетом, либо измеряют. В расчетах и измерениях
учитывают влажность воздуха на входе в газотурбинную установку, содержание воды
в топливе, воду, образовавшуюся при сгорании топлива, а также впрыск воды или
пара. Приведение к "сухой" концентрации
проводят по формуле
, (9)
где
- концентрация компонента отработавшего газа
во "влажной" пробе;
-
концентрация воды в пробе.
9.3. Приведение к
стандартному содержанию кислорода в отработавшем газе
По ИСО 2533
результаты измерений выбросов вредных веществ должны быть приведены к
стандартной концентрации свободного кислорода в отработавшем газе, равной 15%.
Если, например,
- измеренная в "сухой" пробе
отработавшего газа концентрация компонента i и
- действительная концентрация свободного
кислорода в этой пробе, то приведенное к стандартной концентрации
(15%) значение выбросов компонента i,
характеризуемых объемной долей компонента в отработавшем газе
("сухом") газотурбинной установки
рассчитывают по формуле
. (10)
Аналогично приводят
концентрации во "влажной" пробе, а также концентрации в "сухой"
или "влажной" пробе к другим стандартным концентрациям
.
9.4. Соотношение
между объемной и массовой концентрациями в "сухом" отработавшем газе
при нормальных условиях
Значение выбросов,
характеризуемых массовой концентрацией компонента i (мг/м3) в "сухом"
отработавшем газе при нормальных условиях и при стандартной концентрации
(15%)
рассчитывают по формуле
, (11)
где значения
молярного объема
,
м3/кмоль, молярной массы
, кг/кмоль, и плотности
,
кг/м3, при нормальных условиях, приведены для различных газов в таблице В.1
(Приложение В).
Как следует из 3.1,
в
масса компонента (мг) для
вычисляется как для
; для
- как для
; для
CH - как для
.
9.5. Расчет
выбросов на единицу мощности газотурбинной установки
Выбросы,
характеризуемые массовым расходом компонента i на единицу мощности
газотурбинной установки,
, г/кВт x ч рассчитывают по формуле
, (12)
где
- массовый расход компонента i на выходе из
газотурбинной установки, кг/с;
-
массовый расход отработавшего газа на выходе из газотурбинной установки, кг/с;
-
объемная доля компонента i во "влажном" отработавшем газе,
(см3/м3);
P - мощность
газотурбинной установки, кВт;
-
молярная масса компонента i, кг/кмоль;
-
суммарная молярная масса, кг/кмоль.
Примечание.
Молярную массу
рассчитывают по составу топлива в
предположении полного сгорания. Учитывают также впрыск воды или пара. Например
при сжигании чистого метана (
-
эталон газового топлива) в воздухе с относительной влажностью 60% при 101,3 кПа
и 288,15 К (15 °C) в пропорции, обеспечивающей 15%
кислорода (по объему) в "сухом" отработавшем газе при нормальных условиях,
суммарная молярная масса во "влажном" отработавшем газе
равна 28,463 кг/кмоль. При сжигании чистого
n-додекана (
- эталон
жидкого топлива) при тех же условиях -
= 28,753 кг/моль.
9.6. Расчет
выбросов на единицу тепловой мощности газотурбинной установки
Выбросы,
характеризуемые массовым расходом компонента i на единицу тепловой мощности
газотурбинной установки
, г/ГДж, при условии полного сгорания топлива, рассчитывают по
формуле
, (13)
где
и P - по (12);
-
расход топлива, кг/с;
-
теплота сгорания топлива, кДж/кг.
Приложение А
(справочное)
Форма регистрации
результатов испытаний газотурбинной
установки по
определению выбросов вредных веществ
┌───────┬────────────────────────────────────────────────────────┐
│Иденти-│ Лицо
или организация, проводившие испытание
│
│фикаци-│
│
│онный │
│
│номер │ │
├───────┴────────────────────────────────────────────────────────┤
│ Газотурбинная
установка │
├───────┬────────────────────────────────────────────────────────┤
│ 101
│Изготовитель │
│ 102
│Тип
│
│ 103
│Серийный номер
│
├───────┴────────────────────────────────────────────────────────┤
│ Место проведения испытаний │
├───────┬────────────────────────────────────────────────────────┤
│ 104
│Место
│
│ 105
│Страна
│
├───────┴────────────────────────────────────────────────────────┤
│ Тип топлива │
├───────┬────────────────────────────────────────────────────────┤
│ 106
│(Подробности - в отдельной карте данных) │
├───────┴────────────────────────────────────────────────────────┤
│ Дата и время
испытаний │
├───────┬────────────────────────────────────────────────────────┤
│ 107
│Дата │
│ 108
│Время начала испытаний │
│ 109
│Время окончания испытаний │
├───────┴────────────────────────────────────────────────────────┤
│ Используемые средства измерения и
диапазоны измерения │
├───────┬───────────────────────────┬─────────────────┬──────────┤
│Иденти-│Показатель │ Средства
│ Серийный │
│фикаци-│ │ измерения
│ номер │
│онный │ ├───┬─────────────┤ │
│номер │
│тип│используемый │ │
│ │ │ │
диапазон │ │
│ │ │ │
измерения │ │
├───────┼───────────────────────────┼───┼─────────────┼──────────┤
│ 110
│O
│ │ │ │
│ │ 2 │ │ │ │
│ │
├───┼─────────────┼──────────┤
│ 111
│CO
│ │ │ │
│ │
2
│ │ │ │
│ │
├───┼─────────────┼──────────┤
│ 112
│NO
│ │ │ │
│ │
x
│ │ │ │
│ │
├───┼─────────────┼──────────┤
│ 113
│CO
│ │ │ │
│ │
├───┼─────────────┼──────────┤
│ 114
│SO
│ │ │ │
│ │
x
│ │ │ │
│ │
├───┼─────────────┼──────────┤
│ 115
│Дым │
│ │ │
│ │
├───┼─────────────┼──────────┤
│ 116
│CH
│ │ │ │
│ │
├───┼─────────────┼──────────┤
│ 117
│VOCs │ │ │ │
│
├───────────────────────────┴───┴─────────────┴──────────┤
│118
- │ (резервируются) │
│ 199│
│
├───────┴────────────────────────────────────────────────────────┤
│ Результаты измерений │
├───────┬────────────────┬──────────┬───────────────────┬────────┤
│Иденти-│
Параметр │ Единицы │
Номер измерения │Среднее
│
│фикаци-│
│измерения
├───┬───┬───┬───┬───┤значение│
│онный │ │ │ 1 │ 2 │ 3 │
4 │ 5 │ │
│номер │ │ │ │
│ │ │
│ │
├───────┼────────────────┼──────────┼───┼───┼───┼───┼───┼────────┤
│ 200
│Номер испытания │
│ │ │
│ │ │ │
│ 201
│Время
│мин │ │
│ │ │
│ │
├───────┼────────────────┼──────────┼───┼───┼───┼───┼───┼────────┤
│ 202
│Время на одну
│мин │ │
│ │ │
│ │
│ │точку │ │ │
│ │ │
│ │
├───────┴────────────────┴──────────┴───┴───┴───┴───┴───┴────────┤
│ Атмосферные условия │
├───────┬────────────────┬──────────┬───┬───┬───┬───┬───┬────────┤
│ 203
│Температура
│°C │ │
│ │ │
│ │
│ 204
│Давление
│кПа │ │
│ │ │
│ │
│ 205
│Относительная
│% │ │
│ │ │
│ │
│ │влажность │ │ │
│ │ │
│ │
├───────┴────────────────┴──────────┴───┴───┴───┴───┴───┴────────┤
│ Параметры режима │
├───────┬────────────────┬──────────┬───┬───┬───┬───┬───┬────────┤
│ 206
│Мощность
│кВт │ │
│ │ │
│ │
│
│(механическая,
│ │ │
│ │ │
│ │
│ │электрическая) │ │ │
│ │ │
│ │
│ 207
│Расход топлива │кг/с │ │
│ │ │
│ │
│ 208
│Расход │кг/с │ │
│ │ │
│ │
│ │отработавшего │ │ │
│ │ │
│ │
│
│газа (измерения,│
│ │ │
│ │ │ │
│ │расчет) │ │ │
│ │ │
│ │
├───────┼────────────────┼──────────┼───┼───┼───┼───┼───┼────────┤
│ 209
│Средняя темпера-│°C
│ │ │
│ │ │ │
│ │тура газа │ │ │
│ │ │
│ │
│ │Дополнительная │
│ │
│ │ │
│ │
│ │информация │ │ │
│ │ │
│ │
│ │(см. 5.1) │ │ │
│ │ │
│ │
├───────┴────────────────┴──────────┴───┴───┴───┴───┴───┴────────┤
│ Измеренные, вычисленные объемные
концентрации <*> │
├───────┬────────────────┬──────────┬───┬───┬───┬───┬───┬────────┤
│ 210
│O
│% │ │
│ │ │
│ │
│ │ 2 │ │ │
│ │ │
│ │
│ 211
│CO
│% │ │
│ │ │
│ │
│ │
2 │ │ │
│ │ │
│ │
│ 212
│H O
│% │ │
│ │ │
│ │
│ │ 2 │ │ │
│ │ │
│ │
│ 213
│NO
│см3/м3 │ │
│ │ │
│ │
│ 214
│NO
│см3/м3 │ │
│ │ │
│ │
│ │
x │ │ │
│ │ │
│ │
│ 215
│CO
│см3/м3 │ │
│ │ │
│ │
│ 216
│SO
│см3/м3 │ │
│ │ │
│ │
│ │
x │ │ │
│ │ │
│ │
│ 217
│CH (как CH ) │см3/м3 │
│ │ │
│ │ │
│ │ 4
│ │ │
│ │ │
│ │
├───────┴────────────────┴──────────┴───┴───┴───┴───┴───┴────────┤
│ Число дымности │
├───────┬────────────────┬──────────┬───┬───┬───┬───┬───┬────────┤
│ 218
│Число дымности
│ │
│ │ │
│ │ │
│219
-
├────────────────┴──────────┴───┴───┴───┴───┴───┴────────┤
│ 299│ (резервируют) │
├───────┴────────────────────────────────────────────────────────┤
│ <*> Указывают, относятся
ли концентрации к "сухому" или│
│"влажному" отработавшему газу,
а также получены ли
они│
│измерением
или расчетом. │
└────────────────────────────────────────────────────────────────┘
Форма регистрации
результатов расчетов
в испытаниях
газотурбинной установки
┌─────┬──────────────────┬──────────┬──────────────────┬─────────┬────────┐
│Иден-│
Параметр │ Единицы │
Алгоритм │ Номер
│Среднее │
│тифи-│ │измерения │ вычисления │измерения│значение│
│каци-│ │ │
├─┬─┬─┬─┬─┤ │
│онный│ │ │
│1│2│3│4│5│ │
│номер│ │ │ │ │ │ │
│ │ │
├─────┴──────────────────┴──────────┴──────────────────┴─┴─┴─┴─┴─┴────────┤
│ Пересчет к "сухому"
отработавшему газу.
│
│ Примечание.
Пересчет проводят, если
измеренные объемные доли│
│относятся
к "влажному" отработавшему газу. │
├─────┬───────────────────────────────────────────────────────────────────┤
│
300 │фи - объемная доля
компонента в "сухом" отработавшем газе │
│ │
i,dry │
│ │фи = фи /(1 - фи ) │
│ │
i,dry i,wet H O │
│ │ 2 │
├─────┼──────────────────┬──────────┬──────────────────┬─┬─┬─┬─┬─┬────────┤
│ 301 │фи │- │ 212/100 │ │ │ │ │ │ │
│ │
H O │ │ │ │ │
│ │ │ │
│ │
2 │ │ │ │ │
│ │ │ │
├─────┼──────────────────┼──────────┼──────────────────┼─┼─┼─┼─┼─┼────────┤
│ 302 │1/(1 - фи )
│- │ 1/(1 - 301) │ │ │ │ │
│ │
│ │ H O │ │ │ │ │
│ │ │ │
│ │ 2 │ │ │ │ │
│ │ │ │
├─────┼──────────────────┼──────────┼──────────────────┼─┼─┼─┼─┼─┼────────┤
│ 303 │фи │% │ 302 x 210 │ │ │ │ │
│ │
│ │
O ,dry │ │ │ │ │
│ │ │ │
│ │
2 │ │ │ │ │
│ │ │ │
├─────┼──────────────────┼──────────┼──────────────────┼─┼─┼─┼─┼─┼────────┤
│ 304 │фи │% │ 302 x 211 │ │ │ │ │
│ │
│ │
CO ,dry │ │ │ │ │
│ │ │ │
│ │
2 │ │ │ │ │
│ │ │ │
├─────┼──────────────────┼──────────┼──────────────────┼─┼─┼─┼─┼─┼────────┤
│ 305 │фи │см3/м3 │
302 x 213 │ │
│ │ │ │
│
│ │
NO,dry │ │ │ │ │
│ │ │ │
├─────┼──────────────────┼──────────┼──────────────────┼─┼─┼─┼─┼─┼────────┤
│ 306 │фи │см3/м3 │
302 x 214 │ │
│ │ │ │
│
│ │
NO ,dry │ │ │ │ │
│ │ │ │
│ │
x │ │ │ │ │
│ │ │ │
├─────┼──────────────────┼──────────┼──────────────────┼─┼─┼─┼─┼─┼────────┤
│ 307 │фи │см3/м3 │
302 x 215 │ │
│ │ │ │
│
│ │
CO,dry │ │ │ │ │
│ │ │ │
├─────┼──────────────────┼──────────┼──────────────────┼─┼─┼─┼─┼─┼────────┤
│ 308 │фи │см3/м3 │
302 x 216 │ │
│ │ │ │
│
│ │
SO ,dry │ │ │ │ │
│ │ │ │
│ │
x │ │ │ │ │
│ │ │ │
├─────┼──────────────────┼──────────┼──────────────────┼─┼─┼─┼─┼─┼────────┤
│ 309 │фи │см3/м3 │
302 x 217 │ │
│ │ │ │
│
│ │
CH,dry │ │ │ │ │
│ │ │ │
├─────┼──────────────────┴──────────┴──────────────────┴─┴─┴─┴─┴─┴────────┤
│310 -│ (резервируют)
│
│
399│
│
├─────┴───────────────────────────────────────────────────────────────────┤
│ Пересчет к
"сухому" отработавшему газу с 15%
O │
│
2 │
├─────┬───────────────────────────────────────────────────────────────────┤
│ 400 │EV = значение выбросов, характеризуемых объемной │
│ │
i,15,dry
│
│ │долей компонента i в
"сухом" отработавшем газе с 15% O │
│ │ 2 │
│ │EV = фи (20,95 - 15)/(20,95 - 303) │
│ │
i,15,dry i,dry
│
├─────┼──────────────────┬──────────┬──────────────────┬─┬─┬─┬─┬─┬────────┤
│
401 │(20,95 - 15)/ │ -
│5,95/(20,95 - 303)│ │ │ │ │ │ │
│ │(20,95 - фи ,
)│ │ │ │ │
│ │ │ │
│ │ O
dry │ │ │ │ │
│ │ │ │
│ │ 2
│ │ │ │ │
│ │ │ │
│ │ │ │ │ │ │
│ │ │ │
├─────┼──────────────────┼──────────┼──────────────────┼─┼─┼─┼─┼─┼────────┤
│
402 │EV
│см3/м3 │ 401 x 305 │ │ │ │ │
│ │
│ │
NO,15,dry │ │ │ │ │
│ │ │ │
├─────┼──────────────────┼──────────┼──────────────────┼─┼─┼─┼─┼─┼────────┤
│
403 │EV
│см3/м3 │ 401 x 306 │ │ │ │ │
│ │
│ │
NO ,15,dry │ │ │ │ │
│ │ │ │
│ │
x │ │ │ │ │
│ │ │ │
├─────┼──────────────────┼──────────┼──────────────────┼─┼─┼─┼─┼─┼────────┤
│
404 │EV │см3/м3 │
401 x 307 │ │
│ │ │ │ │
│ │
CO,15,dry │ │ │ │ │
│ │ │ │
├─────┼──────────────────┼──────────┼──────────────────┼─┼─┼─┼─┼─┼────────┤
│
405 │EV
│см3/м3 │ 401 x 308
│ │ │ │
│ │ │
│ │
SO ,15,dry │ │ │ │ │
│ │ │ │
│ │
x │ │ │ │ │
│ │ │ │
├─────┼──────────────────┼──────────┼──────────────────┼─┼─┼─┼─┼─┼────────┤
│
406 │EV
│см3/м3 │ 401 x 309 │ │ │ │ │
│ │
│ │
CH,15,dry │ │ │ │ │
│ │ │ │
├─────┼──────────────────┴──────────┴──────────────────┴─┴─┴─┴─┴─┴────────┤
│407
-│ (резервируют) │
│ 499│
│
├─────┴───────────────────────────────────────────────────────────────────┤
│ Пересчет
значения выбросов, характеризуемого объемной
долей│
│EV ,
в значение выбросов, характеризуемое массой│
│ i,15,dry
│
│компонента
i на нм3
│
├─────┬───────────────────────────────────────────────────────────────────┤
│
500 │EM - значение
выброса, характеризуемого массовой│
│ │
i,15,dry
│
│ │концентрацией компонента i
в отработавшем газе
при нормальных│
│ │условиях
│
│ │ ЕМ = EV (M /V ) │
│ │ i,15,dry i,15,dry
i mn │
├─────┼──────────────────┬──────────┬──────────────────┬─┬─┬─┬─┬─┬────────┤
│ 501 │ЕМ │мг/м3 │
1,3387 x 402
│ │ │ │ │ │ │
│ │
NO,15,dry │ │ │ │ │
│ │ │ │
├─────┼──────────────────┼──────────┼──────────────────┼─┼─┼─┼─┼─┼────────┤
│ 502 │EM │мг/м3 │
2,05255 x 403
│ │ │ │ │ │ │
│ │
NO ,15,dry │ │ │ │ │
│ │ │ │
│ │
x │ │ │ │ │ │ │
│ │
│ │(как NO
) │ │ │ │ │
│ │ │ │
│ │ 2 │ │ │ │ │
│ │ │ │
├─────┼──────────────────┼──────────┼──────────────────┼─┼─┼─┼─┼─┼────────┤
│ 503 │EM │мг/м3 │
1,2497 x 404
│ │ │ │ │ │ │
│ │
CO,15,dry │ │ │ │ │
│ │ │ │
├─────┼──────────────────┼──────────┼──────────────────┼─┼─┼─┼─┼─┼────────┤
│ 504 │EM │мг/м3 │
2,858 x 405 │ │
│ │ │ │
│
│ │
SO ,15,dry │ │ │ │ │
│ │ │ │
│ │
x │ │ │ │ │
│ │ │ │
│ │(как SO
) │ │ │ │ │
│ │ │ │
│ │ 2 │ │ │ │ │
│ │ │ │
├─────┼──────────────────┼──────────┼──────────────────┼─┼─┼─┼─┼─┼────────┤
│ 505 │EM │мг/м3 │
0,7157 x 406
│ │ │ │ │ │ │
│ │
CH,15,dry │ │ │ │ │
│ │ │ │
│ │(как CH
) │ │ │ │ │
│ │ │ │
│ │ 4 │ │ │ │ │
│ │ │ │
├─────┼──────────────────┴──────────┴──────────────────┴─┴─┴─┴─┴─┴────────┤
│506 -│ (резервируют)
│
│
599│
│
├─────┴───────────────────────────────────────────────────────────────────┤
│ Вычисление выбросов на единицу мощности газотурбинного привода │
├─────┬───────────────────────────────────────────────────────────────────┤
│ 600 │ EM - значение массового расхода компонента i на единицу│
│ │
i,P │
│ │мощности газотурбинного
привода
│
│ │ EM = 3,6 фи (M /M
)(q /P) │
│ │ i,P i,wet
i tot mg7 │
├─────┼──────────────────┬──────────┬──────────────────┬─┬─┬─┬─┬─┬────────┤
│ 601 │N │% │100 - 210 -
│ │ │ │ │ │ │
│ │ 2 │ │ wet │ │ │ │ │
│ │
│ │ │ │- 211 - 212
│ │ │ │ │ │ │
│ │ │ │ wet
│ │ │ │ │ │ │
├─────┼──────────────────┼──────────┼──────────────────┼─┼─┼─┼─┼─┼────────┤
│ 602 │M │кг/кмоль │[(210 x │ │
│ │ │ │
│
│ │ tot │ │x 31,9988) + │ │ │ │ │
│ │
│ │ │ │+ (211 x │ │ │ │
│ │ │
│ │ │ │x 44,0098) + │ │ │ │ │
│ │
│ │ │ │+ (212 x │ │ │ │
│ │ │
│ │ │ │x 18,0152) + │ │ │ │ │
│ │
│ │ │ │+ (601 х │ │ │ │
│ │ │
│ │ │ │x 28,158)]/100 │ │ │ │ │
│ │
├─────┼──────────────────┼──────────┼──────────────────┼─┼─┼─┼─┼─┼────────┤
│ 603 │q /P
│кг/кВт x с│208/206 │
│ │ │ │ │
│
│ │ mg7 │ │ │ │ │
│ │ │ │
├─────┼──────────────────┼──────────┼──────────────────┼─┼─┼─┼─┼─┼────────┤
│ 604 │EM │г/кВт x ч
│213wet x │ │
│ │ │ │
│
│ │
NO,P │ │x (108,02/602) x │ │ │ │ │
│ │
│ │ │ │x 603 │ │ │ │
│ │ │
├─────┼──────────────────┼──────────┼──────────────────┼─┼─┼─┼─┼─┼────────┤
│ 605 │EM │г/кВт x ч
│214wet x │ │
│ │ │ │
│
│ │
NO ,P │ │x (165,64/602) x │ │ │ │ │
│ │
│ │
x │ │x 603 │ │ │ │
│ │ │
├─────┼──────────────────┼──────────┼──────────────────┼─┼─┼─┼─┼─┼────────┤
│ 606 │EM │г/кВт x ч
│215wet x │ │
│ │ │ │
│
│ │
CO,P │ │x (100,84/602) x │ │ │ │ │
│ │
│ │ │ │x 603 │ │ │ │
│ │ │
├─────┼──────────────────┼──────────┼──────────────────┼─┼─┼─┼─┼─┼────────┤
│ 607 │EM │г/кВт x ч
│216wet x │ │
│ │ │ │
│
│ │
SO ,P │ │x (230,61/602) x │ │ │ │ │
│ │
│ │
x │ │x 603 │ │ │ │
│ │ │
├─────┼──────────────────┼──────────┼──────────────────┼─┼─┼─┼─┼─┼────────┤
│ 608 │EM │г/кВт x ч
│217wet x │ │
│ │ │ │
│
│ │
CH,P │ │x (57,75/602) x │ │ │ │ │
│ │
│ │ │ │x 603 │ │ │ │ │
│ │
├─────┼──────────────────┴──────────┴──────────────────┴─┴─┴─┴─┴─┴────────┤
│609 -│ (резервируют)
│
│
699│
│
└─────┴───────────────────────────────────────────────────────────────────┘
Приложение Б
(справочное)
СВЕДЕНИЯ ОБ ОСНОВНЫХ КОМПОНЕНТАХ ВЫБРОСОВ ВРЕДНЫХ ВЕЩЕСТВ
Б.1. Образование
компонентов выбросов вредных веществ
Сжигание жидкого
или газообразного углеводородного топлива приводит в ходе окислительных реакций
к образованию конечных продуктов - диоксида углерода
и паров воды
, а
также ряда других веществ, которые либо являются продуктами неполного окисления
топлива, либо образуются в ходе реакций с участием других изначально
присутствовавших в воздухе или в топливе веществ.
Б.2. Оксиды азота
Оксиды азота
образуются при окислении атмосферного азота, которое происходит в зонах высокой
температуры, возникающей в процессе сжигания топлива. Если в топливе
присутствует азот, он также будет окисляться, образуя оксиды азота. Образуются
преимущественно NO и
. Их
сумму NO +
обозначают
. В
расчетах выброса сумму оксидов
вычисляют обычно в пересчете на
. В
атмосфере NO постепенно окисляется до
.
Б.3. Оксиды серы
Сера, в
незначительном количестве присутствующая в углеводородном топливе, окисляется в
процессе горения, образуя диоксид серы
и некоторое количество триоксида серы
. Сумму
+
обозначают
. В
расчетах выброса сумму
вычисляют обычно в пересчете на
. Для
окисления
в
требуется катализатор. Триоксид
растворяется в воде, образуя серную кислоту.
Б.4. Диоксид
углерода, оксид углерода и несгоревшие углеводороды
Диоксид углерода
, оксид
углерода CO и несгоревшие углеводороды CH являются продуктами окисления
углеводородного топлива. Причиной незавершенности процесса окисления,
проявляющейся в выбросах CO и CH, могут быть, например, некачественное
распыление и (или) медленное испарение жидкого топлива, неудовлетворительное
смешение топлива с воздухом, недостаточное время пребывания в зоне горения,
"замораживание" химических реакций в защитной пелене воздуха вблизи
стенок камеры сгорания.
Б.5. Аммиак
Аммиак
подают в отработавший газ перед
каталитическими нейтрализаторами оксидов азота (SCR). При избыточном расходе
происходит выброс аммиака в атмосферу с
отработавшим газом. Аммиак реагирует с оксидами серы, образуя сульфаты аммония.
Б.6. Дым
Дым состоит из
любых аэрозолей, которые могут увеличивать оптическую плотность отработавшего
газа или, при отложении на бумажном фильтре (метод Бахараха), уменьшать
коэффициент отражения света. Важнейший компонент дыма - частицы твердого
углерода, образующиеся в процессе сжигания топлива при наличии в зоне горения
чрезмерно богатых топливом областей.
Б.7. Твердые
частицы
Помимо твердых
продуктов процесса горения твердые частицы в отработавшем газе могут быть
результатом попадания на вход в турбину пыли, наличия твердых примесей в топливе,
а также грязи и (или) ржавчины в каналах, трубопроводах и т.д.
Приложение В
(справочное)
ФИЗИЧЕСКИЕ СВОЙСТВА
ГАЗОВ
Таблица В.1
Физические
свойства газов
┌───────────┬───────┬────────┬──────────┬───────────┬───────────┬─────────┐
│Наименова- │Символ │Молярная│Плотность
│Относи-
│Коэффициент│Молярный │
│ние
│ │масса
M,│ при │тельная │сжимаемости│ объем
│
│ │ │кг/кмоль│нормальных│плотность │ газа при │
V , │
│ │ │ │ условиях
│D = ро │нормальных
│ mn │
│ │ │ │ ро ,
│ n │ условиях │м3/кмоль │
│ │ │ │ n
│(газ)/ ро │101,3
кПа, │ │
│ │ │ │
кг/м3
│ n │ 0 °C
│ │
│ │ │ │ │(воздух) │ │ │
├───────────┼───────┼────────┼──────────┼───────────┼───────────┼─────────┤
│Идеальный │-
│- │- │- │1 │22,41383 │
│газ │ │ │ │ │ │ │
├───────────┼───────┼────────┼──────────┼───────────┼───────────┼─────────┤
│Воздух │- │28,983 │1,293 │1 │0,9994 │22,4 │
│(сухой) │ │ │ │ │ │ │
├───────────┼───────┼────────┼──────────┼───────────┼───────────┼─────────┤
│Водород │H │2,0158 │0,8988 │0,0695 │1,00062 │22,426 │
│ │ 2 │ │ │ │ │ │
├───────────┼───────┼────────┼──────────┼───────────┼───────────┼─────────┤
│Гелий │He │4,0026 │0,17846 │0,138 │1,00054 │22,426 │
├───────────┼───────┼────────┼──────────┼───────────┼───────────┼─────────┤
│Неон │Ne │20,179 │0,8999 │0,696 │1,00048 │22,425 │
├───────────┼───────┼────────┼──────────┼───────────┼───────────┼─────────┤
│Азот │N │28,0134 │1,2504 │0,9671 │0,99954 │22,403 │
│ │ 2 │ │ │ │ │ │
├───────────┼───────┼────────┼──────────┼───────────┼───────────┼─────────┤
│Азот │- │28,158 │1,2569 │0,9722 │0,99952 │22,403 │
│(атмосф.) │
│ │ │ │ │ │
├───────────┼───────┼────────┼──────────┼───────────┼───────────┼─────────┤
│Кислород │O
│31,9986 │1,429
│1,1052 │0,99903 │22,392 │
│ │ 2 │ │ │ │ │ │
├───────────┼───────┼────────┼──────────┼───────────┼───────────┼─────────┤
│Аргон │Ar │39,948 │1,784 │1,3797 │0,99904 │22,392 │
├───────────┼───────┼────────┼──────────┼───────────┼───────────┼─────────┤
│Криптон │Kr │83,8 │3,749 │2,8995 │0,99722 │22,351 │
├───────────┼───────┼────────┼──────────┼───────────┼───────────┼─────────┤
│Оксид │CO │28,0104 │1,2505 │0,9671 │0,99938 │22,4 │
│углерода │
│ │ │ │ │ │
├───────────┼───────┼────────┼──────────┼───────────┼───────────┼─────────┤
│Диоксид │CO │44,0098 │1,977 │1,529 │0,99318 │22,261 │
│углерода │
2 │ │ │ │ │ │
├───────────┼───────┼────────┼──────────┼───────────┼───────────┼─────────┤
│Оксид
азота│NO │30,0061
│1,3402 │1,0365 │0,99894 │22,39 │
├───────────┼───────┼────────┼──────────┼───────────┼───────────┼─────────┤
│Закись │N O │44,0128 │1,978 │1,5298 │0,99276 │22,252 │
│азота │ 2 │ │ │ │ │ │
├───────────┼───────┼────────┼──────────┼───────────┼───────────┼─────────┤
│Аммиак │NH │17,0304 │0,7718 │0,5969 │0,98443 │22,065 │
│ │ 3
│ │ │ │ │ │
├───────────┼───────┼────────┼──────────┼───────────┼───────────┼─────────┤
│Цианид │HCN │27,0256 │(1,275) │(0,986) │0,9458 │(21,2) │
│водорода │
│ │ │ │ │ │
├───────────┼───────┼────────┼──────────┼───────────┼───────────┼─────────┤
│Дицианоген
│C H │52,0354
│2,349 │1,817 │0,9882 │22,15 │
│ │ 2 2 │ │ │ │ │ │
├───────────┼───────┼────────┼──────────┼───────────┼───────────┼─────────┤
│Хлор │Cl │70,908 │3,21 │2,4826 │0,98551 │22,089 │
│ │ 2
│ │ │ │ │ │
├───────────┼───────┼────────┼──────────┼───────────┼───────────┼─────────┤
│Хлорид │HCl │36,461 │1,6422 │1,27 │0,9908 │22,203 │
│водорода │
│ │ │ │ │ │
├───────────┼───────┼────────┼──────────┼───────────┼───────────┼─────────┤
│Сульфид │H S │34,076 │1,5355 │1,1875 │0,9901 │22,192 │
│водорода │ 2
│ │ │ │ │ │
├───────────┼───────┼────────┼──────────┼───────────┼───────────┼─────────┤
│Диоксид │SO │64,059 │2,931 │2,267 │0,97511 │21,858 │
│серы │
2 │ │ │ │ │ │
├───────────┼───────┼────────┼──────────┼───────────┼───────────┼─────────┤
│Дисульфид │CS
│76,131 │(3,47) │(2,68) │0,9789 │(21,94) │
│углерода │
2 │ │ │ │ │ │
├───────────┼───────┼────────┼──────────┼───────────┼───────────┼─────────┤
│Сульфид │COS │60,07 │2,721 │2,104 │0,9849 │22,08 │
│карбонила │
│ │ │ │ │ │
├───────────┼───────┼────────┼──────────┼───────────┼───────────┼─────────┤
│Метан │CH │16,043 │0,7176 │0,5549 │0,99756 │22,38 │
│ │
4 │ │ │ │ │ │
├───────────┼───────┼────────┼──────────┼───────────┼───────────┼─────────┤
│Ацетилен │C H
│26,038 │1,1715 │0,906 │0,99162 │22,226 │
│(ethine) │ 2 2
│ │ │ │ │ │
├───────────┼───────┼────────┼──────────┼───────────┼───────────┼─────────┤
│Этилен │C H │28,054 │1,2611 │0,9753 │0,99249 │22,245 │
│(ethene) │ 2 4
│ │ │ │ │ │
├───────────┼───────┼────────┼──────────┼───────────┼───────────┼─────────┤
│Этан │C H │30,069 │1,355 │1,048 │0,99006 │22,191 │
│ │ 2 6 │ │ │ │ │ │
├───────────┼───────┼────────┼──────────┼───────────┼───────────┼─────────┤
│Пропилен │C H
│42,08 │1,9129 │1,479 │0,98145 │21,998 │
│(пропен) │ 2 6
│ │ │ │ │ │
├───────────┼───────┼────────┼──────────┼───────────┼───────────┼─────────┤
│Пропан │C H │44,096 │2,011 │1,555 │0,9783 │21,928 │
│ │ 3 8 │ │ │ │ │ │
├───────────┼───────┼────────┼──────────┼───────────┼───────────┼─────────┤
│1,3-бутади-│C
H │54,0914 │2,497 │1,931 │0,9665 │21,664 │
│ен │ 4 6 │ │ │ │ │ │
├───────────┼───────┼────────┼──────────┼───────────┼───────────┼─────────┤
│1-бутен │C H │56,107 │2,599 │2,01 │0,9631 │21,587 │
│ │ 4 8 │ │ │ │ │ │
├───────────┼───────┼────────┼──────────┼───────────┼───────────┼─────────┤
│Транс-2-бу-│C
H │56,107 │2,609 │2,018 │0,9596 │21,508 │
│тен │ 4 8 │ │ │ │ │ │
├───────────┤
├────────┼──────────┼───────────┼───────────┼─────────┤
│Цис-2-бутен│ │56,107 │(2,611) │(2,02) │0,9586 │(21,49) │
├───────────┼───────┼────────┼──────────┼───────────┼───────────┼─────────┤
│Изобутен │C H
│56,107 │2,599 │2,01 │0,963 │21,585 │
│(2-метил-
│ 4 8 │ │ │ │ │ │
│пропен)
│ │ │
│ │ │ │
├───────────┼───────┼────────┼──────────┼───────────┼───────────┼─────────┤
│n-бутан │C H │58,123 │2,706 │2,094 │0,9575 │21,461 │
│ │ 4 10 │
│ │ │ │ │
├───────────┼───────┼────────┼──────────┼───────────┼───────────┼─────────┤
│Изобутан │C H
│58,123 │2,697 │2,066 │0,9615 │21,55 │
│(2-метил-
│ 4 10 │ │ │ │ │ │
│пропан) │ │ │ │ │ │ │
├───────────┼───────┼────────┼──────────┼───────────┼───────────┼─────────┤
│n-пентан │C H
│72,15 │(3,452) │(2,67) │0,9325 │(20,9) │
│ │ 5 12 │
│ │ │ │ │
├───────────┼───────┼────────┼──────────┼───────────┼───────────┼─────────┤
│Изопентан │C H
│72,15 │(3,426) │(2,65) │0,9395 │(21,06) │
│(2-метил-
│ 5 12 │ │ │ │ │ │
│бутан) │ │ │ │ │ │ │
├───────────┼───────┼────────┼──────────┼───────────┼───────────┼─────────┤
│Неопентан │C H
│72,15 │(3,415) │(2,641) │0,9428 │(21,13) │
│(2,2-диме- │ 5 12 │
│ │ │ │ │
│тилпропан) │ │ │ │ │ │ │
├───────────┼───────┼────────┼──────────┼───────────┼───────────┼─────────┤
│n-гексан │C H
│86,177 │(4,29) │(3,315) │0,8966 │(20,1) │
│ │ 6 14 │
│ │ │ │ │
├───────────┼───────┼────────┼──────────┼───────────┼───────────┼─────────┤
│n-гептан │C H
│100,203 │(5,48)
│(4,235) │0,8165 │(18,3) │
│ │ 7 16 │
│ │ │ │ │
├───────────┼───────┼────────┼──────────┼───────────┼───────────┼─────────┤
│n-октан │C H │114,23 │(6,72) │(5,2) │0,758 │(17) │
│ │ 8 18 │
│ │ │ │ │
├───────────┼───────┼────────┼──────────┼───────────┼───────────┼─────────┤
│Бензол │C H │78,113 │(3,74) │(2,69) │0,932 │(20,9) │
│ │ 6 6 │ │ │ │ │ │
├───────────┼───────┼────────┼──────────┼───────────┼───────────┼─────────┤
│Толуол │C H │92,14 │(4,88) │(3,77) │0,643 │(18,9) │
│ │ 7 8 │ │ │ │ │ │
├───────────┼───────┼────────┼──────────┼───────────┼───────────┼─────────┤
│Ксилол │C H │106,167 │(6,85) │(5,3) │0,691 │(15,5) │
│ │ 8 10 │
│ │ │ │ │
├───────────┼───────┼────────┼──────────┼───────────┼───────────┼─────────┤
│Вода
(пар) │H O │18,0152
│(0,654) │(0,66) │0,941 │(21,1) │
│ │ 2 │ │ │ │ │ │
├───────────┼───────┼────────┼──────────┼───────────┼───────────┼─────────┤
│Диоксид │NO │46,0055 │2,05 │- │- │22,442 │
│азота │
2 │ │ │ │ │ │
└───────────┴───────┴────────┴──────────┴───────────┴───────────┴─────────┘