Утвержден и введен в
действие
Постановлением
Госстандарта СССР
от 24 декабря 1990
г. N 3238
ГОСУДАРСТВЕННЫЙ СТАНДАРТ СОЮЗА ССР
ПОКОВКИ ИЗ УГЛЕРОДИСТОЙ
И ЛЕГИРОВАННОЙ СТАЛИ,
ИЗГОТОВЛЯЕМЫЕ КОВКОЙ НА ПРЕССАХ
ПРИПУСКИ И ДОПУСКИ
Carbon and alloyed steel
forgings fabricated by
press forging.
Allowances and tolerances
ГОСТ 7062-90
Группа В03
ОКП 08 9300
Срок действия
с 1 января 1992
года
до 1 января 1997
года
ИНФОРМАЦИОННЫЕ
ДАННЫЕ
1 .Разработан и
внесен Министерством тяжелого машиностроения СССР.
Разработчики: А.Г.
Токарев, Т.А. Губанова, О.А. Несова, Ю.А. Марголин,
О.Б. Зеленова.
2. Утвержден и
введен в действие Постановлением Государственного комитета СССР по управлению
качеством продукции и стандартам от 24.12.90 N 3238.
3. Срок первой
проверки - 1996 г.
4. Взамен ГОСТ
7062-79.
5. Ссылочные
нормативно-технические документы
───────────────────────────────────────┬──────────────────────────
Обозначение
НТД, на который дана ссылка│ Номер пункта, подпункта
───────────────────────────────────────┼──────────────────────────
ГОСТ
8479-70
│20
1. Настоящий
стандарт распространяется на поковки общего назначения массой до 130 т из
углеродистой и легированной стали (суммарное содержание легирующих элементов до
10% , кроме углерода), изготовляемые ковкой на прессах, и устанавливает
величину припусков на механическую обработку, допусков на номинальные размеры
поковок, величину напусков для поковок.
Стандарт не
распространяется на поковки из высоколегированной стали и сплавов с особыми
физическими свойствами: из слитков, отлитых в вакууме, изготовленных из металла
ВДП и ЭШП; из инструментальных сталей с содержанием углерода более 0,55% или
легирующих элементов более 5% , а также из сталей, предназначенных для
изготовления валков холодной прокатки.
Термины и
определения, применяемые в стандарте, приведены в Приложении.
Требования
стандарта являются обязательными.
2. Припуски на
образцы для механических испытаний поковок, на захваты для подвешивания поковок
при термообработке, а также другие специальные припуски настоящим стандартом не
предусматриваются.
3. Припуски,
установленные настоящим стандартом, назначают на номинальные размеры, указанные
на чертеже детали, или в случае, если поковка подвергается перед
термообработкой обдирке, на номинальные размеры, указанные на технологическом
чертеже предварительно обработанной (ободранной) заготовки. Если поковки
подвергают термообработке без предварительной механической обработки (в черном
виде), к припускам, назначаемым по настоящему стандарту, допускается назначение
дополнительных припусков, необходимых для выполнения термической обработки.
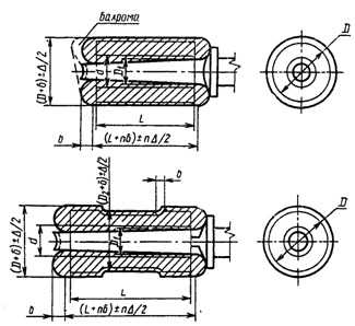
4. Схема
расположения припусков и допусков на наружный размер детали приведена на черт. 1.

-
обдирочный размер заготовки или номинальный размер детали;
-
наименьший размер поковки:

Н - номинальный
(расчетный) размер поковки;
-
наибольший размер поковки;

-
наименьший припуск на размер
:

-
номинальный припуск на размер
:

- поле
допуска:
;
-
предельное отклонение от номинального размера поковки:

Черт. 1
5. Величины
припусков, определенные по таблицам настоящего стандарта, являются номинальными
на размер детали из расчета обработки поверхностей поковок с двух сторон.
Предельные отклонения указаны на номинальные размеры поковок.
При обработке
детали с одной стороны припуск следует принимать равным половине величины,
определенной по таблицам, а верхнее и нижнее
предельные отклонения при этом сохраняют без изменений.
6. Для
необрабатываемых поверхностей поковок отклонения на соответствующие размеры
определяют по таблицам настоящего стандарта, а припуски принимают равными нулю.
7. Объем и массу
поковок определяют расчетом по номинальным размерам с учетом напусков на
скосах, торцах, сферах и других элементах поковки.
Поковка считается
изготовленной по первой группе точности в том случае, если ее размеры
обеспечивают получение годной детали, а масса поковки, определенная расчетом по
фактическим размерам, на 2 - 4% меньше массы, определенной по номинальным
размерам.
8. Допускается
расчетные номинальные размеры поковок округлять до чисел, оканчивающихся на 5
или 0. Номинальные размеры округляют в меньшую сторону, если они оканчиваются
на 1, 2, 6 и 7 и в большую сторону, если они оканчиваются на 3, 4, 8 и 9.
9. Выбор величины
допусков, припусков и напусков проводят в зависимости от типа поковок и
соотношения из размеров согласно табл. 1.
Таблица 1
─────┬────────────────┬─────────┬────────────────────┬────────────
Номер│ Тип поковки
│ Эскиз │
Соотношение │Номер
таблиц
эски-│ │ поковки │ размеров
│припусков и
за
│
│ │ │ допусков
─────┼────────────────┼─────────┼────────────────────┼────────────
1 │ Гладкие кругло-│
Рисунок │L > = 1,2 D
│2
│го и прямоуголь-│
│L < = 30 D
│
─────┤ного сечения
├─────────┼────────────────────┼────────────
2 │ │ Рисунок │2 H >
= B > = H │3
│ │ │30 H > = L > = 1,5
B│
─────┼────────────────┼─────────┼────────────────────┼────────────
3 │
Круглого сече- │ Рисунок │l > = 0,3 D │2, 4, 5
─────┤ния с уступами
├─────────┤
1 1 │
4
│ │
Рисунок │h > = 12 мм │
│ │ │ 1,2 │
─────┼────────────────┼─────────┼────────────────────┼────────────
5 │
Круглого сече- │ Рисунок │h > = 12 мм │2, 4, 5,
│ния с
выемкой │ │ 1,2 │6, 7
─────┼────────────────┼─────────┼────────────────────┼────────────
6 │
Круглого сече- │ Рисунок │l < = 0,3 D │2, 4, 5, 7
│ния с
буртом │ │ 1 1 │
│ │ │h > = 12 мм │
│ │ │ 1,2 │
─────┼────────────────┼─────────┼────────────────────┼────────────
7 │
Круглого сече- │ Рисунок │l < = 0,3 D │2, 4, 5, 7
│ния с
фланцем │ │ 1 1 │
│ │ │ │
│ │ │h > = 12 мм │
─────┼────────────────┼─────────┼────────────────────┼────────────
8 │ Квадратного │ Рисунок │В = Н │3, 4, 5
│сечения с усту-
│ │ 0 0 │
│пами тех
же ти-
│ │В
= Н │
│пов, как
и круг-│ │ 1 1 │
│лого сечения │ │ │
─────┼────────────────┼─────────┼────────────────────┼────────────
9 │ Круглого сече-
│ Рисунок │h > 24 мм
│2, 4, 5
│ния с
конусом │ │l > = 2 D │
│ │ │ 2 │
─────┼────────────────┼─────────┼────────────────────┼────────────
10 │ Цилиндры │ Рисунок │H < = 1,2
D │8
│ │ │H > = 0,5 D │
─────┼────────────────┼─────────┼────────────────────┼────────────
11 │ Диски без от- │ Рисунок │H < 0,5 D │8, 9
│верстия и
с от- │ │H > = 0,2
D │
│верстием │ │d < 0,5 D │
─────┼────────────────┼─────────┼────────────────────┼────────────
12 │ Муфты │ Рисунок │H > = 0,5
D │8, 9
│ │ │H < = 1,2 D │
│ │ │d < 0,5 D │
─────┼────────────────┼─────────┼────────────────────┼────────────
13 │ Бруски и плас- │ Рисунок │B
> = 2 H │9, 11
│тины без отверс-│ │B < = 4 H │
│тий и с отверс- │
│L > = B
│
│тиями │ │d < 0,5 B │
│ │ │L < = 8 H │
─────┼────────────────┼─────────┼────────────────────┼────────────
14 │ Цилиндры с │ Рисунок │L > 1,2 D │12, 13
│отверстиями │ │L < = 6 D │
│ │ │d > = 0,5 D │
─────┼────────────────┼─────────┼────────────────────┼────────────
15 │ Кольца раскат-
│ Рисунок │H < = 1,2 D
│14
│ные │ │H > = 0,20 D │
│ │ │d > = 0,5 D │
Примечание. Для
типов поковок, не предусмотренных настоящим стандартом (как по размерам, так и
по конфигурации), допуски, припуски и напуски выбирают по усмотрению
поставщика.
10.
Припуски
и предельные отклонения +/-
/2 для
гладких поковок круглого сечения следует назначать в соответствии с черт. 2 и
табл. 2.

Черт. 2
Таблица 2
мм
───────────────────┬──────────────────────────────────────────────────────────────────
Длина детали L │ Диаметр детали D
├────────┬────────┬────────┬─────────┬─────────┬─────────┬─────────
│ До 140 │Св. 140 │Св. 160 │Св. 180 │Св. 200 │Св. 224 │Св. 250
│ │до 160 │до 180
│до 200 │до 224 │до 250 │до 280
├────────┴────────┴────────┴─────────┴─────────┴─────────┴─────────
│
Дельта
│ Припуски дельта и предельные отклонения
+/- ------
│ 2
───────────────────┼────────┬────────┬────────┬─────────┬─────────┬─────────┬─────────
До 1000
вкл.│20 +/- 4│20 +/- 5│20 +/- 5│20 +/- 5
│20 +/- 6 │20 +/- 6 │20 +/- 6
Св.
1000 до 1250 " │20 +/- 5│20 +/- 5│20 +/- 5│20 +/-
6 │20 +/- 6 │20 +/- 6 │20 +/- 7
" 1250 "
1600 " │20 +/- 5│20 +/- 5│20 +/- 6│20 +/- 6
│20 +/- 6 │20 +/- 7 │20 +/- 7
" 1600 "
2000 " │20 +/- 5│20 +/- 6│20 +/- 6│20 +/- 7
│20 +/- 7 │20 +/- 7 │20 +/- 7
" 2000 "
2500 " │20 +/- 6│20 +/- 6│20 +/- 6│20 +/- 7
│20 +/- 7 │20 +/- 7 │20 +/- 7
" 2500 "
3150 " │20 +/- 6│20 +/- 6│20 +/- 7│20 +/- 7
│20 +/- 7 │21 +/- 7 │22 +/- 8
" 3150 "
4000 " │20 +/- 6│20 +/- 7│20 +/- 7│20 +/- 7
│21 +/- 7 │22 +/- 8 │22 +/- 8
" 4000 "
5000 " │20 +/- 7│20 +/- 7│20 +/- 7│21 +/- 7
│22 +/- 8 │22 +/- 8 │23 +/- 8
" 5000 "
6300 " │20 +/- 7│20 +/- 7│21 +/- 7│22 +/- 8
│22 +/- 8 │23 +/- 8 │24 +/- 9
" 6300 "
7100 " │20 +/- 7│21 +/- 7│22 +/- 8│22 +/- 8
│23 +/- 8 │24 +/- 9 │25 +/- 9
" 7100 "
8000 " │21 +/- 7│22 +/- 8│22 +/- 8│23 +/- 8
│24 +/- 9 │25 +/- 9 │26 +/- 10
" 8000 "
9000 " │-
│22 +/- 8│23 +/- 8│24 +/- 9 │25 +/- 9 │26
+/- 10│27 +/- 10
" 9000 " 10000 " │- │- │24 +/- 9│25 +/- 9 │26
+/- 10│27 +/- 10│28 +/- 10
" 10000 " 11200 " │- │- │-
│26 +/- 10│27 +/-
10│28 +/- 10│29 +/- 11
" 11200 " 12500 " │- │- │- │- │28 +/- 10│29 +/-
11│30 +/- 11
" 12500 " 14000 " │- │- │- │- │- │31 +/- 11│32 +/- 11
" 14000 " 16000 " │- │- │-
│- │- │- │33 +/- 12
" 16000 " 18000 " │- │- │- │- │- │- │-
" 18000 " 20000 " │- │- │- │- │- │ │-
Продолжение табл. 2
мм
───────────────────┬─────────────────────────────────────────────────────────────────────
Длина детали L │ Диаметр детали D
├─────────┬─────────┬─────────┬─────────┬─────────┬─────────┬─────────
│Св. 280 │Св. 315 │Св. 355 │Св. 400 │Св. 450 │Св. 500 │Св. 560
│до 315 │до 355 │до 400 │до 450 │до 500 │до 560 │до 630
├─────────┴─────────┴─────────┴─────────┴─────────┴─────────┴─────────
│
Дельта
│ Припуски дельта и предельные
отклонения +/- ------
│ 2
───────────────────┼─────────┬─────────┬─────────┬─────────┬─────────┬─────────┬─────────
До 1000
вкл.│20 +/- 7 │20 +/- 7 │20 +/- 7 │21 +/- 7
│22 +/- 8 │22 +/- 8 │23 +/- 8
Св.
1000 до 1250 " │20 +/- 7 │20 +/- 7 │21 +/- 7 │22
+/- 8 │22 +/- 8 │23 +/- 8 │24 +/- 9
" 1250 "
1600 " │20 +/- 7 │21 +/- 7 │22 +/- 8 │22
+/- 8 │23 +/- 8 │24 +/- 9 │25 +/- 9
" 1600 "
2000 " │21 +/- 7 │22 +/- 8 │22 +/- 8 │23
+/- 8 │24 +/- 9 │25 +/- 9 │26 +/- 10
" 2000 "
2500 " │22 +/- 8 │22 +/- 8 │23 +/- 8 │24
+/- 9 │25 +/- 9 │26 +/- 10│27 +/- 10
" 2500 "
3150 " │22 +/- 8 │23 +/- 8 │24 +/- 9 │25
+/- 9 │26 +/- 10│27 +/- 10│28 +/- 10
" 3150 "
4000 " │23 +/- 8 │24 +/- 9 │25 +/- 9 │26
+/- 10│27 +/- 10│28 +/- 10│29 +/- 11
" 4000 "
5000 " │24 +/- 9 │25 +/- 9 │26 +/- 10│27
+/- 10│28 +/- 10│29 +/- 11│30 +/- 11
" 5000 "
6300 " │25 +/- 9 │26 +/- 10│27 +/- 10│28
+/- 10│29 +/- 11│30 +/- 11│31 +/- 11
" 6300 "
7100 " │26 +/- 10│27 +/- 10│28 +/- 10│29
+/- 11│30 +/- 11│31 +/- 11│32 +/- 12
" 7100 "
8000 " │27 +/- 10│28 +/- 10│29 +/- 11│30
+/- 11│31 +/- 11│32 +/- 12│33 +/- 12
" 8000 "
9000 " │28 +/- 10│29 +/- 11│30 +/- 11│31
+/- 11│32 +/- 12│33 +/- 12│34 +/- 12
" 9000 " 10000 " │29 +/-
11│30 +/- 11│31 +/- 11│32 +/- 12│33 +/- 12│34 +/-
12│35 +/- 13
"
10000 " 11200 " │30 +/-
11│31 +/- 11│32 +/- 12│33 +/- 12│34 +/- 12│35 +/-
13│36 +/- 13
" 11200 " 12500 " │31 +/-
11│32 +/- 12│33 +/- 12│34 +/- 12│35 +/- 12│36 +/-
13│37 +/- 13
" 12500 " 14000 " │32 +/-
12│33 +/- 12│34 +/- 12│35 +/- 13│36 +/- 13│37 +/-
13│37 +/- 14
" 14000 " 16000 " │34 +/-
12│35 +/- 13│36 +/- 13│37 +/- 13│38 +/- 13│39 +/-
13│40 +/- 14
" 16000 " 18000 " │35 +/-
13│37 +/- 13│38 +/- 13│39 +/- 13│40 +/- 13│41 +/-
14│42 +/- 14
" 18000 " 20000 " │37 +/-
13│39 +/- 13│40 +/- 13│41 +/- 14│42 +/- 14│43 +/-
14│44 +/- 14
Продолжение табл. 2
мм
───────────────────┬───────────────────────────────────────────────────────────
Длина детали L │ Диаметр детали D
├─────────┬─────────┬─────────┬─────────┬─────────┬─────────
│Св. 630 │Св. 710 │Св. 800 │Св. 900 │Св. 1000 │Св. 1120
│до 710 │до 800 │до 900 │до 1000 │до 1120 │до 1250
├─────────┴─────────┴─────────┴─────────┴─────────┴─────────
│
Дельта
│ Припуски дельта и предельные отклонения +/-
------
│ 2
───────────────────┼─────────┬─────────┬─────────┬─────────┬─────────┬─────────
До 1000
вкл.│24 +/- 9 │25 +/- 9 │26 +/- 10│28 +/-
10│- │-
Св.
1000 до 1250 " │25 +/- 9 │26 +/- 10│27 +/- 10│28
+/- 10│30 +/- 11│-
" 1250 "
1600 " │26 +/- 10│27 +/- 10│28 +/- 10│29
+/- 11│30 +/- 11│31 +/- 11
" 1600 "
2000 " │27 +/- 10│28 +/- 10│29 +/- 11│30
+/- 11│31 +/- 11│32 +/- 12
" 2000 "
2500 " │28 +/- 10│29 +/- 11│30 +/- 11│31
+/- 11│32 +/- 12│33 +/- 12
" 2500 "
3150 " │29 +/- 11│30 +/- 11│31 +/- 11│32
+/- 12│33 +/- 12│34 +/- 12
" 3150 "
4000 " │30 +/- 11│31 +/- 11│32 +/- 12│33
+/- 12│34 +/- 12│35 +/- 13
" 4000 "
5000 " │31 +/- 11│32 +/- 12│33 +/- 12│34
+/- 12│35 +/- 13│36 +/- 13
" 5000 "
6300 " │32 +/- 12│33 +/- 12│34 +/- 12│35
+/- 13│36 +/- 13│37 +/- 13
" 6300 "
7100 " │33 +/- 12│34 +/- 12│35 +/- 13│36
+/- 13│37 +/- 13│38 +/- 14
" 7100 "
8000 " │34 +/- 12│35 +/- 13│36 +/- 13│37
+/- 13│38 +/- 14│40 +/- 14
" 8000 "
9000 " │35 +/- 13│36 +/- 13│37 +/- 13│38 +/-
14│40 +/- 14│43 +/- 14
" 9000 " 10000 " │36 +/-
13│37 +/- 13│38 +/- 14│40 +/- 14│43 +/- 14│46 +/-
15
" 10000 " 11200 " │37 +/-
13│38 +/- 14│40 +/- 14│43 +/- 14│46 +/- 15│49 +/-
15
" 11200 " 12500 " │38 +/-
14│40 +/- 14│43 +/- 14│46 +/- 15│49 +/- 15│51 +/-
16
" 12500 " 14000 " │40 +/-
14│43 +/- 14│46 +/- 15│49 +/- 15│51 +/- 16│54 +/-
16
" 14000 " 16000 " │43 +/-
14│46 +/- 15│49 +/- 15│51 +/- 16│54 +/- 16│57 +/-
17
" 16000 " 18000 " │46 +/-
15│49 +/- 15│51 +/- 16│54 +/- 16│57 +/- 17│-
" 18000 " 20000 " │49 +/-
15│51 +/- 16│54 +/- 16│57 +/- 17│- │-
Продолжение табл. 2
мм
────────────────────┬─────────────────────────────────────────────
Длина детали L │ Диаметр детали D
├───────────┬───────────┬──────────┬──────────
│Св. 1250 │Св.
1400 │Св. 1600 │Св. 1800
│до 1400 │до 1600 │до 1800 │до 2100
├───────────┴───────────┴──────────┴──────────
│ Припуски дельта и предельные отклонения
│ Дельта
│ +/- ------
│ 2
────────────────────┼───────────┬───────────┬──────────┬──────────
До 1000
вкл.│-
│- │- │-
Св.
1000 до 1250 " │- │- │- │-
" 1250 "
1600 " │- │- │- │-
" 1600 "
2000 " │33 +/- 12 │- │- │-
" 2000 "
2500 " │34 +/- 12 │35 +/- 13 │- │-
" 2500 "
3150 " │35 +/- 13 │36 +/- 13 │38 +/- 14 │-
" 3150 "
4000 " │36 +/- 13 │37 +/- 13 │39 +/- 14 │41 +/- 14
" 4000 "
5000 " │37 +/- 13 │38 +/- 14 │40 +/- 14 │43 +/- 14
" 5000 "
6300 " │38 +/- 14 │40 +/- 14 │43 +/- 14 │46 +/- 15
" 6300 "
7100 " │40 +/- 14 │43 +/- 14 │46 +/- 15 │49 +/- 15
" 7100 "
8000 " │43 +/- 14 │46 +/- 15 │49 +/- 15 │51 +/- 16
" 8000 "
9000 " │46 +/- 15 │49 +/- 15 │51 +/- 16 │54 +/- 16
" 9000 " 10000 " │49 +/- 15 │51 +/- 16 │54 +/- 16 │57 +/- 17
" 10000 " 11200 " │51 +/- 16 │54 +/- 16 │57 +/- 17 │-
" 11200 " 12500 " │54 +/- 16 │57 +/- 17 │- │-
" 12500 " 14000 " │57 +/- 17 │- │- │-
" 14000 " 16000 " │- │- │- │-
" 16000 " 18000 " │- │- │- │-
" 18000 " 20000 " │- │- │- │-
Примечания. 1.
Данные табл. 2 распространяют на детали, у которых
30 D
L
l,2 D.
2. Нижнее
предельное отклонение длины поковки допускается увеличивать на 50%.
3. Скосы после рубов должны быть без заусенцев и не должны препятствовать
постановке центров.
4. Массу напуска (
) на
скосе после рубки с одной стороны, кг, вычисляют по
формуле

Длина напусков от руба с одной стороны не должна превышать 0,18(D+
). Угол
скоса от руба не контролировать.
Пример назначения
припусков и допусков гладкой поковки круглого сечения приведен на черт. 3.

Черт. 3
11. Припуски и
предельные отклонения для гладких поковок прямоугольного сечения следует
назначать в соответствии с черт. 4 и табл. 3.

Черт. 4
Таблица 3
мм
───────────────────┬─────────────────────────────────────────────────────────────────
Длина детали L │ Размер сечения В, Н
├────────┬────────┬────────┬────────┬─────────┬─────────┬─────────
│До 140 │Св. 140
│Св. 160 │Св. 180 │Св. 200
│Св. 224 │Св. 250
│ │до 160 │до 180
│до 200 │до 224 │до 250 │до 280
├────────┴────────┴────────┴────────┴─────────┴─────────┴─────────
│ Дельта
│ Припуски дельта и предельные отклонения
+/- ------
│
2
───────────────────┼────────┬────────┬────────┬────────┬─────────┬─────────┬─────────
До 1000
вкл.│20 +/- 4│20 +/- 5│20 +/- 5│20 +/-
5│20 +/- 6 │20 +/- 6 │21 +/- 6
Св.
1000 до 1250 " │20 +/- 5│20 +/- 5│20 +/- 5│20 +/-
6│20 +/- 6 │21 +/- 6 │22 +/- 7
" 1250 "
1600 " │20 +/- 5│20 +/- 5│20 +/- 6│20 +/-
6│21 +/- 6 │22 +/- 7 │23 +/- 7
" 1600 "
2000 " │20 +/- 5│20 +/- 6│20 +/- 6│21 +/-
6│22 +/- 7 │23 +/- 7 │24 +/- 7
" 2000 "
2500 " │20 +/- 6│20 +/- 6│21 +/- 6│22 +/-
7│23 +/- 7 │24 +/- 7 │25 +/- 8
" 2500 "
3150 " │20 +/- 6│21 +/- 6│22 +/- 7│23 +/-
7│24 +/- 7 │25 +/- 8 │26 +/- 8
" 3150 "
4000 " │21 +/- 6│22 +/- 7│23 +/- 7│24 +/-
7│25 +/- 8 │26 +/- 8 │27 +/- 8
" 4000 "
5000 " │22 +/- 7│23 +/- 7│24 +/- 7│25 +/-
8│26 +/- 8 │27 +/- 8 │28 +/- 8
" 5000 "
6300 " │23 +/- 7│24 +/- 7│25 +/- 8│26 +/-
8│27 +/- 8 │28 +/- 8 │29 +/- 9
" 6300 "
7100 " │-
│25 +/- 8│26 +/- 8│27 +/- 8│28 +/- 8 │29
+/- 9 │30 +/- 9
" 7100 "
8000 " │-
│- │27 +/-
8│28 +/- 8│29 +/- 9 │30 +/- 9 │31 +/- 10
" 8000 "
9000 " │-
│- │- │31 +/- 9│32 +/- 9 │33
+/- 10│34 +/- 10
" 9000 " 10000 " │- │- │- │- │33 +/- 10│34 +/-
10│35 +/- 10
" 10000 " 11200 " │- │- │- │- │- │35 +/- 10│36 +/- 11
" 11200 " 12500 " │- │- │- │- │- │- │37 +/- 11
Продолжение табл. 3
мм
────────────────────┬─────────────────────────────────────────────────────────────────────
Длина детали L │ Размер сечения В, Н
├─────────┬─────────┬─────────┬─────────┬─────────┬─────────┬─────────
│Св. 280 │Св. 315 │Св. 355 │Св. 400 │Св. 450 │Св. 500 │Св. 560
│до 315 │до 355 │до 400 │до 450 │до 500 │до 560 │до 630
├─────────┴─────────┴─────────┴─────────┴─────────┴─────────┴─────────
│
Дельта
│ Припуски дельта и предельные
отклонения +/- ------
│
2
────────────────────┼─────────┬─────────┬─────────┬─────────┬─────────┬─────────┬─────────
До 1000
вкл.│22 +/- 7 │23 +/- 7 │24 +/- 7 │25 +/- 8
│26 +/- 8 │27 +/- 8 │28 +/- 8
Св.
1000 до 1250 " │23 +/- 7
│24 +/- 7 │25 +/- 8 │26 +/- 8 │27 +/- 8 │28 +/- 8
│29 +/- 9
" 1250 "
1600 " │24 +/- 7
│25 +/- 8 │26 +/- 8 │27 +/- 8 │28 +/- 8 │29 +/- 9
│30 +/- 9
" 1600 "
2000 " │25 +/- 8
│26 +/- 8 │27 +/- 8 │28 +/- 8 │29 +/- 9 │30 +/- 9
│31 +/- 10
" 2000 "
2500 " │26 +/- 8
│27 +/- 8 │28 +/- 8 │29 +/- 9 │30 +/- 9 │31 +/-
10│32 +/- 10
" 2500 "
3150 " │27 +/- 8
│28 +/- 8 │29 +/- 9 │30 +/- 9 │31 +/- 10│32 +/-
10│33 +/- 10
" 3150 "
4000 " │28 +/- 8
│29 +/- 9 │30 +/- 9 │31 +/- 10│32 +/- 10│33 +/-
10│34 +/- 11
" 4000 "
5000 " │29 +/- 9
│30 +/- 9 │31 +/- 10│32 +/- 10│33 +/- 10│34 +/-
11│35 +/- 11
" 5000 "
6300 " │30 +/- 9
│31 +/- 10│32 +/- 10│33 +/- 10│34 +/- 11│35 +/-
11│36 +/- 11
" 6300 "
7100 " │31 +/-
10│32 +/- 10│33 +/- 10│34 +/- 11│35 +/- 11│36 +/-
11│37 +/- 12
" 7100 "
8000 " │32 +/-
10│33 +/- 10│34 +/- 11│35 +/- 11│36 +/- 11│37 +/-
12│38 +/- 12
" 8000 "
9000 " │35 +/-
10│36 +/- 11│37 +/- 11│38 +/- 11│39 +/- 12│40 +/-
12│41 +/- 12
" 9000 " 10000 " │36 +/- 11│37 +/- 11│38 +/-
11│39 +/- 12│40 +/- 12│41 +/- 12│42 +/- 12
" 10000 " 11200 " │37 +/- 11│38 +/- 11│39 +/-
12│40 +/- 12│41 +/- 12│42 +/- 13│43 +/- 13
" 11200 " 12500 " │38 +/- 11│39 +/- 12│40 +/-
12│41 +/- 12│42 +/- 12│43 +/- 13│44 +/- 13
" 12500 " 14000 " │39 +/- 12│40 +/- 12│41 +/-
12│42 +/- 13│43 +/- 13│44 +/- 13│45 +/- 14
" 14000 " 16000 " │- │42 +/- 13│43 +/-
13│44 +/- 13│45 +/- 14│46 +/- 14│48 +/- 15
" 16000 " 18000 " │- │- │45 +/- 14│46 +/- 14│47
+/- 14│49 +/- 15│51 +/- 15
" 18000 " 20000 " │- │- │- │48 +/- 15│50 +/-
15│52 +/- 16│54 +/- 17
Продолжение табл. 3
мм
────────────────────┬───────────────────────────────────────────────────────────
Длина детали L │ Размер сечения В, Н
├─────────┬─────────┬─────────┬─────────┬─────────┬─────────
│Св. 630 │Св. 710 │Св. 800 │Св. 900 │Св. 1000 │Св. 1120
│до 710 │до 800 │до 900 │до 1000 │до 1120 │до 1250
├─────────┴─────────┴─────────┴─────────┴─────────┴─────────
│
Дельта
│ Припуски дельта и предельные отклонения +/-
------
│
2
────────────────────┼─────────┬─────────┬─────────┬─────────┬─────────┬─────────
До 1000
вкл.│29 +/- 9 │30 +/- 9 │31 +/- 10│- │- │-
Св.
1000 до 1250 " │30 +/- 9
│31 +/- 10│32 +/- 10│33 +/- 10│34 +/- 11│-
" 1250 "
1600 " │31 +/-
10│32 +/- 10│33 +/- 10│34 +/- 11│35 +/- 11│36 +/-
12
" 1600 "
2000 " │32 +/-
10│33 +/- 10│34 +/- 11│35 +/- 11│36 +/- 11│37 +/-
12
" 2000 "
2500 " │33 +/-
10│34 +/- 11│35 +/- 11│36 +/- 11│37 +/- 12│38 +/-
12
" 2500 "
3150 " │34 +/-
11│36 +/- 11│36 +/- 11│37 +/- 12│38 +/- 12│39 +/-
12
" 3150 "
4000 " │35 +/-
11│36 +/- 11│37 +/- 12│38 +/- 12│39 +/- 12│40 +/-
13
" 4000 "
5000 " │36 +/-
11│37 +/- 12│38 +/- 12│39 +/- 12│40 +/- 13│41 +/-
13
" 5000 "
6300 " │37 +/-
12│38 +/- 12│39 +/- 12│40 +/- 13│41 +/- 13│42 +/-
13
" 6300 "
7100 " │38 +/-
12│39 +/- 12│40 +/- 13│41 +/- 13│42 +/- 13│43 +/-
14
" 7100 "
8000 " │39 +/-
12│40 +/- 13│41 +/- 13│42 +/- 13│43 +/- 14│45 +/-
14
" 8000 "
9000 " │42 +/-
13│43 +/- 13│44 +/- 13│45 +/- 14│47 +/- 14│49 +/-
15
" 9000 " 10000 " │43 +/- 13│44 +/- 13│45 +/-
14│47 +/- 14│49 +/- 15│51 +/- 16
" 10000 " 11200 " │44 +/- 13│45 +/- 14│47 +/-
14│49 +/- 15│51 +/- 16│53 +/- 16
" 11200 " 12500 " │45 +/- 14│47 +/- 14│49 +/-
15│51 +/- 16│53 +/- 16│56 +/- 17
" 12500 " 14000 " │47 +/- 14│49 +/- 15│51 +/-
16│53 +/- 16│56 +/- 17│-
" 14000 " 16000 " │50 +/- 15│52 +/- 16│54 +/-
17│57 +/- 18│-
│-
" 16000 " 18000 " │53 +/- 16│55 +/- 17│58 +/-
18│- │- │-
" 18000 " 20000 " │56 +/- 17│59 +/- 18│- │- │- │-
Продолжение табл. 3
мм
────────────────────┬─────────────────────────────────────────────
Длина детали L │ Размер сечения
В, Н
├───────────┬───────────┬──────────┬──────────
│Св. 1250 │Св.
1400 │Св. 1600 │Св. 1800
│до 1400 │до 1600 │до 1800 │до 2100
├───────────┴───────────┴──────────┴──────────
│ Припуски дельта и предельные отклонения
│ Дельта
│ +/- ------
│ 2
────────────────────┼───────────┬───────────┬──────────┬──────────
До 1000
вкл.│-
│- │- │-
Св.
1000 до 1250 " │- │- │- │-
" 1250 "
1600 " │- │- │- │-
" 1600 "
2000 " │28 +/- 12 │- │- │-
" 2000 "
2500 " │39 +/- 12 │40 +/- 13 │- │-
" 2500 "
3150 " │40 +/- 13 │41 +/- 13 │42 +/- 13 │-
" 3150 "
4000 " │41 +/- 13 │43 +/- 13 │43 +/- 14 │45 +/- 14
" 4000 "
5000 " │42 +/- 13 │43 +/- 14 │45 +/- 14 │47 +/- 15
" 5000 "
6300 " │43 +/- 14 │45 +/- 14 │47 +/- 15 │49 +/- 16
" 6300 "
7100 " │45 +/- 14 │47 +/- 15 │49 +/- 16 │51 +/- 16
" 7100 "
8000 " │47 +/- 15 │49 +/- 16 │51 +/- 16 │54 +/- 17
" 8000 "
9000 " │51 +/- 16 │53 +/- 16 │56 +/- 17 │-
" 9000 " 10000 " │53 +/- 16 │56 +/- 17 │- │-
" 10000 " 11200 " │56 +/- 17 │- │- │-
" 11200 " 12500 " │-
│- │- │-
" 12500 " 14000 " │- │- │- │-
" 14000 " 16000 " │- │- │- │-
" 16000 " 18000 " │- │- │- │-
" 18000 " 20000 " │- │- │- │-
Примечания. 1.
Данные табл. 3 распространяются на детали, у которых 30 Н
L
1,5 В и 2 Н
В
Н.
2. Нижнее предельное
отклонение длины поковки допускается увеличивать на 50%.
3. Скосы после рубов должны быть без заусенцев.
4. Массу (кг) напуска на скосы после рубки с одной стороны (
)
вычисляют по формуле

5. Длина напуска от
руба с одной стороны не должна превышать 0,18(Н+
). Угол
скоса от руба не контролировать.
Пример назначения
припусков и допусков приведен на черт. 5

Черт. 5
12. Поковка
вала с уступами и выемками круглого (квадратного) сечения приведена на черт. 6.

Черт. 6
Припуски и
предельные отклонения на валы с уступами и выемками определяют следующим
образом:
12.1. По табл. 2 и
3 выбирают основные припуски
и предельные отклонения +/-
/2 на
диаметр, исходя из полной длины вала и диаметра рассматриваемого сечения.
12.2. Припуски и
предельные отклонения на общую длину и размеры от
единой базы до выступов и уступов выбирают в соответствии с черт. 6. За базу
выбирают торец выступа наибольшего сечения, не являющегося торцом поковки.
Допускается простановка размеров поковки, отличающаяся от указанной на черт. 6.
12.3.
Дополнительный припуск выбирают по табл. 4 на диаметры всех сечений, кроме
основного, в зависимости от разности диаметров основного и рассматриваемого
сечения детали.
Таблица 4
мм
───────────────┬─────┬──────┬──────┬───────┬───────┬───────┬───────
Разность
диа- │До
56│Св. 56│Св. 80│Св. 112│Св.
140│Св. 180│Св. 224
метров
(разме-
│ │до 80 │до
112│до 140 │до 180 │до 224 │до 250
ров)
сечений │ │ │ │ │ │ │
───────────────┼─────┼──────┼──────┼───────┼───────┼───────┼───────
Дополнительный│2 │3
│4 │5 │7 │8 │9
припуск
на диа-│
│ │ │ │ │ │
метр
(размер) │ │ │ │ │ │ │
Продолжение табл. 4
мм
───────────────┬───────┬───────┬────────┬────────┬────────┬───────
Разность
диа- │Св. 250│Св.
280│Св. 315 │Св. 355 │Св. 400 │Св. 425
метров(разме- │до 280 │до 315 │до
355 │до 400 │до 425
│до 450
ров)
сечений │ │ │ │ │ │
───────────────┼───────┼───────┼────────┼────────┼────────┼───────
Дополнительный│10 │12 │13 │14 │15 │16
припуск
на диа-│
│ │ │ │ │
метр
(размер) │ │ │ │ │ │
Продолжение табл. 4
мм
───────────────┬────────┬────────┬────────┬───────┬───────┬───────
Разность
диа-
│Св. 450 │Св. 475 │Св. 500
│Св. 530│Св. 560│Св. 600
метров
(разме-
│до 475 │до 500 │до 530
│до 560 │до 600 │до 630
ров)
сечений │ │ │ │ │ │
───────────────┼────────┼────────┼────────┼───────┼───────┼───────
Дополнительный│17 │18 │19 │20 │22 │23
припуск
на диа-│
│ │ │ │ │
метр
(размер) │ │ │ │ │ │
Продолжение табл. 4
мм
───────────────┬────────┬────────┬────────┬───────┬───────┬───────
Разность
диа-
│Св. 630 │Св. 670 │Св. 710
│Св. 750│Св. 800│Св. 850
метров
(разме-
│до 670 │до 710 │до 750
│до 800 │до 850 │до 900
ров)
сечений │ │ │ │ │ │
───────────────┼────────┼────────┼────────┼───────┼───────┼───────
Дополнительный│24 │25 │27 │29 │30 │32
припуск
на диа-│
│ │
│ │ │
метр
(размер) │ │ │ │ │ │
Продолжение табл. 4
мм
───────────────┬─────────┬─────────┬─────────┬──────────┬─────────
Разность
диа-
│Св. 900
│Св. 950 │Св.
1000 │Св. 1100 │Св. 1200
метров
(разме-
│до 950 │до 1000 │до 1100 │до 1200 │до 1300
ров)
сечений │ │ │ │ │
───────────────┼─────────┼─────────┼─────────┼──────────┼─────────
Дополнительный│34 │36 │40 │45 │52
припуск
на диа-│
│ │ │ │
метр
(размер) │ │ │ │ │
12.4. Основное
сечение определяют следующим образом: для валов с одним уступом (см. табл. 1,
эскиз 7) основным сечением считают сечение, произведение DL которого имеет
максимальное значение;
для валов с двумя
уступами (см. табл. 1, эскизы 3, 4, 6) основным считают сечение, имеющее
максимальный диаметр
при условии
В противном случае основным считают
сечение, имеющее средний диаметр
;
для валов с выемкой
(см. табл. 1, эскиз 5) основным считают сечение, имеющее максимальный диаметр
при условии
. В
противном случае основным считают сечение, имеющее минимальный диаметр
- диаметр выемки.
Для валов, имеющих
более двух уступов или сочетание уступов и выемок (см. черт. 6), основным
считают сечение, имеющее максимальный диаметр.
Допускается в
качестве основного сечения выбирать иное сечение, если при этом уменьшается
масса поковки.
12.5. При увеличении
припусков на диаметры уступов и выступов согласно подпункту 12.3 отклонения
не изменяются.
Допускается нижнее
предельное отклонение увеличивать на величину дополнительного припуска.
12.6. Для поковок с
прямоугольными сечениями вместо диаметров принимают размеры стороны сечения.
12.7. Возможность
образования уступов и выемок на поковках определяют по п. 13, а буртов и
фланцев - по п. 14.
12.8. Отклонения
на длину выемки не выбирают. Фактический
размер выемки должен обеспечить получение годной детали.
Примечание. Массу
напуска (
) на
скосах между уступами (галтель), кг, вычисляют по
формуле

где
и
- диаметры смежных участков.
Угол скоса галтелей
не контролировать.
Пример выбора
припусков и отклонений на поковку с уступами для детали, указанной на черт. 7, приведен на черт. 8.

Черт. 7

Черт. 8
Деталь имеет более
двух уступов, следовательно, за основное принимают сечение, имеющее наибольший
диаметр (D = 700 мм).
Основные припуски и
допуски на диаметр определяют по табл. 2 дополнительные - по табл. 4.
На диаметр 700 мм
основной припуск и допуск (30 +/- 11) мм, дополнительный припуск не выбирают.
На диаметр 420 мм
основной припуск и допуск (26 +/- 10) мм, дополнительный припуск 10 мм.
На диаметр 600 мм
основной припуск и допуск (29 +/- 11) мм, дополнительный припуск 4 мм.
На диаметр 450 мм
основной припуск и допуск (26 +/- 10) мм, дополнительный припуск 9 мм.
На диаметр 350 мм
основной припуск и допуск (24 +/- 9) мм, дополнительный припуск 13 мм.
Припуски и допуски
по длине поковки определяют в соответствии с черт. 6.
Припуск плюс 67,5
мм, допуск +/- 16,5 мм - на длину 600 мм.
Припуск минус 44,25
мм, допуск не назначается - на длину 1000 мм.
Припуск минус 0,75
мм, допуск +/- 16,5 мм - на длину 1400 мм.
Припуск минус 3 мм,
допуск +/- 16,5 мм - на длину 2100 мм.
Припуск плюс 81 мм,
допуск +/- 30 мм - на длину 3300 мм.
13.
Минимальные размеры высот и длин уступов и выемок поковок в соответствии с
типовыми чертежами поковок 9 и 10 приведены соответственно в табл. 5 и 6.

Черт. 9

Черт. 10
Примечания. 1.
Промежуточные уступы
и т.п. (см. черт. 9) выполняются при условии,
если их длина равна или больше 0,5 значений, полученных по табл. 6.
2. Если уступ
,
имеющийся на детали (см. черт. 9), на поковке не выполняется, то для
определения значения соседнего уступа
в расчет принимается суммарная высота уступов
Если уступ (см. черт. 9) на поковке не
выполняется, то для определения значения соседнего уступа
в расчет принимается только высота уступа
и т.д.
3. При высоте
уступа
или выемки
менее 40 мм минимально допустимую длину,
определяемую по табл. 6, увеличивают на 25% .
4. При определении
выполнимости выемки по табл. 6 берется наименьший диаметр
или
,
примыкающий к выемке.
5. Выемки
выполняются в том случае, если длина засечки перед прожимом
выемки равна или больше ширины бойков (подвесных наделок) пресса, на котором
проводится ковка. Допускается назначение дополнительного напуска на диаметр
выемки с целью доведения ее до выполнимой.
Высота уступа I
равна 253 мм. По табл. 5 минимальная высота уступа должна быть не менее 30 мм, следовательно уступ I не выполняется (см. черт. 11).
Длина выемки II
равна 253 мм. По табл. 6 минимальная длина выемки должна быть 610 мм, следовательно выемка II (см. черт. 11) не соответствует
настоящему стандарту.
Остальные уступы и
выемки выполняются без напусков, так как их высота и длина больше минимальных,
предусмотренных табл. 5 и 6.
Таблица 5
мм
───────────────────┬──────────────────────────────────────────────────────────────────────────────────────────────────────
Длина поковки L │ Диаметр (D , D , D , D ) или
размер (Н , Н ), примыкающий к уступу
│ 2 3
5 6 2 3
├──────┬───────┬───────┬───────┬───────┬───────┬───────┬───────┬───────┬───────┬───────┬───────┬───────
│До 200│Св. 200│Св. 235│Св. 270│Св.
300│Св. 335│Св. 370│Св. 400│Св. 435│Св.
470│Св. 500│Св. 535│Св. 570
│ │до 235 │до 270 │до 300
│до 335 │до 370 │до 400 │до 435 │до 470 │до
500 │до 535 │до 570 │до 600
├──────┴───────┴───────┴───────┴───────┴───────┴───────┴───────┴───────┴───────┴───────┴───────┴───────
│ Минимальная выполнимая высота
уступа (h , h , h , h ) или выемки (h , h )
│
1 2 5
6 3 4
───────────────────┼──────┬───────┬───────┬───────┬───────┬───────┬───────┬───────┬───────┬───────┬───────┬───────┬───────
До 1000
включ.│12 │12 │14 │15 │16 │17 │18 │19 │20 │21 │22 │23 │24
Св.
1000 до 2000 " │12
│13 │15 │16 │17 │18 │19 │20 │21 │22 │23 │24 │25
" 2000 " 3000 " │13 │15 │16 │17 │18 │19 │20 │21 │22 │23 │23 │25 │26
" 3000 "
4000 " │15
│16 │17 │18 │19 │20 │21 │22 │23 │24 │25 │26 │27
" 4000 "
5000 " │16
│17 │18
│19 │21 │22 │23 │24 │24 │25 │26 │27 │28
" 5000 "
6000 " │17
│18 │19 │20 │21 │22 │23 │24 │25 │26 │27 │28 │29
" 6000 "
7000 " │18
│19 │20 │21 │22 │23 │24 │25 │26 │27 │28 │29 │30
" 7000 "
8000 " │19
│20 │21 │22 │23 │24 │25 │26 │27 │28 │29 │30 │31
" 8000 "
9000 " │20
│21 │22 │23 │24 │25 │26
│27 │27 │28 │29 │30 │31
" 9000 " 10000 " │21 │22 │23 │24 │25 │26 │26 │27 │28 │29 │30 │30 │31
" 10000 " 11000 " │22 │23 │23 │24 │25 │26 │27 │28 │29 │30 │31 │31 │32
" 11000 " 12000 " │22 │23 │24 │25 │26 │27 │27 │28 │29 │30 │31 │32 │33
" 12000 " 13000 " │23 │24 │24 │25 │26 │27 │28 │29 │29 │30 │31 │32
│33
" 13000 " 14000 " │23 │24 │25 │25 │26 │27 │28 │29 │29 │30 │31 │32 │33
" 14000 " 15000 " │24 │25 │26 │27 │28 │29 │30 │31 │33 │33 │34 │35 │36
" 15000 " 16000 " │- │26 │27 │28 │29 │30 │31 │32 │33 │34 │35 │36 │37
" 16000 " 17000 " │- │- │28 │29 │30 │31 │32 │33 │34 │35 │36 │37 │38
" 17000 " 18000 " │- │- │-
│30 │31 │32 │33 │34 │35 │36 │37 │38 │39
" 18000 " 19000 " │- │- │- │- │32 │33 │34 │35 │36 │37 │38 │39 │40
" 19000 " 20000 " │- │- │- │- │- │34 │35 │36 │37 │38 │39 │40 │41
Продолжение табл. 5
мм
───────────────────┬──────────────────────────────────────────────────────────────────────────────────────────────────────────
Длина поковки L │ Диаметр (D , D , D , D )
или размер (Н , Н ), примыкающий к уступу
│ 2 3
5 6 2 3
├───────┬───────┬───────┬───────┬───────┬───────┬───────┬───────┬───────┬───────┬────────┬────────┬────────
│Св. 600│Св. 635│Св. 670│Св. 700│Св.
750│Св. 800│Св. 835│Св. 870│Св. 900│Св.
950│Св. 1000│Св. 1050│Св. 1100
│до 635 │до 670
│до 700 │до 750 │до 800 │до 835 │до 870 │до
900 │до 950 │до 1000│до 1050 │до 1100 │до 1150
├───────┴───────┴───────┴───────┴───────┴───────┴───────┴───────┴───────┴───────┴────────┴────────┴────────
│ Минимальная выполнимая высота
уступа (h , h , h , h ) или выемки (h , h )
│
1 2 5
6 3 4
───────────────────┼───────┬───────┬───────┬───────┬───────┬───────┬───────┬───────┬───────┬───────┬────────┬────────┬────────
До 1000
включ.│25 │26 │27 │28 │29 │30 │31 │32 │33 │34 │35 │36 │37
Св.
1000 до 2000 " │26
│27 │28 │29 │30 │31 │32 │33 │34
│35 │36 │37 │38
" 2000 "
3000 " │27
│28 │29 │30 │31 │32 │33 │33 │35 │36 │37 │37 │38
" 3000 "
4000 " │28
│29 │30 │30 │31 │32 │33 │34 │35 │36 │37 │38 │39
" 4000 "
5000 " │29
│30 │31 │31 │32 │32 │33 │34 │36 │37 │38 │40 │40
" 5000 "
6000 " │30
│31 │32 │32 │33 │34 │34 │35 │36 │37 │38 │40 │40
" 6000 "
7000 " │31
│31 │32 │33 │33 │34 │35 │36 │37 │38 │39 │40 │41
" 7000 "
8000 " │31
│32 │33 │34 │35 │36 │36 │37 │38 │38 │39 │40 │41
" 8000 "
9000 " │32
│33 │34 │34 │35 │36 │37 │38 │38 │39 │40 │41 │42
" 9000 " 10000 " │32 │33 │34 │34 │35 │36 │37 │38 │39 │40 │40 │41 │42
" 10000 " 11000 " │33 │33 │34 │35 │36 │37 │37 │38 │39 │40 │41 │42 │43
" 11000 " 12000 " │33 │34 │35 │35 │36 │37 │38 │39 │40 │41 │42 │43 │44
" 12000 " 13000 " │33 │34 │36 │37 │37 │38 │38 │39 │40 │41 │42 │43 │44
" 13000 " 14000 " │34 │34 │36 │36 │37 │38 │39 │40 │41 │42 │43 │44 │45
" 14000 " 15000 " │37 │38 │39 │40 │41 │42 │43 │44 │45 │46 │47 │48 │49
" 15000 " 16000 " │38 │39 │40 │41 │42 │43 │44 │45 │46 │47 │48 │49 │50
" 16000 " 17000 " │39 │40 │41 │42 │43 │44
│45 │46 │47 │48 │49 │50 │51
" 17000 " 18000 " │40 │41 │42 │43 │44 │45 │46 │47 │48 │49 │50 │51 │52
" 18000 " 19000 " │41 │42 │43 │44 │45 │46 │47 │48 │49 │50 │51 │52 │53
" 19000 " 20000 " │42 │43 │44 │45 │46 │47 │48 │49 │50 │51 │52 │53 │54
Продолжение табл. 5
мм
───────────────────┬────────────────────────────────────────────────────────────────────────────────
Длина поковки L │
Диаметр (D , D , D , D ) или размер (Н , Н ),
примыкающий к уступу
│ 2 3
5 6 2 3
├────────┬────────┬────────┬────────┬────────┬────────┬────────┬────────┬────────
│Св. 1150│Св. 1200│Св. 1300│Св. 1350│Св.
1400│Св. 1450│Св. 1500│Св. 1600│Св. 1700
│до 1200 │до
1300 │до 1350 │до 1400 │до 1450 │до 1500 │до 1600
│до 1700 │до 1900
├────────┴────────┴────────┴────────┴────────┴────────┴────────┴────────┴────────
│ Минимальная выполнимая высота уступа (h , h
, h , h ) или выемки (h , h )
│
1 2 5
6 3 4
───────────────────┼────────┬────────┬────────┬────────┬────────┬────────┬────────┬────────┬────────
До 1000
включ.│38
│39 │40 │41 │42 │43 │45 │47 │50
Св.
1000 до 2000 " │39
│40 │41 │42 │43 │44 │46 │49 │52
" 2000 "
3000 " │39
│40 │41 │42 │43 │44 │47 │50 │53
" 3000 "
4000 " │40
│41 │42
│43 │44 │45 │48 │51 │54
" 4000 "
5000 " │41
│42 │43 │44 │45 │46 │49 │52 │55
" 5000 "
6000 " │42
│43 │44 │45 │46 │47 │50 │53 │56
" 6000 "
7000 " │43
│44 │45 │46 │47 │48 │51 │54 │57
" 7000 "
8000 " │43
│45 │46 │47 │48 │49 │52 │55 │58
" 8000 "
9000 " │43
│45 │47 │48 │49 │50 │53 │56 │59
" 9000 " 10000 " │43 │45 │47 │48 │49 │50 │54 │57 │60
" 10000 " 11000 " │44 │45 │47 │49 │50 │51 │55 │58 │61
" 11000 " 12000 " │45 │46 │47 │49
│50 │51 │56 │59 │62
" 12000 " 13000 " │45 │47 │49 │50 │51 │52 │57 │60 │63
" 13000 " 14000 " │46 │48 │49 │50 │51 │52 │58 │61 │64
" 14000 " 15000 " │50 │51 │52 │53 │54 │56 │59 │62 │65
" 15000 " 16000 " │51 │52 │53 │54 │55 │56 │60 │63 │66
" 16000 " 17000 " │52 │53 │54 │55 │56 │57 │61 │64
│67
" 17000 " 18000 " │53 │54 │55 │56 │58 │58 │62 │65 │68
" 18000 " 19000 " │54 │55 │56 │57 │58 │59 │63 │66 │69
" 19000 " 20000 " │55 │56 │57 │58 │59 │60 │64 │67 │70
Таблица 6
мм
───────────────────┬──────────────────────────────────────────────────────────────────────────────
Длина поковки L │
Диаметр (D , D , D , D ) или
размер (Н , Н ), примыкающий к уступу
│ 2 3
5 6 2 3
├──────┬───────┬───────┬───────┬───────┬───────┬───────┬───────┬───────┬───────
│До 200│Св. 200│Св. 235│Св. 270│Св.
300│Св. 335│Св. 370│Св. 400│Св. 435│Св. 470
│ │до 235 │до 270 │до 300
│до 335 │до 370 │до 400 │до 435 │до 470 │до
500
├──────┴───────┴───────┴───────┴───────┴───────┴───────┴───────┴───────┴───────
│ Минимальная длина выполнимого уступа (l , l
, l , l ) или выемки (l )
│
1 3 6
7 4
───────────────────┼──────┬───────┬───────┬───────┬───────┬───────┬───────┬───────┬───────┬───────
До 2000
включ.│150 │170 │190 │210 │230 │250 │270 │290 │310 │330
Св.
2000 до 3000 " │170
│190 │210 │230 │250 │270 │290 │310 │330 │350
" 3000 "
4000 " │190
│210 │230 │250 │270 │290 │310 │330 │350 │370
" 4000 "
5000 " │210
│230 │250 │270 │290 │310 │330 │350 │370 │390
" 5000 "
6000 " │230
│250 │270 │290 │310 │330 │350 │370
│390 │410
" 6000 "
7000 " │250
│270 │290 │310 │330 │350 │370 │390 │410 │430
" 7000 "
8000 " │270
│290 │310 │330 │350 │370 │390 │410 │430 │450
" 8000 "
9000 " │290
│310 │330 │350 │370 │390 │410 │430 │450 │470
" 9000 " 10000 " │310 │330
│350 │370 │390 │410 │430 │450 │470 │490
" 10000 " 11000 " │330 │350
│370 │390 │410 │430 │450 │470 │490 │510
" 11000 " 12000 " │350 │370
│390 │410 │430 │450 │470 │490 │510 │530
" 12000 " 13000 " │370 │390
│410 │430 │450 │470 │490 │510 │530 │550
" 13000 " 14000 " │390 │410
│430 │450 │470 │490 │510 │530 │550
│570
" 14000 " 15000 " │- │430 │450 │470 │490 │510 │530 │550 │570 │590
" 15000 " 16000 " │- │- │470 │490 │510 │530 │550 │570 │590 │610
" 16000 " 17000 " │- │- │- │510 │530 │550 │570 │590 │610 │630
" 17000 " 18000 " │- │- │- │- │550 │570 │590 │610 │630 │650
" 18000 " 19000 " │- │- │- │- │- │590 │610 │630 │650 │670
" 19000 " 20000 " │- │-
│- │- │- │- │630 │650 │670 │690
Продолжение табл. 6
мм
───────────────────┬───────────────────────────────────────────────────────────────────────────────
Длина поковки L │
Диаметр (D , D , D , D ) или размер (Н , Н ),
примыкающий к уступу
│ 2 3
5 6 2 3
├───────┬───────┬───────┬───────┬───────┬───────┬───────┬───────┬───────┬───────
│Св. 500│Св. 535│Св. 570│Св. 600│Св.
635│Св. 670│Св. 700│Св. 750│Св. 800│Св. 835
│до 535 │до 570
│до 600 │до 635 │до 670 │до 700 │до 750 │до
800 │до 835 │до 870
├───────┴───────┴───────┴───────┴───────┴───────┴───────┴───────┴───────┴───────
│ Минимальная длина выполнимого уступа (l ,
l , l , l ) или выемки (l )
│
1 3 6
7 4
───────────────────┼───────┬───────┬───────┬───────┬───────┬───────┬───────┬───────┬───────┬───────
До 2000
включ.│350
│370 │390 │410 │430 │450 │470 │490 │510 │530
Св.
2000 до 3000 " │370
│390 │410 │430 │450 │470 │490 │510 │530 │550
" 3000 "
4000 " │390
│410 │430 │450 │470 │490 │510 │530 │550 │570
" 4000 "
5000 " │410
│430 │450 │470 │490 │510 │530 │550 │570 │590
" 5000 "
6000 " │430
│450 │470 │490 │510 │530 │550 │570 │590 │610
" 6000 "
7000 " │450
│470 │490 │510 │530 │550 │570 │590 │610 │630
" 7000 "
8000 " │470
│490 │510 │530 │550 │570 │590 │610 │630 │650
" 8000 "
9000 " │490
│510 │530 │550 │570 │590 │610 │630 │650 │670
" 9000 " 10000 " │510 │530 │550 │570 │590 │610 │630 │650 │670 │690
" 10000 " 11000 " │530 │550 │570 │590 │610 │630 │650 │670 │690 │710
" 11000 " 12000 " │550 │570 │590 │610 │630 │650 │670 │690 │710 │730
" 12000 " 13000 " │570 │590 │610 │630 │650 │670 │690 │710 │730 │750
" 13000 " 14000 " │590 │610 │630 │650 │670 │690 │710 │730 │750 │770
" 14000 " 15000 " │610 │630 │650 │670 │690 │710 │730 │750 │770 │800
" 15000 " 16000 " │630 │650 │670 │690 │710 │730 │750 │770 │790 │830
" 16000 " 17000 " │650 │670 │690 │710 │730 │750 │770 │790 │810 │860
" 17000 " 18000 " │670 │690 │710 │730 │750 │770 │790 │810 │830 │890
" 18000 " 19000 " │690 │710 │730 │750 │770 │790 │810 │830 │850 │920
" 19000 " 20000 " │710 │730 │750 │770 │790 │810 │830 │850 │870 │950
Продолжение табл. 6
мм
───────────────────┬─────────────────────────────────────────────────────────────────────────────
Длина поковки L │
Диаметр (D , D , D , D ) или размер (Н , Н ),
примыкающий к уступу
│ 2 3
5 6 2 3
├───────┬───────┬───────┬────────┬────────┬────────┬────────┬────────┬────────
│Св. 870│Св. 900│Св. 950│Св. 1000│Св.
1050│Св. 1100│Св. 1150│Св. 1200│Св. 1300
│до 900 │до 950
│до 1000│до 1050 │до 1100 │до 1150 │до 1200
│до 1300 │до 1350
├───────┴───────┴───────┴────────┴────────┴────────┴────────┴────────┴────────
│ Минимальная длина выполнимого уступа (l , l
, l , l ) или выемки (l )
│
1 3 6 7 4
───────────────────┼───────┬───────┬───────┬────────┬────────┬────────┬────────┬────────┬────────
До 2000
включ.│550
│570 │590 │610 │630 │650 │670 │690
│710
Св.
2000 до 3000 " │570
│590 │610 │630
│650 │670 │690 │710 │730
" 3000 "
4000 " │590
│610 │630 │650 │670 │690 │710 │730 │750
" 4000 "
5000 " │610
│630 │650 │670 │690 │710 │730 │750 │770
" 5000 "
6000 " │630 │650
│670 │690 │710 │730 │750 │770 │790
" 6000 "
7000 " │650
│670 │690 │710 │730 │750 │770 │790 │810
" 7000 "
8000 " │670
│690 │710 │730 │750 │770 │790 │810 │830
" 8000
" 9000 " │690 │710 │730 │750 │770 │790 │810 │830 │850
" 9000 " 10000 " │710 │730 │750 │770 │790 │810 │830 │850 │870
" 10000 " 11000 " │730 │750 │770 │790 │810 │830 │850 │870 │890
" 11000 " 12000 " │750 │770 │790 │810 │830 │850 │870 │890 │910
" 12000 " 13000 " │770 │790 │810 │830 │850 │870 │890 │910 │930
" 13000 " 14000 " │790 │810 │830 │850
│870 │890 │910 │930 │950
" 14000 " 15000 " │830 │860 │890 │920 │950 │980 │1010 │1040 │1070
" 15000 " 16000 " │860 │890 │920 │950 │980 │1010 │1040 │1070 │1100
" 16000 " 17000 " │890 │920
│950 │980 │1010 │1040 │1070 │1100 │1130
" 17000 " 18000 " │920 │950 │980 │1010 │1040 │1070 │1100 │1130 │1160
" 18000 " 19000 " │950 │980 │1010 │1040 │1070 │1100 │1130 │1160 │1190
" 19000 " 20000 " │980 │1010 │1040
│1070 │1100 │1130 │1160 │1190 │1220
Продолжение табл. 6
мм
───────────────────┬─────────────────────────────────────────────────────
Длина поковки L │
Диаметр (D , D , D , D ) или размер (Н , Н ),
│ 2
3 5 6 2 3
│ примыкающий
к уступу
├────────┬────────┬────────┬────────┬────────┬────────
│Св. 1350│Св. 1400│Св. 1450│Св. 1500│Св.
1600│Св. 1700
│до 1400 │до
1450 │до 1500 │до 1600 │до 1700 │до 1900
├────────┴────────┴────────┴────────┴────────┴────────
│Минимальная длина
выполнимого уступа (l , l , l , l )
│ 1 3 6 7
│ или выемки (l )
│ 4
───────────────────┼────────┬────────┬────────┬────────┬────────┬────────
До 2000
включ.│730
│750 │770 │800 │830 │850
Св.
2000 до 3000 " │750
│770 │790 │830 │860 │890
" 3000 "
4000 " │770
│790 │810 │860 │890 │920
" 4000 "
5000 " │790
│810 │830 │890 │920 │950
" 5000 "
6000 " │810
│830 │850 │920 │950 │980
" 6000 "
7000 " │830
│850 │870 │950 │980 │1010
" 7000 "
8000 " │850 │870 │890 │980 │1010 │1040
" 8000 "
9000 " │870
│890 │910 │1010 │1040 │1070
" 9000 " 10000 " │890 │910 │930 │1040 │1070 │1100
" 10000 " 11000 " │910 │930 │950 │1070 │1100 │1130
" 11000 " 12000 " │930 │950 │970 │1100 │1130 │1160
" 12000 " 13000 " │950 │970 │990 │1130 │1160 │1190
" 13000 " 14000 " │970 │990 │1010 │1160 │1190 │1220
" 14000 " 15000 " │1100 │1130 │1160 │1190 │1220 │1250
" 15000 " 16000 " │1130 │1160 │1190 │1220 │1250 │1280
" 16000 " 17000 " │1160 │1190 │1220 │1250 │1280 │1310
" 17000 " 18000 " │1190 │1220 │1250 │1280 │1310 │1340
" 18000 " 19000 " │1220 │1250 │1280 │1310 │1340 │1370
" 19000 " 20000 " │1250 │1280 │1310 │1340 │1370 │1400
Примечание.
Концевые уступы выполняют в том случае, если длина засечки перед прожимом уступа равна или более 1/3 диаметра, примыкающего
к уступу.
Пример определения
возможности выполнения уступов и выемок для поковки приведен на
черт. 11 и 12.

Черт. 11

Черт. 12
Основные,
дополнительные припуски и предельные отклонения соответствуют приведенным в пп. 10 и 12.
14. Бурты и
фланцы на поковках должны быть выполнены в соответствии с черт. 13 и табл. 7.

Черт. 13
Таблица 7
мм
─────────────────┬───────────────────────────────────────────────────────────────────────────────────────────────────────────
Диаметр,
│ Диаметр
D или размер Н бурта
примыкающий
│
1
к бурту
├───────┬───────┬───────┬───────┬───────┬───────┬───────┬───────┬───────┬────────┬────────┬────────┬────────
│Св. 100│Св. 200│Св. 300│Св. 400│Св.
500│Св. 600│Св. 700│Св. 800│Св. 900│Св.
1000│Св. 1100│Св. 1200│Св. 1300
│до 200 │до 300
│до 400 │до 500 │до 600 │до 700 │до 800 │до
900 │до 1000│до 1100 │до 1200 │до 1300 │до 1400
├───────┴───────┴───────┴───────┴───────┴───────┴───────┴───────┴───────┴────────┴────────┴────────┴────────
│ Минимальная
поковочная длина бурта l
─────────────────┼───────┬───────┬───────┬───────┬───────┬───────┬───────┬───────┬───────┬────────┬────────┬────────┬────────
До 100
включ.│30 │60 │100 │130 │- │- │- │- │- │- │- │- │-
Св.
100 до 200 " │20
│50 │80 │110 │140 │180 │200 │240 │- │- │- │- │-
" 200 "
300 " │-
│30 │60 │100 │120 │160 │190 │220 │260 │290 │320 │360 │-
" 300 "
400 " │-
│- │40 │70 │100 │140 │170 │200 │240 │270 │300 │340 │380
" 400 "
500 " │-
│- │- │60 │90 │120 │150 │180 │220 │250 │280 │320 │350
" 500 "
600 " │-
│- │- │- │70 │100 │130 │160 │200 │230 │260 │300 │320
" 600 "
700 " │-
│- │- │- │- │80 │110 │140 │180 │210 │240 │280 │300
" 700 "
800 " │-
│- │- │- │- │- │100 │130 │160 │200 │220 │260 │280
" 800 "
900 " │-
│- │- │- │- │- │- │110 │140 │170 │200 │230 │260
" 900 " 1000 " │- │- │- │- │- │- │- │- │120 │160 │190 │220 │240
" 1000 " 1100 " │- │- │- │- │- │- │- │- │- │140 │170 │200 │230
" 1100 " 1200 " │- │-
│- │- │- │- │- │- │- │- │150 │180 │210
" 1200 " 1300 " │- │- │- │- │- │- │- │- │- │- │- │170 │200
" 1300 " 1400 " │- │- │- │- │- │- │- │- │- │- │- │- │180
" 1400 " 1500 " │- │- │- │- │- │- │- │- │- │- │- │- │-
" 1500 " 1600 " │- │- │- │- │- │- │- │- │- │- │- │- │-
" 1600 " 1700 " │- │- │- │- │- │- │- │- │- │- │- │- │-
" 1700 " 1800 " │- │- │- │- │- │- │-
│- │- │- │- │- │-
" 1800 " 1900 " │- │- │- │- │- │- │- │- │- │- │- │- │-
" 1900 " 2000 " │- │- │- │- │- │- │- │- │- │-
│- │- │-
" 2000 " 2100 " │- │- │- │- │- │- │- │- │- │- │- │- │-
Продолжение табл. 7
мм
─────────────────┬──────────────────────────────────────────────────────────────
Диаметр,
│ Диаметр
D или размер Н бурта
примыкающий
│ 1
к бурту
├────────┬────────┬────────┬────────┬────────┬────────┬────────
│Св. 1400│Св. 1500│Св. 1600│Св. 1700│Св.
1800│Св. 1900│Св. 2000
│до 1500 │до 1600
│до 1700 │до 1800 │до 1900 │до 2000 │до 2100
├────────┴────────┴────────┴────────┴────────┴────────┴────────
│ Минимальная поковочная длина бурта
l
─────────────────┼────────┬────────┬────────┬────────┬────────┬────────┬────────
До 100 включ.│- │- │- │- │- │- │-
Св.
100 до 200 " │-
│- │- │- │- │- │-
" 200 "
300 " │-
│- │- │- │- │- │-
" 300 "
400 " │420
│460 │510 │560 │- │- │-
" 400 "
500 " │390
│430 │480 │530 │580 │620 │670
" 500 "
600 " │360
│400 │450 │500 │550 │600 │650
" 600 "
700 " │340
│380 │430 │480 │530 │580 │630
" 700 "
800 " │320 │360 │410 │460 │510 │560 │610
" 800 "
900 " │300
│320 │370 │420 │470 │520 │570
" 900 " 1000 " │280 │300 │350 │390 │440 │490 │540
" 1000 " 1100 " │260 │280 │320 │370 │420 │470 │520
" 1100 " 1200 " │240 │260 │300 │340 │400 │440 │490
" 1200 " 1300 " │220 │240 │280 │310 │350 │390 │440
" 1300 " 1400 " │200 │220 │260 │290 │330 │370 │420
" 1400 " 1500 " │190 │210 │240 │270 │310 │350 │390
" 1500 " 1600 " │- │200 │230 │260 │290 │330 │370
" 1600 " 1700 " │- │- │210 │240 │270 │310 │350
" 1700 " 1800 " │- │- │- │230 │260 │300 │340
" 1800 " 1900 " │- │- │- │- │250 │290 │330
" 1900 " 2000 " │- │- │- │- │- │280 │320
" 2000 " 2100 " │- │- │- │- │- │- │300
Примечания.
1. Если длина бурта, определенная с учетом припусков по п. 12, будет меньше
значений, полученных по табл. 7, то она увеличивается до размеров, определенных
по табл. 7.
2.
Минимальная поковочная длина фланцев должна быть на 50% больше, чем минимальная
длина буртов, определенная по табл. 7.
3. Разницу
в припуске между значениями, определенными по табл. 7 и по п. 12, прибавляют у
фланцев со стороны уступа, а у буртов со стороны уступа большего диаметра.
4. В случае, если прибавление разницы в припуске со стороны уступа
большего диаметра приводит к невозможности выполнения уступа или выемки, то со
стороны уступа большего диаметра прибавляется только та часть разницы в
припуске, которая не препятствует образованию выемки или уступа.
5. При увеличении
длины фланца или бурта согласно примечанию 1 значение отрицательного отклонения
на этой длине может быть соответственно увеличено.
6. Если поковка
имеет два или более фланцев и буртов, удаленных друг от друга на расстояние не
менее 2000 мм, то поковочную длину каждого бурта и фланца, определенную по
табл. 7, можно увеличить на 100 мм.
Примеры определения
возможности выполнения буртов и фланцев у поковок приведены на
черт. 14 - 17.
Поковка с основными
и дополнительными
припусками,
назначенными
согласно пп. 10 и 12

Черт. 14
Поковка с
окончательными размерами

Черт. 15
Поковка с основными
и дополнительными
припусками,
назначенными
согласно пп. 10 и 12

Черт. 16
Поковка с
окончательными размерами

Черт. 17
Длина бурта равна
306 мм. По табл. 7 минимальная длина бурта должна быть 350 мм, следовательно на бурт выбирают напуск со стороны уступа
большего диаметра.
Длина фланца равна
350 мм. По табл. 7 и с учетом примечания 2 минимальная длина фланца должна быть
405 мм, поэтому на фланец выбирается напуск согласно п. 14.
Весь напуск в
соответствии с примечанием 3 прибавляют со стороны уступа.
15. Конусы
выполняются на поковках при соблюдении следующих условий:
высота уступа
должна превышать двукратную высоту
минимального уступа, определенного по табл. 5;
длина конусного
уступа l должна быть больше или равна двум диаметрам основания конуса, а угол
8°;
уступы и выемки
выполняются, если длина присечки от соседнего выступа
не менее 0,5 ширины бойка (черт. 18а) и не менее 1,2 ширины бойка (черт. 18б).
Поковка с
окончательными размерами

Черт. 18
Промежуточные
диаметры конусной части не контролируются при условии обеспечения чистовых
размеров детали.
Расчет массы
конусной части ведется по размерам, включающим плюсовой допуск.
Пример выбора
припусков и допусков на поковку с конусом для детали, указанной на черт. 19, приведен на черт. 20.

Черт. 19

Черт. 20
Высота уступа на
детали 150 мм. Она больше удвоенной минимальной высоты уступа, определенной по
табл. 7 и равной 64 мм.
Длина конусной
части 1700 мм больше удвоенного большего диаметра детали (1600 мм) и угол
<8°,
следовательно при ковке конус может быть выполнен.
Длина уступа 1040 мм больше минимальной длины уступа, определенной по табл. 6 и
равной 570 мм, следовательно этот уступ выполняется
при ковке.
16.
Припуски и предельные отклонения для поковок типа цилиндры сплошные, муфты и
диски сплошные и с отверстиями следует выбирать в соответствии с черт. 21 и
табл. 8.

Черт. 21
Таблица 8
мм
─────────────────────┬─────────────────────────────────────────────────────────────────────────────────────
Высота детали Н │ Диаметр детали
D
├────────┬────────┬────────┬────────┬─────────┬─────────┬─────────┬─────────┬─────────
│Св. 200 │Св. 224 │Св. 250 │Св. 280 │Св.
315 │Св. 355 │Св. 400 │Св. 450 │Св. 500
│до 224 │до 250
│до 280 │до 315 │до 355 │до 400 │до 450 │до 500 │до 560
├────────┴────────┴────────┴────────┴─────────┴─────────┴─────────┴─────────┴─────────
│
Дельта
│ Припуски дельта и предельные
отклонения +/- ------
│
2
─────────────────────┼────────┬────────┬────────┬────────┬─────────┬─────────┬─────────┬─────────┬─────────
От 125 до 160 включ.│20 +/- 5│20 +/-
6│20 +/- 7│20 +/- 7│20 +/- 7 │20 +/- 7 │20 +/- 8
│21 +/- 8 │22 +/- 9
Св.
160 до 200 " │20 +/- 6│20 +/- 7│20 +/-
7│20 +/- 7│20 +/- 7 │20 +/- 8 │21 +/- 8 │22 +/- 9
│23 +/- 9
" 200 "
250 " │20 +/- 7│20 +/- 7│20 +/-
7│20 +/- 7│20 +/- 8 │21 +/- 8 │22 +/- 9 │23 +/- 9
│24 +/- 10
" 250 "
315 " │20 +/- 7│20 +/- 7│20 +/-
7│20 +/- 8│21 +/- 8 │22 +/- 9 │23 +/- 9 │24 +/-
10│25 +/- 10
" 315 "
400 " │20 +/- 7│20 +/- 7│20 +/-
8│21 +/- 8│22 +/- 9 │23 +/- 9 │24 +/- 10│25 +/-
10│26 +/- 11
" 400 "
500 " │- │- │21 +/- 8│22 +/- 9│23
+/- 9 │24 +/- 10│25 +/- 10│26 +/- 11│27 +/- 11
" 500 "
630 " │- │- │- │- │24 +/- 10│25 +/-
10│26 +/- 11│27 +/- 11│28 +/- 11
" 630 "
800 " │- │- │- │- │- │- │27 +/- 11│28 +/-
11│29 +/- 12
" 800 " 1000 "
│- │- │- │- │- │- │- │- │30 +/- 12
" 1000 " 1120 "
│- │- │- │- │- │- │- │- │-
" 1120 " 1250 "
│- │- │- │- │- │- │- │- │-
" 1250 " 1400 "
│- │- │- │- │- │- │- │- │-
" 1400 " 1550 "
│- │- │- │- │- │- │- │- │-
" 1550 " 1700 " │- │- │- │- │- │- │- │- │-
Продолжение табл. 8
мм
─────────────────────┬───────────────────────────────────────────────────────────────────────────────
Высота детали Н │ Диаметр детали D
├─────────┬─────────┬─────────┬─────────┬─────────┬─────────┬─────────┬─────────
│Св. 560 │Св. 630 │Св. 710 │Св. 800 │Св. 900 │Св. 1000 │Св. 1120 │Св.
1250
│до 630 │до 710 │до 800 │до 900 │до 1000 │до 1120 │до 1250 │до 1400
├─────────┴─────────┴─────────┴─────────┴─────────┴─────────┴─────────┴─────────
│ Дельта
│ Припуски дельта и предельные
отклонения +/- ------
│
2
─────────────────────┼─────────┬─────────┬─────────┬─────────┬─────────┬─────────┬─────────┬─────────
От 125 до 160 включ.│23 +/- 9 │24
+/- 10│25 +/- 10│26 +/- 11│27 +/- 11│28 +/- 11│29
+/- 12│30 +/- 12
Св.
160 до 200 " │24 +/- 10│25 +/- 10│26
+/- 11│27 +/- 11│28 +/- 11│29 +/- 12│30 +/- 12│31
+/- 13
" 200 "
250 " │25 +/- 10│26 +/- 11│27
+/- 11│28 +/- 11│29 +/- 12│30 +/- 12│31 +/- 13│32
+/- 13
" 250 "
315 " │26 +/- 11│27 +/- 11│28
+/- 11│29 +/- 12│30 +/- 12│31 +/- 13│32 +/- 13│33
+/- 14
" 315 "
400 " │27 +/- 11│28 +/- 11│29
+/- 12│30 +/- 12│31 +/- 13│32 +/- 13│33 +/- 14│35
+/- 14
" 400 "
500 " │28 +/- 11│29 +/- 12│30
+/- 12│31 +/- 13│32 +/- 13│33 +/- 14│35 +/- 15│37
+/- 15
" 500 "
630 " │29 +/- 12│30 +/- 12│31
+/- 13│32 +/- 13│33 +/- 14│35 +/- 14│37 +/- 15│39
+/- 16
" 630 "
800 " │30 +/- 12│31 +/- 13│32
+/- 13│33 +/- 14│35 +/- 14│37 +/- 15│39 +/- 16│41
+/- 17
" 800 " 1000 "
│31 +/- 13│32 +/- 13│33 +/- 14│35 +/-
14│37 +/- 15│39 +/- 16│41 +/- 16│43 +/- 18
" 1000 " 1120 "
│- │33 +/-
14│35 +/- 14│37 +/- 15│39 +/- 16│41 +/- 17│43 +/-
18│45 +/- 19
" 1120 " 1250 "
│- │- │37 +/- 15│39 +/-
16│41 +/- 17│43 +/- 18│45 +/- 19│47 +/- 20
" 1250 " 1400 "
│- │- │- │41 +/- 17│43 +/-
18│45 +/- 19│47 +/- 20│49 +/- 21
" 1400 " 1550 "
│- │- │- │- │45 +/- 19│47 +/-
20│49 +/- 21│51 +/- 21
" 1550 " 1700 " │- │- │- │- │- │49 +/- 21│51 +/-
21│53 +/- 22
Продолжение табл. 8
мм
─────────────────────┬─────────────────────────────────────────────────────────────────────
Высота детали Н │ Диаметр детали D
├─────────┬─────────┬─────────┬─────────┬─────────┬─────────┬─────────
│Св. 1400 │Св. 1550 │Св. 1700 │Св. 1850 │Св.
2000 │Св. 2200 │Св. 2400
│до 1550 │до 1700 │до 1850 │до 2000 │до 2200 │до 2400 │до 2600
├─────────┴─────────┴─────────┴─────────┴─────────┴─────────┴─────────
│
Дельта
│ Припуски дельта и предельные
отклонения +/- ------
│ 2
─────────────────────┼─────────┬─────────┬─────────┬─────────┬─────────┬─────────┬─────────
От 125 до 160 включ.│31 +/- 13│32
+/- 13│33 +/- 14│35 +/- 14│- │- │-
Св.
160 до 200 " │32 +/- 13│33 +/- 14│35
+/- 14│37 +/- 15│39 +/- 16│- │-
" 200 "
250 " │33 +/- 14│36 +/- 14│37
+/- 15│39 +/- 16│41 +/- 17│43 +/- 18│-
" 250 "
315 " │35 +/- 14│37 +/- 15│39
+/- 16│41 +/- 17│43 +/- 18│45 +/- 19│47 +/- 20
" 315 "
400 " │37 +/- 15│39 +/- 16│41
+/- 17│43 +/- 18│45 +/- 19│47 +/- 20│49 +/- 21
" 400 "
500 " │39 +/- 16│41 +/- 17│43
+/- 18│45 +/- 19│47 +/- 20│49 +/- 21│51 +/- 21
" 500 "
630 " │41 +/- 17│43 +/- 18│45
+/- 19│47 +/- 20│49 +/- 21│51 +/- 21│53 +/- 22
" 630 "
800 " │43 +/- 18│45 +/- 19│47 +/-
20│49 +/- 21│51 +/- 21│53 +/- 22│55 +/- 23
" 800 " 1000 "
│45 +/- 19│47 +/- 20│49 +/- 21│51 +/-
21│53 +/- 22│55 +/- 23│57 +/- 24
" 1000 " 1120 "
│47 +/- 20│49 +/- 21│51 +/- 21│53 +/-
22│55 +/- 23│57 +/- 24│59 +/- 25
" 1120 " 1250 "
│49 +/- 21│51 +/- 21│53 +/- 22│55 +/-
23│57 +/- 24│59 +/- 25│61 +/- 25
" 1250 " 1400 "
│51 +/- 21│53 +/- 22│55 +/- 23│57 +/-
24│59 +/- 25│61 +/- 25│63 +/- 26
" 1400 " 1550 "
│53 +/- 22│55 +/- 23│57 +/- 24│59 +/-
25│61 +/- 25│63 +/- 26│65 +/- 27
" 1550 " 1700 " │55 +/- 23│57 +/- 24│59
+/- 25│61 +/- 25│63 +/- 26│65 +/- 27│67 +/- 28
Примечания. 1.
Данные табл. 8 распространяют на детали, у которых
и d<0,5 D.
2. Припуск
и предельные отклонения
на высоту Н принимают равными
припуску и предельным отклонениям на диаметр.
3. Предельные
диаметры прошиваемых отверстий вычисляют по формулам:
максимальный
диаметр прошиваемого отверстия

где D - диаметр
заготовки перед прошивкой;
минимальный диаметр
прошиваемого отверстия

где Н - высота
заготовки перед прошивкой. Если Н: d>3, отверстие не прошивать.
4. Припуск
на отверстия в поковках определяют по табл. 9
как разность между диаметром отверстия и диаметром прошивня.
5. Допуск на
прошиваемое отверстие принимают равным 0,6 от
припуска, определенного по примечанию 4.
6. На сплошных и с
отверстиями поковках, имеющих отношение
, а
также на поковках, имеющих
с массой более 4000 кг или с наружным
диаметром более 1200 мм, допускается сферичность b, форма и размеры которой не
контролируются. При отношении
и массе поковки менее 4000 кг напуск на
сферичность не назначается и в массе поковки не учитывается. Массу напуска
(сферичности) определяют по табл. 10 в зависимости от
и расчетной массы поковки
,
определенной по габаритным размерам без учета сферичности. На поковках со
сферичностью верхнее предельное отклонение на наружный диаметр принимают равным
30 мм при диаметре до 1000 мм, 50 мм - при диаметре до 1500 мм и 80 мм - при
диаметре выше 1500 мм.
7. Нижнее
предельное отклонение на высоту поковки допускается увеличивать на 50% .
Пример выбора
припусков и допусков на поковку с отверстиями приведен на
черт. 22.

Черт. 22
Припуски и
предельные отклонения на наружные размеры выбирают по табл. 8. По формуле
максимальный диаметр прошиваемого отверстия не должен превышать 228 мм, а
минимальный диаметр не должен быть меньше 65 мм. По черт. 22 диаметр отверстия
детали 200 мм, следовательно его можно прошить. Но
табл. 9 определяем, что прошивень должен быть диаметром 150 мм.
Таблица 9
мм
────────────┬───────┬───────┬───────┬───────┬───────┬───────┬───────┬───────
Диаметр │Св. 110│Св.
120│Св. 131│Св. 142│Св. 158│Св. 184│Св.
210│Св. 236
отверстия
d │до 120 │до 131 │до 142 │до 158 │до 184 │до 210 │до 236 │до 262
────────────┼───────┼───────┼───────┼───────┼───────┼───────┼───────┼───────
Диаметр │80 │90 │100 │110 │125 │150 │175 │200
прошивня
d │ │ │ │ │ │ │ │
пр│ │ │ │ │ │ │ │
Продолжение табл. 9
мм
────────────┬───────┬───────┬───────┬───────┬───────┬───────┬───────┬───────
Диаметр │Св. 262│Св.
288│Св. 314│Св. 340│Св. 356│Св. 392│Св.
418│Св. 444
отверстия
d │до 288 │до 314 │до 340 │до 356 │до 392 │до 418 │до 444 │до 470
────────────┼───────┼───────┼───────┼───────┼───────┼───────┼───────┼───────
Диаметр │225 │250 │275 │300 │325 │350 │375 │400
прошивня
d │ │ │ │ │ │ │ │
пр│ │ │ │ │ │ │ │
Продолжение табл. 9
мм
────────────┬───────┬───────┬───────┬───────┬───────┬───────┬─────
Диаметр │Св. 470│Св.
522│Св. 575│Св. 680│Св. 800│Св. 900│Более
отверстия
d │до 522 │до 575 │до 680 │до 800 │до 900 │до 1000│1000
────────────┼───────┼───────┼───────┼───────┼───────┼───────┼─────
Диаметр │425 │450 │500 │600 │700 │800 │900
прошивня
d │ │ │ │ │ │ │
пр│ │ │ │ │ │ │
Таблица 10
─────────────┬───────┬────────┬────────┬────────┬─────────┬───────
D
+ дельта │От
4,0 │Св. 4,7 │Св. 5,0 │Св. 5,5 │Св. 6,5 │Св. 7,5
---------- │до 4,7 │до 5,0 │до 5,5
│до 6,5 │до 7,5 │до 8,5
Н
+ дельта │ │ │ │ │ │
─────────────┼───────┼────────┼────────┼────────┼─────────┼───────
Масса
напус- │0,1 Р │0,09 Р
│0,085 Р │0,08 Р
│0,075 Р │0,07 Р
ка,
кг │ р │ р │ р│ р │ р │ р
Продолжение табл.
10
─────────────┬────────┬───────┬────────┬────────┬────────┬────────
D
+ дельта │Св.
8,5 │Св. 9,5│Св. 10,5│Св. 11,5│Св. 13,0│Св. 15,5
---------- │до 9,5 │до 10,5│до 11,5 │до 13,0
│до 15,5 │до 16,0
Н
+ дельта │ │ │ │ │ │
─────────────┼────────┼───────┼────────┼────────┼────────┼────────
Масса
напус- │0,065 Р
│0,06 Р │0,055 Р │0,05 Р
│0,045 Р │0,04 Р
ка,
кг │ р│ р│ р│ р │ р│ р
17. Припуски и
предельные отклонения для поковок типа брусков и пластин сплошных и с
отверстием следует назначать в соответствии с черт. 23 и табл. 11.

Черт. 23
Таблица 11
мм
─────────────────────┬────────────────────────────────────────────────────────────────────────────────────────────────────────────────────
Высота детали Н │ Размер детали L, B
├────────┬────────┬────────┬─────────┬─────────┬─────────┬─────────┬─────────┬─────────┬─────────┬─────────┬─────────
│Св. 250 │Св. 315 │Св. 400 │Св. 500 │Св. 630 │Св. 800 │Св. 1000 │Св. 1250 │Св.
1600 │Св. 2000 │Св. 2500 │Св. 3150
│до 315 │до 400
│до 500 │до 630 │до 800 │до 1000 │до 1250 │до 1600 │до 2000 │до 2500 │до 3150 │до 4000
├────────┴────────┴────────┴─────────┴─────────┴─────────┴─────────┴─────────┴─────────┴─────────┴─────────┴─────────
│ Припуски дельта, дельта и предельные отклонения +/- Дельта/2 и +/-
Дельта /2
│ 1 1
─────────────────────┼────────┬────────┬────────┬─────────┬─────────┬─────────┬─────────┬─────────┬─────────┬─────────┬─────────┬─────────
От 125 до 160 включ.│20 +/- 7│20 +/-
7│21 +/- 8│23 +/- 9 │25 +/- 10│27 +/- 11│29 +/-
12│- │- │- │- │-
Св.
160 до 200 " │- │20 +/- 8│22 +/- 9│24
+/- 10│26 +/- 11│28 +/- 11│30 +/- 12│32 +/-
13│- │- │- │-
" 200 "
250 " │- │- │23 +/- 9│25 +/- 10│27
+/- 11│29 +/- 12│31 +/- 13│33 +/- 14│36 +/-
15│- │- │-
" 250 "
315 " │- │- │- │26 +/- 11│28 +/-
11│30 +/- 12│32 +/- 13│34 +/- 14│38 +/- 16│45 +/-
19│- │-
" 315 "
400 " │- │- │- │- │29 +/- 12│31 +/-
13│33 +/- 14│36 +/- 15│40 +/- 17│48 +/- 20│54 +/-
22│-
" 400 "
500 " │- │- │- │- │- │32 +/- 13│34 +/-
14│38 +/- 16│42 +/- 18│51 +/- 21│57 +/- 23│66 +/-
27
" 500 "
630 " │- │- │- │- │- │- │36 +/- 15│40 +/-
17│45 +/- 19│54 +/- 22│60 +/- 24│68 +/- 28
" 630 "
800 " │- │- │- │- │- │- │- │42 +/- 18│48 +/-
20│57 +/- 23│63 +/- 25│70 +/- 28
" 800 " 1000 "
│- │- │- │- │- │- │- │- │51 +/- 21│60 +/-
24│66 +/- 27│73 +/- 29
" 1000 " 1250 "
│- │- │- │- │- │- │- │- │- │63 +/- 25│69 +/-
28│76 +/- 30
Примечания. 1.
Данные табл. 11 распространяют на детали, у которых
и масса детали не превышает 80 т.
2. Припуск и
предельные отклонения на размер "Н" принимают равными припуску и
предельным отклонениям на размер В. Для поковок, у которых L>1200 мм или
отношение L:H>3, припуск и предельные отклонения на размер L принимают трехкратными от припуска и отклонений на размер В.
3. Предельные
диаметры прошиваемых отверстий определяют по формулам (см. п. 16), в которых
принимают D = B. Если отношение H:d>3, отверстие не прошивать.
4. Припуск
на отверстиях определяется по табл. 9 как
разность между диаметром отверстия и диаметром прошивня. Допуск на прошиваемое
отверстие принимается равным 0,6 от припуска
.
5. На боковых
гранях поковки допускаются неконтролируемые напуски, общую массу которых (кг) вычисляют по формуле

Пример выбора
припусков и предельных отклонений приведен на черт.
24.

Черт. 24
18. Припуски и
предельные отклонения для поковок типа цилиндров с отверстиями с постоянным и
переменным по длине сечением следует выбирать в соответствии с черт. 25 и табл.
12.

Черт. 25
Таблица 12
мм
───────────────────┬────────────────────────────────────────────────────────────────────────────────
Длина детали L │ Диаметр детали D
├─────────┬──────────┬─────────┬─────────┬─────────┬─────────┬─────────┬─────────
│Св. 350 │Св. 400 │Св. 450 │Св. 500 │Св. 560 │Св. 630 │Св. 710 │Св. 800
│до 400 │до 450 │до 500 │до 560 │до 630 │до 710 │до 800 │до 900
├─────────┴──────────┴─────────┴─────────┴─────────┴─────────┴─────────┴─────────
│ Припуски дельта и предельные
отклонения +/- Дельта/2
───────────────────┼─────────┬──────────┬─────────┬─────────┬─────────┬─────────┬─────────┬─────────
До 1000
вкл.│30 +/- 11│31 +/- 11 │32 +/- 13│33 +/-
13│34 +/- 13│35 +/- 14│36 +/- 14│37 +/- 15
Св.
1000 до 1250 " │31 +/- 11│32 +/- 13 │33 +/- 13│34
+/- 13│35 +/- 14│36 +/- 14│37 +/- 15│38 +/- 15
" 1250 "
1600 " │32 +/- 13│33 +/- 13 │34 +/- 13│35
+/- 14│36 +/- 14│37 +/- 15│38 +/- 15│39 +/- 16
" 1600 "
2000 " │33 +/- 13│34 +/- 13 │35 +/- 14│36
+/- 14│37 +/- 15│38 +/- 15│39 +/- 16│40 +/- 16
" 2000 "
2500 " │34 +/- 13│35 +/- 14 │36 +/- 14│37
+/- 15│38 +/- 15│39 +/- 16│40 +/- 16│41 +/- 17
" 2500 "
3150 " │-
│36 +/- 14 │37 +/- 15│38 +/- 15│39 +/-
16│40 +/- 16│41 +/- 17│42 +/- 17
" 3150 "
4000 " │-
│- │38 +/-
15│39 +/- 16│40 +/- 16│41 +/- 17│42 +/- 17│43 +/-
17
" 4000 "
5000 " │-
│- │- │40 +/- 16│41 +/-
17│42 +/- 17│43 +/- 17│44 +/- 18
" 5000 "
6300 " │-
│- │- │- │- │43 +/- 17│44 +/-
18│45 +/- 18
" 6300 "
8000 " │-
│- │- │- │- │- │- │47 +/- 19
" 8000 "
9000 " │-
│- │- │- │- │- │- │-
" 9000 " 10000 " │- │- │- │- │- │- │- │-
" 10000 " 11000 " │- │- │- │- │- │- │- │-
" 11000 " 12000 " │- │- │- │- │- │- │- │-
Продолжение табл.
12
мм
───────────────────┬───────────────────────────────────────────────────────────────────────────────
Длина детали L │ Диаметр детали D
├─────────┬─────────┬─────────┬─────────┬─────────┬─────────┬─────────┬─────────
│Св. 900 │Св. 1000
│Св. 1120 │Св. 1250 │Св. 1320 │Св. 1400 │Св. 1500
│Св. 1600
│до 1000 │до 1120 │до 1250 │до 1320 │до 1400 │до 1500 │до 1600 │до 1700
├─────────┴─────────┴─────────┴─────────┴─────────┴─────────┴─────────┴─────────
│ Припуски дельта и предельные
отклонения +/- Дельта/2
───────────────────┼─────────┬─────────┬─────────┬─────────┬─────────┬─────────┬─────────┬─────────
До 1000
вкл.│-
│- │- │- │- │- │- │-
Св.
1000 до 1250 " │39 +/- 16│40 +/- 16│- │- │- │- │- │-
" 1250 "
1600 " │40 +/- 16│41 +/- 17│42 +/- 17│43
+/- 17│44 +/- 18│-
│- │-
" 1600 "
2000 " │41 +/- 17│42 +/- 17│43 +/- 17│44
+/- 18│45 +/- 19│46 +/- 19│47 +/- 19│48 +/- 20
" 2000 "
2500 " │42 +/- 17│43 +/- 17│44 +/- 18│45
+/- 18│46 +/- 19│47 +/- 19│48 +/- 20│49 +/- 20
" 2500 "
3150 " │43 +/- 17│44 +/- 18│45 +/- 18│46
+/- 19│47 +/- 19│48 +/- 20│49 +/- 20│50 +/- 21
" 3150 "
4000 " │44 +/- 17│45 +/- 18│47 +/- 19│48
+/- 20│49 +/- 20│50 +/- 21│51 +/- 21│52 +/- 21
" 4000 "
5000 " │45 +/- 18│47 +/- 19│48 +/- 20│49
+/- 20│50 +/- 21│51 +/- 21│52 +/- 21│53 +/- 22
" 5000 "
6300 " │47 +/- 19│48 +/- 20│50 +/- 21│51
+/- 21│52 +/- 21│53 +/- 22│54 +/- 22│55 +/- 23
" 6300 "
8000 " │48 +/- 20│50 +/- 21│51 +/- 21│52
+/- 21│53 +/- 22│54 +/- 22│56 +/- 23│57 +/- 25
" 8000 "
9000 " │-
│51 +/- 21│52 +/- 21│53 +/- 22│54 +/-
22│56 +/- 24│58 +/- 25│59 +/- 25
" 9000 " 10000 " │- │- │- │- │56 +/- 24│58 +/-
25│60 +/- 25│61 +/- 26
" 10000 " 11000 " │- │- │- │- │- │- │62 +/- 26│63 +/- 27
" 11000 " 12000 " │- │- │- │- │- │- │- │-
Продолжение табл.
12
мм
───────────────────┬─────────────────────────────────────────────────────────────────────
Длина детали L │ Диаметр детали D
├─────────┬─────────┬─────────┬─────────┬─────────┬─────────┬─────────
│Св. 1700 │Св. 1800 │Св. 1900 │Св. 2000 │Св.
2100 │Св. 2150 │Св. 2300
│до 1800 │до 1900 │до 2000 │до 2100 │до 2150 │до 2300 │до 2500
├─────────┴─────────┴─────────┴─────────┴─────────┴─────────┴─────────
│ Припуски дельта и предельные отклонения
+/- Дельта/2
───────────────────┼─────────┬─────────┬─────────┬─────────┬─────────┬─────────┬─────────
До 1000
вкл.│-
│- │- │- │- │- │-
Св.
1000 до 1250 " │-
│- │- │- │- │- │-
" 1250 "
1600 " │-
│- │- │- │- │- │-
" 1600 "
2000 " │-
│- │- │- │- │- │-
" 2000 "
2500 " │50 +/- 21│51 +/- 21│52 +/- 21│53
+/- 22│- │- │-
" 2500 "
3150 " │51 +/- 21│52 +/- 21│53 +/- 22│55
+/- 23│56 +/- 24│58 +/- 25│60 +/- 25
" 3150 "
4000 " │53 +/- 22│54 +/- 22│55 +/- 23│56
+/- 24│58 +/- 25│60 +/- 25│62 +/- 26
" 4000 "
5000 " │54 +/- 22│55 +/- 23│56 +/- 23│58
+/- 25│60 +/- 25│62 +/- 26│64 +/- 27
" 5000 "
6300 " │56 +/- 23│57 +/- 24│58 +/- 25│60
+/- 25│62 +/- 26│64 +/- 27│66 +/- 28
" 6300 "
8000 " │58 +/- 25│59 +/- 25│60 +/- 25│62
+/- 26│64 +/- 27│66 +/- 28│68 +/- 29
" 8000 "
9000 " │60 +/- 25│61 +/- 26│62 +/- 26│64
+/- 27│66 +/- 28│68 +/- 29│70 +/- 30
" 9000 " 10000 " │62 +/-
26│63 +/- 26│64 +/- 27│66 +/- 28│68 +/- 29│70 +/-
30│-
" 10000 " 11000 " │64 +/-
27│65 +/- 27│66 +/- 28│68 +/- 29│70 +/- 30│- │-
" 11000 " 12000 " │66 +/-
28│67 +/- 29│69 +/- 29│- │- │- │-
Примечания. 1.
Данные табл. 12 распространяют на детали, у которых
и
, при
этом минимальная толщина стенки поковки не должна быть менее 100 мм.
2. Припуск
на внутренний диаметр d определяют по табл. 13
как разность между диаметрами отверстия и оправки на половине длины поковки.
При диаметре отверстия в детали до 230 мм и длине поковки свыше 2000 мм, а
также при диаметре отверстия в детали до 280 мм и длине поковки свыше 3000 мм
отверстие в поковке разрешается не делать.
Предельные отклонения
на диаметр отверстия принимают равными произведению
, где
- длина поковки; К = 1:80 - конусность
оправки. При этом нижнее предельное отклонение не должно быть менее 20 мм.
4. Припуск и
предельные отклонения на длину детали принимают равным
в зависимости от соотношения длины детали L и
наружного диаметра D (n - коэффициент увеличения припуска и допуска). Если
отношение
, а
1000 мм
и вытяжка после осадки заготовки не более двухкратной,
то n = 4. В остальных случаях принимают n = 6.
5. На торцах
поковки допускается сферичность b, форма и размеры которой не контролируются.
6. Массу напуска
торцевой сферы (
), кг, для поковок со степенью вытяжки 2 и более вычисляют по
формуле

где S - площадь
сечения по наружному диаметру поковки (D+
), мм2;
-
площадь отверстия поковки, по диаметру
, мм2.
7. Нижнее
предельное отклонение на длину поковки допускается увеличивать на 50%.
Таблица 13
Нормативные
диаметры оправок
в зависимости от
диаметров отверстий деталей
мм
──────────┬───────┬───────┬───────┬───────┬───────┬───────┬───────
Диаметр │Св.
180│Св. 230│Св. 280│Св. 330│Св. 380│Св.
430│Св. 490
отверстия│до
230 │до 280 │до 330 │до 380 │до 430 │до 490 │до 550
──────────┼───────┼───────┼───────┼───────┼───────┼───────┼───────
Диаметр │160
│200 │250 │300 │350 │400 │450
оправки │
│ │ │ │
│ │
у
бурта │ │ │ │ │ │ │
Продолжение табл.
13
мм
──────────┬───────┬───────┬───────┬───────┬───────┬───────┬───────
Диаметр │Св.
550│Св. 610│Св. 670│Св. 730│Св. 790│Св.
850│Св. 950
отверстия│до
610 │до 670 │до 730 │до 790 │до 850 │до 950 │до 1050
──────────┼───────┼───────┼───────┼───────┼───────┼───────┼───────
Диаметр │500
│550 │600 │650 │700 │750 │850
оправки │
│ │ │ │ │ │
у
бурта │ │ │ │ │ │ │
Продолжение табл.
13
мм
─────────┬────────┬────────┬────────┬────────┬────────┬───────────
Диаметр │Св.
1050│Св. 1150│Св. 1250│Св. 1350│Св. 1450│Более
1550
отверстия│до 1150 │до 1250
│до 1350 │до 1450 │до 1550 │
─────────┼────────┼────────┼────────┼────────┼────────┼───────────
Диаметр │950
│1050 │1150 │1250 │1350 │1400
оправки │
│ │ │ │ │
у
бурта │ │ │ │ │ │
Пример выбора
припусков и предельных отклонений для поковки приведен на
черт. 26. По табл. 12 выбирают припуск и предельное отклонение на наружный
диаметр (51 +/- 21) мм. Припуск на длину 51 х 6 = 306 мм и предельное
отклонение 21 х 6 = 126 мм (при
= 3,33, D = 1500 мм, n = 6). По табл. 13
определяют, что при диаметре отверстия 1000 мм оправка должна иметь диаметр у
бурта 850 мм, а на половине длины поковки 850 - 5306 :
2 : 80 = 817 мм. В соответствии с примечанием 3 к табл. 12 предельные
отклонения на диаметр отверстия 817 мм составляют 5306 :
80 = 66 мм.

Черт. 26
19. Припуски и
предельные отклонения для поковок типа раскатанных колец следует выбирать в
соответствии с черт. 27 и табл. 14.

Черт. 27
Таблица 14
мм
─────────────────────┬───────────────────────────────────────────────────────────
Высота детали Н │ Диаметр детали D
├─────────┬─────────┬─────────┬─────────┬─────────┬─────────
│До 500 │Св. 500 │Св. 630 │Св. 800 │Св. 1000 │Св. 1250
│ │до 630 │до 800 │до 1000 │до 1250 │до 1400
├─────────┴─────────┴─────────┴─────────┴─────────┴─────────
│ Припуски дельта и предельные отклонения +/-
Дельта/2
─────────────────────┼─────────┬─────────┬─────────┬─────────┬─────────┬─────────
Св.
100 до 150 включ.│24 +/- 9 │25 +/- 9 │27 +/- 10│- │- │-
" 150 "
200 " │24 +/- 9 │25 +/- 9 │27
+/- 10│29 +/- 11│31 +/- 11│35 +/- 13
" 200 "
250 " │25 +/- 9 │26 +/- 9 │28
+/- 10│30 +/- 11│32 +/- 12│36 +/- 13
" 250 "
315 " │27 +/- 10│28 +/- 10│30
+/- 11│32 +/- 12│34 +/- 13│38 +/- 14
" 315 " 400
" │28 +/-
10│29 +/- 11│31 +/- 11│33 +/- 12│35 +/- 13│40 +/-
15
" 400 "
500 " │29 +/- 11│30 +/- 11│31
+/- 11│34 +/- 13│36 +/- 13│41 +/- 15
" 500 "
630 " │30 +/- 11│31 +/- 11│33
+/- 12│35 +/- 13│37 +/- 14│43 +/- 16
" 630 "
800 " │-
│33 +/- 12│36 +/- 13│38 +/- 14│41 +/-
15│46 +/- 17
" 800 " 1000 "
│- │- │37 +/- 14│40 +/-
15│43 +/- 16│48 +/- 18
" 1000 " 1250 "
│- │- │- │44 +/- 16│46 +/-
17│52 +/- 20
" 1250 " 1400 "
│- │-
│- │- │47 +/- 18│54 +/- 20
" 1400 " 1600 "
│- │- │- │- │48 +/- 18│56 +/- 21
" 1600 " 1800 " │- │- │- │- │- │58 +/- 22
" 1800 " 2000 " │- │- │-
│- │- │-
" 2000 " 2250 " │- │- │- │- │- │-
" 2250 " 2500 " │- │- │- │- │- │-
Продолжение табл.
14
мм
─────────────────────┬───────────────────────────────────────────────────────────
Высота детали Н │ Диаметр детали D
├─────────┬─────────┬─────────┬─────────┬─────────┬─────────
│Св. 1400 │Св.
1600 │Св. 1800 │Св. 2000 │Св. 2250 │Св. 2500
│до 1600 │до 1800 │до 2000 │до 2250 │до 2500 │до 2800
├─────────┴─────────┴─────────┴─────────┴─────────┴─────────
│ Припуски дельта и предельные отклонения +/-
Дельта/2
─────────────────────┼─────────┬─────────┬─────────┬─────────┬─────────┬─────────
Св.
100 до 150 включ.│- │- │- │- │- │-
" 150 "
200 " │- │- │- │-
│- │-
" 200 "
250 " │38 +/- 14│40 +/- 15│- │- │- │-
" 250 "
315 " │41 +/- 15│44 +/- 16│47
+/- 18│51 +/- 19│-
│-
" 315 "
400 " │42 +/- 16│46 +/- 17│49
+/- 19│53 +/- 20│57 +/- 21│61 +/- 23
"
400 " 500
" │44 +/-
16│48 +/- 18│51 +/- 19│55 +/- 21│59 +/- 22│63 +/-
24
" 500 "
630 " │46 +/- 17│50 +/- 19│53
+/- 20│57 +/- 21│61 +/- 23│65 +/- 25
" 630 "
800 " │50 +/- 19│54 +/- 20│57
+/- 21│61 +/- 23│65 +/- 25│71 +/- 27
" 800 " 1000 "
│52 +/- 20│56 +/- 21│59 +/- 22│63 +/-
24│68 +/- 26│74 +/- 28
" 1000 " 1250 "
│56 +/- 21│60 +/- 23│64 +/- 24│68 +/-
26│74 +/- 28│81 +/- 30
" 1250 " 1400 "
│58 +/- 22│62 +/- 23│67 +/- 25│72 +/-
27│78 +/- 29│83 +/- 31
" 1400 " 1600 "
│60 +/- 23│65 +/- 24│69 +/- 26│75 +/-
28│81 +/- 30│87 +/- 34
" 1600 " 1800 " │63 +/- 23│67 +/- 25│73
+/- 27│79 +/- 29│85 +/- 33│91 +/- 35
" 1800 " 2000 " │64 +/- 23│68 +/- 25│75
+/- 28│81 +/- 30│87 +/- 34│92 +/- 36
" 2000 " 2250 " │- │69 +/- 26│76 +/-
28│82 +/- 30│88 +/- 34│94 +/- 37
" 2250 " 2500 " │- │- │82 +/- 30│85 +/- 32│91
+/- 35│97 +/- 38
Продолжение табл.
14
мм
─────────────────────┬──────────────────────────────────────────────────────
Высота детали Н │ Диаметр детали D
├──────────┬──────────┬──────────┬──────────┬──────────
│Св. 2800 │Св. 3150 │Св. 3500 │Св. 4000 │Св. 4500
│до 3150 │до 3500 │до 4000 │до 4500 │до 5000
├──────────┴──────────┴──────────┴──────────┴──────────
│ Припуски дельта и
предельные отклонения +/- Дельта/2
─────────────────────┼──────────┬──────────┬──────────┬──────────┬──────────
Св.
100 до 150 включ.│- │- │- │- │-
" 150 "
200 " │- │- │- │- │-
" 200 "
250 " │- │- │- │- │-
" 250 "
315 " │- │- │- │- │-
" 315 "
400 " │- │- │- │- │-
" 400 "
500 " │67 +/- 25 │71 +/- 27 │- │- │-
" 500 "
630 " │69 +/- 26 │75 +/- 28 │80
+/- 30 │95 +/- 37 │-
" 630 "
800 " │77 +/- 29 │83 +/- 31 │89
+/- 34 │98 +/- 39 │105 +/- 43
" 800 " 1000 "
│80 +/- 30 │86 +/- 33 │92 +/- 36 │101 +/-
41│108 +/- 46
" 1000 " 1250 "
│86 +/- 33 │92 +/- 36 │98 +/- 39 │105 +/-
43│112 +/- 48
" 1250 " 1400 "
│89 +/- 34 │95 +/- 37 │101 +/- 41│108 +/-
45│115 +/- 50
" 1400 " 1600 "
│93 +/- 36 │99 +/- 39 │104 +/- 42│110 +/-
47│119 +/- 51
" 1600 " 1800 " │97 +/- 38 │102 +/-
41│106 +/- 43│113 +/- 48│120 +/- 52
" 1800 " 2000 " │98 +/- 38 │103 +/- 41│107
+/- 43│115 +/- 50│121 +/- 52
" 2000 " 2250 " │100 +/- 40│104 +/-
42│110 +/- 47│116 +/- 50│122 +/- 52
" 2250 " 2500 " │104 +/- 41│108 +/-
43│114 +/- 49│119 +/- 51│125 +/- 53
Пример выбора
припусков и предельных отклонений приведен на черт. 28.

Черт. 28
20.
Технические требования к поковкам - по ГОСТ 8479.
21. Контроль
припусков и допусков осуществляют по чертежу поковки.
Примечания. 1.
Данные табл. 14 распространяют на детали, у которых
и
и
масса поковки не более 90 т.
2. На поковках
диаметром более 3000 мм допускают неравномерное распределение припуска из-за
косого торца "юбки". При этом местное увеличение припуска не должно
превышать двойного верхнего предельного отклонения, а местное уменьшение
припуска - не более полуторного нижнего предельного
отклонения.
3. Припуски по
торцам в случае неровностей (бахромы) контролируют по минимальному размеру.
Форму торца не контролируют.
4. При диаметре
3000 мм
толщина поковки
(черт. 27) должна быть не менее 0,054D и не
менее 100 мм. При B<0,054D, а также менее 100 мм назначаются напуски на
отверстие, чтобы В = 0,054D и было не менее 100 мм.
При диаметре D>3000 минимальная толщина поковки В
должна быть не менее 165 мм.
5. На торцах
поковки допускают сферичность b, форму и размеры которой не контролируют.
6. Массу напуска
торцевой сферы (
), кг, вычисляют по формуле

где S - площадь
сечения по наружному диаметру поковки (
), мм2;
-
площадь отверстия поковки по диаметру (
), мм2.
22.
Допускается неравномерное расположение припусков, получающееся вследствие
эллиптичности, несоосности наружного и внутреннего
диаметров поковок, прогиба поковок и т.п. При этом наименьший припуск на
механическую обработку должен быть не менее 25% номинального одностороннего
припуска, но не менее 3 мм. Наибольший односторонний припуск на механическую
обработку в этом случае должен быть не более 175% номинального одностороннего
припуска плюс верхнее предельное отклонение.
Допускается
изготовление поковки с перераспределением величины предельных отклонений на
размеры поковки сверх допустимого значения в сторону их увеличения или
уменьшения, если масса поковки при этом не превышает массы, определенной
расчетом по наибольшим наружным размерам и наименьшим размерам отверстий.
В отдельных
случаях, при неудовлетворительной поверхности слитка, для обеспечения чистой
поверхности детали допускается местное увеличение припуска против верхнего
предельного отклонения. При этом местное увеличение припуска допускается на участке
не более чем 15% общей длины для поковок типа тел вращения и 20% площади
поверхности для поковок всех остальных типов. Допускается изменение размеров на
концевых участках поковок, связанное с деформацией сечений в процессе рубки.
При этом увеличение или уменьшение размеров не должно быть более 50%
номинального припуска.
23. Для поковок
типа цилиндра с отверстием неравномерность распределения припуска по
внутреннему диаметру должна находиться в пределах допуска на наружный диаметр.
24. Допускается в отдельных
частях поковки уменьшение минимального припуска на сторону на 1/3 против
установленного по соответствующим таблицам настоящего стандарта.
25. В документе о
качестве поковок, поставляемых заказчику без механической обработки, должна
указываться номинальная масса поковки.
26. На поковках,
подлежащих механической обработке, глубину залегания поверхностных дефектов
определяют выборочной контрольной вырубкой или зачисткой; при этом минимальный
припуск на механическую обработку определяют согласно п. 22. На
необрабатываемых поверхностях поковок допускаются местные дефекты типа вмятин
от окалины, забоин, а также пологая вырубка или зачистка при условии, что
размеры поковки остаются в пределах допуска.
27. Скосы, галтели,
сферы, бахрома по размерам поковки не контролируются.
Приложение
Справочное
ТЕРМИНЫ И
ОПРЕДЕЛЕНИЯ, ПРИМЕНЯЕМЫЕ В СТАНДАРТЕ
1. Припуск -
предусмотренное превышение размеров поковки против номинальных размеров детали
или предварительно ободранной заготовки, обеспечивающее после обработки
резанием требуемые чертежом размеры детали (ободранной заготовки) и чистоту ее
поверхности.
2. Напуск -
увеличение припуска, упрощающее конфигурацию поковки ввиду невозможности или
нерентабельности изготовления поковки по контуру детали.
3. Допуск на
кузнечную обработку - разность между наибольшим и наименьшим предельными
размерами поковки.
4. Верхнее
отклонение на размер - разность между наибольшим предельными номинальным
размерами поковки.
5. Нижнее
отклонение на размер - разность между номинальным и нижним предельным размерами
поковки.
6. Бурт - неконцевой участок поковки увеличенного поперечного
сечения, у которого длина равна или меньше 0,3D или 0,3B, где D - диаметр
бурта, В - большая сторона прямоугольника.
7. Уступ - участок
поковки с меньшим поперечным сечением, чем смежный с ним участок. Для поковок
типа вала величина уступа, выражается полуразностью
диаметров смежных участков.
8. Выступ - участок
поковки с большим поперечным сечением, чем смежный с ним участок.
9. Выемка - участок
поковки, диаметр или сторона которого меньше диаметров или сторон двух смежных
с ним участков.
10. Фланец - концевой
участок вала увеличенного диаметра или стороны прямоугольника, у которого длина
или
, где D
- диаметр фланца, Н - большая сторона прямоугольника.
|