Поиск по базе документов:

Бесплатное обучение по алготрейдингу на Python и Backtrader

 

Утверждено и введено в действие

Постановлением Госстандарта СССР

от 29 ноября 1990 г. N 2977

 

ИЗМЕНЕНИЕ N 2 ГОСТ 24194-80

"ХОМУТЫ ОХВАТЫВАЮЩИЕ. КОНСТРУКЦИЯ И ОСНОВНЫЕ РАЗМЕРЫ"

 

Дата введения

1 июля 1991 года

 

Утверждено и введено в действие Постановлением Государственного комитета СССР по управлению качеством продукции и стандартам от 29.11.1990 N 2977.

 

Наименование стандарта. Исключить слова: "и основные размеры".

Пункт 1 дополнить абзацем: "Требования настоящего стандарта являются обязательными".

Стандарт дополнить пунктом - 1а: "1а. Охватывающие хомуты должны изготовляться 2-х исполнений:

1 - из фенопласта;

2 - из стеклопластика или фенопласта".

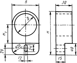
Чертеж дополнить словами: "Исполнение 1" для труб  = 45 и 67 мм,  = 93 и 122 мм; дополнить чертежом - "Исполнение 2":

 

Исполнение 2

Для труб  = 45 и 67 мм

 

 

Таблицу изложить в новой редакции:

 

                                                               Размеры в мм

──────┬───────────┬──────────────────┬───┬───┬───┬───┬───┬────┬────────────

Испол-│ Условный  │ Наружный диаметр │ D │ D │ H │ H │ B │ b  │ Масса, кг,

нение │ проход D        трубы D          1│     1│         не более

               у │             н                      

──────┼───────────┼──────────────────┼───┼───┼───┼───┼───┼────┼────────────

  1       40             45        │47 │58 │105│75 │ - │ 7      0,10

      ├───────────┼──────────────────┼───┼───┼───┼───┼───┼────┼────────────

          50             67        │69 │82 │130│100│ - │ 8      0,12

      ├───────────┼──────────────────┼───┼───┼───┼───┼───┼────┼────────────

          80             93        │95 │108│157│127│ - │ 9      0,20

      ├───────────┼──────────────────┼───┼───┼───┼───┼───┼────┼────────────

          100            122       │124│138│188│158│ - │ 10 │    0,27

──────┼───────────┼──────────────────┼───┼───┼───┼───┼───┼────┼────────────

  2       40             45        │47 │ - │108│39 │58 │ -      0,12

      ├───────────┼──────────────────┼───┼───┼───┼───┼───┼────┼────────────

          50             67        │69 │ - │131│50 │82 │ -      0,20

 

Пример условного обозначения после слова "хомута" дополнить словами: "Исполнение 1"; в обозначении заменить значение: 45 на 1-45.

Пункт 3 дополнить словами: "пресс-материал ГСП-400 по нормативно-технической документации".

Стандарт дополнить пунктом - 5: "5. Коды ОКП приведены в Приложении".

Приложение. Таблицу изложить в новой редакции:

 

──────────────────────────────┬───────────────────────────────────

 Условное обозначение хомута      Код ОКП и контрольное число

──────────────────────────────┼───────────────────────────────────

            1-45                       48 3474 0501 00

            1-67                       48 3474 0502 09

            1-93                       48 3474 0503 09

            1-122                      48 3474 0504 08

            2-45                       48 3474 0507 05

            2-67                       48 3474 0509 03

 

 





ТЕХНОРМАТИВЫ ДЛЯ СТРОИТЕЛЕЙ И ПРОЕКТИРОВЩИКОВ

Яндекс цитирования


Copyright © www.docstroika.ru, 2013 - 2026