Óòâåðæäåí è ââåäåí â
äåéñòâèå
Ïîñòàíîâëåíèåì
Ãîññòàíäàðòà ÑÑÑÐ
îò 31 îêòÿáðÿ 1990
ã. N 2761
ÃÎÑÓÄÀÐÑÒÂÅÍÍÛÉ ÑÒÀÍÄÀÐÒ ÑÎÞÇÀ ÑÑÐ
ÏËÀÑÒÈÍÛ ÒÂÅÐÄÎÑÏËÀÂÍÛÅ ÍÀÏÀÈÂÀÅÌÛÅ ÒÈÏÎÂ 01, 02, 61,
62
ÊÎÍÑÒÐÓÊÖÈß È ÐÀÇÌÅÐÛ
Hard metal brazed tips, types
01, 02, 61, 62.
Design and dimensions
ÃÎÑÒ 25395-90
(ÑÒ ÑÝÂ 118-74, ÑÒ ÑÝÂ 124-74, ÑÒ ÑÝÂ 3308-81)
Ãðóïïà Â56
ÎÊÏ 19 6000
Äàòà ââåäåíèÿ
1 èþëÿ 1993 ãîäà
1. Ðàçðàáîòàí è
âíåñåí Ìèíèñòåðñòâîì ìåòàëëóðãèè ÑÑÑÐ.
Ðàçðàáîò÷èêè: Þ.À. Àáðàìîâ, êàíä. òåõí. íàóê; À.È. Ñêðèïíèê, êàíä. òåõí. íàóê; Ý.Ô. Ýéõìàíñ, êàíä. òåõí. íàóê; Å.Ã.
Ñòåïàíîâ, Í.È. Ëèòâèíþê; Ë.Â. Ìûòàðåâà.
2. Óòâåðæäåí è ââåäåí â äåéñòâèå Ïîñòàíîâëåíèåì
Ãîñóäàðñòâåííîãî êîìèòåòà ïî óïðàâëåíèþ êà÷åñòâîì ïðîäóêöèè è ñòàíäàðòàì îò
31.10.1990 N 2761.
3. Ñðîê ïðîâåðêè -
1999 ã., ïåðèîäè÷íîñòü ïðîâåðêè - 10 ëåò.
4. Âçàìåí ÃÎÑÒ
25395-82.
5. Ñòàíäàðò
ïîëíîñòüþ ñîîòâåòñòâóåò ÑÒ ÑÝÂ 3308-81, ÑÒ ÑÝÂ 118-74,
ÑÒ ÑÝÂ 124-74.
6. Ññûëî÷íûå
íîðìàòèâíî-òåõíè÷åñêèå äîêóìåíòû
───────────────────────────────────────────┬──────────────────────
Îáîçíà÷åíèå ÍÒÄ, íà êîòîðûé äàíà ññûëêà │
Íîìåð ïóíêòà
───────────────────────────────────────────┼──────────────────────
ÃÎÑÒ
2209-90
│5
ÃÎÑÒ
25393-90
│3
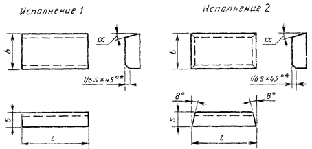
1. Íàñòîÿùèé
ñòàíäàðò ðàñïðîñòðàíÿåòñÿ íà ïëàñòèíû äëÿ ïðîõîäíûõ, ðàñòî÷íûõ è ðåâîëüâåðíûõ
ðåçöîâ.
2. Êîíñòðóêöèÿ è
ðàçìåðû ïëàñòèíû äîëæíû ñîîòâåòñòâîâàòü óêàçàííûì íà
÷åðòåæå è â òàáë. 1.

--------------------------------
* Ðàçìåðû äëÿ
ïðåññ-ôîðì.
Òàáëèöà 1
Ðàçìåðû â ìì
───────────┬───┬──┬────┬──────┬──────────┬────────────┬───────────
Îáîçíà÷åíèå│
l │b │ s
│àëüôà,│ Îñíîâíîå │Äîïîëíèòåëü-│Ïðèìåíåíèå
ïëàñòèí │
│ │ │ãðàä. │ïðèìåíåíèå│íîå
ïðèìåíå-│ïî
ñïåöè-
èñïîëíåíèÿ
│ │ │
│ │ │íèå │àëüíîìó
─────┬─────┤ │
│ │ │ │ │çàêàçó
1
│ 2 │
│ │ │
│ │ │
─────┼─────┼───┼──┼────┼──────┼──────────┼────────────┼───────────
01291│- │5
│3 │2,0 │-
│N 1, N 7 │N 8, N 11 │N 2, N 3,
│
│ │ │
│ │ │ │N 4, N 5,
│
│ │ │
│ │ │ │N 6, N 9,
│
│ │ │
│ │ │ │N 10
─────┼─────┼───┼──┼────┼──────┼──────────┼────────────┼───────────
01311│- │6
│4 │2,5 │-
│N 1, N 7 │N 8, N 11 │N 2, N 3,
│
│ │ │
│ │ │ │N 4, N 5,
│
│ │ │
│ │ │ │N 6, N 9,
│
│ │ │
│ │ │ │N 10
─────┼─────┼───┼──┼────┼──────┼──────────┼────────────┼───────────
01331│- │8
│5 │3,0 │-
│N 1, N 7 │N 2, N
8, │N 3, N 4,
│
│ │ │
│ │ │N 11 │N 5, N 6,
│
│ │ │
│ │ │ │N 9, N 10
─────┼─────┼───┼──┼────┼──────┼──────────┼────────────┼───────────
02611│- │10 │6 │2,5 │- │N 1, N 7 │N 2, N 3, │N 4, N 5,
│
│ │ │
│ │ │N 8, N 11 │N 6, N 9,
│
│ │ │
│ │ │ │N 10
─────┼─────┼───┤
├────┼──────┼──────────┼────────────┼───────────
01351│01352│10
│ │4,0 │18 │N 1, N 2, │N 3, N 8, │N 4, N 6,
│
│ │ │
│ │N 5, N 7 │N 9, N 11 │N 10
─────┼─────┤ │
│
├──────┼──────────┼────────────┼───────────
61351│61352│ │
│ │8 │N 1, N 2, │N 3, N 5, │N 4, N 6,
│
│ │ │
│ │N 7 │N 8, N 9, │N 10
│
│ │ │
│ │ │N 11 │
─────┼─────┼───┼──┼────┼──────┼──────────┼────────────┼───────────
02631│- │12 │8 │3,0 │- │N 1, N 2, │N 5, N 8, │N 4, N 6
│
│ │ │
│ │N 3, N 7 │N 9, N 10, │
│
│ │ │
│ │ │N 11 │
─────┼─────┤ │
├────┼──────┼──────────┼────────────┼───────────
01371│01372│ │
│5,0 │18 │N
1, N 2, │N 5, N 8, │N 4, N
6
│
│ │ │
│ │N 3, N 7,
│N 10, N 11 │
│
│ │ │
│ │N 9 │ │
─────┼─────┤ │
│
├──────┼──────────┼────────────┼───────────
61371│61372│ │
│ │8 │N 1, N 2, │N 4, N 5, │N 6
│
│ │ │
│ │N 3, N 7,
│N 8, N 10, │
│
│ │ │
│ │N 9 │N 11 │
─────┼─────┤
├──┼────┼──────┼──────────┼────────────┼───────────
02051│02052│ │10│4,0 │18 │N 7 │N 1, N 2, │N 4, N 6
│
│ │ │
│ │ │N 3, N 5, │
│
│ │ │
│ │ │N 8, N 9, │
│
│ │ │
│ │ │N 10, N 11 │
─────┼─────┼───┼──┼────┼──────┼──────────┼────────────┼───────────
02691│02692│14
│10│4,0 │18
│ │N 9, N
10 │N 1, N 2,
│
│ │ │
│ │ │ │N 3, N 4,
│
│ │ │
│ │ │ │N 5, N 6,
│
│ │ │
│ │ │ │N 7, N 8,
│
│ │ │
│ │ │ │N 11
─────┼─────┤
├──┼────┤ ├──────────┼────────────┼───────────
02231│02232│ │12│4,5 │ │N 7 │N 1, N 2, │N 4, N 6
│
│ │ │
│ │ │N 3, N 5, │
│
│ │ │
│ │ │N 8, N 9, │
│
│ │ │
│ │ │N 10, N 11 │
─────┼─────┤ │
├────┤ ├──────────┼────────────┼───────────
02251│02252│ │
│6,0 │ │N
1, N 2, │N 8, N 11 │N 4, N
6
│
│ │ │
│ │N 3, N 5,
│ │
│
│ │ │
│ │N 7, N 9,
│ │
│
│ │ │
│ │N 10 │ │
─────┼─────┤ │
│
├──────┼──────────┼────────────┼───────────
62251│62252│ │
│ │8 │N 1, N 2, │N 4, N 5, │N 6
│
│ │ │
│ │N 3, N 7,
│N 8, N 11 │
│
│ │ │
│ │N 9, N 10
│ │
─────┼─────┼───┼──┼────┼──────┼──────────┼────────────┼───────────
02651│- │16 │10│4,0
│18 │N 1, N 2, │N 5,
N 8, │N 4, N 6
│
│ │ │
│ │N 3, N 7,
│N 11 │
│
│ │ │
│ │N 9, N 11
│ │
─────┼─────┤ │
├────┤
├──────────┼────────────┼───────────
01391│01392│ │
│6,0 │ │N
1, N 2, │N 5, N 8, │N 4, N
6
│
│ │ │
│ │N 3, N 7,
│N 11 │
│
│ │ │
│ │N 9, N 10
│ │
─────┼─────┤ │
│
├──────┼──────────┼────────────┼───────────
61391│61392│ │
│ │8 │N 1, N 2, │N 4, N 5, │N 6
│
│ │ │
│ │N 3, N 7,
│N 8, N 11 │
│
│ │ │
│ │N 9, N 10
│ │
─────┼─────┼───┼──┤ ├──────┼──────────┼────────────┼───────────
02271│02272│18
│16│ │18 │N 2, N 3, │N 1, N 4, │N 6
│
│ │ │
│ │N 5, N 9,
│N 7, N 8, │
│
│ │ │
│ │N 10 │N 11 │
─────┼─────┤ │
│
├──────┼──────────┼────────────┼───────────
62271│62272│ │
│ │8 │N 2, N 3, │N 1, N 4, │N 6
│
│ │ │
│ │N 9, N 10
│N 5, N 7, │
│
│ │ │
│ │ │N 8, N 11 │
─────┼─────┤ │
├────┼──────┼──────────┼────────────┼───────────
02291│02292│ │
│8,0 │18
│ │N 2, N 3, │N 1, N 6,
│
│ │ │
│ │ │N 4, N 5, │N 7
│
│ │ │
│ │ │N 8, N 9, │
│
│ │ │
│ │ │N 10, N 11 │
─────┼─────┼───┼──┼────┼──────┼──────────┼────────────┼───────────
02671│- │20 │12│5,0
│18 │N 2, N 3, │N 5,
N 8, │N 1, N 6,
│
│ │ │
│ │N 4, N 9,
│N 11 │N 7
│
│ │ │
│ │N 10 │ │
─────┼─────┤ │
├────┤
├──────────┼────────────┼───────────
01151│01152│ │
│7,0 │ │N
2, N 3, │N 7, N 8, │N 1, N
6
│
│ │ │
│ │N 4, N 5,
│N 11 │
│
│ │ │
│ │N 9, N 10
│ │
─────┼─────┤ │
│
├──────┼──────────┼────────────┼───────────
61151│61152│ │
│ │8 │N 2, N 3, │N 5, N 8, │N 1, N 6,
│
│ │ │
│ │N 4, N 9,
│N 11 │N 7
│
│ │ │
│ │N 10 │ │
─────┼─────┤
├──┼────┼──────┼──────────┼────────────┼───────────
02411│02412│ │16│6,0 │18 │ │N 2, N 3, │N 1, N 6,
│
│ │ │
│ │ │N 4, N 5, │N 7
│
│ │ │
│ │ │N 8, N 9, │
│
│ │ │
│ │ │N 10, N 11 │
─────┼─────┼───┼──┼────┤
├──────────┼────────────┼───────────
02311│02312│22
│18│7,0 │ │N
2, N 3, │N 8, N 11 │N 1, N
6,
│
│ │ │
│ │N 4, N 5,
│ │N 7
│
│ │ │
│ │N 9, N 10
│ │
─────┼─────┤ │
│
├──────┼──────────┼────────────┼───────────
62311│62312│ │
│ │8 │N 2, N 3, │N 5, N 8, │N 1, N 6,
│
│ │ │
│ │N 4, N 9,
│N 11 │N 7
│
│ │ │
│ │N 10 │ │
─────┼─────┼───┼──┼────┼──────┼──────────┼────────────┼───────────
01411│01412│25
│14│8,0 │18 │N
2, N 3, │N 7, N 8, │N 1, N
6
│
│ │ │
│ │N 4, N 5,
│N 11 │
│
│ │ │
│ │N 9, N 10
│ │
─────┼─────┤ │
│
├──────┼──────────┼────────────┼───────────
61411│61412│ │
│ │8 │N 2, N 3, │N 5, N 8, │N 1, N 6,
│
│ │ │
│ │N 4, N 9,
│N 11 │N 7
│
│ │ │
│ │N 10 │ │
─────┼─────┤
├──┼────┼──────┼──────────┼────────────┼───────────
02431│02432│ │18│7,0 │18 │ │N 2, N 3, │N 1, N 5,
│
│ │ │
│ │ │N 4, N 8, │N 6, N 7
│
│ │ │
│ │ │N 9, N 10, │
│
│ │ │
│ │ │N 11 │
─────┼─────┤
├──┼────┤ ├──────────┼────────────┼───────────
02351│02352│ │20│10,0│ │N 2, N 3, │N 5, N 11 │N 1, N 6,
│
│ │ │
│ │N 4, N 9,
│ │N 7, N 8
│
│ │ │
│ │N 10 │
│
─────┼─────┼───┼──┼────┼──────┼──────────┼────────────┼───────────
62351│62352│25
│20│10,0│8 │N
2, N 3, │N 5, N 11 │N 1, N
6,
│
│ │ │
│ │N 4, N 9,
│ │N 7, N 8
│
│ │ │
│ │N 10 │ │
─────┼─────┼───┼──┼────┼──────┼──────────┼────────────┼───────────
02451│02452│32
│16│8,0 │18
│ │N 2, N
3, │N 1, N 6,
│
│ │ │
│ │ │N 4, N 5, │N 7, N 8
│
│ │ │
│ │ │N 9, N 10, │
│
│ │ │
│ │ │N 11 │
─────┼─────┤ │
│
├──────┼──────────┼────────────┼───────────
62451│62452│ │
│ │8 │
│N 2, N 3, │N 1, N
6,
│
│ │ │
│ │ │N 4, N 5, │N 7, N 8
│
│ │ │
│ │ │N 9, N 10, │
│
│ │ │
│ │ │N 11 │
─────┼─────┼───┼──┼────┼──────┼──────────┼────────────┼───────────
01431│01432│32
│18│10,0│18 │N
3, N 4, │N 2, N 7, │N 1, N
6
│
│ │ │
│ │N 5, N 9,
│N 8, N 11 │
│
│ │ │
│ │N 10 │ │
─────┼─────┤ │
│
├──────┼──────────┼────────────┼───────────
61431│61432│ │
│ │8 │N 3, N 4, │N 5, N 7, │N 1, N 2,
│
│ │ │
│ │N 9, N 10
│N 8, N 11 │N 6
─────┼─────┼───┼──┤
├──────┼──────────┼────────────┼───────────
02511│02512│36
│20│ │18 │N 3, N 4, │N 6, N 7, │N 1, N 2
│
│ │ │
│ │N 5, N 9,
│N 8, N 11 │
│
│ │ │
│ │N 10 │ │
─────┼─────┤ │
│
├──────┼──────────┼────────────┼───────────
62511│62512│ │
│ │8 │N 3, N 4, │N 5, N 6, │N 1, N 2
│
│ │ │
│ │N 9, N 10
│N 7, N 8, │
│
│ │ │
│ │ │N 11 │
─────┼─────┼───┼──┤
├──────┼──────────┼────────────┼───────────
01491│01492│40
│18│ │18 │N 9, N 10 │N 3, N 4, │N 1, N 2
│
│ │ │
│ │ │N 5, N 6, │
│
│ │ │
│ │ │N 7, N 8, │
│
│ │ │
│ │ │N 11 │
─────┼─────┤ │
│
├──────┼──────────┼────────────┼───────────
61491│61492│ │
│ │8 │
│N 3, N 4, │N 1, N 2
│
│ │ │
│ │ │N 5, N 6, │
│
│ │ │
│ │ │N 7, N 8, │
│
│ │ │
│ │ │N 9, N 10, │
│
│ │ │
│ │ │N 11 │
─────┼─────┤
├──┼────┼──────┼──────────┼────────────┼───────────
01451│01452│ │22│12,0│18 │N 4, N 5, │N 3, N 5, │N 1, N 2
│
│ │ │
│ │N 6, N 9,
│N 7, N 8, │
│
│ │ │
│ │N 10 │N 11 │
─────┼─────┤ │
│
├──────┼──────────┼────────────┼───────────
61451│61452│ │
│ │8 │N 4, N 6, │N 3, N 5, │N 1, N 2
│
│ │ │
│ │N 9, N 10
│N 7, N 8, │
│
│ │ │
│ │ │N 11 │
─────┼─────┼───┼──┤
├──────┼──────────┼────────────┼───────────
01251│01252│50
│20│ │18 │N 10 │N 3, N 4, │N 1, N 2
│ │ │
│ │ │ │N 5, N 6, │
│
│ │ │
│ │ │N 7, N 8, │
│
│ │ │
│ │ │N 9, N 11 │
─────┼─────┤ │
│
├──────┼──────────┼────────────┼───────────
61251│61252│ │
│ │8
│N 10 │N 3, N
4, │N 1, N 2
│
│ │ │
│ │ │N 5, N 6, │
│
│ │ │
│ │ │N 7, N 8, │
│
│ │ │
│ │ │N 9, N 11 │
─────┼─────┤
├──┼────┼──────┼──────────┼────────────┼───────────
01471│01472│ │25│14 │18
│N 3, N 5, │N 4, N 10,
│N 1, N 2,
│
│ │ │
│ │N 6 │N 11 │N 7, N 8,
│
│ │ │
│ │ │ │N 9
─────┼─────┤ │
│
├──────┼──────────┼────────────┼───────────
61471│61472│ │
│ │8 │N 3, N 6 │N 4, N 10, │N 1, N 2,
│
│ │ │
│ │ │N 11 │N 5, N 7,
│
│ │ │
│ │ │ │N 8, N 9
─────┼─────┼───┼──┼────┼──────┼──────────┼────────────┼───────────
01271│01272│60
│22│12 │18 │N 3, N 6 │N 4, N 5, │N 1, N 2,
│
│ │ │
│ │ │N 10, N 11 │N 7, N 8,
│
│ │ │
│ │ │ │N 9
─────┼─────┤ │
│
├──────┼──────────┼────────────┼───────────
61271│61272│ │
│ │8 │N 3, N 6 │N 4, N 10, │N 1, N 2,
│
│ │ │
│ │ │N 11 │N 5, N 7,
│
│ │ │
│ │ │ │N 8, N 9
3. Óñëîâíîå
îáîçíà÷åíèå ïëàñòèí - ïî ÃÎÑÒ 25393.
4. Îðèåíòèðîâî÷íàÿ
ìàññà ïëàñòèí óêàçàíà â ñïðàâî÷íîì Ïðèëîæåíèè.
5.
Òåõíè÷åñêèå òðåáîâàíèÿ - ïî ÃÎÑÒ 2209.
6. Ïðèìåíÿåìûå
ìàðêè ñïëàâîâ: N 1 - Ò30Ê4, N 2 - Ò15Ê6, N 3 - Ò14Ê8, N 4 - Ò5Ê10, N 5 -
ÒÒ10Ê8-Á, N 6 - ÒÒ7Ê12, N 7 - ÂÊ3, ÂÊ3-Ì, N 8 - ÂÊ6-Ì, ÂÊ6-ÎÌ, N 9 - ÂÊ6, N 10 - ÂÊ8, N 11- ÂÊ10-ÕÎÌ.
Ïðèëîæåíèå
Ñïðàâî÷íîå
Òàáëèöà 2
Îðèåíòèðîâî÷íàÿ
ìàññà ïëàñòèí
───────┬───────────────────────────────────────────────────────────────────────
Îáîçíà-│ Îðèåíòèðîâî÷íàÿ ìàññà ïëàñòèí â ã èç òâåðäîãî
ñïëàâà ìàðîê
÷åíèå
├──────┬──────┬──────┬──────┬───────┬──────┬──────┬───────┬──────┬──────
ïëàñòèí│Ò30Ê4
│Ò15Ê6 │Ò14Ê8 │Ò5Ê10
│ÒÒ10Ê8-│ÒÒ7Ê12│ÂÊ3-Ì,│ÂÊ6-ÎÌ,│ ÂÊ8 │ÂÊ10-
│ │ │ │ │Á │ │ ÂÊ3 │ ÂÊ6-Ì,│ │ÕÎÌ
│ │ │ │ │ │ │ │
ÂÊ6
│ │
───────┼──────┼──────┼──────┼──────┼───────┼──────┼──────┼───────┼──────┼──────
01291 │0,29
│0,34 │0,34 │0,38
│0,41 │0,40 │0,46
│0,45 │0,44 │0,44
───────┼──────┼──────┼──────┼──────┼───────┼──────┼──────┼───────┼──────┼──────
01311 │0,58
│0,68 │0,68 │0,74
│0,82 │0,79 │0,91
│0,90 │0,88 │0,89
───────┼──────┼──────┼──────┼──────┼───────┼──────┼──────┼───────┼──────┼──────
01331 │1,00
│1,18 │1,18 │1,34
│1,43 │1,38 │1,58
│1,56 │1,54 │1,55
───────┼──────┼──────┼──────┼──────┼───────┼──────┼──────┼───────┼──────┼──────
02611 │1,45
│1,70 │1,71 │1,90
│2,05 │1,97 │2,27
│2,22 │2,19 │2,20
───────┼──────┼──────┼──────┼──────┼───────┼──────┼──────┼───────┼──────┼──────
01351 │2,00
│2,36 │2,37 │2,68
│2,87 │2,76 │3,18
│3,12 │3,08 │3,10
───────┼──────┼──────┼──────┼──────┼───────┼──────┼──────┼───────┼──────┼──────
61351 │2,10
│2,48 │2,49 │2,81
│3,00 │2,90 │3,34
│3,28 │3,23 │3,25
───────┼──────┼──────┼──────┼──────┼───────┼──────┼──────┼───────┼──────┼──────
02631 │2,76
│3,25 │3,26 │3,65
│3,91 │3,76 │4,33
│4,23 │4,18 │4,21
───────┼──────┼──────┼──────┼──────┼───────┼──────┼──────┼───────┼──────┼──────
01371 │3,90
│4,60 │4,65 │5,25
│5,62 │5,40 │6,20
│6,10 │6,05 │6,09
───────┼──────┼──────┼──────┼──────┼───────┼──────┼──────┼───────┼──────┼──────
61371 │4,10
│4,83 │4,88 │5,51
│5,89 │5,67 │6,51
│6,41 │6,35 │6,39
───────┼──────┼──────┼──────┼──────┼───────┼──────┼──────┼───────┼──────┼──────
02051 │4,20
│4,95 │5,00 │5,60
│5,85 │5,80 │6,65
│6,55 │6,50 │6,55
───────┼──────┼──────┼──────┼──────┼───────┼──────┼──────┼───────┼──────┼──────
02691 │4,52
│5,31 │5,40 │6,05
│6,27 │6,10 │7,32
│7,12 │6,95 │7,12
───────┼──────┼──────┼──────┼──────┼───────┼──────┼──────┼───────┼──────┼──────
02231 │6,70
│7,85 │7,90 │8,90
│9,25 │9,20 │10,60 │10,40 │10,30 │10,38
───────┼──────┼──────┼──────┼──────┼───────┼──────┼──────┼───────┼──────┼──────
02251 │8,65
│10,20 │10,20 │11,50 │12,30 │11,90 │13,70 │13,40 │13,30 │13,39
───────┼──────┼──────┼──────┼──────┼───────┼──────┼──────┼───────┼──────┼──────
62251 │9,08
│10,71 │10,71 │12,10 │12,95 │12,50 │14,40 │14,10 │14,00 │14,10
───────┼──────┼──────┼──────┼──────┼───────┼──────┼──────┼───────┼──────┼──────
02651 │6,18
│7,26 │7,30 │8,16
│8,74 │8,42 │9,69
│9,47 │9,34 │9,91
───────┼──────┼──────┼──────┼──────┼───────┼──────┼──────┼───────┼──────┼──────
01391 │8,10
│9,55 │9,60 │10,80 │11,56 │11,20 │12,80 │12,60 │12,50 │12,59
───────┼──────┼──────┼──────┼──────┼───────┼──────┼──────┼───────┼──────┼──────
61391 │8,50
│10,03 │10,08 │11,30 │12,10 │11,80 │13,40 │13,20 │13,10 │13,19
───────┼──────┼──────┼──────┼──────┼───────┼──────┼──────┼───────┼──────┼──────
02271 │15,20 │18,00 │18,00
│20,50 │21,95 │21,00
│24,20 │23,80 │23,50
│23,66
───────┼──────┼──────┼──────┼──────┼───────┼──────┼──────┼───────┼──────┼──────
62271 │16,00 │18,90 │18,90
│21,50 │23,02 │22,00
│25,40 │25,00 │24,70
│24,87
───────┼──────┼──────┼──────┼──────┼───────┼──────┼──────┼───────┼──────┼──────
02291 │19,80 │23,50 │23,50
│26,50 │27,50 │27,20
│31,50 │31,00 │30,50
│30,71
───────┼──────┼──────┼──────┼──────┼───────┼──────┼──────┼───────┼──────┼──────
02671 │11,58 │13,62 │13,68
│15,30 │16,38 │15,78
│18,18 │17,76 │17,52
│17,64
───────┼──────┼──────┼──────┼──────┼───────┼──────┼──────┼───────┼──────┼──────
01151 │14,20 │16,80 │16,80
│19,00 │20,34 │19,50
│22,50 │22,00 │21,80
│21,95
───────┼──────┼──────┼──────┼──────┼───────┼──────┼──────┼───────┼──────┼──────
61151 │14,90 │17,60 │17,60
│20,00 │21,41 │20,50
│23,60 │23,10 │22,90
│23,06
───────┼──────┼──────┼──────┼──────┼───────┼──────┼──────┼───────┼──────┼──────
02411 │17,00 │20,00 │20,20
│22,50 │23,50 │23,50
│26,80 │26,50 │26,00
│26,18
───────┼──────┼──────┼──────┼──────┼───────┼──────┼──────┼───────┼──────┼──────
02311 │24,50 │29,00 │29,00
│32,50 │31,86 │33,50
│39,50 │38,00 │37,50
│37,76
───────┼──────┼──────┼──────┼──────┼───────┼──────┼──────┼───────┼──────┼──────
62311 │25,70 │30,40 │30,40
│34,10 │36,51 │35,20
│40,40 │40,00 │39,40
│39,68
───────┼──────┼──────┼──────┼──────┼───────┼──────┼──────┼───────┼──────┼──────
01411 │27,50 │32,00 │32,50
│36,50 │39,10 │37,50
│43,50 │43,00 │42,50
│42,80
───────┼──────┼──────┼──────┼──────┼───────┼──────┼──────┼───────┼──────┼──────
61411 │28,90 │33,60 │34,10
│38,30 │41,00 │39,40
│45,70 │44,60 │44,10
│44,41
───────┼──────┼──────┼──────┼──────┼───────┼──────┼──────┼───────┼──────┼──────
02431 │28,00 │32,50 │33,00
│37,00 │38,50 │38,00
│44,00 │43,00 │42,80
│43,10
───────┼──────┼──────┼──────┼──────┼───────┼──────┼──────┼───────┼──────┼──────
02351 │43,00 │51,00 │51,00
│58,00 │62,09 │59,00
│68,00 │67,00 │67,00
│67,47
───────┼──────┼──────┼──────┼──────┼───────┼──────┼──────┼───────┼──────┼──────
62351 │45,20 │53,60 │54,00
│60,90 │65,20 │62,00
│71,00 │70,00 │69,00
│69,48
───────┼──────┼──────┼──────┼──────┼───────┼──────┼──────┼───────┼──────┼──────
02451 │35,50 │41,50 │42,00
│47,00 │49,00 │48,50
│56,00 │55,00 │54,00
│54,38
───────┼──────┼──────┼──────┼──────┼───────┼──────┼──────┼───────┼──────┼──────
62451 │37,30 │43,60 │44,00
│49,30 │51,00 │50,90
│59,00 │58,00 │57,00
│57,40
───────┼──────┼──────┼──────┼──────┼───────┼──────┼──────┼───────┼──────┼──────
01431 │50,00 │58,00 │59,00
│66,00 │70,65 │68,00
│79,00 │77,00 │76,00
│76,53
───────┼──────┼──────┼──────┼──────┼───────┼──────┼──────┼───────┼──────┼──────
61431 │53,00 │61,00 │62,00
│69,30 │74,19 │71,00
│83,00 │81,00 │80,00
│80,56
───────┼──────┼──────┼──────┼──────┼───────┼──────┼──────┼───────┼──────┼──────
02511 │62,00 │73,00 │74,00
│83,00 │88,86 │86,00
│98,00 │97,00 │96,00
│96,67
───────┼──────┼──────┼──────┼──────┼───────┼──────┼──────┼───────┼──────┼──────
62511 │65,00 │77,00 │78,00
│87,20 │93,36 │90,00
│103,00│102,00 │101,00│101,70
───────┼──────┼──────┼──────┼──────┼───────┼──────┼──────┼───────┼──────┼──────
01491 │61,00 │72,00 │72,50
│81,00 │84,00 │83,50
│96,00 │95,00 │94,00
│94,66
───────┼──────┼──────┼──────┼──────┼───────┼──────┼──────┼───────┼──────┼──────
61491 │64,00 │76,00 │76,50
│85,00 │88,00 │87,50
│101,00│100,00 │99,00 │99,70
───────┼──────┼──────┼──────┼──────┼───────┼──────┼──────┼───────┼──────┼──────
01451 │91,00 │106,00│104,00│121,00│129,00
│125,00│143,00│111,00 │139,00│140,00
───────┼──────┼──────┼──────┼──────┼───────┼──────┼──────┼───────┼──────┼──────
61451 │96,00
│111,00│112,00│127,00│136,00
│131,00│150,00│148,00 │146,00│147,00
───────┼──────┼──────┼──────┼──────┼───────┼──────┼──────┼───────┼──────┼──────
01251
│102,00│119,00│120,00│136,00│141,00
│140,00│161,00│158,00 │156,00│157,00
───────┼──────┼──────┼──────┼──────┼───────┼──────┼──────┼───────┼──────┼──────
61251
│107,00│125,00│126,00│143,00│148,00
│147,00│169,00│166,00 │164,00│165,00
───────┼──────┼──────┼──────┼──────┼───────┼──────┼──────┼───────┼──────┼──────
01471
│148,00│174,00│175,00│198,00│212,00
│204,00│234,00│230,00 │228,00│229,60
───────┼──────┼──────┼──────┼──────┼───────┼──────┼──────┼───────┼──────┼──────
61471
│155,00│183,00│184,00│208,00│220,00
│214,00│246,00│242,00 │239,00│240,70
───────┼──────┼──────┼──────┼──────┼───────┼──────┼──────┼───────┼──────┼──────
01271
│136,00│160,00│161,00│181,00│194,00
│187,00│215,00│211,00 │208,00│209,50
───────┼──────┼──────┼──────┼──────┼───────┼──────┼──────┼───────┼──────┼──────
61271
│143,00│168,00│169,00│190,00│203,00
│196,00│226,00│222,00 │218,00│219,00
───────┼──────┼──────┼──────┼──────┼───────┼──────┼──────┼───────┼──────┼──────
01352 │1,98
│2,34 │2,35 │2,60
│2,86 │2,74 │3,14
│3,10 │3,06 │3,08
───────┼──────┼──────┼──────┼──────┼───────┼──────┼──────┼───────┼──────┼──────
61352 │2,00
│2,35 │2,36 │2,64
│2,82 │2,72 │3,13
│3,06 │3,02 │3,04
───────┼──────┼──────┼──────┼──────┼───────┼──────┼──────┼───────┼──────┼──────
01372 │3,70
│4,35 │4,37 │4,89
│5,24 │5,04 │5,81
│5,68 │5,60 │5,64
───────┼──────┼──────┼──────┼──────┼───────┼──────┼──────┼───────┼──────┼──────
61372 │3,90
│4,58 │4,61 │5,15
│5,51 │5,31 │6,12
│5,98 │5,90 │5,94
───────┼──────┼──────┼──────┼──────┼───────┼──────┼──────┼───────┼──────┼──────
02052 │3,70
│4,38 │4,41 │4,95
│5,29 │5,10 │5,90
│5,74 │5,70 │5,74
───────┼──────┼──────┼──────┼──────┼───────┼──────┼──────┼───────┼──────┼──────
02692 │4,32
│5,11 │5,14 │5,77
│6,17 │5,95 │6,88
│6,70 │6,65 │6,70
───────┼──────┼──────┼──────┼──────┼───────┼──────┼──────┼───────┼──────┼──────
02232 │6,48
│7,60 │7,60 │8,50
│8,75 │8,70 │10,12 │9,90 │9,80
│9,88
───────┼──────┼──────┼──────┼──────┼───────┼──────┼──────┼───────┼──────┼──────
02252 │8,12
│9,55 │9,59 │10,70 │11,50 │11,10 │12,70 │12,40 │12,30 │12,39
───────┼──────┼──────┼──────┼──────┼───────┼──────┼──────┼───────┼──────┼──────
62252 │8,57
│10,10 │10,10 │11,30 │12,10 │11,70 │13,50 │13,20 │13,00 │13,09
───────┼──────┼──────┼──────┼──────┼───────┼──────┼──────┼───────┼──────┼──────
01392 │7,96
│9,36 │9,40 │10,51 │11,25 │10,84 │12,49 │12,20 │12,04 │12,12
───────┼──────┼──────┼──────┼──────┼───────┼──────┼──────┼───────┼──────┼──────
02272 │8,06
│9,48 │9,53 │10,60 │11,40 │11,00 │12,70 │12,40 │12,20 │12,28
───────┼──────┼──────┼──────┼──────┼───────┼──────┼──────┼───────┼──────┼──────
61392 │14,70 │17,30 │17,40
│19,50 │20,80 │20,10
│23,10 │22,60 │22,30
│22,46
───────┼──────┼──────┼──────┼──────┼───────┼──────┼──────┼───────┼──────┼──────
62272 │15,50 │18,20 │18,30
│20,50 │21,90 │21,10
│24,30 │23,80 │23,40
│23,56
───────┼──────┼──────┼──────┼──────┼───────┼──────┼──────┼───────┼──────┼──────
02292 │19,01 │22,70 │22,70
│25,70 │26,70 │26,40
│23,50 │30,00 │29,50
│29,70
───────┼──────┼──────┼──────┼──────┼───────┼──────┼──────┼───────┼──────┼──────
01152 │13,58 │15,97 │16,04
│17,94 │19,21 │18,51
│21,32 │20,83 │20,53
│20,67
───────┼──────┼──────┼──────┼──────┼───────┼──────┼──────┼───────┼──────┼──────
61152 │14,30 │16,90 │16,90
│18,90 │20,30 │19,50
│22,50 │22,00 │21,70
│21,85
───────┼──────┼──────┼──────┼──────┼───────┼──────┼──────┼───────┼──────┼──────
02412 │16,20 │19,00 │19,20
│21,50 │22,50 │22,50
│25,80 │25,50 │25,00
│25,18
───────┼──────┼──────┼──────┼──────┼───────┼──────┼──────┼───────┼──────┼──────
02312 │23,40 │27,52 │27,60
│30,90 │33,10 │31,89
│36,74 │35,89 │35,41
│35,66
───────┼──────┼──────┼──────┼──────┼───────┼──────┼──────┼───────┼──────┼──────
62312 │24,60 │28,95 │29,08
│32,52 │34,80 │33,54
│38,64 │37,75 │37,24
│34,48
───────┼──────┼──────┼──────┼──────┼───────┼──────┼──────┼───────┼──────┼──────
01412 │26,41 │31,06 │31,20
│34,89 │37,36 │35,99
│41,46 │40,50 │39,96
│40,24
───────┼──────┼──────┼──────┼──────┼───────┼──────┼──────┼───────┼──────┼──────
61412 │27,77 │32,66 │32,81
│36,69 │39,28 │37,84
│43,60 │42,59 │42,02
│42,31
───────┼──────┼──────┼──────┼──────┼───────┼──────┼──────┼───────┼──────┼──────
02432 │27,00 │31,50 │31,80
│35,62 │38,08 │36,74
│42,50 │41,40 │41,00
│41,20
───────┼──────┼──────┼──────┼──────┼───────┼──────┼──────┼───────┼──────┼──────
02352 │41,19 │48,44 │48,65
│54,42 │58,26 │56,12
│64,66 │63,17 │62,31
│62,75
───────┼──────┼──────┼──────┼──────┼───────┼──────┼──────┼───────┼──────┼──────
62352 │43,38 │51,02 │51,25
│57,32 │61,36 │59,11
│68,10 │66,53 │65,63
│66,09
───────┼──────┼──────┼──────┼──────┼───────┼──────┼──────┼───────┼──────┼──────
02452 │34,00 │40,00 │40,50
│15,50 │47,50 │47,00
│54,00 │53,00 │52,00
│52,30
───────┼──────┼──────┼──────┼──────┼───────┼──────┼──────┼───────┼──────┼──────
62452 │36,00 │41,10 │42,50
│48,00 │49,00 │48,90
│56,30 │55,50 │54,50
│55,00
───────┼──────┼──────┼──────┼──────┼───────┼──────┼──────┼───────┼──────┼──────
01432 │47,51 │55,88 │56,13
│62,77 │67,20 │64,74
│74,59 │72,87 │71,88
│72,38
───────┼──────┼──────┼──────┼──────┼───────┼──────┼──────┼───────┼──────┼──────
61432 │50,00 │58,82 │59,08
│66,07 │70,74 │68,15
│78,51 │76,70 │75,66
│76,19
───────┼──────┼──────┼──────┼──────┼───────┼──────┼──────┼───────┼──────┼──────
02512 │60,11 │70,70 │71,01
│79,42 │85,02 │81,91
│94,37 │92,19 │90,94
│91,58
───────┼──────┼──────┼──────┼──────┼───────┼──────┼──────┼───────┼──────┼──────
62512 │63,29 │74,43 │74,76
│83,62 │89,52 │86,24
│99,36 │97,06 │95,75
│96,42
───────┼──────┼──────┼──────┼──────┼───────┼──────┼──────┼───────┼──────┼──────
01492 │58,50 │69,00 │69,50
│78,00 │81,00 │80,50
│93,00 │92,00 │91,00
│91,60
───────┼──────┼──────┼──────┼──────┼───────┼──────┼──────┼───────┼──────┼──────
61492 │61,00 │73,00 │73,50
│82,00 │85,00 │84,50
│97,00 │96,00 │95,50
│96,20
───────┼──────┼──────┼──────┼──────┼───────┼──────┼──────┼───────┼──────┼──────
01452 │87,28
│103,00│103,00│115,00│123,00 │119,00│137,00│134,00
│132,00│133,00
───────┼──────┼──────┼──────┼──────┼───────┼──────┼──────┼───────┼──────┼──────
61452 │92,00
│108,00│108,00│121,00│130,00
│125,00│144,00│141,00 │139,00│140,00
───────┼──────┼──────┼──────┼──────┼───────┼──────┼──────┼───────┼──────┼──────
01252 │98,00
│115,00│116,00│132,00│137,00
│136,00│156,00│153,50 │151,50│152,50
───────┼──────┼──────┼──────┼──────┼───────┼──────┼──────┼───────┼──────┼──────
61252
│103,00│121,00│122,00│139,00│144,00
│143,00│164,00│161,00 │159,00│160,20
───────┼──────┼──────┼──────┼──────┼───────┼──────┼──────┼───────┼──────┼──────
01472
│143,00│168,00│169,00│189,00│202,00
│195,00│225,00│220,00 │217,00│218,50
───────┼──────┼──────┼──────┼──────┼───────┼──────┼──────┼───────┼──────┼──────
61472 │149,00│175,00│176,00│197,00│211,00
│203,00│235,00│229,00 │226,00│227,60
───────┼──────┼──────┼──────┼──────┼───────┼──────┼──────┼───────┼──────┼──────
01272
│133,00│156,00│157,00│175,00│188,00
│181,00│208,00│203,00 │201,00│202,40
───────┼──────┼──────┼──────┼──────┼───────┼──────┼──────┼───────┼──────┼──────
61272
│139,00│164,00│165,00│184,00│197,00
│190,00│219,00│214,00 │211,00│212,50