Утверждено
Приказом НИИСФ
Госстроя СССР
от 19 июня 1986 г.
N 57-и
ПОСОБИЕ
ПО ПОДГОТОВКЕ И ПРОВЕДЕНИЮ СВЕТОМАСКИРОВОЧНЫХ
МЕРОПРИЯТИЙ
В НАСЕЛЕННЫХ ПУНКТАХ И НА ОБЪЕКТАХ НАРОДНОГО ХОЗЯЙСТВА
(К СНиП 2.01.53-84)
Рекомендовано к
изданию НИИСФ Госстроя СССР.
Изложены прогрессивные
способы и представлены технические средства, предназначенные для проведения
светомаскировки в населенных пунктах и на объектах народного хозяйства.
Содержит рекомендуемые типовые решения по светомаскировке электрического
освещения и производственных огней в режимах частичного и полного затемнения,
рекомендации и методики по организации проведения светомаскировочных
мероприятий, экспериментальной проверке их эффективности.
Разработано в
соответствии с программой работ Госстроя СССР на 1982 - 1985 гг. по решению
научно-технической проблемы "Светомаскировка населенных пунктов и объектов
народного хозяйства" НИИСФ Госстроя СССР (канд. техн. наук И.Ф. Черников)
с участием АКХ им. К.Д. Памфилова Минжилкомхоза РСФСР (канд. техн. наук О.Г.
Корягин), ВНИПИ Тяжпромэлектропроект Минмонтажспецстроя СССР (канд. техн. наук
С.А. Клюев), ЦНИИПромзданий Госстроя СССР (инж. П.Д. Колбацкий), ВНИСИ
Минэлектротехпрома СССР (инж. Э.А. Юрген). Использованы материалы ГПИ
Гипрокоммунэнерго Минжилкомхоза РСФСР, Гинцветмет Минцветмета СССР,
Союзтяжмашпроект Минтяжмаша СССР, ВГПИ и НИИ Энергосетьпроект Минэнерго СССР,
ВГПИ и НИИ Сельэнергопроект Минэнерго СССР, ЦНИИЭП учебных зданий
Госгражданстроя, ЦНИИПроектстальконструкция им. Мельникова Госстроя СССР.
Для работников
служб светомаскировки и энергетики штабов ГО, специалистов, реализующих
нормативные положения по световой маскировке, а также для инженерно-технических
работников проектных и научно-исследовательских организаций, разрабатывающих
светомаскировочные мероприятия на объектах народного хозяйства.
При пользовании
Пособием необходимо учитывать утвержденные изменения строительных норм и правил
и государственных стандартов, публикуемые в журнале "Бюллетень
строительной техники", "Сборнике изменений к строительным нормам и
правилам" Госстроя СССР и информационном указателе "Государственные
стандарты СССР" Госстандарта СССР.
1. ОБЩИЕ
ПОЛОЖЕНИЯ
НАЗНАЧЕНИЕ
СВЕТОМАСКИРОВКИ
1.1. Световая
маскировка проводится с целью создания в темное время суток условий,
затрудняющих обнаружение с воздуха населенных пунктов и объектов народного
хозяйства путем визуального наблюдения или с помощью оптических приборов,
рассчитанных на видимую область излучения (0,40 - 0,76 мкм).
1.2. Настоящее
Пособие составлено в развитие СНиП 2.01.53-84 "Световая маскировка
населенных пунктов и объектов народного хозяйства". В Пособии рассмотрены
и конкретизированы вопросы, касающиеся подготовки и проведения мероприятий по
световой маскировке населенных пунктов и объектов народного хозяйства, уточнены
порядок, способы, средства и технические решения по реализации требований и
контролю мероприятий по световой маскировке в режимах ЧЗ и ПЗ.
1.3. При
проектировании, подготовке и проведении световой маскировки населенных пунктов
и объектов народного хозяйства следует руководствоваться нормативными
требованиями, изложенными в СНиП II-10-74, СНиП 2.01.53-84, СНиП ВII-1-81,
Правилах устройства электроустановок (ПУЭ), утвержденных Минэнерго СССР, а
также указаниями настоящего Пособия.
1.4. Световую
маскировку следует проводить в двух режимах: ЧЗ и ПЗ. Условия светомаскировки в
режиме ПЗ не требуют полного отсутствия света в населенных пунктах и на
объектах народного хозяйства. Исходя из тактико-технических данных современной
авиации установлены допустимые нормы освещенности и силы света, создаваемых
электрическим освещением и производственными огнями.
1.5. Мероприятия,
проводимые по реализации требований световой маскировки, должны осуществляться
с минимальными затратами средств и материалов и с максимальным использованием
имеющегося оборудования, электрических сетей и устройств управления,
предназначенных для нормального режима работы объектов народного хозяйства.
ХАРАКТЕРИСТИКА
РЕЖИМА ЧЗ <1>
--------------------------------
<1> Сущность
режима частичного затемнения в настоящее время не соответствует его названию,
исторически сложившемуся еще до Великой Отечественной войны.
1.6. Режим ЧЗ не
должен нарушать нормальную производственную деятельность в населенных пунктах и
на объектах народного хозяйства. Основное назначение режима ЧЗ заключается в
проведении подготовительных мероприятий, необходимых для введения режима ПЗ. В
режиме ЧЗ предусматривается снижение потребления электроэнергии за счет
снижения уровня освещенности согласно требованиям СНиП ВII-1-81 и отключения
второстепенных потребителей, не влияющих на основную производственную
деятельность народного хозяйства. Однако во время его действия, если это
необходимо по условиям производства, освещенность на рабочих местах может не
снижаться.
1.7. В режиме ЧЗ
освещение территорий парков, стадионов и выставок, установки для архитектурной
подсветки, а также осветительные приборы рекламного и витринного освещения
должны отключаться от источников питания или электрических сетей со снятием
предохранителей и отсоединением катушек контакторов магнитных пускателей, что
исключает возможность их местного включения. Одновременно следует
предусматривать снижение уровней наружного освещения городских и поселковых
улиц, дорог, площадей, территорий парков, бульваров, детских школьных и
лечебно-оздоровительных учреждений и других объектов с нормируемыми значениями
в обычном режиме средней яркости 0,4 кд/м2 и выше или средней освещенности 4 лк
и выше путем выключения до половины светильников. При этом не допускается
отключение двух подряд расположенных светильников.
Снижение
освещенности улиц и дорог с нормируемыми величинами средней яркости 0,2 кд/м2
или средней освещенности 2 лк и ниже, пешеходных дорог, мостиков и аллей,
автостоянок и внутренних служебно-хозяйственных и пожарных проездов, а также
улиц и дорог сельских населенных пунктов в режиме ЧЗ не предусматривается.
1.8. Наружные
светильники, устанавливаемые над входами (въездами) в здания и сооружения,
габаритные огни светового ограждения высотных сооружений в режиме ЧЗ, как
правило, отключаться не должны.
В режиме ЧЗ
освещенность мест производства работ вне зданий и территорий предприятий
рекомендуется снижать до уровней, предусмотренных СНиП ВII-1-81 по
проектированию естественного и искусственного освещения.
При выборе
освещенности для режима ЧЗ рекомендуется пользоваться сопоставительными табл.
1, 2 Прил. 1 (для мирного и военного времени).
1.9. В режиме ЧЗ
освещенность жилых, общественных, производственных и вспомогательных зданий
рекомендуется снижать до уровней, предусмотренных СНиП ВII-1-81 по
проектированию естественного и искусственного освещения.
Снижение
освещенности рекомендуется предусматривать при любых применяемых в помещениях
способах световой маскировки (электрическом, светотехническом, механическом), а
также в помещениях, не имеющих естественного освещения.
При выборе уровня
освещенности в режиме ЧЗ рекомендуется пользоваться сопоставительными табл. 3,
4 Прил. 1.
1.10. При расчете
освещенности от общего внутреннего освещения для режима ЧЗ рекомендуется
применять те же способы и методы расчета, что и при расчете общего освещения
для нормального (мирного) режима (по удельной мощности, метод коэффициента
использования, точечный метод).
Расчет освещенности
для режима ЧЗ следует выполнять при коэффициентах запаса, указанных в табл. 5
Прил. 1.
1.11. Источники
светового излучения, возникающие на промышленных, транспортных и
сельскохозяйственных предприятиях в процессе их технологической деятельности
(производственные огни), в режиме ЧЗ световой маскировке не подлежат.
Исключение
составляют те производственные огни, световое излучение которых не может быть
устранено принятыми способами светомаскировки за нормативное время при подаче
сигнала ВТ. К таким производственным огням относятся, например, выпуск стали из
мартеновских печей, шлаковые отвалы в отдельных производствах, технологические
факелы и т.д. Световую маскировку таких производственных огней следует начинать
заблаговременно при введении режима ЧЗ.
ХАРАКТЕРИСТИКА
РЕЖИМА ПЗ
1.12. Режим ПЗ
является основным режимом светомаскировки. Режим ПЗ вводится с целью создания в
темное время суток условий, затрудняющих обнаружение населенных пунктов и
объектов народного хозяйства с воздуха путем визуального наблюдения или с
помощью оптических приборов, рассчитанных на видимую область излучения (0,40 -
0,76 мкм).
1.13. Световая
маскировка населенных пунктов и объектов народного хозяйства осуществляется
электрическим, светотехническим, технологическим и механическим способами или
их сочетанием.
Электрический
способ световой маскировки заключается в централизованном отключении
электроосвещения всего объекта или его части.
При
светотехническом способе световой маскировки снижение освещенности от
электрического освещения до нормативных значений осуществляется путем
оборудования осветительных и светосигнальных установок маскировочными
приспособлениями или устройствами маскировочного освещения.
Механический способ
световой маскировки состоит в закрытии световых и аэрационных проемов зданий и
сооружений, а также в экранировании светящихся объектов светонепроницаемыми
материалами или конструкциями.
Технологический
способ предназначен для световой маскировки производственных огней и заключается
в проведении мероприятий, в результате которых технологическое световое
излучение не возникает или снижается до уровней, позволяющих его световую
маскировку осуществить механическим способом.
Выбор способа
светомаскировки должен производиться в каждом конкретном случае с учетом
рекомендаций настоящего Пособия и согласовываться с местными органами ГО.
1.14. В режиме ПЗ
все наружное освещение и световые знаки мирного времени должны быть выключены
за исключением мест проведения неотложных производственных, аварийно-спасательных
и восстановительных работ, а также опасных участков путей эвакуации людей к
защитным сооружениям и входов в них, где следует предусматривать маскировочное
освещение.
1.15. Места и
участки на территориях, где согласно п. 1.14 необходимо маскировочное
освещение, должны быть выявлены проектировщиками технологической части,
проектировщиками мероприятий ГО и работниками служб эксплуатации промышленных
предприятий.
1.16.
Применяемые в режиме ПЗ светильники наружного маскировочного освещения должны
удовлетворять следующим требованиям:
а) весь световой
поток светильников должен быть направлен в нижнюю полусферу;
б)
создаваемая светильниками освещенность поверхностей не должна превышать 0,2 лк;
в) светильники
должны иметь защитный угол не менее 15° и жесткое крепление, исключающее
возможность изменения их положения под воздействием ветра со скоростью до 40
м/с;
г) светильники
следует размещать так, чтобы их световой поток не падал на стены строений и
другие вертикальные поверхности, их установка вблизи поверхностей с зеркальным
характером отражения не допускается.
В тех местах, где
постоянное маскировочное освещение не предусмотрено, допускается использование
переносных осветительных фонарей с освещенностью, не превышающей 2 лк при
размерах светового пятна на расстоянии 1 м не более 1 м2, а также использование
специальных переносных светильников.
1.17. В режиме ПЗ в
жилых зданиях (независимо от пребывания людей), а также в помещениях
общественных, производственных и вспомогательных зданий, в которых не
предусматривается пребывание людей в темное время суток или прекращается работа
по сигналу ВТ, применяется электрический способ маскировки - централизованное
отключение освещения в жилых зданиях и местное отключение освещения в помещениях
других указанных зданий.
Световая маскировка
тех зданий или помещений, где продолжается работа при подаче сигнала ВТ или по
условиям производства невозможно безаварийное отключение освещения,
осуществляется светотехническим или механическим способом.
1.18. При
светотехническом способе маскировки в производственных помещениях в режиме ПЗ
должно предусматриваться, в зависимости от характера помещения и особенностей
технологического процесса, общее или местное маскировочное освещение или их
сочетание.
Выявление мест, для
которых необходимо маскировочное освещение и выбор системы освещения (общее или
местное), должно производиться проектировщиками технологической части или
службами эксплуатации предприятия при участии проектировщиков-светотехников.
1.19.
Установки общего внутреннего маскировочного освещения, работающие в режиме ПЗ,
должны удовлетворять следующим светотехническим требованиям:
а) весь
световой поток светильников должен быть направлен в нижнюю полусферу;
б) защитный
угол светильников должен составлять не менее 30°;
в)
попадание прямого светового потока на световые проемы и стены должно быть
исключено;
г)
освещенность на поверхностях, просматриваемых через световые проемы из верхней
полусферы, не должна превышать 0,5 лк.
1.20. Местное
маскировочное освещение следует предусматривать в тех случаях, когда
продолжение работы при общем маскировочном освещении невозможно.
1.21.
Установки местного маскировочного освещения, работающие в режиме ПЗ, кроме
требований, указанных в п. 1.19 а, б, в, должны удовлетворять следующим
дополнительным требованиям:
освещенность на
поверхностях в пределах светового пятна, просматриваемого через световые проемы
из верхней полусферы, должна быть не более 5 лк;
площадь светового
пятна, создаваемого светильником, не должна превышать 1 м2.
1.22. При расчете
установок наружного и внутреннего маскировочного освещения коэффициент запаса
следует принимать равным 1 в отличие от величин, приведенных в табл. 5 Прил. 1.
1.23. Для
производственных зданий или отдельных помещений, в которых для продолжения
работы в режиме ПЗ требуются уровни освещенности, превышающие указанные в п.
1.19, следует применять механический способ маскировки - закрытие световых и
аэрационных проемов и устройство тамбуров при входах.
1.24. Маскировка
производственных огней промышленных предприятий в режиме ПЗ должна
производиться технологическим и механическим способами или их сочетанием.
Способы и средства
световой маскировки определяются в каждом конкретном случае в соответствии с
технологией производства и требованиями ведомственных инструкций по световой
маскировке и безаварийной остановке производства, утверждаемых в установленном
порядке.
1.25. После
проведения светомаскировочных мероприятий допускается выход светового излучения
производственных огней в верхнюю полусферу под углом 6° к горизонту с силой
света не более 0,13 кд (при расчете на наблюдение с помощью оптических
приборов). Допустимые значения силы света производственных огней, направленных
под другими углами к горизонту, приведены на черт. 1. Допустимые значения
освещенности на горизонтальных, наклонных и вертикальных поверхностях,
создаваемые производственными огнями, не должны превышать нормированных
значений освещенности светомаскировочного освещения (см. пп. 1.16 и 1.19).

Черт. 1.
Зависимость допустимой силы света
от угла наблюдения
1.26. На
территориях населенных пунктов и объектов народного хозяйства для информации об
объектах ГО и для обозначения въездов на территории, углов зданий, выходов и
ориентиров для проходов, габаритов транспортных средств в режиме ПЗ следует
применять световые знаки и дополнительно белые или светящие краски,
световозвращающие и рассеивающие свет покрытия.
Места установки
световых знаков и их номенклатура должны определяться проектировщиками служб
гражданской обороны или службами эксплуатации промышленных предприятий на
основании схем эвакуации и расположения защитных сооружений.
1.27. Максимально
допустимые значения освещенности и силы света в режимах ЧЗ и ПЗ снаружи и
внутри зданий приведены в табл. 1.
Таблица 1
───────────────────────────────────┬───────────────────────────────────────
Объект │ Освещенность, яркость, сила света,
│ не более
├─────────────────────┬─────────────────
│ в режиме ЧЗ │
в режиме ПЗ
───────────────────────────────────┼─────────────────────┼─────────────────
Точечные
источники света │ - │0,13 кд под углом
(производственные
огни и др.) │ │6° выше горизонта
Улицы,
дороги, площади, территории │2 лк (или яркость │
0,0
парков,
спортивных сооружений и др.│0,2 кд/м2) │
Места
проведения наружных │1 -
20 лк <*> │ 0,2 лк
неотложных
аварийно-спасательных │(в
зависимости │
и
восстановительных работ
│от разряда зрительной│
│работы) │
Проходы
и проезды на территориях │ 0,2 - 1,0 лк │
0,2 лк
предприятий
и проходы к защитным │ │
сооружениям │ │
Жилые,
общественные, │5 1500 │ 0,0
вспомогательные
и производственные │- - ---- лк <*>, <**>│
здания,
в которых прекращается │3 750 │
работа
при подаче сигнала ВТ │в
зависимости от │
│разряда зрительной │
│работы
│
Общественные,
производственные и │ То же │0,5 лк при общем
вспомогательные
здания, в которых │ │освещении;
продолжается
работа при подаче │ │5 лк при местном
сигнала
ВТ (при отсутствии │ │освещении и
экранировки
светопроемов) │ │площади светового
│ │пятна не более
│ │1 м2
Поверхности,
расположенные в зоне │ - │ 0,2 лк
устанавливаемых
снаружи световых │ │
знаков │ │
Поверхности,
расположенные в зоне │ - │ 0,5 лк
устанавливаемых
внутри зданий │ │
световых
знаков │ │
--------------------------------
<*> Рекомендуемые
нормы освещенности.
<**>
Значение над чертой относится к освещенности от газоразрядных ламп, под чертой
- к освещенности при использовании ламп накаливания.
ОСНОВНЫЕ ЭТАПЫ
ПРОВЕДЕНИЯ СВЕТОМАСКИРОВОЧНЫХ МЕРОПРИЯТИЙ
1.28. Проведение
светомаскировочных мероприятий в населенных пунктах и на объектах народного
хозяйства должно выполняться на основе общего плана светомаскировки в пределах
автономной республики, края или области.
Общий план
светомаскировки, а также планы светомаскировки населенного пункта и объекта
подготавливаются соответствующими штабами ГО совместно со службами
светомаскировки и энергетики после проведения обследования с целью выявления
объектов, продолжающих работу в режиме ПЗ, и установления источников
демаскирующего светового излучения; планы должны в большей или меньшей степени
отражать следующие этапы проведения работ:
выбор способов и
средств светомаскировки демаскирующих источников на основе результатов
проведенного обследования, установление необходимости проведения проектных
разработок;
проведение
проектных разработок, необходимых для осуществления светомаскировочных
мероприятий в режиме ПЗ, как специализированными проектными организациями, так
и персоналом объектов;
приобретение
необходимого оборудования и материалов для осуществления светомаскировки;
организация и
проведение необходимых светомаскировочных мероприятий в населенных пунктах и на
объектах народного хозяйства;
осуществление
контроля эффективности проведения светомаскировочных мероприятий.
1.29. Общий план
светомаскировки автономной республики, края или области должен включать:
перечень объектов,
расположенных на территории республики, края, области, продолжающих работу в
режиме ПЗ. Указанный перечень должен быть утвержден Советом министров АССР,
краевыми или областными исполкомами соответственно;
проведение
проектной проработки мероприятий в энергетическом хозяйстве - на уровне
энергосистемы, ПЭС или РЭС и электрических сетей 6 - 10 кВ с учетом их схем и
реконструкции;
сроки и готовность
объектов народного хозяйства к введению режимов затемнения;
организационно-технические
мероприятия по реализации способов и средств светомаскировки на территории
автономной республики, края или области;
проведение проверки
эффективности мероприятий по светомаскировке на территориях автономных
республик, краев, областей, городов, сельских местностей, на объектах народного
хозяйства.
1.30. План
светомаскировки населенного пункта должен включать мероприятия по селитебной
территории, по производственным предприятиям и другим объектам народного
хозяйства и составлять единое целое с общим планом светомаскировки в пределах
автономной республики, края или области. План должен учитывать особенности всех
объектов, расположенных на территории населенного пункта.
План светомаскировки
должен отражать вопросы:
электроснабжения и
реконструкции энергетического хозяйства с целью обеспечения централизованного
введения режима ПЗ в пределах населенного пункта;
разработки средств
и способов световой маскировки производственных огней на основе нормативных
документов и ведомственных инструкций по безаварийной остановке производства;
своевременного
введения режимов световой маскировки и осуществления контроля за их
соблюдением;
обеспечения
безопасности населения, охраны и поддержания порядка на объектах;
обеспечения
эффективности световой маскировки при минимальных затратах сил и средств на ее
проведение.
Планы мероприятий
по светомаскировке должны согласовываться с соответствующими штабами ГО.
1.31. Планы
объектов (предприятий и организаций) должны включать следующие
организационно-технические мероприятия по светомаскировке:
назначение лиц,
ответственных за обеспечение подготовки и проведения светомаскировки на
объектах, а также в тех помещениях, где работа продолжается в режиме ПЗ;
уточнение
должностных инструкций персонала, схемы оповещения и связи и др.;
проведение
теоретических и практических занятий с инженерно-техническим и производственным
персоналом по светомаскировке объектов, а также проведение учений;
уточнение
помещений, в которых сохраняется электропитание в режиме ПЗ, и способа их
светомаскировки: электрического, светотехнического или механического;
проведение
мероприятий на объектах по разделению электрических сетей питания светильников,
отключаемых и продолжающих работу в режиме ПЗ, по размещению коммутационных
аппаратов для проведения отключения светильников дежурным персоналом.
В плане мероприятий
по светомаскировке объектов, продолжающих работу в режиме ПЗ, должны быть
отражены вопросы обеспечения внешнего электроснабжения объекта в режиме ПЗ,
согласованные с электроснабжающими предприятиями.
В случае
необходимости выполняются проектные разработки на светомаскировочные
приспособления и устройства, такие, например, как проект на реконструкцию
электрических сетей, устройство светомаскировочного освещения, установку
зашторивающих устройств, разработку печей для утилизации отходящих газов и т.д.
На основании
планов, проектов и другой документации составляются заявочные списки на
необходимые материалы и оборудование, например, на светомаскировочные
материалы, светомаскировочные приспособления, переходные патроны, специальные
светомаскировочные светильники и лампы. Создается необходимый запас
зашторивающих приспособлений для помещений, где принят механический способ
светомаскировки.
1.32. Разработка
планов проведения мероприятий по подготовке электрических сетей разного уровня
к возможности отключения в заданное время объектов, прекращающих работу в
режиме ПЗ, и возможности сохранения питания объектов, продолжающих работу в
этом режиме, возлагается на соответствующие электроснабжающие организации в
пределах края, области, автономной республики и т.д.
На основе данного
плана составляются местные планы реализации указанных мероприятий предприятиями
городских и районных (сельских) электрических сетей.
Местные планы
предприятий городских и районных (сельских) электрических сетей должны
включать:
мероприятия по
подготовке электрических сетей к возможности обеспечения отключения
потребителей, прекращающих работу в режиме ПЗ в заданное время, а также способы
выполнения отключения;
анализ
электроснабжения предприятий, продолжающих работу в режиме ПЗ, и мероприятия по
улучшению (в случае необходимости) их электроснабжения.
1.33. Обследование
начинается с определения территорий, зданий, сооружений или помещений в них,
освещение которых должно отключаться или снижаться с введением режима ЧЗ.
В большинстве
случаев светотехнические параметры демаскирующего излучения объектов народного
хозяйства значительно превышают их нормируемые значения (см. табл. 1) и только
в отдельных случаях при наличии визуально слабого светового излучения для
определения светотехнических параметров пользуются светотехническими приборами:
люксметром Ю117 или фотометром ФПЧ.
При проведении
обследования объекты подразделяются на две группы: имеющие производственные
огни и имеющие только электрическое освещение.
Для
производственных огней определяются геометрические размеры светящихся
поверхностей, их яркость или сила света и другие характерные параметры.
Одновременно устанавливается количество световых и аэрационных проемов, ворот,
тип здания, в котором располагаются агрегаты, излучающие свет.
При обследовании
зданий, в которых продолжается работа в режиме ПЗ при электрическом освещении,
определяется размер и количество световых и аэрационных проемов и описывается
схема электроосветительных сетей.
1.34. На основании
анализа результатов обследования должны быть выявлены:
установки наружного
освещения (рекламного, архитектурного и др.), которые должны быть отключены в
режиме ЧЗ;
улицы, дороги,
проезды, освещение которых должно быть уменьшено в режиме ЧЗ;
помещения в жилых,
общественных и производственных зданиях, освещенность которых должна быть
снижена в режиме ЧЗ;
цехи, отделы,
помещения в производственных и общественных зданиях, в которых для продолжения
работы в режиме ПЗ требуются уровни освещенности выше максимально допустимых
или равные им;
производственные
огни, подлежащие светомаскировке, их светотехнические и геометрические
параметры.
Для маскировки
внутреннего и наружного электроосвещения применяются электрический,
светотехнический и механический способы светомаскировки или их сочетание.
Выбор способов
световой маскировки для каждого конкретного объекта должен производиться
руководителем объекта, а в наиболее сложных случаях -
организацией-генпроектировщиком с участием проектировщиков-светотехников на
основе технико-экономического сравнения вариантов и с учетом характера и
особенностей объекта.
Выбранные способы
световой маскировки должны быть согласованы с органами ГО как с
территориальными, так и с ведомственными. Мероприятия, обусловленные световой
маскировкой, должны осуществляться с минимальными затратами, максимально
используя возможности электрического оборудования, электрических сетей и
устройств управления, предназначенных для нормального (мирного) режима работы
промышленных предприятий. В тех зданиях или отдельных помещениях зданий, где
для продолжения работы в режиме ПЗ требуются уровни освещенности выше
нормированных значений 0,5 лк или 5 лк при местном освещении, необходимо
запроектировать и установить механические зашторивающие устройства для
экранирования окон, фонарей и аэрационных проемов. Кроме того, при входах в
помещение должны быть установлены специальные тамбуры.
В тех случаях,
когда для продолжения работ в зданиях достаточно нормированных уровней
освещенности, предусматривается установка специальных маскировочных светильников
или светомаскировочных приспособлений на светильники, предназначенные для
работы в режиме ПЗ. Для этой цели рекомендуется использовать существующее
аварийное освещение зданий.
При выборе способов
маскировки производственных огней необходимо основываться на следующих
принципах:
производственные
потери при проведении светомаскировочных мероприятий, время, необходимое для
возвращения производства в нормальный технологический режим после снятия режима
ПЗ, а также затраты на светомаскировку должны быть минимальными;
проведение
светомаскировочных мероприятий должно сочетаться с повышением эффективности
производства, с более полной утилизацией отходов и тепла, с экономией
электроэнергии.
Выбор способа
светомаскировки или их сочетания должен быть обоснован соответствующим
технико-экономическим сравнением вариантов. При этом особое внимание должно
обращаться на уменьшение времени проведения светомаскировочных мероприятий.
1.35.
Светомаскировочные мероприятия выполняются силами самих предприятий, организаций
с привлечением в необходимых случаях подрядных строительных и монтажных
организаций.
После изготовления
светомаскировочных устройств и приспособлений и обучения обслуживающего
персонала в каждое здание, помещение, на каждый агрегат устанавливаются светомаскировочные
устройства и приспособления. По мере их готовности проводится локальный
контроль за эффективностью проведенных мероприятий.
Контроль следует
осуществлять визуально и с помощью приборов. Замеченные недостатки устраняются
по мере их выявления. Качество выполненных светомаскировочных мероприятий
рекомендуется проверять на заключительном этапе путем визуального наблюдения за
эффективностью светомаскировки населенного пункта или объекта в целом.
Наблюдения могут проводиться как с самолетов, так и с окружающих населенный
пункт (объект) возвышенностей.
Локальный контроль
отдельных цехов, промышленных агрегатов проводится силами персонала объекта
(служб светомаскировки и энергетики). Оценка эффективности светомаскировки
населенного пункта или объекта в целом проводится штабом ГО населенного пункта
с участием представителей проверяемых объектов.
ОБЪЕМ И СОДЕРЖАНИЕ
ПРОЕКТНО-СМЕТНОЙ ДОКУМЕНТАЦИИ
ПО СВЕТОМАСКИРОВКЕ
НАСЕЛЕННЫХ ПУНКТОВ
И ОБЪЕКТОВ
НАРОДНОГО ХОЗЯЙСТВА
1.36.
Проектно-сметная документация по светомаскировке населенных пунктов и объектов
народного хозяйства разрабатывается заблаговременно в мирное время и является
отдельным разделом при проектировании ИТМ ГО в проектах на строительство новых,
расширение, реконструкцию и техническое перевооружение действующих предприятий
и электросетевых хозяйств.
1.37. При
разработке проектно-сметной документации по светомаскировке промышленных
объектов и реконструкции электрических сетей следует руководствоваться
документами: СНиП 2.01.53-84; СНиП II-10-74, ПУЭ; ОИТП-5-78 и ВСН 97-83
Минэнерго СССР; ведомственными инструкциями по световой маскировке заводов
данной отрасли; инструкциями по безаварийной остановке производства на заводах
данной отрасли, а также другими действующими нормативными документами,
утвержденными в установленном порядке.
1.38. Разработка
проектно-сметной документации на светомаскировку осуществляется силами
предприятия по согласованию, а в необходимых случаях и с привлечением проектной
организации - генерального проектировщика.
1.39. Проекты
реконструкции электрических сетей с целью реализации электрического способа
светомаскировки должны охватывать электрические сети напряжением 35 кВ и выше,
городские и сельские распределительные электросети 10 (6) кВ, а также в случае
необходимости низковольтные сети 0,4 кВ самих объектов народного хозяйства.
Указанные проекты, наряду с выполнением требований СНиП 2.01.53-84, должны
учитывать необходимость повышения надежности электроснабжения объектов,
продолжающих работу в военное время в категорированных городах и поселках, а
также другие требования ГО, связанные с реконструкцией электрических сетей.
1.40. Для
селитебных территорий городов и поселков принципиальные проектные решения по
реконструкции электрических сетей 10 (6) - 0,4 кВ с целью приведения их в
состояние, отвечающее требованиям светомаскировки, должны разрабатываться, как
правило, в составе схем или проектов развития электрических сетей.
При этом все
вопросы, относящиеся к ГО, выделяются в отдельный раздел схемы (проекта). При
отсутствии заказа на разработку схем (проектов) развития электрических сетей
следует проводить разработку специальных схем или проектов на переоборудование
электрических сетей 10 (6) - 0,4 кВ только для нужд ГО исходя из существующего
состояния электросетевого хозяйства.
1.41. Дальнейшая
разработка рабочих проектов или рабочей документации на конкретные участки
(элементы) электрических сетей населенного пункта может выполняться по заказу
как ПЭС, так и отдельных организаций в соответствии с техническими условиями
городских ПЭС. Технические условия должны соответствовать принципиальным
решениям, заложенным в схемах (проектах) - см. п. 1.40.
Допускается
разработка проекта светомаскировки на основе существующей системы электроснабжения
без учета перспективной схемы или проекта развития электрических сетей.
1.42. Проектная
документация на централизованное управление электрическими сетями 35 кВ и выше
с целью обеспечения своевременного введения режима ПЗ и последующего восстановления
электроснабжения должна выполняться в целом для ПЭС или для РЭС в составе:
электрической части (реконструкция, расширение, техническое перевооружение и
новое строительство) и средств управления.
Проектные
проработки и проектно-сметная документация выполняются на основе технических
заданий на проектирование, которые подготавливаются производственными
электрическими объединениями или районными энергетическими управлениями, ПЭС. В
техническом задании дополнительно к основным данным следует указать: перечень
потребителей, не отключаемых в режиме ПЗ, схемы их внешнего электроснабжения и
мощности, заявленные ими в режиме ПЗ, существующие средства диспетчерского
технологического управления, параметры коммутационных аппаратов.
Уточнение состава и
объема технического задания на проектирование и реконструкцию энергетических
объектов проводится, как правило, специализированной проектной организацией
совместно с энергоснабжающими организациями и потребителями, продолжающими
работу в режиме ПЗ.
Объем, состав и
порядок утверждения проектной документации по светомаскировке энергетических
предприятий, а также предприятий коммунального хозяйства, связи и других,
продолжающих работу в режиме ПЗ, аналогичен объему, составу и порядку
утверждения проектной документации промышленных предприятий.
1.43. Проекты
реконструкции электрических сетей существующих объектов народного хозяйства или
вновь сооружаемых, работа которых предусматривается в режиме ПЗ, должны
содержать решения, позволяющие в заданное время отключить все демаскирующие
огни и применять при необходимости маскировочное освещение.
Изложенное
полностью относится к типовым проектам зданий и сооружений.
Изменения
электрической схемы электроснабжения объекта с целью его подготовки к введению
режимов затемнения допускается выполнять по технической документации,
разработанной персоналом объекта и утвержденной в установленном порядке его
руководством.
1.44. В задании на
проектирование светомаскировки промышленных предприятий следует указывать:
перечень цехов и
объектов, продолжающих работу в режиме ПЗ, и объектов, время на безаварийную
остановку технологического цикла которых превышает нормативное;
перечень цехов,
имеющих производственные огни, подлежащие светомаскировке;
перечень работ и
мероприятий, которые необходимо провести в электрических сетях наружного и
внутреннего освещения для соблюдения требований СНиП 2.01.53-84;
технические решения
и способы светомаскировки объектов;
скелетную схему
электроснабжения производств и объектов, продолжающих работу в режиме ПЗ, а
также объектов, время на безаварийную остановку технологического цикла которых
превышает нормативное, схемы питания их осветительных установок;
наименование
строительной организации;
источники
финансирования.
1.45. Рабочий
проект по светомаскировке предприятия должен включать:
пояснительную
записку;
рабочую
документацию;
сводный сметный
расчет стоимости.
1.46. В
пояснительной записке приводятся исходные данные для проектирования,
содержащие:
сведения о цехах и объектах,
продолжающих работу в режиме ПЗ, и объектах, время на безаварийную остановку
технологического цикла которых превышает нормативное;
сведения о цехах,
имеющих производственные огни, подлежащие светомаскировке;
характеристику и
оценку технических решений и способов светомаскировки объектов, продолжающих и
прекращающих работу в режимах затемнения;
перечень
мероприятий и работ по реконструкции (при необходимости) электрических сетей
наружного и внутреннего освещения.
1.47. В разделе
проекта (рабочем проекте) по наружному освещению территории промышленных
предприятий должны быть указаны:
объекты,
продолжающие работу в режиме ПЗ, входы и выходы в зданиях, защитные сооружения,
пункты управления, места размещения средств пожаротушения, медпункты, места
стоянки внутриплощадочного транспорта (гаражи, пожарные депо, локомотивные депо
и т.д.), внутриплощадочные транспортные коммуникации, а также места установки
световых знаков, работающих в режиме ПЗ (наносятся на генеральный план);
мероприятия,
предусмотренные для режимов ЧЗ и ПЗ, и способы их реализации;
технические решения
по электропитанию маскировочного освещения и световых знаков;
технические решения
по централизованному управлению наружным освещением.
1.48. В разделе
проекта (рабочем проекте) по внутреннему освещению промышленных предприятий
должны быть указаны:
способы маскировки
искусственного освещения, принимаемые для разных зданий или помещений;
мероприятия,
предусматриваемые для режимов частичного и полного затемнения, и способы их
реализации;
технические решения
по электропитанию общего и местного маскировочного освещения и световых знаков;
технические решения
по централизованному управлению внутренним освещением.
1.49. Технические
решения по маскировке производственных огней выполняются в виде отдельного
раздела рабочего проекта.
1.50. В
состав рабочей документации по световой маскировке должны входить:
основной комплект
рабочих чертежей, предназначенных для производства работ по осуществлению
светомаскировочных мероприятий;
чертежи по реконструкции
осветительных и силовых электрических сетей, включая сети наружного освещения
производственных и вспомогательных зданий, продолжающих и прекращающих работу
при введении режима ПЗ;
планы и фасады
зданий и сооружений, световые проемы которых маскируются механическим способом,
с указанием (в табличной форме) применяемых технических устройств (как типовых,
так и специально разрабатываемых);
чертежи
разрабатываемых механических устройств, предназначенных для маскировки световых
проемов;
чертежи специальных
технических устройств, экранов, приспособлений, предназначенных для
светомаскировки производственных огней;
заказные
спецификации (составляются на все виды поставляемого заказчику оборудования,
материалы, конструкции, технические устройства, средства контроля, кабельные и
другие устройства).
Чертежи типовых
конструкций устройств, щитов, экранов, приспособлений, на которые имеется
ссылка в разрабатываемой рабочей документации, заказчику не выдаются.
1.51. В качестве
основы для выполнения комплекта рабочих чертежей маскировки наружного освещения
рекомендуется использовать основной комплект рабочих чертежей электрического
освещения территории промышленного предприятия, выполненный для нормального
(несветомаскировочного) режима в соответствии с требованиями ГОСТ 21.607-82.
При отсутствии
основного комплекта рабочих чертежей электрического освещения территории
объекта могут использоваться исполнительные чертежи освещения территории,
имеющиеся у службы эксплуатации электроустановок, и составляться другие
материалы, входящие в основной комплект рабочих чертежей согласно разд. 2 ГОСТ
21.607-82.
Эти материалы
должны составляться в объеме, необходимом для осуществления светомаскировочных
мероприятий по наружному освещению.
1.52. В
материалы основного комплекта рабочих чертежей освещения территории, указанного
в п. 1.50, должны быть внесены необходимые изменения и дополнения, отражающие
технические решения по устройству световой маскировки для режимов ЧЗ и ПЗ.
В частности, на
чертеже плана освещения территории следует указать:
осветительные
приборы и осветительные устройства, отключаемые от источников питания в режиме
ЧЗ;
осветительные
приборы, заменяемые для снижения освещенности в режиме ЧЗ;
светильники,
световые знаки и места установки маскировочного освещения (для режима ПЗ);
линии сети
наружного освещения, питающие светильники маскировочного освещения и световые
знаки (используемые из числа линий, предусмотренных для нормального режима, и
дополнительно прокладываемые).
1.53. В качестве основы
для выполнения комплекта рабочих чертежей маскировки внутреннего освещения
рекомендуется использовать основной комплект рабочих чертежей внутреннего
электрического освещения, выполненный для обычного (несветомаскировочного)
режима в соответствии с требованиями ГОСТ 21.608-84.
При отсутствии
основного комплекта рабочих чертежей внутреннего освещения могут использоваться
исполнительные чертежи освещения зданий и помещений, имеющиеся у службы
эксплуатации электроустановок, и составляться другие материалы, входящие в
основной комплект рабочих чертежей согласно разд. 2 ГОСТ 21.608-84 в объеме,
необходимом для осуществления светомаскировочных мероприятий по внутреннему
освещению.
1.54. В материалы
основного комплекта рабочих чертежей внутреннего освещения, указанного в п.
1.52, должны быть внесены необходимые изменения и дополнения, отражающие
технические решения по устройству световой маскировки для режимов ЧЗ и ПЗ.
В частности, на
планах расположения электрического оборудования и прокладки электрических сетей
(далее именуемые планами расположения) для помещений при введении в них режима
ЧЗ необходимо указывать, какие светильники общего освещения должны быть
отключены от источников питания или какие лампы меньшей мощности в них
устанавливаются для снижения освещенности.
Для помещений, в
которых при введении режима ПЗ электрическое освещение отключается, на планах
расположения должны быть указаны места установки и наименование световых
знаков, обозначающих пути эвакуации людей и места входов в защитные сооружения
ГО.
Для помещений,
имеющих маскировочное освещение, на планах расположения должны быть указаны
места установки светильников общего и местного маскировочного освещения, типы
этих светильников и устанавливаемых на них светомаскировочных приспособлений. В
этих помещениях должны быть также указаны места и наименования световых знаков,
обозначающих пути эвакуации людей и места входов в защитные сооружения ГО.
1.55. В рабочих
чертежах маскировки наружного и внутреннего освещения должны быть указаны места
расположения пунктов управления наружным и внутренним освещением. Эти сведения
могут приводиться в общих данных (в общих указаниях) или на плане освещения
территории (для наружного освещения) и планах расположения оборудования и
прокладки электрических сетей (для внутреннего освещения).
1.56. На
принципиальных схемах электропитания или схемах дистанционного управления
освещением территории и внутренним освещением должны быть отмечены
коммутационные аппараты, используемые для централизованного управления наружным
и внутренним освещением.
Дополнительно
устанавливаемые коммутационные устройства и аппараты в линиях питающей сети,
используемые для централизованного управления внутренним освещением,
допускается указывать только на планах расположения.
1.57. К сметной документации,
ведомости объемов монтажных и строительных работ, ведомости потребности в
материалах по маскировке наружного и внутреннего освещения специальных
требований не предъявляется. Указанные материалы должны составляться на общих
основаниях, как для других электротехнических установок.
2. СВЕТОВАЯ
МАСКИРОВКА ЭЛЕКТРИЧЕСКОГО ОСВЕЩЕНИЯ
НАСЕЛЕННЫХ ПУНКТОВ
И ОБЪЕКТОВ НАРОДНОГО ХОЗЯЙСТВА
МЕТОДЫ УПРАВЛЕНИЯ
ЭЛЕКТРИЧЕСКИМИ СЕТЯМИ НАРУЖНОГО ОСВЕЩЕНИЯ
Селитебная
территория населенных пунктов
2.1.
Управление сетями наружного освещения населенных пунктов и объектов народного
хозяйства следует предусматривать централизованным - телемеханическим или
дистанционным и проектировать в соответствии с требованиями ПУЭ, СН 541-82 и
СНиП 2.01.53-84.
2.2. Управление
наружным освещением городов должно осуществляться из одного центрального или
центрального и нескольких районных диспетчерских пунктов. Между центральным и
районным диспетчерскими пунктами должна обеспечиваться прямая телефонная связь.
Прямая телефонная связь центрального пункта должна быть также обеспечена с
пунктом управления начальника штаба ГО города, района, с диспетчерским пунктом
предприятия электрических сетей.
В качестве
дублирующей оперативной связи, а также для связи с оперативно-выездными
бригадами должна предусматриваться УКВ-радиосвязь.
Помещения пунктов
управления сетями наружного освещения города должны располагаться в зданиях и
сооружениях, имеющих убежища для защиты персонала, или в зданиях, находящихся
поблизости от таких убежищ.
Помещения
диспетчерских пунктов следует обеспечивать электропитанием от двух независимых
источников питания, не отключаемых в режиме ПЗ. Перевод с рабочего питания на
резервное должен осуществляться автоматически.
2.3. Управление
наружным освещением территорий детских яслей-садов, общеобразовательных школ,
школ-интернатов, гостиниц, больниц, госпиталей, санаториев, пансионатов, домов
отдыха, парков, садов, стадионов и выставок следует, как правило, осуществлять
от системы управления наружным освещением населенного пункта, в котором они
расположены.
При этом для
установок наружного освещения перечисленных объектов, а также для осветительных
установок пешеходных тоннелей должна быть обеспечена возможность местного
управления.
2.4. В системах
централизованного телемеханического управления должен обеспечиваться
двухсторонний обмен информацией между диспетчерскими и исполнительными
пунктами, достаточный для нормального функционирования установок наружного
освещения.
При этом на
исполнительный пункт должны передаваться приказы группового и индивидуального
управления:
включить вечернее
освещение;
включить ночное
освещение;
отключить
освещение.
Одновременно на
диспетчерский пункт следует передавать сигналы состояния:
включено вечернее
освещение;
включено ночное
освещение;
отключено
освещение;
несоответствие
состояния освещения посланному приказу и неисправность в сети наружного
освещения.
Должен быть также
предусмотрен контроль исправного состояния канала связи с выводом сигнала на
диспетчерский пункт.
2.5. При телемеханическом
управлении сетями наружного освещения в качестве каналов связи для устройства
телемеханики между пунктом управления и головными пунктами питания следует
применять линии связи, абонируемые у ГТС. Допускается прокладка специальных
линий связи.
Структура линий
связи - радиальная. Подключение нескольких исполнительных пунктов устройств
телемеханики к одной паре проводов, а также использование занятых проводов ГТС
не рекомендуется, так как снижается надежность устройств управления и
усложняется их эксплуатация.
Выбор линий связи в
каждом конкретном случае должен производиться с учетом наличия свободных линий
ГТС, возможности и целесообразности прокладки специальных линий связи,
сочетания этих вариантов организации каналов связи с соответствующими
технико-экономическими обоснованиями.
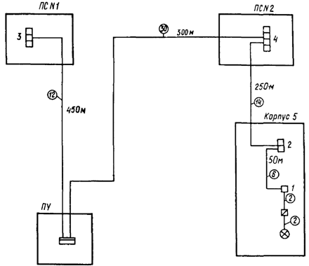
Варианты
организации каналов связи для устройства телемеханики приведены в Прил. 2.
2.6. Вечерние фазы
питания установок наружного освещения, управляемых централизованно, в режиме ЧЗ
отключаются с помощью средств управления, после чего на этих фазах должны
сниматься предохранители и отключаться катушки контакторов или магнитных
пускателей. На вечерних фазах питания наружного освещения, не охваченных
централизованным управлением (управляемые фотоэлементами, программными реле
времени), отключаются катушки контакторов или магнитных пускателей и снимаются
предохранители.
2.7. В системах
централизованного дистанционного управления должно обеспечиваться управление
коммутационными аппаратами фаз ночного и вечернего режимов головных пунктов
питания каскадированных сетей наружного освещения и контроль их состояния по
наличию напряжения на конце каскада с выведением на пункт управления световой и
звуковой сигнализации. В случае отсутствия серийного производства устройств
дистанционного управления допускается эти устройства изготавливать силами
предприятий.
2.8. С целью
сокращения числа линий связи и исполнительных пунктов при телемеханическом
управлении, а также для реализации схем дистанционного управления следует
применять каскадирование сетей наружного освещения. Каскадирование
осуществляется путем последовательного включения контакторов ПП: контактор
головного участка сети ГПП включается из пункта управления (дистанционно или
телемеханически), далее к концу головного участка сети наружного освещения
присоединяется катушка контактора следующего ПП и т.д.
Для обеспечения
отключения светильников вечернего режима освещения пункты питания должны быть
оборудованы не менее чем двумя контакторами, из которых один используется в
каскаде вечернего, а другой - в каскаде ночного режима.
В
воздушно-кабельных сетях в один каскад допускается включение до 10 контакторов
(пунктов питания), а в кабельных - до 15 контакторов (пунктов питания). Пример
выполнения каскадной схемы управления приведен в Прил. 3.
2.9. Управление
коммутационными аппаратами ГПП каскадированных сетей при дистанционном
управлении должно, как правило, осуществляться из пункта управления
непосредственно или через промежуточное реле, при централизованном
телемеханическом - через выходные элементы телеуправления исполнительного
(контролируемого) пункта устройства телемеханически.
2.10. Контроль
состояния основных направлений (каскадов) должен быть обеспечен при любых
способах централизованного управления наружным освещением.
Допускается в
каскадных схемах управления устройство неконтролируемых участков: в воздушных
сетях - не более одного пункта питания и в кабельных - не более двух пунктов
питания (в том числе включаемых последовательно).
2.11. При
дистанционном управлении контроль состояния сетей наружного освещения на пункте
управления осуществляется по сигнальным устройствам (лампам), включаемым
непосредственно или через промежуточное реле на напряжение, подаваемое от
последнего участка каскада.
При
телемеханическом управлении это напряжение подается на элементы контроля
исполнительного пункта телемеханического устройства, осуществляющего
формирование и передачу на диспетчерский пункт соответствующего сигнала.
2.12. Управление
наружным освещением поселков и сельских населенных пунктов должно
осуществляться централизованно из пунктов с постоянным дежурством в темное
время суток в режиме ЧЗ.
2.13. Управление
наружным освещением территории объектов, продолжающих работу в военное время и
расположенных в селитебной зоне, может быть как централизованным,
телемеханическим или дистанционным, так и ручным, осуществляемым в режиме ЧЗ
или ПЗ ответственным дежурным персоналом объектов.
Промышленные
предприятия
2.14.
Управление освещением территорий промышленных предприятий необходимо
предусматривать централизованным, как правило, из одного пункта. Централизацию
управления наружным освещением следует осуществлять методами: прямым,
дистанционным, телемеханическим, автоматическим. При использовании
автоматического метода управления должен быть обеспечен переход на
дистанционное или телемеханическое отключение освещения с одновременным устранением
при этом возможности включения освещения средствами автоматики. Выбор способа
централизованного управления должен производиться с учетом местных условий,
особенностей предприятия и его осветительных установок.
Централизованное
прямое управление рекомендуется применять для небольших территорий, питание
освещения которых производится из ограниченного количества мест
(распределительного пункта электроснабжения, трансформаторной подстанции и
др.), где в темное время суток будет находиться обслуживающий персонал.
Централизованное
дистанционное управление рекомендуется для территорий значительной
протяженности при питании наружного освещения из одного или нескольких мест и
при размещении пункта управления освещением в отдалении от мест питания
наружного освещения.
Централизованное
телемеханическое управление рекомендуется для территорий предприятий, на
которых предусматривается телемеханическое управление системой
электроснабжения.
Кроме указанных
способов, может применяться управление наружным освещением путем отключения на
стороне трансформаторов (6) 10 кВ, питающих наружное освещение и другие
электроприемники предприятия, при условии, что такое отключение допустимо по
технологическим и другим соображениям и в случаях, когда отключение
трансформаторов может быть осуществлено в требуемое ограниченное время.
На предприятиях,
протяженность которых составляет несколько километров, допускается устройство
одного главного или двух-трех дополнительных пунктов централизованного
управления освещением отдельных участков. Главный пункт должен иметь прямую
телефонную связь с пунктом управления ГО предприятия и с указанными
дополнительными пунктами.
2.15. Управление
наружным освещением открытых технологических установок, складов, эстакад и
т.п., а также управление огнями светового ограждения высотных сооружений
рекомендуется предусматривать, как правило, из пункта централизованного
управления наружным освещением предприятий.
Допускается
осуществлять управление освещением указанных объектов из пунктов управления
освещением зданий и сооружений, к которым они относятся, или предусматривать
местное управление из помещений с дежурным персоналом.
2.16. При
централизованном управлении освещением территорий промышленных предприятий в
целях создания больших удобств эксплуатации в мирное время и в режиме ЧЗ
рекомендуется предусматривать раздельное централизованное управление освещением
следующих участков территории и отдельных установок наружного освещения:
проходов и
проездов;
участков
производства наружных работ;
открытых
технологических установок;
открытых складов;
технологических и
других эстакад;
охранного освещения
вдоль границ территории;
дежурного
освещения;
светильников
светового ограждения высотных препятствий.
2.17. Светильники,
устанавливаемые у входов и въездов в здания, а также у тамбуров, питаемые от
сетей внутреннего освещения, допускается не включать в систему
централизованного управления наружным освещением при условии, что при введении
режима ПЗ они будут отключены дежурным персоналом.
2.18. В систему
централизованного управления наружным освещением предприятий рекомендуется
включать управление наружным освещением близлежащих подведомственных поселков.
2.19. Управление
световыми знаками может предусматриваться, в зависимости от местных условий, совместно
с наружным маскировочным освещением или совместно с внутренним маскировочным
освещением объектов, к которым эти знаки относятся.
2.20. Управление
наружным маскировочным освещением рекомендуется предусматривать из пункта
централизованного управления наружным освещением. Допускается применение
местного управления из пунктов, в которых в темное время суток находится
дежурный персонал.
2.21. Места
размещения пунктов централизованного управления освещением территории
предприятий должны определяться организацией-генпроектировщиком или заказчиком
проекта.
В качестве мест
размещения пунктов централизованного управления освещением территорий
рекомендуется использовать: диспетчерские пункты электроснабжения предприятия
(при их наличии); распределительные пункты электроснабжения или
трансформаторные подстанции (при организации там с введением режима ЧЗ
дежурства персонала в темное время суток и возможности доступа в эти помещения
при обычном несветомаскировочном режиме персонала, ответственного за управление
наружным освещением); центральные проходные предприятий; помещения
ответственного дежурного по предприятию.
2.22. Допускается
предусматривать дублирование управления освещением территорий из защищенного
пункта управления ГО предприятия. Необходимость такого дублирования определяют
проектировщики при разработке мероприятий ГО.
2.23. В пунктах
централизованного управления наружным освещением должна предусматриваться
сигнализация о состоянии наружного освещения (включено или отключено).
2.24. Для
централизованного управления наружным освещением при светомаскировочных режимах
рекомендуется использовать в первую очередь устройства управления наружным
освещением, предусматриваемые для эксплуатации освещения в обычном
(несветомаскировочном) режиме.
МЕТОДЫ СНИЖЕНИЯ УРОВНЕЙ
ОСВЕЩЕННОСТИ
ВНУТРЕННЕГО
ОСВЕЩЕНИЯ В РЕЖИМЕ ЧЗ
2.25. Снижение
освещенности в режиме ЧЗ может осуществляться путем выключения части
светильников, установки ламп пониженной мощности или использования регуляторов
напряжения. При выборе указанных способов и технических средств снижения
освещенности рекомендуется руководствоваться указаниями:
регуляторы
напряжения не следует применять для снижения освещенности, создаваемой
газоразрядными источниками света;
снижение
освещенности от общего освещения, выполненного газоразрядными лампами,
целесообразнее производить равномерным отключением от сети части светильников.
Отключение светильников может быть заменено удалением из них ламп. Не следует
допускать удаление одной из двух люминесцентных ламп, работающих попарно в
двухламповых схемах включения (в ветвях отстающего и опережающего тока);
снижение
освещенности от общего освещения, выполненного лампами накаливания, может
осуществляться равномерным отключением части светильников (или удалением из них
ламп), установкой ламп пониженной мощности (с применением, при необходимости,
переходных патронов с цоколя Е40 на Е27 - Прил. 4), понижением напряжения в
сети регуляторами напряжения;
снижение
освещенности от местного освещения, выполненного люминесцентными лампами, может
осуществляться заменой установленных светильников на светильники с лампами накаливания
(при обязательном соблюдении требований ПЭУ к величине напряжения у
светильников по условиям электробезопасности);
снижение
освещенности от местного освещения, выполненного лампами накаливания, может
осуществляться применением ламп пониженной мощности.
ПОДГОТОВКА
ЭЛЕКТРИЧЕСКИХ СЕТЕЙ СЕЛИТЕБНОЙ
И
СЕЛЬСКОХОЗЯЙСТВЕННОЙ ТЕРРИТОРИИ,
ПРОМЫШЛЕННЫХ
ПРЕДПРИЯТИЙ К ВВЕДЕНИЮ РЕЖИМА ПЗ
Селитебная
территория
2.26. Введение
режима ПЗ на селитебной территории возможно только при отключении
электроснабжения объектов, прекращающих работу по сигналу ВТ, и при сохранении
электропитания объектов, продолжающих работу в режиме ПЗ.
2.27. К
числу объектов, расположенных в селитебной зоне и продолжающих работу в режиме
ПЗ, относятся:
операционные блоки
больниц и госпиталей, родильные отделения, помещения анестезиологии, реанимации
и интенсивной терапии, кабинеты лапароскопии и бронхоскопии, станции
переливания крови;
междугородные
телефонные станции, телеграфные станции и узлы автоматической коммутации, обслуживаемые
усилительные пункты, районные узлы связи, городские и сельские АТС общего
пользования;
центральные
усилительные станции, радиотрансляционные узлы, передающие и приемные
радиоцентры (радиостанции), радиотелевизионные станции спутниковой связи;
котельные с
водогрейными котлами единичной производительности более 10 Гкал/ч и
теплофикационные насосные станции;
водопроводные
насосные станции в городах с числом жителей более 50 тыс. чел., а также
водоподъемные сооружения артезианских скважин по согласованию с исполкомами
местных Советов;
канализационные
насосные станции, не имеющие аварийного выпуска, или с аварийным выпуском при
согласованной продолжительности сброса менее двух часов, очистные сооружения
общего городского назначения;
диспетчерские
пункты энергосистемы, горэлектросети, сети наружного освещения, теплоснабжения,
водоканализации, газовой сети, охранной сигнализации, а также штабы ГО.
Перечень объектов в
каждом конкретном случае должен уточняться и утверждаться местными Советами
народных депутатов и органами ГО.
2.28. До принятия
решения по реконструкции энергетического хозяйства с целью обеспечения
централизованного управления электрическими сетями необходимо:
уточнить перечень
объектов, продолжающих работу в военное время, и потребляемую ими мощность, а
также перечень объектов, продолжающих работу в режиме ПЗ, и мощности,
потребляемые ими в этом режиме;
провести анализ
надежности и устойчивости работы энергосистемы при сбросе нагрузки в режиме ПЗ
и предварительно наметить мероприятия по обеспечению необходимой устойчивости.
2.29. В городских
электрических сетях целесообразно разделить всех имеющихся потребителей
электроэнергии на две группы:
группа М -
потребители, функционирующие только в мирное время, в том числе потребители,
имеющие в своем составе электроприемники I категории (подгруппа
);
группа В -
потребители, продолжающие работу в военное время, в том числе в режиме ПЗ
(подгруппа
).
Перечень
потребителей группы В с выделением объектов подгруппы
,
продолжающих работу в режиме ПЗ, составляется местными штабами ГО и
утверждается вышестоящими органами. При этом, во избежание излишних затрат на
реконструкцию сети и мероприятия по светомаскировке, следует обратить внимание
на обоснованность упомянутого перечня объектов и величины их электрических
нагрузок, в том числе в режиме ПЗ.
2.30. На основе
проведенной классификации потребителей принимается проектное решение по
реконструкции электрической сети с целью обеспечения раздельного питания
потребителей групп М и В по распределительным сетям 10 (6) кВ и 0,4 кВ.
2.31. В
категорированных по группам ГО городах и поселках электроснабжение потребителей
группы В следует, как правило, предусматривать от двух независимых и
территориально разобщенных источников питания, что повышает надежность питания
таких потребителей и в мирное время.
2.32. В
некатегорированных городах и поселках электроснабжение потребителей подгруппы
следует осуществлять от двух источников
питания, к которым, помимо территориально разобщенных, несовмещенных
источников, допускается относить также две секции или системы шин одной
подстанции при одновременном соблюдении условий:
каждая из секций
или систем шин в свою очередь имеет питание от независимого источника питания;
секции (системы)
шин не связаны между собой или имеют связь, автоматически отключающуюся при
нарушении нормальной работы одной из секций (систем) шин.
2.33.
Электроснабжение объектов группы В следует предусматривать по распределительным
линиям 10 (6) кВ, не связанным с потребителями группы М.
Присоединение таких
линий 10 (6) кВ (рабочих и резервных) осуществляется к распределительным
устройствам 10 (6) кВ ЦП и РП городских электрических сетей.
С целью снижения
затрат на реконструкцию электроснабжения объектов группы В необходимо
осуществлять максимальную группировку электрических сетей таких объектов в
пределах всего населенного пункта и их взаимное резервирование с применением
АВР для объектов, продолжающих работу в режиме ПЗ.
2.34. Отключение
линий 10 (6) кВ с присоединенными потребителями группы М рекомендуется
осуществлять непосредственно в ЦП или РП горэлектросети.
Отключение в
заданное время электропитания потребителей группы В, продолжающих работу в
военное время, но прекращающих ее в режиме ПЗ, должно осуществляться
ответственным дежурным персоналом данных потребителей с использованием методов
управления, указанных в пп. 2.1 и 2.14.
2.35. На объектах
группы В, продолжающих работу в режиме ПЗ, необходимо подготовить сети,
позволяющие ответственному дежурному персоналу отключить в заданное время все
демаскирующие источники света, включив, при необходимости, маскировочное
освещение. Подлежат отключению и все силовые электроприемники, работа которых в
режиме ПЗ не обязательна.
Данное требование
относится также и к электроприемникам сторонних потребителей, присоединенным к
электросетям 0,4 кВ рассматриваемого объекта группы В.
2.36. Разделение
внутренних сетей 0,4 кВ на части, отключаемые и неотключаемые в режиме ПЗ,
возможно осуществить путем группировки соответствующих электроприемников на
разные силовые трансформаторы, секции, щиты, линии и т.д. Возможно также присоединение
части электроприемников к соответствующим линиям 0,4 кВ близлежащих объектов.
2.37. Сети 10 (6)
кВ, питающие РП, не следует разделять на части, связанные только с
потребителями групп М или В, при условии, что на РП обеспечивается в заданное
время телемеханически или действиями дежурного персонала отключение линий 10
(6) кВ с присоединенными к ним потребителями группы М.
2.38. Пункты
питания сети наружного освещения размещаются в помещениях распределительных
устройств 0,4 кВ ТП или вне их, в зависимости от структуры эксплуатации сетей
наружного освещения и сетей общего пользования.
Пункты питания
выполняются в виде отдельно стоящих шкафов. Электрическая схема пункта питания
должна предусматривать заземление отключенной сети наружного освещения, исключающее
возможность включения светильников при каких-либо аварийных режимах на линии.
В качестве пунктов
питания рекомендуется применять шкаф, технические данные которого приведены в
Прил. 5. Шкафы вне зданий рекомендуется устанавливать на фундамент и снабжать
защитным козырьком.
2.39. Автономные
источники питания рекомендуется использовать для потребителей, продолжающих
работу в режиме ПЗ, в качестве другого независимого источника питания после
проведения соответствующего технико-экономического обоснования или согласно
ведомственным нормам.
Мощность АИ
выбирается, как правило, только для обеспечения работы электроприемников
подгруппы
. В
качестве АИ рекомендуется широко использовать дизельные и бензиновые
электростанции передвижного и имеющиеся в наличии стационарного типов.
Технические
показатели передвижных автономных источников, а также передвижных зарядных
агрегатов для аккумуляторных батарей (модификация АБ на постоянном токе)
приведены в Прил. 6.
2.40. В случаях, когда
резервируемая от АИ нагрузка не превышает 10 - 15 кВт, целесообразно в качестве
АИ применять бензоэлектрические агрегаты, а для резервирования только
осветительной нагрузки, не превышающей 1 - 1,5 кВт, целесообразно использование
переносных фонарей, питаемых от аккумуляторов.
Переносные фонари
могут использоваться и в период, необходимый для подготовки запуска дизельных
электростанций или бензоэлектрических агрегатов.
Для резервного
питания медицинской аппаратуры, полупроводниковых приборов и других устройств с
незначительной потребляемой мощностью и повышенными требованиями к надежности
электропитания, следует широко применять герметичные аккумуляторы.
2.41. При
использовании АПИ в составе проекта реконструкции электрических сетей
населенного пункта должны быть решения по созданию централизованной базы
хранения АПИ, их содержанию и развертыванию.
Централизованная
база хранения АПИ позволяет сократить общее число АПИ, расходы на хранение,
обеспечить их постоянную готовность, повысить маневренность и сократить
перерывы электроснабжения объектов в мирное время.
2.42. В населенных
пунктах, расположенных в зоне действия железнодорожной сети, в качестве
резервных источников могут использоваться энергопоезда, а в населенных пунктах,
расположенных на берегах морей и судоходных рек - электростанции и дизельные
электроустановки судов.
2.43.
Электроснабжение защитных сооружений ГО (убежищ и противорадиационных укрытий)
следует предусматривать от сети, питающей потребителей группы В. То же
относится к средствам массового оповещения (сирены, гудки и пр.).
Вопросы применения
резервных источников электроснабжения для защитных сооружений ГО решаются
согласно требованиям СНиП II-11-77.
Электросетевые
предприятия энергосистем
2.44. Реализация
электрического способа светомаскировки по территории автономной республики,
края (области) при одновременном сохранении надежного питания объектов,
продолжающих работу в режиме ПЗ, требует, как правило, реконструкции
системообразующих сетей 35 кВ и выше и подстанций 35 кВ и выше, от шин которых
получают питание указанные выше потребители (см. п. 2.27).
Проведение
отключения питания объектов, прекращающих работу в режиме ПЗ, возможно
осуществить в заданное время только путем централизованного управления
указанной операцией и разделения отключаемых и неотключаемых потребителей по
линиям 10 (6) кВ. При этом необходим комплексный подход к проведению
реконструкции всей энергосистемы или отдельных ее предприятий электрических
сетей с максимальным использованием имеющихся электросетевых сооружений и
оборудования. Рекомендуется проведение технико-экономического сравнения
возможных вариантов реконструкции сети для выбора окончательного варианта,
который должен предусматривать решение вопросов централизованного управления
линиями 10 (6) кВ.
2.45. В связи с
резким снижением нагрузки в энергосистемах и объединенных энергосистемах при
введении в заданное время режима ПЗ необходимо проанализировать вопросы
обеспечения устойчивости энергоснабжения объектов, продолжающих работу в режиме
ПЗ, и разработать организационно-технические мероприятия по элементам энергосистем,
включая использование регулировочного диапазона электростанций, максимальное
снижение межсистемных перетоков мощности для создания запасов пропускной
способности линий электропередач между объединенными энергосистемами и
обеспечение их максимального самобалансирования на случай разделения на
локальные районы, компенсацию избытка зарядной мощности линий высоких и
сверхвысоких напряжений и обеспечения допустимых уровней напряжения.
Рекомендуется
разработать для управляющей вычислительной машины ЦДП программу, обеспечивающую
выдачу диспетчерскому персоналу оптимального режима работы электрических
станций энергосистемы на текущий момент времени с учетом фактической на момент
введения режима ПЗ нагрузки потребителей, продолжающих работу в этом режиме.
2.46. Управление
электрическими сетями 35 кВ и выше, включая выключатели 10 (6) кВ на
подстанциях 35 кВ и выше, в режимах светомаскировки должно производиться
диспетчерами ЦДП или ДП ПЭС или ДП РЭС по территориальному принципу в
зависимости от диспетчерской подчиненности сети.
2.47. Для передачи
команды централизованного отключения потребителей, прекращающих работу в режиме
ПЗ, ЦДП, ДП ПЭС, ДП РЭС, а в отдельных случаях опорные подстанции должны иметь
основной и дублирующий каналы связи со всеми подстанциями 35 кВ и выше,
обеспечивающими, помимо указанного, осуществление оперативной связи (см. Прил.
2).
В качестве
резервной оперативной связи с подстанциями энергосистемы и командным пунктом ГО
следует предусматривать УКВ-радиосвязь.
2.48. На
подстанциях 35 кВ и выше, от которых питаются потребители, продолжающие работу
в режиме ПЗ, и на которых отсутствуют устройства телемеханики или
телемеханизация связана с большими затратами, рекомендуется использовать:
свободные каналы
релейной защиты или противоаварийной автоматики на аппаратуре АНКА-АВПА;
приемные устройства
автоматической циркулярной разгрузки.
При отсутствии на
подстанциях указанных устройств допускается установка на ДП ПЭС передающего
устройства автоматической циркулярной разгрузки для управления подстанциями (до
20 подстанций), эксплуатируемыми без постоянного персонала. На этих подстанциях
должны быть размещены приемные устройства автоматической циркулярной разгрузки.
При наличии каналов
ВЧ-связь между ДП ПЭС и подстанциями 35 кВ и выше возможно использование этого
канала для централизованного управления при условии прерывания телефонной связи
на все время передачи команд централизованного управления.
Для централизации
управления и обеспечения отключения линий 10 (6) кВ в заданное время при
отсутствии на подстанции устройств автоматической разгрузки целесообразно
использовать шкафы программного автоматического отключения групп коммутационных
аппаратов типа 1Ш, 2Ш, 3Ш. Технические данные шкафов 1Ш, 2Ш, 3Ш и примеры их
использования даны в Прил. 7.
В случае отсутствия
средств централизованного управления на подстанциях 35 кВ и выше необходимо уже
в режиме ЧЗ организовать постоянное дежурство оперативного персонала.
2.49. Для
организации централизованного управления электрическими сетями на подстанциях
35 кВ и выше, ДП ПЭС и ЦДП энергосистемы необходимо максимально использовать
существующее оборудование и аппаратуру телемеханики релейной защиты,
противоаварийной автоматики, а также существующие каналы телемеханики и связи.
Рекомендуется
использовать следующие типы устройств телемеханики: ВРТФ-3, МКТ-3, ТМ-320
(заменяется устройством типа "Гранит"), ТМ-321, УВТК-501, УОТИ,
ТК-113, ТМ-800В, ТМ-120-IМ, КУСТ-А, КУСТ-Б. Технико-экономические показатели
этих устройств приведены в Прил. 8.
Централизованное
управление коммутационными аппаратами в сельских электрических сетях 10 (6) кВ
рекомендуется осуществлять с помощью телемеханических устройств ТМРС-10 при
использовании в качестве каналов связи сетей 10 (6) кВ (см. Прил. 8).
Проектирование
каналов телемеханики и связи по линиям электропередачи 35 кВ и выше должно
выполняться на основе типовых проектных решений.
2.50. На
подстанциях 35 кВ и выше, эксплуатируемых с постоянным дежурным персоналом или
дежурным персоналом, назначаемым при введении режима ЧЗ, на пункте управления
ОПУ отключение должно производиться:
при питании
наружного и внутреннего освещения зданий и сооружений от щита собственных нужд
подстанций, расположенного в щитовом помещении ОПУ - прямым методом, т.е.
отключением дежурным персоналом соответствующих отходящих линий на щите
собственных нужд;
при питании
наружного и внутреннего освещения зданий и сооружений от нескольких щитов -
дистанционным методом, т.е. отключением дежурным персоналом соответствующих
линий из щитового помещения ОПУ, где имеется сигнализация о состоянии наружного
и внутреннего освещения: "включено" и "отключено".
Выбор метода или
сочетания методов отключения освещения должен производиться с учетом местных
условий и особенностей подстанции и решаться в комплексе с управлением
отходящими линиями 10 (6) кВ, питающими потребителей, подлежащих отключению в
режиме ПЗ.
2.51. На
подстанциях 35 кВ и выше без постоянного дежурного персонала или с дежурством
на дому для отключения наружного и внутреннего освещения должны использоваться
возможности телемеханических устройств ДП ПЭС или отключение должно
производиться из щитовых помещений ОПУ ближайших питающих подстанций,
эксплуатируемых с постоянным дежурным персоналом и имеющих сигнализацию о
состоянии наружного и внутреннего освещения указанной подстанции:
"включено" или "отключено".
В систему
управления необходимо включать также управление наружным и внутренним
освещением близлежащих подведомственных поселков или отдельных домов,
питающихся от шин подстанций.
2.52. Для
централизации управления и обеспечения одновременного отключения линий 10 (6)
кВ, питающих потребителей, прекращающих работу в режиме ПЗ, а также линий
электропитания наружного и внутреннего освещения подстанции на каждой
подстанции рекомендуется использовать приборы, одновременно воздействующие на
отключение коммутационных аппаратов указанных линий.
При наличии на ПС
устройств автоматической разгрузки по частоте АЧР рекомендуется использовать
эти устройства путем воздействия на выходные органы тех ступеней АЧР, которые
управляют выключателями линий, питающих потребителей, прекращающих работу в
режиме ПЗ. При этом предусматривается запрет АПВ отключаемых линий.
При наличии на
подстанции устройств АСН рекомендуется использовать эти устройства путем
воздействия на выходные органы тех ступеней АСН, которые управляют
выключателями линий, питающих потребителей, прекращающих работу в режиме ПЗ.
При этом необходим запрет АПВ отключаемых линий.
При наличии на
подстанции устройств отключения нагрузки от системной противоаварийной
автоматики рекомендуется воздействие на выходные органы этих устройств, причем
запрет АПВ отключаемых линий дополнительно не предусматривается, так как он
выполняется самим устройством противоаварийной автоматики.
При отсутствии на
подстанциях перечисленных устройств или сложности их реконструкции
рекомендуется устанавливать шкафы программного автоматического отключения групп
коммутационных аппаратов типа 1Ш, 2Ш, 3Ш. Запуск программного устройства
осуществляется командой, поступающей на общий блок от аппарата дистанционного
или телемеханического управления.
Промышленные
предприятия
2.53. Электрическое
освещение промышленных зданий или отдельных помещений, в которых прекращается
работа в режиме ПЗ, а также тех зданий или помещений, где продолжается работа
при маскировочном освещении, должно отключаться от источников питания или
электрических сетей централизованно из возможно меньшего числа мест.
2.54.
Централизованное управление освещением не требуется для зданий и сооружений,
световая маскировка в которых осуществляется механическим способом, а также для
помещений, не имеющих окон, фонарей и других световых проемов.
2.55.
Централизованное управление должно предусматриваться для:
общего рабочего
освещения;
общего аварийного и
эвакуационного освещения, не используемых в качестве общего маскировочного
освещения;
местного освещения,
устанавливаемого на оборудовании, у которого персонал находится временно и
которое не используется в качестве местного маскировочного освещения.
Централизованное
управление рекомендуется также предусматривать для общего и местного внутреннего
маскировочного освещения и для светомаскировочных световых знаков.
2.56. Для
внутреннего освещения может применяться централизованное прямое и дистанционное
управление. Выбор способа управления должен производиться с учетом особенностей
зданий и сооружений и их осветительных установок. В частности, дистанционное
управление целесообразно для больших помещений производственных зданий,
освещение которых питается от нескольких подстанций.
2.57. В случаях
устройства фотоэлектрического или программного управления внутренним
освещением, используемого при обычном режиме работы предприятия (в мирное
время) при введении светомаскировочных режимов должна предусматриваться
возможность перехода на прямое или дистанционное управление с исключением
возможности включения освещения средствами автоматики.
2.58. Включение и
отключение внутреннего освещения должно производиться из пунктов управления, в
которых находится или будет находиться обслуживающий персонал при введении
светомаскировочных режимов. Такими пунктами при дистанционном управлении могут
быть, например, диспетчерская, контора цеха, помещение дежурного и т.п.
При прямом
управлении аппараты централизованного управления могут размещаться в любых
местах здания, доступных и удобных для обслуживания. При этом количество мест
управления должно быть по возможности минимальным.
2.59. В пунктах
централизованного управления внутренним освещением должна предусматриваться
сигнализация о состоянии освещения ("включено" или
"отключено").
2.60. При
централизованном прямом управлении наружным и внутренним освещением аппараты
управления следует устанавливать в линиях питающей сети или на вводах групповых
щитков.
2.61. В целях
сокращения мест, откуда производится централизованное прямое управление,
следует использовать аппараты, расположенные в схеме питания освещения и
установленные территориально так, чтобы им управлялось освещение возможно
большего количества объектов (участков территории, помещений и т.п.).
2.62. При
дистанционном управлении наружным и внутренним освещением должна применяться
многоканальная система передачи команд и сигналов с прокладкой между силовыми
блоками и пунктами управления освещением сети управления, для которой
используются контрольные кабели, а для наружного освещения - также резервные
жилы телефонных кабелей внутризаводской связи.
2.63. При
фотоэлектрическом и программном управлении наружным и внутренним освещением,
дополнительно к линиям управления должна предусматриваться прокладка линий
связи между силовыми блоками и фотоэлектрическими автоматами и выносными
датчиками освещенности.
2.64. При
телемеханическом управлении наружным освещением прокладка линий связи между
силовыми блоками и диспетчерским пунктом специально для управления освещением
не требуется. Необходима лишь прокладка линий между силовыми блоками и
ближайшими к ним оконечными устройствами телеуправления.
2.65. При
использовании для управления освещением свободных жил телефонных кабелей сеть
управления следует питать постоянным током во избежание помех телефонным
разговорам.
В качестве
источника постоянного тока могут использоваться аккумуляторные батареи
слаботочных устройств напряжением 60 В или выпрямительные устройства с выходным
напряжением 60 В.
2.66. Наружное
маскировочное освещение территории промышленных предприятий и световые знаки,
включаемые в режиме ПЗ, должны питаться от источников электроэнергии, не
отключаемых по сигналу ВТ.
Питание
светильников наружного маскировочного освещения и световых знаков, в
зависимости от местных условий, может производиться как непосредственно от
трансформаторных подстанций, так и от ближайших зданий и сооружений.
2.67. Выбор
способов прокладки электрических сетей к светильникам наружного маскировочного
освещения и к световым знакам должен проводиться с учетом общих указаний и
рекомендаций по выполнению наружных и внутренних осветительных сетей.
Сельскохозяйственные
предприятия
2.68. В
режиме ПЗ должно быть отключено электропитание объектов сельского хозяйства,
кроме следующих:
по производству молока
с содержанием 400 и более коров;
по выращиванию и
откорму молодняка крупного рогатого скота на 5 тыс. и более голов в год;
по выращиванию
ремонтного молодняка на 3 тыс. и более скотомест;
по выращиванию и
откорму свиней на 12 тыс. и более голов в год;
птицефабрик яичного
направления на 100 тыс. и более кур-несушек;
птицефабрик мясного
направления на 1 млн. и более бройлеров в год;
по выращиванию
племенного стада на 25 тыс. и более кур и на 10 тыс. и более гусей, уток,
индеек.
Перечень объектов,
указанный в данном пункте, в каждом конкретном случае должен уточняться и
утверждаться местными Советами народных депутатов и органами ГО.
2.69. Объекты, не
отключаемые в режиме ПЗ (см. п. 2.68), по надежности электроснабжения относятся
к потребителям категории I и их электроснабжение должно осуществляться от двух
независимых источников питания. При этом в качестве основных источников питания
принимаются центры питания - неотключаемые подстанции 35 кВ и выше.
Резервирование
электроснабжения указанных объектов рекомендуется осуществлять от АИ, в
качестве которых могут использоваться:
стационарные
дизельные электростанции, энергия от которых передается по специальным
кабельным линиям;
передвижные
дизельные и бензиновые электростанции;
серийно выпускаемые
синхронные генераторы трехфазного тока типа ЕСС мощностью до 75 кВ x А,
приводимые в действие от вала отбора мощности трактора, имеющегося в хозяйстве.
Мощность АИ следует
рассчитывать исходя из минимально необходимой мощности обеспечения жизненно
важных технологических участков производства объектов в режиме ПЗ.
2.70. Решение
вопросов светомаскировки на объектах сельского хозяйства в режимах затемнения
рекомендуется выполнять по аналогии с промышленными предприятиями.
ПРИМЕРЫ РЕКОМЕНДУЕМЫХ
ТЕХНИЧЕСКИХ РЕШЕНИЙ
ПО УПРАВЛЕНИЮ
СЕТЯМИ ЭЛЕКТРИЧЕСКОГО ОСВЕЩЕНИЯ
СЕЛИТЕБНОЙ
ТЕРРИТОРИИ И ПРОМЫШЛЕННЫХ ПРЕДПРИЯТИЙ
Селитебная
территория
2.71. Выбор
вариантов и технических решений централизованного управления наружным и
внутренним освещением должен производиться с учетом наименьших затрат
материальных и денежных средств на системы управления освещением и их
эксплуатацию.
2.72. При выборе
вариантов и технических решений по устройству централизованного управления
освещением рекомендуется учитывать не только требования светомаскировки, но
также необходимость поддержания требуемых условий искусственного освещения на
промышленных предприятиях, экономии электроэнергии, затрачиваемой на освещение,
экономии ламп, создания наибольших удобств для эксплуатации осветительных
установок и другие факторы, обеспечиваемые централизацией управления наружным и
внутренним освещением.
2.73. Выбор
вариантов и технических решений централизованного управления освещением должен
производиться с учетом местных условий, особенностей каждого населенного пункта
и промышленного предприятия.
В Прил. 9 приведены
примеры выполнения реконструкции электрических сетей отдельных участков
горэлектросети, в Прил. 10 - примеры выполнения схем внутреннего
электроснабжения объектов, продолжающих работу в режиме ПЗ.
2.74. В Прил. 11 на
черт. 1 - 3 даны примеры выполнения блок-схем централизованного управления
коммутационными аппаратами линий 6 - 10 кВ при использовании различных
устройств противоаварийной автоматики:
на черт. 1 - для
подстанций, на которых установлены устройства автоматической разгрузки по факту
снижения напряжения, с сооружаемыми дуплексными каналами связи с ДП ПЭС или
узловой подстанцией с постоянным дежурным персоналом. Аналогичная схема может
выполняться для подстанций с постоянным дежурным персоналом. В этом случае цепи
телемеханического управления не выполняются, а управление осуществляется
дежурным со щита ключом управления;
на черт. 2 - для
подстанций, на которых установлены устройства разгрузки, управляемые от
системных устройств противоаварийной автоматики по ВЧ-связи с использованием
аппаратуры АНКА-АВПА. Управление коммутационными аппаратами на подстанции с ДП
ПЭС или узловой ПС с постоянным обслуживающим персоналом осуществляется с
использованием свободного сигнала приемника, а сигнализация об исполнении
команды - с использованием свободного сигнала передатчика. В случае, если на
подстанции установлен только приемник АНКА-АВПА, осуществляется только местная
сигнализация об исполнении команды.
Эта схема может
быть использована и для подстанции с постоянным дежурным персоналом. В этом
случае управление осуществляется со щита ключом управления, а управление с ДП
ПЭС по ВЧ-связи может не осуществляться;
на черт. 3 - для
подстанций, на которых установлены приемные устройства автоматической
циркулярной разгрузки. В этом случае выполняется только местная сигнализация об
исполнении команды. Схема может быть использована для подстанций с постоянным
дежурным персоналом. При этом воздействие на исполнительные органы
осуществляется дежурным со щита ключом управления.
2.75. Возможные
варианты реконструкции сельских электрических сетей 6 - 10 кВ с целью
обеспечения питания объектов сельского хозяйства, продолжающих работу в режиме
ПЗ, и отключения объектов, прекращающих работу в режиме ПЗ, приведены в Прил.
12.
Примеры выполнения
реконструкции сетей 10 - 110 кВ РЭС приведены в Прил. 13.
Промышленные
предприятия
2.76. Выбор схем
управления наружным и внутренним освещением промышленных предприятий
рекомендуется производить с учетом указаний, приведенных в табл. 2.
Таблица 2
─────────────┬──────┬──────────────────────┬───────────────────┬───────────
Способ
│Линия │ Питание
сети │ Номер чертежа │Рекомендуе-
управления
│управ-│
управления │ │мая область
│ления,├────────┬──────┬──────┼─────────┬─────────┤применения
│кабели│источник│ род
│напря-│схемы
│схемы │
│ │питания │ тока
│жение,│управле- │питания
│
│ │ │ │В │ния │сети │
│ │ │ │ │ │управле- │
│ │ │
│ │ │ния │
─────────────┼──────┼────────┼──────┼──────┼─────────┼─────────┼───────────
Дистанционное│Теле-
│Аккуму- │Посто-│
48 │2 (а + б)│ 6 (а) │Наружное
│фонные│ляторная│янный │или 60│ │ │освещение
│ │батарея │ │ │ │ │<1>
│ │<2> │ │ │ │ │
│
├────────┼──────┼──────┼─────────┼─────────┤
│ │Выпрями-│ "
│ 48 │2 (а + б)│ 7 (а)
│
│ │тель <2>│ │или 60│ │ │
─────────────┼──────┼────────┼──────┼──────┼─────────┼─────────┤
Фотоавтомати-│ "
│Аккуму- │
" │ 48
│2 (а + в)│6 (а) <3>│
ческое
или │ │ляторная│ │или 60│ <3>
│ │
программное
с│ │батарея │ │ │2 (а + б)│6 (б)
<4>│
возможностью
│ │<2> │ │ │
<4> │ │
перехода
на │
├────────┼──────┼──────┼─────────┼─────────┤
дистанционное│ │Выпрями-│ "
│ 48 │2 (а + в)│7 (а) <3>│
│ │тель <2>│ │или 60│ <3>
│ │
│ │ │ │ │2 (а + б)│7 (б)
<4>│
│ │ │ │ │
<4> │ │
─────────────┼──────┼────────┼──────┼──────┼─────────┼─────────┼───────────
Дистанционное│Конт-
│От │Пере- │
220 │3 (а + б)│ - │Внутреннее
│роль- │управ- │менный│ │ │ │освещение.
│ные │ляемой │
│ │ │ │Наружное
│ │линии │
│ │ │ │освещение
│
├────────┼──────┼──────┼─────────┼─────────┤<5>,
<7>
│ │От двух │ "
│ 220 │4 (а +
б)│ 8 (а) │
│ │источни-│ │ │
│ │
│ │ков │ │ │ │ │
─────────────┼──────┼────────┼──────┼──────┼─────────┼─────────┼───────────
Фотоэлектри-
│Конт- │От двух │Пере- │ 220 │4 (а + в)│8 (а)
<3>│Наружное
ческое
или │роль-
│источни-│менный│
│ <3> │ │освещение
программное
с│ные │ков │ │ │4 (а + б)│8 (б) <4>│<6>,
<7>
возможностью
│ │ │ │ │
<4> │ │
перехода
на │
├────────┼──────┼──────┼─────────┼─────────┼───────────
дистанционное│ │От │
" │ 220 │3 (а + в)│ -
│Внутреннее
│ │управ- │
│ │ <3>
│ │освещение.
│ │ляемой │
│ │ │ │Наружное
│ │линии │
│ │ │ │освещение
│ │ │ │ │ │ │<5>
─────────────┼──────┼────────┼──────┼──────┼─────────┼─────────┼───────────
Телемехани- │Комп- │ -
│ - │
- │ 5
│ - │Наружное
ческое │лекс- │ │ │ │ │ │освещение
│ной │ │ │ │ │ │<3>
│сети │
│ │ │ │ │
--------------------------------
<1>
При небольших расстояниях от пункта управления освещением до силовых блоков
напряжение катушек реле, сигнальных ламп и источника питания сети управления
принимается одинаковым; при значительных расстояниях напряжение катушек реле и
сигнальных ламп принимается ниже напряжения источника питания, а избыток
напряжения гасится в специально рассчитываемых добавочных сопротивлениях R1,
R2.
<2>
Выбор источника питания сети управления производится с учетом местных условий
проектируемого объекта.
<3>
При дистанционном, фотоавтоматическом и программном управлении каждым магнитным
пускателем.
<4>
При дистанционном управлении каждым магнитным пускателем и фотоавтоматическом
или программном управлении группой пускателей.
<5>
При небольших расстояниях от пункта управления освещением до силовых блоков.
<6>
При значительных расстояниях от пункта управления освещением до силовых блоков.
<7>
Выбор между схемами на черт. 3 и 4 определяется расчетом сетей дистанционного
управления.
<8>
Применяется при наличии на предприятии телемеханизации управления системами
энерго- или электроснабжения.
2.77. На черт. 2 -
4 приведены принципиальные схемы дистанционного, фотоавтоматического и
программного, на черт. 5 - телемеханического управления освещением, на черт. 6
- 8 - схемы питания сети управления. В табл. 3 даны обозначения, принятые в
схемах, и указаны места установки отдельных аппаратов. Схемы черт. 2 - 5
относятся только к управляемым линиям, схемы черт. 6 - 8 отражают варианты
питания сети управления. Для конкретных случаев применяются сочетания схем
указанных групп (см. табл. 2).

Черт. 2.
Принципиальные схемы дистанционного,
фотоавтоматического
и программного управления освещением
по свободным жилам
телефонных кабелей
а + б -
дистанционное управление; а + в - фотоавтоматическое
или программное
управление; 1 - к потребителю;
2 - от источника
питания сети управления 60 В (см. схемы
черт. 6, 7); 3 - к
аналогичным цепям управления других
пускателей; 4 -
вводятся в случаях, если напряжение
источника питания
выше, чем напряжение катушки реле
и сигнальной лампы;
5 - замкнут при включении освещения
фото- или
программным автоматом

Черт. 3.
Принципиальные схемы дистанционного,
фотоавтоматического
и программного управления освещением
по контрольным
кабелям без промежуточных реле
а + б -
дистанционное управление; а + в - фотоавтоматическое
и программное
управление; 1 - к потребителю; 2 - замкнут
при включении
освещения фото- или программным автоматом

Черт. 4.
Принципиальные схемы дистанционного,
фотоавтоматического
и программного управления освещением
по контрольным
кабелям с промежуточным реле
а + б -
дистанционное управление; а + в - фотоавтоматическое
или программное
управление; 1 - к потребителю;
2 - от источника
питания сети управления ~ 220 В
(см. черт. 8); 3 -
к аналогичным цепям управления других
пускателей; 4 -
замкнут при включении освещения фото-
или программным
автоматом

Черт. 5.
Принципиальная схема телемеханического
управления
освещением
1 - к потребителю;
2 - из схемы телеуправления;
3 - замкнут при
подаче команды на включение или отключение;
4 - замкнут при
подаче команды на включение; 5 - замкнут
при подаче команды
на отключение; 6 - двухпозиционное реле;
7 - цепь
телесигнализации

Черт. 6.
Принципиальная схема питания сети управления
постоянным током от
аккумуляторной батареи
а - при
дистанционном, фотоавтоматическом и программном
управлении каждым
пускателем; б - при дистанционном
управлении каждым
пускателем и фотоавтоматическом
или программном
управлении группой пускателей;
1 - от
аккумуляторной батареи или выпрямительного
устройства 60 В; 2
- к схемам черт. 2, б; 2, в;
3 - к схеме черт.
2, б; 4 - замкнут при включении
освещения фото- или
программным автоматом

Черт. 7.
Принципиальная схема питания сети
управления от
выпрямителя
а - при
дистанционном, фотоавтоматическом и программном
управлении каждым
пускателем, к схемам черт. 2, б; 2, в;
б - при
дистанционном управлении каждым пускателем
и
фотоавтоматическом или программном управлении группой
пускателей, к схеме
черт. 2, б; 1 - основное питание
~ 220 В; 2 -
резервное питание ~ 220 В; 3 - постоянный ток
60 В; 4 - замкнут
при включении освещения фото-
или программным
автоматом

Черт. 8.
Принципиальная схема питания сети
управления
переменным током
а - при
дистанционном, фотоавтоматическом и программном
управлении каждым
пускателем, к схемам черт. 4, б; 4, в;
б - при
дистанционном управлении каждым пускателем
и
фотоавтоматическом или программном управлении группой
пускателей, к схеме
черт. 4, б; 1 - основное питание
~ 220 В; 2 -
резервное питание ~ 220 В; 3 - замкнут
при включении
освещения фото- или программным автоматом
Таблица 3
───────────┬──────────────────────────────────────┬────────────────────────
Обозначения│ Наименование │ Место установки
───────────┼──────────────────────────────────────┼────────────────────────
Д
│Дистанционное управление │ -
М
│Местное управление │
А
│Автоматическое или программное │
│управление │
Т
│Телемеханическое управление │
───────────┼──────────────────────────────────────┼────────────────────────
А
│Автомат │На
силовом блоке
Л
│Пускатель магнитный (контактор) │
РТ
│Реле тепловое │
П
│Предохранитель │
───────────┼──────────────────────────────────────┼────────────────────────
ИУ
│Избиратель управления │На силовом блоке
РП, РП1
│Реле промежуточное │или вблизи него
R1
│Сопротивление добавочное в цепи │
│катушки реле │
───────────┼──────────────────────────────────────┼────────────────────────
Л1
│Пускатель магнитный │В пункте управления
В
│Ключ дистанционного управления │освещением на пульте
ИР
│Избиратель режима управления │или щитке дистанционного
В1 - В3
│Выключатели в цепи питания линий │управления
│управления │
───────────┼──────────────────────────────────────┼────────────────────────
ЛС1 - ЛС7 │Лампы сигнальные │В пункте
управления
R2 R3
│Сопротивление добавочное в цепи
│освещением на пульте
│сигнальной лампы │или щитке
дистанционного
│
│управления
───────────┼──────────────────────────────────────┼────────────────────────
П1 - П6
│Предохранители │В цепи
управления
───────────┼──────────────────────────────────────┼────────────────────────
ВС
│Выпрямитель │В пункте
управления
│
│освещением вблизи пульта
│
│или щитка дистанционного
│
│управления
───────────┼──────────────────────────────────────┼────────────────────────
Фр
│Контакт фото- или программного │Автомат устанавливается
│автомата │вблизи
силового блока
2.78. Схемы
управления черт. 2 - 5, 7, 8 характеризуются следующими особенностями:
отсутствием нулевой
защиты, что обеспечивает автоматическое включение освещения при восстановлении
напряжения в линиях сети освещения после его кратковременного отключения;
наличием на пульте
или щитке управления освещением сигнальных ламп для каждого магнитного
пускателя (контактора), горение которых показывает включенное или отключенное
состояние освещения;
наличием на силовых
блоках избирателей управления, позволяющих осуществлять переход с
дистанционного, фотоавтоматического и программного управления на местное
(необходимое для профилактического осмотра силовых блоков);
возможностью
перехода с фотоавтоматического и программного управления на дистанционное.
2.79. Для сетей
управления наружным освещением рекомендуется в первую очередь использовать
свободные жилы телефонных кабелей внутризаводской связи и только в случае
невозможности или технической нецелесообразности их применения предусматривать
прокладку контрольных кабелей.
2.80. Для управления
внутренним освещением используются контрольные или силовые (при числе жил до
четырех) кабели, прокладываемые открыто, или провода, прокладываемые в трубах.
Использование
общего контрольного кабеля или прокладка в одной трубе проводов для управления
рабочим, аварийным или эвакуационным освещением не допускается.
2.81. Число жил
кабелей между пультом (щитком) дистанционного управления и силовыми блоками
равно для схем
черт.
2 (а + б), 3 (а + б), 4 (а + в) 5n,
черт.
2 (а + в), 3 (а + в) 6n,
черт.
4 (а + б) 4n,
n - число магнитных
пускателей (контакторов), управляемых по кабелю.
2.82. Сети
дистанционного управления освещением рассчитываются на потерю напряжения от
пускового тока втягивающих катушек магнитных пускателей (контакторов) и реле.
Эти аппараты
надежно срабатывают при понижении напряжения до 85% их номинального значения.
2.83. Применение
воздушных линий и открытых электропроводок незащищенными проводами (на роликах,
изоляторах и т.п.) для сетей дистанционного, фотоэлектрического и программного
управления освещением не рекомендуется ввиду недостаточной надежности таких
проводок.
Расчет сетей
управления и сигнализации внутреннего и наружного освещения, а также
оборудование для этого приведены в Прил. 14 и 15 соответственно.
ТИПЫ
СВЕТОМАСКИРОВОЧНЫХ СВЕТИЛЬНИКОВ, ИХ УСТАНОВКА
Светильники,
рекомендуемые для наружного
маскировочного
освещения, и маскировочные
приспособления к
ним
2.84. Для наружного
маскировочного освещения применяются светильники СПО-200, СПО-2 x 200,
СПП-200М, НСУ04-200-001-У1, РСУ04-125-001-У1, НО-300, СППР-125, СПО-500,
СПОР-250, СПОГ-250 с маскировочными приспособлениями, соответствующими ТУ
ОСУ.564.001-78, приведенными в табл. 4.
Таблица 4
─────────────────┬──────────────┬───────────┬─────────┬────────────────────
Тип светильника │ Тип
│ Тип лампы │ Высота
│ Номер пункта
│маскировочного│
│подвеса, │описания светильника
│приспособления│ │ м
│ в Прил. 16
─────────────────┼──────────────┼───────────┼─────────┼────────────────────
НСУ01-15-003-У1 │Экран- │В230-240-40│ 6 - 8
│ 1
ТУ
ОСУ.564.002-78│затенитель
│ │ │
─────────────────┼──────────────┼───────────┼─────────┼────────────────────
НО-300 │ЗСУ.564.004 │В230-240-15│ 6,5 - 8
│ 2
СПО-200 │ │ или
│ 6,5 - 8 │
СПО-2
x 200 │ │В230-240-25│ 9
│
СПП-200М │ │ │ 9
│
НСУ04-200-001-У1
│ │ │ 9
│
РСУ04-125-001-У1
│ │ │ 9
│
СППР-125 │ │ │ 9
│
─────────────────┼──────────────┼───────────┼─────────┼────────────────────
СПО-500 │ЗСУ.564.005 │В230-240-15│ 6,5 - 8
│ 3
СПОР-250 │ │ или
│ 6,5 - 8 │
СПОГ-250 │ │В230-240-25│ 9 -
11 │
Калькодержатель и
изготовитель - завод "Светотехника", г. Лихославль Калининской обл.
Светильники,
рекомендуемые для общего внутреннего
маскировочного
освещения, и маскировочные
приспособления к
ним
2.85. Светильники
внутреннего освещения, работающие в режиме ПЗ, должны быть оборудованы
маскировочными приспособлениями.
Перечень
светильников, рекомендуемых для общего внутреннего маскировочного освещения, и
соответствующих им типов приспособлений приведены в табл. 5 и 6.
Таблица 5
──────────────────────┬──────────────────┬──────────────────┬───────────────────────────────────────────────────────────┬───────────
Тип светильника │Светомаскировочное│ Разработчик │
Тип лампы (над чертой) и тип переходного патрона │
Номер
│
приспособление, │ приспособления │
(под чертой) при высоте установки светильника, м │
пункта
│ обозначение │ ├──────────────┬──────────────┬──────────────┬──────────────┤
описания
│ основного │ │ 2 - 4
│ 4 - 6 │
6 - 8 │ 8 - 10
│светильника
│ конструкторского
│ │ │ │ │ │в Прил. 16
│ документа, ТУ │ │ │ │ │ │
──────────────────────┴──────────────────┴──────────────────┴──────────────┴──────────────┴──────────────┴──────────────┴───────────
Светильники для освещения
производственных помещений
с нормальными условиями
среды
Гс-500М,
Гс-1000М, │Экранирующее │Ардатовский │ -
│ -
│ В230-240-15 │
В230-240-25 │ 4
Гс-1500М │устройство │светотехнический │ │
│--------------│--------------│
│ЭУ-01У3,
черт. │завод (Ардатов) │ │ │ПП-Е40/Е27П-03│ПП-Е40/Е27П-03│
│ОДФ.365.003, │ │ │ │ │ │
│ТУ
ОДФ.535.006 │ │ │ │ │ │
──────────────────────┼──────────────────┼──────────────────┼──────────────┼──────────────┼──────────────┼──────────────┼───────────
НСПО1
x 100/ДОЗ-01 │Окраска ламп, │Фрунзенский │ В230-240-15 │ В230-240-15 │ В230-240-15 │ В230-240-15 │
5
(НСП21-100-001) │ЕДО.014.000 │опытный завод │ ----------- │ ----------- │ ----------- │ ----------- │
("Астра-1") │ │электровакуумного
│ - │ -
│ - │ -
│
│ │машиностроения │ │ │ │ │
│ │(Фрунзе) │ │ │ │ │
──────────────────────┼──────────────────┼──────────────────┼──────────────┼──────────────┼──────────────┼──────────────┼───────────
НСПО1
x 200/ДОЗ-07 │ То же │ То же │ В230-240-15 │ В230-240-15 │ В230-240-15 │ В230-240-15 │
5
(НСП21-200-003) │ │ │ ----------- │ ----------- │ ----------- │ ----------- │
("Астра-3") │ │ │ -
│ - │ -
│ - │
──────────────────────┼──────────────────┼──────────────────┼──────────────┼──────────────┼──────────────┼──────────────┼───────────
НСПО1
x 500/ДОЗ-02 │Затенитель │ПО "Ватра" │ В230-240-15 │ В230-240-25 │ БК230-240-40 │ В230-240-60 │
6
(У-15) │З-03У3, черт. │(Тернополь)
│--------------│--------------│--------------│--------------│
│ЗКТ.709.000-02,
│
│ПП-Е40/Е27П-01│ПП-Е40/Е27П-01│ПП-Е40/Е27П-01│ПП-Е40/Е27П-01│
│ТУ ЗКТ.709.000 │ │ │ │ │ │
──────────────────────┴──────────────────┴──────────────────┴──────────────┴──────────────┴──────────────┴──────────────┴───────────
Светильники для освещения
производственных помещений
с тяжелыми условиями
среды
──────────────────────┬──────────────────┬──────────────────┬──────────────┬──────────────┬──────────────┬──────────────┬───────────
НСПО3-60/Р53-01 │Экран Э-02, │Завод │ В230-240-15 │
- │ -
│ - │ 7
(У-3) │черт.
ОДН.365.001,│"Электросвет"
│ ----------- │ │ │ │
│ТУ ОДН.554.000-73 │им. П.Н.
Яблочкова│ - │ │ │ │
│ │(Москва) │ │ │ │ │
──────────────────────┼──────────────────┼──────────────────┼──────────────┼──────────────┼──────────────┼──────────────┼───────────
НСПО1
x 500/Д53-01, │Затенитель │ПО "Ватра" │ В230-240-15 │ В230-240-25 │ БК230-240-40 │ Б230-240-60 │
8
УПМ-15 │З-03У3, черт. │(Тернополь)
│--------------│--------------│--------------│--------------│
(НСП22-500-121) │ЗКТ.709.000-02, │
│ПП-Е40/Е27П-01│ПП-Е40/Е27П-01│ПП-Е40/Е27П-01│ПП-Е40/Е27П-01│
│ТУ ЗКТ.709.000 │ │ │ │ │ │
──────────────────────┼──────────────────┼──────────────────┼──────────────┼──────────────┼──────────────┼──────────────┼───────────
НСПО1
x 100/Д53-02 │Окраска ламп, │Фрунзенский │ В230-240-15 │ В230-240-15 │ В230-240-15 │ В230-240-15 │
5
(НСП21-100-001) │ЕДО.014.000 │опытный завод │ ----------- │ ----------- │ ----------- │ ----------- │
("Астра-11") │ │электровакуумного
│ - │ -
│ - │ -
│
│ │машиностроения │ │ │ │ │
│ │(Фрунзе) │ │ │ │ │
──────────────────────┼──────────────────┼──────────────────┼──────────────┼──────────────┼──────────────┼──────────────┼───────────
НСПО1
x 200/Д53-03 │ То же │ То же
│ В230-240-15 │ В230-240-15 │ В230-240-15 │ В230-240-15 │
5
(НСП21-200-003) │ │ │ ----------- │ ----------- │ ----------- │ ----------- │
("Астра-12") │ │ │ -
│ - │ -
│ - │
──────────────────────┼──────────────────┼──────────────────┼──────────────┼──────────────┼──────────────┼──────────────┼───────────
НСПО1
x 200/Д53-03 │ " │ " │ В230-240-15 │ В230-240-15 │ В230-240-15 │ В230-240-15 │
5
(НСП21-200-005) │ │ │ ----------- │ ----------- │ ----------- │ ----------- │
("Астра-32") │ │ │ - │ -
│ - │ -
│
──────────────────────┼──────────────────┼──────────────────┼──────────────┼──────────────┼──────────────┼──────────────┼───────────
НСПО1
x 500/Д63-01, │Затенитель │ПО "Ватра" │ В230-240-15 │ В230-240-25 │ В230-240-40 │ В230-240-60 │
9
УП-24 │З-03У3, черт. │(Тернополь)
│--------------│--------------│--------------│--------------│
(НСП22-500-111) │ЗКТ.709.000-02, │ │ПП-Е40/Е27П-01│ПП-Е40/Е27П-01│ПП-Е40/Е27П-01│ПП-Е40/Е27П-01│
│ТУ
ЗКТ.709.000 │ │ │ │ │ │
──────────────────────┼──────────────────┼──────────────────┼──────────────┼──────────────┼──────────────┼──────────────┼───────────
НСП11-100-431, │Затенитель │ То же │ В230-240-25 │
- │ -
│ - │ 10
НСП11-100-434 │З-20У3, черт. │ │ ----------- │
│ │ │
│и ТУ
ЗКТ.709.002 │ │ -
│ │ │ │
──────────────────────┼──────────────────┼──────────────────┼──────────────┼──────────────┼──────────────┼──────────────┼───────────
НСП11-200-431, │Затенитель │ " │ В230-240-15 │ В230-240-60 │
- │ -
│ 10
НСП11-200-434 │З-30У3, черт. │ │ ----------- │ ----------- │ │ │
│ЗКТ.709.002-01,
│
│ - │ -
│ │ │
│ТУ
ЗКТ.709.002 │ │ │ │ │ │
──────────────────────┼──────────────────┼──────────────────┼──────────────┼──────────────┼──────────────┼──────────────┼───────────
НСП20-500 │Затенитель │ " │ В230-240-15 │ В230-240-25 │ БК230-240-40 │ В230-240-60 │
11
(НСП20-500-121; │З-03У3, черт. │
│--------------│--------------│--------------│--------------│ 12
НСП20-500-111) │ЗКТ.709.000-02, │
│ПП-Е40/Е27П-01│ПП-Е40/Е27П-01│ПП-Е40/Е27П-01│ПП-Е40/Е27П-01│
│ТУ
ЗКТ.709.000 │ │ │ │ │ │
──────────────────────┼──────────────────┼──────────────────┼──────────────┼──────────────┼──────────────┼──────────────┼───────────
ГсУ-500М, │Экранирующее │Ардатовский │ -
│ - │ В230-240-15 │ В230-240-25 │
4
ГсУ-1000М, │устройство │светотехнический │ │ │--------------│--------------│
ГсУ-1500М │ЭУ-01У3, черт. │завод (Ардатов) │ │
│ПП-Е40/Е27П-01│ПП-Е40/Е27П-01│
│ОДФ.365.003, │ │ │ │ │ │
│ТУ ОДФ.535.006 │ │ │ │ │ │
──────────────────────┴──────────────────┴──────────────────┴──────────────┴──────────────┴──────────────┴──────────────┴───────────
Светильники для освещения
взрывоопасных помещений
──────────────────────┬──────────────────┬──────────────────┬──────────────┬──────────────┬──────────────┬──────────────┬───────────
Н4Б-300
без отражателя│Экран Э-05, черт. │Завод │ -
│ В230-240-15 │ -
│ - │ 13
и
сетки
│8ДН.365.019,
│"Электросвет"
│ │
----------- │ │ │
│ТУ ОДН.554.000-73
│им. П.Н. Яблочкова│ │ -
│ │ │
│ │(Москва) │ │ │ │ │
──────────────────────┼──────────────────┼──────────────────┼──────────────┼──────────────┼──────────────┼──────────────┼───────────
ВЗГ-200
с сеткой │Экран Э-03, черт.
│ То же │ В230-240-15 │
- │ -
│ - │ 14
и
без отражателя (ВЗГ-│8ДН.365.022,
│ │
----------- │ │ │ │
200М) │ТУ ОДН.554.000-73
│ │ -
│ │ │ │
──────────────────────┼──────────────────┼──────────────────┼──────────────┼──────────────┼──────────────┼──────────────┼───────────
ВЗГ/В4А-200
без сетки │Экран Э-04, черт. │ " │ В230-240-15 │
- │ -
│ - │ 15
и
отражателя
│5ДН.365.004,
│ │
----------- │ │ │ │
│ТУ ОДН.554.000-73
│ │ -
│ │ │ │
──────────────────────┼──────────────────┼──────────────────┼──────────────┼──────────────┼──────────────┼──────────────┼───────────
ВЗГ-100 │Экран Э-06, черт.
│ " │ В230-240-15 │
- │ -
│ - │ 16
│5ДН.365.003, │ │ ----------- │ │ │ │
│ТУ ОДН.554.000-73
│ │ -
│ │ │ │
──────────────────────┼──────────────────┼──────────────────┼──────────────┼──────────────┼──────────────┼──────────────┼───────────
В4А-60 │Экран Э-08, черт.
│ " │ В230-240-15 │
- │ -
│ - │ 17
│5ДН.365.006, │ │ ----------- │ │ │ │
│ТУ ОДН.554.000-73
│ │ -
│ │ │ │
──────────────────────┼──────────────────┼──────────────────┼──────────────┼──────────────┼──────────────┼──────────────┼───────────
Н4БН-150 │Затенитель │ПО "Ватра" │ В230-240-15 │
- │ -
│ - │ 18
│З-71У1, черт. │(Тернополь) │ ----------- │ │ │ │
│ЗКТ.709.001-01,
│
│ - │ │ │ │
│ТУ
ЗКТ.709.000 │ │ │ │ │ │
──────────────────────┴──────────────────┴──────────────────┴──────────────┴──────────────┴──────────────┴──────────────┴───────────
Светильники для освещения лестничных
клеток и коридоров
──────────────────────┬──────────────────┬──────────────────┬──────────────┬──────────────┬──────────────┬──────────────┬───────────
НПО-18
x 100/Н-07УХЛ4,│N 1, черт.
│Завод "Эстопласт" │ В230-240-15 │ В230-240-15 │ В230-240-15 │
- │ 20
арт.
38-07 │408.00.00, │(Таллин) │ ----------- │ ----------- │ ----------- │ │
│ТУ 16/ЛП-5-78 │ │ -
│ - │ -
│ │
──────────────────────┼──────────────────┼──────────────────┼──────────────┼──────────────┼──────────────┼──────────────┼───────────
НПО-18
x 100/Р-01УХЛ4,│N 2, черт.
│ То же │ В230-240-15 │ В230-240-15 │ В230-240-15 │
- │ 21
арт.
352 │409.00.00, │ │ ----------- │ ----------- │ ----------- │ │
│ТУ 16/ЛП-5-78 │ │ -
│ - │ -
│ │
──────────────────────┼──────────────────┼──────────────────┼──────────────┼──────────────┼──────────────┼──────────────┼───────────
НПО-18
x 60/Н-05УХЛ4, │N 3, черт.
│ " │ В230-240-15 │ В230-240-15 │ В230-240-15 │
- │ 22
арт.
355 │410.00.00, │ │ ----------- │ ----------- │ ----------- │ │
│ТУ 16/ЛП-5-73 │ │ -
│ - │ -
│ │
──────────────────────┼──────────────────┼──────────────────┼──────────────┼──────────────┼──────────────┼──────────────┼───────────
НПО30
x 100/Н-01УХЛ4, │Черт.
│Бельцкий завод ЭОА│ В230-240-15 │ В230-240-15 │ В230-240-15 │
- │ 23
арт.
402 │5сх.487.001, │(Бельцы) │ ----------- │ ----------- │ ----------- │ │
│ТУ 16/СХ-3-78 │ │ -
│ - │ -
│ │
──────────────────────┼──────────────────┼──────────────────┼──────────────┼──────────────┼──────────────┼──────────────┼───────────
НПО01-2
x 60/Н-01УХЛ4 │Черт.
│ То же │ В230-240-15 │ В230-240-15 │ В230-240-15 │
- │ 23
│5сх.487.001, │ │ ----------- │ ----------- │ ----------- │ │
│ТУ 16/СХ-3-78 │ │ -
│ - │ -
│ │
──────────────────────┼──────────────────┼──────────────────┼──────────────┼──────────────┼──────────────┼──────────────┼───────────
НБ009
x 60/Р53-01УХЛ4,│N 4, черт.
│Завод "Эстопласт" │ В230-240-15 │
- │ -
│ - │ 24
арт.
402 │411.00.00, │(Таллин) │ ----------- │
│ │ │
│ТУ 16/ЛП-5-78 │ │ -
│ │ │ │
Примечания. 1. Для
местного освещения применяются светильники СГС-1 и НКС01 с лампой накаливания
В230-240-15 и затенителем З-04У3 (черт. ЗКТ.709.001, ТУ ЗКТ.709.000),
изготовитель - ПО "Ватра" (см. Прил. 16).
2. Расчетные
мощности ламп определяются из условий создания освещенности от одиночного
светильника не более 0,5 лк при коэффициенте запаса 1 без учета суммирования
освещенности от других светильников.
3. При установке
светильников на высоте более 10 м мощность лампы подбирается в соответствии с
допустимым уровнем освещенности не более 0,5 лк при коэффициенте запаса 1.
4. При замене ламп
в зеркальных светильниках рекомендуется в действующих установках выборно
проверять уровни освещенности поверхностей.
5. Лампы
Г230-240-300 с цоколем Р40 устанавливаются без переходных патронов.
6. В графе
"Тип светильника" в скобках приведены новые обозначения светильников.
Таблица 6
────────────┬─────────────────────────────────────────────────────────────────────────────────────────────────────────────────────────┬───────────
Тип
│ Тип
источника света и затеняющего приспособления при высоте установки светильника,
м │ Номер
светильника
├────────────┬───────────────┬────────┬──────────────────┬──────────────┬───────────┬────────────┬───────────┬────────────┤ пункта
│ 2
│ 2,5 │
3,5 │ 4 │ 5
│ 6 │
9 │ 12
│ 25 │ описания
│ │ │ │ │ │ │ │ │ │светильника
│ │ │ │ │ │ │ │ │ │в Прил. 16
────────────┼────────────┼───────────────┼────────┼──────────────────┼──────────────┼───────────┼────────────┼───────────┼────────────┼───────────
ВЗГ-200АМ │
-
│В230-240-1-100;│
- │В230-240-15;
Э-03,│ -
│В230-240-15│БК230-240-40│Б230-240-60│Б230-240-200│ 14
с
сеткой │ │лампу окрасить │ │экран │ │ │ │ │ │
│ │синей краской │
│5ДН.365.007СП,
│ │ │ │ │ │
│ │ │ │ТУ ОДН.554.002-78;│ │ │ │ │ │
│ │ │ │окрасить черной │ │ │ │ │ │
│ │ │ │матовой краской │ │ │ │ │ │
────────────┼────────────┼───────────────┼────────┼──────────────────┼──────────────┼───────────┼────────────┼───────────┼────────────┼───────────
ВЗГ-200АМ │
-
│В230-240-1-100;│
- │В230-240-15; │ -
│В230-240-15│БК230-240-40│Б230-240-60│В230-240-200│ 14
без
сетки │ │лампу окрасить │ │Э-04А, экран │ │ │ │ │ │
│ │синей краской │
│5ДН.365.004-01СП, │ │ │ │ │ │
│ │ │ │ТУ ОДН.554.002-78;│ │ │ │ │ │
│ │ │ │окрасить черной │ │ │ │ │ │
│ │ │ │матовой краской │ │ │ │ │ │
────────────┼────────────┼───────────────┼────────┼──────────────────┼──────────────┼───────────┼────────────┼───────────┼────────────┼───────────
ВЗГ/В4А-200М│ -
│ То же │
- │В230-240-15;
Э-04,│ -
│В230-240-15│БК230-240-40│Б230-240-60│В230-240-200│ 15
│ │ │ │кольцо │ │ │ │ │ │
│ │ │ │5ДН.365.004СП, │ │ │ │ │ │
│ │ │ │ТУ ОДН.554.002-78;│ │ │ │ │ │
│ │ │ │окрасить черной │ │ │ │ │ │
│ │ │ │матовой краской │ │ │ │ │ │
────────────┼────────────┼───────────────┼────────┼──────────────────┼──────────────┼───────────┼────────────┼───────────┼────────────┼───────────
Плафон
В4 │СМ26-5, │ -
│СМ26-100│
- │СМ26-10, │ -
│ - │ -
│ - │
19
│отражатель │ │ │ │Э-10 экран │ │ │ │ │
│8ДТ.405.166;│ │ │ │5ДН.365.009СП,│ │ │ │ │
│окрасить │ │ │ │ТУ │ │ │ │ │
│черной │ │ │
│ОДН.554.002-78│ │ │ │ │
│матовой │ │ │ │ │ │ │ │ │
│краской │ │ │ │ │ │ │ │ │
Примечание.
Изготовитель светильников - завод "Электросвет" им. П.Н. Яблочкова,
Москва.
2.86. Перечень
специальных светильников, предназначенных для работы в режиме ПЗ как внутри
помещений, так и на открытом воздухе, приведен в табл. 7.
Таблица 7
─────────────────┬─────────────────┬───────────────────────────┬───────────
Тип
светильника, │ Условия, │
Завод-изготовитель │ Номер
ТУ
│ для которых │ │ пункта
│ предназначен
│
│ описания
│ светильник
│ │светильника
│ │ │в Прил. 16
─────────────────┴─────────────────┴───────────────────────────┴───────────
Стационарные светильники для
внутреннего освещения
─────────────────┬─────────────────┬───────────────────────────┬───────────
Л-60-2Б, │Нормальная среда
│Ашинский светотехнический
│ 26
ТУ
16-535.163-81 │
│(г. Аша Челябинской обл.)
│
─────────────────┼─────────────────┼───────────────────────────┼───────────
ПТ-37,
ПТ-37-М, │ То же
│ То же │ 27
ТУ
16-535.474-70 │
│
│
─────────────────┼─────────────────┼───────────────────────────┼───────────
ГМ-66-2, │ " │"Электросвет" │ 28
ТУ
16-535.140-82 │
│им. П.Н. Яблочкова (Москва)│
─────────────────┼─────────────────┼───────────────────────────┼───────────
С-2ХБ, │Нормальная │Ашинский светотехнический │
29
ТУ
16-535.486-80 │и химически
│(г. Аша Челябинской обл.)
│
│агрессивная
среда│
│
─────────────────┼─────────────────┼───────────────────────────┼───────────
ПС60-2Б, │ То же
│ То же │ 30
ТУ
16-535.468-70 │
│
│
Стационарные светильники для
габаритного освещения
ГСТ-64-К2, │Нормальная среда │Ашинский
светотехнический │ 31
ГСТ-64-32, │ │(г. Аша Челябинской
обл.) │
ТУ
16-535.472-80 │
│
│
Переносные светильники для наружного и
внутреннего освещения
УАС-1, │Нормальная среда
│"Электросвет"
│ 32
ТУ
16-535.380-70 │
│им. П.Н. Яблочкова (Москва)│
─────────────────┼─────────────────┼───────────────────────────┼───────────
СП-1, │ То же
│Ашинский светотехнический
│ 33
ТУ
16-535.344-69 │
│(г. Аша Челябинской обл.)
│
─────────────────┼─────────────────┼───────────────────────────┼───────────
БП-62В, │Взрывоопасная │ То же │ 34
ТУ
16-535.484-81 │среда, исполнение│ │
│ВЗГ │ │
─────────────────┼─────────────────┼───────────────────────────┼───────────
СПЛ-2, │Нормальная среда │ " │ 35
ТУ
16-535.520-81 │
│
│
Световые знаки,
работающие в режиме ПЗ.
Типы, устройство,
установка
2.87. На
территориях городов, населенных пунктов, промышленных предприятий, в
общественных и производственных зданиях для обозначения путей эвакуации людей,
помещений убежищ, служб ГО, медицинских пунктов и т.д. в режиме ПЗ используются
специальные световые знаки.
Перечень световых
знаков и их вид указаны на черт. 9, а начертание символики - на черт. 10.

Черт. 9. Световые
знаки, работающие в режиме ПЗ

Черт. 10.
Начертание символов световых знаков
в модульной сетке
Наряду с символами
допускается использование световых знаков в виде надписей.
2.88. В
режиме ПЗ следует применять световые знаки, удовлетворяющие следующим
требованиям:
размеры и яркость
устанавливаемых снаружи световых знаков должны обеспечить их видимость на фоне
с яркостью до 0,05 кд/м2 с расстояния 25 - 30 м. Символика знаков при той же
яркости должна различаться с расстояния не менее 10 м. Освещенность,
создаваемая знаками в зоне их расположения, не должна быть более 0,2 лк;
размеры и яркость
устанавливаемых внутри зданий световых знаков должны обеспечивать их видимость
на фоне с яркостью до 0,1 кд/м2 с расстояния 25 м и различимость символики с
расстояния до 10 м.
Освещенность,
создаваемая знаками в зоне их расположения, должна быть не более 0,5 лк.
2.89. Световые
знаки, указанные в п. 2.88, должны приводиться в действие и включаться
одновременно с наружным и внутренним маскировочным освещением. Знаки должны
присоединяться к сетям наружного и внутреннего освещения, не отключаемым в
режиме ПЗ, или иметь автономное питание.
Для обозначения
путей эвакуации людей к защитным сооружениям, входов в помещения и выходов из
них и т.д. применяется световой указатель с лампой накаливания ТУ СХ-05-84
(черт. 11).

Черт. 11.
Световой указатель
1 - корпус; 2 -
колпак; 3 - патрон; 4 - винт;
5 - прокладка; 6 -
крепление; 7 - винт заземления
Световой указатель
рассчитан для работы на открытом воздухе и в помещениях с нормальной средой и
имеет следующие технические данные:
рабочее напряжение
- 220 В;
частоту питания
сети - 50 Гц;
лампу накаливания -
В 220-15-1;
мощность лампы - 15
Вт;
число ламп - 1;
яркость - не более
10 кд/м2;
видимость - 25 - 30
м;
массу - не более
2,6 кг;
габаритные размеры
- 270 x 145 мм.
Завод-изготовитель
и калькодержатель документации - Бельцкий завод электроосветительной арматуры,
г. Бельцы Молдавской ССР.
2.90. Монтаж и
подключение светового указателя производится электриком. При монтаже, а также
при устранении неисправностей сеть должна быть обесточена. При подготовке к
работе (см. черт. 11) необходимо:
шнур ПРС 2 x 0,75
предварительно подготовить и ввести в отверстие на корпусе 1, присоединив к
патрону 3;
ввернуть лампу
накаливания мощностью 15 Вт;
установить
рассеиватель-колпак 2 с кольцом-прокладкой 5, поджав рассеиватель равномерно
винтами 4 до упора, а затем отвернуть винты на полоборота;
закрепить на стене
скобу-крепление 6 и установить световой указатель;
заземлить
светильник с помощью винта 7;
подсоединить шнур к
питающей сети.
3.
МЕХАНИЧЕСКИЕ УСТРОЙСТВА ДЛЯ СВЕТОВОЙ МАСКИРОВКИ
ПРОЕМОВ ЗДАНИЙ И
СООРУЖЕНИЙ
ОСНОВНЫЕ ПОЛОЖЕНИЯ
ПО МАСКИРОВКЕ СВЕТОВЫХ, АЭРАЦИОННЫХ
И ТЕХНОЛОГИЧЕСКИХ
ПРОЕМОВ ЗДАНИЙ И СООРУЖЕНИЙ
3.1. Световая
маскировка проемов зданий и сооружений, в которых продолжается работа в режиме
ПЗ, проводится с целью полного устранения или уменьшения до безопасных пределов
световых потоков, выходящих наружу через указанные проемы.
3.2. Световая
маскировка осуществляется путем установки на оконных проемах механических
зашторивающих устройств с учетом специфики и особенностей производства.
3.3. Изготовление и
подготовка к установке механических устройств проводятся заблаговременно в
мирное время. Установка механических устройств на штатные места выполняется при
введении режима ЧЗ. Если на монтаж отдельных устройств требуется время,
превышающее 16 ч, то их установка производится в мирное время. Механические
зашторивающие устройства вводятся в действие по специальному распоряжению.
Время введения в действие устройств не должно превышать 3 мин.
3.4. Механические
устройства устанавливаются только в тех помещениях промышленных и общественных
зданий (сооружений), где по условиям работы, продолжающейся в режиме ПЗ,
требуются уровни освещенности, превышающие 0,5 лк для общего и 5 лк для
местного освещения.
В помещениях,
оборудованных светомаскировочным освещением, механические зашторивающие
устройства не устанавливаются.
3.5.
Светопропускание механических устройств, т.е. отношение прошедшего через
устройство светового потока к световому потоку, упавшему на него, должно быть
не более
.
3.6. В
зашторивающих механических устройствах ширина штор не должна превышать 6 м,
высота раздвижных штор - 4 м, высота подъемных штор - 5 м. При более высоких
окнах верхнюю часть проема, превышающую 5 м, следует заделывать наглухо
светонепроницаемым материалом или покрытием, наносимым на остекление (пленки, краски),
если это допускается по условиям технологии производства (Прил. 18).
3.7. В качестве
светонепроницаемого материала для зашторивающих устройств рекомендуется
применять двухслойную полиэтиленовую пленку специального назначения ТУ
6-19-051-526-84 и светомаскировочную бумагу (Прил. 18). Указанные материалы
являются самозатухающими.
3.8. Зашторивающие
устройства не следует устанавливать в промышленных зданиях вблизи мощных
источников теплового излучения. В этом случае следует использовать экраны из
негорючих материалов.
3.9. Перед
установкой штор-экранов и штор-щитов в светоаэрационные и аэрационные фонари
необходимо провести расчет дополнительных создаваемых ими весовых нагрузок на
конструкцию здания.
3.10. Ворота и
въезды в промышленные здания, через которые может осуществляться движение
транспорта в режиме ПЗ, оборудуются, как правило, тамбурами-шлюзами со
светомаскировочными завесами из эластичного материала.
3.11. Конструкции
механических устройств рассчитываются на ветровые воздействия до 200 Н/м2.
Прочность крепления
каркаса устройств к конструкциям здания должна проверяться силой 500 Н,
приложенной к местам крепления.
Несущие конструкции
устройств рекомендуется выполнять из негорючих материалов.
3.12. Механические
устройства не должны препятствовать открыванию створных элементов окон и
витражей.
Механические
устройства должны обеспечивать надежное фиксирование светозащитного экрана в
любом его положении.
Механизмы для
приведения в действие зашторивающих устройств должны быть ручными, при этом
прикладываемое усилие не должно превышать 147 Н (15 кгс) на 1 чел.
3.13. Проверка
работоспособности механических светозащитных устройств при сдаче их в
эксплуатацию должна предусматривать пятикратное перемещение светозащитного
экрана с установкой его в рабочее положение; при этом проверяется качество
светозащиты, плавность перемещения и правильность расположения экрана в
различных положениях, величина усилия, прилагаемая к органам управления, время,
необходимое для зашторивания проема.
КОНСТРУКЦИИ
УСТРОЙСТВ ДЛЯ СВЕТОВОЙ МАСКИРОВКИ ОКОН,
ФОНАРЕЙ И ВОРОТ
ЗДАНИЙ И СООРУЖЕНИЙ
3.14. В данном
разделе вместо конструкций механических устройств, приведенных в прил. 8 СНиП
2.01.53-84, даны рекомендации по использованию усовершенствованных конструкций,
разработанных ЦНИИПромзданий и ЦНИИПроектстальконструкций Госстроя СССР, ЦНИИЭП
учебных зданий и КиевЦНИИЭП Госгражданстроя в 1984 - 1985 гг.
Из номенклатуры
механических устройств исключены шторы-жалюзи как сложные и дорогие в
изготовлении и не оправдавшие себя в условиях эксплуатации.
3.15. Рабочая
документация на механические зашторивающие устройства приведена в восьми
выпусках серии 217-85:
Выпуск 1. Шторы
оконные раздвижные ШР.
Выпуск 2. Шторы
оконные подъемные ШП.
Выпуск 3. Шторы
оконные межстекольные ШМ.
Выпуск 4. Шторы
оконные комбинированные ШК.
Выпуск 5. Шторы
светоаэрационных фонарей ШС.
Выпуск 6.
Шторы-экран аэрационных фонарей ША.
Выпуск 7. Шторы-щит
зенитных фонарей ШЗ.
Выпуск 8. Шторы
ворот ШВ и шторы-тамбуры ворот ШТ.
Организация-калькодержатель
- ЦНИИПромзданий Госстроя СССР.
Завесы штор
выпусков 1 - 5 и 8 выполнены из пленки полиэтиленовой самозатухающей
двухслойной специального назначения по ТУ 6-19-051-526-84.
Щиты и экраны штор
выпусков 6 и 7 выполнены из металла.
3.16. Номенклатура
и техническое решение штор оконных раздвижных ШР приведены на черт. 12 и 13.
Штора раздвижная включает (см. черт. 13) завесы 1 и 2, карниз 3, направляющую
струну 4, отводные ролики 5, приводной шнур 6, оси натяжения струны 7, скрепки
8, поводок 9. Завесы при помощи скрепок 8 навешиваются на направляющие струны
4. Перемещение завес осуществляется приводным шнуром 6, который в пазах роликов
5 фиксируется поводком 9.

Черт. 12.
Номенклатура штор раздвижных ШР
─────────────────────┬─────────────────────┬──────────────────────
Марка │ А │ H
─────────────────────┼─────────────────────┼──────────────────────
ШР 30-42 │ 3000 │ 4200
ШР 30-24 │ 3000 │ 2400
ШР 30-21 │ 3000 │ 2100
ШР 24-36 │ 2400 │ 3600
ШР 24-24 │ 2400 │ 2400
ШР 24-21 │ 2400 │ 2100
ШР 18-21 │ 1800 │ 2100
ШР 18-18 │ 1800 │ 1800
ШР 18-15 │ 1800 │ 1500
Размер H
разрешается принимать другим, кратным 300 мм от 1200 до 4200 мм. Размер A при
необходимости разрешается принимать другим до 3000 мм по согласованию с заводом
- изготовителем штор.

Черт. 13.
Конструктивная схема шторы
раздвижной ШР в
аксонометрии
3.17. Номенклатура
и техническое решение штор оконных подъемных ШП приведены на черт. 14 и 15.
Штора подъемная включает полотно 1, барабан 2, противовес 3, приводной шнур 4,
уплотнители боковые 5. Уплотнители 5 предназначены для уплотнения вертикальных
торцов полотна и размещения противовеса 3. Перемещение полотна осуществляется
вручную приводным шнуром 4.

Черт. 14.
Номенклатура и габаритные размеры
штор подъемных ШП
─────────────────────┬─────────────────────┬──────────────────────
Марка │ А │ H
─────────────────────┼─────────────────────┼──────────────────────
ШП 15-22 │ 1450 │ 2200
ШП 18-22 │ 1750 │ 2200
ШП 24-22 │ 2350 │ 2200
ШП 30-22 │ 2950 │ 2200

Черт. 15.
Конструктивная схема шторы подъемной ШП
3.18. Номенклатура
и техническое решение штор оконных комбинированных ШК приведены на черт. 16 и
17. Штора комбинированная включает (см. черт. 17) полотно 1, барабаны 2,
катушки приводные 3, 4, направляющие струны 5, кронштейн 6, груз 7. Полотно
шторы выполнено из двух разных материалов, наматываемых на верхний и нижний
барабаны 2; при этом одна половина полотна 8 предназначена для обеспечения
защиты от солнечной радиации и выполняется из традиционных солнцезащитных
материалов, а другая половина 9 - из светонепроницаемой пленки специального
назначения. Между половинами полотна предусмотрен разрыв 10, обеспечивающий
раскрытие светового проема окна. Полотно шторы размещается между стеклами в
спаренных переплетах или между переплетами в витринах. Перемещение полотна
осуществляется вручную приводным шнуром 11.

Черт. 16.
Номенклатура штор оконных комбинированных ШК
─────────────────────┬─────────────────────┬──────────────────────
Марка │ А
│ Б
─────────────────────┼─────────────────────┼──────────────────────
ШК 15-10 │ 1505 │ 1000
ШК 16-10 │ 1535 │ 1040
ШК 18-12 │ 1800 │ 1170
ШК 19-12 │ 1900 │ 1230
ШК 21-14 │ 2120 │ 1420
ШК 12-10 │ 1220 │ 1040

Черт. 17.
Конструктивная схема шторы оконной
комбинированной ШК
Штора обеспечивает
три режима работы: светомаскировку, солнцезащиту и раскрытие окна.
3.19. Номенклатура
и техническое решение штор оконных межстекольных ШМ приведены на черт. 18 и 19.
Штора включает (см. черт. 19) полотно 1, барабан 2, шнур 3, привод 4, фиксатор
шнура 5, траверсу 6. Штора размещается между стеклами в спаренных переплетах
или между переплетами в витринах.

Черт. 18.
Номенклатура штор оконных межстекольных ШМ
─────────────────────┬─────────────────────┬──────────────────────
Марка │ А │ Б
─────────────────────┼─────────────────────┼──────────────────────
ШМ 15-10 │ 1505 │ 1000
ШМ 16-10 │ 1535 │ 1040
ШМ 18-12 │ 1800 │ 1170
ШМ 19-12 │ 1900 │ 1170
ШМ 21-14 │
2100 │ 1420
ШМ 12-10 │ 1220 │ 1040

Черт. 19.
Конструктивная схема шторы оконной
межстекольной ШМ
Перемещение полотна
осуществляется вручную приводным шнуром 3, который закрепляется фиксатором 5 в
нерабочем положении.
3.20. Номенклатура
и техническое решение штор светоаэрационных фонарей ШС приведены на черт. 20 и
21.

Черт. 20.
Номенклатура штор однорядных светоаэрационных
фонарей ШС для
серий ПК-01-126; ПК-01-127 и 1.464-11/82
─────────────────────┬─────────────────────┬──────────────────────
Марка │
Высота проема, мм │ Масса, кг
─────────────────────┼─────────────────────┼──────────────────────
ШС 13-60 │ 1750 │ 325
ШС 11-60 │ 1500
│ 295

Черт. 21.
Номенклатура штор двухъярусных светоаэрацнонных
фонарей ШС для
серий ПК-01-126, ПК-01-127 и 1.464-13/82
─────────────────────┬─────────────────────┬──────────────────────
Марка │ Высота проема H, мм
│ Масса, кг
─────────────────────┼─────────────────────┼──────────────────────
ШС 13-60 │ 2 x 1750 │ 605
ШС 11-60 │ 2 x 1500 │ 535
ШС 09-60 │ 2 x 1250 │ 435
ШС 07-60 │ 2 x 1200 │ 405
Штора включает
полотно 1, направляющие 2, отводные блоки 3, приводной канат 4, лебедки 5.
Полотно навешивается на направляющие при помощи скрепок.
Перемещение полотна
осуществляется вручную при помощи лебедки и приводного каната.
3.21. Номенклатура
и техническое решение штор-экранов аэрационных фонарей ША приведены на черт. 22
и 23.

Черт. 22.
Номенклатура штор-экранов аэрационных
фонарей ША для
серии КТИС
─────────────────────┬─────────────────────┬──────────────────────
Марка │ Высота проема H, мм
│ Масса, кг
─────────────────────┼─────────────────────┼──────────────────────
ША 07-60 │ 1250 │ 1232
ША 08-60 │ 1700 │ 1372
ША 10-60 │ 2400 │ 1556
ША 14-60 │ 3400 │ 1934

Черт. 23.
Номенклатура штор-экранов аэрационных
фонарей ША для
серии 1.464-6
─────────────────────┬─────────────────────┬──────────────────────
Марка │ Высота проема H, мм
│ Масса, кг
─────────────────────┼─────────────────────┼──────────────────────
ША 12-30 │ 1500 │ 995
ША 24-30 │ 2500 │ 1573
ША 30-30 │ 3000 │ 1585
Штора включает наружные
стационарные экраны 1 и внутренние стационарные экраны 2, которые закрепляются
к конструкциям фонаря при помощи сварки и крепежных болтовых соединений.
3.22. Номенклатура
и техническое решение штор-щитов зенитных фонарей ШЗ приведены на черт. 24.

Черт. 24.
Конструктивная схема и аксонометрическая проекция
шторы-щита
зенитного фонаря ШЗ 15-17
для серии 1.464-14
массой 41 кг
Штора включает для
всех серий крышки распашные 1, которые крепятся болтовыми крепежными
соединениями к каркасу 2.
3.23. Номенклатура
и технические решения штор ворот ШВ и штор-тамбуров ворот ШТ приведены на черт.
25 - 28.

Черт. 25.
Номенклатура штор-ворот ШВ для зданий,
оборудованных
тамбурами-шлюзами
──────────────┬────────────┬────────────┬────────────┬────────────
Марка
│ А │ Б
│ В │ Г
──────────────┼────────────┼────────────┼────────────┼────────────
ШВ 36-36
│ 3600 │
3600 │ 4000
│ 3800
ШВ 36-42
│ 3600 │
4200 │ 4000
│ 4400
ШВ 36-30
│ 3600 │
3000 │ 4000
│ 3200
ШВ 24-24
│ 2400 │
2400 │ 2800
│ 2600
ШВ 30-30
│ 3000 │
3000 │ 3400
│ 3200
ШВ 42-42
│ 4200 │
4200 │ 4600
│ 4400
ШВ 42-48
│ 4200 │
4800 │ 4600
│ 5000
ШВ 48-54
│ 4800 │
5400 │ 5200
│ 5600

Черт. 26.
Конструктивная схема шторы-ворот ШВ для зданий,
оборудованных
тамбурами-шлюзами

Черт. 27.
Номенклатура штор-тамбуров ворот ШТ для зданий,
не оборудованных
тамбурами-шлюзами
──────────────┬────────────┬────────────┬────────────┬────────────
Марка
│ А │ Б
│ В │ Г
──────────────┼────────────┼────────────┼────────────┼────────────
ШТ 36-36
│ 3600 │
3600 │ 4000
│ 3800
ШТ 36-42
│ 3600 │
4200 │ 4000
│ 4400
ШТ 36-30
│ 3600 │
3000 │ 4000
│ 3200
ШТ 24-24
│ 2400 │
2400 │ 2800
│ 2600
ШТ 30-30
│ 3000 │
3000 │ 3400
│ 3200
ШТ 42-42
│ 4200 │
4200 │ 4600
│ 4400
ШТ 42-48
│ 4200 │
4800 │ 4600
│ 5000
ШТ 48-54
│ 4800 │
5400 │ 5200
│ 5600

Черт. 28.
Конструктивная схема шторы-тамбура ворот ШТ
для зданий, не
оборудованных тамбурами-шлюзами
Штора ворот ШВ (см.
черт. 26) включает две боковые завесы 1, одну горизонтальную завесу 2 и
алюминиевый каркас 3. В тамбуре-шлюзе устанавливаются две шторы.
Штора-тамбур ШТ
(см. черт. 28) включает три ряда штор: две торцевые из двух боковых завес 1 и
одной горизонтальной завесы 2 и одну среднюю штору из вертикальных завес 3,
каркас 4 и обшивку каркаса 5.
Завесы выполнены из
черной эластичной резины, обшивка - из светонепроницаемой пленки.
Световая маскировка
ворот обеспечивается при тамбурах-шлюзах двумя воротами с двумя рядами завес, а
в воротах без тамбуров-шлюзов - тремя рядами завес. При проезде транспорта
завесы облегают контуры транспорта.
В тамбурах-шлюзах
длиной более проходящего через них транспорта шторы не устанавливаются. В этом
случае светомаскировка обеспечивается шлюзованием транспорта.
Светомаскировка
проемов ворот, оборудованных шторами-тамбурами ШТ, обеспечивается в комплексе
со светотехническими мероприятиями в зоне ворот.
4. СВЕТОВАЯ
МАСКИРОВКА ПРОИЗВОДСТВЕННЫХ ОГНЕЙ
ДЕМАСКИРУЮЩИЕ
ПРИЗНАКИ ПРОИЗВОДСТВЕННЫХ ОГНЕЙ
И МЕТОДИКА ИХ
ОПРЕДЕЛЕНИЯ
4.1.
Производственные огни создают более мощное по сравнению с электрическим
освещением световое излучение, направленное, как правило, по всем направлениям,
в том числе и в верхнюю полусферу.
Производственные
огни подразделяются:
по характеру
проявления - на постоянные, периодические, апериодические;
по месту действия -
на расположенные в промышленном здании, расположенные на открытом воздухе,
движущиеся.
К постоянным огням
относятся: свечение факелов, электродов, электропечей, форсуночных и смотровых
отверстий в печах; к периодическим - свечение жидкого металла, шлака при
выпуске из печей, при розливе металла; к апериодическим - выбросы раскаленного
материала из печей, огни электросварки.
4.2. Абсолютное
большинство производственных огней находится на предприятиях черной и цветной
металлургии и на объектах, имеющих литейные производства, а также на
предприятиях нефтеперерабатывающей и нефтехимической промышленности.
Основным видом
производственных огней на предприятиях нефтеперерабатывающей и нефтехимической
промышленности являются факелы для сжигания постоянных сбросных газов, а также
для сжигания значительных количеств газов в аварийных ситуациях.
К демаскирующим
признакам производственных огней относится мощное световое излучение,
направленное в верхнюю полусферу, и световое излучение, отраженное от
окружающих поверхностей. В табл. 8 приведены характеристики демаскирующего
светового излучения некоторых видов производственных огней, связанных с
литейным производством. Данные таблицы могут быть использованы для
ориентировочной глазомерной оценки демаскирующих факторов производственных
огней. В последней графе табл. 8 приведены расчетные значения дальности
видимости указанных огней при хорошей видимости (коэффициент прозрачности
атмосферы равен 0,9).
Таблица 8
────────────────┬─────────────────────────────────────┬──────┬─────────────
Наименование
│Характеристики светящейся поверхности│ Сила │ Дальность
│
│света,│видимости, км
├──────────────┬─────────────┬────────┤ кд
├──────┬──────
│ положение
│ размеры │средняя │ │ глаз │би-
│ │ │яркость,│ │ │нокль
│ │ │кд/м2 │
│ │
────────────────┼──────────────┼─────────────┼────────┼──────┼──────┼──────
Струя
шлака │Вертикальное │
1,5 м2 │ 32000 │47000 │Св. 20│Св. 20
при
выпуске │ │ │ │ │ │
Струя
штейна │ То же
│ 1,0 м2 │ 28000 │14000 │ " 20│ " 20
при
выпуске │ │ │ │ │ │
Шлак
в чаше │Горизонтальное│диаметр 2,8
м│ 16 │
52 │ 13,1 │
" 20
Штейн
в ковше │ " │диаметр 2,3 м│ 1300
│ 4700 │Св. 20│ "
20
Ковш
после слива│ " │ 1 м2
│ 1450 │ 1200 │ " 20│ " 20
Шлак
в чаше │ " │диаметр 2,8 м│ 5
│ 16 │
9 │ " 20
при
движении │ │ │ │ │ │
шлаковоза │ │ │ │ │ │
Шлак
на шлаковом│60° к
│ 40 м2 │
400 │14500 │Св.
20│ " 20
отвале │горизонту │ │ │ │ │
Горловина │Горизонтальное│ 5 м2
│ 1100 │ 4800 │ " 20│ " 20
конвертера │ │ │ │ │ │
при
заливке │ │ │ │ │ │
и
выпуске │ │ │ │ │ │
Файнштейн │ " │ 5x6 м
│ 65 │ 1050 │ " 20│ " 20
в
изложнице │ │ │ │ │ │
Приэлектродные │
- │ -
│ - │ 1200 │ " 20│ " 20
пространства │ │ │ │ │ │
и
неплотности │ │ │ │ │ │
в
своде печи │ │ │ │ │ │
Раскаленные │Вертикальное │3x0,45x0,7 м │ 65
│ 55 │ 13,2 │ " 20
электроды │ │ │ │ │ │
Аноды
на │Горизонтальное│
0,9x0,85 м │ 33000 │ 1900 │Св. 20│ " 20
карусельной │
│ │ │ │ │
машине │ │ │ │ │ │
4.3.
Светящиеся поверхности металлургического производства в большинстве своем имеют
линейные размеры, не превышающие 8 м. Поэтому при наблюдении с нормированного
расстояния они воспринимаются в виде точки.
При наблюдении
светящихся поверхностей с воздуха наибольшая дальность видимости наблюдается
при следующих углах направления наблюдения к горизонту
для поверхности, град:
горизонтальной ......................... 32
вертикальной ...........................
5
наклонной под углом 60° к горизонту .... 10
В
соответствии с черт. 1 величина допустимой
силы света равна
для
поверхности, кд:
горизонтальной ......................... 0,2
вертикальной ........................... 0,13
наклонной под углом 60° к горизонту .... 0,14
4.4. Промышленные
агрегаты и технологические линии могут располагаться в промышленных зданиях
закрытого типа, полуоткрытого типа и на открытом воздухе. Регламентировать
светотехнические параметры производственных огней из-за их разнообразия
невозможно, каждый отдельный агрегат рассчитывается индивидуально. Расчет
светящейся поверхности агрегата ведется по методике расчета точечного источника
света. Для определения светотехнических параметров ведется наблюдение за
технологическим циклом обследуемого агрегата, выявляются фазы максимального
излучения в ночное время. Затем проводится фотометрирование светящихся
поверхностей агрегата. Для установления необходимости маскировки светового
излучения фотометрирование должно проводиться в течение нормативного времени,
установленного для маскировки производственных огней. Агрегат в это время
должен находиться в режиме ПЗ (остановлен или переведен в поддерживающий
режим).
4.5. При
фотометрировании определяется количество, геометрические размеры и ориентация в
пространстве светящихся поверхностей, излучение которых выходит в верхнюю
полусферу. С помощью люксметра Ю117 или яркомера ФПЧ измеряются
светотехнические параметры излучения.
Силу света по
различным направлениям (кривую светораспределения поверхности) для светящейся
поверхности небольших размеров (до 1,5 - 2 м по наибольшему измерению), можно
определить с помощью люксметра косвенным методом. Для этого оператор должен
расположить приемную пластину фотоэлемента на расстоянии, не менее чем в 7 - 10
раз превышающем наибольший размер светящейся поверхности.
При выборе
направления фотометрирования по возможности необходимо стремиться к тому, чтобы
указанное направление совпадало с направлением выхода излучения светящегося
объекта через проемы здания.
При ленточном
остеклении здания и при расположении огней на открытом воздухе необходимо,
чтобы линия визирования фотометра была направлена под углами, указанными в п.
4.3. При необходимости измеряется освещенность и по другим направлениям. Сила
света, кд, определяется по выражению
, (1)
где E - измеренное
значение освещенности, лк;
- расстояние от точки измерения до светящейся
поверхности, м.
4.6. Для устранения
посторонних засветок от светильников и других агрегатов на приемную поверхность
фотоэлемента надевается тубус, изготовленный из светонепроницаемой бумаги или
других плотных материалов и окрашенный черной диффузной краской. Диаметр тубуса
должен быть порядка 9 см, а длина не менее 30 см.
При наводке тубуса
люксметра на светящийся объект необходимо следить, чтобы посторонние засветки
не попадали на фотоэлемент. В сомнительных случаях желательно осуществить
проверку, которая выполняется следующим образом. Следует попытаться
экранировать излучение фотометрируемого источника или перевести агрегат в такой
технологический режим, когда излучение отсутствует, а затем измерить
освещенность в соответствующих точках. При наличии отличных от нуля показаний
люксметра в этих точках они вычитаются из полученных ранее показаний.
Если проведение
наблюдений по отдельным необходимым направлениям невозможно, то сила света по
этим направлениям ориентировочно может быть рассчитана по следующей
зависимости:
, (2)
где
- искомая сила света, кд;
- сила света по известному направлению, кд;
- проекция площади светящейся поверхности по
искомому направлению, м2;
- проекция площади светящейся поверхности по
направлению измерения, м2.
Указанная
зависимость исходит из предположения, что яркости светящейся поверхности по
искомому и известному направлениям примерно одинаковы, что в большинстве
случаев подтверждается практикой.
4.7. При
невозможности использования люксметра и если линейные размеры светящейся
поверхности превышают 1,5 - 2 м, измеряется яркость светящейся поверхности
фотометром ФПЧ.
Расстояние
фотометрирования в соответствии с инструкцией по эксплуатации фотометра ФПЧ
выбирается таким образом, чтобы фотометрируемый участок поверхности полностью
перекрывал поле наблюдения прибора.
Если светящаяся
поверхность визуально выглядит равнояркой, то ее яркость измеряется в двух-трех
точках и полученные значения усредняются.
При наличии на
поверхности участков, резко отличающихся по яркости, измеряется яркость каждого
из участков. В этом случае усредненная яркость всей светящейся поверхности, кд/м2,
определяется по выражению:
, (3)
где
,
,...,
- яркость участков поверхности, кд/м2;
,
,
- проекция площадей участков поверхности в
направлении наблюдения, м2;
- суммарная проекция площади поверхности в
направлении наблюдения, м2.
Для точечного
источника света сила света, кд, рассчитывается по выражению:
, (4)
где
- усредненная яркость светящейся поверхности,
кд/м2;
- проекция светящейся поверхности в
направлении фотометрирования, м2 (рассчитывается геометрически).
После проведения
расчетов полученную силу света следует сравнить с ее допустимым значением.
4.8. В случае,
когда световое излучение промышленного агрегата направлено в нижнюю полусферу
или когда различные заслонки, короба, напыльники и т.д. допускают попадание
света вниз, производится измерение освещенности в наиболее светлых местах
освещенных поверхностей по методике проверки освещенности (см. п. 5.2).
Результаты
измерений и расчетов светотехнических параметров демаскирующего излучения
каждого агрегата заносятся в журнал.
Форма записи
измерений светотехнических параметров светящихся поверхностей промышленных
объектов (производственных огней) индивидуальна, но должна содержать следующие
сведения:
краткую
характеристику объекта (название агрегата и описание его технологического
цикла);
геометрические
размеры светящихся поверхностей и их ориентацию в пространстве (желательно дать
схему);
выбранные
направления фотометрирования;
рабочий режим
объекта в момент измерений;
результаты замеров
яркости (освещенности) по выбранным направлениям;
результаты расчетов
силы света по выбранным направлениям;
сравнение
полученных результатов с допустимыми значениями;
дату замеров.
ВЫБОР СПОСОБОВ
СВЕТОМАСКИРОВКИ ПРОИЗВОДСТВЕННЫХ ОГНЕЙ
4.9. Маскировка
производственных огней промышленных предприятий в режиме ПЗ проводится
технологическим и механическим способами или их сочетанием.
Способы и средства
световой маскировки выбираются в каждом конкретном случае в соответствии с
требованиями ведомственных инструкций по световой маскировке и безаварийной
остановке производства, утверждаемых в установленном порядке.
Выбор способа
светомаскировки зависит от вида источника демаскирующего излучения, его
местоположения, технологического цикла и т.д. и должен быть обоснован
технико-экономическими расчетами различных вариантов.
4.10. Промышленные
агрегаты или устройства после подачи сигнала ВТ должны быть остановлены или
переведены на поддерживающий режим в соответствии с инструкцией по безаварийной
остановке производства.
Световой маскировке
подлежат только те агрегаты и устройства, световое излучение которых превышает
допустимые нормы, указанные в п. 4.3, по истечении нормативного времени,
отведенного на маскировку производственных огней.
4.11. При
расположении промышленных агрегатов или устройств на открытом воздухе или в
полуоткрытых помещениях светомаскировке должен подвергаться каждый агрегат или
устройство в отдельности. Предпочтение следует отдавать изменению
технологического цикла, что позволяет полностью устранить или значительно
снизить уровень светового излучения. Оставшееся световое излучение экранируется
механическим способом путем применения навесов, заслонок, коробов и т.д., а
также путем использования душирующих устройств и засыпки светящихся
поверхностей инертными материалами.
4.12. При
расположении агрегатов в закрытых зданиях светомаскировке должно подвергаться
либо само здание путем экранирования его световых и аэрационных проемов, либо
каждый агрегат или устройство в отдельности.
Светомаскировке
подвергаются обычно лишь производственные здания или отдельные помещения с
небольшим количеством световых и аэрационных проемов. При этом надо учитывать,
что применение зашторивающих устройств затрудняет аэрацию помещений. Это
обстоятельство делает невозможным их применение в большинстве горячих цехов.
При светомаскировке здания въезды в него должны быть оборудованы тамбурами.
При расположении
агрегатов и устройств в больших многопролетных зданиях с большим количеством
фонарей и ленточным остеклением обычно маскируется каждый агрегат или
устройство в отдельности аналогично указанному в п. 4.11. При этом необходимо учитывать,
что световое излучение агрегатов частично экранируется строительными
конструкциями здания и выходит наружу только через световые и аэрационные
проемы.
4.13. В режиме ПЗ
электродуговая, а также газовая сварка и резка металла прекращается. При необходимости
выполнения этих операций при проведении неотложных аварийно-спасательных работ
следует использовать закрытые помещения или специальные кабины, изготовленные
из плотного материала.
4.14. В режиме ПЗ
работа котлов, находящихся под нагрузкой, ведется по специальной ведомственной
инструкции, при этом растопка котлов производиться не должна.
4.15. При выборе
способов светомаскировки необходимо особое внимание обращать на повышение
эффективности производства путем применения прогрессивных технологических
установок для утилизации тепла и отходящих газов, в том числе использования
котлов-утилизаторов, рекуператоров, плотных водоохлаждаемых напыльников на
конвертерах и анодных печах, установок для припечной грануляции шлаков, печей
для дожига отходящих газов.
ПРИМЕРЫ ТИПОВЫХ
РЕШЕНИЙ ПО СВЕТОМАСКИРОВКЕ
ПРОИЗВОДСТВЕННЫХ
ОГНЕЙ
4.16. Различные
промышленные предприятия, относящиеся к одной отрасли и выпускающие одинаковую
продукцию, как правило, имеют типовой набор технологического оборудования.
Поэтому они должны применять типовые решения по светомаскировке каждого
промышленного агрегата или устройства в отдельности.
Ниже в качестве
примера приведено решение по светомаскировке плавильного цеха одного из
крупнейших металлургических комбинатов.
4.17. В здании
плавильного цеха расположено следующее технологическое оборудование, создающее
демаскирующее световое излучение:
рудно-термические
электропечи;
электропечи
обеднения;
горизонтальные
конвертеры;
участок остывания
файнштейна;
ковши и чаши с
расплавом.
К плавильному цеху
относится также шлаковый отвал и подъездные пути к нему.
Рудно-термические
печи и печи обеднения расположены в плавильном пролете плавильного цеха.
Демаскирующее световое излучение периодически возникает при розливе шлака и
штейна из печи, при сливе шлака и штейна в печь, при нахождении остатков
расплава в шлаковых и штейновых желобах-ложках, при остывании штейна в ковше и
шлака в чаше. Постоянное световое излучение выходит наружу через неплотности в
сводах печей и приэлектродных пространств, при свечении самих электродов. В
рудно-термических печах это излучение полностью экранируется конструкцией печи.
Конвертеры
расположены в плавильном пролете плавильного цеха. Демаскирующее световое
излучение периодически возникает при сливе шлака и файнштейна в ковш, при
заполнении конвертера штейном, при выбивании пламени и брызг расплава из-под
напыльника во время продувки конвертера. Кроме того, при выводе горловины
конвертера из-под напыльника наблюдается свечение расплава в самом конвертере.
Кроме указанного
промышленного оборудования световое излучение возникает при движении ковшей и
чаш со штейном, файнштейном и шлаком внутри цеха, при розливе файнштейна в
изложницы (прудки) и при его остывании.
Интенсивное
демаскирующее излучение возникает при движении шлаковоза со шлаковыми чашами (4
- 6 шт.) в течение 8 - 10 мин к отвалу и особенно при сливе шлака в отвал, а
также при движении пустых шлаковых чаш обратно в цех.
4.18. Экранирование
световых и аэрационных проемов здания плавильного цеха нецелесообразно из-за
нарушения аэрации помещения, значительных стоимости и трудоемкости установки
зашторивающих устройств, сложности в их эксплуатации. Целесообразнее
использовать местное экранирование промышленных агрегатов.
4.19.
Светомаскировка руднотермической печи проводится следующим образом:
по сигналу ВТ
прекращается выпуск из печи любого из продуктов плавки: металла, штейна, шлака
- и этим ликвидируется свечение струи.
Желоба после
выпуска металла, штейна и шлака через 6 - 8 мин практически не светятся. Кроме
того, для светомаскировки желобов можно применить короб-укрытие.
Ковш со шлаком
можно укрывать крышкой или зонтом.
Неплотности между
электродами и сводом печи, через которые выходит световое излучение,
ликвидируют с помощью устройства в виде кожуха.
Разрыв в газоходе
для организованного подсоса воздуха укрывают асбестовой тканью или путем
спускания по газоходу на разрыв кольцеобразной "юбки".
Люк для загрузки
кусковых оборотных материалов и смотровой люк печи закрывают собственными
крышками, изготовленными из толстого листового железа или чугунного литья. Светомаскировку
желоба для слива расплавленного металла в рафинировочную отражательную печь
можно выполнить с помощью укрытия в виде короба.
Ковш после слива
жидкого металла в рафинировочную печь можно укрыть крышкой или зонтом.
Порядок и время
перевода руднотермической печи в режим ПЗ по сигналу ВТ указаны в должностной
инструкции (табл. 9).
Таблица 9
─────────────────────────────────────┬──────────────┬──────────────────────
Мероприятие │ Время
│ Ответственный
│на
выполнение,│ за выполнение
│ мин │ мероприятия
─────────────────────────────────────┼──────────────┼──────────────────────
Прекратить
выпуск продуктов плавки - │
4 │Электроплавильщик
закрыть
летку или шпуры │ │
Прекратить
подачу шихты в печь, │ 3
│Оператор
прекратить
приготовление шихты │ │и шихтовальшик
Перевести
печи на поддерживающий │ 7
│Электрик цеха
режим
(включение аварийного источника│ │
электропитания) │ │
Укрыть
ковши
│ 2 │Ст. электроплавильщик
│ │и
помощник
Закрыть
крышки и дверцы люков, укрыть│
3 │Плавильщик
асбошнуром
или асботканью неплотности│
│
между
сводовыми отверстиями
│ │
и
электродами
│ │
Укрыть
разрыв в газоходе для
│ 3 │Плавильщик
организованного
подсоса воздуха │ │
Включить
печь в "особый режим"
│ 2 │Оператор
Осмотреть,
укрыть и засыпать песком │ 3
│Электроплавильщик
светящиеся
поверхности желобов │ │
и
проливов расплавов
│ │
4.20. Наиболее
эффективным средством светомаскировки электропечи является ее остановка с
прекращением выпуска продуктов плавки, со снятием напряжения, опусканием под
свод светящейся части электродов, укрытием приэлектродных и других отверстий
механическими экранами и засыпкой шихтой светящейся поверхности ванны.
Уменьшение зазора
между электродом и сводом печи и ликвидация в связи с этим демаскирующего
свечения достигается (в отдельных случаях) путем фиксации нижнего конца
электрода специальным устройством.
Светомаскировку
расплавленного шлака целесообразно осуществить при выпуске его из печи путем
водной или сухой грануляции.
В кессонированном
желобе свечение шлака, остающегося после закрытия летки, прекращается в течение
одной минуты. Поэтому для такого желоба не требуется светомаскировочного
укрытия.
Примерный порядок и
необходимое время для перевода обеднительных электропечей в режим ПЗ дано в
должностной инструкции (табл. 10).
Таблица 10
─────────────────────────────────────────┬──────────────┬──────────────────
Мероприятие │ Время
│ Ответственный
│на выполнение,│ за
выполнение
│ мин
│ мероприятия
─────────────────────────────────────────┼──────────────┼──────────────────
Прекращение
выпуска продуктов плавки │ 3
│Ст. плавильщик
Прекращение
заливки расплавов в печь │ 3 │Загрузчик
Укрытие
поверхности расплава в печи
│ 8 │Загрузчик
шихтой │ │
Отключение
печи
│ 3 │Бригадир
Опускание
светящихся частей электродов
│ 8 │Ст. плавильщик
под
свод печи
│ │
Укрытие
приэлектродного пространства и
│ 6 │Загрузчик
других
отверстий в своде механическими
│ │
экранами │ │
Укрытие
светящихся ковшей поворотными
│ 5 │Ст. плавильщик
зонтами
или крышками
│ │
Осмотр,
дополнительное укрытие
│ 5 │Плавильщик
и
засыпка песком светящихся поверхностей │ │
желобов
и проливов расплава
│ │
Прекращение
слива шлака в отвал и │ 9
│Машинист тепловоза
установка
состава со шлаковыми чашами
│ │
под
навес
│ │
4.21.
Светомаскировка горловины горизонтального конвертера определяется плотностью
прилегания применяемых напыльников и общим укрытием конвертера. Наиболее
эффективно обеспечивают светомаскировку горловины конвертера и конвертера в
целом напыльник с подвижной водоохлаждаемой передней стенкой и укрытием типа
"шведский домик".
В зависимости от
конкретных условий работы цеха возможны следующие технологические способы
светомаскировки:
слить часть
расплавленной массы с таким расчетом, чтобы оставшаяся масса при установке
горловины под напыльник была ниже уровня фурм. Способ применим для небольших
конвертеров и для любого конвертера, если выполнение этой операции требует
времени не больше 10 мин;
продолжить работу
конвертера на сниженном дутье (до 40 - 50%). Применение этого способа возможно
без нарушения технологического процесса в течение 1 - 1,5 ч и при наличии
устройства аварийного поворота конвертера при внезапном отключении воздуха;
поворотом
конвертера вывести фурмы из расплавленной массы, горловину конвертера,
находящуюся при этом вне напыльника, закрыть крышкой. Дутье отключить. Такой
способ светомаскировки может обеспечить безаварийное прекращение процесса
конвертирования на 6 - 7 ч. В течение всего этого времени возможно
возобновление работы конвертера без нарушений технологического процесса.
4.22. Поверхность
файнштейна в изложницах размером 5 x 6 м на участке остывания файнштейна после
подачи сигнала ВТ засыпается песком.
Световое излучение
чаш со шлаком при движении на шлаковый отвал превышает норму из-за изломов
корки на шлаке. Поверхность чаши после слива шлака также обладает значительным
световым излучением. В связи с тем, что строительство навеса на шлаковом отвале
технически сложно и требует значительных трудовых затрат, а путь от цеха до
шлакового отвала недолог, решено при подаче сигнала ВТ возвращать шлаковозы в
цех под крышу.
Световое излучение
шлака, слитого в отвал, для разбираемого конкретного случая после естественного
охлаждения в течение нормативного времени снижается до безопасных пределов и не
требует принятия специальных мер по светомаскировке.
5. КОНТРОЛЬ
КАЧЕСТВА ПРОВЕДЕНИЯ СВЕТОМАСКИРОВОЧНЫХ
МЕРОПРИЯТИЙ В
НАСЕЛЕННЫХ ПУНКТАХ И НА ОБЪЕКТАХ
НАРОДНОГО ХОЗЯЙСТВА
ПОРЯДОК ПРОВЕДЕНИЯ
КОНТРОЛЯ
5.1. Проверка
качества выполнения светомаскировочных мероприятий проводится специально
назначенными комиссиями.
В состав комиссии,
как правило, должны входить: представители местного штаба и службы (комиссии)
ГО по световой маскировке, а также специалисты, непосредственно выполняющие
светомаскировочные мероприятия на объектах промышленности, транспорта, связи и
городского хозяйства; начальники ГО: на объекте - руководитель объекта, в
населенном пункте - председатель соответствующего исполкома Советов народных
депутатов.
5.2. В
мирное время проверка организуется и проводится в два этапа.
На первом этапе
проверяются плановая и организационно-техническая документация служб
светомаскировки населенного пункта и объектов народного хозяйства.
На втором этапе
проводится выборочная проверка готовности ряда объектов промышленности и
общественного назначения.
5.3. При
проверке общего плана светомаскировки населенного пункта обращается внимание
на:
соответствие
требованиям СНиП 2.01.53-84 и ведомственных инструкций по светомаскировке
перечня объектов, полностью или частично продолжающих работу в режиме ПЗ;
последовательность
проведения мероприятий при введении режимов затемнения;
надежность схем
электроснабжения неотключаемых объектов и необходимость расчистки кабельных
линий этих объектов от отключаемых по сигналу ВТ потребителей энергии;
наличие и
надежность автономных источников питания неотключаемых объектов;
обоснованность
выбора типов зашторивающих устройств и мест их установки;
степень централизации
управления наружным и внутренним электроосвещением населенного пункта, его
жилых кварталов и общественных зданий;
решение вопросов
светомаскировки производственных огней промышленных объектов.
При проверке
мероприятий, проводящихся в режиме ЧЗ, необходимо исходить из того, что
основное назначение указанного режима - подготовка к введению режима ПЗ и
экономия расходуемой электроэнергии.
5.4. При проверке
плана светомаскировки промышленного объекта следует обращать внимание на
вопросы, перечисленные в п. 5.3, а также учесть:
наличие должностных
инструкций по проведению светомаскировочных мероприятий на различных участках
объекта;
порядок проведения
тренировочных занятий с персоналом, ответственным за своевременный переход на
режимы затемнения;
наличие и
работоспособность технических средств светомаскировки, а также порядок их
подготовки и применения.
К техническим
средствам, подлежащим проверке, относятся:
зашторивающие
устройства световых проемов помещений, где продолжается работа в режиме ПЗ и
уровни освещенности превышают нормированные значения;
тамбуры у ворот
промышленных зданий;
светомаскировочные
светильники и световые знаки, работающие в режиме ПЗ;
коммутирующие шкафы
и устройства для централизованного управления освещением;
экраны, крышки,
заслонки, душирующие установки, печи для дожига газов, используемые для
светомаскировки производственных огней;
светомаскирующие
насадки для автотранспорта, автономные источники электроснабжения, начинающие
работать при отключении электрических сетей по сигналу ВТ.
При проверке
технических средств светомаскировки фиксируется время полного зашторивания
помещений, которое не должно превышать нормируемое время, надежность действия
устройств, плотность прилегания нащельников.
При централизованном
отключении электроосвещения определяется время, необходимое для его отключения
и для включения светомаскировочных светильников и световых знаков. Визуально
фиксируются светильники, оставшиеся невыключенными. Одновременно люксметром
Ю117 по установленной методике замеряется освещенность, создаваемая
светомаскировочными светильниками и световыми знаками, а также определяется
дальность видимости и различимости световых знаков. Полученные значения
сравниваются с нормированными по СНиП II-10-74 и СНиП 2.01.53-84.
Проверка
технических средств светомаскировки производственных огней проводится в
соответствии с планом светомаскировки объекта. В соответствии с инструкцией по
безаварийной остановке производства изменяется технологический цикл цеха.
Одновременно приводятся в действие другие технические средства светомаскировки.
Действия обслуживающего персонала сравниваются с требованиями должностных
инструкций по проведению светомаскировочных мероприятий.
Проверка
эффективности светомаскировки производственных огней осуществляется членами
комиссии как визуально, так и с помощью люксметра Ю117.
СВЕТОТЕХНИЧЕСКИЕ
ПРИБОРЫ, НЕОБХОДИМЫЕ ДЛЯ КОНТРОЛЯ,
И МЕТОДИКА
ПОЛЬЗОВАНИЯ ИМИ
5.5. Контроль
качества световой маскировки в режиме ПЗ осуществляется визуально и при помощи
приборов, основные технические характеристики которых приведены в табл. 11.
Таблица 11
───────────┬─────────────┬───────────────────┬────────────────────┬───────┬────┬───────────┬──────────────
Наименова-
│ Назначение │Диапазон
измерения │ Основные
│Диапа- │Мас-│ Габариты, │ Изготовитель
ние,
тип │ │ │ погрешности, % │зон
│са, │ мм │
набора │ │ │ │рабочих│кг │ │
│ │ │ │темпе- │ │ │
│ │ │ │ратур, │ │ │
│ │ │ │°C │
│ │
───────────┼─────────────┼───────────────────┼────────────────────┼───────┼────┼───────────┼──────────────
│ │ 5 │ │ │ │ │
Люксметр │Для измерения│ 0,05 - 10
лк │+/- 10 (0,2-100 лк)
│От -10 │2,5 │300x155x135│ПО "Вибратор"
типа
Ю117 │освещенности │ │+/- 30 (0,1-0,17
лк)│до +35 │ │ │(Ленинград)
│ │ -2
4 │ │ │ │ │
Фотометр │Для измерения│2x10 - 5x10
кд/м2│ +/- 10 │ От 5
│13,5│670x220x290│Оптико-механи-
постоянного│яркости │ │ │ до 35 │ │ │ческий завод
излучения │ │ │ │ │ │ │(ЗОМЗ)
переносной
│ │ │ │ │ │ │(г. Загорск
типа
ФПЧ │ │ │ │ │ │ │Московской
│ │ │ │ │ │ │обл.)
│ │ -6 │ │ │ │ │
Фотометр │Для измерения│ 0,997 - 10 │ +/- 10 │От -10
│70,0│380x280x320│
То же
импульсный
│коэффициента │
│
│до +35 │ │ │
типа
ФМ-89М│пропускания │ │ │ │ │ │
5.6. Методика
проверки освещенности, создаваемой светильниками внутреннего и наружного
освещения, следующая.
При проверке
внутреннего и наружного маскировочного освещения промышленных зданий и
территорий следует установить соответствие фактических уровней освещенности и
яркости различных поверхностей, просматриваемых из верхней полусферы,
требованиям пп. 1.16 б, 1.19 г, 1.21.
Перед измерением
освещенности необходимо убедиться в том, что прямой световой поток светильников
внутреннего и наружного освещения не попадает в верхнюю полусферу. Проверка
осуществляется визуальным осмотром светильников и их расположения относительно
кронштейнов и подвесов (их геометрического положения в пространстве).
В соответствии с
размещением освещенной поверхности в пространстве приемная пластина фотоэлемента
должна располагаться на этой поверхности горизонтально, вертикально или
наклонно в том месте, где необходимо измерить освещенность.
Положение
гальванометра люксметра при измерениях должно быть горизонтальным. Не
рекомендуется устанавливать гальванометр на металлической поверхности. Если
порядок измеряемой величины неизвестен, то переключатели пределов во избежание
зашкаливания гальванометра устанавливаются на наибольший предел. Затем при
необходимости чувствительность гальванометра увеличивают путем переключения
пределов и изменения насадок.
При измерении
освещенности необходимо следить за тем, чтобы на приемную пластину фотоэлемента
не попадали тени от человека или оборудования. Измерять необходимо в ночное
время.
При проверке
наружного маскировочного освещения измерения освещенности или яркости
проводятся на горизонтальной освещаемой поверхности непосредственно под
светильником. При нахождении вблизи светильника освещенных вертикальных и
наклонных поверхностей освещенность измеряется и на них.
При проверке
внутреннего освещения измерения освещенности проводятся:
по оси установки
светильников внутреннего освещения: непосредственно под светильником, на полу
между светильниками, на рабочих поверхностях и на наиболее освещенных частях
оборудования;
у световых проемов
- с внутренней стороны помещения на горизонтальной поверхности;
снаружи здания в
наиболее освещенной части светового пятна на поверхности земли за оконным
проемом.
При наличии одного
общего освещения освещенность измеряется от светильников общего освещения. При
комбинированном освещении рабочих мест сначала измеряется освещенность от
светильников общего освещения, затем суммарная освещенность от светильников
местного освещения и светильников общего освещения. Число контрольных точек, в
которых измеряется освещенность, должно быть не менее 10.
В современных
больших многопролетных зданиях освещенность от светильников общего освещения
измеряется в каждом пролете промышленного здания на его торцах и в центральной
части.
Для увеличения
точности необходимо проводить измерения одной и той же освещенности не менее
трех раз и усреднять полученные результаты. Учитывая значительную зависимость
светового потока от напряжения сети, при измерениях освещенности каждый раз
следует производить контроль напряжения осветительной сети. При отличии
напряжения сети более чем на 10% от номинального измерения повторяются. Перед
измерением должна быть проведена очистка светильников и замена неисправных
ламп.
Результаты
измерений освещенности заносятся в журнал, в котором должна быть приведена и
схема осветительных установок с нанесенными контрольными точками (табл. 12).
Таблица 12
─────────────────┬────────────────────────────┬────────────────────────────
Номер
контрольной│ Измеренное
значение │ Нормированное значение
точки
│ освещенности, лк, │ освещенности, лк,
│ при освещении │ при освещении
├───────────────┬────────────┼───────────────┬────────────
│комбинированном│ общем
│комбинированном│
общем
─────────────────┼───────────────┼────────────┼───────────────┼────────────
1
│ │ │ │
2
│ │ │ │
3
│ │ │ │
Журнал может быть
заполнен по следующему образцу:
Предприятие
...............................................................
Цех
.......................................................................
Тип осветительной арматуры
................................................
Дата измерения освещенности
...............................................
Напряжение сети, В
........................................................
Приведенная выше
методика полностью применима для измерения освещенности, создаваемой световым
излучением промышленных агрегатов, направленным в нижнюю полусферу. В этом
случае измерение освещенности проводится в наиболее светлых местах
горизонтальных и вертикальных поверхностей, на которые попадает это излучение.
Измерение яркости
светящейся или освещаемой поверхности проводится фотометром типа ФПЧ.
При работе с
фотометром в полевых условиях нужны два оператора. При неравномерном
распределении яркости по поверхности измерения производят в нескольких точках,
причем в пределах измеряемого элемента яркость должна быть достаточно
равномерной.
При наведении
фотометра на объект необходимо следить за тем, чтобы изображение элемента
поверхности (или всей поверхности в случае ее небольших размеров и равномерной
яркости) полностью перекрывало выбранную полевую диафрагму.
Результаты
измерений яркости фиксируются в журнале. Форма записи измерений яркости
аналогична приведенной выше форме записи значений освещенности.
6.
РЕКОМЕНДАЦИИ ПО ИЗГОТОВЛЕНИЮ, ПРИОБРЕТЕНИЮ И ХРАНЕНИЮ
ТЕХНИЧЕСКИХ
СРЕДСТВ, НЕОБХОДИМЫХ ДЛЯ ПРОВЕДЕНИЯ
СВЕТОМАСКИРОВОЧНЫХ
МЕРОПРИЯТИЙ
6.1. К технических
средствам, необходимым для светомаскировки, относятся следующие группы средств:
шкафы
централизованного управления сетями наружного и внутреннего освещения;
регуляторы
напряжения;
специальные
светомаскировочные светильники (стационарные и переносные для внутреннего и
наружного освещения);
светомаскировочные
приспособления для светильников (затенители, экраны и экранирующие устройства);
световые знаки,
предназначенные для работы в режиме ПЗ;
лампы, окрашенные
лампы;
переходные патроны;
шторы раздвижные и
подъемные (из пленки полиэтиленовой двухслойной и светомаскировочной бумаги);
щиты, ставни и
экраны из листовых и рулонных материалов;
экраны для
маскировки огней расплавленного металла, горячих изделий (поковок);
специальные емкости
для сыпучих материалов, применяемых для засыпки поверхностей расплавленного
металла;
приборы,
используемые для контроля качества проведенных светомаскировочных мероприятий.
6.2. Технические
средства, применяемые при механическом способе светомаскировки (шторы, щиты,
зашторивающие устройства), изготавливаются собственными силами предприятия по
типовым чертежам. Тип или марка технического средства указывается в проекте,
разрабатываемом институтом-генпроектировщиком. Типовые чертежи на изготовление
технических средств предприятия приобретают самостоятельно централизованным
порядком у организаций-разработчиков, при этом они должны быть переработаны на
нормали предприятия.
6.3. Экраны для
местного экранирования производственных огней и специальные емкости
изготавливаются силами самого предприятия по индивидуальным чертежам,
разработанным институтом-генпроектировщиком по заданию предприятия-заказчика,
или самостоятельно.
6.4.
Светомаскировочные приспособления на светильники изготавливаются силами самого
предприятия по чертежам, приобретенным у организаций - разработчиков этих
приспособлений, их калькодержателей.
6.5. Специальные
светомаскировочные светильники, переходные патроны, световые знаки
изготавливаются централизованно и являются серийной продукцией ряда
предприятий-изготовителей, в связи с чем в проекте на светомаскировку
предприятия должны быть указаны тип технического средства, его характеристика и
составлена заказная спецификация с указанием завода-изготовителя.
6.6. Шкафы
централизованного управления 1Ш, 2Ш, 3Ш, телекомплексы ТМ-321 (в перспективе
ТМ-322), УВТК-300, УВТК-501, а также аппаратура КУСТ-А, КУСТ-Б, приборы для
контроля качества светомаскировки, ряд материалов, используемых в
светомаскировочных устройствах (шторы), приобретаются централизованно по
заказным спецификациям.
6.7. Приобретенные
устройства централизованного управления электрическими сетями должны быть в
возможно короткий срок смонтированы и использованы при эксплуатации
электрических сетей в мирное время.
Все остальные
приобретенные технические средства и оборудование, а также средства,
изготовленные собственными силами заблаговременно в мирное время, должны
храниться на складах предприятия.
Горючие технические
средства следует хранить на специализированных заводских складах ГО, отнесенных
по пожарной опасности производства к категории В и оборудованных автоматической
системой пожаротушения.
Капитальные затраты
на строительство специализированных складов должны учитываться в проектах ИТМ
ГО. При проектировании склады должны удовлетворять требованиям СНиП II-104-76.
Негорючие
технические средства (различные экраны для маскировки расплавленного металла)
рекомендуется также хранить на специализированных складах ГО.
Приложение
1
НОРМИРОВАННЫЕ
ЗНАЧЕНИЯ ОСВЕЩЕННОСТИ РАБОЧИХ МЕСТ
ПРИ РАЗЛИЧНЫХ ВИДАХ
РАБОТ
Таблица 1
─────────────────────┬──────────────────────────┬──────────────────────────
Характеристика │ Разряд зрительной работы
│ Освещенность, лк
зрительной работы
├────────────┬─────────────┼────────────┬─────────────
при производстве │СНиП II-4-79│СНиП
ВII-1-81│СНиП II-4-79│СНиП ВII-1-81
работ вне зданий │ │ │ │
─────────────────────┼────────────┼─────────────┼────────────┼─────────────
Точные
работы │ IX
│ IX │
50 │ 20
Работы
средней │ X
│ X │
30 │ 10
точности │ │ │ │
Работы
малой точности│ XI │
XI │ 10
│ 5
Грубые
работы │ XII
│ XII │ 5
│ 3 <*>
Работы,
требующие │ XIII
│ XIII │ 2
│ 1 <*>
различения
крупных │ │ │ │
предметов │ │ │ │
--------------------------------
<*> При
повышенной опасности травматизма освещенность повышается для разряда XII до 5
лк, для разряда XIII до 2 лк.
Таблица 2
─────────────────────┬──────────────────────────┬──────────────────────────
Участки территорий │
Номера пунктов │ Освещенность, лк
промышленных ├────────────┬─────────────┼────────────┬─────────────
предприятий │СНиП II-4-79│СНиП
ВII-1-81│СНиП II-4-79│СНиП ВII-1-81
─────────────────────┼────────────┼─────────────┼────────────┼─────────────
Главные
проходы, │ 1а, 1б, 1в
│ 1 │
1 - 3 │ 0,3
проезды │ │ │ │
Прочие
проходы, │ 2
│ 2 │
0,5 │ 0,2
проезды │ │ │ │
Лестницы,
трапы и │ 4
│ 3 │ 3
│ 0,3
мостики
для переходов│
│ │ │
Железнодорожные
пути,│ 7а, 7б, 7в │
4 │ 0,5 - 2,0 │
0,2 - 1,0
проезды,
стрелочные │ │ │ │
горловины
и переходы │
│ │ │
Таблица 3
────────────┬─────┬─────┬─────────────────────────────────────────────────────────────────────────────
Характе- │Раз- │Под- │ Освещенность, лк, при лампах
ристика │ряд
│раз-
├──────────────────────────────────────┬──────────────────────────────────────
зрительной │зри- │ряд │ газоразрядных │ накаливания
работы
на │тель-│зри-
├─────────────────────┬────────────────┼─────────────────────┬────────────────
промышленных│ной │тель-│ Комбинированное │Общее освещение │ Комбинированное │Общее освещение
предприятиях│рабо-│ной │
освещение │ │ освещение │
│ты │рабо-├───────┬─────────────┼───────┬────────┼───────┬─────────────┼───────┬────────
│ │ты
│ СНиП │СНиП
ВII-1-81│ СНиП │ СНиП
│ СНиП │СНиП
ВII-1-81│ СНиП │ СНиП
│ │
│II-4-79├──────┬──────┤II-4-79│ВII-1-81│II-4-79├──────┬──────┤II-4-79│ВII-1-81
│ │
│ │всего
│в том │ │ │ │всего │в том │ │
│ │
│ │ │числе │ │ │ │ │числе │ │
│ │
│ │ │общее │ │ │ │ │общее │ │
│ │
│ │ │осве- │ │ │ │ │осве- │ │
│ │
│ │ │щение │ │ │ │ │щение │ │
────────────┼─────┼─────┼───────┼──────┼──────┼───────┼────────┼───────┼──────┼──────┼───────┼────────
Наивысшей │
I │ а
│ 5000 │ 1500 │
100 │ 1500 │
- │ 4000 │ 750
│ 30 │
300 │ -
точности │
│ б │ 4000
│ 1000 │ 75 │ 1250
│ - │ 3000
│ 500 │ 30
│ 300 │
-
│ │
в │ 2500 │
750 │ 50 │
750 │ -
│ 2000 │ 400 │
20 │ 300
│ -
│ │
г │ 1500 │
500 │ 50 │
400 │ -
│ 1250 │ 300 │
20 │ 300
│ -
────────────┼─────┼─────┼───────┼──────┼──────┼───────┼────────┼───────┼──────┼──────┼───────┼────────
Очень │ II │
а │ 4000 │ 1000 │ 100 │ 1250
│ 300 │ 3000
│ 500 │ 30
│ 300 │
150
высокой │
│ б │ 3000
│ 750 │ 75
│ 750 │
200 │ 2500 │ 400
│ 20 │
300 │ 100
точности │
│ в │ 2000
│ 500 │ 50
│ 500 │
150 │ 1500 │ 300
│ 20 │
300 │ 75
│ │
г │ 1000 │
400 │ 50 │
300 │ 100
│ 750 │ 200
│ 10 │
200 │ 50
────────────┼─────┼─────┼───────┼──────┼──────┼───────┼────────┼───────┼──────┼──────┼───────┼────────
Высокой │ III │ а
│ 2000 │ 750 │
75 │ 500
│ 200 │ 1500
│ 400 │ 20
│ 300 │
100
точности │
│ б │ 1000
│ 500 │ 50
│ 300 │
150 │ 750
│ 300 │ 20
│ 200 │
75
│ │
в │ 750
│ 400 │ 50
│ 300 │
100 │ 600
│ 200 │ 10
│ 200 │
50
│ │
г │ 400
│ 300 │ 50
│ 200 │
75 │ 400
│ 150 │ 10
│ 150 │
30
────────────┼─────┼─────┼───────┼──────┼──────┼───────┼────────┼───────┼──────┼──────┼───────┼────────
Средней │ IV
│ а │
750 │ 400 │
50 │ 300
│ 150 │
600 │ 400 │
20 │ 200
│ 75
точности │
│ б │
500 │ 300 │
50 │ 200
│ 100 │
500 │ 300 │
20 │ 150 │
50
│ │
в │ 400
│ 200 │ 50
│ 200 │
75 │ 400
│ 200 │ 10
│ 150 │
30
│ │
г │ 300
│ 200 │ 50
│ 150 │
75 │ 300
│ 150 │ 10
│ 100 │
30
────────────┼─────┼─────┼───────┼──────┼──────┼───────┼────────┼───────┼──────┼──────┼───────┼────────
Малой │
V │ а
│ 300 │
150 │ 50 │
200 │ 100
│ 300 │ 150
│ 10 │
150 │ 50
точности │
│ б │
200 │ 150 │
50 │ 150
│ 75 │
200 │ 100 │
10 │ 100
│ 30
│ │ в
│ - │
100 │ 50 │
150 │ 75
│ - │ 100
│ 10 │
100 │ 30
│ │
г │ -
│ 100 │ 50
│ 100 │
50 │ -
│ 100 │ 10
│ 75 │
20
────────────┼─────┼─────┼───────┼──────┼──────┼───────┼────────┼───────┼──────┼──────┼───────┼────────
Грубой │ VI │
- │ -
│ - │
- │ 150
│ 50 │
- │ -
│ - │
75 │ 20
точности │
│ │ │ │ │ │ │ │ │ │ │
────────────┼─────┼─────┼───────┼──────┼──────┼───────┼────────┼───────┼──────┼──────┼───────┼────────
Работа
со │ VII │ -
│ - │
- │ -
│ 200 │
100 │ -
│ - │
- │ 150
│ 30
светящимися
│ │ │ │ │
│ │ │ │
│ │ │
материалами
│ │ │ │ │
│ │ │ │ │ │ │
────────────┼─────┼─────┼───────┼──────┼──────┼───────┼────────┼───────┼──────┼──────┼───────┼────────
Общие │VIII │ а
│ - │
- │ -
│ 75 │
50 │ -
│ - │
- │ 30
│ 10
наблюдения │
│ б │
- │ -
│ - │
50 │ -
│ - │
- │ -
│ 10 │
-
производст-
│ │ │ │ │
│ │ │ │ │ │
│
венного │
│ │ │ │ │ │ │ │ │ │ │
процесса │
│ │ │ │ │ │ │ │ │ │ │
Таблица 4
──────────────────────┬──────────────────┬─────────────────────────────────
Помещения жилых │
Номер пункта │ Освещенность, лк, при лампах
и
общественных
зданий,├────────┬─────────┼────────────────┬────────────────
а также │
СНиП │ СНиП
│ люминесцентных │
накаливания
вспомогательные
│II-4-79,│ВII-1-81,├───────┬────────┼───────┬────────
помещения
промышленных│табл. 2 │табл. 28 │ СНиП │
СНиП │ СНиП │
СНиП
предприятий │ │
│II-4-79│ВII-1-81│II-4-79│ВII-1-81
──────────────────────┴────────┴─────────┴───────┴────────┴───────┴────────
Жилые здания
Жилые
комнаты │ 95
│ 23 │
100 │ 50
│ 50 │
30
в
общежитиях, │ │ │ │ │ │
гостиницах,
интернатах│ │ │ │ │ │
и
квартирах │ │ │ │ │ │
Административно-конторские
помещения
Проектные
залы, │ 2; 3
│ 2; 3 │
400; │ 200; │
200; │ 100;
конструкторские │ │ │ 500
│ 300 │
300 │ 150
и
чертежные бюро; │ │ │ │ │ │
машинописные
и │ │ │ │ │ │
машиносчетные
бюро │ │ │ │ │ │
Кабинеты,
рабочие │ 1
│ 1 │
300 │ 150
│ 150 │
75
комнаты
для конторских│ │ │ │ │ │
занятий
и другие │ │ │ │ │ │
помещения │ │ │ │ │ │
административных │ │ │ │ │ │
зданий
и т.д. │ │ │ │ │ │
Лечебно-профилактические
учреждения <*>
Кабинеты
врачей, │ 8; 9; │
24 │ 300; │
150 │ 150; │
50
помещения
приема │ 10; 43 │ │ 500
│ │ 200
│
рецептов
и выдачи │ │ │ │ │ │
лекарств │ │ │ │
│ │
Процедурные
кабинеты, │12; 13; │
23 │ 150; │
100 │ 75;
│ 50
боксы,
изоляторы │14; 15;
│ │ 300
│ │ 150; │
│ 16
│ │ │ │
200 │
Детские учреждения
Групповые
комнаты │ 47
│ 15 │
200 │ 150
│ 100 │
75
для
игр и приема пищи │
│ │ │ │ │
Приемные,
изолятор │ 49
│ 14 │
150 │ 100
│ 75 │
50
Спальные
комнаты │ 48
│ 16 │
75 │ 50
│ 30 │
20
Учебные заведения
Аудитории,
классы, │ 24
│ 8 │
300 │ 150
│ 150 │
50
учебные
кабинеты, │ │ │ │ │
│
лаборатории │ │ │ │ │ │
Рекреационные │ 35
│ 9 │
150 │ 75
│ 75 │
30
помещения │ │ │ │ │ │
Магазины
Торговые
залы │ 60
│ 19 │
300 │ 100
│ 150 │
50
Предприятия общественного
питания
Обеденные
залы и кухни│ 51 │
18 │ 200
│ 100 │
100 │ 30
Бани, прачечные и парикмахерские
Раздевальные
и моечные│ 80 │
20 │ -
│ - │
75 │ 30
в
банях и душевых │ │ │ │ │ │
Парикмахерские
залы │ 81
│ 21 │
400 │ 100
│ 200 │
50
Помещения
для стирки │ 83 │
22 │ 150
│ 75 │
75 │ 30
и
глажения │ │ │ │ │ │
Вспомогательные
помещения
Вестибюли, │ 104
│ 25 │
150 │ 50
│ 75 │
10
гардеробные,
лестницы,│ │ │ │ │ │
коридоры,
проходы, │ │ │ │ │ │
санитарные
узлы, │ │ │ │ │ │
кубовые,
сушки, лифты │ │ │ │ │ │
--------------------------------
<*>
Освещенность для лечебно-профилактических учреждений определена по СНиП
II-69-78, табл. 38.
Таблица 5
───────────────────────────────────────────┬───────────────────────────────
Условия воздушной среды │ Коэффициент запаса
освещаемых объектов
├─────────────────┬─────────────
│при газоразрядных│ при лампах
│ лампах │ накаливания
───────────────────────────────────────────┼─────────────────┼─────────────
Производственные
помещения при содержании │ 1,6
│ 1,4
пыли,
дыма или копоти 10 мг/м3 и более
│ │
Производственные
помещения при содержании │ 1,4
│ 1,25
пыли,
дыма или копоти от 5 до 10 мг/м3
│ │
Производственные
помещения при содержании │ 1,25
│ 1,1
пыли
не более 5 мг/м3; вспомогательные
│ │
помещения
с нормальной воздушной средой
│ │
и
помещения общественных и жилых зданий
│ │
Территории
промышленных предприятий
│ 1,25 │ 1,1
Улицы,
площади, дороги, территории
│ 1,25 │
1,1
общественных
зданий и жилых районов, парки,│ │
бульвары,
выставки
│ │
Примечания. 1.
Коэффициенты запаса установлены с учетом регулярной очистки светильников по
мере их загрязнения.
2. При проектировании
должны предусматриваться устройства и приспособления, обеспечивающие
возможность доступа к светильникам для их обслуживания.
Приложение
2
ВАРИАНТЫ
ОРГАНИЗАЦИИ КАНАЛОВ СВЯЗИ ДЛЯ УСТРОЙСТВ
ТЕЛЕМЕХАНИКИ В
ГОРОДСКИХ ЭЛЕКТРОСЕТЯХ 10 (6) кВ

Черт. 1.
Структурная схема огранизации диспетчерской
и технологической
связи при централизованном управлении
наружным освещением
а - вариант I.
Наружное освещение крупного города эксплуатирует предприятие
"Горсвет". Управление наружным освещением осуществляется из двух
диспетчерских пунктов: центрального и районного (двухступенчатая структура
диспетчерской службы); б - вариант II. Наружное освещение города эксплуатирует
предприятие "Горэлектросеть". Управление наружным освещением
осуществляется из единого диспетчерского пункта управления городскими
электрическими сетями и наружным освещением (одноступенчатая структура диспетчерской
службы)
1 - РДП
"Горсвет"; 2 - ЦДП "Горсвет";
3 - ДПн.с. ДП
"Горэлектросеть"
Условные
обозначения
Канал прямой телефонной связи
Канал оперативно-диспетчерской телефонной
связи
Канал телемеханического или дистанционного
управления
Канал оперативно-диспетчерской радиосвязи
(диспетчер -
оперативно-выездная бригада)

Черт. 2.
Структурная схема организации диспетчерской
и технологической
связи при централизованном
телемеханическом
отключении линий 6 - 10 кВ в ЦП и РП
Условные
обозначения
Канал прямой телефонной связи
Канал оперативно-диспетчерской телефонной
связи
Канал телемеханического управления
Канал оперативно-диспетчерской радиосвязи
(диспетчер - оперативно-
выездная бригада)

Черт. 3. Варианты
организации каналов связи
для систем
централизованного управления
Условные
обозначения
Городская районная автоматическая
телефонная станция, действующая
Шкаф кабельный распределительный наружный,
действующий
То же, проектируемый
Шкаф кабельный распределительный внутри
здания, действующий
То же, проектируемый
Колодец кабельный большого типа,
действующий
То же, проектируемый
Коробка абонентская, проектируемая
Бокс кабельный, проектируемый
Провода воздушные, подвешиваемые на
проектируемых опорах
Проектируемый телефонный кабель,
прокладываемый в канализации
То же, подземный, бронированный
Канализация кабельная, действующая
То же, проектируемая
Проектируемый переход через шоссейную дорогу
с прокладкой
канализационных труб (асбестоцемент)
Действующая связь
КП - Контролируемый пункт устройства
телемеханики
Приложение
3
ПРИМЕР
КАСКАДНОЙ СХЕМЫ ПРИ ТЕЛЕМЕХАНИЧЕСКОМ УПРАВЛЕНИИ
НАРУЖНЫМ ОСВЕЩЕНИЕМ

Условные
обозначения
Канал для работы устройства телемеханического
управления
наружным освещением (организацию каналов см. Прил. 2)
Линия электропитания светильников наружного
освещения
Линии управления контакторами наружного
освещения
Линии сигнализации состояния наружного
освещения
Приложение
4
ТИПЫ
ПЕРЕХОДНЫХ ПАТРОНОВ ДЛЯ СВЕТИЛЬНИКОВ
──────────────────────────────────────┬───────────────────────────────────
Тип переходного патрона │ Длина патрона, мм
──────────────────────────────────────┼───────────────────────────────────
ПП-Е40/Е27П-01 │ 93
ПП-Е40/Е27П-02 │ 133
ПП-Е40/Е27П-03 │ 193
Примечания. 1.
Переходные патроны изготавливаются по техническим условиям ТУ ОДТ 539.006-73,
завод-изготовитель - Рижский завод средств механизации.
2. Применение
патронов разной длины позволяет изменять высоту светового центра лампы с
цоколем Е27 в светильнике и величину защитного угла светильника.
Приложение
5
ТЕХНИЧЕСКИЕ
ДАННЫЕ ШКАФА УПРАВЛЕНИЯ
НАРУЖНЫМ ОСВЕЩЕНИЕМ
2ШЩ1

Черт. 1. Общий вид
шкафа 2ШЩ1 (дверь и козырек не показаны)

Черт. 2. Схема
электрическая принципиальная шкафа 2ШЩ1
Аппараты шкафа
─────────┬─────────────┬─────┬──────────────┬──────┬─────┬──────────────────
Обозна- │Наименование │Число│ Тип
│Номи- │Номи-│
Дополнительные
чение │ │ │ │наль-
│наль-│технические данные
│ │ │ │ное │ный
│
│ │ │ │напря-│ток, │
│ │ │ │жение,│А │
│ │ │ │В │
│
─────────┼─────────────┼─────┼──────────────┼──────┼─────┼──────────────────
KM1
- KM6│Контактор │ 6
│МК4-11УЗ │~ 110
│ 63 │Гк 1з 1р
│ │ │ │ │ │Вк 2з 2р
─────────┼─────────────┼─────┼──────────────┼──────┼─────┼──────────────────
KL1,
KL2 │Пускатель │ 2
│ПМЛ 110004 │~ 220
│ 10 │Вк 1з
─────────┼─────────────┼─────┼──────────────┼──────┼─────┼──────────────────
QS │Рубильник │
1 │Р11-37320 │~ 500 │ 400 │Переднее
│ │ │ │ │ │присоединение
─────────┼─────────────┼─────┼──────────────┼──────┼─────┼──────────────────
SF1,
SF2 │Выключатель │ 2
│ЛЕ2022-10-00УЗ│ - │
16 │I 6,3 А
│ │ │ │ │ │ н.р
─────────┼─────────────┼─────┼──────────────┼──────┼─────┼──────────────────
S42,
S43 │Выключатель │ 2
│ПВ1-10УЗ │~ 220
│ 10 │Исп. III
│пакетный │
│ │ │ │
─────────┼─────────────┼─────┼──────────────┼──────┼─────┼──────────────────
S41 │Переключатель│ 1
│ПКУЗ-14Ж │~ 500
│ 10 │
│ │ │5028-УЗ │ │ │
─────────┼─────────────┼─────┼──────────────┼──────┼─────┼──────────────────
F1
- F18 │Предохрани- │ 3
│ПН2-40010УЗ │~ 380
│ 400 │I 400 А
│тель │ │ │ │ │ пл.вст
│ │ │ │ │ │
│ │ 3
│ПРС-6П │~ 440
│ 6 │I 6 А
│ │ │ │ │ │ пл.вст
│ │ │ │ │
│
│ │ 12 │ПРС-63-П │~ 440 │ 63 │I 63 А
│ │ │ │ │ │ пл.вст
─────────┼─────────────┼─────┼──────────────┼──────┼─────┼──────────────────
SB1
- SB4│Кнопка │ 2
│КЕ011УЗ │ -
│ - │Исп. 2 "Черный" -
│управления │
2 │ │ │ │включено
│ │ │ │ │ │Исп. 2 "Красный" -
│ │ │ │ │ │отключено
─────────┼─────────────┼─────┼──────────────┼──────┼─────┼──────────────────
PI │Счетчик │
1 │САЧУ-И672 │~ 380 │ │Через TT
─────────┼─────────────┼─────┼──────────────┼──────┼─────┼──────────────────
TA
, TA ,│Трансформатор│ 3 │ТК-20 │ -
│400/5│ -
a b
│тока │ │ │ │ │
TA │ │ │ │ │ │
c
│ │ │ │ │ │
─────────┼─────────────┼─────┼──────────────┼──────┼─────┼──────────────────
HL │Арматура для │ 1
│НБ220-60 │~ 220
│ - │60 Вт
│внутреннего │
│ │ │ │Цоколь Р27
│освещения │
│ │ │ │
─────────┼─────────────┼─────┼──────────────┼──────┼─────┼──────────────────
VД7; │Диод полу- │
4 │КД 202К │~ 400 │ -
│U = 400 В
VД1
- VД4│проводниковый│
│ │ │ │ обр
─────────┼─────────────┼─────┼──────────────┼──────┼─────┼──────────────────
R1
- R5 │Резистор │
2 │ПЭВР-100 │
- │ -
│120 Ом
│ │ 2
│ПЭВР-50 │ │ │240 Ом
│ │ 2
│ПЭВ-100 │ │ │680 Ом
│ │ │ │ │ │Соединение
│ │ │ │ │ │параллельное
─────────┼─────────────┼─────┼──────────────┼──────┼─────┼──────────────────
xs │Розетка │
1 │РПК-6 │~ 250 │ 6 │Двухполюсная
─────────┼─────────────┼─────┼──────────────┼──────┼─────┼──────────────────
SQ │Выключатель │
1 │ВПК4140 │~ 380 │ -
│Исп. 2; 2з2р
│конечный │
│ │ │ │
─────────┼─────────────┼─────┼──────────────┼──────┼─────┼──────────────────
x1
- x6 │Блок зажимов │ 6
│Б324-4П16- │~ 660
│ 16 │ -
│ │ │В1ВУЗ-10 │
│ │
Технические данные
шкафа
────────┬────────────┬───────────┬───────────────────┬─────────────────────
Тип
│ Типовой │Номинальный│ Номинальное │
Габариты, мм
│ индекс
│ ток, А │ напряжение цепи,
В├──────┬──────┬───────
│ │
├────────┬──────────┤высота│ширина│глубина
│ │ │силовой
│управления│ │
│
────────┼────────────┼───────────┼────────┼──────────┼──────┼──────┼───────
ШН8901 │
4674УХЛ4 │ 400
│ ~ 380 │ ~ 220
│ 2000 │ 1200 │
600



Черт. 3.
Конструкция козырьков для шкафов 2ШЩ1
наружной установки
Крепления козырьков
на отдельно стоящем шкафу;
при прислонном
размещении шкафа
Приложение
6
ТЕХНИЧЕСКИЕ
ПОКАЗАТЕЛИ АВТОНОМНЫХ ИСТОЧНИКОВ ЭЛЕКТРОПИТАНИЯ
──────────────────┬───────────────────────────┬────────────────┬───────────────┬─────
Автономный │
Номинальные параметры
│ Условия │ Габариты, мм │Мас-
источник │
│ эксплуатации
│ │са,
электропитания,
├──────┬──────────┬─────────┼───────┬────────┼─────┬────┬────┤кг
тип │Мощ- │ Род тока │Напряже-
│Высота │Темпе- │Длина│Ши-
│Вы- │
│ность,│ │ние, В │
над │ратура │
│рина│сота│
│кВт │ │ │уровнем│окру- │
│ │ │
│ │ │ │ моря, │жающего │ │
│ │
│ │ │ │
м │воздуха,│ │
│ │
│ │ │ │ │°C │ │
│ │
──────────────────┼──────┼──────────┼─────────┼───────┼────────┼─────┼────┼────┼─────
Электростанция │
10 │Трехфазный│400 (230)│До 1000│ От -40
│ - │ -
│ - │ 1800
дизельная │ │переменный│ │ │ до +50 │ │
│ │
передвижная, │ │ │ │ │ │ │
│ │
ЭСД-10-Т-М │ │ │ │ │ │
│ │ │
Электростанция │
20 │ То же │400 (230)│" 1000│ От -40 │ -
│ - │ - │ 3490
дизельная │ │ │ │ │ до +50 │ │
│ │
передвижная, │ │ │ │ │ │ │
│ │
ЭСД-20-М2 │ │ │ │ │ │ │
│ │
Электростанция │
50 │ " │400 (230)│" 1000│ От -40 │ -
│ - │ - │ 5900
дизельная │ │ │ │ │ до +50 │ │
│ │
передвижная, │ │ │ │ │ │ │
│ │
ЭСД-50-Т-М │ │ │ │ │ │ │
│ │
Электростанция │
75 │ " │400 (230)│" 1000│ От -40 │
3310│2100│2245│ 6400
дизельная │ │ │ │ │ до +50 │ │
│ │
передвижная, │ │ │ │ │ │ │
│ │
ЭСД-75-Т-М │ │ │ │ │ │ │
│ │
Электростанция │
100 │ " │
400 │" 1000│ От -40 │
6500│2400│2900│ 6500
дизельная │ │ │ │ │ до +50 │ │
│ │
передвижная, │ │ │ │ │ │ │
│ │
ЭСД-100-Т-400-А1РК│ │ │ │ │ │ │
│ │
Электростанция │
200 │ " │
400 │" 1000│ От -40 │
9545│2860│3100│12000
дизельная │ │ │ │ │ до +50 │ │
│ │
передвижная, │ │ │ │ │ │ │
│ │
ЭСДА-200-7-400-1РК│ │ │ │ │ │ │
│ │
Электростанция │
500 │ " │
400 │" 2000│ От -40 │
9000│3010│3680│ -
дизельная │ │ │ │
│ до +50 │
│ │ │
передвижная, │ │ │ │ │ │ │
│ │
ЭД-500-Т/400-3РК │
│ │ │ │ │ │
│ │
Передвижная │ 2500 │ "
│ 6300 │
- │ -
│11565│2500│3750│30000
газотурбинная │ │ │ │ │ │ │
│ │
электростанция, │
│ │ │ │ │ │
│ │
ПАЭС-2500У1 │ │ │ │ │ │ │
│ │
Бензоэлектрический│ 0,5 │Однофазный│ 230
│До 1000│ От -40 │
450│ 275│ 430│
30
агрегат,
АБ │ │переменный│ │ │ до +50 │ │
│ │
Бензоэлектрический│ 1
│Однофазный│
230 │" 1000│ От -40 │ 665│ 395│ 535│ 73
агрегат,
АБ │ │и │ │ │ до +50 │ │
│ │
│ │трехфазный│ │ │ │ │
│ │
│ │переменный│ │ │ │ │
│ │
Бензоэлектрический│ 2
│ То же │
230 │" 1000│ От -40 │ 940│ 505│ 591│ 170
агрегат,
АБ │ │ │ │ │ до +50 │ │
│ │
Бензоэлектрический│ 4
│ " │
400 │" 1000│ От -40 │ 1150│
646│ 616│ 200
агрегат,
АБ │ │ │ │ │ до +50 │ │
│ │
Бензоэлектрический│ 8
│Трехфазный│
400 │" 1000│ От -40 │ 1440│
740│1090│ 440
агрегат,
АБ │ │переменный│ │ │ до +50 │ │
│ │
Бензоэлектрический│
12 │ То же
│ 400 │" 1000│ От -40 │
1700│1038│1110│ 840
агрегат,
АБ │ │ │ │ │ до +50 │ │
│ │
Приложение
7
СОСТАВ И
ТЕХНИЧЕСКИЕ ДАННЫЕ ШКАФОВ АВТОМАТИЧЕСКОГО
ОТКЛЮЧЕНИЯ
КОММУТАЦИОННЫХ АППАРАТОВ ЛИНИЙ ЭЛЕКТРОПИТАНИЯ
ДО 1000 В И 10 (6)
кВ
Назначение.
Устройство автоматического отключения предназначено для отключения
коммутационных аппаратов (автоматов, масляных выключателей, контакторов и т.п.)
линий электропитания до 1000 В и 6 - 10 кВ в двух режимах:
одновременного
отключения;
программного
отключения с заданным интервалом от 1 до 10 с.
Состав. Устройство
состоит из напольного шкафа одностороннего обслуживания размером 1600 x 800 x
600 мм, устанавливаемого вблизи от коммутационных аппаратов, подлежащих
отключению.
───────────┬───────────────────────────────┬───────────────────────────────
Модификация│ Управление │ Сигнализация
шкафа
├────────────┬──────────────────┼─────────────────┬─────────────
│ Число
│ Число блоков │
Местная │Общий сигнал
│отключаемых │ управления │
с указанием │об отключении
│ объектов
│группами объектов │неотключившегося │всех объектов
│ │ │ объекта
│
───────────┼────────────┼──────────────────┼─────────────────┼─────────────
1Ш
│ 10 │1 двухмодульный │
10 │ 1
2Ш
│ 20 │1 четырехмодульный│ 20
│ 1
3Ш
│ 30 │1 шестимодульный │
30 │ 1
Технические данные.
Запуск устройства осуществляется общей командой отключения, поступающей на
общий блок от:
телемеханического
устройства (одна команда ТУ - "отключить");
аппарата
дистанционного управления.
Команды на
отключение объектов, формируемые блоками управления, поступают:
одновременно на все
отключаемые объекты;
с интервалом от 1
до 10 с между группами из пяти объектов.
Электропитание
устройства - от сети переменного тока напряжением 380 В (+/- 6%) с частотой 50
Гц.

Примеры
использования устройства автоматического отключения
при
телемеханическом и дистанционном управлении
коммутационными
аппаратами линии электропитания 6 - 10 кВ
Условные
обозначения
ТУ - ТС - Устройство телеуправления -
телесигнализации
А.О. -
Устройство автоматического отключения
Выключатель линии 6 - 10 кВ, отключаемый при
помощи устройства
автоматического отключения
То же, неотключаемый
Приложение
8
ТЕХНИКО-ЭКОНОМИЧЕСКИЕ
ПОКАЗАТЕЛИ УСТРОЙСТВ ТЕЛЕМЕХАНИКИ
─────────────┬──────────┬──────────────┬───────────────┬────────────┬──────────
Устройство
│Коли- │ Объем
│ Стоимость │
Завод- │Примечания
телемеханики,│чество │
информации │ оборудования,
│изготовитель│
тип
├──┬───────┼──────┬───────┤ тыс. руб.
│ │
│ПУ│ КП
│ ТУ │
ТС │ │ │
─────────────┼──┼───────┼──────┼───────┼───────────────┼────────────┼──────────
Устройство │2 │ 1
│8 - 40│16 - 80│
4,7 - 12,7
│"Электро-
│ -
телемеханики,│ │
│ │
│
│пульт", │
ВРТФ-3 │
│ │ │ │ │(Ленинград) │
Телекомплекс,│3
│ 1 │
64 │ 512
│ 25,0 │
То же │ -
МКТ-3 │
│ │ │ │ │ │
Телекомплекс,│1
│ 96 │
48 │ 56
│ ПУ - 6,35 │"Промавто- │С 1987 г.
ТМ-320 │
│ │ │ │
ВТС - 2,16
│матика"
│заменяется
│ │
│ │ │
КП - 2,39 │(Житомир) │телекомп-
│ │
│ │ │ │ │лексом
│ │
│ │ │ │ │"Гранит"
Телекомплекс,│1
│ 24 │
16 │ 40
│ 24,0 │
То же │С 1988 г.
ТМ-321 │
│ │ │ │
│ │заменяется
│ │
│ │ │ │ │телекомп-
│ │
│ │ │ │ │лексом
│ │
│ │ │ │ │ТМ-322
Телекомплекс,│3
│ 90 │ 120
│ 256 │
ПУ - 7,0 │ "
│ -
УВТК-501 │
│ │ │ │
КП - 5,8 │ │
│ │
│ │ │ │ │
Телекомплекс,│1
│ 30 │
24 │ 32
│ 50,0 │ПО "Теле- │
-
ТК-113 │
│ │ │ │ │механика" │
│ │
│ │ │ │(Нальчик) │
Устройство │1 │ 1
│ 20 │
20 │ 5,44
│ То же │
-
телемеханики,│ │
│ │ │
│ │
ТМ-800В │
│ │ │ │ │ │
Комбиниро- │1 │ 6
│1-ОТУ │ 8 │
5,17
│"Нептун"
│ -
ванное │
│ │спец-
│ │ │(Одесса) │
устройство │
│
│назна-│
│ │ │
телемеханики,│ │
│чения │
│ │ │
КУСТ-А │
│ │ │ │ │ │
Комбиниро-
│1 │6 КП-К;│10 на
│ 24 │
ПУ - 2,9
│"Нептун"
│ -
ванное │
│4 КП-И │одно
│(КП-И) │ КП-К - 2,0 │(Одесса) │
устройство │
│
│напра-│
│ КП-И - 2,6 │ │
телемеханики,│ │
│вление│
│ │ │
КУСТ-Б │
│
│(КП-К)│
│ │ │
Модернизиро-
│1 │ 30 │
16 │ 48
│УП-ПУ, М - 13,7│ПО "Красно- │ -
ванный │
│ │ │ │ЛУВИ-ТСМ - 10,8│дарский
ЗИП"│
телекомплекс,│ │
│ │ │ЛУВИ-ТИ - 9,0 │(Краснодар) │
ТМ-120-1М │
│ │ │ │УП-КП.М - 5,7 │ │
Устройство │1 │ 15
│ 15 │
45 │ 9,0
│Опытный │Серийное
телемеханики,│ │
│ │ │
│завод "Союз-│производ-
ТМРС-10 │
│ │ │ │ │промавтома- │ство
│ │
│ │ │ │тика" │с 1987 г.
│ │
│ │ │ │(Пятигорск) │
│ │
│ │ │ │"Электро- │
│ │
│ │ │ │пульт" │
│ │
│ │ │ │(Ленинград) │
Примечания. 1.
Условные обозначения: ПУ - пункт управления; КП - контролируемый пункт; ТУ -
телеуправление; ОТУ - общая команда телеуправления; ТС - телесигнализация; ВТС
- устройство воспроизведения телесигнализации; ЛУВИ - локальное устройство
воспроизведения информации; ТИ - телеизмерение; УП - устройство
приемно-передающее; КП-К - пункт измерительный комбинированный; КП-И - то же,
контролируемый.
2. Для устройств
телемеханики имеются типовые проекты привязки к объектам энергетики: для ВРТФ-3
N 5154M и ТМ-800В N 407-03-333.83 - проект Южного отделения института
"Энергосетьпроект", Ростов-на-Дону; для КУСТ-А N 7565ТМ и КУСТ-Б N
7509ТМ - проект Львовского отделения института "Энергосетьпроект";
для ТМ-120-1М N 3508 - проект Кишиневского отделения института "Сельэнергопроект".
Приложение
9
ПРИМЕРЫ
ВЫПОЛНЕНИЯ РЕКОНСТРУКЦИИ ЭЛЕКТРИЧЕСКИХ СЕТЕЙ
ОТДЕЛЬНЫХ УЧАСТКОВ
ГОРОДСКОЙ ЭЛЕКТРОСЕТИ
1. На черт. 1, 3
приведены из реальных проектов участки сети в категорированных городах, а на
черт. 5, 7 - в некатегорированных, на черт. 2, 4, 6, 8 показаны упомянутые
участки сети, реконструированные в соответствии с требованиями ГО по
светомаскировке.
2. Реконструкция
сети выполнена с соблюдением принципа разделения сети на отключаемую и
неотключаемую с присоединением к последней всех потребителей, продолжающих
работу в режиме ПЗ.
3. Потребителей,
продолжающих работу в режиме ПЗ, рекомендуется присоединять к двум
территориально несовмещенным центрам питания (для некатегорированных городов
присоединение можно выполнить к двум разным секциям 10 (6) кВ одного ЦП)
посредством взаиморезервируемых линий 10 (6) кВ, проложенных, как правило, по
разным трассам (при невозможности прокладки по разным трассам допускается
прокладка в разных траншеях). Соблюдение этих условий обеспечивает достаточную
надежность электроснабжения и позволяет ориентироваться на передвижные
автономные источники питания, а применение автономных источников стационарного
типа целесообразно для потребителей, где они необходимы и в мирное время.

Черт. 1

────────┬─────────────────────────────────────────┬────────────────────────
Номер │ Наименование потребителя │ Нагрузка, кВт
потреби-│ ├───────┬────────────────
теля │
│ общая │в режиме полного
│
│ │ затемнения
────────┼─────────────────────────────────────────┼───────┼────────────────
1
│Больница │ 400
│ 80
2
│Диспетчерский пункт охранной сигнализации│ 10
│ 5
3
│Районная котельная │ 900
│ 300
4
│АТС │ 80
│ 45
Черт. 2

Черт. 3

───────────┬───────────────────────────────────┬───────────────────────────
Номер
│ Наименование
потребителя │ Нагрузка, кВт
потребителя│
├──────────┬────────────────
│ │ общая
│в режиме полного
│ │ │ затемнения
───────────┼───────────────────────────────────┼──────────┼────────────────
1
│Междугородная телефонная станция
│ 200 │
100
2
│Госпиталь
│ 250 │ 50
3
│Котельная
│ 600 │
200
Черт. 4

Черт. 5

───────────┬─────────────────────────────────────┬─────────────────────────
Номер
│ Наименование
потребителя │ Нагрузка, кВт
потребителя│
├────────┬────────────────
│ │
общая │в режиме полного
│ │ │ затемнения
───────────┼─────────────────────────────────────┼────────┼────────────────
1
│Больница │ 400
│ 70
2
│Насосная станция канализации │ 250
│ 100
│(с аварийным выпуском) │ │
3
│Радиотрансляционный узел │ 70
│ 50
4
│Диспетчерский пункт горэлектросети │
20 │ 10
Черт. 6

Черт. 7

───────────┬──────────────────────────────┬────────────────────────────────
Номер
│ Наименование
потребителя │ Нагрузка, кВт
потребителя│ ├─────────────┬──────────────────
│ │ общая
│ в режиме полного
│ │ │ затемнения
───────────┼──────────────────────────────┼─────────────┼──────────────────
1
│Водонасосная
│ 500 │ 250
2
│Радиоузел
│ 70 │ 35
Черт. 8
Условные
обозначения к черт. 1 - 8
Подстанция 35/6 кВ, существующая
Распределительный пункт N 10,
сушествующий
Существующие ТП 10 (6)/0,4 кВ с
несекционированными
шинами 10 (6) кВ (ТП N
81) и секционированными
(ТП N 60) на плане
То же, сохраняемые под напряжением в
режиме полного
затемнения
(неотключаемые)
Существующие ТП 10 (6)/0,4 кВ с несекционированными
шинами 10 (6) кВ (N 81) и
секционированными (N 60)
на схеме
То же, неотключаемые
Шины 0,4 кВ ТП с присоединенным
потребителем (N 2),
продолжающим работу в
режиме ПЗ, на схеме
Потребитель N 2 на плане
Существующая линия 10 (6) кВ (на
воздушных линиях,
в отличие от кабельных,
указаны марки и сечения
проводов)
То же, проектируемая
Существующая линия 10 (6) кВ,
отключенная
при нормальном режиме работы
сети (перемычка)
Кабельная линия 0,4 кВ, существующая
То же, проектируемая
Масляный выключатель включен
То же, отключен
Приложение
10
ПРИМЕРЫ
ВЫПОЛНЕНИЯ СХЕМ ВНУТРЕННЕГО ЭЛЕКТРОСНАБЖЕНИЯ
ОБЪЕКТОВ,
ПРОДОЛЖАЮЩИХ РАБОТУ В РЕЖИМЕ ПЗ
1. Объекты,
продолжающие работу в режиме ПЗ, присоединяются к двум трансформаторам
неотключаемой ТП 10 (6)/0,4 кВ (черт. 1 - 4) или к двум неотключаемым ТП (черт.
5).

Черт. 1.
Больница
а - существующая
схема; б - рекомендуемая схема;
1 - инфекционный
корпус; 2 - хозяйственный корпус;
3 - терапевтический
корпус; 4 - административный корпус;
5, 14 - палаты; 6 -
рентгеновский кабинет;
7, 12 - отделения
реанимации; 8, 11 - операционные;
9, 10 - резерв

Черт. 2. Районная
котельная
а - существующая
схема; б - рекомендуемая схема;
1 - питательный
насос N 1; 2 - дымосос N 1;
3 - вентилятор N 1;
4, 18 - подпитка сырой воды;
5 - сетевой насос N
1; 6 - сетевой насос N 2;
7 - солевой насос;
8 - мазутное хозяйство; 9 - мастерские;
10 - освещение
котельной; 11 - аварийное освещение;
12 - мазутное
хозяйство; 13 - вспомогательное оборудование;
14 - освещение
территории; 15 - щит КИП; 16 - сетевой
насос N 3; 17 -
питательный насос N 2; 19 - сетевой насос
N 4; 20 -
вентилятор N 2; 21 - дымосос N 2; 22 - резерв

Черт. 3. Насосная
станция водоснабжения
а - существующая
схема; б - рекомендуемая схема; 1 - клуб;
2 - гараж; 3 -
магазин; 4, 8 - резерв; 5 - школа;
6 - жилые дома; 7 -
столовая; 9 - садовые участки;
10 - освещение
насосной; 11, 17 - насос II подъема;
12 - отопление
насосной; 13, 14 - глубинный насос;
15 - освещение
территории; 16 - тельфер; 18 - карьер;
19 - резерв

Черт. 4.
АТС
а - существующая
схема; б - рекомендуемая схема;
1 - вентиляционная
камера N 1; 2 - статические
конденсаторы; 3 -
аккумуляторная батарея; 4 - освещение
АТС; 5 - освещение
территории; 6 - резерв; 7 - гараж;
8 - буфет; 9 -
аварийное освещение; 10 - пожарные насосы;
11 - автономный
источник

Черт. 5.
Диспетчерский пункт электросети
а - существующая
схема; б - рекомендуемая схема;
1 - комплекс
ТМ-321; 2 - диспетчерский щит;
3 - стол
диспетчера; 4 - телефонный коммутатор;
5 - магнитофон; 6 -
аварийное освещение; 7 - освещение
диспетчерского
пункта; 8 - источники питания
аппаратуры щита и
стола диспетчера
Условные
обозначения к черт. 1 - 5
Рубильник
Предохранитель
Коммутационный аппарат (автоматический
выключатель, магнитный
пускатель, контактор), подлежащий отключению в режиме ПЗ
Автоматический выключатель, не подлежащий
отключению в режиме ПЗ
То же, магнитный пускатель или контактор
Блок выпрямления переменного тока
2. Коммутационные
аппараты, установленные в распределительных устройствах 0,4 кВ трансформаторных
подстанций или у потребителей и подлежащие отключению в режиме ПЗ, должны
отключаться централизованно из пункта управления объекта; допускается их
местное отключение ответственным дежурным персоналом в установленное время.
Дистанционное отключение автоматического выключателя осуществляется посредством
встроенного в выключатель независимого расцепителя.
3. В случаях, когда
в распределительных устройствах 0,4 кВ ТП 10 (6)/0,4 кВ затруднена установка
коммутационных аппаратов с дистанционным отключением, допускается их установка
на вводе к потребителям, прекращающим работу в режиме ПЗ.
4. Передвижные
автономные источники при необходимости могут присоединяться посредством
шланговых кабелей к вводному распредустройству 0,4 кВ потребителя после
отсоединения питающих линий.
5. В помещениях,
где предусматривается введение маскировочного освещения, все остальные
осветительные приборы в режиме ПЗ отключаются.
Приложение
11
ПРИМЕРЫ ВЫПОЛНЕНИЯ
БЛОК-СХЕМ ЦЕНТРАЛИЗОВАННОГО
УПРАВЛЕНИЯ
КОММУТАЦИОННЫМИ АППАРАТАМИ ЛИНИЙ 10 (6) кВ
НА ПОДСТАНЦИЯХ 35
кВ И ВЫШЕ

Условные
обозначения
───────
Установленные оборудование и цепи
- - - - Дополнительно устанавливаемые оборудование и
цепи
Черт. 1.
Блок-схема централизованного управления
коммутационными
аппаратами линий 6 - 10 кВ и линий
освещения
подстанций с использованием установленных
устройств АЧРС и
АСН
1 - реле отключения
фидеров I очереди; 2 - реле отключения
фидеров II очереди;
3 - реле отключения фидеров III очереди;
4 - реле отключения
и запрета АПВ коммутационных аппаратов
линий 6 - 10 кВ и
линий наружного и внутреннего освещения;
5 - приемник; 6 -
передатчик; 7 - коммутационные аппараты
наружного
освещения; 8 - коммутационные аппараты
внутреннего
освещения; 9 - устройство сигнализации;
10 - наружное
освещение; 11 - внутреннее освещение;
12 - общий сигнал

Условные
обозначения
───────
Установленные оборудование и цепи
- - - - Дополнительно устанавливаемые оборудование и
цепи
Черт. 2.
Блок-схема централизованного управления
коммутационными
аппаратами линий 6 - 10 кВ и линий
освещения
подстанций с использованием установленной
аппаратуры ПА
1 - устройство
противоаварийной автоматики (ПА);
2 - реле отключения
и запрета АПВ линии 6 - 10 кВ;
3 - устройство
телесигнализации; 4 - реле отключения
и запрета АПВ
коммутационных аппаратов линии 6 - 10 кВ
и освещения; 5 -
коммутационные аппараты наружного
освещения; 6 -
коммутационные аппараты внутреннего
освещения; 7 -
приемник; 8 - передатчик; 9 - АНКА - АВЛА;
10 - наружное
освещение; 11 - внутреннее освещение;
12 - общий сигнал

Условные
обозначения
───────
Установленные оборудование и цепи
- - - - Дополнительно устанавливаемые оборудование и
цепи
Черт. 3.
Блок-схема централизованного управления
коммутационными
аппаратами линий 6 - 10 кВ и линий
освещения
подстанций с использованием установленной
аппаратуры АЦР
1 - устройство
автоматической циркулярной разгрузки (АЦР);
2 - реле отключения
и запрета АПВ линий 6 - 10 кВ;
3 - устройство
сигнализации; 4 - приемное устройство АЦР;
5 - реле отключения
и запрета АПВ коммутационных аппаратов
линий 6 - 10 кВ и
освещения; 6 - коммутационные аппараты
наружного
освещения; 7 - коммутационные аппараты
внутреннего
освещения; 8 - наружное освещение;
9 - внутреннее
освещение; 10 - общий сигнал
Приложение
12
ВАРИАНТЫ
РЕКОНСТРУКЦИИ СЕЛЬСКИХ
ЭЛЕКТРИЧЕСКИХ СЕТЕЙ
10 (6) кВ

Черт. 1. Варианты
преобразования действующих схем 6 - 10 кВ
неотключаемых
потребителей в рекомендуемые
Условные
обозначения
Существующая ВЛ 6 - 10 кВ
Намечаемая ВЛ 6 - 10 кВ
Существующая подстанция 6 - 10/0,4 кВ
Намечаемая подстанция 6 - 10/0,4 кВ
Пункт автоматического включения резерва линии
Пункт секционирования линии
ЦП - Центр питания
НП - Неотключаемый потребитель

Черт. 2. Варианты
преобразования действующих схем 6 - 10 кВ
неотмлючаемых
потребителей в рекомендуемые
Приложение
13
ПРИМЕРЫ
РЕКОНСТРУКЦИИ СЕЛЬСКИХ
ЭЛЕКТРИЧЕСКИХ СЕТЕЙ
10 - 110 кВ

Черт. 1.
Схема электрических соединений сетей
10 - 35 - 110 кВ
неотключаемых потребителей
с учетом объемов
реконструкции

Черт. 2. Схема
электрических соединений сетей 10 - 35 кВ
неотключаемых
потребителей с учетом объемов реконструкции
Условные
обозначения к черт. 1, 2

Приложение
14
РАСЧЕТ
СЕТЕЙ УПРАВЛЕНИЯ И СИГНАЛИЗАЦИИ
ВНУТРЕННЕГО И
НАРУЖНОГО ОСВЕЩЕНИЯ
РАСЧЕТ СЕТИ
УПРАВЛЕНИЯ И СИГНАЛИЗАЦИИ
ПРИ ИСПОЛЬЗОВАНИИ
ТЕЛЕФОННЫХ КАБЕЛЕЙ
1. При
небольшой протяженности линий дистанционного управления, когда потери
напряжения в сети не превышают допустимой величины (15%), напряжение источника
питания, катушек реле и сигнальных ламп принимается одинаковое (60 В).
В таких случаях
потери напряжения в сети управления
, %,
выполненной телефонными кабелями с медными жилами диаметром 0,5 мм,
рекомендуется определять по формуле:
, (1)
где I - рабочий ток
катушек реле или сигнальной лампы, А;
l - длина кабеля от
пульта (щитка) управления до силового блока, км.
2. При равенстве
номинальных напряжений источника питания сети управления, катушек реле и
сигнальных ламп, указанные на черт. 2 Пособия добавочные сопротивления R1 и R2
в цепях катушек реле и сигнальных ламп не требуются.
3. При большой
протяженности линий дистанционного управления потери напряжения в линии,
рассчитанной как указано в п. 14.1, могут оказаться больше максимально
допустимой величины (15%), и в таких случаях напряжение катушек реле и
сигнальных ламп принимается ниже напряжения источника питания, например, реле и
сигнальная лампа - на 48 В при напряжении источника питания 60 В и т.д.
4. В случаях,
указанных в п. 3, расчет сети управления и сигнализации сводится к определению
величины добавочного сопротивления, включаемого последовательно с катушкой или
лампой для гашения излишка напряжения, не потерянного в кабеле.
При питании одной
парой медных жил диаметром 0,5 мм, обычно применяемых для телефонных кабелей,
одного реле или одной сигнальной лампы, величина добавочного сопротивления (R1
и R2 на черт. 2) определяются по формуле:
, (2)
где
- добавочное сопротивление, Ом;
R - активное
сопротивление катушки реле или сигнальной лампы (при ее горении), Ом;
U - напряжение
источника питания, В;
I - рабочий ток
катушки реле или сигнальной лампы (при ее горении), А;
l - длина кабеля от
пульта (щитка) дистанционного управления до силового блока, км.
5. Для упрощения
расчетов величины добавочных сопротивлений в цепи катушки реле типа РПУ-2
постоянного тока и коммутаторных ламп (обычно применяемых в таких схемах)
служат графики на черт. 1, 2.

Черт. 1. График для
определения величины добавочного
сопротивления в
цепи катушки реле РПУ-2 постоянного тока
(при сопротивлении
катушек, Ом: 12 В - 43;
24 В - 180; 48 В -
800)
Напряжение источника
питания сети управления 60 В.
Напряжение реле: 1
- 12 В; 2 - 24 В; 3 - 48 В;
- добавочное сопротивление в цепи катушки
реле, Ом;
l - длина кабельной
линии управления с медными жилами
диаметром 0,5 мм

Черт. 2.
График для определения величины добавочного
сопротивления в
цепи коммутаторных ламп
Напряжение
источника питания цепи сигнализации 60 В.
Тип и напряжение
коммутаторных ламп: 1 - КМ 12-90, 12 В;
2 - КМ 24-35, 24 В;
3 - КМ 24-90, 24 В; 4 - КМ 48-50, 48 В;
- добавочное сопротивление в цепи сигнальной
лампы, Ом;
l - длина кабельной
линии сигнализации с медными жилами
диаметром 0,5 мм,
км
РАСЧЕТ СЕТИ
УПРАВЛЕНИЯ ПРИ ИСПОЛЬЗОВАНИИ
КОНТРОЛЬНЫХ КАБЕЛЕЙ
6. Сечение жил
контрольных кабелей при питании катушек магнитных пускателей (контакторов) и
реле переменным током определяется по формуле:
, (3)
где S - сечение,
мм2;
I - пусковой ток
катушки магнитного пускателя (контактора) или реле, А;
l - длина кабеля от
пульта (щитка) управления освещением до силового блока, м; при l > 300 м
необходимо учитывать влияние емкостных токов;
- коэффициент, определяемый по таблице данного
приложения.
───────────────────┬───────────────────────────────────────────────────────
Cos фи катушки │ Значения коэффициента бета при
использовании проводов
при пуске
├───────────────────────────┬───────────────────────────
│ медных │ алюминиевых
├─────────────┬─────────────┼─────────────┬─────────────
│ 220 В
│ 380 В <*> │
220 В │ 380 В <*>
───────────────────┼─────────────┼─────────────┼─────────────┼─────────────
1,00 │ 0,91
│ 0,52 │
1,51 │ 0,86
0,95 │ 0,86
│ 0,49 │
1,43 │ 0,81
0,90 │ 0,83
│ 0,475 │
1,38 │ 0,79
0,85 │ 0,79
│ 0,45 │
1,31 │ 0,75
0,80 │ 0,76
│ 0,43 │
1,24 │ 0,71
0,75 │ 0,72
│ 0,41 │
1,19 │ 0,68
0,70 │ 0,68
│ 0,39 │
1,13 │ 0,61
0,65 │ 0,64
│ 0,37 │
1,06 │ 0,61
0,60 │ 0,60
│ 0,354 │
1,00 │ 0,57
0,55 │ 0,57
│ 0,33 │
0,95 │ 0,55
0,50
│ 0,54
│ 0,31 │
0,90 │ 0,52
0,45 │ 0,51
│ 0,31 │
0,85 │ 0,50
0,40 │ 0,48
│ 0,275 │
0,80 │ 0,46
0,35 │ 0,45
│ 0,26 │
0,75 │ 0,43
0,30 │ 0,415
│ 0,24 │
0,69 │ 0,41
0,25 │ 0,385
│ 0,22 │
0,64 │ 0,365
0,20 │ 0,355
│ 0,205 │
0,59 │ 0,34
--------------------------------
<*>
Магнитные пускатели и контакторы с катушками на напряжение 380 В для
дистанционного управления освещением применять не рекомендуется.
7. Пример
структурной схемы сети дистанционного управления наружным освещением
промышленного предприятия с использованием резервных жил телефонных кабелей
внутризаводской связи приведен на черт. 3, с использованием контрольных кабелей
- на черт. 4.

Черт. 3. Пример
структурной схемы сети дистанционного
управления наружным
освещением промышленного предприятия
с использованием
резервных жил телефонных кабелей
внутризаводской
связи
Условные
обозначения
АТС -
Автоматическая телефонная станция предприятия
Кр - Кросс
АТС
Распределительный шкаф телефонной сети
предприятия
Распределительная коробка телефонной сети
предприятия,
установленная в здании
Абонентская коробка телефонной сети
Силовые блоки управления наружным
освещением; цифра указывает
число
магнитных пускателей
ПУ - Пункт
управления наружным освещением
Щиток управления наружным освещением
Фотоэлектрический автомат
Выноской датчик освещенности
фотоэлектрического автомата
Кабель внутризаводской телефонной сети
предприятия; цифра в кружке
указывает число жил кабеля,
необходимых для дистанционного
управления освещением
Линия дистанционного управления освещением;
цифра в кружке
указывает число жил, необходимых для дистанционного управления
освещением
ПС -
Трансформаторная подстанция

Черт. 4.
Пример структурной схемы сети дистанционного
управления наружным
освещением промышленного предприятия
с использованием
контрольных кабелей
Условные
обозначения
Силовые блоки управления наружным
освещением; цифры указывают
количество магнитных пускателей
ПУ - Пункт
управления наружным освещением
Щиток управления наружным освещением
Фотоэлектрический автомат
Выносной датчик освещенности
фотоэлектрического автомата
Контрольный кабель дистанционного управления
освещением; цифры
указывают количество жил кабеля,
необходимых для управления
освещением
Приложение
15
ОБОРУДОВАНИЕ
ДЛЯ ДИСТАНЦИОННОГО УПРАВЛЕНИЯ ОСВЕЩЕНИЕМ
1. В качестве
силовых блоков управления могут использоваться блоки, панели, шкафы и ящики
управления, основные характеристики которых, а также литературные источники для
получения более подробной информации о них указаны в табл. 1.
Таблица 1
─────────────┬───────────┬─────┬─────────┬────────┬──────────┬──────────────
Силовые
блоки│ Серия │Число│Номиналь-│ Монтаж
│ Основные │ Источник
дистанционно-│ │фиде-│ный ток │проводов│назначения│ информации
го
управления│
│ров
│пускателя│ │ │
освещением │ │ │или │ │ │
│ │ │контакто-│ │ │
│ │ │ра, А │
│ │
─────────────┼───────────┼─────┼─────────┼────────┼──────────┼──────────────
Блоки
(БУ) │БУ5030 │
1 │10 - 630
│Передний│Для щитов │ОЛХ.084.214-86
и
панели (ПУ)│ПУ5030 │ │ │ │и шкафов │
управления │ │ │ │ │односто- │
│ │ │ │ │роннего │
│ │ │ │ │обслужи- │
│ │ │ │ │вания │
─────────────┼───────────┼─────┼─────────┼────────┼──────────┼──────────────
Блоки │БУ5141 <*> │ 1
│200 - 630│Задний
│Для щитов │ОЛХ.084.098-86
управления │БУ5142 <**>│ │ │ │и шкафов │
│ │ │ │ │двусторон-│
│ │ │ │ │него │
│ │ │ │ │обслужи- │
│ │ │ │ │вания │
─────────────┼───────────┼─────┼─────────┼────────┼──────────┼──────────────
Ящики │Я5111 │
1 │10 - 146
│Передний│Для инди- │ОЛХ.084.121-85
управления │Я5115 │
2 │ 10 - 40 │ │видуальной│
│ │ │ │ │установки │
--------------------------------
<*>
Для верхнего монтажа.
<**>
Для нижнего монтажа.
2. Для схем
дистанционного управления освещением рекомендуются электромагнитные
универсальные реле серии РПУ-2, РП12. Типы и основные характеристики реле для
разных схем указаны в табл. 2.
Таблица 2
──────┬───────┬──────────────┬───────────────────┬─────────────────┬─────────────────
Схема
│ Тип │ Катушка реле │ Установка реле │Исполнение реле, │ Источники
управ-│
реле
├──────┬───────┤ │ степень защиты │
информации
ления
│ │ Род │Напря- │ │по ГОСТ 14254-80
│
по │ │ тока │жение, │ │ │
черт.
│ │ │В │ │ │
──────┼───────┼──────┼───────┼───────────────────┼─────────────────┼─────────────────
2
│РПУ-2 │Посто-│12,
24,│Встроенная в шкафах│Открытое IP00 │ТУ 16-523.331-78;
│<*> │янный │48, 60 │и на
щитах с │ │каталог
│ │ │ │силовыми блоками │ │Информэлектро
│ │ │ │или в отдельных │ │07.23.09-83
│ │ │ │шкафах │ │
│ │ │
├───────────────────┼─────────────────┤
│ │ │ │Независимая,
вблизи│Защищенное IP40 │
│
│ │ │силовых блоков │ │
──────┼───────┼──────┼───────┼───────────────────┼─────────────────┼─────────────────
4
│РПУ-2 │Пере-
│ 220 │Встроенная, в │Открытое IP00 │То же
│<*> │менный│ │шкафах и на щитках │ │
│ │ │ │с силовыми блоками │ │
│ │ │ │или в отдельных │ │
│ │ │ │шкафах │ │
│
│ │
├───────────────────┼─────────────────┤
│ │ │ │Независимая,
вблизи│Защищенное IP40 │
│ │ │ │силовых блоков │ │
──────┼───────┼──────┼───────┼───────────────────┼─────────────────┼─────────────────
5
│РП12-У4│ " │
220 │Встроенная, в │Оболочка, │ТУ 16-523.072-75;
│ │ │ │шкафах и на щитах │защищенное, IP40;│каталог
│ │ │ │с силовыми блоками │зажимы
для │Информэлектро
│ │ │ │или в отдельных │присоединения │07.23.18-83
│ │ │ │шкафах │внешних проводов,│
│ │ │ │ │открытое, IP00 │
--------------------------------
<*>
Далее индекс реле выбирается в зависимости от конкретных электрических
параметров и условий установки.
3. Характеристики
катушек реле РПУ-2, необходимые для расчета сети управления, приводятся в табл.
3.
Таблица 3
──────────────┬───────────────┬────────────────┬───────────────────────────
Род тока
│ Напряжение, В │ Сопротивление, │ Ток, А
│ │ Ом <*> ├─────────────┬─────────────
│ │ │ рабочий
│ пусковой
──────────────┼───────────────┼────────────────┼─────────────┼─────────────
Постоянный │
12 │ 43
│ 0,28 │ -
│ 24
│ 180 │
0,133 │ -
│ 48
│ 800 │
0,06 │ -
│ 60
│ 1600 │
0,0379 │ -
──────────────┼───────────────┼────────────────┼─────────────┼─────────────
Переменный │
220 │ 1250
│ - │
0,4 <**>
--------------------------------
<*>
По данным киевского ПО "Контакт".
<**> Данные
ориентировочные.
4. Типы и
конструктивное исполнение ключей и избирателей управления, применяемых в схемах
по черт. 2 - 8 Пособия выбираются: избирателей управления ИУ - заводом -
изготовителем силовых блоков либо разработчиком схемы; ключей В, В1 - В3 и
избирателей режима ИР - разработчиками заданий на изготовление пультов (щитков)
дистанционного управления.
Некоторые характеристики
ключей и избирателей управления приводятся в табл. 4.
Таблица 4
──────┬─────────────────────────────┬───────────┬──────────────────────────
Обо- │
Наименование и назначение
│Использует-│Характеристика контактной
значе-│ │ся в схемах│ системы
ние │ │на
чертежах│
──────┼─────────────────────────────┼───────────┼──────────────────────────
ИУ
│Избиратель управления:
│2, а; 3, а;│Однополюсный переключатель
│дистанционное или местное │
4, а │на два направления
│ │ │с нулевым положением
├─────────────────────────────┼───────────┼──────────────────────────
│Телемеханическое или местное
│ 5 │Четырехполюсный
│ │ │переключатель на два
│ │ │направления с нулевым
│ │ │положением
──────┼─────────────────────────────┼───────────┼──────────────────────────
В
│Ключ дистанционного
│2, б; 3, б;│Однополюсный выключатель
│управления │ 4, б
│
──────┼─────────────────────────────┼───────────┼──────────────────────────
ИР
│Избиратель режима управления:│2, в; 3,
в;│Однополюсный переключатель
│фотоавтоматическое, │4, в; 7, б;│на два
направления
│программное или
дистанционное│ 8, б │с нулевым положением
──────┼─────────────────────────────┼───────────┼──────────────────────────
В1
│Выключатели питания сети
│6, а; 6, б │Двухполюсный
──────┤дистанционного
управления │
├──────────────────────────
В2,
В3│
│ 7, 8 │Однополюсный выключатель
5. На пультах и
щитках дистанционного управления освещением при использовании контрольных
кабелей для обозначения включенного состояния освещения рекомендуется
устанавливать светосигнальную арматуру серии АС с зеленым светофильтром (тип
арматуры АС12013У2).
Конструкция
арматуры позволяет устанавливать ее на панели толщиной до 10 мм.
Арматура серии АС
поставляется комплектно с коммутаторной лампой типа КМ 24-90 на напряжение 24
В. При напряжении источника питания более 24 В в комплект поставки входит
устанавливаемое отдельно от арматуры добавочное сопротивление: при 48 В - 300
Ом, при 220 В - 2300 Ом. При заказе арматуры АС следует указывать напряжение
источника питания.
6. В схемах
дистанционного управления освещением по свободным жилам телефонных кабелей в светосигнальной
арматуре серии АС могут устанавливаться коммутаторные лампы, типы и основные
технические характеристики которых, необходимые для расчета сети сигнализации,
указаны в табл. 5.
Таблица 5
───────────────────┬───────────────────┬────────────┬──────────────────────
Тип лампы │
Напряжение, В │ Ток, А
│ Сопротивление лампы
│ │ │ при горении, Ом
───────────────────┼───────────────────┼────────────┼──────────────────────
КМ 12-90 │ 12 │ 0,09
│ 133
КМ 24-35 │ 24 │ 0,035
│ 685
КМ 24-90 │ 24 │ 0,09
│ 267
КМ 48-50 │ 48 │ 0,05
│ 960
КМ
60-55 │ 60 │ 0,055
│ 1090
7. В схемах
дистанционного управления освещением по свободным жилам телефонных кабелей в
случаях, когда напряжение источника питания выше напряжения катушек реле и
сигнальных ламп, последовательно с ними должны включаться добавочные
сопротивления, в качестве которых рекомендуется применять проволочные
эмалированные трубчатые резисторы типа ПЭВ-7,5 с мощностью рассеяния 7,5 Вт.
Они изготавливаются на разные величины сопротивления от 1 до 3300 Ом.
8. Для обеспечения
надежной защиты протяженных сетей дистанционного управления и сигнализации,
выполненных телефонными кабелями (схема черт. 2 Пособия), в которых протекают
токи небольших величин, рекомендуется применять трубчатые предохранители типа
ПН-50, имеющие плавкие вставки на 0,25; 0,5; 1; 2; 3; 4 и 5 А (предохранители
П1 и П2 на схеме черт. 2).
Для защиты сетей
управления и сигнализации, выполненных контрольными кабелями (схемы черт. 4
Пособия) и защиты установок питания сетей управления (схемы черт. 6 - 8
Пособия) могут использоваться трубчатые предохранители типа ПР-2-15 или НП2-60
с плавкими вставками на 6 и 10 А (предохранители П1 на схеме черт. 4 и П3 на
схемах черт. 6 - 8, П5 и П6 на схеме черт. 7).
Предохранители П на
схемах черт. 2 - 5 Пособия, установленные на силовых блоках, выбираются
заводами - изготовителями этих блоков.
9. При
дистанционном управлении наружным и внутренним освещением, выполняемом по
схемам черт. 3, с использованием для сети управления контрольных кабелей в
качестве пультов или щитков управления рекомендуется применять посты управления
серии ПКУ-15 (см. каталог Информэлектро 07.12.08-82 и "Инструктивные
указания по проектированию электротехнических промышленных установок" ГПИ
Тяжпромэлектропроект, 1973, N 6 - 7, с. 45, 46), изготовляемые
Каменец-Подольским электромеханическим заводом. На постах указанной серии
устанавливаются переключатели и сигнальные лампы.
10. Для питания
цепей управления постоянным током напряжением 60 В рекомендуется использовать
выпрямительные устройства типа ВУК 90/25 завода "Промсвязь", г.
Юрьев-Польский.
11. При
дистанционном управлении наружным и внутренним освещением, выполняемым по схемам
черт. 2 и 4 Пособия, пульты или щитки управления должны изготовляться по
отдельным заказам на основании разрабатываемых заданий заводам-изготовителям.
12. При
телемеханическом управлении наружным освещением на пульте или щите
диспетчерского управления энерго- или электроснабжением предприятия выделяются
отдельные ключи и сигнальные лампы для наружного освещения, что должно
учитываться в заказах на пульты или щиты управления.
Приложение
16
ОСНОВНЫЕ
ТЕХНИЧЕСКИЕ ДАННЫЕ СВЕТИЛЬНИКОВ,
ПРИМЕНЯЕМЫХ В
РЕЖИМЕ ПЗ
СВЕТИЛЬНИКИ,
РЕКОМЕНДУЕМЫЕ ДЛЯ НАРУЖНОГО
МАСКИРОВОЧНОГО
ОСВЕЩЕНИЯ, И МАСКИРОВОЧНЫЕ
ПРИСПОСОБЛЕНИЯ К
НИМ
1.
Светильник НСУ01-15-003-У1 с экраном-затенителем (черт. 1) предназначен для
освещения улиц, открытых производственных площадок, мест охраны объектов и т.д.
Светильник рассчитан для работы от сети переменного тока напряжением 220 В с
лампами накаливания В220-15 или В220-40.

Черт. 1. Светильник
типа НСУ01-15-003-У1
1 - отражатель; 2 -
подвески; 3 - скоба; 4 - патрон;
5 - клеммная
колодка; 6 - узел заземления; 7 - экран
Обслуживание
светильников должно производиться в соответствии с "Правилами техники
безопасности при эксплуатации электроустановок" и ПУЭ. Для заземления
светильников имеется специальная скоба-зажим заземления со значком заземления.
Проверку
светильников, устранение неисправностей, смену ламп необходимо производить при
отключенном напряжении сети. Не допускается эксплуатация светильников с
поврежденной изоляцией проводов.
При подключении
светильника к сети нужно отжать пружину, достать клеммную колодку и подключить
сетевые провода. Провод заземления подключается к узлу заземления.
Значения
максимальной освещенности (в люксах) под светильником в зависимости от высоты
подвеса показаны в таблице.
────────────────────────┬──────────────────────────────────────────────────
Мощность лампы, Вт │ Высота подвеса светильника, м
├────────────────┬────────────────┬────────────────
│ 6
│ 7 │ 8
────────────────────────┼────────────────┼────────────────┼────────────────
15 │ 0,05
│ 0,03 │ 0,03
25 │ 0,10
│ 0,07
│ 0,06
40 │ 0,13
│ 0,09 │ 0,07
2.
Светильники НО-300, СПО-200, СПО-2 x 200, СПП-200М, НСУ04-200-001-У1,
РСУ-04-125-001-У1, ОСТ.16.0.535.047-79 с приспособлениями типа ЗСУ.564.004
предназначены для освещения улиц, дорог, проездов и заводских территорий.
Светильники имеют
литой силуминовый или штампованный диффузный отражатель. Призматический
преломлятель или рассеиватель крепится винтами к основанию корпуса.
При переводе светильников
на работу в режиме ПЗ необходимо:
все стеклянные
рассеиватели и преломлятели снять и заменить приспособлениями (черт. 2).
Крепление металлических приспособлений аналогично креплению стеклянных
преломлятелей и рассеивателей;
ввинтить окрашенную
лампу. Тип и мощность лампы указаны в табл. 4 Пособия. Технология окраски ламп
дана в Прил. 17.

Черт. 2.
Приспособление ЗСУ 564.004
3.
Светильники СПОР-250, СПО-500, ОСТ.16.0.535.047-79 с приспособлениями ЗСУ
564.005 предназначены для освещения улиц, дорог, проездов.
Корпус светильника
изготовлен из алюминиевого сплава. Внутри корпуса крепится ламповый патрон и
дроссель. Рассеиватель из молочного стекла крепится к основанию корпуса тремя
скобами.
При переводе
светильников на работу в режиме ПЗ необходимо:
все стеклянные
рассеиватели снять и заменить приспособлениями (черт. 3). Способ крепления
металлических приспособлений такой же, как и рассеивателей;
ввинтить переходной
патрон Е40/Е27;
произвести
пересоединение проводов питающей сети, исключив из схемы пускорегулирующую
аппаратуру;
ввинтить окрашенную
лампу мощностью 15 - 25 Вт.

Черт. 3. Приспособление
ЗСУ 564-005
В процессе
эксплуатации производить общий профилактический осмотр светильника с
приспособлением и его деталей, проверять надежность электроконтактов. Не
допускать образования ржавчины на светильнике и приспособлении. Вышедшие из
строя лампы заменять лампами той же мощности.
СВЕТИЛЬНИКИ,
РЕКОМЕНДУЕМЫЕ ДЛЯ ВНУТРЕННЕГО МАСКИРОВОЧНОГО
ОСВЕЩЕНИЯ, И
МАСКИРОВОЧНЫЕ ПРИСПОСОБЛЕНИЯ К НИМ
4.
Светильники Гс-500М, Гс-1000М, Гс-1500М предназначены для общего освещения
производственных помещений с нормальными условиями среды.
Светильники
ГсУ-500М, ГсУ-1000М, ГсУ-1500М предназначены для общего освещения промышленных
помещений с тяжелыми условиями среды: влажных, сырых и пыльных (с негорючей
пылью).
Светильники
рассчитаны для работы от сети переменного тока напряжением 380/220 В частотой
50 Гц.
Для работы
светильников Гс и ГсУ в режиме ПЗ необходимо:
снять лампу
номинальной мощности;
установить
переходный патрон ПП-Е40/Е27П-03 по ТУ ОДТ.539.006-73;
установить лампу
мощностью 15 Вт при высоте подвеса светильника 6 м;
надеть на лампу
экранирующее устройство типа ЭУ-01У3 (черт. 4), состоящее из экрана-отражателя
1, держателя 2, который надевается на лампу, и скобы 3.

Черт. 4.
Габаритные, установочные размеры и масса
экранирующего
устройства ЭУ-01У3
масса - 0,180 кг; 1
- экран-отражатель;
2 - держатель; 3 -
скоба
Замену ламп и
установку экранирующего устройства производить при отключенном напряжении.
5.
Светильники серии НСП21 предназначены для освещения производственных помещений
и рассчитаны на работу с лампами накаливания в сети переменного тока
напряжением 380/220 В частотой 50 Гц.
Для работы
светильников серии НСП21 в режиме ПЗ необходимо заменить лампу номинальной
мощности на окрашенную лампу типа В230-240-15. Замену ламп следует производить
при отключенном напряжении.
Окраску ламп
накаливания производят в соответствии с инструкцией ЕДО.014.000 (см. Прил. 17).
6.
Светильник НСПО1-500/ДОЗ-02 предназначен для общего освещения производственных
помещений с нормальными условиями среды (с рассеивателем и для пожароопасных
помещений) и работает в сети переменного тока напряжением 380/220 В частотой 50
Гц.
Для работы
светильника типа НСПО1-500/ДОЗ-02 в режиме ПЗ необходимо:
отвинтить болты,
снять колпак, заменить лампу номинальной мощности на лампу мощностью 15 Вт при
высоте подвеса светильника не менее 3,0 м;
надеть затенитель
типа З-03У3 (черт. 5) на лампу, закрепить колпак;
замену лампы и установку
затенителя производить при отключенном напряжении.

Черт. 5.
Габаритные, установочные размеры
и масса затенителей
1 -
экран-отражатель; 2 - держатель; 3 - скоба
──────────────────────┬─────────────────────┬─────────────────────
Тип затенителя │ D, мм │ Масса, кг, не более
──────────────────────┼─────────────────────┼─────────────────────
З-01У3 │ 155 │ 0,20
З-02У3 │ 165
│ 0,25
З-03У3 │ 205 │ 0,30
З-04У3 │ 100 │ 0,12
З-05У3 │ 107 │ 0,15
При замене ламп с
цоколем Е40/45 на лампы с цоколем Е27/25 необходимо устанавливать переходный
патрон ПП-Е40/Е27П-01 по ТУ ОДТ.539.006-73.
7.
Светильник НСПО3-60/Р53-01 предназначен для общего освещения производственных
помещений с повышенным содержанием пыли и повышенной относительной влажностью и
работает от сети переменного тока напряжением 380/220 В частотой 50 Гц.
Для работы
светильника НСПО3-60/Р53-01 в режиме ПЗ при высоте установки 2 - 4 м
необходимо:
снять защитное
стекло;
поменять лампу
номинальной мощности 60 Вт на лампу мощностью 15 Вт;
поставить защитное
стекло;
на защитное стекло
надеть экран типа Э-02 (черт. 6).

Черт. 6. Экран типа
Э-02
Замену лампы и
установку экрана следует производить при отключенном напряжении.
8.
Светильник НСП22-500-121 предназначен для общего освещения производственных
помещений с повышенным содержанием пыли и влажности и работает от сети
переменного тока напряжением 380/220 В частотой 50 Гц.
Для работы
светильника в режиме ПЗ необходимо:
заменить лампу
номинальной мощности на лампу мощностью 15 Вт при высоте подвеса светильника не
менее 3 м. Надеть затенитель типа З-03У3 (см. черт. 5) на лампу;
замену лампы и
установку затенителя производить при отключенном напряжении;
при замене ламп с
цоколем Е40/45 на лампы с цоколем Е27/25 необходимо устанавливать переходной
пагрон ПП-Е40/Е27П-01 по ТУ ОДТ.539.006-73.
9.
Светильник НСП22-500-111 предназначен для общего освещения сырых и пыльных
производственных помещений, пожароопасных помещений классов П-I и П-II и
взрывоопасных помещений классов В-IIа и В-Iб и рассчитаны для работы в сети
переменного тока напряжением 380/220 В частотой 50 Гц.
Для работы
светильника НСП22-500-111 в режиме ПЗ необходимо:
открыть замок,
снять защитное стекло, заменить лампу номинальной мощности на лампу мощностью
15 Вт при высоте подвеса светильника не менее 2,5 м;
надеть затенитель
типа З-03У3 (см. черт. 5) на лампу, установить защитное стекло;
замену лампы и
установку затенителя производить при отключенном напряжении.
При замене ламп с
цоколем Е40/45 на лампы с цоколем Е27/25 необходимо устанавливать переходной
патрон ПП-Е40/Е27П-01 по ТУ ОДТ.539.006-73.
10.
Подвесные пыленепроницаемые светильники прямого света НСП11-100-431,
НСП11-200-431 и рассеянного светораспределения НСП11-100.200-434 (без
отражателя) предназначены для общего освещения сырых и пыльных производственных
помещений с химически активной средой, пожароопасных помещений классов П-I и
П-II и взрывоопасных помещений классов В-Iб и В-IIа. Светильники работают в
сети переменного тока напряжением 380/220 В частотой 50 Гц.
Для работы
светильника НСП11-100, НСП11-200 в режиме ПЗ необходимо:
повернуть замки
против часовой стрелки;
опустить колпак и
сетку;
заменить лампу
номинальной мощности на лампу мощностью 15 Вт при высоте подвеса не менее 2,0 м
для светильников НСП11-100431, НСП11-100-434 и при высоте подвеса не менее 2,5
м для светильников НСП11-200-431, НСП11-200-434;
установить
затенитель Э-20У3 (для светильников НСП11-100-431, НСП11-100-434) или З-30У3
(для светильников НСП11-200-431, НСП11-200-434), состоящих из цилиндрического
затенителя 1 и диска с отверстиями 2 (черт. 7).

Черт. 7.
Габаритные, установочные размеры
и масса затенителей
1 - затенитель; 2 -
диск
──────────┬────────────────────────────────────┬────────────────┬──────────
Тип
│ Размеры,
мм │Площадь
выходных│Масса, кг,
затенителя├───────────┬────────────┬───────────┤
отверстий, см2 │ не более
│ D
│ D │ H
│ │
│ │ 1
│ │ │
──────────┼───────────┼────────────┼───────────┼────────────────┼──────────
З-20У3
│100 +/- 1,1│86 +/- 0,25 │ 95 +/- 3 │
23 │
0,19
З-30У3
│126 +/- 1,2│112 +/- 0,25│ 100 +/- 3 │ 17
│ 0,25
З-40У3
│214 +/- 1,5│196 +/- 0,25│ 180 +/- 3 │ 90
│ 0,78
З-50У3
│95 +/- 1,1 │80 +/- 0,25 │ 100 +/- 3 │ 17
│ 0,18
Замену ламп и
установку затенителя следует производить при отключенном напряжении.
11.
Светильник НСП20-500-121 предназначен для освещения производственных помещений
промышленных предприятий с нормальными условиями среды, а также освещения
пыльных помещений, безопасных в отношении взрыва, и работает от сети
переменного тока напряжением 380/220 В частотой 50 Гц.
Для работы
светильника НСП20-500-121 в режиме ПЗ необходимо:
заменить лампу
номинальной мощности на лампу мощностью 15 Вт при высоте подвеса светильника не
менее 3,5 м;
надеть затенитель
типа З-О3У3 (см. черт. 5) на лампу;
замену лампы и
установку затенителя производить при отключенном напряжении.
При замене ламп с
цоколем Е40/45 на лампу с цоколем Е27/25 необходимо установить переходной
патрон ПП-Е40/Е27П-01 по ТУ ОДТ.539.006-73.
12.
Светильник НСП20-500-111 предназначен для общего освещения сырых пыльных
производственных помещений, с химически активной средой, пожароопасных
помещений классов П-I, П-II и взрывоопасных помещений классов В-IIа и В-Iб.
Светильник работает в сети переменного тока напряжением 380/220 В частотой 50
Гц.
Для работы
светильника типа НСП20-500-111 в режиме ПЗ необходимо:
открыть замок,
снять защитное стекло, заменить лампу номинальной мощности на лампу мощностью
15 Вт при высоте подвеса светильника не менее 2,5 м;
надеть затенитель
типа З-03У3 (см. черт. 5), установить защитное стекло;
замену ламп и
установку затенителя производить при отключенном напряжении.
При замене ламп с
цоколем Е40/45 на лампы с цоколем Е27/25 необходимо устанавливать переходной
патрон ПП-Е40/Е27П-01 по ТУ ОДТ.539.006-73.
13.
Светильник Н4Б-300 предназначен для общего освещения производственных
взрывоопасных помещений классов В-Ia, В-Iб, где возможно образование
взрывоопасных смесей газов и паров с воздухом, отнесенных к 1, 2, 3 и 4
категориям групп А и Б по воспламеняемости, и в помещениях класса В-II и В-IIа,
в которых выделяются переходящие во взвешенное состояние горючие пыли или
волокна, способные образовывать с воздухом и другими окислителями взрывоопасные
смеси в результате аварий или неисправностей. Светильник рассчитан для работы
от сети переменного тока напряжением до 240 В частотой 50 Гц.
Для работы
светильника типа Н4Б-300 в режиме ПЗ необходимо:
отвинтить болты;
снять колпак и
сетку;
сиять лампу
номинальной мощности;
установить лампу
мощностью 15 Вт;
надеть колпак и
сетку;
надеть экран типа
Э-05 (черт. 8).

Черт. 8. Экран типа
Э-05
Замену лампы и
установку экрана следует производить при отключенном напряжении. При замене
ламп с цоколем Е40/45 на лампы с цоколем Е27/25 необходимо устанавливать
переходной патрон ПП-Е40/Е27П-01 по ТУ ОДТ.539.006-73.
14.
Светильники ВЗГ-200, ВЗГ-200М предназначены для общего освещения
производственных взрывоопасных помещений классов В-I, В-Iа и В-II, где могут
содержаться взрывоопасные смеси, отнесенные к 1, 2 и 3 категориям групп А, Б и
Г по воспламеняемости и рассчитаны для работы от сети переменного тока
напряжением до 220 В частотой 50 Гц.
Для работы
светильников ВЗГ-200, ВЗГ-200М в режиме ПЗ необходимо:
отвинтить винты;
снять отражатель и
защитную сетку;
отвинтить корпус с
защитным колпаком от крышки;
снять лампу
номинальной мощности, установить лампу нужной мощности: 100 Вт (синяя лампа) -
при высоте установки светильника 2,5 м; 15 Вт - при высоте установки
светильника 4 и 6 м; 40 Вт - при высоте установки светильника 9 м; 60 Вт - при
высоте установки светильника 12 м.
При высоте
установки светильника 4 м для обеспечения его работы в режиме ПЗ следует
дополнительно использовать экран типа Э-03 (для светильника с сеткой) и Э-04
(для светильника без сетки). Экран типа Э-03 (черт. 9) надевают со стороны
колпака так, чтобы выступы на стальном кольце светильника, крепящем сетку,
прошли через пазы в экране, и поворачивают экран до упора.

Черт. 9. Экран типа
Э-03
Экран типа Э-04
(черт. 10) надевают со стороны колпака так, чтобы винты были выше закатного
кольца на светильнике и вручную затягивают винты до отказа.

Черт. 10.
Экраны типов Э-04, Э-04А
Замену ламп и
установку экрана следует производить при отключенном напряжении.
15.
Светильники ВЗГ/В4А-200 и ВЗГ/В4А-200М предназначены для общего освещения
производственных взрывоопасных помещений классов В-I, В-Ia, В-Iб, В-II, В-IIа и
наружных установок класса В-Iг с защитой от прямого попадания осколков, в
которых возможно образование взрывоопасных смесей газов и паров с воздухом,
отнесенных к 1, 2, 3 и 4 категориям групп А, Б, Г, а также взрывоопасных смесей
пыли с воздухом. Светильники рассчитаны для работы от сети переменного тока
напряжением 220 В частотой 50 Гц.
Для работы
светильников ВЗГ/В4А-200 и ВЗГ/В4А-200М в режиме ПЗ необходимо:
отвинтить винты или
болты;
снять отражатель,
защитную сетку, колпак и лампу номинальной мощности;
установить лампу
нужной мощности 100 Вт (синяя лампа) при высоте установки светильника 2,5 м; 15
Вт - при высоте установки светильника 4 и 6 м; 40 Вт - при высоте установки светильника
9 м, 60 Вт - при высоте установок светильника 12 м.
При высоте
установки светильника 4 м и для обеспечения его работы в режиме ПЗ следует
дополнительно использовать экран Э-04 (см. черт. 10). Для этого экран надевают
на светильник со стороны колпака таким образом, чтобы винты экрана были выше
кольца светильника, которое крепит колпак, и затягивают винты до отказа.
Замену ламп и
установку экрана необходимо производить при отключенном напряжении.
16.
Потолочный взрывонепроницаемый светильник ВЗГ-100 предназначен для общего
освещения взрывоопасных помещений классов В-I, В-Iа и В-II на морских судах и
промышленных предприятиях, где могут содержаться взрывоопасные смеси,
отнесенные к 1, 2 и 3 категориям группы А, Б и Г по воспламеняемости.
Для работы
светильника ВЗГ-100 в режиме ПЗ необходимо:
вывернуть болт и
снять блок защитного стекла;
заменить лампу
номинальной мощности лампой мощностью 15 Вт;
закрепить блок
защитного стекла;
вывернуть три
винта, крепящие защитную сетку;
надеть экран Э-06
(черт. 11), закрепить его скобы тремя винтами для крепления защитной сетки,
экран дополнительно прикрепить к защитной сетке двумя винтами.

Черт. 11. Экран
типа Э-06
Установку экрана
следует производить при отключенном напряжении.
17.
Потолочный взрывонепроницаемый светильник типа В4А-60 предназначен для общего
освещения взрывоопасных помещений классов В-I, В-Iа и В-II на морских судах и
промышленных предприятиях, где могут содержаться взрывоопасные смеси газов и
паров с воздухом, отнесенные к 1, 2, 3 и 4 категориям группы А по
воспламеняемости.
Для работы
светильника В4А-60 в режиме ПЗ необходимо:
вывернуть болт и
снять блок защитного стекла;
заменить лампу
номинальной мощности лампой мощностью 15 Вт;
закрепить блок
защитного стекла;
вывернуть три
винта, крепящие защитную сетку;
надеть экран Э-08
(черт. 12), закрепить его скобы тремя винтами для крепления защитной сетки,
экран дополнительно прикрепить к защитной сетке двумя винтами.

Черт. 12. Экран
типа Э-08
Установку экрана
необходимо производить при отключенном напряжении.
18.
Светильник повышенной надежности против взрыва Н4БН-150 предназначен для общего
освещения производственных взрывоопасных помещений классов В-Ia, В-Iб, В-II,
В-IIа, наружных установок класса В-Iг, где возможно образование взрывоопасных
смесей газов и паров с воздухом, отнесенных к 1, 2, 3, 4 категориям групп А и
Б, а также смесей горючей пыли с воздухом, и рассчитан для работы в сети
переменного тока напряжением 220 В частотой 50 Гц.
Для работы
светильника Н4БН-150 в режиме ПЗ необходимо:
отвинтить болты;
снять лампу;
установить лампу
мощностью 15 Вт;
установить
затенитель З-71У1 (черт. 13).

Черт. 13.
Габаритные, установочные размеры
и масса затенителей
1 - затенитель; 2 -
диск
──────────────────┬───────────────────────────────┬───────────────
Тип затенителя │ Размеры, мм │ Масса, кг,
├───────────────┬───────────────┤ не более
│ D
│ H │
──────────────────┼───────────────┼───────────────┼───────────────
З-70У1 │
140 +/- 2 │ 130 +/- 3
│ 0,30
З-71У1 │
130 +/- 2 │ 105 +/- 3
│ 0,25
Замену лампы и установку
затенителя следует производить при отключенном напряжении.
19.
Взрывозащищенный, водозащищенный светильник "Плафон В4" предназначен
для освещения взрывоопасных помещений классов В-I, В-Ia, В-II, В-IIа и наружных
установок класса В-Iг.
Светильник
рассчитан для работы в сети постоянного или переменного тока напряжением 12 В
или 24 В, мощность лампы 10 Вт, тип лампы СМ13-10.
Перед включением
светильника необходимо тщательно проверить затяжку всех резьбовых соединений,
убедиться в том, что нет механических повреждений корпуса, крышки и защитного
стекла. Проверить наличие пломбы на головке одного из винтов, крепящих крышку к
корпусу. Ремонт светильников должен производиться лицами, имеющими на это право
и прошедшими специальный инструктаж.
При эксплуатации
светильника разрешается пользоваться только омедненным инструментом. Смена ламп
должна производиться только при отключенном напряжении и после охлаждения колбы
до безопасной температуры.
Защитное стекло
следует протирать мягкой тряпкой по мере загрязнения.
При работе
светильника в режиме ПЗ внутрь светильника устанавливается экран типа Э-10, ТУ
ОДН.554.002-78 (черт. 14). Экран Э-10 предназначен для экранирования светового
потока с целью снижения освещенности и обеспечения необходимого защитного угла.

Черт. 14. Экран
типа Э-10
Запрещается:
отвертывать винты,
закрашенные красной краской или опломбированные, при включенном светильнике;
повреждать при
разборке и сборке светильника поверхность сочленения корпуса с крышкой по линии
"взрыв";
обливать холодной
водой стекло светильника при включенной лампе;
производить
механические удары, способные вызвать искры;
эксплуатировать
светильник при напряжении сети свыше +/- 10% номинального;
применять лампу,
мощность которой больше или меньше указанной для данного светильника;
эксплуатировать
светильник при наличии трещин на защитном стекле и с разбитым колпаком.
20.
Светильник НПО-18 x 100/Н-07УХЛ4 с лампой накаливания предназначен для общего
освещения производственных помещений и общественных зданий. Светильник
рассчитан для работы от сети переменного тока с номинальным напряжением 220 В
частотой 50 Гц.
Для эксплуатации
светильника во внеквартирных помещениях в режиме ПЗ в его корпус
устанавливается приспособление N 1 (черт. 15) с лампой накаливания мощностью 15
Вт.

Черт. 15.
Приспособление N 1 для светильников
НПО-18 x
100/Н-07УХЛ4
1 - конус; 2 -
кольцо; 3 - этикетка
Для установки
приспособления необходимо:
снять рассеиватель;
заменить лампу
накаливания на 15 Вт;
поставить
приспособление и рассеиватель и закрепить их к корпусу светильника.
21.
Светильник НПО-18 x 100/Р-01УХЛ4 с лампой накаливания предназначен для общего
освещения производственных помещений, общественных зданий, вспомогательных
помещений жилых домов. Светильник рассчитан для работы от сети переменного тока
с номинальным напряжением 220 В частотой 50 Гц.
Для эксплуатации
светильника во внеквартирных помещениях в режиме ПЗ в его корпус
устанавливается приспособление N 2 (черт. 16) и лампа накаливания мощностью 15
Вт.

Черт. 16.
Приспособление N 2 для светильника
НПО-18 x
100/Р-01УХЛ4
1 - этикетка; 2 -
кольцо; 3 - конус
Для установки
приспособления необходимо:
снять рассеиватель;
заменить лампу
накаливания на 15 Вт;
поставить
приспособление и рассеиватель;
закрепить их к
корпусу светильника.
22.
Светильник НПО-18 x 60/Н-05УХЛ4 с лампой накаливания предназначен для общего
освещения производственных помещений, общественных зданий, вспомогательных
помещений жилых домов. Светильник рассчитан для работы от сети переменного тока
с номинальным напряжением 220 В частотой 50 Гц.
Для эксплуатации
светильника во внеквартирных помещениях в режиме ПЗ в его корпус
устанавливается приспособление N 3 (черт. 17) и лампа накаливания мощностью 15
Вт.

Черт. 17.
Приспособление N 3 для светильника
НПО-18 x 60/Н-05УХЛ4
1 - кольцо; 2 -
этикетка; 3 - кольцо; 4 - корпус
Для установки
приспособления необходимо:
снять рассеиватель;
заменить лампу
накаливания на 15 Вт;
поставить
приспособление в рассеиватель и закрепить их к корпусу светильника.
23. Светильники
НПО01-2 x 60/Н-01УХЛ4, НПО30 x 100/Н-01УХЛ4 предназначены для общего освещения
вспомогательных помещений жилых, общественных и производственных зданий
площадью до 10 м2 с нормальной средой и рассчитаны для работы от сети
переменного тока с номинальным напряжением 127 или 220 В частотой 50 Гц.
Для работы в режиме
ПЗ в светильник устанавливается приспособление, предназначенное для снижения
светового потока. Приспособление (черт. 18) рассчитано на работу светильника
только с лампой накаливания мощностью 15 Вт.

Черт. 18.
Приспособление к светильникам
НПО01-2 x
60/Н-01УХЛ4 и НПО30 x 100/Н-01УХЛ4
1 - винт; 2 -
рассеиватель; 3 - приспособление
Для установки
приспособления необходимо:
снять рассеиватель;
заменить лампу
накаливания на 15 Вт;
установить
приспособление в рассеивателе и закрепить их к арматуре светильника при помощи
винтов.
24.
Настенный светильник типа НБО09 x 60/Р53-01УХЛ4 предназначен для общего
освещения вспомогательных помещений жилых домов (ванных комнат). Светильник
рассчитан для работы от сети переменного тока с номинальным напряжением 220 В
частотой 50 Гц.
Для эксплуатации
светильника во внеквартирных помещениях в режиме ПЗ в его корпус
устанавливаются приспособление (черт. 19) и лампа накаливания мощностью 15 Вт.

Черт. 19.
Приспособление к светильнику
НБО09 x
60/Р53-0УХЛ4
1 - рассеиватель; 2
- приспособление; 3 - светильник
Для установки
приспособления необходимо:
снять рассеиватель;
заменить лампу
накаливания на 15 Вт;
установить
приспособление в рассеиватель и закрепить их к корпусу светильника.
25. Светильники
серий СГС-1 и НКС01 предназначены для местного освещения токарных,
консольно-фрезерных, поперечно-строгальных, сверлильных и других металлорежущих
станков, а также конвейеров.
Для установки
затенителя, предназначенного для работы в режиме ПЗ, необходимо:
заменить лампу
номинальной мощностью 60 или 100 Вт на лампу мощностью 15 Вт;
надеть затенитель
на лампу (см. черт. 5, З-05У3);
замену лампы и
установку затенителя следует производить при отключенном напряжении.
СПЕЦИАЛЬНЫЕ
СВЕТИЛЬНИКИ ДЛЯ МАСКИРОВОЧНОГО ОСВЕЩЕНИЯ
26.
Светильник Л-60-2Б предназначен для освещения лестничных переходов, площадок,
крюков с поднимаемым грузом, различных кранов и агрегатов и имеет следующие
технические данные:
рабочее напряжение
переменного или постоянного тока - 12 В или 24 В;
лампу накаливания -
СМ13-25 или СМ26-25;
мощность лампы - 25
Вт;
патрон - 2Ш-15К;
массу - не более
0,5 кг.
Завод поставляет
светильники без провода, поэтому зарядку следует производить защищенным от
грызунов проводом сечением 2 x 1,5 мм2 с наружным диаметром 8 - 9 мм.
При эксплуатации
светильника в режиме ПЗ необходимо придерживаться следующих правил:
световой поток
светильника должен быть направлен на освещаемую поверхность только вниз;
перед включением
светильника в сеть необходимо проверить целостность защитного стекла и
надежность крепления крышки на корпусе;
защитное стекло по
мере загрязнения следует протирать сухой мягкой тряпкой;
смена ламп в
светильнике осуществляется после снятия крышки с отражателя (светильник при
этом должен быть выключен). Светильник может быть включен только после
надевания крышки с защитным стеклом;
категорически
запрещается заменять лампу в светильнике на лампу большей или меньшей мощности
и эксплуатировать светильник без крышки.
27.
Светильники ПТ-37, ПТ-37М предназначены для общего внутреннего освещения низких
помещений (железнодорожные вагоны, кузовные машины и т.д.) и имеют следующие
технические данные:
рабочее напряжение
переменного или постоянного тока - 28 В или 26 В;
лампу накаливания -
ТН-2-10 (для ПТ-37) и СМ26-10 или СМ13-10 (для ПТ-37М);
мощность лампы - 10
Вт;
цоколь лампы - В15;
массу - не более
0,26 кг;
габаритные размеры
120 x 50 мм.
Перед включением
светильника в сеть необходимо проверить целостность стеклянного защитного
колпака и надежное крепление крышки с сеткой. Колпак следует протирать сухой
мягкой тряпкой по мере загрязнения.
Запрещается
эксплуатировать светильник с разбитым защитным колпаком, а также применять
лампу, мощность которой больше или меньше указанной.
28.
Светильник ГМ-66-2 предназначен для общего освещения помещений в режиме ПЗ и
имеет следующие технические данные:
рабочее напряжение
- 220 В;
лампу накаливания -
НБ220-25;
мощность лампы - 25
Вт;
массу - не более 1
кг;
габаритные размеры
- 290 x 172 мм.
При эксплуатации
светильника в режиме ПЗ необходимо придерживаться следующих правил:
в случае
повреждения защитного колпака светильник подлежит выключению, впредь до
установки нового колпака;
категорически
запрещается заменять лампу в светильнике на лампу большей мощности, чем указано
в технических данных.
Для смены лампы
необходимо ослабить три винта и снять кольцо.
29.
Светильник С-2ХБ в водозащищенном исполнении предназначен для создания местного
освещения в помещениях и в наружных установках агрегатов с химически активной
средой. Светильник может быть применен в помещениях и установках с нормальной
средой.
Светильник имеет
следующие технические данные:
рабочее напряжение
переменного или постоянного тока - 12 В или 24 В;
лампу накаливания -
СМ13-10 или СМ26-10;
мощность лампы - 10
Вт;
патрон - 2Ш-15К;
массу - не более
0,3 кг;
габаритные размеры
- 125 x 100 мм.
Смена ламп в
светильнике производится после снятия колпака (светильник при этом должен быть
выключен). Колпак в светильнике по мере загрязнения следует протирать сухой
мягкой тканью.
Категорически
запрещается заменять лампу в светильнике лампой большей или меньшей мощности.
30.
Светильник ПС-60-2Б предназначен для общего освещения помещений, где возможно
образование паров кислот и щелочей с концентрацией в пределах санитарных норм.
Светильник может быть использован и для освещения помещений с обычной средой,
имеет следующие технические данные:
рабочее напряжение
переменного или постоянного тока - 12 В или 24 В;
лампу накаливания -
СМ13-10 или СМ26-10;
мощность лампы - 10
Вт;
патрон - 2Ш-15К;
массу - не более
0,27 кг;
габаритные размеры
- 128 x 58 мм.
Завод поставляет
светильники без провода и лампы.
Зарядку следует
производить защищенным от грызунов проводом наружным диаметром 8 - 10 мм.
Смена ламп в
светильниках производится после снятия колпака (светильник при этом должен быть
выключен). Колпак в светильнике по мере загрязнения следует протирать сухой
мягкой тканью.
Категорически
запрещается заменять лампу в светильнике на лампу большей или меньшей мощности.
Напряжение
электрической сети, питающей лампы светильников, должно соответствовать
номиналу и не превышать его более чем на 10%.
31.
Светильники ГСТ-64-32 и ГСТ-64-К2 предназначены для обозначения габаритов
агрегатов, отдельно стоящих приборов и имеют следующие технические данные:
рабочее напряжение
переменного или постоянного тока - 12 В или 24 В;
лампы накаливания -
СМ13-10 или СМ26-10;
мощность лампы - 10
Вт;
патрон - 2Ш-15;
габаритные размеры
- 115 x 110 мм;
ввод светильника
рассчитан на экранированный провод марки БПВЛЭ-2 x 1 мм2;
массу - не более
0,74 кг.
При эксплуатации
светильников необходимо придерживаться следующих правил:
светофильтр и
молочные стекла по мере загрязнения следует протирать сухой мягкой тканью;
при снятии крышки
(смене ламп) не загрязнять внутренние поверхности светофильтра, молочного
стекла и лампы;
при замене
перегоревшей лампы, а также при чистке, светильник отключается от сети и может
быть включен только после надевания крышки со светофильтром.
32.
Универсальный аккумуляторный светильник типа УАС-1 применяется для местного
освещения на агрегатах и открытых площадках и имеет следующие технические
данные:
лампу накаливания -
МНЗ, 5-0,26;
напряжение лампы -
3,5 В;
мощность лампы -
0,87 Вт;
массу - не более
2,5 кг;
габаритные размеры
- 190 x 175 x 95 мм.
При эксплуатации
светильника в режиме ПЗ необходимо придерживаться следующих правил:
категорически
запрещается направлять световой поток вверх.
Оптическая ось
светильника должна быть направлена на освещаемую поверхность под углом не менее
чем 40° к горизонту (при работе на открытых пространствах);
зарядка и разрядка
аккумуляторов, а также эксплуатация их производится согласно инструкции по
уходу за щелочными кадмиево-никелевыми аккумуляторами. Следует иметь ввиду, что
категорически запрещается разряжать аккумуляторные батареи светильников ниже
напряжения 2,3 В (при включенной лампе);
при зарядке
аккумуляторных батарей необходимо вынимать их из коробки, отсоединяя все
провода;
необходимо следить,
чтобы пробки аккумуляторов были плотно закрыты во избежание попадания щелочи на
одежду работающего со светильником;
после окончания
работы при установке светильника на укладочные места необходимо проверить
выключение лампы во избежание преждевременной разрядки аккумуляторной батареи;
при
транспортировании светильника коробки с аккумуляторными батареями должны
находиться в вертикальном положении;
после окончания
работы необходимо вынуть фишку из гнезда и закрыть гнездо специальной крышкой,
так как в противном случае случайно может быть включен выключатель, что
приводит к разрядке батареи.
33.
Светильник СП-1 переносной сетевой предназначен для местного освещения на
машинах и агрегатах и имеет следующие технические данные:
рабочее напряжение
переменного или постоянного тока - 12 В или 24 В;
лампу накаливания -
СМ13-5 или СМ26-5;
мощность лампы - 5
Вт;
патрон - 1Ш-15к;
провод марки ШРПЛ-2
x 0,75 мм2 длиной 5,5 м с вилкой 47-К на конце.
При эксплуатации
светильника в режиме ПЗ необходимо придерживаться следующих правил:
категорически
запрещается направлять световой поток светильника вверх. Оптическая ось
светильника должна быть направлена на освещаемую поверхность под углом более
40° к горизонту при работе на открытых пространствах;
запрещается
заменять лампу в светильнике на лампу большей мощности, а также снимать при
работе маскировочную насадку;
светофильтр в
светильнике по мере загрязнения следует протирать сухой мягкой тканью;
смена ламп в
светильнике осуществляется после отключения его от розетки и снятия отражателя
с рукоятки. Светильник включается только при надетом отражателе.
34.
Взрывозащищенный переносной сетевой светильник БП-62-В во взрывонепроницаемом
исполнении предназначен для местного освещения при работе во взрывоопасных
помещениях согласно ПУЭ и другим директивным документам, регламентирующим
установку электрооборудования во взрывоопасных условиях. Он имеет следующие
технические данные:
рабочее напряжение
переменного или постоянного тока - 12 В или 24 В;
лампу накаливания -
СМ13-15 или СМ26-15;
мощность лампы - 15
Вт;
патрон - 2Ш-15;
провод - КРПТ-3 x
2,5 мм длиной 25 м;
массу: без провода
- 1,3 кг, с проводом - 8 кг;
габаритные размеры
- 290 x 65 мм.
Светильник
подключается к электрической сети при помощи взрывозащищенного разъема типа
ВР-61 (вилка-розетка).
В случае
стационарного включения светильника монтаж производится в соответствии с
правилами монтажа электрооборудования во взрывоопасных помещениях. В этом
случае должны быть предусмотрены укладочные места для хранения светильников.
Перед началом
работы со светильниками во взрывоопасном помещении следует проверить
правильность сборки светильника. Крышка светильника должна быть навинчена на
корпус до упора и застопорена. Разборка светильника (смена лампы, защитного
стекла и т.п.) должна производиться вне взрывоопасного помещения.
Для смены лампы или
защитного стекла необходимо ослабить стопорный винт и снять крышку со стаканом,
вынуть вкладыш и снять лампу. В случае стационарного включения светильника
необходимо предварительно обесточить сеть.
При наличии
повреждений резиновой оболочки провода, защитного стекла или корпуса
пользование светильником категорически запрещается.
35.
Светильник СПЛ-2 переносной сетевой предназначен для местного освещения
отдельных узлов изделий, находящихся на большом удалении, и имеет следующие
технические данные:
рабочее напряжение
переменного или постоянного тока - 12 В или 24 В;
лампу накаливания -
А12-21-3 или А24-21-3;
мощность - 20 Вт;
силу света при
положении: сфокусированном - 2000 кд; расфокусированном - 45 кд;
патрон - 1Ш-15к;
провод марки
ШРПЛ-0,2 x 0,75 мм2 с вилкой типа 47-К на конце;
массу - не более
0,55 кг;
габаритные размеры
- 250 x 56 мм.
Светильник
применяется в режиме ПЗ только в аварийных случаях, причем включать его следует
на минимально короткий срок; при этом световой поток его не должен быть
направлен непосредственно вверх помимо освещаемого предмета.
В случае выхода из
строя лампы смена ее производится после отключения светильника от сети и снятия
отражателя с рукоятки. Светильник включается только при надетом отражателе.
Линзу в светильнике по мере загрязнения следует протирать мягкой сухой тканью.
Приложение
17
ИНСТРУКЦИЯ
ПО ОКРАСКЕ ЛАМП
НАКАЛИВАНИЯ ЕДО.014.000
Настоящая
инструкция распространяется на окраску ламп накаливания, предназначенных для
работы в режиме ПЗ. Инструкция устанавливает:
рецепты на
приготовление краски для ламп;
технические
требования, предъявляемые к окрашенным лампам.
ВЫБОР РЕЦЕПТА
В зависимости от
высоты установки светильников выбираются соответствующие рецепты краски ламп,
указанные в таблице.
───────────────┬───────┬──────────────────────┬────────────────────────────
Высота
│ Номер │Краска для трафаретной│Лак МЛ-92, г, ГОСТ 15865-70,
установки
│рецепта│ печати
ТНПФ-53 │ разбавленный ксилолом,
светильника,
м │ │ черного цвета, г, │
ГОСТ 9949-76, до рабочей
│ │
ТУ 29-02-359-70 │вязкости
18 по вискозиметру
│ │
│ ВЗ-4, ГОСТ 9070-75
───────────────┼───────┼──────────────────────┼────────────────────────────
2,5
│ 1 │ 9 │ 100
4,0
│ 2 │ 5 │ 100
6,0 │
3 │ 4 │ 100
9,0
│ 4 │ 1 │ 100
ТЕХНИЧЕСКИЕ
ТРЕБОВАНИЯ
Лампы перед
окраской необходимо тщательно протереть от жировых и других загрязнений
салфеткой, смоченной в бензине - растворителе для лакокрасочной промышленности,
ГОСТ 3134-78.
Краску следует
наносить на сухую поверхность лампы методом окунания. Краска должна наноситься
на колбу в один слой.
После выдержки на
воздухе 2 - 4 мин лампы необходимо дополнительно сушить в электропечи при
температуре 90 - 110 °C в течение 0,5 ч. Слой краски на лампах должен быть
равномерным, без наплывов, подтеков, трещин, просветов и пузырей. Допускается
незначительная разнотонность окраски и небольшие подтеки: неокрашенный просвет
между колбой и цоколем лампы должен быть не более 3 мм. Цоколь лампы не должен
быть окрашен.
Слой краски не
должен оттираться прикосновением рук и оставлять следов краски на упаковке.
Проверка ламп на качество окрашивания производится без включения лампы в
электросеть.
Окраска ламп может
быть произведена по договору с заводами - поставщиками ламп накаливания или
предприятием, эксплуатирующим светильники.
Приложение
18
МАТЕРИАЛЫ,
РЕКОМЕНДУЕМЫЕ ДЛЯ СВЕТОВОЙ МАСКИРОВКИ ПРОЕМОВ
1. Пленка
полиэтиленовая самозатухающая двухслойная светонепроницаемая специального
назначения, ТУ 6-19-051-526-84.
Изготовитель - п/я
Р-6594.
2. Бумага светомаскировочная,
ТУ ОП 13-4200008-35-85.
Изготовитель - ВНПО
Бумпром, г. Волжск Марийской АССР.
3. Бумага
светонепроницаемая марки Б, ГОСТ 4665-62.
4. Бумага
светонепроницаемая, ГОСТ 6926-75.
5. Бумага
упаковочная битуминированная и дегтевая, ГОСТ 515-77.
6. Картон
кровельный, ГОСТ 3135-82.
7. Пергамин
кровельный, ГОСТ 2697-83.
8. Рубероид, ГОСТ
10923-82.
9. Толь кровельный
и гидроизоляционный, ГОСТ 10999-76.
10. Изол, ГОСТ
10296-79.
11. Пленка
полимерно-резинодегтебитумная (ПРДБ), ТУ 103-31-74.
12. Листы асбестоцементные,
ГОСТ 18124-75.
13. Картон
переплетный, ГОСТ 7950-77.
14. Картон тарный
плоский склеенный, ГОСТ 9421-80.
15. Картон
облицовочный, ГОСТ 8740-74.
16. Фанера клееная,
ГОСТ 3916-69.
17. Сталь
тонколистовая кровельная, ГОСТ 17715-72.
18. Хлороульполиэтиленовая
мастика (наносимая на стекло), ТУ 84-257-71.
19. Краски масляные
и алкидные, готовые к применению (темных цветов), ГОСТ 10503-71.
20. Краски масляные
и алкидные цветные и густотертые для наружных работ, ГОСТ 8292-75.
21. Краски черные
густотертые, ГОСТ 6586-77.
Примечание. Цвет
одной из сторон светомаскировочных материалов должен быть по возможности
темным.
Приложение
19
ОПРЕДЕЛЕНИЕ
ТЕРМИНОВ
Маскировочное
освещение - наружное и внутреннее, общее или местное, не отключаемое в режиме
ПЗ, уровни освещенности которых указаны в пп. 1.16, 1.19, 1.21.
Электрический
способ световой маскировки - централизованное отключение электроосвещения всего
объекта или его части.
Светотехнический
способ световой маскировки - снижение освещенности и оборудование осветительных
и сигнальных установок маскировочными приспособлениями.
Механический способ
световой маскировки - закрытие светящихся объектов светонепроницаемыми
материалами или конструкциями.
Технологический
способ световой маскировки - проведение мероприятий, в результате которых
световое излучение не возникает или снижается до уровней, позволяющих его
световую маскировку осуществлять механическим способом.
Прямое управление -
использование ручных коммутационных аппаратов в линиях осветительной сети
(автоматов, рубильников, выключателей и т.п.), устанавливаемых на щитах
трансформаторных подстанций и электропомещений, на вводно-распределительных
устройствах, ответвлениях от силовых магистралей, магистральных
распределительных пунктах, по длине линий питающей осветительной сети, на
вводах групповых щитков.
Централизованное
дистанционное управление - система управления с использованием прокладываемых
проводов управления и электромагнитных устройств, позволяющая производить
включение или отключение осветительной сети из одного источника.
Централизованное
телемеханическое управление - система управления с применением устройств
телемеханики, позволяющая производить одновременное включение или отключение
осветительной сети из одного источника.
Защитный угол
светильника определяется углом, заключенным между горизонтальной плоскостью и
линией, касательной к светящему телу лампы, проведенной через край отражателя
или непрозрачного экрана.
Вечерняя фаза -
фаза электрической сети питания светильников, отключаемая в ночное время при
спаде интенсивности движения транспорта.
Производственные
огни - источники светового излучения, возникающие на предприятиях в процессе их
технологической деятельности (например огни, сопровождающие плавку, розлив и
обработку металла, свечение отводимого дыма, огни факелов отходящих газов, огни
сварки).
Приложение
20
СПИСОК ПРИНЯТЫХ
СОКРАЩЕНИЙ
АСН -
устройство автоматического снижения напряжения
АВР -
автоматический ввод резервного электропитания
АИ -
автоматический источник электропитания
АПВ -
устройство автоматического повторного включения
АПИ -
автоматический передвижной источник электропитания
ВЧ-связь -
высокочастотная телефонная связь
ГО -
гражданская оборона
ГПП -
головной пункт питания
ГТС -
городская телефонная сеть
ГЭС -
городская электрическая сеть
ДП -
диспетчерский пункт электросети
ИТМ ГО -
инженерно-технические мероприятия гражданской обороны
ОПУ -
общестанционный пункт управления
ПП -
промежуточный пункт питания
ПУ ГО -
пункт управления гражданской обороны
ПЭС -
предприятие электрических сетей
Режим ПЗ -
режим полного затемнения
Режим ЧЗ -
режим частичного затемнения
РДП -
районный диспетчерский пункт
РП -
распределительный пункт электросети
РЭС -
район электрических сетей
Сигнал ВТ - сигнал "Воздушная тревога"
ТП -
трансформаторная подстанция 6 - 10/0,4 кВ
УКВ -
ультрокоротковолновая радиосвязь
ЦДП -
центральный диспетчерский пункт энергосистемы
ЦП -
центр электропитания - подстанция 35 кВ и выше
|