Утвержден и введен в
действие
Постановлением
Госстандарта СССР
от 28 декабря 1985
г. N 4453
МЕЖГОСУДАРСТВЕННЫЙ СТАНДАРТ
НЕФТЬ И НЕФТЕПРОДУКТЫ
МЕТОДЫ ОТБОРА ПРОБ
Crude
oil and petroleum products. Methods of sampling
ГОСТ 2517-85
Группа Б09
МКС 75.080
ОКСТУ 0209
Дата введения
1 января 1987 года
ИНФОРМАЦИОННЫЕ
ДАННЫЕ
1. Утвержден и
введен в действие Постановлением Государственного комитета СССР по стандартам
от 28.12.1985 N 4453.
2. Взамен ГОСТ
2517-80.
3. Ссылочные
нормативно-технические документы:
─────────────────────────────────────────┬────────────────────────
Обозначение НТД, на который дана ссылка
│ Номер пункта
─────────────────────────────────────────┼────────────────────────
ГОСТ
12.1.005-88
│3.2
ГОСТ
12.4.010-75 │3.13;
3.14; 3.15
ГОСТ
12.4.013-85
│3.14
ГОСТ
12.4.034-2001
│3.6; 3.7
ГОСТ
12.4.111-82
│3.13
ГОСТ
12.4.112-82
│3.13
ГОСТ
12.4.124-83
│3.9
ГОСТ
1756-2000
│1.1
ГОСТ
13196-93
│1.1; 2.3.1
ГОСТ
14921-78
│1.1; 2.13.3.6
ГОСТ
15895-77
│Вводная часть
ГОСТ
26098-84
│Вводная часть
4. Ограничение
срока действия снято Постановлением Госстандарта СССР от 28.11.1991 N 1834.
5. Издание (июнь
2010 г.) с Изменением N 1, принятым в августе 1998 г. (ИУС 12-98), и Поправкой
(ИУС 8-99), действующими только на территории Российской Федерации.
Настоящий
стандарт устанавливает методы отбора проб нефти и нефтепродуктов из
резервуаров, подземных хранилищ, нефтеналивных судов, железнодорожных и
автомобильных цистерн, трубопроводов, бочек, бидонов и других средств хранения и транспортирования.
Стандарт не
распространяется на сжиженные газы и нефтяной кокс замедленного коксования.
Стандарт
соответствует ИСО 3170-75 в части отбора проб из бочек, барабанов, бидонов,
банок, отбора донной пробы из цистерн и требований безопасности и ИСО 3171-75 в
части автоматического отбора проб из трубопровода.
В стандарте
использованы термины по ГОСТ 15895 <*> и ГОСТ 26098.
--------------------------------
<*> На
территории Российской Федерации действуют ГОСТ Р
50779.10-2000 и ГОСТ Р 50779.11-2000.
1.
АППАРАТУРА
1.1. Для
отбора проб нефти и нефтепродукта применяют пробоотборники, указанные в табл. 1
и Приложении.
Таблица 1
─────────────────────┬──────────────────────┬──────────────────────────────
Характеристика
нефти │ Хранилище, │
Аппаратура и инструмент
или нефтепродукта │транспортное средство,│ для отбора проб
│ тара │
─────────────────────┼──────────────────────┼──────────────────────────────
Нефтепродукты с │ Резервуары для хране-│ Стационарные и
переносные
давлением
насыщенных │ния нефтепродуктов │пробоотборники, позволяющие
паров
100 кПа │с повышенным давлением│проводить герметичный отбор
(750
мм рт. ст.) │насыщенных
паров, │проб и обеспечивающие
и
выше по ГОСТ 1756 │нефтеналивные
суда, │сохранность качества
пробы.
│железнодорожные
и │ Пробоотборники типа ПГО
│автомобильные цистерны│по ГОСТ 14921 и другие пробо-
│ │отборные сосуды под давлением
Нефть │ Резервуары │ Стационарные пробоотборники:
и
нефтепродукты с
│вертикальные
│ сниженный порционный
давлением
насыщенных │цилиндрические, │с клапанами по ГОСТ 13196;
паров
ниже 100 кПа │прямоугольные │ с перфорированной
заборной
(750 мм рт. ст.)
│(постоянного сечения
│трубкой (черт. 1);
по
ГОСТ 1756 │по высоте) │ для отбора точечных проб
│ │с трех уровней
(черт. 2);
│ │ краны на
различных уровнях
│ │по высоте стенки
резервуара
│ │(только для
нефти).
│ │ Переносные пробоотборники:
│ │ металлические (черт. 3 - 5);
│ │ бутылка в металлическом
│ │каркасе
(черт. 6);
│ │ термостатический
(черт. 7)
Нефть │ Подземные хранилища │ Пробоотборные
краны,
и
нефтепродукты │в отложениях
каменной │установленные на
с
давлением │соли,
сооружаемые │продуктопроводе
в оголовке
насыщенных
паров │методом выщелачивания.│подземного
хранилища.
ниже
100 кПа │ Подземные
хранилища │ Переносные
пробоотборники
(750
мм рт. ст.) │шахтного типа, соору-
│(см. черт. 3) и бутылка
по
ГОСТ 1756 │жаемые в горных поро- │в металлическом каркасе
│дах
с положительной и │(см. черт. 6).
│отрицательной
темпера-│
│турой; ледогрунтовые │
│хранилища. │
│ Нефтеналивные
суда, │ Переносные пробоотборники,
│железнодорожные │рекомендуемые для отбора проб
│и
автомобильные │из
вертикальных цилиндрических
│цистерны,
резервуары │и прямоугольных
резервуаров
│траншейного
типа │
│и
горизонтальные │
│цилиндрические │
Нефть │ Трубопроводы │ Автоматические или ручные
и
нефтепродукты │ │пробоотборники для отбора
проб
с
давлением │ │из трубопровода.
насыщенных
паров │ │
ниже
100 кПа │ │
(750
мм рт. ст.) │ │
по
ГОСТ 1756 │ │
│ Бочки,
бидоны, │ Пробоотборные
трубки
│бутылки, банки │(черт. 8)
Жидкие нефтепродукты│
Резинотканевые │ Стеклянные и
металлические
│резервуары │трубки, дюритовые
шланги
│ │диаметром 9 - 12
мм
Мазеобразные │ Бочки, бидоны, │ Щупы: винтообразный
нефтепродукты │барабаны, банки и др.
│(черт. 9), с продольным
│ │вырезом (черт.
10), поршневой
│ │(черт. 11), щуп
прямой без
│ │выреза (черт. 12)
Твердые плавкие │ Бочки, ящики, мешки, │ Ножи,
черпаки, лопаты,
и
неплавкие │вагоны для нефтебитума│долота, зубила, колуны, топоры
нефтепродукты │ │
Порошкообразные │ Мешки, пакеты, │ Щуп (черт. 13)
нефтепродукты │контейнеры │
1.2. Переносные
пробоотборники для отбора проб нефти и жидких нефтепродуктов с заданного уровня
должны иметь крышки или пробки, обеспечивающие их герметичность и легко
открывающиеся на заданном уровне.
1.3. Масса
переносного пробоотборника должна быть достаточной, чтобы обеспечить его
погружение в нефть или нефтепродукт.
1.4. Пробоотборник
осматривают перед каждым отбором пробы. На нем не должно быть трещин. Пробки,
крышки, прокладки не должны иметь дефектов, нарушающих герметичность
пробоотборника.
Переносные
пробоотборники, пробосборники, пробоприемники,
трубки, щупы и т.д. перед отбором проб нефти или нефтепродукта должны быть
чистыми и сухими.
Инвентарь для
отбора и хранения проб жидких нефтепродуктов после применения следует
обработать моющим веществом или сполоснуть неэтилированным бензином; инвентарь
для отбора и хранения проб нефти и мазеобразных нефтепродуктов после промывки
растворителем следует промыть горячей водой до полного удаления остатков
нефтепродуктов. Промытый инвентарь необходимо высушить и хранить в защищенном
от пыли и атмосферных осадков месте.
Во избежание
загрязнения переносные пробоотборники переносят в чехлах, футлярах или другой
упаковке.
1.5. Пробоотборник
ручного отбора проб из трубопровода должен содержать следующие основные узлы:
пробозаборное устройство (см. черт. 14, 15, 15а, 15б);
запорное
устройство;
пробосборник (пробоприемник).
Параметры пробозаборных трубок щелевого типа приведены в Приложении
2.
(Измененная
редакция, Изм. N 1).
1.5.1. Конструкция пробозаборного устройства должна быть достаточно прочной,
чтобы выдерживать изгибающие моменты под влиянием максимальной скорости потока
в трубопроводе, противостоять вибрации, а также создавать минимальное
возмущение потока в трубопроводе.
1.5.2. Диаметр пробозаборной трубки, если пробозаборное
устройство состоит из одной трубки, или наименьший диаметр пробозаборной
трубки, если пробозаборное устройство состоит из
нескольких трубок, должен быть:
6 мм - при
кинематической вязкости нефти до 15 мм2/с (15 сСт) при температуре 20 °C;
12 мм - при кинематической
вязкости нефти, равной и выше 15 мм2/с (15 сСт) при температуре 20 °C.
Для обеспечения
нормального режима работы насоса в контуре отбора проб диаметр пробозаборной трубки может быть увеличен.
1.5.3. В
зависимости от привода запорного устройства применяют автоматические и ручные
пробоотборники.
Запорное устройство
представляет собой кран, служащий для перепуска пробы через пробозаборное
устройство в пробосборник и приводимый в действие
вручную.
1.5.4. В
качестве пробосборника, предназначенного для
накопления объединенной пробы при автоматическом отборе пробы, применяют сосуды
под давлением (закрытые) и атмосферные сосуды (открытые) в зависимости от вида
отбираемой нефти или нефтепродукта или выполняемого анализа.
1.5.4.1. Применяют
сосуды под давлением трех видов:
1 - с выравненным
давлением (черт. 16);
2 - с накоплением
пробы вытеснением заполняющего их водного насыщенного раствора хлористого
натрия (рассола);
3 - с накоплением
пробы вытеснением оставшегося в них воздуха.
1.5.4.2. Сосуды под
давлением 1-го и 2-го видов должны иметь предохранительный клапан для сброса
избыточного давления.
1.5.4.3.
Атмосферный сосуд представляет собой емкость с одним отверстием и применяется
для отбора проб нефти или нефтепродукта с давлением насыщенных паров не более
40 кПа (300 мм рт. ст.). Сосуд с пробой должен герметично закрываться крышкой
(пробкой).
1.5.4.4. Пробосборник изготовляют из материала, стойкого к
воздействию отбираемой нефти или нефтепродукта в расчете на рабочую температуру
и давление, в 1,5 раза превышающее рабочее.
1.5.4.5. В качестве
пробоприемников, предназначенных для
транспортирования и хранения пробы, используют пробосборники
всех типов. Требования к пробосборникам должны
соответствовать указанным в п. 1.5.4.
Соединительные
трубки и клапаны контура отбора проб от точки отбора проб до пробосборника должны быть с минимальным числом изгибов, без
расширений, карманов и других мест, где могут скапливаться механические
примеси, вода и пары.
Все соединения и
соединительные трубки должны быть герметичными.
1.6. Автоматический
отбор проб осуществляется с помощью автоматических пробоотборников периодически
- через равные промежутки времени - или в зависимости от скорости
перекачивания.
1.6.1. При автоматическом
отборе пробы запорное устройство пробоотборника должно приводиться в действие с
помощью электрического, электромагнитного или пневматического приводов.
1.6.2. Для
получения заданной пробы через определенные промежутки времени в схеме
автоматического пробоотборника применяют регулятор, включающийся в работу
одновременно с началом перекачивания.
1.6.3. Конструкция пробосборника для отбора проб легкоиспаряющейся нефти или
нефтепродукта с давлением насыщенных паров более 40 кПа (300 мм рт. ст.) должна
обеспечивать накопление пробы без контакта с воздухом и при том же давлении,
что и в трубопроводе.
Схема отбора проб с
применением такого пробосборника приведена на черт. 17.
Присоединение и
отсоединение пробосборника в пробоотборную
систему должно быть герметичным.
2. МЕТОДЫ
ОТБОРА ПРОБ
2.1. Объем
объединенной пробы устанавливается в нормативно-технической документации (НТД)
на конкретную продукцию.
2.2. Отбор проб из
резервуаров
2.2.1. Перед
отбором пробы из резервуара нефть и нефтепродукты отстаивают не менее 2 ч и
удаляют отстой воды и загрязнений.
Для проверки
удаления воды и загрязнений по требованию представителя заказчика пробу
отбирают из сифонного крана, установленного в нижнее положение.
2.2.2. Пробу из
резервуара с нефтепродуктом, находящимся под давлением свыше 1,96 кПа (200 мм
вод. ст.), отбирают без
разгерметизации резервуара.
2.2.3. Пробу нефти
или нефтепродукта из резервуара с понтоном или плавающей крышей отбирают из
перфорированной колонны.
2.3. Отбор
проб из вертикальных резервуаров
2.3.1. Для
отбора объединенной пробы нефти и нефтепродуктов в один прием применяют
стационарные пробоотборники по ГОСТ 13196 или с перфорированной заборной
трубкой (см. черт. 1).
За нижнюю точку
отбора пробы нефти принимают уровень нижнего среза приемо-раздаточного патрубка
(хлопушки) по внутреннему диаметру, а при отборе пробы нефтепродукта - уровень
на расстоянии 250 мм от днища резервуара.
2.3.2.
Точечные пробы нефти или нефтепродукта из вертикального цилиндрического или
прямоугольного резервуара отбирают стационарным (см. черт. 2) или переносным
пробоотборником с трех уровней:
верхнего - на 250
мм ниже поверхности нефти или нефтепродукта;
среднего - с
середины высоты столба нефти или нефтепродукта;
нижнего: для нефти
- нижний срез приемо-раздаточного патрубка (хлопушки) по внутреннему диаметру,
для нефтепродукта - на 250 мм выше днища резервуара.
Для резервуара, у
которого приемо-раздаточный патрубок находится в приемке, за нижний уровень
отбора пробы нефти принимают уровень на расстоянии 250 мм от днища резервуара.
Объединенную пробу
нефти или нефтепродукта составляют смешением точечных проб верхнего, среднего и
нижнего уровней в соотношении 1:3:1.
2.3.3. Точечные пробы
из резервуара, в котором нефтепродукт компаундируется, при проверке
однородности нефтепродукта отбирают по п. 2.3.2 и анализируют отдельно.
По требованию
представителя заказчика точечные пробы нефтепродукта отбирают через каждые 1000
мм высоты столба нефтепродукта, при этом точечные пробы верхнего и нижнего
уровней отбирают по п. 2.3.2. За начало отсчета первой 1000 мм принимают
поверхность нефтепродукта.
Объединенную пробу
составляют смешением одинаковых по объему точечных проб.
2.3.4. Точечные пробы при высоте уровня нефти или нефтепродукта в
резервуаре не выше 2000 мм (или остаток после опорожнения) отбирают с верхнего
и нижнего уровней по п. 2.3.2.
Объединенную пробу
составляют смешением одинаковых по объему точечных проб верхнего и нижнего
уровней.
При высоте уровня
нефтепродукта менее 1000 мм (остаток после опорожнения) отбирают одну точечную
пробу с нижнего уровня по п. 2.3.2.
2.4. Отбор
проб из горизонтальных резервуаров
2.4.1.
Точечные пробы нефти или нефтепродукта из горизонтального цилиндрического
резервуара диаметром более 2500 мм отбирают переносным пробоотборником с трех
уровней:
верхнего - на 200
мм ниже поверхности нефти или нефтепродукта;
среднего - с
середины высоты столба нефти или нефтепродукта;
нижнего - на 250 мм
выше нижней внутренней образующей резервуара.
Объединенную пробу
составляют смешением точечных проб верхнего, среднего и нижнего уровней в
соотношении 1:6:1.
2.4.2. Точечные пробы нефти или нефтепродукта из горизонтального
цилиндрического резервуара диаметром менее 2500 мм независимо от степени
заполнения, а также из горизонтального цилиндрического резервуара диаметром
более 2500 мм, но заполненного до высоты, равной половине диаметра и менее,
отбирают с двух уровней: с середины высоты столба жидкости и на 250 мм выше
нижней внутренней образующей резервуара.
Объединенную пробу
составляют смешением точечных проб среднего и нижнего уровней в соотношении
3:1.
При высоте уровня
нефтепродукта менее 500 мм отбирают одну точечную пробу с нижнего уровня по п.
2.4.1.
2.4.3. По
требованию потребителя из горизонтального цилиндрического резервуара донную
пробу нефтепродукта отбирают переносным металлическим пробоотборником (см.
черт. 4 и 5).
2.5. Отбор проб из
резервуаров траншейного типа
2.5.1. Точечные
пробы нефтепродукта из резервуара траншейного типа отбирают переносным
пробоотборником с верхнего, среднего и нижнего уровней, соответствующих 0,93;
0,64; 0,21 объема нефтепродукта (отсчет снизу).
Объединенную пробу
составляют смешением точечных проб верхнего, среднего и нижнего уровней в
соотношении 1:3:3.
2.5.2. Точечные
пробы из резервуара, заполненного нефтепродуктами с различной плотностью
(расхождения более 2 кг/м3), отбирают с семи уровней, соответствующих 0,93;
0,78; 0,64; 0,50; 0,36; 0,21; 0,07 объема нефтепродукта (отсчет снизу).
Объединенную пробу
составляют смешением одинаковых по объему точечных проб.
2.6. Отбор проб из
резинотканевых резервуаров
Точечную пробу
нефтепродукта из резинотканевого резервуара отбирают металлической или
стеклянной трубкой или дюритовым шлангом с уровня,
расположенного на высоте 50 - 60 мм от нижнего полотнища резервуара.
2.7. Отбор проб из
подземных хранилищ шахтного типа, сооружаемых в горных породах с положительной
и отрицательной температурой
Отбор точечных проб
нефти или нефтепродукта из подземных хранилищ шахтного типа осуществляют через
вертикальный ствол; уровни отбора и составление объединенной пробы - в
соответствии с п. 2.4.
Объединенную пробу
из подземного хранилища, имеющего несколько вертикальных стволов, составляют
смешением одинаковых по объему объединенных проб каждого ствола.
2.8. Отбор проб из
подземных хранилищ в отложениях каменной соли, сооружаемых методом
выщелачивания
2.8.1. Пробу нефти
или нефтепродукта из подземного хранилища отбирают из пробоотборного
крана, установленного на трубопроводе в оголовке подземного хранилища,
перекачивая часть продукта в наземный резервуар.
Для этого
предварительно промывают межтрубное пространство между колоннами, заполненными
рассолом и нефтью (нефтепродуктом), перекачиванием нефти или нефтепродукта в
наземный резервуар в объеме, равном пяти объемам межтрубного пространства.
Точечную пробу отбирают в конце промывки.
2.9. Отбор проб из
ледогрунтовых хранилищ
2.9.1. Отбор
точечных проб и составление объединенной пробы нефтепродукта из ледогрунтового
хранилища проводят в соответствии с пп. 2.3 или 2.4 в
зависимости от геометрической формы хранилища.
2.10. Отбор проб из
наливных судов
2.10.1. Точечные
пробы из танка наливного судна с высотой уровня нефти или нефтепродукта более
3000 мм отбирают переносным пробоотборником с трех уровней:
верхнего - на 250
мм ниже поверхности нефти или нефтепродукта;
среднего - с
середины высоты столба нефти или нефтепродукта;
нижнего - на 250 мм
выше днища танка.
Объединенную пробу
составляют смешением точечных проб верхнего, среднего и нижнего уровней в
соотношении 1:3:1.
2.10.2. Точечные
пробы из танка наливного судна с высотой уровня нефти или нефтепродукта 3000 мм
и менее отбирают с двух уровней:
среднего - с
середины высоты столба нефти или нефтепродукта;
нижнего - на 250 мм
выше днища танка.
Объединенную пробу
составляют смешением точечных проб среднего и нижнего уровней в соотношении
3:1.
2.10.3.
Если судно загружено одним видом нефти или нефтепродуктом одной марки,
объединенную пробу составляют смешением объединенных проб каждого танка
вместимостью 1000 м3 и более и не менее 25% числа всех танков вместимостью
менее 1000 м3, включая танки, которые загружаются в начале и в конце налива.
Объединенную пробу
для судна составляют смешением объединенных проб из отдельных танков
пропорционально объему продукта в каждом из этих танков.
2.10.4. Если
наливное судно загружено нефтью различных видов или нефтепродуктами различных
марок, объединенные пробы составляют по каждой группе танков с нефтью
отдельного вида или нефтепродуктом отдельной марки аналогично составлению
объединенной пробы для судна в соответствии с п. 2.10.3.
2.10.5.
Объединенную пробу для судна или группы танков с нефтью или нефтепродуктом,
предназначенным для экспорта, длительного хранения или представителя заказчика,
составляют из объединенных проб каждого танка в соответствии с п. 2.10.3.
2.10.6. Если судно
загружается последовательно по одному трубопроводу нефтью различных видов или
нефтепродуктами различных марок, дополнительно отбирают в пунктах налива
точечные пробы и составляют отдельно объединенную пробу для танка, с которого
начинается налив нефти каждого вида или нефтепродукта каждой марки.
2.10.7.
Объединенную пробу остатка нефти или нефтепродукта для судна или группы танков
составляют из точечных проб, отобранных с середины высоты остатка от 25% всех
танков, смешением пропорционально объему нефти или нефтепродукта в каждом из
этих танков.
При загрузке судна
нефтью или нефтепродуктом, предназначенными для
экспорта или представителя заказчика, объединенную пробу остатка для судна или
группы танков составляют из точечных проб, отобранных из каждого танка,
смешением пропорционально объему нефти или нефтепродукта в каждом танке.
2.11. Отбор проб из
железнодорожных и автомобильных цистерн и вагонов для нефтебитума
2.11.1.
Точечную пробу из железнодорожной или автомобильной цистерны отбирают
переносным пробоотборником с уровня, расположенного на высоте 0,33 диаметра
цистерны от нижней внутренней образующей.
Донную пробу
нефтепродукта или нефти отбирают переносным металлическим пробоотборником (см.
черт. 4, 5).
2.11.2. Точечные
пробы для нескольких цистерн с нефтью одного вида или нефтепродуктом одной
марки отбирают по п. 2.11.1 из каждой четвертой цистерны, но не менее чем из
двух цистерн.
В этом случае
объединенную пробу составляют смешением точечных проб пропорционально объемам
нефти или нефтепродукта в цистернах, из которых отобраны пробы.
2.11.3. При наливе
по одному трубопроводу нефтепродуктов разных марок точечные пробы из цистерн, с
которых начинался налив нефтепродуктов каждой марки, отбирают и анализируют
отдельно.
2.11.4. Точечные
пробы нефтепродукта, предназначенного для экспорта, длительного хранения или
Министерства обороны, отбирают из каждой цистерны в соответствии с п. 2.11.1.
Объединенную пробу
для цистерн, отправляемых в один пункт назначения, составляют смешением
точечных проб пропорционально объему продукта в цистернах.
2.11.5. Из вагона
для нефтебитума отбирают одну точечную пробу с
поверхности битума любого бункера.
Объединенную пробу
для нескольких вагонов составляют смешением одинаковых по объему точечных проб
из каждого вагона.
2.12. Порядок
отбора проб нефти или нефтепродукта из резервуаров, подземных хранилищ,
транспортных средств стационарным и переносным
пробоотборниками
2.12.1. Перед
отбором пробы из пробоотборной системы стационарного
пробоотборника сливают в другой сосуд жидкость, которая не должна входить в
пробу. Объем сливаемой жидкости должен быть не менее двух объемов пробоотборной системы стационарного пробоотборника.
2.12.2. Из вертикальных, горизонтальных, траншейного типа резервуаров,
танков наливных судов, железнодорожных и автомобильных цистерн, подземных
хранилищ шахтного типа, ледогрунтовых хранилищ пробу нефти или нефтепродукта
отбирают переносным пробоотборником следующим образом:
измеряют уровень
нефти или нефтепродукта;
рассчитывают уровни
отбора точечных проб;
опускают закрытый
пробоотборник до заданного уровня так, чтобы отверстие, через которое
происходит его заполнение, находилось на этом уровне;
открывают крышку
или пробку, заполняют пробоотборник и поднимают его.
Пробы с нескольких
уровней отбирают последовательно сверху вниз.
2.12.3. Донную
пробу из резервуара или транспортного средства отбирают следующим образом:
пробоотборник (см.
черт. 4) опускают, устанавливают на днище резервуара или транспортного
средства, извлекают пробку из штуцера и выдерживают его до заполнения пробой.
Заполненный пробоотборник поднимают и сливают пробу в пробоприемник;
пробоотборник (см.
черт. 5) опускают на днище резервуара или транспортного средства. При касании о
днище шток поднимается, и в образовавшуюся щель начинает поступать нефть или
нефтепродукт. Пробоотборник выдерживают в этом положении до его заполнения
пробой, поднимают и переливают ее в пробоприемник.
2.12.4. Пробу
нефтепродукта из сифонного крана отбирают переносным пробоотборником (см. черт.
3).
2.12.5. При
измерении температуры и плотности нефти или нефтепродукта пробоотборник
выдерживают на заданном уровне до начала его заполнения не менее 5 мин.
Допускается вместо
выдержки термостатического пробоотборника в течение 5 мин ополаскивать его
нефтью или нефтепродуктом, отобранным с уровня, на котором должна быть измерена
температура или плотность.
2.12.6. Бутылку с
отобранной пробой легкоиспаряющегося нефтепродукта с нормированным давлением
насыщенных паров вынимают из каркаса, герметично закупоривают, а для отбора
следующей пробы вставляют сухую чистую бутылку.
2.12.7. При
составлении объединенной пробы каждую точечную пробу перемешивают, берут
необходимый объем и сливают в один сосуд.
Объединенную пробу
составляют сразу после отбора проб.
2.13. Отбор проб из
трубопровода
2.13.1.
Общие требования
2.13.1.1. Пробу
нефти или нефтепродукта из трубопровода отбирают стационарным пробоотборником.
Схема отбора проб из трубопровода приведена на черт.
18а и 18б.
Параметры диспергатора (черт. 19) приведены в Приложении 3.
(Измененная
редакция, Изм. N
1, Поправка).
2.13.1.2. Пробу из
трубопровода отбирают только в процессе перекачивания при скорости жидкости на
входе в пробозаборное устройство, равной средней
линейной скорости жидкости в трубопроводе в том же направлении.
2.13.1.3.
Допускается отбирать пробу при скорости жидкости на входе в пробозаборное
устройство не менее половины или не большей чем в два раза средней линейной
скорости жидкости в трубопроводе.
2.13.1.4. Пробозаборное устройство устанавливают внутри трубопровода
в однородном потоке (содержание воды, солей и механических примесей одинаково
по поперечному сечению) жидкости на вертикальном или горизонтальном участке
трубопровода при высокой линейной скорости движения жидкости, после насоса или
перемешивающего устройства.
2.13.1.5. На
вертикальном участке трубопровода пробозаборное
устройство устанавливают в конце участка по направлению движения жидкости на
расстоянии половины диаметра трубопровода до начала его изгиба, если участок
трубопровода только восходящий или только нисходящий.
Пробозаборное устройство устанавливают в конце второго участка по направлению
движения жидкости на расстоянии половины диаметра трубопровода до начала его
изгиба, если трубопровод имеет восходящий и нисходящий вертикальные участки,
расположенные рядом.
Длина только
восходящего или только нисходящего вертикального участка трубопровода или
суммарная длина вертикальных участков, расположенных рядом, должна быть не
менее шести диаметров трубопровода.
2.13.1.6. На
горизонтальном участке трубопровода узел выхода пробозаборного
устройства располагают сверху.
2.13.1.7.
На вертикальном или горизонтальном участке трубопровода, по которому течет
однородный поток нефти или нефтепродукта, устанавливают пробозаборное
устройство в виде одной трубки с загнутым концом независимо от диаметра
трубопровода. Загнутый конец трубки располагают по оси трубопровода навстречу
потоку (черт. 14).
2.13.1.8.
При неоднородном потоке жидкости устанавливают вертикально по диаметру
трубопровода пробозаборное устройство щелевого типа с
одним или пятью отверстиями (см. черт. 15а, 15б), ориентированными навстречу
потоку.
Допускается
устанавливать пробозаборное устройство в виде пробозаборных трубок с загнутыми концами, направленными
навстречу потоку:
одна - при диаметре
до 100 мм;
три - при диаметре
от 100 до 400 мм;
пять - при диаметре
свыше 400 мм.
(Измененная
редакция, Изм. N 1).
2.13.1.9. Пробозаборное устройство, состоящее из одной пробозаборной трубки, устанавливают в соответствии с п.
2.13.1.7.
2.13.1.10. В пробозаборном устройстве из пяти трубок открытые загнутые
концы трубок устанавливают по вертикальному сечению трубопровода (черт. 15)
следующим образом:
одну трубку
диаметром
- на оси трубопровода;
две трубки
диаметром
- по обе стороны горизонтальной оси по
вертикали на расстоянии 0,4 радиуса трубопровода;
две трубки
диаметром
- по обе стороны горизонтальной оси по
вертикали на расстоянии 0,8 радиуса трубопровода.
Соотношение
диаметров трубок
должно быть 6:10:13.
2.13.1.11. В пробозаборном устройстве из трех трубок открытые загнутые
концы трубок устанавливают следующим образом:
одну трубку - на
оси трубопровода;
две трубки - по обе
стороны горизонтальной оси по вертикали на расстоянии 0,66 радиуса
трубопровода.
Трубки должны быть
одинакового диаметра.
2.13.1.12. При
отборе проб нефтепродуктов, полученных смешением на потоке, пробозаборное
устройство должно быть на расстоянии не менее 25 диаметров трубопровода вниз по
потоку от места ввода последнего компонента, чтобы обеспечить перемешивание
всех компонентов и получение пробы из однородного потока.
2.13.1.13. При
отборе пробы подогретой высоковязкой нефти или нефтепродукта для предотвращения
затвердевания необходимо обеспечить теплоизоляцию или обогрев пробоотборника и
его соединений.
2.13.1.14.
Пробоотборник располагают как можно ближе к пробозаборному
устройству и заполняют пробой не более чем на 90% его вместимости.
2.13.1.15. Пробу
легкоиспаряющейся нефти или нефтепродукта из пробосборника
не переливают. Пробосборник отсоединяют и заменяют
другим.
Пробу нефти и
нефтепродукта с давлением насыщенных паров не более 40 кПа (300 мм рт. ст.)
после тщательного перемешивания в плотно закрытом пробосборнике допускается переливать из пробосборника
в пробоприемник с соответствующей этикеткой.
2.13.1.16. При
присоединении или отсоединении пробосборника или
переливании пробы в пробосборник не допускается
загрязнение пробы.
2.13.1.17. Пробозаборное устройство щелевого типа состоит из
стабилизатора (черт. 20) и пробозаборной трубки.
Конструкция устройства с одним отверстием приведена на
черт. 15а, с пятью отверстиями - на черт. 15б. Параметры стабилизатора
рассчитывают согласно алгоритму (Приложение 4).
(Введен
дополнительно, Изм. N 1).
2.13.2.
Автоматический отбор проб из трубопровода
2.13.2.1.
Объединенная проба составляется автоматически из точечных проб, объем которых
устанавливают от 1 до 10 см3. Минимальное число точечных проб должно быть не
менее 300. Объем и число точечных проб определяются временем и объемом
перекачивания. Объем объединенной пробы должен быть не менее 3000 см3.
Регулятор
автоматического пробоотборника должен быть опломбирован.
2.13.2.2. Для
отбора пробы автоматическим пробоотборником необходимо обеспечить постоянное
движение части перекачиваемой нефти или нефтепродукта через пробозаборное
устройство по обводной линии от основного трубопровода (по контуру отбора
проб). Пробу отбирают из контура отбора проб без прекращения этого движения.
2.13.2.3. При
отборе проб нефти или нефтепродукта автоматическим пробоотборником должен быть
предусмотрен также ручной отбор проб из контура отбора (черт. 18). При
отсутствии движения по контуру отбора пробу отбирают после слива нефти или
нефтепродукта в другой сосуд в объеме, равном трехкратному объему нефти или
нефтепродукта, заполняющего всю пробоотборную систему
до крана, из которого производится слив пробы.
2.13.3. Ручной
отбор проб нефти или нефтепродукта из трубопровода
2.13.3.1. Ручным
пробоотборником отбирают только точечную пробу.
2.13.3.2.
Точечные пробы отбирают через равные объемы перекачивания нефти или
нефтепродукта или через равные промежутки времени.
2.13.3.3. При
производительности перекачивания не более 500 м3/ч точечные пробы отбирают
через каждые 500 м3. Объединенную пробу составляют смешением одинаковых по
объему точечных проб.
2.13.3.4. При
производительности перекачивания более 500 м3/ч точечные пробы отбирают не реже
чем через каждый час. Объединенную пробу составляют смешением точечных проб,
пропорциональных объему нефти или нефтепродукта, перекачиваемого за это время.
2.13.3.5. При
периодических перекачиваниях пробы отбирают по пп.
2.13.3.2 - 2.13.3.4, но не менее трех точечных проб через равные объемы
перекачивания или равные интервалы времени.
2.13.3.6.
Точечную пробу легкоиспаряющейся нефти или нефтепродукта отбирают герметично в
пробоотборник закрытого типа по п. 1.5.4.
При применении пробоприемника с выравненным давлением его подключают к пробоотборному крану, создают необходимое противодавление,
плавно заполняют пробой, закрывают вентили на пробоприемнике,
затем пробоотборный кран и отсоединяют пробоприемник.
Пробоприемник, применяемый с рассолом перед отбором пробы,
полностью заполняют рассолом и закрывают вентили. Температура рассола должна
быть не выше температуры отбираемой нефти или нефтепродукта. Соединяют кран или
вентиль пробоприемника с краном для слива пробы на
трубопроводе и открывают все вентили на входной стороне пробоприемника.
Открывают донный или выходной вентиль плавно, чтобы рассол медленно вытеснялся
пробой, входящей в пробоприемник. Регулируют поток
так, чтобы давления в пробоприемнике и трубопроводе были
равными. Закрывают выходной вентиль, как только нефть или нефтепродукт начнет
выходить из выходного отверстия пробоприемника, затем
последовательно закрывают входной вентиль пробоприемника
и кран для слива пробы на трубопроводе и отсоединяют пробоприемник.
Пробоприемник с накоплением пробы вытеснением воздуха устанавливают вертикально и
подсоединяют к пробоотборному крану через нижний
вентиль. Открывают вентили на пробоприемнике, затем пробоотборный кран и пропускают через пробоприемник
отбираемую нефть или нефтепродукт в трехкратном объеме
пробоприемника. В конце промывки закрывают вентили на
пробоприемнике, пробоотборный
кран и отсоединяют пробоприемник.
При отборе пробы
нефти и нефтепродукта для определения содержания воды и солей применяют пробоприемники с накоплением пробы вытеснением воздуха.
В качестве пробоприемника с применением рассола или воздуха используют
пробоотборник типа ПГО по ГОСТ 14921. При давлении насыщенных паров нефти или
нефтепродукта не более 67 кПа (500 мм рт. ст.) допускается применять бутылку с
двумя трубками в пробке.
2.13.3.7. Пробу
нефти или нефтепродукта с давлением насыщенных паров не более 40 кПа (300 мм
рт. ст.) допускается отбирать в сосуд открытого типа. Регулируют кран для слива
на трубопроводе так, чтобы из него вытекала непрерывная равномерная струя,
которую направляют в пробоприемник по трубке,
доходящей до его днища.
2.13.4. Отбор проб
нефти и нефтепродуктов из трубопроводов для анализа поточными автоматическими
приборами (анализаторами качества)
2.13.4.1. Пробу нефти
или нефтепродукта отбирают пробозаборным устройством
щелевого типа или в виде пробозаборных трубок с
загнутыми концами в соответствии с п. 2.13.1.8. Пробозаборное
устройство обоих типов должно обеспечить расход нефти, необходимый для работы
анализатора качества.
(Измененная
редакция, Изм. N 1).
2.13.4.2. При
применении анализатора качества непрерывного действия показатели качества нефти
или нефтепродукта определяются мгновенно при
непрерывном прокачивании пробы через пробозаборное устройство.
При применении
анализатора качества дискретного действия показатели качества нефти или
нефтепродукта определяются за определенный промежуток времени.
2.13.4.3.
Анализатор качества следует устанавливать после насоса и диспергатора
(черт. 18а) и после насоса (черт. 18б) в контуре.
(Поправка).
2.13.4.4. При
выборе и установке анализатора качества, отборе и анализе пробы нефти или
нефтепродукта должны быть выполнены следующие требования:
отбор проб нефти
или нефтепродукта должен соответствовать п. 2.13.1;
показатели качества
нефти или нефтепродукта должны определяться при параметрах основного потока,
которые могут повлиять на эти показатели (температура, давление, скорость). При
невыполнении этих условий на результат измерения должны быть введены
соответствующие поправки.
2.14. Отбор проб
нефтепродуктов из бочек, бидонов, канистр и другой транспортной тары
2.14.1. От единицы
транспортной тары отбирают одну точечную пробу нефтепродукта.
Объединенную пробу
упакованного нефтепродукта составляют смешением точечных проб, отобранных в
соответствии с табл. 2.
Таблица 2
─────────────────────────────────────────────┬─────────────────────────────
Количество тары n │ Количество точечных проб
m
─────────────────────────────────────────────┼─────────────────────────────
От 1 до
3 включ. │ Все
"
4 " 64 " │ 4
"
65 " 125 " │ 5
"
126 " 216 " │ 6
"
217 " 343 " │ 7
"
344 " 512 " │ 8
"
513 " 729 " │ 9
"
730 " 1000 " │ 10
" 1001 " 1331 " │ 11
" 1332 " 1728 " │ 12
" 1729 " 2197 " │ 13
" 2198 " 2744 " │ 14
" 2745 " 3375 " │ 15
" 3376 " 4096 " │ 16
" 4097 " 4913 " │ 17
" 4914 " 5832 " │ 18
" 5833 " 6859 " │ 19
" 6860 " 8000 " │ 20
│ 3 _
Свыше
8000
│ m <*> = \/n
--------------------------------
<*> Значение
округляют до целых чисел.
2.14.2. Отбор проб
проводят в месте, защищенном от пыли и атмосферных осадков.
Жидкий нефтепродукт
перед отбором пробы из тары перемешивают. Содержимое бочки необходимо
перемешать перекатыванием в течение 5 мин. Содержимое бидона, банки, бутыли
перемешивают в течение 5 мин тщательным встряхиванием или с помощью специальной
мешалки. Поверхность вокруг пробок, крышек и дна перед открыванием очищают.
2.14.3. Пробоотборную трубку для отбора точечной пробы жидкого
нефтепродукта опускают до дна тары, затем верхнее отверстие закрывают пальцем и
извлекают трубку из тары. Пробу сливают, открывая закрытый конец трубки.
Объединенную пробу жидкого нефтепродукта составляют смешением точечных проб в
соответствии с табл. 2.
2.14.4. Точечную
пробу мазеобразного нефтепродукта отбирают щупом поршневым или винтообразным, с
продольным вырезом или прямым без выреза.
На месте погружения
щупа удаляют верхний слой нефтепродукта толщиной 25 мм.
Винтообразный щуп
опускают, ввинчивая в нефтепродукт, до дна тары, затем извлекают и лопаточкой
снимают с него пробу.
Поршневой щуп
опускают вдавливанием в нефтепродукт до дна тары и, поворачивая на 180°,
прорезают нефтепродукт проволокой, припаянной к нижнему концу щупа, затем щуп
извлекают и поршнем выдавливают из него пробу.
Щуп с продольным
вырезом опускают, ввинчивая в нефтепродукт, до дна тары, а затем извлекают и
освобождают из него пробу шпателем, вставленным в верхнюю часть прорези,
перемещая его вниз.
Прямой щуп без
выреза погружают до дна тары с расплавленным битумом, затем извлекают и ножом
соскабливают с него пробу.
Слой нефтепродукта
толщиной 5 мм в верхней части щупа не включают в пробу.
Объединенную пробу
мазеобразного нефтепродукта составляют смешением точечных проб без их
расплавления.
2.14.5.
Точечную пробу твердых плавких нефтепродуктов из бочки и мешка, заполненного
наливом, отбирают в виде куска с помощью ножа, зубила, долота, топора, колуна.
Точечную пробу из
ящика или мешка, заполненного плитками или кусками, берут в виде одной плитки
или одного куска.
Объединенную пробу
для плавкого нефтепродукта, упакованного в мешки или бочки, составляют,
откалывая от каждого отобранного куска или плитки по одному куску примерно
равного размера и перемешивая их, не расплавляя.
2.14.6. Точечную
пробу нефтепродукта, находящегося в расплавленном состоянии в бочках, отбирают
и составляют объединенную пробу по п. 2.14.3 или 2.14.5.
2.14.7. Точечную
пробу порошкообразного нефтепродукта из мешка, пакета или контейнера отбирают
щупом (черт. 13), погружая его на всю толщину нефтепродукта.
Объединенную пробу
составляют смешением точечных проб.
2.15. Отбор проб
неупакованных нефтепродуктов
2.15.1. Точечные
пробы формованного в виде отливок (болванок) твердого плавкого нефтепродукта
отбирают из каждой сотни отливок в виде куска отливки, но не менее 10 кусков от
партии.
2.15.2. Точечные
пробы неформованного твердого плавкого нефтепродукта отбирают от каждой тонны
лопатой в виде куска, но не менее 10 кусков от партии.
2.15.3.
Объединенную пробу формованного или неформованного твердого плавкого
нефтепродукта составляют, откалывая от каждого отобранного куска по три кусочка
примерно равных масс и перемешивая их, не расплавляя.
2.15.4. Точечную
пробу твердого неплавкого нефтепродукта отбирают массой 1 - 2 кг лопатой или
совком при формировании штабеля из разных мест ковша, скребка, контейнера и
т.д. Куски размером более 250 мм в пробу не включают.
Объединенную пробу
составляют из точечных проб, количество которых указано в табл. 3.
Таблица 3
───────────────────────┬──────────────────────────┬────────────────────────
Объем ковша, скребка, │ Порядковый номер
ковша, │ Количество точечных
контейнера и т.д., м3 │скребка,
контейнера и т.д.│ проб,
отбираемых из
│ │ одного ковша,
скребка,
│ │ контейнера и т.д.
───────────────────────┼──────────────────────────┼────────────────────────
До 3 включ. │Каждый 4-й │ 2
Св.
3 " 5 " │ "
3-й │ 3
"
5 │ "
2-й │ 4
Объединенную пробу
твердого неплавкого нефтепродукта измельчают до кусков размером не более 25 мм
не позднее чем через 1 сут. Измельченную пробу
тщательно перемешивают, затем рассыпают на листе из нержавеющего материала
ровным слоем в форме квадрата и делят по диагонали на четыре треугольника.
Нефтепродукт из любых двух противоположных треугольников отбрасывают, из
оставшихся смешивают, повторно измельчают до кусков размером 5 - 10 мм и
перемешивают. Повторным квартованием и перемешиванием
массу объединенной пробы доводят до 2 - 3 кг.
3.
ТРЕБОВАНИЯ БЕЗОПАСНОСТИ
3.1. При выполнении
работ по отбору проб следует соблюдать правила техники безопасности и пожарной
безопасности при обращении с нефтью и нефтепродуктами.
3.2.
Содержание вредных веществ в воздухе рабочей зоны не должно превышать предельно
допустимых концентраций (ПДК), установленных в ГОСТ 12.1.005.
Состояние воздуха
рабочей зоны контролируют в соответствии с требованиями ГОСТ 12.1.005.
3.3. Переносные
пробоотборники должны быть изготовлены из материала, не образующего искр при
ударе (алюминия, бронзы, латуни и др.).
3.4. Пробу нефти
или нефтепродукта пробоотборщик отбирает в присутствии наблюдающего (дублера).
3.5. При отборе
проб пробоотборщик должен стоять спиной к ветру в целях предотвращения вдыхания
паров нефти или нефтепродукта.
3.6. Отбор
проб в колодцах, приямках и других углублениях пробоотборщик должен выполнять в
шланговом самовсасывающем противогазе ИШ-13 по ГОСТ 12.4.034.
3.7. Отбор
проб нефти или нефтепродукта в газоопасных местах, а также сероводородосодержащих
нефтей и нефтепродуктов пробоотборщик должен
выполнять в фильтрующем противогазе ФУ-13 марок А, В,
Г, КД и других по ГОСТ 12.4.034.
3.8. В местах
отбора проб должны быть установлены светильники во взрывозащищенном исполнении.
При отборе проб в неосвещенных местах следует пользоваться переносными
светильниками во взрывозащищенном исполнении. Переносные светильники включают и
выключают за земляным валом или ограждением резервуарного парка.
3.9. Отбор
проб проводят в специальной одежде и обуви, изготовленных из материалов, не
накапливающих статическое электричество, в соответствии с требованиями ГОСТ
12.4.124.
3.10. Для крепления переносного пробоотборника используют гибкие, не
дающие искр, металлические тросики. При применении шнуров (веревок и
т.д.) из неэлектропроводных материалов на их поверхности должен быть закреплен
многожильный, не дающий искр, неизолированный металлический проводник,
соединенный с пробоотборником. Перед отбором проб тросик или проводник должен
заземляться с элементами резервуара или транспортного средства.
3.11. Пробу нефти
или нефтепродукта из резервуара следует отбирать не ранее чем через 2 ч после
окончания заполнения.
Из танка морского
наливного судна допускается отбирать пробу через 30 мин после окончания налива
танка.
Из железнодорожной
цистерны допускается отбирать пробу через 10 мин после окончания заполнения.
3.12. Запрещается
отбирать пробы нефти или нефтепродукта на открытом воздухе во время грозы.
3.13. Пробы
этилированного бензина пробоотборщик должен отбирать в рукавицах из материала с
водоупорной пропиткой или маслобензостойкого
материала по ГОСТ 12.4.010, в кожаных ботинках и в защитной одежде по ГОСТ
12.4.111 и ГОСТ 12.4.112.
3.14. Пробу
расплавленного битума отбирают в рукавицах по ГОСТ 12.4.010 и защитных очках по
ГОСТ 12.4.013 <*>.
--------------------------------
<**> На
территории Российской Федерации действует ГОСТ Р
12.4.230.1-2007 (ЕН 166-2002)-97.
3.15. Пробу
твердого неплавкого нефтепродукта отбирают и измельчают в противопылевых
респираторах марок РП-К, Ф-62Ш и У-2к и рукавицах по ГОСТ 12.4.010.
Места измельчения
пробы должны быть оборудованы местной вентиляцией.
4.
УПАКОВКА, МАРКИРОВКА И ХРАНЕНИЕ ПРОБ
4.1. Перед
упаковыванием пробу нефти или нефтепродукта перемешивают.
Пробу разливают в
чистые сухие стеклянные бутылки. Бутылку заполняют не более чем на 90%
вместимости.
Пробу мазеобразного
нефтепродукта помещают в чистую сухую стеклянную, жестяную или полиэтиленовую
банку.
Пробу твердого
нефтепродукта упаковывают в целлофан, полиэтиленовую пленку, плотную бумагу,
обеспечивающую сохранность пробы, или помещают в ведерко с бумажным пакетом.
4.2. Объединенную
пробу нефти или нефтепродукта делят на две равные части. Одну часть пробы
анализируют, другую - хранят опечатанной на случай разногласий в оценке
качества нефти или нефтепродукта.
При
транспортировании на судах объединенную пробу нефти или нефтепродукта делят на
части с учетом числа получателей. Одну часть пробы анализируют, другую - хранят
на случай разногласий в оценке качества нефти или нефтепродукта, остальные
передают получателям.
Для нефти или
нефтепродукта, предназначенного для экспорта и отгружаемого в железнодорожных
цистернах или по нефтепродуктопроводу, объединенную пробу делят на три части.
Одну часть анализируют, остальные хранят на случай разногласий в оценке
качества.
При отгрузке нефти
или нефтепродукта для экспорта морскими судами объединенную пробу делят на пять
частей. Одну часть анализируют, две части хранят на случай разногласий в оценке
качества. Две оставшиеся части передают капитану судна. Одну из них хранят на
судне, другую передают получателю.
4.3. Бутылки с
пробами должны быть герметично закупорены пробками или винтовыми крышками с
прокладками, не растворяющимися в нефти или нефтепродукте, банки должны быть
плотно закрыты крышками. Горловину закупоренной бутылки или банки обертывают
полиэтиленовой пленкой или другим плотным материалом, обеспечивающим
сохранность пробы, и обвязывают бечевкой, концы которой продевают в отверстие в
этикетке. Концы бечевки пломбируют или заливают сургучом на пластине из
плотного картона или дерева и опечатывают. Допускается приклеивать этикетку к
бутылке, банке, пакету.
4.4. На этикетке
должны быть указаны:
номер пробы по
журналу учета;
наименование нефти
или марка нефтепродукта;
наименование
предприятия-поставщика;
номер резервуара и
высота налива;
номер партии,
единицы транспортной тары, цистерны;
наименование судна
и номер танка и т.д., из которого отобрана проба;
дата, время отбора;
срок хранения
пробы;
обозначение
стандарта или технических условий на нефть или нефтепродукт;
должность и фамилии
лиц, отобравших и опечатавших пробу.
4.5. Пробы нефти
или нефтепродукта хранят в помещении, отвечающем противопожарным требованиям,
предъявляемым к кладовым легковоспламеняющихся и горючих жидкостей. Пробы нефти
или нефтепродукта с нормированным давлением насыщенных паров хранят при
температуре не выше 20 °C.
4.6. Пробы хранят в
шкафу или ящике с гнездами из несгораемого материала.
4.7. На случай
разногласий в оценке качества пробы нефтепродукты хранят в течение 45 сут со дня отгрузки.
Для нефтепродуктов,
предназначенных для представителя заказчика и для длительного хранения, пробу
на случай разногласий в оценке качества хранят в течение 3 мес.
4.8. Пробы нефти на
случай разногласий в оценке качества при транспортировании ее по нефтепроводу
хранят не более 25 сут, при транспортировании другими
видами транспорта - не более 45 сут.
4.9. Для нефти или
нефтепродуктов, предназначенных для экспорта, срок хранения проб на случай
разногласий в оценке качества составляет:
для нефти - 3 мес,
для нефтепродукта -
4 мес.
При отгрузке нефти
и нефтепродуктов в страны - члены СЭВ, а также в КНДР и КНР пробы хранят в
течение 6 мес.
Приложение
1
Обязательное
ТИПЫ
ПРОБООТБОРНИКОВ
Стационарный
пробоотборник
с перфорированной
заборной трубкой

1 - перфорированная
трубка; 2 - опорная стойка; 3 - кран
Черт. 1
Стационарный
пробоотборник
для отбора точечных
проб с трех уровней

1 - кран; 2 - пробозаборные трубки;
3 - несущий рычаг;
4 - поплавок
Черт. 2
Металлический
переносный пробоотборник

1 - корпус; 2 -
крышка
Черт. 3
Металлический
переносный пробоотборник

1 - корпус с
входным патрубком; 2 - крышка со штуцером
Черт. 4
Металлический
переносный пробоотборник

1 - скоба; 2 -
крышка с клапаном; 3 - корпус;
4 - шток с
клапаном; 5 - днище
Черт. 5
Бутылка в
металлическом каркасе

1 - бутылка; 2 -
металлический каркас;
3 - пробка; 4 -
замок
Черт. 6
Термостатический
пробоотборник

1 - наружный
цилиндр; 2 - внутренний цилиндр; 3 - пробка
Черт. 7
Пробоотборная трубка

1 - ножка; 2 -
трубка; 3 - ушко
Черт. 8
Винтообразный
щуп

Черт. 9
Щуп с
продольным вырезом

Черт. 10
Поршневой
щуп

1 - шток с поршнем;
2 - корпус из тонкостенной трубки;
3 - проволока
Черт. 11
Щуп прямой
без выреза

Черт. 12
Щуп для
отбора проб порошкообразных нефтепродуктов

1 - наружная
трубка; 2, 3 - ручки; 4 - внутренняя трубка
Черт. 13
Схема
расположения пробозаборного устройства
в виде одной трубки

Черт. 14
Схема
расположения трубок пробозаборного устройства
по сечению
трубопровода

1 - вентиль; 2 - пробозаборная трубка; 3 - трубопровод
Черт. 15
Пробозаборное устройство
щелевого типа с одним отверстием

1 - отверстие; 2 -
трубка; 3 - стабилизатор; 4 - крышка;
5 - штуцер; 6 -
трубопровод; 7 - монтажный патрубок
Черт. 15а
Примечание.
Параметры
и
определяют по табл. 1 Приложения 2.
Пробозаборное устройство
щелевого типа с пятью отверстиями

-
- отверстия; 2 - трубка; 3 - стабилизатор;
4 - крышка; 5 -
штуцер; 6 - трубопровод;
7 - монтажный
патрубок
Черт. 15б
Примечание.
Параметры
и
определяют по табл. 2 Приложения 2.
Пробоотборник
с выравненным давлением

1 -
предохранительный клапан; 2 - шток поршня;
3 - указатель
положения поршня; 4 - поршень;
5 - перепускное
устройство
Черт. 16
Схема
отбора проб из трубопровода
с применением
пробоотборника с выравненным давлением

1 - трубопровод; 2
- пробозаборное устройство; 3 - насос;
4 - запорное
устройство; 5 - регулятор; 6 - пробоотборник;
7 - обратный клапан
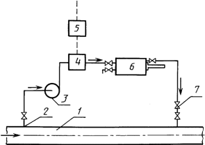
Черт. 17
Схема
отбора проб нефти из трубопровода
при помощи пробозаборных устройств щелевого типа

1 - трубопровод; 2
- пробозаборное устройство;
3, 8 - пробозаборники; 4 - кран для ручного отбора проб;
5 - насос; 6 -
регуляторы; 7 - запорное устройство;
9 - обратный
клапан; 10 - диспергаторы
Черт. 18а
Схема
отбора проб нефти и нефтепродуктов
из трубопроводов

1 - трубопровод; 2
- пробозаборное устройство;
3, 8 - пробозаборники; 4 - кран для ручного отбора проб;
5 - насос; 6 -
регулятор; 7 - запорное устройство;
9 - обратный клапан
Черт. 18б
Диспергатор

1 - корпус; 2 -
фланец; 3 - кавитирующая втулка;
4 и 5 -
соответственно канавки и выступы;
6 - пробозаборная трубка
Черт. 19
Примечание.
Параметры диспергатора указаны в Приложении 3.
Стабилизатор

Черт. 20
Примечание.
Параметры
и
стабилизатора определяются по алгоритму,
приведенному в Приложении 4.
Приложение 1. (Измененная редакция, Изм. N 1).
Приложение
2
Обязательное
ПАРАМЕТРЫ
ПРОБОЗАБОРНЫХ ТРУБОК ЩЕЛЕВОГО ТИПА
Таблица 2
Пробозаборная трубка с пятью
отверстиями (черт. 15б)
Размеры
в миллиметрах
┌───────┬──┬───┬──────────────────────────────────────────────────────────────────────────┐
│Отвер- │j │ b │ h
при внутреннем диаметре пробозаборной трубки
D │
│стие N │
│ j│ j
1 │
│(черт. │ │
├───────┬───────────────────┬───────┬───────────────┬─────────────────┬────┤
│15б)
│ │ │9, 10, │ 15, 16, 17, 18 │24, 25 │30, 31, 32, 33
│ 32, 33, 34 │ 38,│
│ │
│ │12, 13
│ │ │ │ │ 40 │
│ │
│
├───────┴───────────────────┴───────┴───────────────┴─────────────────┴────┤
│ │
│ │ Условный диаметр D трубопровода │
│ │
│ │ у │
│ │
│
├───┬───┬───┬───┬───┬───┬───┬───┬───┬───┬───┬───┬───┬───┬───┬────┬────┬────┤
│ │
│
│100│125│150│175│200│225│250│300│350│400│500│600│700│800│900│1000│1200│1400│
├───────┼──┼───┼───┼───┼───┼───┼───┼───┼───┼───┼───┼───┼───┼───┼───┼───┼───┼────┼────┼────┤
│ 1
│2 │ 3 │ 4 │ 5 │ 6 │ 7 │ 8
│ 9 │10 │11 │12 │13 │14 │15 │16
│17 │18 │ 19 │ 20 │ 21 │
├───────┼──┼───┼───┼───┼───┼───┼───┼───┼───┼───┼───┼───┼───┼───┼───┼───┼───┼────┼────┼────┤
│Отверс-│1 │4,0│ 0 │ 0 │ 0
│ 0 │ 0 │ 0 │ 0 │ 0 │ 0 │ 0 │ 0
│ 0 │ 0 │ 0 │ 0 │ 0 │ 0
│ 0 │
│тие 1 │2
│4,0│ 3 │ 3 │ 3 │ 3 │ 3 │ 3 │ 3
│ 3 │ 3 │ 3 │ 3 │ 3 │ 3 │ 3 │ 3
│ 3 │ 3 │ 3
│
│ 1 │3
│1,2│3,1│3,1│3,1│3,1│3,1│3,1│3,1│3,1│3,1│3,1│3,1│3,1│3,1│3,1│3,1│3,1
│3,1 │3,1 │
│ │4 │1,5│ 5 │ 5
│ 6 │ 7 │ 7 │ 8 │ 8 │ 9 │ 10│
11│ 13│ 15│ 17│ 20│ 21│ 24 │ 28
│ 32 │
│ │5 │1,9│ 8 │
10│ 11│ 13│ 15│ 16│ 18│ 21│ 24│
27│ 33│ 39│ 45│ 52│ 58│ 64 │ 77
│ 89 │
│ │6 │2,5│11 │
14│ 16│ 20│ 22│ 25│ 27│ 32│ 40│
41│ 52│ 62│ 72│ 82│ 92│103 │
123│ 143│
│ │7 │3,3│16 │
20│ 24│ 29│ 33│ 36│ 40│ 48│ 55│
62│ 78│ 93│109│125│141│156 │
188│ 219│
├───────┼──┼───┼───┼───┼───┼───┼───┼───┼───┼───┼───┼───┼───┼───┼───┼───┼───┼────┼────┼────┤
│Отверс-│8 │3,3│25 │ 31│
37│ 45│ 52│ 58│ 65│ 77│
90│102│129│153│176│202│227│252
│ 303│ 354│
│тие 1 │9
│3,2│31 │ 39│ 47│ 57│ 65│ 73│
82│
98│113│128│164│194│223│255│288│320
│ 385│ 449│
│ 2 │10│3,0│37 │ 46│
56│ 68│ 78│ 88│
99│118│137│155│198│235│270│309│349│388
│ 466│ 544│
├───────┼──┼───┼───┼───┼───┼───┼───┼───┼───┼───┼───┼───┼───┼───┼───┼───┼───┼────┼────┼────┤
│Отверс-│11│2,9│43 │ 55│
66│ 81│
93│104│117│140│162│184│235│279│321│368│414│461
│ 554│ 648│
│тие 1
│12│2,9│46 │ 59│ 71│ 87│
99│111│125│150│174│197│252│299│344│394│444│494
│ 594│ 694│
│ 3 │13│2,8│49 │
62│ 76│
92│105│118│133│159│185│210│269│319│367│420│474│527
│ 634│ 740│
├───────┼──┼───┼───┼───┼───┼───┼───┼───┼───┼───┼───┼───┼───┼───┼───┼───┼───┼────┼────┼────┤
│Отверс-│14│2,8│59 │ 75│
91│110│125│141│159│190│220│250│321│381│438│502│566│629
│ 757│ 884│
│тие 1
│15│2,7│61 │ 78│
95│116│133│149│168│201│234│266│340│404│465│533│600│668
│ 803│ 939│
│ 4 │16│2,6│64 │
82│
99│123│141│158│178│213│247│281│360│427│492│563│635│707
│ 850│ 993│
├───────┼──┼───┼───┼───┼───┼───┼───┼───┼───┼───┼───┼───┼───┼───┼───┼───┼───┼────┼────┼────┤
│Отверс-│17│2,6│80
│104│125│154│176│198│223│268│311│354│453│538│619│710│800│890
│1071│1252│
│тие 1
│18│2,4│82 │105│128│157│180│202│228│273│317│360│462│548│631│723│816│908
│1092│1276│
│ 5 │19│2,3│85
│109│132│160│183│206│232│278│323│367│471│559│643│737│831│925
│1113│1301│
├───────┴──┴───┴───┴───┴───┴───┴───┴───┴───┴───┴───┴───┴───┴───┴───┴───┴───┴────┴────┴────┤
│ Примечания. 1.
Допускаемое отклонение ширины
отверстия I - I │
│
1 5 │
│от
расчетной - не более 0,1 мм, высоты: │
│ 0,2 мм - при 40 < D < 100;
│
│ у
│
│ 0,4 мм - при 100 < D < 350; │
│ у
│
│ 0,8 мм - при 350 < D < 600;
│
│ у │
│ 1,5 мм - при 600 < D < 1400.
│
│ у
│
│ 2.
Допускается зазор между
нижней точкой пробоотбора и нижней │
│образующей
трубопровода не более 5 мм.
│
│ 3.
Участки сопряжения верхних
и нижних границ
щелевых отверстий
│
│с
боковыми границами допускается выполнять
по линии с радиусом кривизны │
│0,2
- 1,0 ширины участков сопряжения указанных границ. │
└─────────────────────────────────────────────────────────────────────────────────────────┘
Приложение
3
Обязательное
ПАРАМЕТРЫ
ДИСПЕРГАТОРА (ЧЕРТ. 19)
Размеры в миллиметрах
───┬────┬─────────┬────┬───┬───┬───┬─────┬─────────┬──┬──┬──┬───┬───┬──┬───
d │ d
│(d - d )│
d │ d │ d │ d
│ L │(L
- L )│L │l │l │ l │ l │h │ b
1│
2 │ 3 2 │
4 │ 5│ 6│
7│ │ 1 3
│ 2│ 1│ 2│
3│ 4│ │
───┼────┼─────────┼────┼───┼───┼───┼─────┼─────────┼──┼──┼──┼───┼───┼──┼───
40
│15 -│ 3 - 5 │25 -│ 9 │ 3 │ 6
│200 -│ 1,8 - 2 │50│5 │5 │0 -│0
-│3 │23
│
20│ │ 30│
│ │ │
220│ │ │
│ │ 5│
5│ │
───┼────┼─────────┼────┼───┼───┼───┼─────┼─────────┼──┼──┼──┼───┼───┼──┼───
50
│25 -│ 3 - 5 │35 -│ 9 │ 3 │ 6
│200 -│ 1,8 - 2 │50│5 │5 │0 -│0
-│3 │23
│ 30│ │ 40│
│ │ │
220│ │ │
│ │ 5│
5│ │
Примечания. 1.
Допускается:
b = 13 мм при
условном давлении в обводной линии не более 1,6 МПа;
b = 17 мм при
условном давлении в обводной линии не более 4,0 МПа.
2. При диаметре
обводной линии менее 40 мм для монтажа диспергатора
на обводной линии устанавливают переходы на диаметр, равный
.
Приложение
4
Обязательное
РАСЧЕТ
ПАРАМЕТРОВ СТАБИЛИЗАТОРА
ЩЕЛЕВОГО
ПРОБОЗАБОРНОГО УСТРОЙСТВА
Поверхность C
стабилизатора (черт. 20) выполняется по точкам, проекция которых на плоскость
является параболой второй степени с
параметрами
и
(k = 1, ..., 11), мм, определяемыми по
формулам:
- для трубопровода,
условный диаметр
которого равен или больше 350 мм:
(1)
где
- внутренний диаметр пробозаборной
трубки, мм, индекс k изменяется от 1 до 11;
- для трубопровода,
условный диаметр
которого меньше 350 мм:
(2)
Примечания. 1.
Диаметр
пробозаборной трубки
выбирают в зависимости от диаметра
трубопровода (Приложение 2, табл. 1 - 2).
2. Высота стабилизатора
(совпадающая со значением
) может
отличаться от расчетной не более чем на 3 мм.
3. Допуск на
шероховатость Ra поверхности C стабилизатора: Ra < 0,1 мм.
Пример 1.
Рассчитать параметры
и
поверхности C стабилизатора при условном
диаметре
трубопровода, равном 700 мм, внутреннем
диаметре
пробозаборной
трубки, равном 32 мм.
Поскольку
, для
определения параметров
и
пользуемся формулами (1). Результаты расчетов
сводим в табл. 1.
Таблица 1
─────┬────┬────┬────┬────┬────┬─────┬─────┬─────┬─────┬─────┬─────
k
│ 1 │ 2 │ 3
│ 4 │ 5 │
6 │ 7
│ 8 │
9 │ 10 │ 11
─────┼────┼────┼────┼────┼────┼─────┼─────┼─────┼─────┼─────┼─────
y
│0,0 │12,2│24,4│36,6│48,8│61,0
│73,2 │85,4 │97,6 │109,8│122,0
k │
│ │ │
│ │ │
│ │ │
│
─────┼────┼────┼────┼────┼────┼─────┼─────┼─────┼─────┼─────┼─────
x
│31,8│22,1│18,0│14,9│12,3│10,0
│ 7,9 │ 6,0 │ 4,3 │ 2,6 │ 1,0
k │
│ │ │
│ │ │
│ │ │
│
Пример 2.
Рассчитать параметры
и
поверхности C стабилизатора при условном
диаметре
трубопровода, равном 250 мм, внутреннем
диаметре
пробозаборной
трубки, равном 17 мм.
Поскольку
, для
определения параметров
и
пользуемся формулами (2). Результаты расчетов
сводим в табл. 2.
Таблица 2
─────┬─────┬────┬─────┬────┬─────┬─────┬────┬─────┬────┬─────┬────
k │
1 │ 2 │
3 │ 4 │
5 │ 6
│ 7 │ 8
│ 9 │ 10 │ 11
─────┼─────┼────┼─────┼────┼─────┼─────┼────┼─────┼────┼─────┼────
y
│ 0,0 │8,7 │17,4 │26,1│34,8 │43,6
│52,3│61,0 │69,7│78,4 │87,0
k │
│ │ │
│ │ │
│ │ │ │
─────┼─────┼────┼─────┼────┼─────┼─────┼────┼─────┼────┼─────┼────
x
│16,8 │11,8│ 9,7 │8,1 │ 6,8 │ 5,6
│4,6 │ 3,6 │2,7 │ 1,8 │1,0
k │
│ │ │
│ │ │
│ │ │
│
Приложения 2 - 4. (Введены дополнительно, Изм. N 1).