Утвержден и введен в
действие
Постановлением
Госстроя СССР
от 13 марта 1984 г.
N 22
ГОСУДАРСТВЕННЫЙ СТАНДАРТ СОЮЗА ССР
ДВЕРИ ДЕРЕВЯННЫЕ ДЛЯ ПРОИЗВОДСТВЕННЫХ ЗДАНИЙ
ТИПЫ, КОНСТРУКЦИЯ И РАЗМЕРЫ
Wood
doors for industrial buildings.
Types, construction and
dimensions
ГОСТ 14624-84
Группа Ж32
ОКП 53 6138
Взамен ГОСТ
14624-69 и
ГОСТ 17324-71
Срок введения
1 июля 1985 года
Разработан
Центральным научно-исследовательским и проектно-экспериментальным институтом
промышленных зданий и сооружений (ЦНИИпромзданий)
Госстроя СССР.
Исполнители: М.В. Чепелев (руководитель темы); В.Н. Макарцев,
канд. техн. наук; Г.И. Грязнова; В.И. Тихонович; В.К.
Юдин; Г.И. Хавалджи, канд. техн.
наук; Ю.И. Иванович; Г.В. Левушкин.
Внесен Центральным
научно-исследовательским и проектно-экспериментальным институтом промышленных
зданий и сооружений (ЦНИИпромзданий) Госстроя СССР.
Директор Ю.Н.
Хромец.
Настоящий стандарт
распространяется на деревянные внутренние и наружные двери для производственных
зданий промышленных и сельскохозяйственных предприятий.
Стандарт не
распространяется на двери специального исполнения (трудносгораемые,
несгораемые, звукоизолирующие).
1. ТИПЫ И
РАЗМЕРЫ
1.1. В зависимости
от назначения двери подразделяют на: В - внутренние; Н - наружные.
1.2. В зависимости
от конструкции двери подразделяют на следующие типы:
Г - с притвором в
четверть, с глухими полотнами;
О - с притвором в
четверть, с остекленными полотнами;
К - с остекленными качающимися полотнами.
1.3. Двери типа В изготовляют щитовыми со сплошным или мелкопустотным
(решетчатым) заполнением дверных полотен.
1.4. Двери типа Н
изготовляют со сплошными щитовыми или рамочными полотнами. Щитовые полотна
допускается изготовлять без обшивки или с реечной обшивкой.
Двери типа Н
относят к изделиям повышенной влагостойкости.
1.5. Двери типов Г
и О изготовляют правыми и левыми, с порогом и без
порога. Двери типа К изготовляют только двупольными
остекленными.
1.6. Типы и размеры
дверных блоков должны соответствовать указанным на
черт. 1 и 2. Допускается изготовление дверей с габаритными размерами в модулях
по ГОСТ 6629-74 и ГОСТ 24698-81 при конструктивном исполнении по настоящему
стандарту.
ТИПЫ И РАЗМЕРЫ
ВНУТРЕННИХ ДВЕРЕЙ
Тип Г

Тип О

Тип К

Черт. 1
Примечание. Над
схемами дверей указаны координационные размеры высоты и ширины в модулях.
ТИПЫ И РАЗМЕРЫ
НАРУЖНЫХ ДВЕРЕЙ

Черт. 2
Примечание. Над
схемами дверей указаны координационные размеры высоты и ширины в модулях.
1.7. Размеры
полотен и коробок внутренних дверей, форма, размеры элементов и сечений их
деталей должны соответствовать указанным на черт. 3,
5, 7, 8, а наружных - на черт. 4, 6, 9, 10 и 11.
РАЗМЕРЫ ПОЛОТЕН
ВНУТРЕННИХ ДВЕРЕЙ
Черт. 3
Размеры в мм
───────────────────┬─────────────────────────────┬────────────────
Схемы полотен │
Размеры полотен │ Размеры
стекол
├─────┬─────┬─────┬─────┬─────┼───────┬────────
│ H
│ B │
h │ h
│ b │Высота │ Ширина
│ │
│ │ 1 │
│ │
───────────────────┼─────┼─────┼─────┼─────┼─────┼───────┼────────
рисунок │1800 │ 800 │ │
│ │ │
├─────┼─────┼─────┼─────┼─────┼───────┼────────
│2000 │ 600
│ - │
- │ -
│ - │
-
│
├─────┤ │
│ │ │
│ │ 700 │ │
│ │ │
│
├─────┤ │
│ │ │
│ │ 900 │ │
│ │ │
───────────────────┼─────┼─────┼─────┼─────┼─────┼───────┼────────
рисунок
│2000 │ 700 │1305 │ 530 │ 480 │
1300 │ 475
│
├─────┤ │
├─────┤
├────────
│ │ 900 │ │
│ 680 │
│ 675
───────────────────┼─────┼─────┼─────┼─────┼─────┼───────┼────────
рисунок │2000 │ 700 │1305
│ 530 │ 480 │ 1300
│ 475
│
├─────┤ │
├─────┤
├────────
│ │ 900 │ │
│ 680 │
│ 675
Примечание. Сечение
полотен - на черт. 7 и 8.
РАЗМЕРЫ ПОЛОТЕН
НАРУЖНЫХ ДВЕРЕЙ
Черт. 4
Размеры в мм
───────────────────┬─────────────────────────────┬────────────────
Схемы полотен │
Размеры полотен │
Размеры стекол
├─────┬─────┬─────┬─────┬─────┼───────┬────────
│ H
│ B │
h │ h
│ b │Высота │ Ширина
│ │
│ │ 1 │
│ │
───────────────────┼─────┼─────┼─────┼─────┼─────┼───────┼────────
рисунок │2000 │ 800 │ -
│ - │
- │ -
│ -
│
├─────┼─────┼─────┼─────┼───────┼────────
│ │ 900 │ -
│ - │
- │ -
│ -
├─────┼─────┼─────┼─────┼─────┼───────┼────────
│2300 │ 800
│ - │
- │ -
│ - │
-
│
├─────┼─────┼─────┼─────┼───────┼────────
│ │ 900 │ -
│ - │
- │ -
│ -
───────────────────┼─────┼─────┼─────┼─────┼─────┼───────┼────────
рисунок │2000 │
800 │1305 │ 530 │ 580 │ 1300 │
575
│
├─────┤ │
├─────┤
├────────
│ │ 900 │ │
│ 680 │
│ 675
├─────┼─────┼─────┼─────┼─────┼───────┼────────
│2300 │ 800
│1755 │ 380 │ 580 │ 1750 │
575
│
├─────┤ │
├─────┤
├────────
│ │ 900 │ │
│ 680 │
│ 675
Примечание. Сечения
полотен - на черт. 9 - 11.
РАЗМЕРЫ КОРОБОК
ВНУТРЕННИХ ДВЕРЕЙ
Черт. 5
Размеры в мм
────────────────────────────┬────────┬────────┬────────┬──────────
Схемы коробок │ H
│ B │
H │ B
│ │ │ 1 │ 1
────────────────────────────┼────────┼────────┼────────┼──────────
рисунок │ 1871
│ 870 │
1805 │ 804
├────────┼────────┼────────┼──────────
│ 2071
│ 1272 │
2005 │ 1206
│
├────────┤ ├──────────
│ │
1472 │ │
1406
│
├────────┤ ├──────────
│ │
1872 │ │
1806
────────────────────────────┼────────┼────────┼────────┼──────────
рисунок │ 2071
│ 1472 │
2038 │ 1406
│
├────────┤ ├──────────
│ │
1872 │ │
1806
────────────────────────────┼────────┼────────┼────────┼──────────
рисунок │ 2071
│ 1498 │
2026 │ 1408
│
├────────┤ ├──────────
│ │
1898 │ │
1808
Примечание. Сечения
полотен - на черт. 7 и 8.
РАЗМЕРЫ КОРОБОК
НАРУЖНЫХ ДВЕРЕЙ
Черт. 6
Размеры в мм
────────────────────────────┬────────┬────────┬────────┬──────────
Схемы коробок │ H
│ B │
H │ B
│ │ │ 1
│ 1
────────────────────────────┼────────┼────────┼────────┼──────────
рисунок │
2085 │ 884
│ 2005 │
804
│
├────────┤ ├──────────
│ │
984 │ │ 904
├────────┼────────┼────────┼──────────
│ 2385
│ 884 │
2305 │ 804
│
├────────┤ ├──────────
│ │
984 │ │ 904
────────────────────────────┼────────┼────────┼────────┼──────────
рисунок │ 2078
│ 884 │
2038 │ 804
│
├────────┤ ├──────────
│ │
984 │ │ 904
├────────┼────────┼────────┼──────────
│ 2378
│ 884 │
2338 │ 804
│
├────────┤ ├──────────
│ │
984 │ │ 904
Примечание. Сечения
полотен - на черт. 9 - 11.
СЕЧЕНИЯ ПО
ПРИТВОРАМ ВНУТРЕННИХ ДВЕРЕЙ
По верхнему
притвору

По боковым
притворам

По нижнему притвору
с порогом

По среднему
притвору

По нижнему притвору
без порога

Черт. 7
1 - пружинная петля
ППД по ГОСТ 5088-78;
2 - монтажная доска
СЕЧЕНИЯ ПО СРЕДНИМ
ПРИТВОРАМ ВНУТРЕННИХ ДВЕРЕЙ

Нащельники показаны для правой двери,
для левой - в зеркальном изображении.
СЕЧЕНИЯ ЭЛЕМЕНТОВ
ПОЛОТЕН ПО КРОМКАМ
ВНУТРЕННИХ И
НАРУЖНЫХ ДВЕРЕЙ
Глухие двери (Тип
Г)

Остекленные двери
(Тип О)

Двери остекленные с качающимися полотнами (Тип К)

Каркас должен быть
собран на сквозной открытый шип.
Черт. 8
СЕЧЕНИЯ ДЕТАЛЕЙ
НАРУЖНЫХ ДВЕРЕЙ

Черт. 9
1 - уплотняющая
прокладка по ГОСТ 10174-72; 2 - облицовка ДВП,
СТ-500 по ГОСТ
4598-74; 3 - рейка 12 x 12 мм;
4 - прокладка из
резины толщиной 2 мм; 5 - шуруп 1-3 x 30
по ГОСТ 1144-80,
шаг 200 мм; 6 - монтажная доска
СЕЧЕНИЯ ПО СРЕДНИМ
ПРИТВОРАМ

Черт. 10
1 - уплотняющая
прокладка по ГОСТ 10174-72;
2 - облицовка ДВП,
СТ-500 по ГОСТ 4598-74
Двери щитовые с
обшивкой

Сечение со средним
притвором

Вариант с
раскладкой

Черт. 11
1 - облицовка ДВП,
Т-400 по ГОСТ 4598-74; 2 - обшивка
типа 2 по ГОСТ 8242-75;
3 - пергамин по ГОСТ 2697-83;
4 - уплотняющая
прокладка по ГОСТ 10174-72;
5 - раскладка типа
1 по ГОСТ 8242-75
Размеры проемов
приведены в справочном Приложении 1.
1.8. Устанавливают
следующую структуру условного обозначения дверей:
X X X X X X X
│ │ │
│ │ │
│ Д - Дверь
└───┼───┼───┼───┼───┼───┼─────────────────────────────────────
│ │ │
│ │ │
│ │ │
│ │ │
Назначение двери: В - внутренняя;
│ │ │
│ │
│ Н - наружная
└───┼───┼───┼───┼───┼─────────────────────────────────────
│ │ │
│ │
│ │ │
│ │ Тип двери: Г - глухая; О - остек-
│ │ │
│ │ ленная; К - качающаяся
└───┼───┼───┼───┼─────────────────────────────────────
│ │ │
│
│ │ │
│ Размер проема по
высоте, дм
└───┼───┼───┼─────────────────────────────────────
│ │ │
│ │
│ Размер проема по
ширине, дм
└───┼───┼─────────────────────────────────────
│ │
│ │
Л - левая (правая - без обозна-
│ │
чения); П - дверь с
порогом;
│ │
Буквы обозначают:
│ │
Р1 и Р2 - типы обшивки
└───┼─────────────────────────────────────
│
│ Обозначение настоящего стандарта
└─────────────────────────────────────
Пример условного
обозначения двери внутренней, глухой, для проема высотой 21 и шириной 9 дм, с правой навеской полотна, с порогом:
ДВГ 19-9 П ГОСТ 14624-84
То же, с левой
навеской полотна:
ДВГ 19-9 ЛП ГОСТ
14624-84
То же, наружной,
остекленной, для проема высотой 21 и шириной 9 дм, с
левой навеской полотна, с порогом:
ДНО 21-9 ЛП ГОСТ
14624-84
То же, двери
внутренней, с качающимися полотнами для проема высотой 24 и шириной 15 дм:
ДНК 21-15 Р1 ГОСТ 14624-84
2.
ТРЕБОВАНИЯ К КОНСТРУКЦИИ
2.1. Двери следует
изготовлять в соответствии с требованиями ГОСТ 475-78 и настоящего стандарта по
рабочим чертежам, утвержденным в установленном порядке.
2.2. Сплошное и мелкопустотное заполнение щитов полотен выполняют в
соответствии с требованиями и схемами, указанными в ГОСТ 6629-74.
Рамочные
конструкции остекленных полотен выполняют по ГОСТ 24698-81.
2.3. При повышенных
требованиях к прочности следует изготовлять глухие распашные двери со сплошным
заполнением щитов деревянными рейками, а при повышенных требованиях к тепло- и
звукоизоляции дополнительно следует уплотнять притворы прокладками по ГОСТ
10174-72 или из пористой резины по ГОСТ 7338-77.
2.4. Наружные двери
облицовывают древесно-волокнистой плитой марки СТ-500
по ГОСТ 4598-74.
Допускается
применять для облицовки щитов наружных дверей древесно-волокнистые
плиты марки Т-400 по ГОСТ 4598-74 и клееную фанеру марки ФК по ГОСТ 3916-69,
при условии сплошной обшивки полотен профилированными рейками по ГОСТ 8242-75,
устанавливаемыми по слою пергамина по ГОСТ 2697-83.
Рейки крепят
шурупами по ГОСТ 1144-80 или гвоздями по ГОСТ 4028-63 с антикоррозионным
покрытием. Максимальный шаг креплений - 500 мм. Крепления в каждом ряду должны
располагаться на одном уровне по всей ширине полотна.
2.5. Нижние части
полотен наружных дверей должны быть защищены деревянными планками толщиной 1,3
- 2,5 см по ГОСТ 9590-76, или из сверхтвердых древесноволокнистых плит толщиной
3,2 - 4 мм по ГОСТ 4598-86, тонколистовой оцинкованной стали или алюминия.
Защитные накладки
устанавливают на водостойких клеях и на шурупах с головками, имеющими
антикоррозионное покрытие, с шагом не более 100 мм.
2.6. Коробку без
порога расшивают внизу монтажной доской с креплением гвоздями к торцам
вертикальных брусков. Допускается шиповое соединение монтажной доски с брусками
коробки с просветом между доской и полотном не более 50 мм.
2.7. В коробках
наружных дверей пороги следует укреплять стальной полосой 14 х 4 мм на шурупах,
имеющих антикоррозионное покрытие и устанавливаемых с шагом не более 100 мм.
2.8. Площадь
дверных блоков определяют по наружным размерам коробок без учета монтажной
доски.
2.9. Расположение
приборов и примеры установки защитных ограждений приведены в обязательном
Приложении 2.
Приложение
1
Справочное
РАЗМЕРЫ
ДВЕРНЫХ ПРОЕМОВ В СТЕНАХ
Для внутренних
дверей

Для наружных дверей

Примечание. Над
схемами проемов указаны координационные размеры высоты и ширины в модулях.
Приложение
2
Обязательное
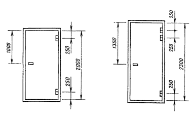
РАСПОЛОЖЕНИЕ
ПРИБОРОВ

Замок по
ГОСТ 5089-80: для наружных дверей 3В1А, для внутренних - 3В4.
Петли по ГОСТ
5088-78: для наружных дверей ПН1-110, для внутренних - ПН4,
для качающихся - ПН9-130-1.
ПРИЕМЫ УСТАНОВКИ
ЗАЩИТНЫХ ОГРАЖДЕНИЙ ДЛЯ НАРУЖНЫХ ДВЕРЕЙ
Деревянные
ограждения

Металлические
ограждения

1 - деревянные
планки из твердолиственных пород;
2 - крепежная
планка из полосовой стали; 3 - круглая сталь