Введен в действие
Постановлением
Госстандарта СССР
от 15 апреля 1983
г. N 1961
ГОСУДАРСТВЕННЫЙ СТАНДАРТ СОЮЗА ССР
ЭЛЕКТРООБОРУДОВАНИЕ И ЭЛЕКТРОУСТАНОВКИ
МЕТОД
ИЗМЕРЕНИЯ ХАРАКТЕРИСТИК ЧАСТИЧНЫХ РАЗРЯДОВ
Electrical
equipment and installations.
Method measurements
of partial discharge
characteristics
ГОСТ 20074-83
(СТ СЭВ 3689-82)
Группа Е09
ОКП 34 1000
Постановлением
Государственного комитета СССР по стандартам от 15 апреля 1983 г. N 1961 срок
введения установлен с 01.07.1984.
Взамен ГОСТ
20074-74.
Настоящий стандарт
устанавливает метод измерения характеристик частичных разрядов при испытании
изоляции электрооборудования напряжением переменного тока свыше 1000 В частотой до 1200 Гц и напряжением постоянного тока свыше
1000 В.
Стандарт не
устанавливает методы измерения характеристик частичных разрядов в изоляции
электрооборудования, находящегося в эксплуатации.
Пояснения терминов,
встречающихся в стандарте, приведены в справочном Приложении 1.
В рекомендуемом
Приложении 2 приведен метод измерения характеристик частичных разрядов при
испытании изоляции электрооборудования коммутационными импульсами напряжения.
Стандарт полностью
соответствует СТ СЭВ 3689-82 и Публикации МЭК 270
(1981).
1. ОБЩИЕ
ПОЛОЖЕНИЯ
1.1. Цели измерения
характеристик частичных разрядов
Характеристики
частичных разрядов измеряются для:
определения
отсутствия частичных разрядов в изоляции испытуемого объекта при нормированном
напряжении, интенсивность которых выше нормированного значения;
определения
интенсивности частичных разрядов при нормированном напряжении;
определения
напряжения возникновения и напряжения погасания частичных разрядов.
1.2. Сущность
метода измерения
Нормируется
электрический метод измерения характеристик частичных разрядов, принципиально
основанный на измерении изменений зарядов элементов измерительной схемы,
вызываемых частичными разрядами в испытуемой изоляции (объекте испытаний).
1.3. Характеристики
частичных разрядов
1.3.1.
Интенсивность частичных разрядов количественно характеризуется:
кажущимся зарядом q
единичного частичного разряда;
частотой следования
n частичных разрядов;
средним током I
частичных разрядов.
1.3.2. Для оценки
интенсивности частичных разрядов дополнительно могут использоваться:
квадратичный
параметр D частичных разрядов;
мощность Р частичных разрядов;
суммарный заряд Q
за интервал времени Т.
1.3.3.
Количественные характеристики, которые должны нормироваться и использоваться
для оценки качества изоляции данного типа электрооборудования, устанавливаются
в стандартах на оборудование конкретных типов.
2.
ИСПЫТАТЕЛЬНЫЕ УСТАНОВКИ, ИЗМЕРИТЕЛЬНЫЕ СХЕМЫ И ПРИБОРЫ
2.1.
Требования к испытательным установкам
2.1.1. Установка
для испытания изоляции электрооборудования с измерением характеристик частичных
разрядов должна обеспечивать измерение тех характеристик, которые предусмотрены
стандартами на электрооборудование конкретного типа.
2.1.2.
Испытательная установка состоит из следующих основных элементов:
источника высокого
напряжения;
испытуемого
объекта;
соединительного
конденсатора;
системы соединений
(шин) высокого напряжения;
измерительного
устройства, состоящего из измерительного элемента, соединительного кабеля и
измерительного прибора;
защитного
устройства (разрядника), подключаемого параллельно измерительному элементу;
защитного
сопротивления или фильтра нижних частот.
2.1.3. При
испытании изоляции трансформаторов индуктированным напряжением испытуемый
трансформатор является источником высокого испытательного напряжения.
2.1.4.
Соединительным конденсатором, предназначенным для создания пути замыкания
импульсов токов частичных разрядов, может быть специально включаемый в
установку конденсатор. В качестве емкости соединительного конденсатора могут
использоваться емкость ввода испытуемого трансформатора, емкость второго
испытуемого объекта или паразитная емкость системы соединений высокого
напряжения.
2.1.5. Источник
высокого напряжения и соединительный конденсатор не должны быть источниками
разрядов, мешающих измерениям характеристик частичных разрядов в объекте испытаний.
2.1.6. Выводы и
фланцы элементов установки и соединения высокого напряжения должны быть
выполнены способом, исключающим возникновение короны в воздухе, мешающей
измерениям характеристик частичных разрядов, вплоть до нормированного
напряжения на объекте испытаний.
2.1.7. Для
ограничения внешних помех, при необходимости, применяются фильтры нижних частот
на стороне высокого напряжения.
2.1.8. Защитное
устройство (разрядник) при пробое объекта должно обеспечивать ограничение
напряжения на измерительном элементе до значения, безопасного для
измерительного устройства, но не выше допустимого по правилам техники
безопасности.
2.1.9.
Измерительный элемент можно рассматривать как четырехполюсник, который
совместно с соединительным конденсатором (или испытуемым объектом) должен
выполнять функцию фильтра верхних частот.
2.2. Измерительные
схемы
2.2.1. Для
измерения характеристик частичных разрядов применяются следующие принципиальные
схемы:
схема с включением
измерительного элемента в ветвь заземления соединительного конденсатора (черт.
1);
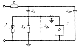
Схема с
включением измерительного элемента
в ветвь заземления
соединительного конденсатора

1 - защитное
устройство; 2 - измерительный прибор Р;
-
емкость соединительного конденсатора;
-
емкость объекта испытаний;
-
сопротивление измерительного элемента;
-
входная емкость измерительного устройства;
Z - фильтр нижних
частот
или защитное
сопротивление
Черт. 1
схема с включением
измерительного элемента в ветвь заземления объекта испытаний (черт. 2);
Схема с
включением измерительного элемента
в ветвь заземления
объекта испытаний

1 - защитное
устройство; 2 - измерительный прибор Р;
-
емкость соединительного конденсатора;
-
емкость, объекта испытаний;
-
сопротивление измерительного элемента;
-
входная емкость измерительного устройства;
Z - фильтр нижних
частот
или защитное
сопротивление
Черт. 2
балансная схема
(черт. 3).
Балансная
схема

1 - защитное
устройство;
,
- измерительные элементы;
2 - измерительный
прибор Р;
-
емкость соединительного конденсатора;
-
емкость объекта испытаний;
,
- входные емкости измерительного устройства;
Z - фильтр нижних
частот или защитное сопротивление;
3 - согласующий
трансформатор или усилитель
с симметричным
входом
Черт. 3
Допускается
применение совмещенных схем для измерения характеристик частичных разрядов и
высокого напряжения.
2.2.2.
Схема, приведенная на черт.
1, применяется в случае, когда невозможно разземление
одного из выводов испытуемого объекта. Целесообразно ее применение и при
больших емкостях объектов (большое отношение
).
2.2.3. Схема, приведенная на черт. 2, применима при возможности разземления обоих выводов испытуемого объекта и
целесообразна при малых емкостях объектов (малое отношение
).
2.2.4. Балансная
схема (см. черт. 3) применяется для уменьшения влияния помех. В качестве
соединительного конденсатора в балансной схеме могут использоваться специальный
конденсатор или второй экземпляр объекта испытаний с известным уровнем
интенсивности частичных разрядов. В первом случае емкость соединительного
конденсатора следует выбирать близкой по значению емкости объекта испытаний.
2.2.5.
Значения емкостей
и
следует выбирать таким образом, чтобы была
обеспечена возможность измерения нормированной для данного объекта испытаний интенсивности
частичных разрядов.
2.2.6. В качестве
измерительного элемента в схемах, приведенных на черт. 1 и 2, применяют резистор или настроенный контур.
Допускается
применение катушки индуктивности или фильтра с более сложной схемой.
Значение
сопротивления резистора выбирается от нескольких единиц до нескольких тысяч Ом.
Большое значение сопротивления позволяет получить большую чувствительность
измерительной схемы.
Параметры L и С контура (с учетом параметров измерительной схемы) должны
выбираться таким образом, чтобы частота его настройки соответствовала частоте
настройки измерительного прибора.
Индуктивность
катушки L должна быть неизменной во всем диапазоне амплитуд напряжения, которые
ожидаются на ней при измерениях характеристик частичных разрядов.
Между измерительным
элементом и входом измерительного прибора допускается включение согласующего
трансформатора, частотная характеристика которого должна лежать в пределах
частотной характеристики измерительного прибора.
В балансной схеме
применяются два регулируемых малоиндуктивных
резистора и согласующий (симметрирующий)
трансформатор или усилитель с симметричным входом.
2.3.
Измерительные приборы
2.3.1.
Измерительный прибор должен измерять следующие характеристики частичных
разрядов (или одну из них):
кажущийся заряд q;
частоту следования
n;
средний ток I.
Примечание. Способы
измерения характеристик Р, D и Q частичных разрядов
указаны в рекомендуемом Приложении 3.
2.3.2.
Кажущийся заряд должен измеряться прибором (измерителем кажущегося заряда),
показания которого пропорциональны значениям зарядов.
Основными
элементами измерителя кажущегося заряда являются: усилитель, измерительный
преобразователь (типа амплитудного импульсного вольтметра) и отсчетное
устройство.
При измерениях
частичных разрядов при напряжении постоянного тока обязательна
осциллографическая регистрация; при этом рекомендуется применять счетчики
импульсов.
Дополнительно для
измерений могут применяться амплитудные дискриминаторы и регистрирующие
приборы.
Для регистрации
кажущегося заряда допускается использование измерителя радиопомех (см.
рекомендуемое Приложение 4).
2.3.3. Частота
следования измеряется измерительным прибором, позволяющим определять среднее
количество частичных разрядов за 1 с, кажущийся заряд которых превышает
заданный уровень или находится в интервале заданных уровней. Конструкция
прибора для измерения частоты следования частичных разрядов должна
предусматривать измерение импульсов обеих полярностей.
Основными
элементами прибора для измерения частоты следования частичных разрядов
являются: усилитель, амплитудный дискриминатор, преобразовательный элемент
(типа счетчика количества импульсов или измерителя среднего их числа) и
отсчетное устройство.
2.3.4. Для
измерения среднего тока частичных разрядов должны применяться измерительные
приборы, показания которых пропорциональны значению среднего тока разрядов, то
есть сумме абсолютных значений амплитуд импульсов напряжения, поступающих на
вход прибора за 1 с.
Основными
элементами прибора для измерения среднего тока частичных разрядов являются:
усилитель, измерительный преобразователь (выпрямительное устройство и
измеритель средних значений) и отсчетное устройство.
2.3.5. Для измерения
одной из характеристик частичных разрядов в нескольких заданных интервалах ее
значений допускается применение многоканального измерительного прибора,
содержащего несколько параллельных каналов. Отдельные элементы различных
каналов могут быть раздельными или общими.
2.3.6. Для
одновременного измерения нескольких характеристик частичных разрядов
допускается применение измерительного прибора, в котором отдельные элементы
являются общими для нескольких измерительных каналов, каждый из которых
измеряет одну из требуемых характеристик частичных разрядов.
2.3.7. Усилители
измерительных приборов (см. пп. 2.3.2 - 2.3.4)
предназначаются для усиления импульсов напряжения в измерительной схеме,
вызванных частичными разрядами, до значений, достаточных для регистрации их
измерительными преобразователями. Рекомендуется применение широкополосного
усилителя со следующими характеристиками:
нижняя частота
полосы пропускания - не более 30 кГц;
верхняя частота
полосы пропускания - не более 2 МГц;
максимальный
коэффициент усиления - 10
со
ступенчатым регулированием в пределах не менее 60 дБ ступенями не более чем
через 20 дБ.
Применение
узкополосного усилителя допускается при больших значениях емкости объекта
испытаний, а также при наличии внешних помех определенной частоты.
Рекомендуется
применять узкополосный усилитель со следующими характеристиками:
ширина полосы
пропускания - 8 - 10 кГц;
частота настройки -
20 кГц - 2 МГц;
максимальный
коэффициент усиления - 10
со
ступенчатым регулированием в пределах не менее 60 дБ ступенями не более чем
через 20 дБ.
Разрешающее время
должно быть менее 100 мкс.
Для подавления
помех в низкочастотном диапазоне полосы пропускания, если это не обеспечивается
характеристикой усилителя, применяется фильтр верхних частот.
Нижнюю частоту
полосы пропускания фильтра следует выбирать в диапазоне 5 - 30 кГц. Коэффициент
затухания определяют условием надежного измерения требуемой минимальной
интенсивности частичных разрядов при нормированном напряжении на испытуемом
объекте.
2.3.8. Измеритель
кажущегося заряда типа амплитудного импульсного вольтметра со стрелочным
отсчетным устройством должен измерять кажущийся заряд импульсов частичных
разрядов, начиная с частоты их следования не более 100 импульсов в секунду. Он
должен измерять как положительные, так и отрицательные импульсы.
2.3.9. Максимальная
скорость счета измерителя частоты следования импульсов
должна быть не менее 10
с
.
Рекомендуется применение счетчиков со ступенчатым регулированием разрешающего
времени в пределах 1 - 10 - 100 мкс. При
использовании узкополосного измерительного прибора разрешающее время счетчика
выбирается равным
.
Емкость счета счетчика импульсов должна быть не менее 10
импульсов.
Измерять частоту
следования импульсов частичных разрядов при испытаниях напряжением постоянного
тока следует пересчетными устройствами, определяющими количество импульсов в
течение заданного промежутка времени и позволяющими регистрировать импульсы,
следующие с частотой не более 1 с
.
3. ПОВЕРКА И ГРАДУИРОВКА
3.1.
Поверка
3.1.1.
Поверкой измерительного прибора, имеющего отградуированное в единицах
измеряемой характеристики отсчетное устройство, должна быть определена основная
погрешность измерения не менее чем в пяти равномерно распределенных по шкале
точках на каждой ступени регулирования чувствительности. Относительная
погрешность измерительного устройства не должна превышать +/- 30%.
Поверкой
измерительного прибора, не имеющего отградуированного в единицах измеряемой
характеристики отсчетного устройства, должна определяться зависимость показаний
отсчетного устройства от значения измеряемой характеристики на входе не менее
чем по пяти точкам на каждой ступени регулирования чувствительности.
Нелинейность
полученной зависимости (наибольшее отклонение отношения значения измеряемой
характеристики к показанию отсчетного устройства от среднего значения этого
отношения на данной ступени регулирования, выраженное в процентах) не должна
превышать +/- 30%.
3.1.2. Первичная и последующие поверки измерительного прибора
выполняются с включенными параллельно его входу резистором одного и того же
значения в пределах от 0,1 до 1 кОм, если прибор не имеет встроенного
измерительного элемента.
3.1.3.
Измерительное устройство должно поверяться на ступенях регулирования
чувствительности (усиления), при которых выполняются измерения, в соответствии
с условиями п. 3.1.1.
При изменении
электрического сопротивления (активного, индуктивного или полного)
измерительного элемента или кабеля (или того и другого одновременно) поверка
измерительного устройства должна быть выполнена вновь.
3.1.4. Поверка
осуществляется импульсами, которые подаются на вход измерительного прибора
(устройства) через конденсатор с малой емкостью
от градуировочного
генератора G (см. п. 3.4).
Емкость
выбирается такой, чтобы длительность импульса
тока через нее была мала по сравнению с
для широкополосного измерительного прибора
(или
для узкополосного измерительного прибора).
Заряд
поверочных импульсов равен
, (1)
где
- амплитуда выходного импульса напряжения градуировочного генератора.
Значение
должно быть известно с погрешностью, не
превышающей 5%.
При поверке
измерителя кажущегося заряда показания отсчетного устройства должны
сравниваться с известными значениями заряда
.
При поверке
измерителя среднего тока I дополнительно должна быть известна
частота следования поверочных импульсов.
Показания прибора
соответствуют среднему току
. (2)
Устройство для
измерения среднего тока должно поверяться как при изменении заряда поверочных
импульсов при фиксированной частоте их следования, так и при изменении частоты
следования при фиксированном значении заряда.
Длительности
переднего и заднего фронта импульсов градуировочного
генератора при этом должны быть одинаковыми или близкими по значению.
3.1.5.
Измерительный прибор должен поверяться при частотах следования поверочных
импульсов от 10
до 10
с
, а при
измерениях на напряжении постоянного тока - от 1 до 10
с
.
3.1.6. При поверке
измерительного прибора для измерения частоты следования
импульсов частичных разрядов показания отсчетного устройства должны
сопоставляться с частотой следования поверочных импульсов
.
3.1.7. Периодичность
поверки измерительных приборов по ГОСТ 8002-71 и ГОСТ 8326-78.
3.2.
Градуировка
3.2.1. Градуировка
прибора в измерительной схеме должна проводиться в полностью собранной
испытательной установке при присоединенном объекте испытаний импульсами,
получаемыми от градуировочного устройства (черт. 4).
Схема
соединений при параллельной градуировке
а

б

1 - градуировочный генератор G;
-
емкость градуировочного конденсатора;
-
емкость объекта испытаний;
-
емкость соединительного конденсатора;
-
сопротивление измерительного элемента;
-
входная емкость измерительного устройства;
Z - фильтр нижних
частот или защитное сопротивление
Черт. 4
Рекомендуется
применять экранирование всего градуировочного
устройства (генератора, градуировочного конденсатора
и соединительных проводов).
Градуировочный конденсатор должен быть установлен непосредственно вблизи вывода
объекта.
3.2.2. Градуировкой
измерителей кажущегося заряда и среднего тока определяются соответствующие градуировочные (масштабные) коэффициенты
и
, с
помощью которых вычисляются при измерениях кажущийся заряд q и средний ток I
частичных разрядов из формул
; (3)
, (4)
где
и
- соответствующие показания отсчетных
устройств.
Значения градуировочных коэффициентов зависят от параметров всех
элементов испытательной установки (объекта испытаний, соединительного
конденсатора, соединительных кабелей, измерительного элемента и измерительного
прибора) и схемы их включения.
3.2.3. Градуировка
должна проводиться для каждой испытательной установки и для каждого объекта
испытаний. Допускается не проводить градуировку для каждого объекта испытаний
при серийных испытаниях идентичных объектов на одной установке, если емкость
объектов изменяется не более чем на 10%.
Рекомендуется
проводить градуировку до испытания и после него, для одного или нескольких
значений измеряемой характеристики.
Градуировка до
испытаний имеет предварительный, оценочный характер, выполняется при одном или
нескольких положениях регулятора в наиболее вероятном, ожидаемом при испытаниях
диапазоне чувствительности (усиления).
Градуировку после
испытаний рекомендуется выполнять при тех же положениях регулятора
чувствительности (усиления), при которых осуществлялись измерения. В этом
случае устанавливают такие же показания отсчетного устройства, какие были при
испытаниях.
3.2.4. Допускается
проводить градуировку на одной частоте следования градуировочных
импульсов, лежащей в диапазоне от 10
до 10
с
.
3.3. Виды и
схемы градуировок
3.3.1.
Нормируются следующие виды градуировок:
параллельная
градуировка,
эквивалентная
градуировка.
Допускается
применение других видов градуировок и схем, если при этом погрешность измерения
характеристик частичных разрядов не превышает 10%.
3.3.2. При
параллельной градуировке градуировочное устройство
включается параллельно объекту испытаний. Схемы включения элементов при этой
градуировке приведены на черт.
4, а, б. Вводимый в схему градуировочный заряд будет
равен
, а
средний ток -
.
Градуировочные коэффициенты определяются по формулам:
;
, (5)
где
и
- соответствующие показания отсчетных устройств при градуировке.
Схема градуировки
черт. 4, б применима только в том случае, если при подключении обоих выводов градуировочного устройства к измерительному элементу
(пунктир) показание измерительного устройства не превышает уровень внешних
помех.
3.3.3.
Эквивалентная градуировка применяется при использовании схемы черт. 2 в том
случае, если градуировочный генератор имеет
несимметричный выход (один из его выводов не разземляется).
При этой градуировке градуировочное устройство
включается дважды (и соответственно делаются два измерения): первый раз между
выводом высокого напряжения и землей и второй раз между выводом низкого
напряжения объекта испытаний (пунктир) и землей в соответствии с черт. 5.
Напряжение градуировочного генератора оба раза
регулируется таким образом, чтобы показания отсчетных устройств были
одинаковыми.
Схема
соединений при эквивалентной градуировке

1 - градуировочный генератор G;
-
емкость градуировочного конденсатора;
-
емкость объекта испытаний;
-
емкость соединительного конденсатора;
-
сопротивление измерительного элемента;
-
входная емкость измерительного устройства;
Z - фильтр нижних
частот или защитное сопротивление
Черт. 5
Градуировочные коэффициенты определяются из формул:
; (6)
, (7)
где
;
и
- амплитуды напряжений градуировочного
генератора при включении градуировочной схемы
соответственно к выводам высокого и низкого напряжения испытуемого объекта.
Примечания. 1. При
условии предварительного определения коэффициента m градуировка с подключением градуировочной схемы к выводу низкого напряжения (точка 2)
может проводиться при наличии на объекте испытательного напряжения.
2. Эквивалентная
градуировка применима при m > 1,05.
3.3.4. В целях
достижения приемлемой погрешности измерений характеристик частичных разрядов
(<10%) при градуировке для всех схем должно выполняться следующее условие:
, (8)
для схем черт. 4,
а, б:
, (9)
для схем черт. 5:
при

, (10)
при

. (11)
При отсутствии
фильтра Z следует учитывать емкость источника.
3.4.
Требования к градуировочному генератору
3.4.1. В качестве градуировочных генераторов следует применять генераторы
прямоугольных импульсов напряжения.
Допустимо
использование других источников градуировочных
импульсов, если их характеристики соответствуют требованиям п. 3.4.2 и при этом
обеспечивается погрешность измерения в соответствии с п. 3.3.1.
3.4.2.
Генератор прямоугольных импульсов напряжения для проведения поверки и
градуировки должен удовлетворять следующим требованиям:
время подъема
импульса напряжения генератора не должно превышать 0,1 мкс;
длительность градуировочного импульса должна быть в пределах 100 - 1000 мкс;
частота следования
прямоугольных импульсов должна соответствовать требованиям п. 3.1.5;
диапазон выходного
напряжения (или градуировочного заряда) должен
обеспечивать проведение поверки в соответствии с п. 3.1. Напряжение должно
регулироваться в пределах не менее 60 дБ плавно или ступенями не более чем
через 20 дБ с погрешностью измерения напряжения +/- 10%;
при проведении
параллельной и эквивалентной градуировок в соответствии с пп.
3.3.2 и 3.3.3 внутреннее сопротивление генератора
должно удовлетворять соотношению
; (12)
рекомендуется
использовать генератор прямоугольных импульсов с небольшой паразитной емкостью
на землю (например, транзисторный генератор с автономным питанием);
при градуировке по
схеме черт. 4, б выход генератора должен быть симметричен (оба вывода разземлены).
4.
ОПРЕДЕЛЕНИЕ УРОВНЯ ПОМЕХ И ЧУВСТВИТЕЛЬНОСТИ УСТАНОВКИ
4.1. Определение
уровня помех
4.1.1. Перед
измерением характеристик частичных разрядов в объекте испытаний должен быть
определен уровень внешних и внутренних помех.
Допускается не
определять уровень внутренних помех при испытании объекта напряжением
возбуждения.
4.1.2. Уровень
внешних помех определяется по показаниям отсчетного устройства при равном нулю
или достаточно малом напряжении источника, который следует подключать к
питающей его сети. При этом должно быть обеспечено отсутствие разрядов в
элементах установки или объекте испытаний.
4.1.3. Уровень
внутренних помех определяется при нормированном для данного объекта
испытательном напряжении при условии замены объекта конденсатором, свободным от
частичных разрядов и имеющим емкость, близкую к емкости объекта.
Если замена объекта
невозможна, то допускается определять уровень помех при отсутствии объекта. В
этом случае измерительный элемент должен быть включен последовательно с
соединительным конденсатором, а измерительный прибор переградуирован
в соответствии с п. 3.3.
4.1.4. Общий
уровень внешних и внутренних помех должен определяться при нормированном
напряжении для объекта испытаний. Рекомендуется определять общий уровень помех
также при нескольких значениях напряжения ниже нормированного.
4.2. Меры борьбы с
помехами
4.2.1. Все элементы
схемы и расположенное вблизи постороннее оборудование должны быть надежно
заземлены, а испытательное помещение, при необходимости, экранировано.
4.2.2. Для
ограничения влияния помех допускается использовать:
экранирование
испытательных помещений;
балансную схему;
осциллографическое
отсчетное устройство;
фильтры нижних
частот на стороне низкого напряжения для подавления высокочастотных помех,
поступающих в измерительную схему из сети;
временную селекцию,
если помехи имеют устойчивую во времени фазу возникновения, отличную от фазы
возникновения частичных разрядов;
отстройку по
частоте, если помехи имеют определенную стабильную частоту (например,
радиосигналы).
4.2.3. Допускается
использование иных способов отстройки от помех при условии соблюдения
требований настоящего стандарта.
4.3.
Чувствительность
4.3.1. Уровень
собственных помех измерительного устройства должен быть таким, чтобы
обеспечивать чувствительность измерений, при которой минимальный регистрируемый
заряд был бы менее 20% нормируемого значения кажущегося заряда частичных
разрядов.
4.3.2. Уровень
помех, определяющий чувствительность измерений, при нормированном напряжении
должен быть в два раза и более ниже нормированной
интенсивности частичных разрядов для данного объекта испытаний.
5. ПОДГОТОВКА ОБЪЕКТА И ПРОЦЕДУРА ИСПЫТАНИЙ ИЗОЛЯЦИИ
С ИЗМЕРЕНИЕМ
ХАРАКТЕРИСТИК ЧАСТИЧНЫХ РАЗРЯДОВ
5.1. Конкретные
требования к каждому объекту, касающиеся его подготовки, условий испытаний,
измеряемых характеристик частичных разрядов и приложения испытательного
напряжения, должны быть указаны в стандартах на оборудование конкретных типов.
5.2. Изоляционная
поверхность должна быть чистой и сухой.
В целях воспроизводимости результатов необходим интервал
"отдыха" между механическими, тепловыми и электрическими
воздействиями на испытуемый объект и испытаниями на частичные разряды.
5.3. При испытаниях
с измерением частичных разрядов испытательное напряжение и скорость его
изменения должны соответствовать требованиям, установленным в стандартах на
методы испытаний электрооборудования конкретных типов.
5.4. Для
определения напряжения возникновения частичных разрядов
к испытуемому объекту прикладывается
напряжение ниже предполагаемого напряжения возникновения частичных разрядов.
Затем напряжение постепенно увеличивается до тех пор, пока интенсивность
разрядов не достигнет нормированного значения. Приложенное в этот момент
напряжение есть напряжение возникновения частичных разрядов.
Для определения
напряжения погасания частичных разрядов
на объекте устанавливается напряжение, на 10%
превышающее напряжение возникновения частичных разрядов. Затем напряжение
снижается до тех пор, пока интенсивность частичных разрядов не станет менее
нормированного значения. Приложенное в этот момент напряжение есть напряжение
погасания частичных разрядов.
5.5. Значение
прикладываемого напряжения в любом случае не должно превышать испытательного
для данного объекта.
Приложение
1
Справочное
ПОЯСНЕНИЯ
ТЕРМИНОВ, ВСТРЕЧАЮЩИХСЯ В СТАНДАРТЕ
───────────────────────┬──────────────────────────────────────────
Термин │ Пояснение
───────────────────────┼──────────────────────────────────────────
1.
Частичный разряд │ Электрический
разряд, который шунтирует
│лишь часть
изоляции между электродами,
│находящимися
под разными потенциалами
2.
Заряд частичного │ Заряд,
переносимый по каналу разряда
разряда
q │при каждом
частичном разряде
ч.р │в диэлектрике
3.
Нормированная
│ Предельно допустимое численное значение
интенсивность │какой-либо характеристики
интенсивности
частичных
разрядов │частичных разрядов, установленное
│для данного
объекта испытаний стандартом
│на
электрооборудование конкретного типа
4.
Нормированное │ Напряжение,
для которого установлена
напряжение
частичных
│нормированная интенсивность частичных
разрядов │разрядов
5.
Кажущийся заряд q │ Абсолютное
значение такого заряда,
частичного
разряда │при мгновенном введении которого между
│электродами
испытуемого объекта напряже-
│ние
между его электродами кратковременно
│изменится на
такое же значение, на какое
│изменилось бы при
частичном разряде.
│ Примечания. 1.
Кажущийся заряд q
│не равен
по значению заряду частичного
│разряда q , причем соотношения зарядов
│ ч.р
│q и q могут быть различными для
│ ч.р
│различных частичных разрядов в
одном
│и том же объекте.
│ 2. Кажущийся
заряд q имитирует заряд,
│определяющий снижение напряжения
│на объекте при
частичном разряде в нем
│и составляющий часть заряда q
│ ч.р
│
6.
Частота следования n│ Среднее количество частичных разрядов
частичных
разрядов │за 1 с
7.
Средней ток I │ Сумма
абсолютных значений кажущихся
частичных
разрядов │зарядов q частичных разрядов, взятых
│ i
│за определенный
временной интервал Т,
│деленная на этот временной интервал
│(Кл/с, А)
8.
Напряжение │ Наименьшее
значение напряжения, при
возникновения
частичных│котором
интенсивность частичных разрядов
разрядов
U │становится равной
или превышает норми-
i │рованную
интенсивность при повышении
│напряжения на
объекте испытаний
9.
Напряжение погасания│ Наименьшее значение напряжения, при
частичных
разрядов U
│котором интенсивность частичных разрядов
e │становится равной или меньше нормиро-
│ванной
интенсивности при снижении
│напряжения на
объекте испытаний
10.
Помехи │
Электромагнитные процессы, воздейству-
│ющие на измерительную схему, вносящие
│искажения в
показания измерительного
│устройства и
ограничивающие его
│чувствительность
Внешние помехи │ Помехи, не зависящие от
напряжения,
│приложенного к объекту испытаний, и
│вызываемые коммутационными процессами
│в посторонних
цепях, излучениями
│радиопередающих
устройств, работой
│вращающихся машин
и т.п.
Внутренние помехи │ Помехи, зависящие от приложенного к
│объекту испытаний
напряжения, обычно
│возрастающие при
увеличении напряжения
│и вызываемые
разрядами в элементах схемы
│(например,
в испытательном трансформа-
│торе,
соединительном конденсаторе,
│на соединениях
высокого напряжения)
│или искрением в
местах некачественного
│заземления близко
расположенного
│постороннего
оборудования
11.
Нижняя и верхняя
│ Частоты, при которых частотная
частоты
полосы │характеристика
изменяется не более чем
пропускания
f и f
│на 3 дБ от ее значения в горизонтальной
1 2
│части
измерительного │
устройства
(прибора) │
12.
Частота настройки │ Частота,
практически равная резонансной
узкополосных
измери- │частоте измерительного прибора
тельных
устройств f │
0
│
13.
Полоса пропускания │ Диапазон частот между верхней
и нижней
узкополосных
и широко- │частотами полосы пропускания.
полосных измерительных │ Примечание. Под
широкополосным устрой-
устройств
Дельта f │ством
понимается устройство, полоса
│пропускания
Дельта f которого близка
│по значению
верхней частоте f ; под
│ 2
│узкополосным
устройством понимается
│устройство, полоса пропускания
которого
│Дельта f по
значению много меньше
│частоты настройки
f
│ 0
│
14.
Разрешающее время
│ Самый короткий интервал времени между
│двумя
последовательными импульсами, при
│котором амплитудная ошибка вследствие
│наложения
импульсов не превышает 10%.
│Разрешающее время
обратно пропорцио-
│нально ширине полосы пропускания
│измерительного
устройства
15.
Градуировка │ Установление количественного соотноше-
измерительного
прибора │ния (градуировочного
коэффициента) между
│показаниями
отсчетного устройства изме-
│рительного прибора и соответствующими
│измеряемыми
характеристиками частичных
│разрядов в
полностью собранной установке
│с включенным
объектом
16.
Градуировочное
│ Устройство, состоящее из включаемых
устройство │последовательно градуировочного
│генератора
G и поверочного (градуиро-
│вочного) конденсатора емкостью С ,
│ 0
│генерирующее градуировочные (поверочные)
│импульсы и используемое при градуировке
│(поверке)
измерительного прибора
│(устройства).
Конденсатор может быть
│встроен
в генератор G
17.
Частота следования │ Число импульсов за 1 с,
поступающих
поверочных
(градуиро- │от генератора градуировочных
импульсов
вочных) импульсов
n │и регистрируемых
измерительным прибором
0 │при поверке (градуировке). Она равна
│числу генерируемых генератором
│импульсов, если
измерительный прибор
│учитывает
импульсы одной полярности,
│и удвоенному
числу генерируемых им
│импульсов, если
измерительный прибор
│учитывает
импульсы обеих полярностей
Приложение
2
Рекомендуемое
МЕТОД
ИЗМЕРЕНИЯ
ХАРАКТЕРИСТИК ЧАСТИЧНЫХ РАЗРЯДОВ
ПРИ ИСПЫТАНИИ
ИЗОЛЯЦИИ ЭЛЕКТРООБОРУДОВАНИЯ
КОММУТАЦИОННЫМИ
ИМПУЛЬСАМИ НАПРЯЖЕНИЯ
1. Метод измерения
характеристик частичных разрядов при испытании изоляции электрооборудования
коммутационными импульсами напряжения основан на общих принципах измерения
частичных разрядов, изложенных в настоящем стандарте.
2. Требования к
объекту испытаний должны соответствовать разд. 5 настоящего стандарта и
стандартам на электрооборудование конкретных типов.
3. Основной
измеряемой характеристикой частичных разрядов при испытании изоляции
коммутационными импульсами является кажущийся заряд q частичного разряда.
4. Требования к
испытательным установкам и перечень их элементов должны соответствовать п. 2.1
настоящего стандарта.
5. Для измерения
частичных разрядов должна применяться одна из принципиальных схем,
перечисленных в п. 2.2.1, в соответствии с указаниями, приведенными в пп. 2.2.2 - 2.2.5 настоящего стандарта.
В качестве
измерительного элемента следует выбирать резистор, обладающий активным
электрическим сопротивлением от единиц до сотен Ом.
Значения
сопротивления измерительного элемента
,
емкости соединительного конденсатора
и входной емкости измерительного устройства
должны выбираться в соответствии со значением
максимального напряжения коммутационных импульсов
,
временем подъема импульса
и длительностью импульса
по ГОСТ 1516.2-76.
Параметры элементов
измерительной схемы выбираются из условий:
;
. (1)
При
постоянная времени
рассчитывается по формуле
, (2)
если
, и по
формуле
(3)
при колебательных импульсах с
< 3.
6. Измерительный
прибор должен состоять из фильтра верхних частот, широкополосного усилителя и
отсчетного устройства - осциллографа.
Основные требования
к элементам измерительного прибора должны соответствовать п. 2.3 настоящего
стандарта.
При испытаниях коммутационными
импульсами напряжения должны выполняться дополнительные требования:
нижняя частота
полосы пропускания фильтра верхних частот выбирается из следующих условий
, (4)
предпочтительной является область более
высоких частот этого диапазона;
верхняя частота
полосы пропускания усилителя должна соответствовать условию
;
осциллограф для
регистрации частичных разрядов должен быть импульсного типа, в этом случае
следует использовать осциллограф с памятью.
7. Поверка
измерительного прибора (устройства) и градуировка схемы должны проводиться в
соответствии с разд. 3 настоящего стандарта подачей прямоугольных импульсов с
напряжением
через конденсатор с малой емкостью
. При
градуировке определяется градуировочный коэффициент
(на данном усилении)
, (5)
где
- отклонение луча по экрану осциллографа, мм.
8. Значение
кажущегося заряда q каждого частичного разряда определяется по осциллограмме
или по устойчивому изображению на экране (осциллограф с памятью) в соответствии
с градуировкой по п. 7 настоящего приложения.
9. Предельная
чувствительность схемы
(предельный минимальный регистрируемый заряд)
определяется при максимальном усилении измерительного прибора в соответствии с
градуировкой из условия
, (6)
где
- кажущийся заряд, эквивалентный уровню помех.
Заряд
определяется из осциллограммы, полученной при отсутствии
коммутационного импульса, по отклонению луча
,
вызываемого помехами.
Чувствительность
схемы при измерениях (реальный минимальный регистрируемый заряд) определяется
аналогично при установленном усилении из того же условия (6) с помощью
осциллограммы, полученной при воздействии испытательного коммутационного
импульса заданного напряжения.
10. Результаты
измерений должны оформляться документацией, содержащей данные по значениям
напряжений и форме коммутационных импульсов, по измерительной схеме и
градуировке, полученным значениям кажущихся зарядов, напряжению возникновения
частичных разрядов, использованной аппаратуре и ее чувствительности.
Приложение
3
Рекомендуемое
ДОПОЛНИТЕЛЬНЫЕ
ХАРАКТЕРИСТИКИ ЧАСТИЧНЫХ РАЗРЯДОВ
1. Квадратичный
параметр D частичных разрядов - сумма квадратов зарядов в кулонах, проходящих
за 1 с через выводы
испытуемого объекта в результате частичных разрядов. При суммировании квадратов
зарядов за интервал времени
(1)
и может определяться либо
непосредственным измерением, либо рассчитываться по измеренным значениям q.
Прибор для
непосредственного измерения D должен измерять среднее значение квадратов
амплитуд импульсов разрядов в секунду. При этом измерения должны осуществляться
после усиления импульсов тока и их выпрямления выпрямителем, имеющим
квадратичную характеристику и суммирующим составляющие постоянного тока, или
после линейного усиления тепловым измерителем.
Градуировка
измерителя D в полной схеме измерений выполняется аналогично градуировке при
измерениях q (см. п. 3.2 настоящего стандарта) и известной частоте следования
градуировочных
импульсов.
Показания прибора
соответствуют квадратичному параметру
. (2)
2. Мощность Р частичных разрядов - средняя мощность, подводимая от
источника испытательного напряжения к выводам испытуемого объекта как результат
частичных разрядов.
Мощность Р (Вт) выражается через кажущиеся заряды и соответствующие
им напряжения на испытуемом объекте (мгновенные значения) и может определяться
либо непосредственным измерением, либо рассчитываться по измеренным значениям q
и U следующим образом
. (3)
3. Суммарный заряд
Q частичных разрядов - сумма кажущихся зарядов частичных разрядов в кулонах за
определенный интервал времени Т
. (4)
Для измерения
суммарного заряда за интервал времени применяются приборы, которые измеряют
сумму абсолютных значений кажущихся зарядов за определенный интервал времени Т (например, за период или полупериод переменного
испытательного напряжения).
Приложение
4
Рекомендуемое
ПРИМЕНЕНИЕ
ИЗМЕРИТЕЛЕЙ
РАДИОПОМЕХ ДЛЯ РЕГИСТРАЦИИ
ЧАСТИЧНЫХ РАЗРЯДОВ
Регистрацию частичных
разрядов проводят измерителем радиопомех, полоса рабочих частот которого лежит
в интервале от 0,15 до 3 МГц. Показания измерителя радиопомех
зависят от величины кажущегося заряда
частичного разряда q и от частоты следования n. Для коротких регулярно
повторяющихся импульсов:
,
где
- нелинейная функция, зависящая от n;
-
ширина полосы пропускания прибора;
-
значение сопротивления измерительного элемента;
К - коэффициент, значение которого зависит от параметров испытательной
схемы и испытуемого объекта;
-
коэффициент, определяемый при градуировке в соответствии с указанными ниже
правилами.
Показание прибора
примерно пропорционально значению заряда q и ширине полосы пропускания. Оно
может быть непропорциональным
, если
параллельно ему имеется емкость или индуктивность.
Измеритель
радиопомех должен быть поверен и отградуирован в
реальной измерительной схеме в соответствии с п. 3.1 и п. 3.2 настоящего
стандарта. Поверку и градуировку рекомендуется проводить путем подачи регулярно
повторяющихся импульсов с зарядом
и частотой следования, примерно равной
удвоенной частоте испытательного напряжения. В этом случае возможно применение
прибора для измерения частичных разрядов во время испытаний при напряжениях,
близких к напряжению возникновения частичных разрядов, когда число импульсов за
период мало. При этих условиях значение заряда частичных
разрядов примерно равно
,
умноженному на отношение показания прибора при испытаниях к его показанию при градуировке.
В результате
измерений, выполненных с помощью измерителя радиопомех, следует указывать как
значение в микровольтах, так и найденное эквивалентное значение кажущегося
заряда.