Утвержден и введен в
действие
Постановлением
Госстроя СССР
от 2 февраля 1983
г. N 21
ГОСУДАРСТВЕННЫЙ СТАНДАРТ СОЮЗА ССР
СВАИ ПОЛЫЕ КРУГЛОГО СЕЧЕНИЯ И СВАИ-ОБОЛОЧКИ
ЖЕЛЕЗОБЕТОННЫЕ СОСТАВНЫЕ С НЕНАПРЯГАЕМОЙ АРМАТУРОЙ
КОНСТРУКЦИЯ И РАЗМЕРЫ
Reinforced-concrete round hole built-up piles
and tubular piles.
Structure and dimensions
ГОСТ 19804.6-83
Группа Ж33
ОКП 58 1721
Срок введения
1 января 1984 года
Разработан
Министерством монтажных и специальных строительных работ СССР;
Научно-исследовательским
институтом бетона и железобетона (НИИЖБ) Госстроя СССР;
Научно-исследовательским
институтом оснований и подземных сооружений (НИИОСП) имени Н.М. Герсеванова.
Исполнители: Ю.Г. Трофименков, канд. техн. наук
(руководитель темы); В.К. Демидов; Г.М. Лешин; В.Ф. Соколова; Н.А. Ремезова; З.В. Иванова; И.В. Лазарева, канд. техн. наук; Г.И. Бердичевский, д-р техн.
наук; В.А. Якушин, канд. техн. наук; Н.Н. Светликова.
Внесен
Министерством монтажных и специальных строительных работ СССР.
Зам. министра Л.Д. Солоденников.
Утвержден и введен
в действие Постановлением Государственного комитета СССР по делам строительства
от 02.02.1983 N 21.
1. Настоящий стандарт распространяется на железобетонные составные
полые сваи круглого сечения (в дальнейшем - сваи) диаметром от 400 до 800 мм,
сваи-оболочки диаметром от 1000 до 1600 мм с ненапрягаемой продольной
арматурой, с болтовыми и сварными стыками и устанавливает конструкцию свай,
свай-оболочек и их секций, а также конструкцию арматурных и закладных изделий к
ним.
Сваи и
сваи-оболочки и их секции должны удовлетворять всем требованиям ГОСТ 19804.0-78
и требованиям, изложенным в соответствующих разделах настоящего стандарта.
Условия расчета и
применения свай и свай-оболочек даны в справочном Приложении.
Марки свай и их
секций имеют в обозначении буквы СК, марки свай-оболочек и их секций - СО или СОУ (усиленные). Марки свай и свай-оболочек и их
секций с болтовыми стыками имеют в конце цифрового обозначения букву
"б", со сварными стыками - буквы "св",
например: СК6-40б, СО6-100св. Марки свай и их секций с наконечником имеют в
конце цифрового обозначения букву "н", например, СК10-80свн.
2.
Конструкция и размеры секций свай и свай-оболочек
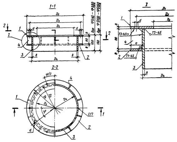
2.1. Секции свай
изготовляют с закрытым нижним концом (с наконечником) или с открытым нижним
концом. Секции свай-оболочек изготовляют с открытым нижним концом.
Концы секций,
образующих стык в свае или свае-оболочке, изготовляют с элементами,
предназначенными для выполнения болтового или сварного стыка.
2.2. Форма, марки,
номинальные размеры секций и их технические показатели (марка бетона по
прочности на сжатие и расход материалов), а также места строповки
должны соответствовать указанным на черт. 1, 2 и в
табл. 1.
Секции свай без
наконечника или сваи-оболочки

1 - место строповки при выемке из опалубки и транспортировании
(одинарная полоса);
2 - место строповки при подъеме на копер
(двойная полоса); 3
- элемент стыка
Черт. 1
Секции свай с
наконечником

1 - место строповки при выемке из опалубки и транспортировании
(одинарная полоса);
2 - место строповки при подъеме на копер
(двойная полоса); 3
- элемент стыка
Черт. 2
Таблица 1
Номенклатура секций
свай и свай-оболочек
───────────┬────────────────────────────────────┬─────────┬─────┬───────┬───────
Марка
сек- │
Номинальные размеры, мм
│Проектная│Объем│ Масса
│Расход
ции сваи
│
│марка бе-│бето-│секции,│стали
и
сваи-
├─────┬────┬────┬─────┬────┬─────┬───┤тона
по │на, │
т │на сек-
оболочки │
L │ l │ l
│ D │ d
│дель-│ l
│прочности│м3 │ │цию, кг
│ │
1 │ 2 │ │
│та │ │на сжатие│ │ │
───────────┼─────┼────┼────┼─────┼────┼─────┼───┼─────────┼─────┼───────┼───────
СК6-40б │6000 │- │-
│400 │240 │80 │-
│М300 │0,47
│1,18 │71,2
───────────┼─────┼────┼────┤ │
│
├───┤
├─────┼───────┼───────
СК8-40б │8000
│1650│2400│
│ │ │-
│ │0,63
│1,58 │80,0
СК8-40бн │
│ │ │
│ │ │400│ │0,66 │1,65 │63,7
───────────┼─────┼────┼────┤ │
│
├───┤
├─────┼───────┼───────
СК10-40б
│10000│2100│2900│ │
│ │- │
│0,80 │2,00 │90,5
СК10-40бн │
│ │ │
│ │ │400│ │0,82 │2,05 │73,3
───────────┼─────┼────┼────┤ │
│
├───┤
├─────┼───────┼───────
СК12-40б
│12000│2500│3500│ │
│ │- │ │0,96 │2,40 │100,1
СК12-40бн │
│ │ │
│ │ │400│ │0,98 │2,45 │82,9
───────────┼─────┼────┼────┤ │
│
├───┤
├─────┼───────┼───────
СК14-40б
│14000│2900│4100│ │
│ │- │ │1,12 │2,80 │151,5
СК14-40бн │
│ │
│ │ │
│400│
│1,14 │2,85
│134,7
───────────┼─────┼────┼────┤ │
│
├───┤
├─────┼───────┼───────
СК16-40б
│16000│3300│4700│ │
│ │- │ │1,28 │3,20 │167,3
СК16-40бн │
│ │ │
│ │
│400│
│1,30 │3,25
│150,4
───────────┼─────┼────┼────┤ │
│
├───┤
├─────┼───────┼───────
СК18-40б
│18000│3700│5300│ │
│ │- │ │1,44 │3,60 │183,0
СК18-40бн │
│ │ │
│ │ │400│ │1,46 │3,65 │166,0
───────────┼─────┼────┼────┼─────┼────┤ ├───┤
├─────┼───────┼───────
СК6-50б │6000 │- │-
│500 │340 │ │-
│ │0,62
│1,55 │85,2
───────────┼─────┼────┼────┤ │
│
├───┤
├─────┼───────┼───────
СК8-50б │8000
│1650│2400│
│ │ │-
│ │0,83
│2,08 │95,7
СК8-50бн │
│ │ │
│ │ │500│ │0,87 │2,18 │74,1
───────────┼─────┼────┼────┤ │
│
├───┤
├─────┼───────┼───────
СК10-50б
│10000│2100│2900│ │
│ │- │ │1,04 │2,60 │106,4
СК10-50бн │
│ │ │
│ │ │500│ │1,08 │2,70 │84,6
───────────┼─────┼────┼────┤ │
│
├───┤
├─────┼───────┼───────
СК12-50б │12000│2500│3500│ │
│ │- │ │1,26 │3,15 │117,0
СК12-50бн │
│ │ │
│ │ │500│ │1,29 │3,23 │95,2
───────────┼─────┼────┼────┤ │
│
├───┤
├─────┼───────┼───────
СК14-50б
│14000│2900│4100│ │
│ │-
│ │1,47
│3,67 │169,4
СК14-50бн │
│ │ │
│ │ │500│ │1,50 │3,75 │148,0
───────────┼─────┼────┼────┤ │
│
├───┤
├─────┼───────┼───────
СК16-50б
│16000│3300│4700│ │
│ │- │ │1,68 │4,30 │186,1
СК16-50бн │
│ │ │
│ │ │500│ │1,72 │4,30 │164,6
───────────┼─────┼────┼────┤ │
│
├───┤
├─────┼───────┼───────
СК18-50б
│18000│3700│5300│ │
│ │- │ │1,89 │4,72 │202,7
СК18-50бн │
│ │ │
│ │ │500│ │1,93 │4,83 │181,2
───────────┼─────┼────┼────┼─────┼────┼─────┼───┤
├─────┼───────┼───────
СК6-60б │6000 │- │-
│600 │400 │100 │-
│ │0,93
│2,32 │107,1
───────────┼─────┼────┼────┤ │
│ ├───┤
├─────┼───────┼───────
СК8-60б │8000
│1650│2400│
│ │ │-
│ │1,24
│3,10 │120,0
СК8-60бн │
│ │ │
│ │ │600│ │1,30 │3,25 │91,8
───────────┼─────┼────┼────┤ │
│
├───┤ ├─────┼───────┼───────
СК10-60б
│10000│2100│2900│ │
│ │- │ │1,55 │3,88 │133,0
СК10-60бн │
│ │ │
│ │ │600│ │1,62 │4,05 │104,7
───────────┼─────┼────┼────┤ │
│
├───┤
├─────┼───────┼───────
СК12-60б
│12000│2500│3500│ │
│ │- │ │1,87 │4,68 │145,9
СК12-60бн │
│ │ │
│ │ │600│ │1,93 │4,83 │117,7
───────────┼─────┼────┼────┤ │
│
├───┤
├─────┼───────┼───────
СК14-60б
│14000│2900│4100│ │
│ │- │ │2,18 │5,45 │203,0
СК14-60бн │
│ │ │
│ │ │600│ │2,25 │5,63 │175,0
───────────┼─────┼────┼────┤ │
│
├───┤
├─────┼───────┼───────
СК16-60б
│16000│3300│4700│ │
│ │- │ │2,50 │6,25 │222,3
СК16-60бн │
│ │ │
│ │ │600│ │2,56 │6,40 │194,5
───────────┼─────┼────┼────┤ │
│
├───┤
├─────┼───────┼───────
СК18-60б │18000│3700│5300│ │
│ │- │
│2,81 │7,03
│241,6
СК18-60бн │
│ │ │
│ │ │600│ │2,87 │7,18 │213,8
───────────┼─────┼────┼────┼─────┼────┤
├───┼─────────┼─────┼───────┼───────
СК6-80б │6000 │- │-
│800 │600
│ │- │М400 │1,30 │3,25 │189,2
───────────┼─────┤ │
│ │ │
├───┤ ├─────┼───────┼───────
СК8-80б │8000 │ │
│ │ │
│- │ │1,74 │4,35 │218,4
СК8-80бн │
│ │ │
│ │ │800│ │1,88 │4,70 │175,8
───────────┼─────┤ │
│ │ │
├───┤ ├─────┼───────┼───────
СК10-80б │10000│ │
│ │ │
│- │ │2,18 │5,45 │247,6
СК10-80бн │
│ │ │
│ │ │800│ │2,32 │5,80 │205,0
───────────┼─────┤ │
│ │ │
├───┤ ├─────┼───────┼───────
СК12-80б │12000│ │
│ │ │
│- │ │2,62 │6,55 │276,9
СК12-80бн │
│ │ │
│ │ │800│ │2,76 │6,90 │234,4
───────────┼─────┤ │
├─────┼────┼─────┼───┤
├─────┼───────┼───────
СО6-100б │6000 │ │
│1000 │760 │120
│- │ │1,96 │4,90 │305,1
───────────┼─────┤ │
│ │ │
│ │ ├─────┼───────┼───────
СО8-100б │8000 │ │
│ │ │
│ │ │2,62 │6,55 │361,7
───────────┼─────┤ │
│ │ │
│ │ ├─────┼───────┼───────
СО10-100б │10000│ │
│ │ │
│ │ │3,28 │8,20 │418,4
───────────┼─────┤ │
│ │ │
│ │
├─────┼───────┼───────
СО12-100б │12000│ │
│ │ │
│ │ │3,95 │9,88 │475,0
───────────┼─────┤ │
├─────┼────┤ │
│
├─────┼───────┼───────
СО6-120б │6000 │ │
│1200 │960 │
│ │ │2,40 │6,00 │340,4
───────────┼─────┤ │
│ │ │
│ │ ├─────┼───────┼───────
СО8-120б │8000 │ │
│ │ │
│ │ │3,22 │8,05 │398,9
───────────┼─────┤ │
│ │ │
│ │ ├─────┼───────┼───────
СО10-120б │10000│ │
│ │ │
│ │ │4,03 │10,08 │457,5
───────────┼─────┤ │
│ │ │
│ │ ├─────┼───────┼───────
СО12-120б │12000│ │
│ │ │
│ │ │4,84 │12,10 │516,0
───────────┼─────┤ │
├─────┼────┤ │
│
├─────┼───────┼───────
СО6-160б │6000 │ │
│1600 │1360│
│ │ │3,29 │8,23 │417,2
───────────┼─────┤ │
│ │ │
│ │ ├─────┼───────┼───────
СО8-160б │8000 │ │
│ │ │
│ │ │4,41 │11,03 │481,4
───────────┼─────┤ │
│ │ │
│ │ ├─────┼───────┼───────
СО10-160б │10000│ │
│ │ │
│ │ │5,52 │13,80 │545,6
───────────┼─────┤ │
│ │ │
│ │
├─────┼───────┼───────
СО12-160б │12000│ │
│ │ │
│ │ │6,64 │16,60 │609,8
───────────┼─────┤ │
├─────┼────┼─────┼───┼─────────┼─────┼───────┼───────
СК6-40св │6000 │ │
│400 │240 │80 │-
│М300 │0,48
│1,20 │82,7
───────────┼─────┤ │
│ │ │
├───┤ ├─────┼───────┼───────
СК8-40св │8000 │ │
│ │ │
│- │ │0,64 │1,60 │100,3
СК8-40свн │
│ │ │
│ │ │400│ │0,66 │1,65 │89,3
───────────┼─────┤ │
│ │ │
├───┤ ├─────┼───────┼───────
СК10-40св │10000│ │
│ │ │
│- │ │0,80 │2,00 │118,0
СК10-40свн
│ │ │
│ │ │
│400│
│0,82 │2,05
│107,0
───────────┼─────┤ │
│ │ │
├───┤
├─────┼───────┼───────
СК12-40св │12000│ │
│ │ │
│- │ │0,96 │2,40 │135,6
СК12-40свн
│ │ │
│ │ │
│400│
│0,98 │2,45
│124,6
───────────┼─────┼────┼────┤ │
│
├───┤ ├─────┼───────┼───────
СК14-40св
│14000│2900│4100│ │
│ │- │ │1,12 │2,80 │153,2
СК14-40свн
│ │ │
│ │ │
│400│
│1,14 │2,85
│142,2
───────────┼─────┼────┼────┤ │
│ ├───┤
├─────┼───────┼───────
СК16-40св
│16000│3300│4700│ │
│ │- │ │1,28 │3,20 │170,7
СК16-40свн
│ │ │
│ │ │
│400│
│1,30 │3,25
│159,8
───────────┼─────┼────┼────┤ │
│
├───┤ ├─────┼───────┼───────
СК18-40св
│18000│3700│5300│ │
│ │- │ │1,45 │3,60 │188,3
СК18-40свн
│ │ │
│ │ │
│400│
│1,46 │3,65
│177,4
───────────┼─────┼────┼────┼─────┼────┤ ├───┤
├─────┼───────┼───────
СК6-50св │6000 │- │-
│500 │340 │ │-
│ │0,63
│1,58 │44,3
───────────┼─────┤ │
│ │ │
├───┤ ├─────┼───────┼───────
СК8-50св │8000 │ │
│ │ │
│- │ │0,84 │2,10 │112,8
СК8-50свн │
│ │
│ │ │
│500│
│0,88 │2,20
│98,6
───────────┼─────┤ │
│ │ │
├───┤ ├─────┼───────┼───────
СК10-50св │10000│ │
│ │ │
│- │ │1,05 │2,63 │131,5
СК10-50свн
│ │ │
│ │ │
│500│
│1,09 │2,73
│117,2
───────────┼─────┤ │
│ │ │
├───┤ ├─────┼───────┼───────
СК12-50св │12000│ │
│ │ │
│- │ │1,26 │3,15 │150,0
СК12-50свн
│ │ │
│ │ │
│500│ │1,30 │3,25 │135,7
───────────┼─────┼────┼────┤ │
│
├───┤
├─────┼───────┼───────
СК14-50св
│14000│2900│4100│ │
│ │- │ │1,47 │3,68 │168,6
СК14-50свн
│ │ │
│ │ │
│500│
│1,51 │3,78
│154,3
───────────┼─────┼────┼────┤ │
│
├───┤
├─────┼───────┼───────
СК16-50св
│16000│3300│4700│ │
│ │- │ │1,69 │4,23 │187,1
СК16-50свн
│ │ │
│ │ │
│500│
│1,72 │4,30
│172,9
───────────┼─────┼────┼────┤ │
│
├───┤
├─────┼───────┼───────
СК18-50св
│18000│3700│5300│ │
│ │- │ │1,90 │4,75 │205,7
СК18-50свн
│ │ │
│ │ │
│500│
│1,93 │4,83
│191,4
───────────┼─────┼────┼────┼─────┼────┼─────┼───┤ ├─────┼───────┼───────
СК6-60св │6000 │- │-
│600 │400 │100 │-
│ │0,94
│2,35 │112,1
───────────┼─────┤ │
│ │ │
├───┤ ├─────┼───────┼───────
СК8-60св │8000 │ │
│ │ │
│- │ │1,25 │3,13 │135,0
СК8-60свн │
│ │ │
│ │ │600│ │1,31 │3,28 │119,4
───────────┼─────┤ │
│ │ │
├───┤ ├─────┼───────┼───────
СК10-60св │10000│ │
│ │ │
│- │ │1,57 │3,93 │157,8
СК10-60свн
│ │ │
│ │ │
│600│
│1,62 │4,05
│142,2
───────────┼─────┤ │
│ │ │
├───┤ ├─────┼───────┼───────
СК12-60св │12000│ │
│ │ │
│- │ │1,88 │4,70 │180,8
СК12-60свн
│ │ │
│ │ │
│600│
│1,94 │4,85
│165,1
───────────┼─────┼────┼────┤ │
│
├───┤
├─────┼───────┼───────
СК14-60св
│14000│2900│4100│ │
│ │- │ │2,19 │5,48 │203,7
СК14-60свн
│ │ │
│ │ │
│600│
│2,25 │5,63
│187,9
───────────┼─────┼────┼────┤ │
│
├───┤
├─────┼───────┼───────
СК16-60св
│16000│3300│4700│ │
│ │- │ │2,51 │6,28 │226,5
СК16-60свн
│ │ │
│ │ │
│600│
│2,57 │6,43
│210,4
───────────┼─────┼────┼────┤ │
│
├───┤
├─────┼───────┼───────
СК18-60св
│18000│3700│5300│ │
│ │- │ │2,82 │7,05 │244,4
СК18-60свн
│ │ │
│ │ │
│600│
│2,88 │7,20
│233,8
───────────┼─────┼────┼────┼─────┼────┼─────┼───┼─────────┼─────┼───────┼───────
СК6-80св │6000 │- │-
│800 │600 │100 │-
│М400 │1,31
│3,28 │151,5
───────────┼─────┤ │
│ │ │
├───┤ ├─────┼───────┼───────
СК8-80св │8000 │ │
│ │ │
│- │ │1,75 │4,38 │179,9
СК8-80свн │
│ │ │
│ │ │800│ │1,89 │4,73 │155,1
───────────┼─────┤ │
│ │ │
├───┤ ├─────┼───────┼───────
СК10-80св │10000│ │
│ │ │
│- │ │2,19 │5,48 │208,2
СК10-80свн
│ │ │
│ │ │
│800│
│2,33 │5,83
│183,5
───────────┼─────┤ │
│ │ │
├───┤ ├─────┼───────┼───────
СК12-80св │12000│ │
│ │ │
│- │ │2,63 │6,58 │236,5
СК12-80свн
│ │ │
│ │ │
│800│
│2,77 │6,93
│211,9
───────────┼─────┤ │
├─────┼────┼─────┼───┤
├─────┼───────┼───────
СО6-100св │6000 │ │
│1000 │760 │120
│- │ │1,98 │4,95 │262,5
───────────┼─────┤ │
│ │ │
│ │ ├─────┼───────┼───────
СО8-100св │8000 │ │
│ │ │
│ │ │2,64 │6,60 │319,5
───────────┼─────┤ │
│ │ │
│ │
├─────┼───────┼───────
СО10-100св
│10000│ │ │
│ │ │
│ │3,31
│8,28 │376,6
───────────┼─────┤ │
│ │ │
│ │ ├─────┼───────┼───────
СО12-100св
│12000│ │ │
│ │ │
│ │3,97
│9,93 │438,7
───────────┼─────┤ │
├─────┼────┤ │
│
├─────┼───────┼───────
СО6-120св │6000 │ │
│12000│960 │
│ │ │2,43 │6,08 │295,1
СОУ6-120св
│ │ │
│ │ │
│ │ │2,43 │6,08 │419,4
───────────┼─────┤ │
│ │ │
│ │
├─────┼───────┼───────
СО8-120св │8000 │ │
│ │ │
│ │ │3,24 │8,10 │359,0
СОУ8-120свн│ │
│ │ │
│ │ │ │3,24 │8,10 │518,4
───────────┼─────┤ │
│ │ │
│ │
├─────┼───────┼───────
СО10-120св
│10000│ │ │
│ │ │
│ │4,06
│10,15 │418,0
СОУ10-120св│ │
│ │ │
│ │ │ │4,06 │10,15 │617,5
───────────┼─────┤ │
│ │ │
│ │
├─────┼───────┼───────
СО12-120св
│12000│ │ │
│ │ │
│ │4,87
│12,18 │477,0
СОУ12-120св│ │
│ │ │
│ │ │ │4,87 │12,18 │716,4
───────────┼─────┤ │
├─────┼────┤ │
│ ├─────┼───────┼───────
СО6-160св │6000 │ │
│16000│1360│
│ │ │3,33 │8,33 │376,6
СОУ6-160св
│ │ │
│ │ │
│ │ │3,33 │8,33 │669,9
───────────┼─────┤ │
│ │ │
│ │ ├─────┼───────┼───────
СО8-160св │8000 │ │
│ │ │
│ │ │4,44 │11,10 │440,8
СОУ8-160св
│ │ │
│ │ │
│ │ │4,44 │11,10 │832,5
───────────┼─────┤ │
│ │ │
│ │ ├─────┼───────┼───────
СО10-160св
│10000│ │ │
│ │ │
│ │5,56
│13,90 │505,5
СОУ10-160св│ │
│ │ │
│ │ │ │5,56 │13,90 │995,2
───────────┼─────┤ │
│ │ │
│ │ ├─────┼───────┼───────
СО12-160св
│12000│ │ │
│ │ │
│ │6,67
│16,68 │569,3
СОУ12-160св│ │
│ │ │
│ │ │ │6,67 │16,68 │1157,7
2.3. В качестве
крупного и мелкого заполнителей для бетона секций следует применять
фракционированный щебень из естественного камня с размерами фракций 10 - 20 мм
и природный обогащенный песок, отвечающие требованиям ГОСТ 10268-80. Применение
гравия в качестве крупного заполнителя не допускается.
2.4. Секции следует
армировать пространственными каркасами из стали следующих видов и классов:
продольная арматура
- горячекатаная арматурная сталь класса А-III по ГОСТ
5781-82 или класса Ат-III по ГОСТ 10884-81 (только
для стержней диаметром 10 мм и более);
поперечная арматура
(спираль) - арматурная проволока класса Вр-I или В-I по ГОСТ 6727-80, арматура наконечника -
горячекатаная арматурная сталь класса А-I по ГОСТ 5781-82.
Для изготовления
наконечника и стыковых элементов секций следует применять листовую сталь
толщиной 1 мм по ГОСТ 19903-74.
2.5. Арматурные
каркасы следует изготовлять на навивочно-сварочных
станках. Спираль следует приваривать к продольным стержням в каждом третьем
пересечении или в каждом пересечении через два витка на третий.
На расстоянии 0,5 м
от концов каркаса спираль должна быть приварена в каждом пересечении к
продольным стержням.
Допускается
изготовлять арматурные каркасы на специализированных стендах с обязательной
контактной точечной сваркой пересечений продольной и поперечной арматуры.
2.6. Армирование
секций с элементами болтовых стыков должно соответствовать указанному
на черт. 3 и 4.
Армирование секций
свай и свай-оболочек
с элементами
болтовых стыков

Черт. 3
Армирование секций
свай с элементами болтовых
стыков и с
наконечником

Черт. 4
Спецификация
арматурных изделий и элементов болтовых стыков на одну секцию приведена в табл.
2, выборка стали - в табл. 3.
Таблица 2
Спецификация
арматурных изделий на секцию сваи и сваи-оболочки
с элементами
болтовых стыков
──────────────────┬─────────────┬────────────────────┬────────────
Марка
секции сваи │ Арматурный
│ Элемент стыка │
Каркас
и сваи-оболочки │
каркас
├───────┬────────────┤наконечника
│ (1 шт.)
│ Марка │ Количество │
(1 шт.)
──────────────────┼─────────────┼───────┼────────────┼────────────
СК6-40б │К6-40б │Фб40 │2 │-
СК8-40б │К8-40б │ │2 │-
СК8-40бн │К8-40бн │ │1 │КН40
СК10-40б │К10-40б │ │2 │-
СК10-40бн │К10-40бн │ │1 │КН40
СК12-40б │К12-40б │ │2 │-
СК12-40бн │К12-40бн │ │1 │КН40
СК14-40б
│К14-40б │ │2 │-
СК14-40бн │К14-40бн │ │1 │КН40
СК16-40б │К16-40б │ │2 │-
СК16-40бн │К16-40бн │ │1 │КН40
СК18-40б │К18-40б │
│2 │-
СК18-40бн │К18-40бн │ │1 │КН40
──────────────────┼─────────────┼───────┼────────────┼────────────
СК6-50б │К6-50б │Фб50 │2 │-
СК8-50б │К8-50б │ │2 │-
СК8-50бн │К8-50бн │ │1 │КН50
СК10-50б │К10-50б │ │2 │-
СК10-50бн │К10-50бн │ │1 │КН50
СК12-50б │К12-50б │ │2 │-
СК12-50бн │К12-50бн │ │1 │КН50
СК14-50б │К14-50б │ │2 │-
СК14-50бн │К14-50бн │ │1 │КН50
СК16-50б │К16-50б │ │2 │-
СК16-50бн │К16-50бн │ │1 │КН50
СК18-50б │К18-50б │ │2 │-
СК18-50бн │К18-50бн │ │1 │КН50
──────────────────┼─────────────┼───────┼────────────┼────────────
СК6-60б │К6-60б │Фб60 │2 │-
СК8-60б
│К8-60б │ │2 │-
СК8-60бн │К8-60бн │ │1 │КН60
СК10-60б │К10-60б │ │2 │-
СК10-60бн │К10-60бн │ │1 │КН60
СК12-60б │К12-60б │ │2 │-
СК12-60бн │К12-60бн │ │1 │КН60
СК14-60б │К14-60б │ │2 │-
СК14-60бн │К14-60бн │ │1 │КН60
СК16-60б │К16-60б │ │2 │-
СК16-60бн │К16-60бн │ │1 │КН60
СК18-60б │К18-60б │ │2 │-
СК18-60бн │К18-60бн │ │1 │КН60
──────────────────┼─────────────┼───────┼────────────┼────────────
СК6-80б │К6-80б │Фб80 │2 │-
СК8-80б │К8-80б │ │2 │-
СК8-80бн │К8-80бн │ │1 │КН80
СК10-80б │К10-80б │ │2 │-
СК10-80бн │К10-80бн │ │1 │КН80
СК12-80б │К12-80б │ │2 │-
СК12-80бн │К12-80бн │ │1 │КН80
──────────────────┼─────────────┼───────┼────────────┼────────────
СО6-100б │К6-100б │Фб100 │2 │-
СО8-100б │К8-100б │ │ │
СО10-100б │К10-100б │ │ │
СО12-100б │К12-100б │ │ │
──────────────────┼─────────────┼───────┼────────────┼────────────
СО6-120б │К6-120б │Фб120
│2 │-
СО8-120б │К8-120б │ │ │
СО10-120б │К10-120б │ │ │
СО12-120б │К12-120б │ │ │
──────────────────┼─────────────┼───────┼────────────┼────────────
СО6-160б │К6-160б │Фб160 │2 │-
СО8-160б │К8-160б │ │ │
СО10-160б │К10-160б │ │ │
СО12-160б │К12-160б │ │ │
Таблица 3
Выборка стали на
секцию сваи и сваи-оболочки
с элементами
болтовых стыков
─────────┬─────────────────────────────────────┬────────────────────────────┬──────
Марка │ Арматурная сталь │ Листовая сталь │Всего
секции ├───────────────────────┬─────────────┼────────────────────────────┤масса,
сваи
и │ по ГОСТ 5781-82 │
по │ по ГОСТ
19903-74 │ кг
сваи-
├──────────┬────────────┤ГОСТ
6727-80,├─────────────┬───────┬──────┤
оболочки
│Класс A-I │Класс A-III │
класс B-I │ Толщина, мм
│Масса │Итого,│
├─────┬────┼─────┬──────┼─────┬───────┼───┬───┬─────┤наплав-│ кг │
│Диа- │Мас-│Диа-
│Масса,│Диа- │Масса, │ 1
│ 5 │ 8 │ленного│ │
│метр,│са,
│метр,│ кг │метр,│ кг
├───┴───┴─────┤метал-
│ │
│мм │кг
│мм │ │мм │
│ Масса, кг │ла, кг │ │
─────────┼─────┼────┼─────┼──────┼─────┼───────┼───┬───┬─────┼───────┼──────┼──────
СК6-40б │-
│- │8 │18,3
│5 │12,7 │-
│3,8│34,0 │2,4
│40,2 │71,2
СК8-40б │-
│- │ │24,6 │
│16,0 │- │3,8│34,0 │2,4 │40,2
│80,8
СК8-40бн
│8 │1,8 │ │24,0 │
│16,2
│0,6│1,9│17,0 │1,2 │20,7
│63,7
СК10-40б
│- │- │
│31,0 │ │19,3 │-
│3,8│34,0 │2,4
│40,2 │90,5
СК10-40бн│8 │1,8 │ │31,3 │
│19,5
│0,6│1,9│17,0 │1,2 │20,7
│73,3
СК12-40б
│- │- │
│37,3 │ │22,6 │-
│3,8│34,0 │2,4
│40,2 │100,1
СК12-40бн│8 │1,8 │ │37,6 │
│22,8
│0,6│1,9│17,0 │1,2 │20,7
│82,9
│ │
├─────┤ │ │ │
│ │ │ │ │
СК14-40б
│- │- │10
│85,1 │ │26,2 │-
│3,8│34,0 │2,4
│40,2 │151,5
СК14-40бн│8 │1,8 │ │85,8 │
│26,4
│0,6│1,9│17,0 │1,2 │20,7
│134,7
СК16-40б
│- │-
│ │97,5 │
│29,6 │- │3,8│34,0 │2,4 │40,2
│167,3
СК16-40бн│8 │1,8 │ │98,1 │
│29,8
│0,6│1,9│17,0 │1,2 │20,7
│150,4
СК18-40б
│- │- │
│109,8 │
│33,0 │- │3,8│34,0 │2,4 │40,2
│183,0
СК18-40бн│8 │1,8 │ │110,4 │ │33,1 │0,6│1,9│17,0
│1,2 │20,7 │166,0
─────────┼─────┼────┼─────┼──────┤
├───────┼───┼───┼─────┼───────┼──────┼──────
СК6-50б │-
│- │8 │18,3
│ │16,5 │-
│3,8│44,8 │1,8
│50,4 │85,2
СК8-50б │-
│- │ │24,6 │
│20,7 │- │3,8│44,8 │1,8 │50,4
│95,7
СК8-50бн
│8 │2,0 │ │25,0 │
│21,0
│0,9│1,9│22,4 │0,9 │26,1
│74,1
СК10-50б
│- │- │
│31,0 │ │25,0 │-
│3,8│44,8 │1,8
│50,4 │106,4
СК10-50бн│8 │2,0 │ │31,3 │
│25,2 │0,9│1,9│22,4
│0,9 │26,1 │84,6
СК12-50б
│- │- │
│37,3 │ │29,3 │-
│3,8│44,8 │1,8
│50,4 │117,0
СК12-50бн│8 │2,0 │ │37,6 │
│29,5
│0,9│1,9│22,4 │0,9 │26,1
│95,2
│ │
├─────┤ │ │
│ │
│ │ │ │
СК14-50б
│- │- │10
│85,1 │ │33,9 │-
│3,8│44,8 │1,8
│50,4 │169,4
СК14-50бн│8 │2,0 │ │85,8 │
│34,1
│0,9│1,9│22,4 │0,9 │26,1
│148,0
СК16-50б
│- │- │
│97,5 │ │38,2 │-
│3,8│44,8 │1,8
│50,4 │186,1
СК16-50бн│8 │2,0 │ │98,1 │
│38,4
│0,9│1,9│22,4 │0,9 │26,1
│164,6
СК18-50б
│- │- │
│109,8 │
│42,5 │- │3,8│44,8 │1,8 │50,4
│202,7
СК18-50бн│8 │2,0 │ │110,4 │ │42,7 │0,9│1,9│22,4 │0,9 │26,1
│181,2
─────────┼─────┼────┼─────┼──────┤
├───────┼───┼───┼─────┼───────┼──────┼──────
СК6-60б │-
│- │8 │22,9
│ │19,4 │-
│3,2│59,4 │2,2
│64,8 │107,1
СК8-60б │-
│- │ │30,8 │
│24,4 │- │3,2│59,4 │2,2 │64,8
│120,0
СК8-60бн
│8 │2,2 │ │31,2 │
│24,7
│1,3│1,6│29,7 │1,1 │33,7
│91,8
СК10-60б
│- │- │
│38,7 │ │29,5 │-
│3,2│59,4 │2,2
│64,8 │133,0
СК10-60бн│8 │2,2 │ │39,1 │
│29,7
│1,3│1,6│29,7 │1,1 │33,7
│104,7
СК12-60б
│- │- │
│46,6 │ │34,5 │-
│3,2│59,4 │2,2
│64,8 │145,9
СК12-60бн│8 │2,2 │ │47,0 │
│34,8
│1,3│1,6│29,7 │1,1 │33,7
│117,7
│ │
├─────┤ │ │ │
│ │ │ │ │
СК14-60б
│- │- │12
│98,0 │ │40,2 │-
│3,2│59,4 │2,2
│64,8 │203,0
СК14-60бн│8 │2,2 │ │98,7 │
│40,4
│1,3│1,6│29,7 │1,1 │33,7
│175,0
СК16-60б
│- │- │
│112,2 │
│45,3 │- │3,2│59,4 │2,2 │64,8
│222,3
СК16-60бн│8 │2,2 │ │113,0 │ │45,6 │1,3│1,6│29,7 │1,1 │33,7
│194,5
СК18-60б
│- │- │
│126,4 │
│50,4 │- │3,2│59,4 │2,2 │64,8
│241,6
СК18-60бн│8 │2,2 │ │127,2 │ │50,7 │1,3│1,6│29,7
│1,1 │33,7 │213,8
─────────┼─────┼────┼─────┼──────┤
├───────┼───┼───┼─────┼───────┼──────┼──────
СК6-80б │-
│- │10 │64,4
│ │27,0 │-
│7,2│83,4 │7,2
│97,8 │189,2
СК8-80б │-
│- │ │86,6 │
│34,0 │- │7,2│83,4 │7,2 │97,8
│218,4
СК8-80бн
│8 │2,7 │ │87,7 │
│34,3
│2,2│3,6│41,7 │3,6 │51,1
│175,8
СК10-80б
│- │- │
│108,8 │
│41,0 │- │7,2│83,4 │7,2 │97,8
│247,6
СК10-80бн│8 │2,7 │ │109,9 │ │41,3 │2,2│3,6│41,7
│3,6 │51,1 │205,0
СК12-80б
│- │- │
│131,1 │
│48,0 │- │7,2│83,4 │7,2 │97,8
│276,9
СК12-80бн│8 │2,7 │ │132,2 │ │48,4 │2,2│3,6│41,7
│3,6 │51,1 │234,4
─────────┼─────┼────┼─────┼──────┤
├───────┼───┼───┼─────┼───────┼──────┼──────
СО6-100б
│- │- │12
│139,1 │ │33,4 │-
│8,6│120,2│3,8
│132,6 │305,1
СО8-100б
│ │ │
│187,0 │
│42,1 │ │
│ │ │ │361,7
СО10-100б│ │
│ │235,0
│ │50,8 │
│ │ │ │ │418,4
СО12-100б│ │
│ │282,9
│ │59,5 │
│ │ │ │ │475,0
─────────┤ │
│
├──────┤
├───────┤ │
├─────┼───────┼──────┼──────
СО6-120б
│ │ │
│139,1 │
│40,9 │ │
│147,6│4,2
│160,4 │340,4
СО8-120б
│ │ │
│187,0 │
│51,5 │ │ │
│ │ │398,9
СО10-120б│ │
│ │235,0
│ │62,1 │
│ │ │ │ │457,5
СО12-120б│ │
│ │282,9
│ │72,7 │
│ │ │ │ │516,0
─────────┤ │
│
├──────┤
├───────┤
├───┼─────┼───────┼──────┼──────
СО6-160б
│ │ │
│144,2 │
│55,8 │ │9,4│202,2│5,6 │217,2 │417,2
СО8-160б
│ │ │
│193,9 │
│70,3 │ │
│ │ │ │481,4
СО10-160б│ │
│ │243,7
│ │84,7 │
│ │ │
│ │545,6
СО12-160б│ │
│ │293,4
│ │99,2 │
│ │ │ │ │609,8
2.7. Форма и
размеры арматурных каркасов секций с элементами болтовых стыков должны
соответствовать указанным на черт. 5 и 6.
Арматурный каркас
К6-40б - К12-160б

Черт. 5
Арматурный каркас
К8-40бн - К12-80бн

Черт. 6
Ведомость стержней
на один каркас приведена в табл. 4, выборка стали - в табл. 5.
Таблица 4
Ведомость стержней
на один каркас секции сваи
и сваи-оболочки с
элементами болтовых стыков
────────┬─────┬───────────────┬────────┬───────────────────┬──────
Марка
│Пози-│
Эскиз │Диаметр,│Размеры каркаса, мм│Коли-
каркаса
│ция
│ │ мм,
├───────┬─────┬─────┤чество
│ │ │ класс │
l │ D
│ с │
│ │ │ │ │
1 │ │
────────┼─────┼───────────────┼────────┼───────┼─────┼─────┼──────
К6-40б │1
│ │8АIII │5800
│- │129 │8
│2 │ │5BI │82670 │341
│- │1
────────┼─────┤
├────────┼───────┼─────┼─────┼──────
К8-40б │1
│
│8AIII │8700 │-
│129 │8
│2 │ │5ВI │104180 │341 │-
│1
────────┼─────┤
├────────┼───────┼─────┼─────┼──────
К8-40бн
│1 │ │8АIII │7900
│- │129 │8
│2 │ │5BI │105260 │341 │-
│1
────────┼─────┤
├────────┼───────┼─────┼─────┼──────
К10-40б
│1 │ │8АIII │9800
│- │129 │8
│2 │ │5BI │125690 │341 │-
│1
────────┼─────┤
├────────┼───────┼─────┼─────┼──────
К10-40бн│1 │ │8АIII │9900
│- │129 │8
│2 │ │5BI │126760 │341 │-
│1
────────┼─────┤
├────────┼───────┼─────┼─────┼──────
К12-40б
│1 │ │8АIII │11800
│- │129 │8
│2 │ │5BI │147200 │341 │-
│1
────────┼─────┤
├────────┼───────┼─────┼─────┼──────
К12-40бн│1 │ │8АIII │11900
│- │129 │8
│2 │ │5BI │148270 │341 │-
│1
────────┼─────┤
├────────┼───────┼─────┼─────┼──────
К14-40б
│1 │Рисунок │10AIII │13800
│- │104 │10
│2 │ │5BI │170670 │345 │-
│1
────────┼─────┤
├────────┼───────┼─────┼─────┼──────
К14-40бн│1 │ │10AIII │13900
│- │104 │10
│2 │ │5BI │171760 │345 │-
│1
────────┼─────┤
├────────┼───────┼─────┼─────┼──────
К16-40б
│1 │ │10AIII │15800
│- │104 │10
│2 │ │5BI │192430 │345 │-
│1
────────┼─────┤
├────────┼───────┼─────┼─────┼──────
К16-40бн│1 │ │10AIII │15900
│- │104 │10
│2 │ │5BI │193520 │345 │-
│1
────────┼─────┤
├────────┼───────┼─────┼─────┼──────
К18-40б
│1 │ │10AIII │17800
│- │104 │10
│2 │ │5BI │214180 │345 │-
│1
────────┼─────┤
├────────┼───────┼─────┼─────┼──────
К18-40бн│1 │Рисунок │10AIII │17900
│- │104 │10
│2 │ │5BI │215270 │345 │-
│1
────────┼─────┤
├────────┼───────┼─────┼─────┼──────
К6-50б │1
│
│8AIII │5800 │-
│168 │8
│2 │ │5BI │106800 │441 │-
│1
────────┼─────┤
├────────┼───────┼─────┼─────┼──────
К8-50б │1
│
│8AIII │7800 │-
│168 │8
│2 │ │5BI │134570 │441 │-
│1
────────┼─────┤
├────────┼───────┼─────┼─────┼──────
К8-50бн
│1 │ │8AIII │7900
│- │168 │8
│2 │ │5BI │135960 │441 │-
│1
────────┼─────┤
├────────┼───────┼─────┼─────┼──────
К10-50б
│1 │ │8AIII │9800
│- │168 │8
│2 │ │5BI │162330 │441 │-
│1
────────┼─────┤
├────────┼───────┼─────┼─────┼──────
К10-50бн│1 │ │8AIII │9900
│- │168 │8
│2 │ │5BI │163720 │441 │-
│1
────────┼─────┤
├────────┼───────┼─────┼─────┼──────
К12-50б
│1 │ │8AIII │11800
│- │168 │8
│2 │ │5BI │190100 │441 │-
│1
────────┼─────┤
├────────┼───────┼─────┼─────┼──────
К12-50бн│1 │ │8AIII │11900
│- │168 │8
│2 │ │5BI │191490 │441 │-
│1
────────┼─────┤
├────────┼───────┼─────┼─────┼──────
К14-50б
│1 │ │10AIII │13800
│- │135 │10
│2 │ │5BI │219830 │445 │-
│1
────────┼─────┤
├────────┼───────┼─────┼─────┼──────
К14-50бн│1 │ │10AIII │13900
│- │135 │10
│2 │ │5BI │221240 │445 │-
│1
────────┼─────┤
├────────┼───────┼─────┼─────┼──────
К16-50б
│1 │ │10AIII │15800
│- │135 │10
│2 │ │5BI │247850 │445 │-
│1
────────┼─────┤
├────────┼───────┼─────┼─────┼──────
К16-50бн│1 │ │10АIII │15900
│- │135 │10
│2 │ │5BI │249250 │445 │-
│1
────────┼─────┤
├────────┼───────┼─────┼─────┼──────
К18-50б
│1 │ │10АIII │17800
│- │135 │10
│2 │ │5BI │275870 │445 │-
│1
────────┼─────┤
├────────┼───────┼─────┼─────┼──────
К18-50бн│1 │ │10АIII │17900
│- │135 │10
│2 │ │5BI │277270 │445 │-
│1
────────┼─────┤
├────────┼───────┼─────┼─────┼──────
К6-60б │1
│
│8AIII │5800 │-
│160 │10
│2 │ │5BI │126120 │521 │-
│1
────────┼─────┤
├────────┼───────┼─────┼─────┼──────
К8-60б │1
│
│8AIII │7800 │-
│160 │10
│2 │ │5BI │158900 │521 │-
│1
────────┼─────┤
├────────┼───────┼─────┼─────┼──────
К8-60бн
│1 │ │8AIII │7900
│- │160 │10
│2 │ │5ВI │160530 │521 │-
│1
────────┼─────┤
├────────┼───────┼─────┼─────┼──────
К10-60б
│1 │Рисунок │8AIII │9800
│- │160 │10
│2 │ │5BI │191670 │521 │-
│1
────────┼─────┤
├────────┼───────┼─────┼─────┼──────
К10-60бн│1 │ │8AIII │9900
│- │160 │10
│2 │ │5BI │193310 │521 │-
│1
────────┼─────┤
├────────┼───────┼─────┼─────┼──────
К12-60б
│1 │ │10AIII │11800
│- │160 │10
│2 │ │5BI │224450 │521 │-
│1
────────┼─────┤
├────────┼───────┼─────┼─────┼──────
К12-60бн│1 │ │10AIII │11900
│- │160 │10
│2 │ │5BI │226090 │521 │-
│1
────────┼─────┤
├────────┼───────┼─────┼─────┼──────
К14-60б
│1 │Рисунок │12AIII │13800
│- │201 │8
│2 │ │5BI │261170 │529 │-
│1
────────┼─────┤
├────────┼───────┼─────┼─────┼──────
К14-60бн│1 │ │12AIII │13900
│- │201 │8
│2 │ │5BI │262840 │529 │-
│1
────────┼─────┤
├────────┼───────┼─────┼─────┼──────
К16-60б
│1 │ │12AIII │15800
│- │201 │8
│2 │ │5BI │294450 │529 │-
│1
────────┼─────┤
├────────┼───────┼─────┼─────┼──────
К16-60бн│1 │ │12AIII │15900
│- │201 │8
│2 │ │5BI │296120 │529 │-
│1
────────┼─────┤
├────────┼───────┼─────┼─────┼──────
К18-60б
│1 │ │12AIII │17800
│- │201 │8
│2 │ │5BI │327740 │529 │-
│1
────────┼─────┤
├────────┼───────┼─────┼─────┼──────
К18-60бн│1 │ │12AIII │17900
│- │201 │8
│2 │ │5BI │329400 │529 │-
│1
────────┼─────┤
├────────┼───────┼─────┼─────┼──────
К6-80б │1
│
│10AIII │5800 │-
│124 │18
│2 │ │5BI │175400 │725 │-
│1
────────┼─────┤
├────────┼───────┼─────┼─────┼──────
К8-80б │1
│
│10AIII │7800 │- │124
│18
│2 │ │5BI │220970 │725 │-
│1
────────┼─────┤
├────────┼───────┼─────┼─────┼──────
К8-80бн
│1 │ │10AIII │7900
│- │124 │18
│2 │ │5BI │223250 │725 │-
│1
────────┼─────┼───────────────┼────────┼───────┼─────┼─────┼──────
К10-80б
│1 │ │10AIII │9800
│- │124 │18
│2 │ │5BI │266540 │725 │-
│1
────────┼─────┤
├────────┼───────┼─────┼─────┼──────
К10-80бн│1 │ │10AIII │9900
│- │124 │18
│2 │ │5BI │268820 │725 │-
│1
────────┼─────┤
├────────┼───────┼─────┼─────┼──────
К12-80б
│1 │ │10AIII │11800
│- │124 │18
│2 │ │5BI │312120 │725 │-
│1
────────┼─────┤
├────────┼───────┼─────┼─────┼──────
К12-80бн│1 │ │10AIII │11900
│- │124 │18
│2 │ │5BI │314400 │725 │-
│1
────────┼─────┤
├────────┼───────┼─────┼─────┼──────
К6-100б
│1 │ │12AIII │5800
│- │102 │27
│2 │ │5BI │216960 │897 │-
│1
────────┼─────┤
├────────┼───────┼─────┼─────┼──────
К8-100б
│1 │ │12AIII │7800
│- │102 │27
│2 │ │5BI │273330 │897 │-
│1
────────┼─────┤
├────────┼───────┼─────┼─────┼──────
К10-100б│1 │Рисунок │12AIII │9800
│- │102 │27
│2 │ │5BI │329700 │897 │-
│1
────────┼─────┤
├────────┼───────┼─────┼─────┼──────
К12-100б│1 │ │12AIII │11800
│- │102 │27
│2 │ │5BI │386060 │897 │-
│1
────────┼─────┤
├────────┼───────┼─────┼─────┼──────
К6-120б
│1 │ │12AIII │5800
│- │126 │27
│2 │ │5BI │265300 │1097 │- │1
────────┼─────┤
├────────┼───────┼─────┼─────┼──────
К8-120б
│1 │Рисунок │12AIII │7800
│- │127 │27
│2 │ │5BI │234220 │1097 │- │1
────────┼─────┤
├────────┼───────┼─────┼─────┼──────
К10-120б│1 │ │12AIII │9800
│- │126 │27
│2 │ │5BI │403140 │1097 │- │1
────────┼─────┤
├────────┼───────┼─────┼─────┼──────
К12-120б│1 │ │12AIII │11800
│- │126 │27
│2 │ │5BI │472060 │1097 │- │1
────────┼─────┤
├────────┼───────┼─────┼─────┼──────
К6-160б
│1 │ │12AIII │5800
│- │166 │28
│2 │ │5BI │362000 │1497 │- │1
────────┼─────┤
├────────┼───────┼─────┼─────┼──────
К8-160б
│1 │ │12AIII │7800
│- │166 │28
│2 │ │5BI │456030 │1497 │- │1
────────┼─────┤
├────────┼───────┼─────┼─────┼──────
К10-160б│1 │ │12AIII │9800
│- │166 │28
│2 │ │5BI │550060 │1497 │- │1
────────┼─────┤
├────────┼───────┼─────┼─────┼──────
К12-160б│1 │ │12AIII │11800
│- │166 │28
│2 │ │5BI │644090 │1497 │- │1
Таблица 5
Выборка стали на
каркас секции сваи и сваи-оболочки
с элементами
болтовых стыков
──────────┬──────────────────────┬──────────────────────┬─────────
Марка
│ по ГОСТ 5781-82, │
по ГОСТ 6727-80, │ Всего
каркаса
│ класс А-III
│ класс В-1 │масса, кг
├───────────┬──────────┼───────────┬──────────┤
│Диаметр, мм│Масса, кг │Диаметр, мм│Масса, кг │
──────────┼───────────┼──────────┼───────────┼──────────┼─────────
К6-40б │8 │18,3 │5 │12,7 │31,0
К8-40б │ │24,6 │ │16,0 │40,6
К8-40бн │ │25,0 │ │16,2 │41,2
К10-40б │ │31,0 │ │19,3 │50,3
К10-40бн │ │31,3 │ │19,5 │50,8
К12-40б │ │37,3 │ │22,6 │59,9
К12-40бн │ │37,6 │ │22,8 │60,4
──────────┼───────────┼──────────┤
├──────────┼─────────
К14-40б │10 │85,1 │ │26,2 │111,3
К14-40бн │ │85,8 │ │26,4 │112,2
К16-40б │ │97,5 │ │29,6 │127,1
К16-40бн │ │98,1 │ │29,8 │127,9
К18-40б │ │109,8 │ │33,0 │142,8
К18-40бн │ │110,4 │ │33,1 │142,5
──────────┼───────────┼──────────┤
├──────────┼─────────
К6-50б │8 │18,3 │ │16,5 │34,8
К8-50б │ │24,6 │ │20,7 │45,3
К8-50бн │ │25,0 │ │21,0 │46,0
К10-50б │ │31,0 │ │25,0 │56,0
К10-50бн │ │31,3 │ │25,2 │56,5
К12-50б │ │37,3 │
│29,3 │66,6
К12-50бн │ │37,6 │ │29,5 │67,1
──────────┼───────────┼──────────┤
├──────────┼─────────
К14-50б │10 │85,1 │ │33,9 │119,0
К14-50бн │ │85,8 │ │34,1 │119,9
К16-50б │ │97,5 │ │38,2 │135,7
К16-50бн │ │98,1 │ │38,4 │136,5
К18-50б │ │109,8 │ │42,5 │152,3
К18-50бн │ │110,4 │ │42,7 │153,1
──────────┼───────────┼──────────┤
├──────────┼─────────
К6-60б │8 │22,9 │ │19,4 │42,3
К8-60б │ │30,8 │ │24,4 │55,2
К8-60бн │ │31,2 │ │24,7 │55,9
К10-60б │ │38,7 │ │29,5 │68,2
К10-60бн │ │39,1 │ │29,7 │68,8
К12-60б │ │46,6 │ │34,5 │81,1
К12-60бн │ │47,0 │ │34,8 │81,8
──────────┼───────────┼──────────┤
├──────────┼─────────
К14-60б │12 │98,0 │ │40,2 │138,2
К14-60бн │ │98,7 │ │40,4 │139,1
К16-60б │ │112,2 │ │45,3 │157,5
К16-60бн │ │113,0 │ │45,6 │158,6
К18-60б │ │126,4 │ │50,4 │176,8
К18-60бн │ │127,2 │ │50,7 │177,9
──────────┼───────────┼──────────┤
├──────────┼─────────
К6-80б │10 │64,4 │ │27,0 │91,4
К8-80б │ │86,6 │ │34,0 │120,6
К8-80бн │ │87,7 │ │34,3 │122,0
К10-80б │ │108,8 │ │41,0 │149,8
К10-80бн │ │109,9 │ │41,3 │151,2
К12-80б │ │131,1 │ │48,0 │179,1
К12-80бн │ │132,2 │ │48,4 │180,6
──────────┼───────────┼──────────┤
├──────────┼─────────
К6-100б │12 │139,1 │ │33,4 │172,5
К8-100б │ │187,0 │ │42,1 │229,1
К10-100б │ │235,0 │ │50,8 │285,8
К12-100б │ │282,9 │ │59,5 │342,4
К6-120б │ │139,1 │ │40,9 │180,0
К8-120б │ │187,0 │ │51,5 │238,5
К10-120б │ │235,0 │ │62,1 │297,1
К12-120б │ │282,9 │ │72,7 │355,6
К6-160б │ │144,2 │ │55,8 │200,0
К8-160б │ │193,9 │ │70,3 │214,2
К10-160б │ │243,7 │ │84,7 │328,4
К12-160б │ │293,4 │ │99,2 │392,6
2.8. Армирование
секций с элементами сварных стыков должно соответствовать указанному
на черт. 7 и 8.
Армирование секций
свай и свай-оболочек
с элементами
сварных стыков

Черт. 7
Армирование секций
свай и свай-оболочек
с элементами
сварных стыков и с наконечниками

Черт. 8
Спецификация
арматурных изделий и элементов сварных стыков на одну секцию приведена в табл.
6, выборка стали - в табл. 7.
Таблица 6
Спецификация
арматурных изделий на секцию сваи
и сваи-оболочки с
элементами сварных стыков
────────────┬──────────┬───────────────┬────────────────┬─────────
Марка
секции│Арматурный│ Элемент стыка │
Спираль головы │Каркас
сваи
и сваи-│
каркас
├───────┬───────┼───────┬────────┤наконеч-
оболочки │ (1 шт.) │ Марка │Коли- │ Марка │Количе-
│ника
│ │ │чество
│ │ство │(1 шт.)
────────────┼──────────┼───────┼───────┼───────┼────────┼─────────
СК6-40св │К6-40св │Фсв40
│2 │СГ40 │2 │-
СК8-40св │К8-40св │
│2 │ │2 │-
СК8-40свн │К8-40свн │
│1 │ │1 │КН40
СК10-40св │К10-40св │
│2 │ │2 │-
СК10-40свн │К10-40свн │ │1 │ │1 │КН40
СК12-40св │К12-40св │
│2 │ │2 │-
СК12-40свн │К12-40свн │ │1 │ │1 │КН40
СК14-40св │К14-40св │
│2 │ │2 │-
СК14-40свн │К14-40свн │ │1 │ │1 │КН40
СК16-40св │К16-40св │
│2 │ │2 │-
СК16-40свн │К16-40свн │ │1 │ │1 │КН40
СК18-40св │К18-40св │
│2 │ │2 │-
СК18-40свн │К18-40свн │ │1 │ │1 │КН40
────────────┼──────────┼───────┼───────┼───────┼────────┼─────────
СК6-50св │К6-50св │Фсв50
│2 │СГ50 │2 │-
СК8-50св │К8-50св │
│2 │ │2 │-
СК8-50свн │К8-50свн │
│1 │ │1 │КН50
СК10-50св │К10-50св │
│2 │ │2 │-
СК10-50свн │К10-50свн │ │1 │ │1 │КН50
СК12-50св │К12-50св │
│2 │ │2 │-
СК12-50свн │К12-50свн │ │1 │ │1 │КН50
СК14-50св │К14-50св │
│2 │ │2 │-
СК14-50свн │К14-50свн │ │1 │ │1 │КН50
СК16-50св │К16-50св │
│2 │ │2 │-
СК16-50свн │К16-50свн │ │1 │ │1 │КН50
СК18-50св │К18-50св │
│2 │ │2 │-
СК18-50свн │К18-50свн │ │1 │ │1 │КН50
────────────┼──────────┼───────┼───────┼───────┼────────┼─────────
СК6-60св │К6-60св │Фсв60
│2 │СГ60 │2 │-
СК8-60св │К8-60св │
│2 │ │2 │-
СК8-60свн │К8-60свн │
│1 │ │1 │КН60
СК10-60св │К10-60св │
│2 │ │2 │-
СК10-60свн │К10-60свн │ │1 │ │1 │КН60
СК12-60св │К12-60св │
│2 │ │2 │-
СК12-60свн │К12-60свн │ │1 │ │1 │КН60
СК14-60св │К14-60св │
│2 │ │2 │-
СК14-60свн │К14-60свн │ │1 │ │1 │КН60
СК16-60св │К16-60св │
│2 │ │2 │-
СК16-60свн │К16-60свн │ │1 │ │1 │КН60
СК18-60св │К18-60св │
│2 │ │2 │-
СК18-60свн │К18-60свн │ │1 │ │1 │КН60
────────────┼──────────┼───────┼───────┼───────┼────────┼─────────
СК6-80св │К6-80св │Фсв80
│2 │СГ80 │2 │-
СК8-80св │К8-80св │
│2 │ │2 │-
СК8-80свн │К8-80свн │
│1 │ │1 │КН80
СК10-80св │К10-80св │
│2 │ │2 │-
СК10-80свн │К10-80свн │ │1 │ │1 │КН80
СК12-80св │К12-80св │
│2 │ │2 │-
СК12-80свн │К12-80свн │ │1 │ │1 │КН80
────────────┼──────────┼───────┼───────┼───────┼────────┼─────────
СО6-100св │К6-100св │Фсв100 │2 │СГ100 │2
│-
СО8-100св │К8-100св │
│ │ │ │
СО10-100св │К10-100св │ │ │ │ │
СО12-100св │К12-100св │ │ │ │ │
────────────┼──────────┼───────┤
├───────┤ │
СО6-120св │К6-120св │Фсв120 │ │СГ120 │
│
СОУ6-120св │КУ6-120св │ │ │ │ │
СО8-120св │К8-120св │
│ │ │ │
СОУ8-120св │КУ8-120св │ │ │ │ │
СО10-120св │К10-120св │ │ │ │ │
СОУ10-120св
│КУ10-120св│
│ │ │ │
СО12-120св │К12-120св │ │ │ │ │
СОУ12-120св
│КУ12-120св│
│ │ │ │
────────────┼──────────┼───────┤
├───────┤ │
СО6-160св │К6-160св │Фсв160 │ │СГ160 │
│
СОУ6-160св │КУ6-160св │ │ │ │ │
СО8-160св │К8-160св │
│ │ │ │
СОУ8-160св │КУ8-160св │ │ │ │ │
СО10-160св │К10-160св │ │ │ │ │
СОУ10-160св
│КУ10-160св│
│ │ │ │
СО12-160св │К12-160св │ │ │ │ │
СОУ12-160св
│КУ10-160св│
│ │ │ │
Таблица 7
Выборка стали на
секцию сваи и сваи-оболочки
с элементами
сварных стыков
───────────┬───────────────────────────────────────────────────────┬────────────────────────────┬──────
Марка
сек- │ Арматурная
сталь │ Листовая сталь │Всего
ции свай и
├──────────────────────────────────────────┬────────────┼────────────────────────────┤масса,
свай- │ по ГОСТ 5781-82 │ по ГОСТ
│ по ГОСТ 19903-74 │
кг
оболочек
├──────────┬───────────────────────────────┤ 6727-80,
├──────────────┬──────┬──────┤
│Класс А-1 │ Класс А-III │ класс В-1 │ Толщина, мм │Масса │Итого,│
├─────┬────┼──────┬─────┬──────┬────┬──────┼─────┬──────┼───┬────┬─────┤напл.
│ кг │
│Диа- │Мас-│Диа- │Мас- │Диа- │Мас-│Итого,│Диа-
│Масса,│ 1 │ 5
│ 8 │метал-│ │
│метр,│са, │метр, │са, │метр, │са,
│ кг │метр,│ кг
├───┴────┴─────┤ла,
кг│ │
│мм │кг
│мм │кг │мм
│кг │ │мм │
│ Масса, кг │
│ │
───────────┼─────┼────┼──────┼─────┼──────┼────┼──────┼─────┼──────┼───┬────┬─────┼──────┼──────┼──────
СК6-40св │-
│- │12 │42,3 │18 │4,8 │47,1 │5
│15,6 │- │1,0 │17,2 │1,8 │20,0
│82,7
───────────┤ │
│ ├─────┤ │
├──────┤ ├──────┤ │
│ │ │
├──────
СК8-40св │
│ │ │56,5 │ │
│61,3 │ │19,0 │
│ │ │ │ │100,3
───────────┼─────┼────┤
├─────┤
├────┼──────┤
├──────┼───┼────┼─────┼──────┼──────┼──────
СК8-40свн │8
│1,8 │
│56,7 │
│2,4 │59,1
│ │18,0 │0,6│0,5 │8,6 │0,9
│10,6 │89,5
───────────┼─────┼────┤
├─────┤
├────┼──────┤
├──────┼───┼────┼─────┼──────┼──────┼──────
СК10-40св │-
│- │ │70,8 │ │4,8 │75,6 │
│22,4 │- │1,0 │17,2 │1,8 │20,0
│118,0
───────────┼─────┼────┤
├─────┤
├────┼──────┤
├──────┼───┼────┼─────┼──────┼──────┼──────
СК10-40свн
│8 │1,8 │ │70,9 │ │2,4 │73,3 │
│21,3 │0,6│0,5
│8,6 │0,9 │10,6
│107,0
───────────┼─────┼────┤
├─────┤
├────┼──────┤
├──────┼───┼────┼─────┼──────┼──────┼──────
СК12-40св │-
│- │ │85,0 │ │4,8 │89,8 │
│25,8 │- │1,0 │17,2 │1,8 │20,0
│135,6
───────────┼─────┼────┤
├─────┤
├────┼──────┤
├──────┼───┼────┼─────┼──────┼──────┼──────
СК12-40свн
│8 │1,8 │ │85,1 │ │2,4 │87,5 │
│24,7 │0,6│0,5
│8,6 │0,9 │10,6
│124,6
───────────┼─────┼────┤
├─────┤
├────┼──────┤
├──────┼───┼────┼─────┼──────┼──────┼──────
СК14-40св │-
│- │ │99,2 │ │4,8 │104,0 │ │29,2 │-
│1,0 │17,2 │1,8
│20,0 │153,2
───────────┼─────┼────┤
├─────┤ ├────┼──────┤
├──────┼───┼────┼─────┼──────┼──────┼──────
СК14-40свн
│8 │1,8 │ │99,3 │ │2,4 │101,7 │ │28,1 │0,6│0,5 │8,6 │0,9
│10,6 │142,2
───────────┼─────┼────┤
├─────┤
├────┼──────┤
├──────┼───┼────┼─────┼──────┼──────┼──────
СК16-40св │-
│- │ │113,4│ │4,8 │118,2 │ │32,5 │-
│1,0 │17,2 │1,8
│20,0 │170,7
───────────┼─────┼────┤
├─────┤
├────┼──────┤
├──────┼───┼────┼─────┼──────┼──────┼──────
СК16-40свн
│8 │1,8 │ │113,5│ │2,4 │115,9 │ │31,5 │0,6│0,5 │8,6 │0,9
│10,6 │159,8
───────────┼─────┼────┤
├─────┤
├────┼──────┤
├──────┼───┼────┼─────┼──────┼──────┼──────
СК18-40св │-
│- │ │127,6│ │4,8 │132,4 │ │35,9 │-
│1,0 │17,2 │1,8
│20,0 │188,3
───────────┼─────┼────┤
├─────┤
├────┼──────┤
├──────┼───┼────┼─────┼──────┼──────┼──────
СК18-40свн
│8 │1,8 │ │127,7│ │2,4 │130,1 │ │34,9 │0,6│0,5 │8,6 │0,9
│10,6 │177,4
───────────┼─────┼────┤ ├─────┤
├────┼──────┤
├──────┼───┼────┼─────┼──────┼──────┼──────
СК6-50св │-
│- │ │42,3 │ │6,0 │48,3 │
│20,4 │- │1,0 │22,4 │2,2 │25,6
│94,3
───────────┤ │
│ ├─────┤ │
├──────┤ ├──────┤ │
│ │ │
├──────
СК8-50св │
│ │ │56,5 │ │
│62,5 │ │24,7 │
│ │ │ │ │112,8
───────────┼─────┼────┤
├─────┤
├────┼──────┤
├──────┼───┼────┼─────┼──────┼──────┼──────
СК8-50свн │8
│2,0 │
│56,7 │
│3,0 │59,7
│ │23,2 │0,9│0,5 │11,2
│1,1 │13,7 │98,6
───────────┼─────┼────┤
├─────┤
├────┼──────┤
├──────┼───┼────┼─────┼──────┼──────┼──────
СК10-50св │-
│- │ │70,8 │ │6,0 │76,8 │
│29,1 │- │1,0 │22,4 │2,2 │25,6
│131,5
───────────┼─────┼────┤
├─────┤
├────┼──────┤
├──────┼───┼────┼─────┼──────┼──────┼──────
СК10-50свн
│8 │2,0 │ │70,9 │ │3,0 │73,9 │
│27,6 │0,9│0,5
│11,2 │1,1 │13,7 │117,2
───────────┼─────┼────┤
├─────┤
├────┼──────┤
├──────┼───┼────┼─────┼──────┼──────┼──────
СК12-50св │-
│- │ │85,0 │ │6,0 │91,0 │
│33,4 │- │1,0 │22,4 │2,2 │25,6
│150,0
───────────┼─────┼────┤
├─────┤
├────┼──────┤
├──────┼───┼────┼─────┼──────┼──────┼──────
СК12-50свн
│8 │2,0 │ │85,1 │ │3,0 │88,1 │
│32,0 │0,9│0,5
│11,2 │1,1 │13,7 │135,7
───────────┼─────┼────┤
├─────┤
├────┼──────┤
├──────┼───┼────┼─────┼──────┼──────┼──────
СК14-50св │-
│- │ │99,2 │ │6,0 │105,2 │ │37,0 │-
│1,0 │22,4 │2,2
│25,6 │168,6
───────────┼─────┼────┤
├─────┤
├────┼──────┤
├──────┼───┼────┼─────┼──────┼──────┼──────
СК14-50свн
│8 │2,0 │ │99,3 │ │3,0 │102,3 │ │36,3 │0,9│0,5 │11,2
│1,1 │13,7 │154,3
───────────┼─────┼────┤
├─────┤
├────┼──────┤
├──────┼───┼────┼─────┼──────┼──────┼──────
СК16-50св │-
│- │ │113,4│ │6,0 │119,4 │ │42,1 │-
│1,0 │22,4 │2,2
│25,6 │187,1
───────────┼─────┼────┤
├─────┤ ├────┼──────┤
├──────┼───┼────┼─────┼──────┼──────┼──────
СК16-50свн
│8 │2,0 │ │113,5│ │3,0 │116,5 │ │40,7 │0,9│0,5 │11,2
│1,1 │13,7 │172,9
───────────┼─────┼────┤
├─────┤
├────┼──────┤ ├──────┼───┼────┼─────┼──────┼──────┼──────
СК18-50св │-
│- │ │127,6│ │6,0 │133,6 │ │46,5 │-
│1,0 │22,4 │2,2
│25,6 │205,7
───────────┼─────┼────┤
├─────┤
├────┼──────┤
├──────┼───┼────┼─────┼──────┼──────┼──────
СК18-50свн
│8 │2,0 │ │127,7│ │3,0 │130,7 │ │45,0 │0,9│0,5 │11,2
│1,1 │13,7 │191,4
───────────┼─────┼────┤
├─────┼──────┼────┼──────┤
├──────┼───┼────┼─────┼──────┼──────┼──────
СК6-60св │-
│- │ │52,9 │- │-
│52,9 │ │24,6 │-
│5,2 │28,0 │1,4
│34,6 │112,1
───────────┤ │
│ ├─────┤ │
├──────┤ ├──────┤ │
│ │ │
├──────
СК8-60св │
│ │ │70,7 │ │
│70,7 │ │29,7 │
│ │ │ │ │135,0
───────────┼─────┼────┤
├─────┤ │
├──────┤
├──────┼───┼────┼─────┼──────┼──────┼──────
СК8-60свн │8
│2,2 │
│70,9 │ │ │70,9
│ │27,6 │1,3│2,6 │14,0 │0,7 │18,6
│119,4
───────────┼─────┼────┤
├─────┤ │
├──────┤
├──────┼───┼────┼─────┼──────┼──────┼──────
СК10-60св │-
│- │ │88,4 │ │
│88,4 │ │34,8 │-
│5,2 │28,0 │1,4
│34,6 │157,8
───────────┼─────┼────┤
├─────┤ │
├──────┤
├──────┼───┼────┼─────┼──────┼──────┼──────
СК10-60свн
│8 │2,2 │ │88,6 │ │
│88,6 │ │32,7 │1,3│2,6 │14,0
│0,7 │18,6 │142,2
───────────┼─────┼────┤
├─────┤ │
├──────┤
├──────┼───┼────┼─────┼──────┼──────┼──────
СК12-60св │-
│- │ │106,2│ │
│106,2 │
│40,0 │- │5,2 │28,0 │1,4 │34,6
│180,8
───────────┼─────┼────┤
├─────┤ │
├──────┤
├──────┼───┼────┼─────┼──────┼──────┼──────
СК12-60свн
│8 │2,2 │ │106,4│ │
│106,4 │
│37,9 │1,3│2,6
│14,0 │0,7 │18,6 │165,1
───────────┼─────┼────┤
├─────┤ │
├──────┤
├──────┼───┼────┼─────┼──────┼──────┼──────
СК14-60св │-
│- │ │124,0│ │
│124,0 │
│45,1 │- │5,2 │28,0 │1,4 │34,6
│203,7
───────────┼─────┼────┤
├─────┤ │
├──────┤
├──────┼───┼────┼─────┼──────┼──────┼──────
СК14-60свн
│8 │2,2 │ │124,1│ │
│124,1 │
│43,0 │1,3│2,6
│14,0 │0,7 │18,6 │187,9
───────────┼─────┼────┤
├─────┤ │
├──────┤
├──────┼───┼────┼─────┼──────┼──────┼──────
СК16-60св │-
│- │ │141,7│ │
│141,7 │
│50,2 │- │5,2 │28,0 │1,4 │34,6
│226,5
───────────┼─────┼────┤
├─────┤ │
├──────┤
├──────┼───┼────┼─────┼──────┼──────┼──────
СК16-60свн
│8 │2,2 │ │141,9│ │
│141,9 │
│48,1 │1,3│2,6
│14,0 │0,7 │18,6 │210,9
───────────┼─────┼────┤
├─────┤ │
├──────┤
├──────┼───┼────┼─────┼──────┼──────┼──────
СК18-60св │-
│- │ │159,5│ │
│159,5 │
│55,3 │- │5,2 │28,0 │1,4 │34,6
│249,4
───────────┼─────┼────┤
├─────┤ │
├──────┤
├──────┼───┼────┼─────┼──────┼──────┼──────
СК18-60свн
│8 │2,2 │ │159,7│ │
│159,7 │
│53,2 │1,3│2,6
│14,0 │0,7 │18,6 │233,8
───────────┼─────┼────┤
├─────┤ │
├──────┤
├──────┼───┼────┼─────┼──────┼──────┼──────
СК6-80св │-
│- │ │63,5 │ │
│63,5 │ │34,4 │-
│6,8 │45,0 │1,8
│53,6 │151,5
───────────┤ │
│ ├─────┤ │
├──────┤ ├──────┤ │ │
│ │
├──────
СК8-80св │
│ │ │84,8 │ │
│84,8 │ │41,5 │
│ │ │ │ │179,9
───────────┼─────┼────┤
├─────┤ │
├──────┤
├──────┼───┼────┼─────┼──────┼──────┼──────
СК8-80свн │8
│2,7 │
│85,0 │
│ │85,0 │
│38,4 │2,2│3,4
│22,5 │0,9 │29,0 │155,1
───────────┼─────┼────┤
├─────┤ │
├──────┤
├──────┼───┼────┼─────┼──────┼──────┼──────
СК10-80св │-
│- │ │106,1│ │
│106,1 │
│48,5 │- │6,8 │45,0 │1,8 │53,6
│208,2
───────────┼─────┼────┤
├─────┤ │
├──────┤
├──────┼───┼────┼─────┼──────┼──────┼──────
СК10-80свн
│8 │2,7 │ │106,3│ │
│106,3 │
│45,5 │2,2│3,4
│22,5 │0,9 │29,0 │183,5
───────────┼─────┼────┤
├─────┤ │
├──────┤
├──────┼───┼────┼─────┼──────┼──────┼──────
СК12-80св │-
│- │ │127,4│ │
│127,4 │
│55,6 │- │6,8 │45,0 │1,8 │53,6
│236,6
───────────┼─────┼────┤
├─────┤ │
├──────┤ ├──────┼───┼────┼─────┼──────┼──────┼──────
СК12-80свн
│8 │2,7 │ │127,7│ │
│127,7 │
│52,5 │2,2│3,4
│22,5 │0,9 │29,0 │211,9
───────────┼─────┼────┼──────┼─────┤ │
├──────┤
├──────┼───┼────┼─────┼──────┼──────┼──────
СО6-100св │-
│- │14 │144,0│ │
│144,0 │
│44,7 │- │13,6│57,8 │2,4 │73,8
│262,5
───────────┤ │
│ ├─────┤ │
├──────┤ ├──────┤ │
│ │ │
├──────
СО8-100св │
│ │ │192,3│ │
│192,3 │ │53,4
│ │ │
│ │ │319,5
───────────┤ │
│ ├─────┤ │
├──────┤ ├──────┤ │
│ │ │
├──────
СО10-100св
│ │ │
│240,6│ │ │240,6 │ │62,2 │
│ │ │ │ │376,6
───────────┤ │
│
├─────┤ │
├──────┤ ├──────┤ │
│ │ │
├──────
СО12-100св
│ │ │
│289,0│ │ │289,0 │ │70,9 │
│ │ │ │ │438,7
───────────┤ │
│ ├─────┤ │
├──────┤
├──────┤
├────┼─────┼──────┼──────┼──────
СО6-120св │
│ │ │144,0│ │
│144,0 │
│56,7 │ │16,2│80,0 │3,2 │99,4
│295,1
───────────┤ │
│ ├─────┤ │
├──────┤ ├──────┤ │
│ │ │ ├──────
СО8-120св │
│ │ │192,3│ │
│192,3 │
│67,3 │ │
│ │ │ │359,0
───────────┤ │
├──────┼─────┤ │
├──────┤ │
│
├────┤ │ │ ├──────
СОУ8-120св
│ │ │16
│351,7│ │ │351,7 │ │ │
│16,3│
│ │ │518,4
───────────┤ │
├──────┼─────┤ │
├──────┤ ├──────┤
├────┤ │ │ ├──────
СО10-120св
│ │ │14
│240,6│ │ │240,6 │ │78,0 │
│16,2│
│ │ │418,0
───────────┤ │
├──────┼─────┤ │
├──────┤ │
│
├────┤ │ │ ├──────
СОУ10-120св│ │
│16
│440,1│ │ │440,1 │ │ │
│16,7│
│ │ │617,5
───────────┤ │
├──────┼─────┤ │
├──────┤
├──────┤
├────┤ │ │ ├──────
СО12-120св
│ │ │14
│289,0│ │ │289,0 │ │88,6 │
│16,2│
│ │ │477,0
───────────┤ │
├──────┼─────┤ │
├──────┤ │
│ │ │
│ │
├──────
СОУ12-120св│ │
│16
│528,4│ │ │528,4 │ │ │
│ │ │ │ │716,2
───────────┤ │
├──────┼─────┤ │
├──────┤ ├──────┤
├────┼─────┼──────┼──────┼──────
СО6-160св │
│ │12 │148,2│ │
│148,2 │
│82,8 │ │21,2│120,2│4,2 │145,6 │376,6
───────────┤ │
├──────┼─────┤ │
├──────┤ ├──────┤ │
│ │ │
├──────
СОУ6-160св
│ │ │20
│440,9│ │ │440,9 │ │83,4 │
│ │ │ │ │669,6
───────────┤ │
├──────┼─────┤ │
├──────┤ ├──────┤ │
│ │ │
├──────
СО8-160св │
│ │12 │197,9│ │
│197,9 │
│97,3 │ │
│ │ │ │440,8
───────────┤ │
├──────┼─────┤ │
├──────┤ ├──────┤ │
│ │ │
├──────
СОУ8-160св
│ │ │20
│588,9│ │ │588,9 │ │98,0 │
│ │ │ │ │832,5
───────────┤ │
├──────┼─────┤ │
├──────┤ ├──────┤ │
│ │ │
├──────
СО10-160св
│ │ │12
│247,6│ │ │247,6 │ │111,8 │ │
│ │ │ │505,0
───────────┤ │
├──────┼─────┤ │
├──────┤ ├──────┤ │
│ │ │
├──────
СОУ10-160св│ │
│20
│736,8│
│ │736,8
│ │112,8 │ │
│ │ │ │995,0
───────────┤ │
├──────┼─────┤ │
├──────┤ ├──────┤ │
│ │ │
├──────
СО12-160св
│ │ │12
│297,4│ │ │297,4 │ │126,3 │ │
│ │ │ │569,2
───────────┤ │
├──────┼─────┤ │
├──────┤ ├──────┤ │
│ │ │
├──────
СОУ12-160св│ │
│20
│884,8│ │ │884,8 │ │127,3 │ │
│ │ │ │1157,7
2.9. Форма и
размеры арматурных каркасов секций с элементами сварных стыков должны
соответствовать указанным на черт. 9 - 12.
Арматурный каркас
К6-40св - К18-60св

Черт. 9
Арматурный каркас
К8-40свн - К18-60свн

Черт. 10
Арматурный каркас
К6-80св - К12-160св,
КУ6-120св -
КУ12-120св, КУ6-160св - КУ12-160св

Черт. 11
Арматурный каркас
К8-80свн - К12-80свн

Черт. 12
Ведомость стержней
на один каркас приведена в табл. 8, выборка стали - в табл. 9.
Таблица 8
Ведомость стержней
на один каркас секции сваи
и сваи-оболочки с
элементами сварных стыков
──────────┬─────┬─────────────┬────────┬───────────────────┬──────
Марка
│Пози-│ Эскиз │Диаметр,│Размеры
каркаса, мм│Коли-
каркаса
│ция
│ │ мм,
├──────┬──────┬─────┤чество
│ │ │ класс │
l │ D
│ с │
│ │ │ │ │
1 │ │
──────────┼─────┼─────────────┼────────┼──────┼──────┼─────┼──────
К6-40св │1
│
│12AIII │5960 │-
│104 │8
│2 │ │5BI │85700 │349 │-
│1
──────────┼─────┤
├────────┼──────┼──────┼─────┼──────
К8-40св │1
│
│12AIII │7960 │-
│104 │8
│2 │ │5BI │107710│349 │-
│1
──────────┼─────┤
├────────┼──────┼──────┼─────┼──────
К8-40свн │1
│
│12AIII │7980 │-
│104 │8
│2 │ │5BI │108810│349 │-
│1
──────────┼─────┤
├────────┼──────┼──────┼─────┼──────
К10-40св │1
│
│12AIII │9960 │-
│104 │8
│2 │ │5BI │129720│349 │-
│1
──────────┼─────┤
├────────┼──────┼──────┼─────┼──────
К10-40свн
│1 │ │12AIII │9980
│- │104 │8
│2 │ │5BI │130820│349 │-
│1
──────────┼─────┤
├────────┼──────┼──────┼─────┼──────
К12-40св │1
│
│12AIII │11960
│- │104 │8
│2 │ │5BI │151730│349 │-
│1
──────────┼─────┤
├────────┼──────┼──────┼─────┼──────
К12-40свн
│1 │ │12AIII │11980 │- │104
│8
│2 │ │5BI │152820│349 │-
│1
──────────┼─────┤
├────────┼──────┼──────┼─────┼──────
К14-40св │1
│
│12AIII │13960
│- │104 │8
│2 │ │5BI │173740│349 │-
│1
──────────┼─────┤
├────────┼──────┼──────┼─────┼──────
К14-40свн
│1 │Рисунок │12AIII │13980 │- │104
│8
│2 │ │5BI │174830│349 │-
│1
──────────┼─────┤
├────────┼──────┼──────┼─────┼──────
К16-40св │1
│
│12AIII │15960
│- │104 │8
│2 │ │5BI │195740│349 │-
│1
──────────┼─────┤
├────────┼──────┼──────┼─────┼──────
К16-40свн
│1 │ │12AIII │15980 │- │104
│8
│2 │ │5BI │196840│349 │-
│1
──────────┼─────┤
├────────┼──────┼──────┼─────┼──────
К18-40св │1
│
│12AIII │17960
│- │104 │8
│2 │ │5BI │217750│349 │-
│1
──────────┼─────┤
├────────┼──────┼──────┼─────┼──────
К18-40свн
│1 │Рисунок │12AIII │17980 │- │104
│8
│2 │ │5BI │218850│349 │-
│1
──────────┼─────┤
├────────┼──────┼──────┼─────┼──────
К6-50св │1
│
│12AIII │5960 │-
│136 │8
│2 │ │5BI │110140│449 │-
│1
──────────┼─────┤
├────────┼──────┼──────┼─────┼──────
К8-50св │1
│
│12AIII │7960 │-
│136 │8
│2 │ │5BI │138410│449 │-
│1
──────────┼─────┤
├────────┼──────┼──────┼─────┼──────
К8-50свн │1
│
│12AIII │7980 │-
│136 │8
│2 │ │5BI │139820│449 │-
│1
──────────┼─────┤
├────────┼──────┼──────┼─────┼──────
К10-50св │1
│
│12AIII │9960 │-
│136 │8
│2 │ │5BI │166680│449 │-
│1
──────────┼─────┤
├────────┼──────┼──────┼─────┼──────
К10-50свн
│1 │ │12AIII │9980
│- │136 │8
│2 │ │5BI │168100│449 │-
│1
──────────┼─────┤
├────────┼──────┼──────┼─────┼──────
К12-50св │1
│
│12AIII │11960
│- │136 │8
│2 │ │5BI │194950│449 │-
│1
──────────┼─────┤
├────────┼──────┼──────┼─────┼──────
К12-50свн
│1 │ │12AIII │11980 │- │136
│8
│2 │ │5BI │196360│449 │-
│1
──────────┼─────┤
├────────┼──────┼──────┼─────┼──────
К14-50св │1
│
│12AIII │13960
│- │136 │8
│2 │ │5BI │223220│449 │-
│1
──────────┼─────┤
├────────┼──────┼──────┼─────┼──────
К14-50свн
│1 │ │12AIII │13980 │- │136
│8
│2 │ │5BI │224630│449 │-
│1
──────────┼─────┤
├────────┼──────┼──────┼─────┼──────
К16-50св │1
│
│12AIII │15960
│- │136 │8
│2 │ │5BI │251480│449 │-
│1
──────────┼─────┤
├────────┼──────┼──────┼─────┼──────
К16-50свн
│1 │ │12AIII │15980 │- │136
│8
│2 │ │5BI │252900│449 │-
│1
──────────┼─────┤
├────────┼──────┼──────┼─────┼──────
К18-50св │1
│
│12AIII │17960
│- │136 │8
│2
│
│5BI
│279750│449
│- │1
──────────┼─────┤
├────────┼──────┼──────┼─────┼──────
К18-50свн
│1 │ │12AIII │17980 │- │136
│8
│2 │ │5BI │281170│449 │-
│1
──────────┼─────┤
├────────┼──────┼──────┼─────┼──────
К6-60св │1
│
│12AIII │5960 │-
│134 │10
│2 │ │5BI │129710│529 │-
│1
──────────┼─────┤
├────────┼──────┼──────┼─────┼──────
К8-60св │1
│
│12AIII │7960 │-
│134 │10
│2 │ │5BI │162990│529 │-
│1
──────────┼─────┤
├────────┼──────┼──────┼─────┼──────
К8-60свн │1
│
│12AIII │7980 │-
│134 │10
│2
│
│5BI
│164650│529
│- │1
──────────┼─────┤
├────────┼──────┼──────┼─────┼──────
К10-60св │1
│Рисунок
│12AIII │9960 │-
│134 │10
│2 │ │5BI │196270│529 │-
│1
──────────┼─────┤
├────────┼──────┼──────┼─────┼──────
К10-60свн
│1 │ │12AIII │9980
│- │134 │10
│2 │ │5BI │197940│529 │-
│1
──────────┼─────┤
├────────┼──────┼──────┼─────┼──────
К12-60св │1
│
│12AIII │11960
│- │134 │10
│2 │ │5BI │229560│529 │-
│1
──────────┼─────┤
├────────┼──────┼──────┼─────┼──────
К12-60свн
│1 │ │12AIII │11980 │- │134
│10
│2
│
│5BI
│231220│529
│- │1
──────────┼─────┤
├────────┼──────┼──────┼─────┼──────
К14-60св │1
│Рисунок
│12AIII │13960
│- │134 │10
│2 │ │5BI │262840│529 │-
│1
──────────┼─────┤
├────────┼──────┼──────┼─────┼──────
К14-60свн
│1 │ │12AIII │13980 │- │134
│10
│2 │ │5BI │264500│529 │-
│1
──────────┼─────┤
├────────┼──────┼──────┼─────┼──────
К16-60св │1
│
│12AIII │15960
│- │134 │10
│2 │ │5BI │296120│529 │-
│1
──────────┼─────┤
├────────┼──────┼──────┼─────┼──────
К16-60свн
│1 │ │12AIII │15980 │- │134
│10
│2
│
│5BI
│297780│529
│- │1
──────────┼─────┤
├────────┼──────┼──────┼─────┼──────
К18-60св │1
│
│12AIII │17960
│- │134 │10
│2 │ │5В1 │329400│529 │-
│1
──────────┼─────┤
├────────┼──────┼──────┼─────┼──────
К18-60свн
│1 │ │12AIII │17980 │- │134
│10
│2 │ │5BI │331060│529 │-
│1
──────────┼─────┤
├────────┼──────┼──────┼─────┼──────
К6-80св │1
│
│12AIII │5960 │-
│186 │12
│2 │ │5BI │174070│729 │-
│1
──────────┼─────┤
├────────┼──────┼──────┼─────┼──────
К8-80св │1
│
│12AIII │7960 │-
│186 │12
│2
│
│5BI
│219900│729
│- │1
──────────┼─────┤
├────────┼──────┼──────┼─────┼──────
К8-80свн │1
│
│12AIII │7980 │-
│186 │12
│2 │ │5BI │224480│729 │-
│1
──────────┼─────┤
├────────┼──────┼──────┼─────┼──────
К10-80св │1
│
│12AIII │9960 │-
│186 │12
│2 │ │5BI │265720│729 │-
│1
──────────┼─────┤
├────────┼──────┼──────┼─────┼──────
К10-80свн
│1 │ │12AIII │9980
│- │186 │12
│2 │ │5BI │270300│729 │-
│1
──────────┼─────┤
├────────┼──────┼──────┼─────┼──────
К12-80св │1
│
│12AIII │11960
│- │186 │12
│2
│
│5BI
│311550│729
│- │1
──────────┼─────┤
├────────┼──────┼──────┼─────┼──────
К12-80свн
│1 │ │12AIII │11980 │- │186
│12
│2 │ │5BI │316130│729 │-
│1
──────────┼─────┤
├────────┼──────┼──────┼─────┼──────
К6-100св │1
│
│14AIII │5960 │-
│138 │20
│2 │ │5BI │215100│901 │-
│1
──────────┼─────┤
├────────┼──────┼──────┼─────┼──────
К8-100св │1
│
│14AIII │7960 │-
│138 │20
│2 │ │5BI │271720│901 │-
│1
──────────┼─────┤
├────────┼──────┼──────┼─────┼──────
К10-100св
│1 │ │14AIII │9960
│- │138 │20
│2
│
│5BI
│328340│901
│- │1
──────────┼─────┤
├────────┼──────┼──────┼─────┼──────
К12-100св
│1 │ │14AIII │11960 │- │138
│20
│2 │ │5BI │384960│901 │-
│1
──────────┼─────┤
├────────┼──────┼──────┼─────┼──────
К6-120св │1
│Рисунок
│14AIII │5960 │-
│170 │20
│2 │ │5BI │262810│1101 │-
│1
──────────┼─────┤
├────────┼──────┼──────┼─────┼──────
КУ6-120св
│1 │ │16AIII │5960
│- │121 │28
│2 │ │5BI │262810│1105 │-
│1
──────────┼─────┤
├────────┼──────┼──────┼─────┼──────
К8-120св │1
│
│14AIII │7960 │-
│170 │20
│2
│
│5BI
│331980│1101
│- │1
──────────┼─────┤
├────────┼──────┼──────┼─────┼──────
КУ8-120св
│1 │ │16AIII │7960
│- │121 │28
│2 │ │5BI │331980│1105 │-
│1
──────────┼─────┤
├────────┼──────┼──────┼─────┼──────
К10-120св
│1 │Рисунок │14AIII │9960
│- │170 │20
│2 │ │5BI │401160│1101 │-
│1
──────────┼─────┤
├────────┼──────┼──────┼─────┼──────
КУ10-120св│1 │ │16AIII │9960
│- │121 │28
│2 │ │5BI │401160│1105 │-
│1
──────────┼─────┤
├────────┼──────┼──────┼─────┼──────
К12-120св
│1 │ │14AIII │11960 │- │170
│20
│2
│
│5BI
│470330│1101
│- │1
──────────┼─────┤
├────────┼──────┼──────┼─────┼──────
КУ12-120св│1 │ │16AIII │11960 │- │121
│28
│2 │ │5BI │470330│1105 │-
│1
──────────┼─────┤
├────────┼──────┼──────┼─────┼──────
К6-160св │1
│
│12AIII │5960 │-
│166 │28
│2 │ │5BI │357300│1497 │-
│1
──────────┼─────┤
├────────┼──────┼──────┼─────┼──────
КУ6-160св
│1 │ │20AIII │5960
│- │156 │30
│2 │ │5BI │361110│1513 │-
│1
──────────┼─────┤
├────────┼──────┼──────┼─────┼──────
К8-160св │1
│
│12AIII │7960 │-
│166 │28
│2
│
│5BI
│451330│1497
│- │1
──────────┼─────┤
├────────┼──────┼──────┼─────┼──────
КУ8-160св
│1 │ │20AIII │7960
│- │156 │30
│2 │ │5BI │456150│1513 │-
│1
──────────┼─────┤
├────────┼──────┼──────┼─────┼──────
К10-160св
│1 │ │12AIII │9960
│- │166 │28
│2 │ │5BI │545360│1497 │-
│1
──────────┼─────┤
├────────┼──────┼──────┼─────┼──────
КУ10-160св│1 │ │20AIII │9960
│- │156 │30
│2 │ │5BI │551190│1513 │-
│1
──────────┼─────┤
├────────┼──────┼──────┼─────┼──────
К12-160св
│1 │ │12AIII │11960 │- │166
│28
│2
│
│5BI
│639390│1497
│- │1
──────────┼─────┤
├────────┼──────┼──────┼─────┼──────
КУ12-160св│1 │ │20AIII │11960 │- │156
│30
│2 │ │5BI │646230│1513 │-
│1
Таблица 9
Выборка стали на
каркас секции сваи и сваи-оболочки
с элементами
сварных стыков
────────────┬───────────────────────────────────────────┬─────────
Марка
│ Арматурная
сталь
│ Всего
каркаса
├─────────────────────┬─────────────────────┤
масса,
│ по ГОСТ 5781-82, │
по ГОСТ 6727-80, │ кг
│ класс A-III │ класс B-I │
├───────────┬─────────┼───────────┬─────────┤
│Диаметр, мм│Масса, кг│Диаметр,
мм│Масса, кг│
────────────┼───────────┼─────────┼───────────┼─────────┼─────────
К6-40св │12 │42,3 │5 │12,7 │55,5
К8-40св │ │56,5 │ │16,6 │73,1
К8-40свн │ │56,7 │ │16,7 │73,5
К10-40св │ │70,8 │ │20,0 │90,8
К10-40свн │ │70,9 │ │20,1 │91,0
К12-40св │ │85,0 │ │23,4 │108,4
К12-40свн │ │85,1 │ │23,5 │108,6
К14-40св │ │99,2 │ │26,8 │126,0
К14-40свн │ │99,3 │ │26,9 │126,2
К16-40св │ │113,4 │ │30,1 │143,5
К16-40свн │ │113,5 │ │30,3 │143,8
К18-40св │ │127,6 │ │33,5 │161,1
К18-40свн │ │127,7 │ │33,7 │161,4
────────────┤
├─────────┤
├─────────┼─────────
К6-50св │ │42,3 │ │17,0 │59,3
К8-50св │ │56,5 │ │21,3 │77,8
К8-50свн │ │56,7 │ │21,5 │78,2
К10-50св │ │70,8 │ │25,7 │96,5
К10-50свн │ │70,9 │ │25,9 │96,8
К12-50св │ │35,0 │ │30,0 │115,0
К12-50свн │ │85,1 │ │30,3 │115,3
К14-50св │ │99,2 │ │34,4 │133,6
К14-50свн │ │99,3 │ │34,6 │133,9
К16-50св │ │113,4 │ │38,7 │152,1
К16-50свн │ │113,5 │ │39,0 │152,5
К18-50св │ │127,6 │ │43,1 │170,7
К18-50свн │ │127,7 │ │43,3 │171,0
────────────┤
├─────────┤
├─────────┼─────────
К6-60св │ │52,9 │ │20,0 │72,9
К8-60св │ │70,7 │ │25,1 │95,8
К8-60свн │ │70,9 │ │25,3 │96,3
К10-60св │ │88,4 │ │20,2 │118,6
К10-60свн │ │88,6 │ │30,4 │119,1
К12-60св │ │106,2 │ │35,4 │141,6
К12-60свн │ │106,4 │ │35,6 │142,0
К14-60св │
│124,0 │ │40,5 │164,5
К14-60свн │ │124,1 │ │40,7 │164,8
К16-60св │ │141,7 │ │45,6 │187,3
К16-60свн │ │141,9 │ │45,8 │187,8
К18-60св │ │159,5 │ │50,7 │210,2
К18-60свн │ │159,7 │ │50,9 │210,7
────────────┤
├─────────┤
├─────────┼─────────
К6-80св │ │63,5 │ │26,8 │90,3
К8-80св │ │84,8 │ │33,9 │118,7
К8-80свн │ │85,0 │ │34,6 │119,6
К10-80св │ │106,1 │ │40,9 │147,0
К10-80свн │ │106,3 │ │41,7 │148,0
К12-80св │ │127,4 │ │48,0 │175,4
К12-80свн │ │127,7 │ │48,7 │176,4
────────────┼───────────┼─────────┤
├─────────┼─────────
К6-100св │14 │144,0 │ │33,1 │177,1
К8-100св │ │192,3 │ │41,8 │234,1
К10-100св │ │240,6 │ │50,6 │291,2
К12-100св │ │239,0 │ │59,3 │348,3
────────────┼───────────┼─────────┤
├─────────┼─────────
К6-120св │14 │144,0 │ │40,5 │184,5
КУ6-120св │16 │263,3 │ │40,5 │303,8
К8-120св │14 │192,3 │ │51,1 │243,4
КУ8-120св │16 │351,7 │ │51,1 │402,8
К10-120св │14 │240,6 │ │61,8 │502,4
КУ10-120св │16 │440,1 │ │61,8 │501,9
К12-120св │14 │289,0 │ │72,4 │361,4
КУ12-120св │16 │528,4 │ │72,4 │600,8
────────────┼───────────┼─────────┤
├─────────┼─────────
К6-160св │12 │148,2 │ │55,0 │203,2
КУ6-160св │20 │440,9 │ │55,6 │496,5
К8-160св │12 │197,9 │ │69,5 │267,4
КУ8-160св │20 │588,9 │ │70,2 │659,1
К10-160св │12 │247,6 │ │84,0 │331,6
К12-160св │12 │297,4 │ │98,5 │395,9
КУ12-160св │20 │884,8 │ │99,5 │984,8
2.10. Форма, марки,
номинальные размеры наконечников и их арматурных каркасов, а также технические
показатели наконечников (марка бетона по прочности на сжатие и расход
материалов) должны соответствовать указанным на черт.
13, 14 и в табл. 10.
Наконечники Н40 -
Н80

Черт. 13
Каркасы КН40 - КН80

Черт. 14
Таблица 10
Номенклатура
наконечников
───────┬──────────┬───────────┬──────────┬───────┬──────┬─────────
Марка │Арматурные│Номинальные│Проектная
│ Объем │Масса │Расход
нако- │ каркасы │размеры, мм│ марка по
│бетона,│нако- │стали на
нечника│ (1 шт.)
├─────┬─────┤прочности
│ м3 │нечни-│один
│ │ Н
│ D │на сжатие,│ │ка, т │наконеч-
│ │ │
│ кгс/см3 │
│ │ник, кг
───────┼──────────┼─────┼─────┼──────────┼───────┼──────┼─────────
Н40 │КН40 │400 │400
│М300 │0,02 │0,05
│2,4
───────┼──────────┼─────┼─────┤
├───────┼──────┼─────────
Н50 │КН50 │500 │500
│ │0,03 │0,08
│2,9
───────┼──────────┼─────┼─────┼──────────┼───────┼──────┼─────────
Н60 │КН60 │600 │600
│М400 │0,06 │0,15
│3,5
───────┼──────────┼─────┼─────┤
├───────┼──────┼─────────
Н80 │КН80 │800 │800
│ │0,13 │0,32
│5,1
Ведомость стержней
и закладных изделий на один каркас наконечника приведена в табл. 11, выборка
стали на один каркас наконечника - в табл. 12.
Таблица 11
Ведомость стержней
и закладных изделий на один каркас наконечника
───────┬─────┬────────────────┬────────────────────────────┬──────
Марка │Пози-│ Эскиз
│ Размеры, мм │Коли-
каркаса│ция │
├───┬───┬───┬───┬───┬───┬────┤чество
│ │ │c │c
│d │d │ а │ R
│ l │
│ │ │ 1 │ 2 │ 1
│ 2 │ │ │
│
───────┼─────┼────────────────┼───┼───┼───┼───┼───┼───┼────┼──────
КН40 │1
│
│150│170│300│190│- │-
│1928│2
├─────┤
├───┼───┼───┼───┼───┤
├────┼──────
│2 │Рисунок │- │-
│- │- │148│ │592 │1
├─────┤ │ │
│ │
├───┼───┼────┼──────
│3 │ │ │
│ │ │-
│223│- │1
───────┼─────┤
├───┼───┼───┼───┤
├───┼────┼──────
КН50 │1
│
│200│220│400│238│ │-
│2150│2
├─────┤
├───┼───┼───┼───┼───┤
├────┼──────
│2 │ │- │-
│- │- │183│ │732 │1
├─────┤ │ │
│ │
├───┼───┼────┼──────
│3 │ │ │
│ │ │-
│279│- │1
───────┼─────┤
├───┼───┼───┼───┤
├───┼────┼──────
КН60 │1
│
│250│270│480│288│ │-
│2367│2
├─────┤
├───┼───┼───┼───┼───┤
├────┼──────
│2 │ │- │-
│- │- │225│ │900 │1
├─────┤Рисунок │ │
│ │
├───┼───┼────┼──────
│3 │ │ │
│ │ │-
│335│- │1
───────┼─────┤
├───┼───┼───┼───┤
├───┼────┼──────
КН80 │1
│
│350│370│680│388│ │-
│3050│2
├─────┤
├───┼───┼───┼───┼───┤
├────┼──────
│2 │ │- │-
│- │- │298│ │1192│1
├─────┤ │ │
│ │
├───┼───┼────┼──────
│3 │ │ │
│ │ │-
│446│- │1
Таблица 12
Выборка стали на
один каркас наконечника, кг
─────────────┬─────────────────────┬──────────────────┬───────────
Марка
каркаса│ Арматурная сталь по │
Листовая сталь
│ Всего
│ГОСТ 5781-82, диаметр│по ГОСТ 19903-74, │ масса
│ 8 мм, класс A-I │
толщина 1 мм │
─────────────┼─────────────────────┼──────────────────┼───────────
КН40 │1,8 │0,6 │2,4
КН50 │2,0 │0,9 │2,9
КН60 │2,2 │1,3 │3,5
КН80 │2,7 │2,2 │5,1
Арматурные выпуски
наконечника следует соединить с продольной арматурой каркаса секции точечной
сваркой по ГОСТ 14098-68 или вязальной проволокой до установки в опалубку.
Наконечник следует устанавливать по шаблону.
2.11. Концы секций
с элементами сварных стыков должны быть усилены спиралями из проволоки класса Вр-I или В-I по ГОСТ 6727-80.
Ведомость стержней
и выборка стали на одну спираль головы приведена в табл. 13.
Таблица 13
Ведомость стержней
и выборка стали на одну спираль головы
───────┬────────────────┬─────────┬───────┬───────┬───────┬───────
Марка │ Эскиз
│Диаметр, │ l, мм │D , мм │ Число │Масса,
спирали│ │мм,
класс│ │ 2 │витков │ кг
───────┼────────────────┼─────────┼───────┼───────┼───────┼───────
СГ40 │Рисунок │5BI │7450 │395
│6 │1,2
СГ50 │ │ │10890 │495
│7 │1,7
СГ60 │ │ │14950 │595
│8 │2,3
СГ80 │ │ │24970 │795
│10 │3,8
СГ100 │ │ │37500 │995
│12 │5,8
СГ120 │ │ │52540 │1195
│14 │8,1
СГ160 │ │ │90150 │1595
│18 │13,9
2.12. Форма, марки,
номинальные размеры элементов болтовых стыков должны соответствовать указанным на черт. 15 и в табл. 14.
Элемент болтового
стыка

Черт. 15
Таблица 14
Номенклатура
элементов болтовых стыков
─────┬─────┬────────┬──────────────────────────────────┬──────┬───────────
Марка│Пози-│ Эскиз │
Номинальные размеры, мм
│Коли- │Масса, кг
эле- │ция │
├────┬────┬────┬────┬───┬───┬──────┤чество├─────┬─────
мента│ │ │ D │ D
│ D │ D │ d │ a │ фи
│ │1 шт.│Всех
│
│ │
1 │ 2 │ 3 │
4 │ │ │
│ │ │
─────┼─────┼────────┼────┼────┼────┼────┼───┼───┼──────┼──────┼─────┼─────
Фб40
│1 │ │400 │240 │354
│- │15 │- │24°
│1 │4,9 │4,9
├─────┤ │
├────┼────┼────┼───┤
├──────┤ ├─────┼─────
│2
│ │ │-
│- │320
│- │ │-
│ │2,8 │2,8
├─────┤
├────┤ │
│ │ │
│ │
├─────┼─────
│3
│ │- │
│ │ │
│ │ │ │8,7 │8,7
├─────┤ │
│ │ ├────┤ ├───┤
├──────┼─────┼─────
│4
│ │ │
│ │- │
│35 │
│15 │0,126│1,9
─────┼─────┤
├────┴────┴────┴────┴───┴───┴──────┴──────┴─────┴─────
Фб50 │ │ │ Всего: 18,8
│
│
├────┬────┬────┬────┬───┬───┬──────┬──────┬─────┬─────
│1
│ │500
│340 │454 │-
│15 │-
│24° │1 │6,5
│6,5
├─────┤Рисунок │
├────┼────┼────┼───┤
├──────┤
├─────┼─────
│2
│ │ │-
│- │420 │- │
│- │ │3,6 │3,6
├─────┤
├────┤ │
│ │ │
│ │
├─────┼─────
│3
│ │- │
│ │ │
│ │ │ │11,5 │11,5
├─────┤ │ │
│
├────┤ ├───┤
├──────┼─────┼─────
│4
│ │ │
│ │- │
│35 │
│15 │0,126│1,9
─────┼─────┤
├────┴────┴────┴────┴───┴───┴──────┴──────┴─────┴─────
Фб60 │ │ │ Всего:
24,2
│
│
├────┬────┬────┬────┬───┬───┬──────┬──────┬─────┬─────
│1
│ │600
│400 │540 │-
│19 │-
│36° │1 │9,7
│9,7
├─────┤ │
├────┼────┼────┼───┤
├──────┤ ├─────┼─────
│2
│ │ │-
│- │500
│- │ │-
│ │5,4 │5,4
├─────┤
├────┤ │
│ │ │
│ │
├─────┼─────
│3
│ │- │
│ │ │
│ │ │ │13,8 │13,8
├─────┤ │ │
│
├────┤ ├───┤
├──────┼─────┼─────
│4
│ │ │
│ │- │
│45 │
│10 │0,157│1,6
─────┼─────┤Рисунок
├────┴────┴────┴────┴───┴───┴──────┴──────┴─────┴─────
Фб80 │ │ │ Всего:
31,3
│
│
├────┬────┬────┬────┬───┬───┬──────┬──────┬─────┬─────
│1
│ │800
│600 │740 │-
│19 │-
│15°39'│1
│13,4 │13,4
├─────┤ │
├────┼────┼────┼───┤
├──────┤ ├─────┼─────
│2
│ │ │-
│- │700
│- │ │-
│ │7,4
│7,4
├─────┤
├────┤ │
│ │ │
│ │
├─────┼─────
│3
│ │- │
│ │ │
│ │ │ │19,4 │19,4
├─────┤ │ │
│
├────┤ ├───┤
├──────┼─────┼─────
│4
│ │
│ │ │-
│ │45 │ │23 │0,157│3,6
─────┼─────┤
├────┴────┴────┴────┴───┴───┴──────┴──────┴─────┴─────
Фб100│ │ │ Всего:
45,1
│
│
├────┬────┬────┬────┬───┬───┬──────┬──────┬─────┬─────
│1
│
│1000│760 │918 │- │27 │- │17°08'│1 │20,1 │20,1
├─────┤ │
├────┼────┼────┼───┤
├──────┤ ├─────┼─────
│2
│ │ │-
│- │868
│- │ │-
│ │12,2
│12,2
├─────┤
├────┤ │
│ │ │
│ │
├─────┼─────
│3
│ │- │
│ │ │
│ │ │ │25,8 │25,8
├─────┤ │ │
│
├────┤ ├───┤
├──────┼─────┼─────
│4
│ │ │
│ │- │
│65 │ │21 │0,204│4,3
─────┼─────┤
├────┴────┴────┴────┴───┴───┴──────┴──────┴─────┴─────
Фб120│ │ │ Всего:
64,3
│
│
├────┬────┬────┬────┬───┬───┬──────┬──────┬─────┬─────
│1
│
│1200│960 │1118│- │27 │- │17°08'│1 │24,8 │24,8
├─────┤Рисунок │
├────┼────┼────┼───┤
├──────┤
├─────┼─────
│2
│ │ │-
│-
│1068│- │ │-
│ │14,8
│14,8
├─────┤
├────┤ │
│ │ │
│ │ ├─────┼─────
│3
│ │- │
│ │ │
│ │ │ │31,8 │31,8
├─────┤ │ │
│
├────┤ ├───┤
├──────┼─────┼─────
│4
│ │ │
│ │- │
│65 │
│21 │0,204│4,3
─────┼─────┤
├────┴────┴────┴────┴───┴───┴──────┴──────┴─────┴─────
Фб160│ │Рисунок
│
Всего: 78,0
│
│
├────┬────┬────┬────┬───┬───┬──────┬──────┬─────┬─────
│1
│ │1600│1360│1518│- │27 │- │15°39'│1 │34,2 │34,2
├─────┤ │
├────┼────┼────┼───┤
├──────┤ ├─────┼─────
│2
│ │ │-
│-
│1468│- │ │-
│ │20,0
│20,0
├─────┤
├────┤ │
│ │ │
│ │ ├─────┼─────
│3
│ │- │
│ │ │
│ │ │ │43,8 │43,8
├─────┤ │ │
│
├────┤ ├───┤
├──────┼─────┼─────
│4
│ │ │
│ │- │
│65 │
│23 │0,204│4,7
│
│ ├────┴────┴────┴────┴───┴───┴──────┴──────┴─────┴─────
│
│ │ Всего:
105,8
Примечание. В массу
элемента вошла масса наплавленного металла.
2.13. Форма, марки,
номинальные размеры элементов сварных стыков должны соответствовать указанным на черт. 16 и в табл. 15.
Элемент сварного
стыка

Черт. 16
Таблица 15
Номенклатура
элементов сварных стыков
──────┬─────┬────────┬───────────────────────────────────┬──────┬──────────
Марка
│Пози-│Эскиз
│ Номинальные размеры,
мм │Коли- │Масса, кг
эле- │ция │
├────┬────┬────┬────┬───┬───┬───┬───┤чество├─────┬────
мента
│ │ │ D │ D
│ D │ D │ H │ a │ b │фи
│ │1 шт.│Всех
│ │ │
1 │ 2 │ 3 │
4 │ │ │
│ │ │ │
──────┼─────┼────────┼────┼────┼────┼────┼───┼───┼───┼───┼──────┼─────┼────
Фсв40
│1 │ │346 │240 │- │-
│- │- │-
│- │1 │3,1
│3,1
├─────┤
├────┼────┼────┤ ├───┤ │
├───┤
├─────┼────
│2 │ │- │-
│362 │ │80
│ │ │60°│ │5,6 │5,6
├─────┤ │ │
│
├────┼───┤ │
├───┤
├─────┼────
│3 │ │ │
│ │398
│- │ │
│- │ │2,4 │2,4
├─────┤ │ │
├────┼────┤ ├───┤ │
├──────┼─────┼────
│4 │ │ │
│- │- │
│45 │ │ │6
│0,08 │0,5
│ │
├────┴────┴────┴────┴───┴───┴───┴───┴──────┴─────┴────
│ │ │ Всего: 11,9
──────┼─────┤
├────┬────┬────┬────┬───┬───┬───┬───┬──────┬─────┬────
Фсв50
│1 │Рисунок │446
│340 │- │- │-
│- │- │-
│1 │4,1 │4,1
├─────┤
├────┼────┼────┤ ├───┤ │
├───┤
├─────┼────
│2 │ │- │-
│462 │ │80
│ │ │60°│ │7,2 │7,2
├─────┤ │ │
│
├────┼───┤ │
├───┤
├─────┼────
│3 │ │ │
│ │498
│- │ │
│- │ │3,0 │3,0
├─────┤ │
│
├────┼────┤ ├───┤ │
├──────┼─────┼────
│4 │ │ │
│- │- │
│45 │ │ │6
│0,08 │0,5
│ │
├────┴────┴────┴────┴───┴───┴───┴───┴──────┴─────┴────
│ │ │ Всего: 15,2
──────┼─────┤Рисунок
├────┬────┬────┬────┬───┬───┬───┬───┬──────┬─────┬────
Фсв60
│1 │ │526 │340 │- │-
│- │- │-
│- │1 │5,7
│5,7
├─────┤
├────┼────┼────┤ ├───┤ │
├───┤
├─────┼────
│2 │ │- │-
│542 │ │80
│ │ │60°│ │8,4 │8,4
├─────┤ │ │
│
├────┼───┤
├───┼───┤
├─────┼────
│5 │ │ │
│ │600
│- │ │29 │- │
│2,0 │2,0
├─────┤ │ │
├────┼────┤
├───┼───┤ ├──────┼─────┼────
│4 │ │ │
│- │- │
│50 │- │ │6
│0,098│0,6
│ │
├────┴────┴────┴────┴───┴───┴───┴───┴──────┴─────┴────
│ │ │ Всего: 17,2
──────┼─────┤
├────┬────┬────┬────┬───┬───┬───┬───┬──────┬─────┬────
Фсв80
│1 │ │726 │600 │- │-
│- │- │-
│- │1 │8,2
│8,2
├─────┤
├────┼────┼────┤ ├───┤ │
├───┤
├─────┼────
│2 │ │- │-
│742 │
│100│ │ │60°│ │14,4 │14,4
├─────┤ │ │
│
├────┼───┤
├───┼───┤
├─────┼────
│5 │ │ │
│ │800
│- │ │29 │- │
│2,8 │2,8
├─────┤ │ │
├────┼────┤
├───┼───┤
├──────┼─────┼────
│4 │ │ │
│- │- │
│50 │- │ │6
│0,098│0,6
│ │
├────┴────┴────┴────┴───┴───┴───┴───┴──────┴─────┴────
│ │ │
Всего: 26,8
──────┼─────┤Рисунок
├────┬────┬────┬────┬───┬───┬───┬───┬──────┬─────┬────
Фсв100│1 │ │898 │760 │- │-
│- │- │-
│- │1 │11,3 │11,3
├─────┤
├────┼────┼────┤ ├───┤ │
├───┤
├─────┼────
│2 │ │- │-
│914 │
│100│ │ │36°│ │17,8 │17,8
├─────┤ │ │
│
├────┼───┤
├───┼───┤
├─────┼────
│5 │ │ │
│
│1000│- │ │43 │- │
│5,1 │5,1
├─────┤ │ │
├────┼────┤
├───┼───┤
├──────┼─────┼────
│4 │ │ │
│- │- │
│50 │- │ │10
│0,165│1,7
│ │
├────┴────┴────┴────┴───┴───┴───┴───┴──────┴─────┴────
│ │ │
Всего: 37,0
──────┼─────┤
├────┬────┬────┬────┬───┬───┬───┬───┬──────┬─────┬────
Фсв120│1 │ │1098│960 │- │-
│- │- │-
│- │1 │14,0 │14,0
├─────┤
├────┼────┼────┤ ├───┤ │
├───┤
├─────┼────
│2 │ │- │-
│1114│
│120│ │ │30°│ │26,2 │26,2
├─────┤ │ │
│
├────┼───┤
├───┼───┤
├─────┼────
│5 │ │ │
│
│1200│- │ │43 │- │
│6,1 │6,1
├─────┤ │ │
├────┼────┤
├───┼───┤ ├──────┼─────┼────
│4 │ │ │
│- │- │
│65 │- │ │12
│0,165│2,0
│ │
├────┴────┴────┴────┴───┴───┴───┴───┴──────┴─────┴────
│ │ │
Всего: 49,8
──────┼─────┤ ├────┬────┬────┬────┬───┬───┬───┬───┬──────┬─────┬────
Фсв160│1 │ │1494│1360│- │-
│- │- │-
│- │1 │18,8 │18,8
├─────┤
├────┼────┼────┤ ├───┤ │
├───┤
├─────┼────
│2 │ │- │-
│1510│ │140│ │
│30°│ │41,5
│41,5
├─────┤ │ │
│
├────┼───┤
├───┼───┤
├─────┼────
│5 │ │ │
│
│1600│- │ │45 │- │
│8,6 │8,6
├─────┤ │ │
├────┼────┤
├───┼───┤ ├──────┼─────┼────
│4 │ │ │
│- │- │
│65 │- │ │12
│0,165│2,0
│ │
├────┴────┴────┴────┴───┴───┴───┴───┴──────┴─────┴────
│ │ │
Всего: 73,0
Примечание. В массу
элемента вошла масса наплавленного металла.
2.14. Соединение
элемента болтового стыка с арматурным каркасом секции должно соответствовать указанному на черт. 17.
Узлы сопряжения
арматурных каркасов
с элементами
болтовых стыков

Черт. 17
1 - элемент
болтового стыка Фб40 - Фб50; 2 - элемент болтового
стыка Фб60 - Фб80;
3 - тип 14 СН 393-78; 4 - продольная арматура
сваи; 5 - элемент
болтового стыка Фб100 - Фб160; 6 - продольная
арматура
сваи-оболочки
2.15. Соединение
элемента сварного стыка с арматурным каркасом должно соответствовать указанному на черт. 18.
Узлы сопряжения
арматурных каркасов
с элементами
сварных стыков

Черт. 18
1 - элемент
сварного стыка Фсв40, Фсв50; 2 - элемент сварного
стыка Фсв60, Фсв80;
3 - тип 14 СН 393-78; 4 - спираль головы;
5 - продольная
арматура сваи; 6 - элемент стыка Фсв100 - Фсв160;
7 - продольная
арматура сваи-оболочки
2.16. В целях
обеспечения соосности составных свай и свай-оболочек
установку стыковых элементов и сварку их с каркасами секций следует производить
в специальных кондукторах.
2.17. Сварные
соединения закладных изделий следует выполнять по ГОСТ 5264-80, арматурных
изделий к закладным - по СН 393-78. Арматурные изделия, закладные детали и
сварные соединения должны соответствовать требованиям ГОСТ 10922-75.
2.18. Отклонения от
номинальных размеров элементов стыков секций не должны превышать величин, мм:
по наружному
диаметру стыкового элемента для:
свай
диаметром до 600 мм включительно .................... +2
" " "
800 мм и свай-оболочек ................. +5
по
смещению болтовых отверстий ........................... +1.
2.19. Отклонение от
прямолинейности профиля торцевой плоскости стыкового элемента секции не должно
превышать 1,5 мм.
2.20. Обвалы бетона
на внутренней поверхности секции с обнажением арматуры не допускаются.
2.21. Щели и
наплывы в местах соединения стыковых элементов с бетоном секций не допускаются.
3.
Конструкция и размеры составных свай и свай-оболочек
3.1. Длина свай
должна быть не менее 14 м и не более, м:
для свай
диаметром 400 мм ................................. 26
" " "
500 мм ................................. 30
" " "
600 мм ................................. 40
" " "
800 мм ................................. 48
3.2. Длина
свай-оболочек независимо от их диаметра должна быть не менее 14 м и не более 48
м.
3.3. При сборке
свай и свай-оболочек следует использовать секции таких длин, при которых
получается минимальное число стыков. Секции длиной 6 м следует применять для
сборки свай и свай-оболочек длиной только 14 м, секции длиной 8, 10 и 12 м -
для сборки свай и свай-оболочек длиной более 14 м.
3.4. Болтовой стык
3.4.1. Соединение
секций свай и свай-оболочек при помощи болтов следует производить в
соответствии с черт. 19 только при наращивании свай и свай-оболочек в процессе
погружения в вертикальном положении.
Болтовой стык

Черт. 19
3.4.2. Перед
соединением секций на торцевые плоскости стыковых элементов следует нанести
антикоррозионное покрытие.
3.4.3. После
затяжки болтов гайки и шов между стыковыми элементами заварить. Сварку секций
производить электродами типа Э50А по ГОСТ 9467-75.
3.4.4. Спецификация
стали на болтовой стык приведена в табл. 16.
Таблица 16
Спецификация стали
на болтовой стык
───────────┬──────┬─────────────────────────┬───────┬─────────┬────────
Диаметр │Номер │ Наименование детали │ Масса │Количест-│ Расход
сваи,
сваи-│детали│ │детали,│во дета-
│стали на
оболочки, │
│
│ кг │лей на │стык, кг
мм
│ │ │ │стык │
───────────┼──────┼─────────────────────────┼───────┼─────────┼────────
400 │1 │Элемент болтового стыка │8,8
│2 │37,6
│ │Фб40 │ │ │
│2 │Болт M12 х 40.58 ГОСТ │0,0529 │15 │0,79
│ │7798-70 │ │ │
│3 │Гайка M12.5 ГОСТ 5915-70
│0,0154 │15 │0,23
│4 │Шайба 12.01 ГОСТ
11371-78│0,00627│15
│0,09
Итого: 38,71
───────────┬──────┬─────────────────────────┬───────┬─────────┬────────
500 │1 │Элемент болтового стыка │24,2
│2 │48,4
│ │Фб50 │ │ │
│2 │Болт M12 х 40.58 │0,0529 │15 │0,79
│ │ГОСТ 7798-70 │ │ │
│3 │Гайка M12.5 ГОСТ 5915-70
│0,0154 │15 │0,23
│4 │Шайба 12.01 ГОСТ
11371-78│0,00627│15
│0,09
Итого: 49,51
───────────┬──────┬─────────────────────────┬───────┬─────────┬────────
600 │1
│Элемент болтового стыка
│31,4 │2 │62,8
│ │Фб60 │ │ │
│2 │Болт M16 х 40.58 │0,098 │10 │0,98
│ │ГОСТ 7798-70 │ │ │
│3 │Гайка M16.5
ГОСТ 5915-70 │0,0332 │10
│0,33
│4 │Шайба 16.01 ГОСТ
11371-78│0,0113 │10
│0,11
Итого: 64,22
───────────┬──────┬─────────────────────────┬───────┬─────────┬────────
800 │1 │Элемент болтового стыка │45,1
│2 │90,2
│ │Фб80 │ │ │
│2 │Болт M16 х 40.58 │0,098 │23 │2,25
│ │ГОСТ 7798-70 │ │ │
│3 │Гайка M16.5 ГОСТ 5915-70
│0,0332 │23 │0,76
│4 │Шайба 16.01 ГОСТ
11371-78│0,0113 │23
│0,26
Итого: 93,47
───────────┬──────┬─────────────────────────┬───────┬─────────┬────────
1000 │1 │Элемент болтового стыка │64,3
│2 │128,6
│ │Фб100 │ │ │
│2 │Болт M24 х 60.58 │0,33 │21 │6,93
│ │ГОСТ 7798-70 │ │ │
│3 │Гайка M24.5 ГОСТ 5915-70
│0,107 │21 │2,25
│4 │Шайба 24.01 ГОСТ
11371-78│0,0323 │21
│0,68
Итого: 138,46
───────────┬──────┬─────────────────────────┬───────┬─────────┬────────
1200 │1 │Элемент болтового стыка │78,0
│2 │156,0
│ │Фб120 │ │ │
│2 │Болт M24 х 60.58 │0,33
│21 │6,93
│ │ГОСТ 7798-70 │ │ │
│3 │Гайка M24.5 ГОСТ 5915-70
│0,107 │21 │2,25
│4 │Шайба 24.01 ГОСТ
11371-78│0,0323 │21
│0,68
Итого: 165,86
───────────┬──────┬─────────────────────────┬───────┬─────────┬────────
1600 │1 │Элемент болтового стыка │105,8
│2 │211,6
│ │Фб160 │ │ │
│2 │Болт M24 х 60.58 │0,33 │23 │7,59
│ │ГОСТ 7798-70 │ │ │
│3 │Гайка M24.5 ГОСТ 5915-70
│0,107 │23 │2,46
│4 │Шайба 24.01 ГОСТ
11371-78│0,0323 │23
│0,74
Итого: 222,39
3.5. Сварной стык
3.5.1. Соединение
свай и свай-оболочек при помощи сварки следует производить в соответствии с
черт. 20. Сварку секций производить электродами типа Э50 А
по ГОСТ 9467-75.
Сварной стык

Черт. 20
3.5.2. Сварной стык
свай и свай-оболочек можно осуществлять как в вертикальном положении по мере
наращивания секций в процессе погружения, так и в горизонтальном положении при
укрупнительной сборке, которая может быть произведена как на
предприятии-изготовителе, так и на строительной площадке.
Сварку стыков в
горизонтальном положении следует производить на поворотных роликах. Длина
укрупненных секций должна быть не более 20 м.
3.5.3. Спецификация
стали на сварной стык приведена в табл. 17.
Таблица 17
Спецификация стали
на сварной стык
───────────┬─────────────────────────────┬───────┬───────┬────────
Диметр │
Наименование детали │
Масса │Коли-
│ Расход
сваи,
сваи-│ │детали,│чество │стали на
оболочки, │ │ кг │деталей│стык,
кг
мм
│
│ │ │
───────────┼─────────────────────────────┼───────┼───────┼────────
400 │Элемент сварного стыка Фсв40
│11,9 │2 │23,8
500 │Элемент сварного стыка Фсв50
│15,2 │2 │30,4
600 │Элемент сварного стыка Фсв60
│17,2 │2 │34,4
800 │Элемент сварного стыка Фсв80
│26,8 │2 │53,8
1000 │Элемент сварного стыка
Фсв100│37,0 │2 │74,0
1200 │Элемент сварного стыка
Фсв120│49,8 │2 │99,6
1600 │Элемент сварного стыка
Фсв160│78,0 │2 │146,0
4.
Испытание секций свай и свай-оболочек на раскрытие трещин
4.1. Секции свай длиной 10 м и более с элементами болтовых стыков,
секции и укрупненные секции свай длиной 14 м и более с элементами сварных
стыков, а также укрупненные секции свай-оболочек длиной 18 м и более с
элементами сварных стыков должны быть испытаны на раскрытие трещин путем укладки
их на две опоры, расположенные по схеме, указанной на черт. 21.

Черт. 21
Усиленные секции
свай-оболочек (марки СОУ) испытанию на раскрытие трещин не подвергают.
4.2. После укладки
секции (укрупненной секции) на две опоры через 10 мин производят осмотр ее
верхней поверхности над опорой. Секцию (укрупненную секцию) считают выдержавшей
испытание, если ширина раскрытия трещин не превышает 0,2 мм.
5.
Транспортирование секций и подъем их на копер
5.1. Подъем секций
(укрупненных секций) следует производить захватами в местах, отмеченных на
поверхности секций: в виде одинарной полосы на расстоянии
от торца - при транспортировании и выемке из
опалубки и после укрупненной сборки; в виде двойной полосы на расстоянии
от торца - при подъеме на копер.
Полосы следует
наносить на двух противоположных поверхностях секций. Длина полосы должна быть
не менее 10 см для свай и 20 см для свай-оболочек.
5.2. Разметку мест
захвата следует производить в соответствии с указанной
на черт. 1, 2 и в табл. 1 для секций свай и свай-оболочек и в табл. 18 для
укрупненных секций свай и свай-оболочек со сварными стыками.
Таблица 18
──────────────┬──────────────┬────────────────────────────────────
Длина
│ Наименование │
Расстояние от торца до отметки
укрупненной
│ конструкции │ захвата, мм
секции, мм │
├───────────────────┬────────────────
│ │при транспортиро- │ при подъеме на
│ │вании
(одинарная │ копер (двойная
│ │полоса) │ полоса)
──────────────┼──────────────┼───────────────────┼────────────────
14000 │Свая │2900 │4100
│Свая-оболочка │0 (за
торцы) │0 (за торцы)
──────────────┼──────────────┼───────────────────┼────────────────
16000 │Свая │3300 │4700
│Свая-оболочка │0 (за
торцы) │0 (за торцы)
──────────────┼──────────────┼───────────────────┼────────────────
18000 │Свая │3700 │5300
│Свая-оболочка │ │
──────────────┼──────────────┼───────────────────┼────────────────
20000 │Свая │4100 │5900
│Свая-оболочка │ │
──────────────┼──────────────┼───────────────────┼────────────────
14000
- 20000 │Свая-оболочка │0 (за торцы) │0 (за торцы)
│усиленная │ │
5.3. Секции, для
которых в табл. 1 не указаны места подъема при транспортировании и выемке из
опалубки, допускается поднимать за торцы при помощи захватов специальной
конструкции.
При складировании и
транспортировании таких секций прокладки между ними следует располагать на
расстоянии 0,5 м от торцов.
5.4. Подъем секций
на копер следует производить за торец при помощи захвата специальной
конструкции.
Приложение
Справочное
УСЛОВИЯ
РАСЧЕТА И ПРИМЕНЕНИЯ СВАЙ И СВАЙ-ОБОЛОЧЕК
1. Секции и
укрупненные секции свай и свай-оболочек со сварными стыками рассчитаны на изгиб
от усилий, возникающих при подъеме на копер за одну точку, расположенную от
торца на расстоянии, равном 0,294 длины цилиндрической части сваи и
сваи-оболочки, по прочности и по кратковременному раскрытию трещин до
= 0,3 мм.
Коэффициент
перегрузки к нагрузке от собственной массы не учитывают.
Коэффициент
динамичности принят равным:
1,5 - при расчете
по прочности;
1,25 - при расчете
по раскрытию трещин.
2. Сваи и
сваи-оболочки рассчитаны также на вибропогружение.
Рекомендуемые марки вибропогружателей приведены в таблице.
────────────────────┬─────────────────────┬───────────────────────
Диаметр сваи или │
Типы стыка │Марка
вибропогружателя
сваи-оболочки, мм │ │
────────────────────┼─────────────────────┼───────────────────────
600 │Сварной │ВП-3М
800 │Болтовой, сварной │ВП-3М
1000 │То
же │ВП-80
1200 │ " │ВП-80
1200
(усиленная) │Сварной │ВП-170
1600 │Болтовой, сварной │ВУ-1,6
1600
(усиленная) │Сварной │ВП-250
3. При
проектировании свайных фундаментов сваи и сваи-оболочки должны быть рассчитаны
по прочности и раскрытию трещин на нагрузки, передаваемые на сваю или
сваю-оболочку в строительный и эксплуатационный периоды. При этом допустимую
ширину раскрытия трещин принимают в соответствии с требованиями СНиП II-21-75.
Допускается
увеличивать поперечное сечение продольной арматуры, если это требуется по
расчету. При этом в конце обозначения марки сваи или сваи-оболочки добавляют
строчную букву "у" (усиленная) и в заказной
спецификации дополнительно указывают класс, диаметр и число стержней продольной
арматуры.
4. При проверке
свай и свай-оболочек по прочности и раскрытию трещин до
= 0,2 мм на внецентренное сжатие от
эксплуатационных нагрузок М и N допускается пользоваться графиками,
приведенными на черт. 1 - 10
настоящего приложения.
Сваи диаметром 400
мм. Бетон М300 (болтовой стык)

Черт 1
Сваи диаметром 500
мм. Бетон М300 (болтовой стык)

Черт. 2
Сваи диаметром 600
мм. Бетон М300 (болтовой стык)

Черт 3
Сваи диаметром 800
мм. Бетон М400 (болтовой стык)

Черт. 4
Сваи-оболочки
диаметром 1000, 1200, 1600 мм.
Бетон М400
{болтовой стык)

Черт. 5
Сваи диаметром 400
мм. Бетон М300 (сварной стык)

Черт. 6
Сваи диаметром 500
мм. Бетон М300 (сварной стык)

Черт. 7
Сваи диаметром 600
мм. Бетон М300 (сварной стык)

Черт. 8
Сваи диаметром 800
мм. Бетон М400 (сварной стык)

Черт. 9
Сваи-оболочки
диаметром 1000, 1200, 1600 мм.
Бетон М400 (сварной
стык)

Черт. 10
На графиках приняты
обозначения: N - нормальная сила, тс, и М - изгибающий момент относительно оси
сваи или сваи-оболочки, т х см, передаваемые на сваю или сваю-оболочку при
эксплуатации здания или сооружения. Предполагается, что свая или свая-оболочка
по всей длине находится в грунте и ее продольный изгиб не учитывают.
5. После выбора
длины и диаметра сваи или сваи-оболочки (по геологическим условиям)
устанавливают класс, диаметр и число стержней продольной арматуры в
соответствии с настоящим стандартом.
6. Если точка с
координатами М и N лежит ниже кривой, соответствующей принятому армированию
сваи или сваи-оболочки, то выбранная свая или свая-оболочка удовлетворяет
расчету по прочности и раскрытию трещин на эксплуатационные нагрузки М и N,
если точка лежит выше - не удовлетворяет.
|