Óòâåðæäåí è
ââåäåí â äåéñòâèå
Ïîñòàíîâëåíèåì
Ãîññòàíäàðòà ÑÑÑÐ
îò 15 èþëÿ 1982 ã.
N 2670
ÌÅÆÃÎÑÓÄÀÐÑÒÂÅÍÍÛÉ ÑÒÀÍÄÀÐÒ
ÏÎÑÓÄÀ È ÎÁÎÐÓÄÎÂÀÍÈÅ ËÀÁÎÐÀÒÎÐÍÛÅ ÑÒÅÊËßÍÍÛÅ
ÒÈÏÛ, ÎÑÍÎÂÍÛÅ ÏÀÐÀÌÅÒÐÛ È ÐÀÇÌÅÐÛ
Laboratory glassware and
equipment.
Basic parameters and
dimensions
ÃÎÑÒ 25336-82
Ãðóïïà Ï66
ÌÊÑ 71.040.10
71.040.20
ÎÊÏ 43 2000
Äàòà ââåäåíèÿ
1 ÿíâàðÿ 1984 ãîäà
ÈÍÔÎÐÌÀÖÈÎÍÍÛÅ
ÄÀÍÍÛÅ
1. Ðàçðàáîòàí è
âíåñåí Ìèíèñòåðñòâîì ïðèáîðîñòðîåíèÿ, ñðåäñòâ àâòîìàòèçàöèè è ñèñòåì óïðàâëåíèÿ
ÑÑÑÐ.
2. Óòâåðæäåí è
ââåäåí â äåéñòâèå Ïîñòàíîâëåíèåì Ãîñóäàðñòâåííîãî êîìèòåòà ÑÑÑÐ ïî ñòàíäàðòàì
îò 15.07.1982 N 2670.
3. Âçàìåí ÃÎÑÒ
6371-73, ÃÎÑÒ 6514-75, ÃÎÑÒ 7148-70, ÃÎÑÒ 7851-74, ÃÎÑÒ 8058-73, ÃÎÑÒ 8613-75,
ÃÎÑÒ 9425-71, ÃÎÑÒ 9499-70, ÃÎÑÒ 9775-69, ÃÎÑÒ 9777-74, ÃÎÑÒ 9876-73, ÃÎÑÒ
9964-71, ÃÎÑÒ 10090-74, ÃÎÑÒ 10238-74, ÃÎÑÒ 10359-75, ÃÎÑÒ 10378-73, ÃÎÑÒ
10394-72, ÃÎÑÒ 10515-75, ÃÎÑÒ 10565-75, ÃÎÑÒ 10696-75, ÃÎÑÒ 10973-75, ÃÎÑÒ
11582-75, ÃÎÑÒ 17004-71, ÃÎÑÒ 17784-72, ÃÎÑÒ 20789-75 â ÷àñòè òèïîâ, îñíîâíûõ ïàðàìåòðîâ
è ðàçìåðîâ.
4. Ñòàíäàðò
ñîîòâåòñòâóåò ÑÒ ÑÝ 2945-81 â ÷àñòè êîíè÷åñêèõ êîëá, ÑÒ ÑÝ 4023-83 â ÷àñòè
êðóãëîäîííûõ è ïëîñêîäîííûõ êîëá, ÑÒ ÑÝ 4975-85 â ÷àñòè ñòàêàíîâ è ÑÒ ÑÝÂ
4976-85 â ÷àñòè ñîåäèíèòåëüíûõ ýëåìåíòîâ.
Ñòàíäàðò ïîëíîñòüþ
ñîîòâåòñòâóåò ìåæäóíàðîäíûì ñòàíäàðòàì ÈÑÎ 1773-76, ÈÑÎ 3819-85, ÈÑÎ 4797-81.
5. Ññûëî÷íûå
íîðìàòèâíî-òåõíè÷åñêèå äîêóìåíòû
──────────────────────────────────┬───────────────────────────────
Îáîçíà÷åíèå ÍÒÄ, íà êîòîðûé │
Íîìåð ðàçäåëà, ïóíêòà
äàíà ññûëêà │
──────────────────────────────────┼───────────────────────────────
ÃÎÑÒ
7851-74
│Ââîäíàÿ ÷àñòü
ÃÎÑÒ
7995-80 │Ðàçä.
2
ÃÎÑÒ
8682-93
│Ââîäíàÿ ÷àñòü, ðàçä. 1, 2
ÃÎÑÒ
9147-80 │Ðàçä.
2
ÃÎÑÒ
23932-90
│Ââîäíàÿ ÷àñòü
6. Îãðàíè÷åíèå
ñðîêà äåéñòâèÿ ñíÿòî ïî Ïðîòîêîëó N 3-93 Ìåæãîñóäàðñòâåííîãî ñîâåòà ïî
ñòàíäàðòèçàöèè, ìåòðîëîãèè è ñåðòèôèêàöèè (ÈÓÑ 5-6-93).
7. Èçäàíèå (íîÿáðü
2003 ã.) ñ Èçìåíåíèÿìè N 1, 2, 3, 4, óòâåðæäåííûìè â àïðåëå 1984 ã., àïðåëå
1986 ã., èþíå 1988 ã., íîÿáðå 1989 ã. (ÈÓÑ 7-84, 7-86, 11-88, 2-90).
Íàñòîÿùèé
ñòàíäàðò ðàñïðîñòðàíÿåòñÿ íà ñòåêëÿííóþ ëàáîðàòîðíóþ ïîñóäó è îáîðóäîâàíèå
(äàëåå - èçäåëèÿ), èçãîòîâëÿåìûå äëÿ ïîòðåáíîñòåé ýêîíîìèêè ñòðàíû è ýêñïîðòà.
Èçäåëèÿ
ïîäðàçäåëÿþò íà ïîñóäó: ñòàêàíû, ñòàêàí÷èêè äëÿ âçâåøèâàíèÿ, êîëáû, êîëáû
Ôàâîðñêîãî, êîëáû ñ òóáóñîì, ïðîáèðêè, ÷àøêè, ñîñóäû è îáîðóäîâàíèå:
ñîåäèíèòåëüíûå ýëåìåíòû è òðóáêè, âîðîíêè, ôèëüòðû, êàïåëüíèöû, ñïèðòîâêè,
ñêëÿíêè ñ òóáóñîì, íàñîñ âîäîñòðóéíûé, ýêñèêàòîðû, íàñàäêè, õîëîäèëüíèêè,
äåôëåãìàòîðû, êàïëåóëîâèòåëè, ñêëÿíêè äëÿ ïðîìûâàíèÿ ãàçîâ, ïðèáîðû äëÿ
ïîãëîùåíèÿ ãàçîâ è ïàðîâ âîäû, àïïàðàòû äëÿ ïîëó÷åíèÿ ãàçà.
Ñòåïåíü
ñîîòâåòñòâèÿ íàñòîÿùåãî ñòàíäàðòà ÑÒ ÑÝÂ 2945-81, ÑÒ ÑÝÂ 4023-83, ÑÒ ÑÝÂ
4975-85, ÑÒ ÑÝÂ 4976-85 ïðèâåäåíà â Ïðèëîæåíèè 26.
Òåõíè÷åñêèå
òðåáîâàíèÿ ê èçäåëèÿì - ïî ÃÎÑÒ 23932.
Èçäåëèÿ èçãîòîâëÿþò
ñ âçàèìîçàìåíÿåìûìè êîíóñàìè ïî ÃÎÑÒ 8682 è áåç âçàèìîçàìåíÿåìûõ êîíóñîâ ïî
ÃÎÑÒ 7851.
(Èçìåíåííàÿ
ðåäàêöèÿ, Èçì. N 1, 2, 3).
1. ÏÎÑÓÄÀ
1.1. Ñòàêàíû
1.1.1. Ñòàêàíû
ïðåäíàçíà÷åíû äëÿ ôèëüòðîâàíèÿ, âûïàðèâàíèÿ è ïðèãîòîâëåíèÿ ðàñòâîðîâ â
ëàáîðàòîðíûõ óñëîâèÿõ.
1.1.2.
Ñòàêàíû äîëæíû èçãîòîâëÿòüñÿ òèïîâ:
 - âûñîêèå;
Í - íèçêèå.
1.1.3.
Ñòàêàíû äîëæíû èçãîòîâëÿòüñÿ èñïîëíåíèé:
1 - ñ íîñèêîì;
2 - áåç íîñèêà.
1.1.4. Êðàÿ
ñòàêàíîâ äîëæíû èìåòü âîðîíêîîáðàçíóþ ðàçâåðòêó.
Äèàìåòð
ðàñøèðåííîãî êðàÿ ñòàêàíîâ äîëæåí áûòü íà 5 - 15% áîëüøå äèàìåòðà ñòàêàíà.
Äîïóñêàåòñÿ
èçãîòîâëåíèå ñòàêàíîâ ñ óòîëùåííûì ðàíòîì è íàïëûâîì ñòåêëà íà ðàíòå (â âèäå
êàïëè) òîëùèíîé 1 - 2 ìì.
(Èçìåíåííàÿ
ðåäàêöèÿ, Èçì. N 2, 3).
1.1.5.
Íîìèíàëüíàÿ âìåñòèìîñòü â îáîçíà÷åíèè è íàèìåíîâàíèè ñòàêàíîâ ÿâëÿåòñÿ
óñëîâíîé.
Âìåñòèìîñòü
ñòàêàíîâ, èçìåðåííàÿ ïðè çàïîëíåíèè íå ìåíåå 10 ìì íèæå êðàÿ, äîëæíà áûòü
ðàâíîé èëè áîëüøå íîìèíàëüíîé âìåñòèìîñòè.
Ñòàêàíû íîìèíàëüíîé
âìåñòèìîñòüþ 100 ñì3 è áîëåå ìîãóò áûòü èçãîòîâëåíû ñî øêàëîé, îáîçíà÷àþùåé
îðèåíòèðîâî÷íóþ âìåñòèìîñòü.
(Èçìåíåííàÿ
ðåäàêöèÿ, Èçì. N 2).
1.1.6.
Îñíîâíûå ïàðàìåòðû è ðàçìåðû ñòàêàíîâ äîëæíû ñîîòâåòñòâîâàòü óêàçàííûì íà ÷åðò.
1 è â òàáë. 1.
Òèïû Â è Í
Èñïîëíåíèå 1

Èñïîëíåíèå 2

×åðò. 1
Ïðè èçìåðåíèè
òîëùèíû ñòåíêè ñòàêàíà â íåñêîëüêèõ ìåñòàõ, ðàâíîìåðíî ðàñïîëîæåííûõ íà
ïîâåðõíîñòè ñòàêàíà, îòäåëüíûå çíà÷åíèÿ åå íå äîëæíû áûòü ìåíåå 80% óêàçàííîãî
â òàáë. 1 çíà÷åíèÿ.
Òàáëèöà 1
Ðàçìåðû â ìì
─────────┬─────────────────────────────┬─────────────────────────────┬─────
Íîìèíàëü-│ D │ H │s, íå
íàÿ
âìåñ-├──────────────┬──────────────┼──────────────┬──────────────┤ìåíåå
òèìîñòü,
│ Òèï Â │
Òèï Í │ Òèï Â
│ Òèï Í │
ñì3
├──────┬───────┼──────┬───────┼──────┬───────┼──────┬───────┤
│Íîìèí.│ Ïðåä.
│Íîìèí.│ Ïðåä. │Íîìèí.│ Ïðåä. │Íîìèí.│
Ïðåä. │
│ │ îòêë. │ │ îòêë. │ │ îòêë. │ │ îòêë. │
─────────┼──────┴───────┼──────┼───────┼──────┴───────┼──────┼───────┼─────
5
│ - │
22 │+/- 1,0│ -
│ 30 │+/- 2,0│ 0,7
─────────┤
├──────┤ │
├──────┤ │
10
│ │ 26
│ │ │ 35
│ │
─────────┤
├──────┤ │
├──────┤ │
25
│ │ 34
│ │ │ 50
│ │
─────────┼──────┬───────┼──────┤
├──────┬───────┼──────┤ ├─────
50
│ 38 │+/- 1,0│ 42
│ │ 70
│+/- 2,0│ 60 │
│ 0,8
─────────┼──────┤
├──────┤
├──────┤
├──────┤
├─────
100
│ 48 │
│ 50 │
│ 80 │
│ 70 │
│ 0,9
─────────┼──────┤
├──────┼───────┼──────┤
├──────┤ ├─────
150
│ 54 │
│ 60 │+/- 1,5│ 95
│ │ 80
│ │ 1,0
─────────┼──────┼───────┼──────┤
├──────┼───────┼──────┤ ├─────
250
│ 60 │+/- 1,5│ 70
│ │ 120 │+/- 3,0│ 95
│ │ 1,1
─────────┼──────┤
├──────┼───────┼──────┤
├──────┼───────┼─────
400
│ 70 │
│ 80 │+/- 2,0│ 130 │
│ 110 │+/- 3,0│
1,2
─────────┼──────┼───────┼──────┤
├──────┤
├──────┤ ├─────
600
│ 80 │+/- 2,0│ 90
│ │ 150 │
│ 125 │ │ 1,3
─────────┼──────┤
├──────┤
├──────┤ ├──────┤ │
800
│ 90 │
│ 100 │ │ 175 │
│ 135 │ │
─────────┼──────┤
├──────┤
├──────┤
├──────┤ │
1000
│ 95 │
│ 105 │ │ 180 │
│ 145 │ │
─────────┼──────┤
├──────┼───────┼──────┼───────┼──────┤
├─────
2000
│ 120 │ │ 130 │+/- 3,0│ 240 │+/- 4,0│ 185 │
│ 1,4
─────────┼──────┼───────┼──────┤
├──────┤
├──────┼───────┼─────
3000
│ 135 │+/- 3,0│
150 │ │ 280 │
│ 210 │+/- 4,0│
1,7
─────────┼──────┤
├──────┤
├──────┤
├──────┤ ├─────
5000
│ - │
│ 170 │ │
- │ │ 270 │
│ 2,0
Ïðèìåð óñëîâíîãî
îáîçíà÷åíèÿ ïðè çàêàçå ñòàêàíà òèïà  èñïîëíåíèÿ 1, íîìèíàëüíîé âìåñòèìîñòüþ
250 ñì3, èç òåðìè÷åñêè ñòîéêîãî ñòåêëà ãðóïïû ÒÑ:
Ñòàêàí Â-1-250 ÒÑ
ÃÎÑÒ 25336-82
Òî æå, ñòàêàíà òèïà
Í èñïîëíåíèÿ 2, íîìèíàëüíîé âìåñòèìîñòüþ 100 ñì3, èç òåðìè÷åñêè è õèìè÷åñêè
ñòîéêîãî ñòåêëà ãðóïïû ÒÕÑ:
Ñòàêàí Í-2-100 ÒÕÑ
ÃÎÑÒ 25336-82
(Èçìåíåííàÿ
ðåäàêöèÿ, Èçì. N 1, 2).
1.1.7. Êîäû ÎÊÏ íà
ñòàêàíû óêàçàíû â Ïðèëîæåíèè 1.
1.1.8.
Ðàäèóñ çàêðóãëåíèÿ îñíîâàíèÿ ñòàêàíîâ äîëæåí ñîñòàâëÿòü:
ïðè âìåñòèìîñòè äî
250 ñì3 - 5 - 10% äèàìåòðà
ñòàêàíà;
" " ñâ. 250 ñì3 - 10 - 15% "
"
Óêàçàííûå ðàçìåðû
çàêðóãëåíèé îáåñïå÷èâàþò òåõíîëîãè÷åñêîé îñíàñòêîé.
(Ââåäåí
äîïîëíèòåëüíî, Èçì. N 2).
1.2. Ñòàêàí÷èêè äëÿ
âçâåøèâàíèÿ
1.2.1. Ñòàêàí÷èêè
ïðåäíàçíà÷åíû äëÿ âçâåøèâàíèÿ è õðàíåíèÿ âåùåñòâ ïðè ëàáîðàòîðíûõ ðàáîòàõ.
1.2.2. Ñòàêàí÷èêè
äîëæíû èçãîòîâëÿòüñÿ òèïîâ:
ÑÂ - âûñîêèå;
ÑÍ - íèçêèå.
1.2.3. Ñòàêàí÷èêè è
êðûøêè ê íèì äîëæíû áûòü âçàèìîçàìåíÿåìûìè â ñîîòâåòñòâèè ñ ÃÎÑÒ 8682.
Äîïóñêàåòñÿ ïî
ñîãëàñîâàíèþ ñ ïîòðåáèòåëåì èçãîòîâëåíèå èõ ñ èíäèâèäóàëüíîé ïðèøëèôîâêîé.
Ðàçìåðû íàèáîëüøåãî
âíóòðåííåãî äèàìåòðà ãîðëîâèíû ñòàêàí÷èêîâ òèïà Ñ ñ èíäèâèäóàëüíîé
ïðèøëèôîâêîé äîëæíû ñîîòâåòñòâîâàòü ðàçìåðàì êîíóñîâ, óêàçàííûõ â òàáë. 2, ñ
ïðåäåëüíûì îòêëîíåíèåì +/- 1 ìì.
Ðàçìåðû íàèáîëüøåãî
íàðóæíîãî äèàìåòðà ãîðëîâèíû ñòàêàí÷èêîâ òèïà ÑÍ ñ èíäèâèäóàëüíîé ïðèøëèôîâêîé
äîëæíû ñîîòâåòñòâîâàòü ðàçìåðàì êîíóñîâ, óêàçàííûõ â òàáë. 2, ñ ïðåäåëüíûì
îòêëîíåíèåì +/- 1 ìì äëÿ äèàìåòðà ãîðëîâèíû 34 ìì è +/- 2 ìì - ñâ. 34 ìì.
1.2.4. Îñíîâíûå
ðàçìåðû ñòàêàí÷èêîâ äîëæíû ñîîòâåòñòâîâàòü óêàçàííûì íà ÷åðò. 2 è â òàáë. 2.
Òèï ÑÂ

Òèï ÑÍ

1 - ñòàêàí÷èê; 2 -
êðûøêà
×åðò. 2
Òàáëèöà 2
Ðàçìåðû â ìì
──────┬────────────┬────────────┬─────────────────────────────────
Òèï
│ D +/- 1 │H, íå áîëåå │Îáîçíà÷åíèå
êîíóñîâ ïî ÃÎÑÒ 8682
│ │ │ ãîðëîâèí ñòàêàí÷èêîâ
──────┼────────────┼────────────┼─────────────────────────────────
ÑÂ
│ 20 │
30 │ 14/8
├────────────┼────────────┼─────────────────────────────────
│ 25
│ 40 │ 19/9
├────────────┼────────────┼─────────────────────────────────
│ 30
│ 50 │ 24/10
├────────────┼────────────┼─────────────────────────────────
│ 40
│ 65 │ 34/12
──────┼────────────┼────────────┼─────────────────────────────────
ÑÍ
│ 32 │
50 │ 34/12
├────────────┤
├─────────────────────────────────
│ 43
│ │ 45/13
├────────────┤
├─────────────────────────────────
│ 58
│ │ 60/14
├────────────┤
├─────────────────────────────────
│ 82
│ │ 85/15
Ïðèìåð óñëîâíîãî
îáîçíà÷åíèÿ ïðè çàêàçå ñòàêàí÷èêà òèïà Ñ ñ âçàèìîçàìåíÿåìûì êîíóñîì 14/8:
Ñòàêàí÷èê ÑÂ-14/8
ÃÎÑÒ 25336-82
1.2.5. Êîäû ÎÊÏ íà
ñòàêàí÷èêè äëÿ âçâåøèâàíèÿ óêàçàíû â Ïðèëîæåíèè 2.
1.3. Êîëáû
1.3.1. Êîëáû
ïðåäíàçíà÷åíû äëÿ ôèëüòðîâàíèÿ, âûïàðèâàíèÿ, ïåðåãîíêè, ðàçãîíêè, äèñòèëëÿöèè è
ñèíòåçà â ëàáîðàòîðíûõ óñëîâèÿõ.
1.3.2.
Êîëáû äîëæíû èçãîòîâëÿòüñÿ òèïîâ:
Ê - êðóãëîäîííûå ñ
âçàèìîçàìåíÿåìûìè êîíóñàìè (èñïîëíåíèå 1), áåç âçàèìîçàìåíÿåìûõ êîíóñîâ è ñ
öèëèíäðè÷åñêèìè ãîðëîâèíàìè (èñïîëíåíèå 2);
Ï - ïëîñêîäîííûå ñ
âçàèìîçàìåíÿåìûìè êîíóñàìè (èñïîëíåíèå 1), áåç âçàèìîçàìåíÿåìûõ êîíóñîâ è ñ
öèëèíäðè÷åñêèìè ãîðëîâèíàìè (èñïîëíåíèå 2);
ÊÃÓ-2 -
êðóãëîäîííûå ñ äâóìÿ ãîðëîâèíàìè, ðàñïîëîæåííûìè ïîä óãëîì, ñ âçàèìîçàìåíÿåìûìè
êîíóñàìè (èñïîëíåíèå 1) è áåç âçàèìîçàìåíÿåìûõ êîíóñîâ (èñïîëíåíèå 2);
ÊÃÓ-3 -
êðóãëîäîííûå ñ òðåìÿ ãîðëîâèíàìè, ðàñïîëîæåííûìè ïîä óãëîì, ñ âçàèìîçàìåíÿåìûìè
êîíóñàìè (èñïîëíåíèå 1) è áåç âçàèìîçàìåíÿåìûõ êîíóñîâ (èñïîëíåíèå 2);
ÊÃÏ-3 -
êðóãëîäîííûå ñ òðåìÿ ãîðëîâèíàìè, ðàñïîëîæåííûìè ïàðàëëåëüíî, ñ
âçàèìîçàìåíÿåìûìè êîíóñàìè (èñïîëíåíèå 1) è áåç âçàèìîçàìåíÿåìûõ êîíóñîâ
(èñïîëíåíèå 2);
ÊÃÏ-4 -
êðóãëîäîííûå ñ ÷åòûðüìÿ ãîðëîâèíàìè, ðàñïîëîæåííûìè ïàðàëëåëüíî, ñ
âçàèìîçàìåíÿåìûìè êîíóñàìè;
Êí - êîíè÷åñêèå ñ
âçàèìîçàìåíÿåìûìè êîíóñàìè (èñïîëíåíèå 1), áåç âçàèìîçàìåíÿåìûõ êîíóñîâ è ñ
öèëèíäðè÷åñêèìè ãîðëîâèíàìè (èñïîëíåíèå 2);
Ãð - ãðóøåâèäíûå ñ
âçàèìîçàìåíÿåìûìè êîíóñàìè;
Êüåëüäàëÿ -
ãðóøåâèäíûå ñ âçàèìîçàìåíÿåìûìè êîíóñàìè (èñïîëíåíèå 1) è ñ öèëèíäðè÷åñêèìè
ãîðëîâèíàìè (èñïîëíåíèå 2);
Î - îñòðîäîííûå ñ
âçàèìîçàìåíÿåìûìè êîíóñàìè;
ÎÃ-2 - îñòðîäîííûå
ñ äâóìÿ ãîðëîâèíàìè è ñ âçàèìîçàìåíÿåìûìè êîíóñàìè;
ÎÃ-3 - îñòðîäîííûå
ñ òðåìÿ ãîðëîâèíàìè ñ âçàèìîçàìåíÿåìûìè êîíóñàìè (èñïîëíåíèå 1) è áåç
âçàèìîçàìåíÿåìûõ êîíóñîâ (èñïîëíåíèå 2);
ÊÏ - êðóãëîäîííûå
äëÿ ïåðåãîíêè ñ âçàèìîçàìåíÿåìûìè êîíóñàìè (èñïîëíåíèå 1) è áåç
âçàèìîçàìåíÿåìûõ êîíóñîâ (èñïîëíåíèå 2);
ÎÏ - îñòðîäîííûå
äëÿ ïåðåãîíêè ñ âçàèìîçàìåíÿåìûìè êîíóñàìè;
ÊÐÍ - êðóãëîäîííûå
äëÿ ðàçãîíêè íåôòè è íåôòåïðîäóêòîâ.
Äîïóñêàåòñÿ ïî
çàêàçó ïîòðåáèòåëåé èçãîòîâëÿòü êîëáû òèïà ÊÏ ñ öèëèíäðè÷åñêîé ãîðëîâèíîé.
Êîëáû ñ
öèëèíäðè÷åñêîé ãîðëîâèíîé äîïóñêàåòñÿ èçãîòîâëÿòü ñ óòîëùåííûì ðàíòîì è
íàïëûâîì ñòåêëà íà ðàíòå (â âèäå êàïëè) òîëùèíîé 1 - 2 ìì.
(Èçìåíåííàÿ
ðåäàêöèÿ, Èçì. N 1, 3).
1.3.3.
Äèàìåòð îñíîâàíèÿ êîëá òèïà Ï, îáåñïå÷èâàþùèé óñòîé÷èâîå ïîëîæåíèå èõ íà
ãîðèçîíòàëüíîé ïîâåðõíîñòè, äîëæåí áûòü íå ìåíåå 0,45 äèàìåòðà êîëá.
(Èçìåíåííàÿ
ðåäàêöèÿ, Èçì. N 1).
1.3.4.
Íîìèíàëüíàÿ âìåñòèìîñòü â îáîçíà÷åíèè è íàèìåíîâàíèè êîëá ÿâëÿåòñÿ óñëîâíîé.
1.3.5.
Îñíîâíûå ïàðàìåòðû è ðàçìåðû êîëá äîëæíû ñîîòâåòñòâîâàòü óêàçàííûì íà ÷åðò. 3 -
17 è â òàáë. 3 - 14.
Âñå êîëáû ñ
âçàèìîçàìåíÿåìûìè êîíóñàìè, çà èñêëþ÷åíèåì êîëá òèïîâ Ï, Êí è òðåòüåé ãîðëîâèíû
êîëá òèïà ÊÃÏ-4, äîëæíû èçãîòîâëÿòüñÿ ñî ñòåêëÿííûìè êðþ÷êàìè èëè
êîððîçèîííî-ñòîéêèìè õîìóòèêàìè.
Òèï Ê
Èñïîëíåíèå 1

Èñïîëíåíèå 2

×åðò. 3
Òàáëèöà 3
Ðàçìåðû â ìì
─────────┬───────────────┬──────────────┬──────────────┬───────────┬───────
Íîìèíàëü-│ D
│ d │ H
│Îáîçíà÷åíèå│ s, íå
íàÿ
âìåñ-├──────┬────────┼──────┬───────┼──────┬───────┤êîíóñîâ
ïî │ ìåíåå
òèìîñòü,
│Íîìèí.│ Ïðåä.
│Íîìèí.│ Ïðåä. │Íîìèí.│ Ïðåä. │ ÃÎÑÒ 8682
│
ñì3 │
│ îòêë. │ │ îòêë. │ │ îòêë. │ │
─────────┼──────┼────────┼──────┼───────┼──────┼───────┼───────────┼───────
10
│ 32 │+/- 1,0 │ 18; │+/- 1,0│ 70
│+/- 2,0│ 14/23 │
0,7
─────────┼──────┤ │
22 │ ├──────┼───────┤ │
25
│ 42 │
│ │ │
80 │+/-
3,0├───────────┼───────
─────────┼──────┤
├──────┼───────┼──────┤ │
14/23; │ 0,8
50
│ 51 │
│ 18; │+/- 1,0│
105 │ │
19/26; │
─────────┼──────┼────────┤ 22;
├───────┼──────┤ │
29/32 │
100
│ 64 │+/- 1,5 │ 34
│+/- 1,5│ 115
│ │ │
─────────┼──────┼────────┼──────┤
├──────┤
├───────────┼───────
250
│ 85 │+/- 2,0 │ 34; ├───────┤
145 │ │
29/32; │ 0,9
─────────┼──────┤ │
40; │+/- 2,0├──────┼───────┤ 34/35;
│
500
│ 105 │ │
50 │ │ 175 │+/- 4,0│ 45/40
│
─────────┼──────┼────────┼──────┤
├──────┤ │
├───────
1000
│ 131 │+/- 3,0
│ 42 │
│ 210 │ │ │ 1,3
─────────┼──────┤
├──────┤
├──────┤
├───────────┼───────
2000
│ 166 │ │
50; │ │ 260 │
│ 29/32; │
1,5
│ │ │
76 │ │ │ │
45/40 │
─────────┼──────┤ │ ├───────┼──────┼───────┼───────────┼───────
4000
│ 207 │ │ │+/- 3,0│ 315 │+/- 5,0│ 45/40
│ 1,8
─────────┼──────┤
├──────┼───────┼──────┤
├───────────┤
6000
│ 236 │ │
65; │+/- 2,5│ 355
│ │ 45/40;
│
─────────┼──────┼────────┤ 89
├───────┼──────┼───────┤ 60/46
├───────
10000
│ 279 │+/- 4,0
│ │+/- 3,0│ 420 │+/- 6,0│ │ 2,0
Ïðèìåð óñëîâíîãî
îáîçíà÷åíèÿ ïðè çàêàçå êîëáû òèïà Ê èñïîëíåíèÿ 1, íîìèíàëüíîé âìåñòèìîñòüþ 250
ñì3, ñ âçàèìîçàìåíÿåìûì êîíóñîì 29/32, èç òåðìè÷åñêè ñòîéêîãî ñòåêëà ãðóïïû ÒÑ:
Êîëáà Ê-1-250-29/32
ÒÑ ÃÎÑÒ 25336-82
Òî æå, êîëáû òèïà Ê
èñïîëíåíèÿ 2, íîìèíàëüíîé âìåñòèìîñòüþ 250 ñì3, áåç âçàèìîçàìåíÿåìîãî êîíóñà, ñ
äèàìåòðîì ãîðëîâèíû 34 ìì, èç òåðìè÷åñêè è õèìè÷åñêè ñòîéêîãî ñòåêëà ãðóïïû
ÒÕÑ:
Êîëáà Ê-2-250-34
ÒÕÑ ÃÎÑÒ 25336-82
Òèï Ï
Èñïîëíåíèå 1

Èñïîëíåíèå 2

×åðò. 4
Òàáëèöà 4
Ðàçìåðû â ìì
─────────┬───────────────┬────────────────┬──────────────┬───────────┬─────
Íîìèíàëü-│ D
│ d │ H
│Îáîçíà÷åíèå│s, íå
íàÿ
âìåñ-├──────┬────────┼───────┬────────┼──────┬───────┤êîíóñîâ
ïî │ìåíåå
òèìîñòü,
│Íîìèí.│ Ïðåä. │Íîìèí.
│ Ïðåä. │Íîìèí.│ Ïðåä.
│ ÃÎÑÒ 8682 │
ñì3
│ │ îòêë. │
│ îòêë. │ │ îòêë. │ │
─────────┼──────┼────────┼───────┼────────┼──────┼───────┼───────────┼─────
50
│ 51 │+/- 1,0 │ 18;
│+/- 1,0 │ 100
│+/- 3,0│ 14/23; │ 0,8
─────────┼──────┼────────┤ 22;
│ ├──────┤ │
19/26; │
100
│ 64 │+/- 1,5 │ 34
├────────┤
110 │ │
29/32 │
─────────┼──────┼────────┼───────┤+/-
1,5 ├──────┤
├───────────┼─────
250
│ 85 │+/- 2,0 │ 34;
│ │ 140 │
│ 29/32; │ 0,9
─────────┼──────┤ │
40; ├────────┼──────┼───────┤ 34/35;
│
500
│ 105 │ │
50 │+/- 2,0 │
170 │+/- 4,0│ 45/40
│
─────────┼──────┼────────┤ │
├──────┤ │
├─────
750
│ 125 │+/- 3,0
│ │ │ 200
│ │ │ 1,3
─────────┼──────┤
├───────┤
├──────┤
├───────────┼─────
1000
│ 131 │ │
42 │ │ 200 │
│ 29/32; │ 1,5
─────────┼──────┤
├───────┤
├──────┤ │
45/40 │
2000
│ 166 │ │
50; │ │ 250 │
│ │
─────────┼──────┤ │
76
├────────┼──────┼───────┼───────────┼─────
4000
│ 207 │ │ │+/- 3,0 │ 300 │+/- 5,0│ 45/40
│ 1,8
─────────┼──────┤
├───────┼────────┼──────┤
├───────────┤
6000
│ 236 │ │
65; │+/- 2,5 │
340 │ │
45/40; │
─────────┼──────┼────────┤ 89
├────────┼──────┼───────┤ 60/46
├─────
10000
│ 279 │+/- 4,0
│ │+/- 3,0 │ 400 │+/- 6,0│ │ 2,0
Ïðèìåð óñëîâíîãî
îáîçíà÷åíèÿ ïðè çàêàçå êîëáû òèïà Ï èñïîëíåíèÿ 1, íîìèíàëüíîé âìåñòèìîñòüþ 250
ñì3, ñ âçàèìîçàìåíÿåìûì êîíóñîì 29/32, èç òåðìè÷åñêè ñòîéêîãî ñòåêëà ãðóïïû ÒÑ:
Êîëáà Ï-1-250-29/32
ÒÑ ÃÎÑÒ 25336-82
Òî æå, êîëáû òèïà Ï
èñïîëíåíèÿ 2, íîìèíàëüíîé âìåñòèìîñòüþ 250 ñì3, áåç âçàèìîçàìåíÿåìîãî êîíóñà, ñ
äèàìåòðîì ãîðëîâèíû 34 ìì, èç òåðìè÷åñêè è õèìè÷åñêè ñòîéêîãî ñòåêëà ãðóïïû
ÒÕÑ:
Êîëáà Ï-2-250-34
ÒÕÑ ÃÎÑÒ 25336-82
Òèï ÊÃÓ-2
Èñïîëíåíèå 1

Èñïîëíåíèå 2

--------------------------------
<*> Ðàçìåðû
îáåñïå÷èâàþòñÿ èíñòðóìåíòîì.
×åðò. 5
Òèï ÊÃÓ-3
Èñïîëíåíèå 1

Èñïîëíåíèå 2

--------------------------------
<*> Ðàçìåðû
îáåñïå÷èâàþòñÿ èíñòðóìåíòîì.
×åðò. 6
Òàáëèöà 5
Ðàçìåðû
â ìì
───────────┬─────────────┬────────────┬────────────┬───┬───┬─────────┬─────
Íîìèíàëüíàÿ│ D
│ d │ H
│ h │ l │Îáîçíà-
│s, íå
âìåñòèìîñòü├─────┬───────┼────┬───────┼────┬───────┤ │
│÷åíèå │ìåíåå
êîëá,
ñì3, │ Íî- │ Ïðåä. │Íî- │ Ïðåä. │Íî- │
Ïðåä. │ │ │êîíóñîâ │
òèïîâ
ÊÃÓ-2│ ìèí.│ îòêë. │ìèí.│ îòêë. │ìèí.│
îòêë. │ │ │ïî │
è
ÊÃÓ-3 │ │ │ │ │ │ │
│ │ÃÎÑÒ 8682│
───────────┼─────┼───────┼────┼───────┼────┼───────┼───┼───┼─────────┼─────
50
│ 51 │+/- 1,0│
18 │+/- 1,0│105 │+/- 3,0│30 │20 │ 14/23
│ 0,8
│ │
├────┼───────┤ │
├───┼───┼─────────┤
│ │ │ 22 │+/- 1,5│ │ │48 │25 │ 14/23; │
───────────┼─────┼───────┼────┼───────┼────┤ │
│ │ 19/26
│
100
│ 64 │+/- 1,5│
18 │+/- 1,0│115 │
│ │ │ │
│ │
├────┼───────┤ │ │
│ │ │
│ │ │ 22 │+/- 1,5│ │ │
│ │ │
───────────┼─────┼───────┼────┼───────┼────┤
├───┼───┼─────────┼─────
250
│ 85 │+/- 2,0│
34 │+/- 2,0│145 │
│55 │35 │
29/32 │ 0,9
───────────┼─────┤ │ │
├────┼───────┤ ├───┤ │
500
│ 105 │
│ │ │175 │+/- 4,0│ │37 │ │
───────────┼─────┼───────┤ │
├────┤
├───┼───┤ ├─────
1000
│ 131 │+/- 3,0│
│ │210 │ │70 │46 │ │ 1,3
───────────┼─────┤
├────┤
├────┤
├───┼───┼─────────┼─────
2000
│ 166 │ │
50 │ │260 │ │80 │58 │ 45/40
│ 1,5
───────────┼─────┤ │ │
├────┼───────┼───┼───┤ ├─────
4000
│ 207 │
│ │
│315 │+/- 5,0│100│70 │ │ 1,8
───────────┼─────┤
├────┼───────┼────┤
├───┼───┼─────────┤
6000
│ 236 │ │
65 │+/- 2,5│355 │
│80 │83 │
60/46 │
───────────┼─────┼───────┤ │
├────┼───────┼───┼───┤ ├─────
10000
│ 279 │+/- 4,0│
│ │420
│+/- 6,0│100│100│ │ 2,0
Ïðèìåð óñëîâíîãî
îáîçíà÷åíèÿ ïðè çàêàçå êîëáû òèïà ÊÃÓ-2 èñïîëíåíèÿ 1, íîìèíàëüíîé âìåñòèìîñòüþ
100 ñì3, ñ âçàèìîçàìåíÿåìûì êîíóñîì è êîíóñîì öåíòðàëüíîé ãîðëîâèíû 14/23, èç
òåðìè÷åñêè ñòîéêîãî ñòåêëà ãðóïïû ÒÑ:
Êîëáà
ÊÃÓ-2-1-100-14/23 ÒÑ ÃÎÑÒ 25336-82
Òî æå, êîëáû òèïà
ÊÃÓ-3 èñïîëíåíèÿ 2, íîìèíàëüíîé âìåñòèìîñòüþ 250 ñì3, áåç âçàèìîçàìåíÿåìîãî
êîíóñà, ñ äèàìåòðîì öåíòðàëüíîé ãîðëîâèíû 34 ìì, èç òåðìè÷åñêè è õèìè÷åñêè
ñòîéêîãî ñòåêëà ãðóïïû ÒÕÑ:
Êîëáà
ÊÃÓ-3-2-250-34 ÒÕÑ ÃÎÑÒ 25336-82
Òèï ÊÃÏ-3
Èñïîëíåíèå 1

Èñïîëíåíèå 2

--------------------------------
<*> Ðàçìåðû
îáåñïå÷èâàþòñÿ èíñòðóìåíòîì.
×åðò. 7
Òàáëèöà 6
Ðàçìåðû â ìì
───────────┬──────────────┬───────┬──────────────┬───┬───┬───────────┬─────
Íîìèíàëüíàÿ│ D
│d +/- 2│ H │ h │ l │Îáîçíà÷åíèå│s,
íå
âìåñòèìîñòü│ │ │ │ │
│êîíóñîâ ïî │ìåíåå
êîëá,
ñì3,
├──────┬───────┤
├──────┬───────┤ │
│ ÃÎÑÒ 8682 │
òèïîâ
│Íîìèí.│ Ïðåä. │
│Íîìèí.│ Ïðåä. │
│ │ │
─────┬─────┤ │ îòêë. │ │ │ îòêë. │ │
│ │
ÊÃÏ-3│ÊÃÏ-4│ │ │ │ │ │
│ │ │
─────┼─────┼──────┼───────┼───────┼──────┼───────┼───┼───┼───────────┼─────
250 │
- │ 85
│+/- 2,0│ 34 │ 145
│+/- 3,0│55 │35 │ 29/32
│ 0,9
─────┼─────┼──────┤ │ ├──────┼───────┼───┼───┤ │
500 │ 500 │ 105 │
│ │ 175 │+/- 4,0│70 │44
│ │
─────┼─────┼──────┼───────┤
├──────┤
├───┼───┤
├─────
1000
│1000 │ 131 │+/-
3,0│ │ 210 │
│60 │48 │
│ 1,3
─────┼─────┼──────┤
├───────┼──────┤
├───┼───┼───────────┼─────
2000
│2000 │ 166 │ │
50 │ 260 │
│70 │70 │
45/40 │ 1,5
─────┼─────┼──────┤ │ ├──────┼───────┤ │
│ ├─────
4000
│4000 │ 207 │ │ │ 315 │+/- 5,0│ │
│ │ 1,8
Ïðèìåð óñëîâíîãî
îáîçíà÷åíèÿ ïðè çàêàçå êîëáû òèïà ÊÃÏ-3 èñïîëíåíèÿ 1, íîìèíàëüíîé âìåñòèìîñòüþ
250 ñì3, ñ âçàèìîçàìåíÿåìûìè êîíóñàìè è êîíóñîì öåíòðàëüíîé ãîðëîâèíû 29/32, èç
òåðìè÷åñêè ñòîéêîãî ñòåêëà ãðóïïû ÒÑ:
Êîëáà
ÊÃÏ-3-1-250-29/32 ÒÑ ÃÎÑÒ 25336-82
Òî æå, êîëáû òèïà
ÊÃÏ-3 èñïîëíåíèÿ 2, íîìèíàëüíîé âìåñòèìîñòüþ 250 ñì3, áåç âçàèìîçàìåíÿåìûõ
êîíóñîâ è äèàìåòðîì öåíòðàëüíîé ãîðëîâèíû 34 ìì, èç òåðìè÷åñêè ñòîéêîãî ñòåêëà
ãðóïïû ÒÑ:
Êîëáà
ÊÃÏ-3-2-250-34 ÒÑ ÃÎÑÒ 25336-82
Òî æå, êîëáû òèïà
ÊÃÏ-4, íîìèíàëüíîé âìåñòèìîñòüþ 250 ñì3, ñ âçàèìîçàìåíÿåìûìè êîíóñàìè è êîíóñîì
öåíòðàëüíîé ãîðëîâèíû 29/32, èç òåðìè÷åñêè è õèìè÷åñêè ñòîéêîãî ñòåêëà ãðóïïû
ÒÕÑ:
Êîëáà
ÊÃÏ-4-250-29/32 ÒÕÑ ÃÎÑÒ 25336-82
Òèï ÊÃÏ-4

--------------------------------
<*> Ðàçìåðû
îáåñïå÷èâàþòñÿ èíñòðóìåíòîì.
×åðò. 8
Òèï Êí
Èñïîëíåíèå 1

Èñïîëíåíèå 2

×åðò. 9
Òèï Ãð

×åðò. 10
Òàáëèöà 7
Ðàçìåðû â ìì
────────────┬──────────────┬──────────────┬───────────┬──────────────┬─────
Íîìèíàëüíàÿ
│ D │ H
│Îáîçíà÷åíèå│
d │s, íå
âìåñòèìîñòü,├──────┬───────┼──────┬───────┤
êîíóñîâ ïî├──────┬───────┤ìåíåå
ñì3
│Íîìèí.│ Ïðåä. │Íîìèí.│ Ïðåä. │ ÃÎÑÒ 8682
│Íîìèí.│ Ïðåä. │
│ │ îòêë. │ │ îòêë. │ │ │ îòêë. │
────────────┼──────┼───────┼──────┼───────┼───────────┼──────┼───────┼─────
10
│ 32 │+/- 1,0│ 60
│+/- 3,0│ 14/23 │
18 │+/- 1,0│ 0,7
│ │ │ │ │
├──────┼───────┤
│ │ │ │ │ │ 22
│+/- 1,5│
────────────┼──────┤
├──────┤
├───────────┼──────┼───────┼─────
25
│ 42 │
│ 70 │
│ 14/23;
│ 18 │+/- 1,0│ 0,8
│ │ │ │ │
19/26
├──────┼───────┤
│ │ │ │ │ │ 22
│+/- 1,5│
────────────┼──────┤
├──────┤
├───────────┼──────┼───────┤
50
│ 51 │
│ 85 │
│ 14/23; │
18 │+/- 1,0│
│ │ │ │ │
19/26;
├──────┼───────┤
│ │ │ │ │
24/29; │22; 34│+/-
1,5│
────────────┼──────┼───────┼──────┤ │
29/32 │ │ │
100
│ 64 │+/- 1,5│ 105 │
├───────────┼──────┼───────┤
├──────┤
├──────┤ │ 45/40 <*> │ 50
│+/- 2,0│
│50 <*>│ │ 115 │
├───────────┼──────┼───────┼─────
│ │
│ <*> │
│ 19/26 │ 34;
│+/- 1,5│ 0,9
────────────┼──────┼───────┼──────┤ │ │ │ │
250
│ 85 │+/- 2,0│ 135 │
├───────────┤
├───────┤
│ │ │ │ │
24/29; │ │+/-
2,0├─────
│ │ │ │ │
29/32; │ 40; │
│ 0,9
────────────┼──────┤
├──────┼───────┤ 34/35;
│ │ ├─────
500
│ 105 │ │ 170 │+/- 4,0│ 45/40
│ 50 │ │ 1,3
────────────┼──────┤
├──────┤ │ ├──────┤
├─────
750
│ 120 │ │ 180 │
│ │ 42
│ │ 1,3
│ <*> │
│ <*> │ │ │ │ │
├──────┤
├──────┤ │ ├──────┤
├─────
│ 128 │
│ 218 │ │ │ 50
│ │ 1,5
────────────┼──────┼───────┼──────┤ │ │ │
├─────
1000
│ 131 │+/- 3,0│
215 │ │ │ │ │ 1,8
────────────┼──────┤
├──────┤ │ │ │ │
2000
│ 166 │ │ 275 │
│ │ │ │
────────────┼──────┤
├──────┼───────┼───────────┤ │ │
3000
│ 187 │ │ 310 │+/- 5,0│ 34/35;
│ │ │
────────────┼──────┤
├──────┤ │
45/40 │ │ │
5000
│ 220 │ │ 365 │
│ │ │ │
--------------------------------
<*>
Êîëáû óêàçàííûõ ðàçìåðîâ äîïóñêàåòñÿ èçãîòîâëÿòü ïî çàêàçó ïîòðåáèòåëÿ ñ
äèàìåòðîì ãîðëîâèíû d = 50 ìì.
Ïðèìåð óñëîâíîãî
îáîçíà÷åíèÿ ïðè çàêàçå êîëáû òèïà Êí èñïîëíåíèÿ 1, íîìèíàëüíîé âìåñòèìîñòüþ 100
ñì3, ñ âçàèìîçàìåíÿåìûì êîíóñîì 14/23, èç òåðìè÷åñêè ñòîéêîãî ñòåêëà ãðóïïû ÒÑ:
Êîëáà Êí-1-100-14/23
ÒÑ ÃÎÑÒ 25336-82
Òî æå, êîëáû òèïà
Êí èñïîëíåíèÿ 2, íîìèíàëüíîé âìåñòèìîñòüþ 100 ñì3, áåç âçàèìîçàìåíÿåìîãî
êîíóñà, äèàìåòðîì öåíòðàëüíîé ãîðëîâèíû 18 ìì, èç òåðìè÷åñêè è õèìè÷åñêè
ñòîéêîãî ñòåêëà ãðóïïû ÒÕÑ:
Êîëáà Êí-2-100-18
ÒÕÑ ÃÎÑÒ 25336-82
Òàáëèöà 8
Ðàçìåðû â ìì
────────────┬───────┬─────────────────────┬────────────────────┬───────────
Íîìèíàëüíàÿ
│D +/- 2│ H │Îáîçíà÷åíèå êîíóñîâ
│ s,
âìåñòèìîñòü,│ ├─────────┬───────────┤ ïî ÃÎÑÒ 8682 │ íå ìåíåå
ñì3
│ │ Íîìèí. │Ïðåä. îòêë.│ │
────────────┼───────┼─────────┼───────────┼────────────────────┼───────────
10
│ 32 │
60 │ +/- 3,0
│ 14/23 │
0,9
────────────┼───────┼─────────┤ │ │
25
│ 40 │
90 │ │ │
────────────┼───────┼─────────┤ │ │
50
│ 53 │
95 │ │ │
────────────┼───────┼─────────┼───────────┤
├───────────
100
│ 63 │
110 │ +/- 4,0
│
│ 1,1
────────────┼───────┼─────────┤
├────────────────────┤
250
│ 85 │
135 │ │ 29/32 │
Ïðèìåð óñëîâíîãî
îáîçíà÷åíèÿ ïðè çàêàçå êîëáû òèïà Ãð íîìèíàëüíîé âìåñòèìîñòüþ 50 ñì3, ñ
âçàèìîçàìåíÿåìûì êîíóñîì 14/23, èç òåðìè÷åñêè ñòîéêîãî ñòåêëà ãðóïïû ÒÑ:
Êîëáà Ãð-50-14/23
ÒÑ ÃÎÑÒ 25336-82
Òèï Êüåëüäàëÿ
Èñïîëíåíèå 1

Èñïîëíåíèå 2

×åðò. 11
Òàáëèöà 9
Ðàçìåðû â ìì
─────────────────┬────────────────────┬──────────┬──────────────┬──────────
Íîìèíàëüíàÿ
│ D │ H +/- 4 │ Îáîçíà÷åíèå │
s, íå
âìåñòèìîñòü,
ñì3
├────────┬───────────┤ │ êîíóñîâ ïî
│ ìåíåå
│Íîìèí. │Ïðåä. îòêë.│ │ ÃÎÑÒ 8682
│
─────────────────┼────────┼───────────┼──────────┼──────────────┼──────────
50
│ 53 │
+/- 1,0 │ 185
│ 14/23 │
0,8
─────────────────┼────────┼───────────┼──────────┼──────────────┤
100
│ 65 │
+/- 1,5 │ 218
│ 14/23; 29/32 │
─────────────────┼────────┼───────────┼──────────┼──────────────┼──────────
250
│ 87 │
+/- 2,0 │ 265
│ 19/26; 29/32 │ 0,9
─────────────────┼────────┤ ├──────────┼──────────────┤
500
│ 109 │ │ 325
│ 29/32
│
─────────────────┼────────┤ ├──────────┤
├──────────
1000
│ 130 │ │ 350
│ │ 1,3
Ïðèìåð óñëîâíîãî
îáîçíà÷åíèÿ ïðè çàêàçå êîëáû òèïà Êüåëüäàëÿ èñïîëíåíèÿ 1, íîìèíàëüíîé âìåñòèìîñòüþ
250 ñì3, ñ âçàèìîçàìåíÿåìûì êîíóñîì 29/32, èç òåðìè÷åñêè ñòîéêîãî ñòåêëà ãðóïïû
ÒÑ:
Êîëáà Êüåëüäàëÿ
1-250-29/32 ÒÑ ÃÎÑÒ 25336-82
Òî æå, êîëáû
Êüåëüäàëÿ èñïîëíåíèÿ 2, íîìèíàëüíîé âìåñòèìîñòüþ 250 ñì3, áåç âçàèìîçàìåíÿåìîãî
êîíóñà, ñ âíóòðåííèì äèàìåòðîì ãîðëîâèíû 29 ìì, èç òåðìè÷åñêè è õèìè÷åñêè
ñòîéêîãî ñòåêëà ãðóïïû ÒÕÑ:
Êîëáà Êüåëüäàëÿ
2-250-29 ÒÕÑ ÃÎÑÒ 24336-82
Òèï Î

--------------------------------
<*> Ðàçìåðû
îáåñïå÷èâàþòñÿ èíñòðóìåíòîì.
×åðò. 12
Òàáëèöà 10
Ðàçìåðû â ìì
────────────┬─────────────────┬────────────────┬────────────┬──────┬───────
Íîìèíàëüíàÿ
│ D │ H
│Îáîçíà÷åíèå │ R │ s, íå
âìåñòèìîñòü,├───────┬─────────┼───────┬────────┤
êîíóñîâ ïî │ │ ìåíåå
ñì3
│Íîìèí. │ Ïðåä. │Íîìèí. │ Ïðåä. │ ÃÎÑÒ 8682 │
│
│ │
îòêë. │ │ îòêë. │ │ │
────────────┼───────┼─────────┼───────┼────────┼────────────┼──────┼───────
10
│ 32 │ +/- 1,0 │ 75
│+/- 3,0 │
14/23 │ 5
│ 0,8
────────────┼───────┤
├───────┤ │
├──────┤
25
│ 40 │ │ 97
│ │ │ 6
│
────────────┼───────┤
├───────┤ │
├──────┤
50
│ 50 │ │ 109
│ │ │ 8
│
────────────┼───────┼─────────┼───────┼────────┤ ├──────┤
100
│ 62 │ +/- 2,0 │ 130
│+/- 4,0 │
│ 10 │
────────────┼───────┤
├───────┤
├────────────┼──────┼───────
250
│ 82 │ │ 168
│ │ 29/32
│ 13 │
1,0
────────────┼───────┤
├───────┤ │
├──────┤
500
│ 102 │ │ 196
│ │ │ 17
│
Ïðèìåð óñëîâíîãî
îáîçíà÷åíèÿ ïðè çàêàçå êîëáû òèïà Î, íîìèíàëüíîé âìåñòèìîñòüþ 50 ñì3, ñ
âçàèìîçàìåíÿåìûì êîíóñîì 14/23, èç òåðìè÷åñêè ñòîéêîãî ñòåêëà ãðóïïû ÒÑ:
Êîëáà Î-50-14/23 ÒÑ
ÃÎÑÒ 25336-82
Òèï ÎÃ-2

--------------------------------
<*> Ðàçìåðû
îáåñïå÷èâàþòñÿ èíñòðóìåíòîì.
×åðò. 13
Òèï ÎÃ-3
Èñïîëíåíèå 1

Èñïîëíåíèå 2

--------------------------------
<*> Ðàçìåðû
îáåñïå÷èâàþòñÿ èíñòðóìåíòîì.
×åðò. 14
Òàáëèöà 11
Ðàçìåðû â ìì
───────────┬────────────┬────────────┬──┬───────────────────┬──┬─────┬─────
Íîìèíàëüíàÿ│ D
│ H │h │Îáîçíà÷åíèå
êîíóñîâ│R │ l, │ s,
âìåñòèìîñòü├────┬───────┼────┬───────┤ │
ïî ÃÎÑÒ 8682 │ │ íå
│ íå
êîëá,
ñì3, │Íî- │ Ïðåä. │Íî- │Ïðåä. │
├─────────┬─────────┤ │ìåíåå│ìåíåå
òèïîâ
│ìèí.│ îòêë. │ìèí.│îòêë. │
│öåíòðàëü-│ áîêîâîé │
│ │
──────┬────┤ │ │ │ │
│íîé
│ãîðëîâèíû│
│ │
ÎÃ-2 │ÎÃ-3│ │ │ │ │
│ãîðëîâèíû│
│ │ │
──────┼────┼────┼───────┼────┼───────┼──┼─────────┼─────────┼──┼─────┼─────
-
│ 25 │ 40 │+/- 1,0│ 97 │+/-
3,0│45│ 14/23 │
10/19 │ 6│ 15 │ 0,8
──────┼────┼────┤
├────┤ │
│ │
├──┼─────┤
50
│ 50 │ 50 │
│109 │ │ │ │ │ 8│ 20 │
──────┼────┼────┼───────┼────┼───────┼──┤
├─────────┼──┼─────┤
100
│100 │ 62 │+/- 2,0│130 │+/-
4,0│50│ │ 14/23
│10│ 25 │
──────┼────┼────┤
├────┤ ├──┤ │
├──┼─────┼─────
250
│250 │ 82 │
│168 │
│60│ │ │13│ 30 │ 1,0
──────┼────┼────┤
├────┤ │
├─────────┤
├──┼─────┤
500
│ - │102 │ │196 │ │
│ 29/32 │ │17│ 35 │
Ïðèìåð óñëîâíîãî
îáîçíà÷åíèÿ ïðè çàêàçå êîëáû òèïà ÎÃ-2 íîìèíàëüíîé âìåñòèìîñòüþ 100 ñì3, ñ
âçàèìîçàìåíÿåìûìè êîíóñàìè è êîíóñîì öåíòðàëüíîé ãîðëîâèíû 14/23, èç òåðìè÷åñêè
ñòîéêîãî ñòåêëà ãðóïïû ÒÑ:
Êîëáà
ÎÃ-2-100-14/23 ÒÑ ÃÎÑÒ 25336-82
Òî æå, êîëáû òèïà
ÎÃ-3 èñïîëíåíèÿ 1, íîìèíàëüíîé âìåñòèìîñòüþ 100 ñì3, ñ âçàèìîçàìåíÿåìûìè
êîíóñàìè è êîíóñîì öåíòðàëüíîé ãîðëîâèíû 14/23, èç òåðìè÷åñêè ñòîéêîãî ñòåêëà
ãðóïïû ÒÑ:
Êîëáà
ÎÃ-3-1-100-14/23 ÒÑ ÃÎÑÒ 25336-82
Òî æå, êîëáû òèïà
ÎÃ-3 èñïîëíåíèÿ 2, íîìèíàëüíîé âìåñòèìîñòüþ 100 ñì3, áåç âçàèìîçàìåíÿåìûõ
êîíóñîâ ñ íàèáîëüøèì âíóòðåííèì äèàìåòðîì öåíòðàëüíîé ãîðëîâèíû 14 ìì, èç
òåðìè÷åñêè è õèìè÷åñêè ñòîéêîãî ñòåêëà ãðóïïû ÒÕÑ:
Êîëáà ÎÃ-3-2-100-14
ÒÕÑ ÃÎÑÒ 25336-82
Òèï ÊÏ
Èñïîëíåíèå 1

Èñïîëíåíèå 2

--------------------------------
<*> Ðàçìåðû
îáåñïå÷èâàþòñÿ èíñòðóìåíòîì.
×åðò. 15
Òàáëèöà 12
Ðàçìåðû â ìì
────────────┬──────────────┬───────┬───────┬──────┬────────────┬─────┬─────
Íîìèíàëüíàÿ
│ D │d +/- 1│H +/- 4│ h
│ Îáîçíà÷åíèå│ l │ s,
âìåñòèìîñòü,├──────┬───────┤ │ │ │
êîíóñîâ │ │ íå
ñì3
│Íîìèí.│ Ïðåä. │
│ │ │ïî ÃÎÑÒ 8682│ │ìåíåå
│ │ îòêë. │ │ │ │ │ │
────────────┼──────┼───────┼───────┼───────┼──────┼────────────┼─────┼─────
50
│ 53 │+/- 1,0│ 8,0
│ 150 │
50 │ 19/26
│ 120 │ 0,8
────────────┼──────┼───────┤ ├───────┼──────┼────────────┼─────┼─────
100
│ 65 │+/- 1,5│ │
185 │ 60
│ 29/32 │ 150 │ 0,9
────────────┼──────┤ │ ├───────┤ │ │ │
150
│ 75 │
│ │ 190
│ │ │ │
────────────┼──────┼───────┤ ├───────┤ │ │ │
250
│ 87 │+/- 2,0│ │
200 │ │ │ │
────────────┼──────┤ │ ├───────┼──────┤ │ │
500
│ 109 │ │ │
250 │ 70
│ │ │
────────────┼──────┼───────┼───────┼───────┼──────┤
├─────┼─────
1000
│ 136 │+/- 3,0│
12,0 │ 309
│ 80 │ │ 200 │ 1,3
Ïðèìåð óñëîâíîãî
îáîçíà÷åíèÿ ïðè çàêàçå êîëáû òèïà ÊÏ èñïîëíåíèÿ 1, íîìèíàëüíîé âìåñòèìîñòüþ 100
ñì3, ñ âçàèìîçàìåíÿåìûì êîíóñîì 29/32, èç òåðìè÷åñêè ñòîéêîãî ñòåêëà ãðóïïû ÒÑ:
Êîëáà
ÊÏ-1-100-29/32 ÒÑ ÃÎÑÒ 25336-82
Òî æå, êîëáû òèïà
ÊÏ èñïîëíåíèÿ 2, íîìèíàëüíîé âìåñòèìîñòüþ 100 ñì3, áåç âçàèìîçàìåíÿåìîãî êîíóñà
ñ íàèáîëüøèì âíóòðåííèì äèàìåòðîì ãîðëîâèíû 29 ìì, èç òåðìè÷åñêè è õèìè÷åñêè
ñòîéêîãî ñòåêëà ãðóïïû ÒÕÑ:
Êîëáà ÊÏ-2-100-29
ÒÕÑ ÃÎÑÒ 25336-82
Òèï ÎÏ

--------------------------------
<*> Ðàçìåðû
îáåñïå÷èâàþòñÿ èíñòðóìåíòîì.
×åðò. 16
Òàáëèöà 13
Ðàçìåðû â ìì
───────┬────────────┬───────┬────────────┬────────────┬──┬─────────┬───┬───
Íîìè- │
D │d +/- 1│ H
│ H │h │Îáîçíà÷å-│R │s,
íàëüíàÿ│ │ │ │ 1
│ │íèå
êîíó-│ │íå
âìåñòè-├────┬───────┤
├────┬───────┼────┬───────┤ │ñîâ ïî │
│ìå-
ìîñòü,
│Íî- │ Ïðåä. │
│Íî- │ Ïðåä. │Íî- │ Ïðåä. │ │ÃÎÑÒ 8682│ │íåå
ñì3 │ìèí.│ îòêë. │ │ìèí.│ îòêë.
│ìèí.│ îòêë. │ │ │ │
───────┼────┼───────┼───────┼────┼───────┼────┼───────┼──┼─────────┼───┼───
10
│ 32 │+/- 1,0│
12 │ 60 │+/-
3,0│124 │+/- 3,0│65│
10/19 │ 5 │0,8
───────┼────┤
├───────┼────┤
├────┤
├──┼─────────┼───┤
25
│ 40 │
│ 18 │167 │ │132 │ │60│ 14/23
│ 6 │
───────┼────┤ │
├────┤
├────┤ │
│
├───┤
50
│ 50 │
│ │180
│ │144 │ │
│ │ 8 │
───────┼────┼───────┤
├────┼───────┼────┼───────┤ │ ├───┼───
100
│ 62 │+/- 2,0│
│195 │+/- 4,0│160 │+/- 4,0│ │ │10 │0,9
Ïðèìåð óñëîâíîãî
îáîçíà÷åíèÿ ïðè çàêàçå êîëáû òèïà ÎÏ, íîìèíàëüíîé âìåñòèìîñòüþ 100 ñì3, ñ
âçàèìîçàìåíÿåìûìè êîíóñàìè ãîðëîâèí 14/23, èç òåðìè÷åñêè ñòîéêîãî ñòåêëà ãðóïïû
ÒÑ:
Êîëáà ÎÏ-100-14/23
ÒÑ ÃÎÑÒ 25336-82
Òèï ÊÐÍ

--------------------------------
<*> Ðàçìåð
îáåñïå÷èâàåòñÿ èíñòðóìåíòîì.
×åðò. 17
Òàáëèöà 14
Ðàçìåðû â ìì
────────────┬───────────────┬─────────┬──────────┬─────────┬─────┬─────────
Íîìèíàëüíàÿ
│ D │d +/- 1,0│d +/- 0,5│H +/- 3,0│ h
│l +/- 3,0
âìåñòèìîñòü,├───────┬───────┤ │ 1 │ │ │
ñì3
│Íîìèí. │ Ïðåä. │ │ │ │ │
│ │ îòêë. │ │ │ │ │
────────────┼───────┼───────┼─────────┼──────────┼─────────┼─────┼─────────
125
│ 69 │+/- 1,0│ 17
│ 5 │
214 │ 77 │
100
────────────┼───────┼───────┤ ├──────────┤
├─────┤
250
│ 85 │+/- 3,0│ │ 6
│ │ 65 │
────────────┼───────┼───────┼─────────┼──────────┼─────────┼─────┼─────────
250
│ 87 │+/- 2,0│ 24
│ 10 │
125 │ 27 │
200
Ïðèìåð óñëîâíîãî
îáîçíà÷åíèÿ ïðè çàêàçå êîëáû òèïà ÊÐÍ, íîìèíàëüíîé âìåñòèìîñòüþ 250 ñì3, èç
òåðìè÷åñêè ñòîéêîãî ñòåêëà ãðóïïû ÒÑ:
Êîëáà ÊÐÍ-250 ÒÑ
ÃÎÑÒ 25336-82
(Èçìåíåííàÿ
ðåäàêöèÿ, Èçì. N 1, 3, 4).
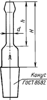
1.3.6. Êîäû ÎÊÏ íà
êîëáû óêàçàíû â Ïðèëîæåíèè 3.
1.3.7.
Ñðåäíÿÿ òîëùèíà ñòåíêè êîëáû äîëæíà áûòü íå ìåíåå óêàçàííîé â òàáë. 3 è 4.
Îòäåëüíûå çíà÷åíèÿ
èçìåíåíèé òîëùèíû ñòåíêè, èçìåðÿåìûå äëÿ îïðåäåëåíèÿ ñðåäíåé òîëùèíû, íå äîëæíû
áûòü ìåíåå 80% óêàçàííîãî â ñîîòâåòñòâóþùåé òàáëèöå çíà÷åíèÿ ïðè èçìåðåíèè åå â
íåñêîëüêèõ ìåñòàõ, ðàâíîìåðíî ðàñïîëîæåííûõ íà ïîâåðõíîñòè êîëáû.
(Ââåäåí
äîïîëíèòåëüíî, Èçì. N 1).
1.4. Êîëáû
Ôàâîðñêîãî
1.4.1. Êîëáû
Ôàâîðñêîãî ïðåäíàçíà÷åíû äëÿ ïåðåãîíêè ïðè àòìîñôåðíîì äàâëåíèè è ïðè
îñòàòî÷íîì äàâëåíèè 13,3 ãÏà (10 ìì ðò. ñò.).
1.4.2. Äåôëåãìàòîð
äîëæåí èìåòü ïî îêðóæíîñòè ÷åðåäóþùèåñÿ â øàõìàòíîì ïîðÿäêå êîíóñíûå íàêîëû ïî
4 øò. â ðÿäó, ðàñïîëîæåííûå íàêëîííî ê îñè ïîä óãëîì íå ìåíåå 30°.
1.4.3. Íîìèíàëüíàÿ
âìåñòèìîñòü â îáîçíà÷åíèè è íàèìåíîâàíèè êîëá ÿâëÿåòñÿ óñëîâíîé.
1.4.4. Îñíîâíûå
ïàðàìåòðû è ðàçìåðû êîëá äîëæíû ñîîòâåòñòâîâàòü óêàçàííûì íà ÷åðò. 18 è â òàáë.
15.

--------------------------------
<*> Ðàçìåð
îáåñïå÷èâàåòñÿ èíñòðóìåíòîì.
×åðò. 18
Òàáëèöà 15
Ðàçìåðû
â ìì
────────────────┬───────────┬───────────┬──────────┬──────────┬────────────
Íîìèíàëüíàÿ
│ D +/- 2 │ H +/- 10 │ h +/- 5 │h
+/- 10 │Îáîçíà÷åíèå
âìåñòèìîñòü,
ñì3│ │ │ │ 1 │
êîíóñîâ
│ │ │ │ │ïî ÃÎÑÒ 8682
────────────────┼───────────┼───────────┼──────────┼──────────┼────────────
25
│ 40 │
450 │ 15
│ 300 │
10/19
────────────────┼───────────┼───────────┼──────────┤
├────────────
50
│ 50 │
465 │ 25
│ │ 14/23
────────────────┼───────────┼───────────┼──────────┼──────────┤
100
│ 62 │
690 │ 40
│ 500 │
────────────────┼───────────┼───────────┼──────────┤ │
250
│ 82 │
750 │ 65
│ │
────────────────┼───────────┼───────────┼──────────┼──────────┤
500
│ 102 │
900 │ 75
│ 600 │
Ïðèìåð óñëîâíîãî
îáîçíà÷åíèÿ ïðè çàêàçå êîëáû Ôàâîðñêîãî íîìèíàëüíîé âìåñòèìîñòüþ 250 ñì3:
Êîëáà Ôàâîðñêîãî
250 ÃÎÑÒ 25336-82
1.4.5. Êîäû ÎÊÏ íà
êîëáû Ôàâîðñêîãî óêàçàíû â Ïðèëîæåíèè 4.
1.5. Êîëáû ñ
òóáóñîì
1.5.1. Êîëáû ñ
òóáóñîì ïðåäíàçíà÷åíû äëÿ ôèëüòðîâàíèÿ â âàêóóìå.
1.5.2. Êîëáû äîëæíû
èçãîòîâëÿòüñÿ èñïîëíåíèé:
1 - áåç
âçàèìîçàìåíÿåìîãî êîíóñà;
2 - ñ
âçàèìîçàìåíÿåìûì êîíóñîì.
1.5.3. Êîëáû äîëæíû
âûäåðæèâàòü ïðåäåëüíîå îñòàòî÷íîå äàâëåíèå íå áîëåå 13,33 ãÏà (10 ìì ðò. ñò.).
1.5.4. Íîìèíàëüíàÿ
âìåñòèìîñòü â îáîçíà÷åíèè è íàèìåíîâàíèè êîëá ÿâëÿåòñÿ óñëîâíîé.
1.5.5. Îñíîâíûå
ïàðàìåòðû è ðàçìåðû êîëá äîëæíû ñîîòâåòñòâîâàòü óêàçàííûì íà ÷åðò. 19 è â òàáë.
16.
Èñïîëíåíèå 1

Èñïîëíåíèå 2

--------------------------------
<*> Ðàçìåðû
äëÿ ñïðàâîê.
×åðò. 19
Òàáëèöà 16
Ðàçìåðû â ìì
───────┬──────────┬───────────────────┬────┬──┬──┬────────────┬────────────
Íîìè- │
D │ d │H, │h │l │ s
│ s
íàëüíàÿ│ │ │íå │
│ │ │ 1
âìåñòè-├────┬─────┼───────────────────┤ìå-
│ │
├────┬───────┼────┬───────
ìîñòü,
│Íî- │Ïðåä.│
Èñïîëíåíèå êîëá │íåå
│ │ │Íî- │ Ïðåä. │Íî- │
Ïðåä.
ñì3
│ìèí.│îòêë.├──────────┬────────┤ │
│ │ìèí.│ îòêë.
│ìèí.│ îòêë.
│ │
│ 1 │
2 │ │
│ │ │ │ │
│ │
├──────────┼────────┤ │
│ │ │ │ │
│ │
│ d │Îáîçíà- │ │
│ │ │ │ │
│ │
├────┬─────┤÷åíèå │
│ │ │
│ │ │
│ │
│Íî- │Ïðåä.│êîíóñîâ │ │
│ │ │ │ │
│ │
│ìèí.│îòêë.│ïî ÃÎÑÒ │ │
│ │ │ │ │
│ │
│ │ │8682 │
│ │ │
│ │ │
───────┼────┼─────┼────┼─────┼────────┼────┼──┼──┼────┼───────┼────┼───────
100
│ 65 │+/- 2│ 19 │+/- 1│ 19/26 │100 │40│30│3,0
│+/- 0,5│2,5 │+/- 0,5
───────┼────┤
├────┤ ├────────┼────┼──┤
├────┤ ├────┤
250
│ 90 │ │ 29
│ │ 29/32 │136 │50│ │3,5 │ │3,0 │
───────┼────┤ │
├─────┤
├────┼──┼──┼────┼───────┤ │
500
│109 │
│ │+/-
2│ │186
│55│40│4,0 │+/- 1,0│ │
───────┼────┤
├────┤ ├────────┼────┼──┤
├────┤ ├────┼───────
1000
│132 │ │ 45
│ │ 45/40 │240 │65│ │5,0 │ │4,0 │+/- 1,0
───────┼────┤ │
│ │
├────┤
├──┼────┤ ├────┤
2000 │180
│ │ │
│ │288 │ │45│6,0 │ │6,0 │
───────┼────┼─────┤ │
│
├────┤
├──┼────┤ │ │
5000
│238 │+/- 3│
│ │ │360 │ │50│8,0 │ │ │
Ïðèìåð óñëîâíîãî
îáîçíà÷åíèÿ ïðè çàêàçå êîëáû ñ òóáóñîì èñïîëíåíèÿ 1, íîìèíàëüíîé âìåñòèìîñòüþ
250 ñì3:
Êîëáà 1-250 ÃÎÑÒ
25336-82
Òî æå, êîëáû ñ
òóáóñîì èñïîëíåíèÿ 2, íîìèíàëüíîé âìåñòèìîñòüþ 500 ñì3, ñ âçàèìîçàìåíÿåìûì
êîíóñîì 29/32:
Êîëáà 2-500-29/32
ÃÎÑÒ 25336-82
(Èçìåíåííàÿ
ðåäàêöèÿ, Èçì. N 1).
1.5.6. Êîäû ÎÊÏ íà
êîëáû ñ òóáóñîì óêàçàíû â Ïðèëîæåíèè 5.
1.6. Ïðîáèðêè
1.6.1. Ïðîáèðêè
ïðåäíàçíà÷åíû äëÿ ëàáîðàòîðíûõ ðàáîò.
1.6.2. Ïðîáèðêè
äîëæíû èçãîòîâëÿòüñÿ òèïîâ:
Ï1 - öèëèíäðè÷åñêèå
ñ ðàçâåðíóòûì êðàåì;
Ï2 -
öèëèíäðè÷åñêèå;
Ï2Ò -
öèëèíäðè÷åñêèå òîëñòîñòåííûå;
Ï3 - îñòðîäîííûå;
Ï4 - ñ
âçàèìîçàìåíÿåìûì êîíóñîì;
Ï40 - ñ
âçàèìîçàìåíÿåìûì êîíóñîì è îòâîäîì.
Äîïóñêàåòñÿ ïî
çàêàçó ïîòðåáèòåëÿ èçãîòîâëÿòü ïðîáèðêè äðóãèõ òèïîâ.
1.6.3. Äèàìåòð
ðàçâåðíóòîé ÷àñòè ïðîáèðîê òèïà Ï1 äîëæåí áûòü áîëüøå åå äèàìåòðà íå áîëåå ÷åì
íà 3 ìì.
1.6.4. Íîìèíàëüíàÿ
âìåñòèìîñòü â îáîçíà÷åíèè è íàèìåíîâàíèè ïðîáèðîê ÿâëÿåòñÿ óñëîâíîé.
1.6.5. Îñíîâíûå
ïàðàìåòðû è ðàçìåðû ïðîáèðîê äîëæíû ñîîòâåòñòâîâàòü óêàçàííûì íà ÷åðò. 20 - 23
è â òàáë. 17 - 20.
Òèï Ï1

Òèïû Ï2 è Ï2Ò

×åðò. 20
Òàáëèöà 17
Ðàçìåðû â ìì
───────┬─────────────────┬─────────────────────┬───────────┬───────────────
Òèï
│ Íîìèíàëüíàÿ │ D │ H +/- 5
│ s, íå ìåíåå
│âìåñòèìîñòü, ñì3
├────────┬────────────┤ │
│ │ Íîìèí. │Ïðåä.
îòêë. │ │
───────┼─────────────────┼────────┼────────────┼───────────┼───────────────
Ï1
│ - │ 7
│ +/- 0,5 │
40 │ 0,8
│
├────────┼────────────┼───────────┤
│ │
12 │ +/- 1,0
│ 60 │
│
├────────┤ ├───────────┤
│ │ 14
│ │ 120
│
│
├────────┤ ├───────────┤
│ │ 16 │ │ 150
│
│
├────────┤ ├───────────┼───────────────
│ │ 21
│ │ 200
│ 1,0
│
├────────┤ │ │
│ │
25 │ │ │
│
├────────┤ ├───────────┤
│ │ 30
│ │ 250
│
│ │ │ ├───────────┤
│ │ │ │ 270
│
───────┼─────────────────┼────────┼────────────┼───────────┼───────────────
Ï2
│ - │ 7
│ +/- 0,5 │
60 │ 1,0
│
├────────┼────────────┼───────────┤
│ │
10 │ +/- 1,0
│ 90 │
│
├────────┤ ├───────────┼───────────────
│ │ 14
│ │ 100
│ 1,2
│
├────────┤ ├───────────┤
│ │ 16
│ │ 150
│
│ │ │ ├───────────┤
│ │ │ │ 180
│
│
├────────┤ ├───────────┤
│ │
19 │ │ 150
│
│ │ │ ├───────────┤
│ │ │ │ 180
│
│
├────────┤ ├───────────┤
│ │ 21 │ │ 200
│
───────┼─────────────────┼────────┼────────────┼───────────┼───────────────
Ï2Ò
│ 5 │ 15
│ +/- 1,0 │
55 │ 1,3
├─────────────────┼────────┤
├───────────┤
│ 10
│ 21
│ │ 60
│
├─────────────────┼────────┤
├───────────┼───────────────
│ 25
│ 31 │ │ 70
│ 1,5
├─────────────────┤ │
├───────────┼───────────────
│ 50
│ │ │ 115
│ 2,0
├─────────────────┼────────┤
├───────────┤
│ 100
│ 44 │ │ 100
│
├─────────────────┼────────┤
├───────────┼───────────────
│ 250
│ 60 │ │ 155
│ 3,5
Ïðèìåð óñëîâíîãî
îáîçíà÷åíèÿ ïðè çàêàçå ïðîáèðêè òèïà Ï1 äèàìåòðîì 16 ìì, âûñîòîé 150 ìì, èç
õèìè÷åñêè ñòîéêîãî ñòåêëà ãðóïïû ÕÑ:
Ïðîáèðêà Ï1-16-150
ÕÑ ÃÎÑÒ 25336-82
Òî æå, ïðîáèðêè
òèïà Ï2 äèàìåòðîì 10 ìì, âûñîòîé 90 ìì, èç õèìè÷åñêè ñòîéêîãî ñòåêëà ãðóïïû ÕÑ:
Ïðîáèðêà Ï2-10-90
ÕÑ ÃÎÑÒ 25336-82
Òî æå, ïðîáèðêè
òèïà Ï2Ò íîìèíàëüíîé âìåñòèìîñòüþ 10 ñì3, èç òåðìè÷åñêè ñòîéêîãî ñòåêëà ÒÑ:
Ïðîáèðêà Ï2Ò-10 ÒÑ
ÃÎÑÒ 25336-82
Òèï Ï3

--------------------------------
<*> Ðàçìåð
îáåñïå÷èâàåòñÿ èíñòðóìåíòîì.
×åðò. 21
Òàáëèöà 18
Ðàçìåðû â ìì
──────────────────┬─────────────┬─────────────┬─────────────┬──────────────
Íîìèíàëüíàÿ │
D +/- 1 │ H +/- 5
│ h, íå ìåíåå │ s, íå ìåíåå
âìåñòèìîñòü, ñì3 │ │ │ │
──────────────────┼─────────────┼─────────────┼─────────────┼──────────────
5
│ 15
│ 55 │ 20
│ 1,0
──────────────────┼─────────────┼─────────────┼─────────────┼──────────────
25 │ 31
│ 70 │ 25
│ 1,5
──────────────────┤
├─────────────┤ ├──────────────
50 │ │ 115
│ │ 2,0
──────────────────┼─────────────┼─────────────┤ │
100 │ 44
│ 100 │ │
Ïðèìåð óñëîâíîãî îáîçíà÷åíèÿ
ïðè çàêàçå ïðîáèðêè òèïà Ï3, íîìèíàëüíîé âìåñòèìîñòüþ 5 ñì3, èç õèìè÷åñêè
ñòîéêîãî ñòåêëà ãðóïïû ÕÑ:
Ïðîáèðêà Ï3-5 ÕÑ
ÃÎÑÒ 25336-82
Òèï Ï4

×åðò. 22
Òàáëèöà 19
Ðàçìåðû â ìì
───────────────────┬────────────────────────────────┬──────────────────────
Íîìèíàëüíàÿ │ H │ Îáîçíà÷åíèå êîíóñîâ
âìåñòèìîñòü, ñì3
├───────────────┬────────────────┤ ïî ÃÎÑÒ 8682
│ Íîìèí.
│ Ïðåä. îòêë. │
───────────────────┼───────────────┼────────────────┼──────────────────────
1 │ 40
│ +/- 3 │ 10/19
───────────────────┼───────────────┼────────────────┼──────────────────────
2 │ 90
│ +/- 5 │ 14/23
───────────────────┼───────────────┤
├──────────────────────
5 │ 110
│ │ 10/19
───────────────────┼───────────────┤
├──────────────────────
10 │ 150
│ │ 14/23
───────────────────┼───────────────┤ │
15 │ 180
│ │
───────────────────┼───────────────┤ │
20 │ 190
│ │
───────────────────┼───────────────┤ │
25 │ 210
│ │
───────────────────┼───────────────┤
├──────────────────────
50
│ 130 │ │ 29/32
Ïðèìåð óñëîâíîãî
îáîçíà÷åíèÿ ïðè çàêàçå ïðîáèðêè òèïà Ï4, íîìèíàëüíîé âìåñòèìîñòüþ 5 ñì3, ñ
âçàèìîçàìåíÿåìûì êîíóñîì 14/23, èç õèìè÷åñêè ñòîéêîãî ñòåêëà ãðóïïû ÕÑ:
Ïðîáèðêà Ï4-5-14/23
ÕÑ ÃÎÑÒ 25336-82
Òèï Ï40

--------------------------------
<*> Ðàçìåðû
äëÿ ñïðàâîê.
×åðò. 23
Òàáëèöà 20
Ðàçìåðû â ìì
──────────┬──────────┬───────────┬──────────┬──────────┬───────────────────
D
│ d │
H +/- 5 │ h
│ l │Îáîçíà÷åíèå êîíóñîâ
──────────┴──────────┤ │ │ │ ïî ÃÎÑÒ 8682
+/- 1 │ │ │ │
──────────┬──────────┼───────────┼──────────┼──────────┼───────────────────
13
│ 5 │
65 │ 27
│ 22 │ 10/19
│
├───────────┼──────────┤ │
│ │ 80
│ 32 │ │
──────────┤
├───────────┼──────────┤
├───────────────────
17
│ │ 60
│ 37 │ │ 14/23
│
├───────────┤ │ │
│ │ 80
│ │ │
├──────────┼───────────┤
├──────────┼───────────────────
│ 7
│ 100 │ │ 27
│ 19/26
──────────┤
├───────────┤
├──────────┤
21
│ │ 80
│ │
22 │
│
├───────────┤ ├──────────┤
│ │ 100
│ │ 27
│
│
├───────────┼──────────┤ │
│ │ 150
│ 42 │ │
Ïðèìåð óñëîâíîãî
îáîçíà÷åíèÿ ïðè çàêàçå ïðîáèðêè òèïà Ï40, ñ âçàèìîçàìåíÿåìûì êîíóñîì 14/23,
äèàìåòðîì 17 ìì, âûñîòîé 80 ìì, èç õèìè÷åñêè ñòîéêîãî ñòåêëà ãðóïïû ÕÑ:
Ïðîáèðêà
Ï40-17-80-14/23 ÕÑ ÃÎÑÒ 25336-82
1.6.6. Êîäû ÎÊÏ íà
ïðîáèðêè óêàçàíû â Ïðèëîæåíèè 6.
1.7. ×àøêè
1.7.1. ×àøêè
ïðåäíàçíà÷åíû äëÿ õèìèêî-ëàáîðàòîðíûõ è áèîëîãè÷åñêèõ ðàáîò.
1.7.2. ×àøêè äîëæíû
èçãîòîâëÿòüñÿ òèïîâ:
×ÊÖ -
êðèñòàëëèçàöèîííûå öèëèíäðè÷åñêèå;
×ÂÏ - âûïàðíûå
ïëîñêîäîííûå ñôåðè÷åñêèå;
×ÂÊ - âûïàðíûå
êðóãëîäîííûå ñôåðè÷åñêèå;
×Á - áèîëîãè÷åñêèå
(Êîõà), ñ êðûøêàìè âûñîêèå;
×ÁÍ - áèîëîãè÷åñêèå
(Ïåòðè), ñ êðûøêàìè íèçêèå.
1.7.3. Ðàçíîñòü â
âûñîòå ïî îáðàçóþùåé öèëèíäðè÷åñêîé ïîâåðõíîñòè ÷àøêè òèïà ×ÁÍ èñïîëíåíèÿ 2 íå
äîëæíà ïðåâûøàòü 1,5 ìì.
1.7.4. Âíóòðåííèé
äèàìåòð êðûøåê ÷àøåê òèïîâ ×Á è ×ÁÍ äîëæåí áûòü áîëüøå íàðóæíîãî äèàìåòðà
÷àøêè íå ìåíåå ÷åì íà 2 ìì.
(Èçìåíåííàÿ
ðåäàêöèÿ, Èçì. N 1).
1.7.5. Äèàìåòð
îñíîâàíèÿ ÷àøåê, îáåñïå÷èâàþùèé óñòîé÷èâîå ïîëîæåíèå èõ íà ãîðèçîíòàëüíîé
ïîâåðõíîñòè, äîëæåí áûòü íå ìåíåå 0,6 äèàìåòðà ÷àøåê.
1.7.6. Íîìèíàëüíàÿ
âìåñòèìîñòü â îáîçíà÷åíèè è íàèìåíîâàíèè ÷àøåê ÿâëÿåòñÿ óñëîâíîé.
1.7.7. Îñíîâíûå
ïàðàìåòðû è ðàçìåðû ÷àøåê äîëæíû ñîîòâåòñòâîâàòü óêàçàííûì íà ÷åðò. 24 - 29 è â
òàáë. 21 - 25.
Òèï ×ÊÖ
Èñïîëíåíèå 1

Èñïîëíåíèå 2

×åðò. 24
Òàáëèöà 21
Ðàçìåðû â ìì
────────────┬───────┬─────────────────┬───────┬────────────────────────────
Íîìèíàëüíàÿ
│D +/- 2│ H │ s, íå │ Ðàçíîñòü â âûñîòå ïî
âìåñòèìîñòü,│
├───────┬─────────┤
ìåíåå │ îáðàçóþùåé öèëèíäðè÷åñêîé
ñì3
│ │Íîìèí.
│ Ïðåä. │
│ïîâåðõíîñòè ÷àøêè, íå áîëåå
│ │ │
îòêë. │ │
────────────┼───────┼───────┼─────────┼───────┼────────────────────────────
1
│ 22 │
15 │ +/- 2
│ 0,7 │ 1,2
────────────┼───────┼───────┤ ├───────┤
10
│ 38 │
20 │ │ 0,9
│
────────────┼───────┼───────┼─────────┼───────┤
50
│ 58 │
30 │ +/- 4
│ 1,0 │
────────────┼───────┼───────┤ ├───────┼────────────────────────────
100
│ 72 │
40 │ │ 1,1
│ 1,8
────────────┼───────┼───────┤ ├───────┤
250
│ 82 │
65 │ │ 1,3
│
────────────┼───────┤ │ ├───────┤
500
│ 120 │
│ │ 1,4
│
────────────┼───────┼───────┤ ├───────┼────────────────────────────
1000
│ 150 │ 75
│ │ 1,7
│ 2,3
────────────┼───────┼───────┤ ├───────┤
2500
│ 200 │ 100
│ │ 2,0
│
────────────┼───────┼───────┤ │ │
5000
│ 250 │ 125
│ │ │
Ïðèìåð óñëîâíîãî
îáîçíà÷åíèÿ ïðè çàêàçå ÷àøêè òèïà ×ÊÖ, èñïîëíåíèÿ 1, íîìèíàëüíîé âìåñòèìîñòüþ
1000 ñì3:
×àøêà ×ÊÖ-1-1000
ÃÎÑÒ 25336-82
Òèï ×ÂÏ
Èñïîëíåíèå 1

Èñïîëíåíèå 2

×åðò. 25
Òàáëèöà 22
Ðàçìåðû â ìì
────────────┬───────┬─────────────────┬───────┬────────────────────────────
Íîìèíàëüíàÿ
│D +/- 2│ H │ s, íå │ Ðàçíîñòü â âûñîòå ïî
âìåñòèìîñòü,│
├───────┬─────────┤
ìåíåå │ îáðàçóþùåé öèëèíäðè÷åñêîé
ñì3
│ │Íîìèí.
│ Ïðåä. │
│ïîâåðõíîñòè ÷àøêè, íå áîëåå
│ │ │
îòêë. │ │
────────────┼───────┼───────┼─────────┼───────┼────────────────────────────
5
│ 36
│ 14 │
+/- 2 │ 0,7
│ 1,2
────────────┼───────┼───────┤ │ │
10
│ 42 │
16 │ │ │
────────────┼───────┼───────┼─────────┼───────┤
50
│ 64 │
24 │ +/- 3
│ 0,8 │
────────────┼───────┼───────┤
├───────┼────────────────────────────
100
│ 85 │
32 │ │ 0,9
│ 1,8
────────────┼───────┼───────┤ │ │
250
│ 105 │
40 │ │ │
────────────┼───────┼───────┤ ├───────┼────────────────────────────
400
│ 131 │
50 │ │ 1,3
│ 2,3
────────────┼───────┼───────┤ ├───────┤
1000
│ 166 │
63 │ │ 1,5
│
────────────┼───────┼───────┼─────────┼───────┤
2500
│ 236 │
90 │ +/- 4
│ 1,7 │
Ïðèìåð óñëîâíîãî
îáîçíà÷åíèÿ ïðè çàêàçå ÷àøêè òèïà ×ÂÏ, èñïîëíåíèÿ 2, íîìèíàëüíîé âìåñòèìîñòüþ
100 ñì3:
×àøêà ×ÂÏ-2-100
ÃÎÑÒ 25336-82
Òèï ×ÂÊ
Èñïîëíåíèå 1

Èñïîëíåíèå 2

×åðò. 26
Òàáëèöà 23
Ðàçìåðû â ìì
────────────┬───────┬─────────────────┬───────┬────────────────────────────
Íîìèíàëüíàÿ
│D +/- 2│ H │ s, íå │ Ðàçíîñòü â âûñîòå ïî
âìåñòèìîñòü,│
├───────┬─────────┤
ìåíåå │ îáðàçóþùåé öèëèíäðè÷åñêîé
ñì3
│ │Íîìèí.
│ Ïðåä. │
│ïîâåðõíîñòè ÷àøêè, íå áîëåå
│ │ │
îòêë. │ │
────────────┼───────┼───────┼─────────┼───────┼────────────────────────────
5
│ 32 │
17 │ +/- 2
│ 0,7 │ 1,2
────────────┼───────┼───────┤ │ │
10
│ 42 │
23 │ │ │
────────────┼───────┼───────┤ ├───────┤
50
│ 64 │
33 │ │ 0,8
│
────────────┼───────┼───────┼─────────┼───────┼────────────────────────────
100
│ 85 │
43 │ +/- 3
│ 0,9 │ 1,8
────────────┼───────┼───────┤ │ │
250
│ 105 │
53 │ │ │
────────────┼───────┼───────┤ ├───────┼────────────────────────────
500
│ 136 │
68 │ │ 1,3
│ 2,3
────────────┼───────┼───────┤ ├───────┤
1000
│ 166 │
85 │ │ 1,5
│
────────────┼───────┼───────┼─────────┼───────┤
2500
│ 236 │ 118
│ +/- 4 │
1,7 │
Ïðèìåð óñëîâíîãî
îáîçíà÷åíèÿ ïðè çàêàçå ÷àøêè òèïà ×ÂÊ, èñïîëíåíèÿ 1, íîìèíàëüíîé âìåñòèìîñòüþ
1000 ñì3:
×àøêà ×ÂÊ-1-1000
ÃÎÑÒ 25336-82
Òèï ×ÁÂ

1 - ÷àøêà; 2 -
êðûøêà
×åðò. 27
Òàáëèöà 24
Ðàçìåðû â ìì
───────────────┬───────────────┬─────┬───────┬─────────────────────────────
D
│ D │
H │ H
│ Ðàçíîñòü â âûñîòå ïî
│ 1
│ │ 1
│ îáðàçóþùåé öèëèíäðè÷åñêîé
───────┬───────┼──────┬────────┼─────┴───────┤
ïîâåðõíîñòè ÷àøêè, íå áîëåå
Íîìèí.
│ Ïðåä. │Íîìèí.│ Ïðåä.
│ +/- 2 │
│ îòêë. │ │ îòêë. │ │
───────┼───────┼──────┼────────┼─────┬───────┼─────────────────────────────
100
│ +/- 1 │ 106 │
+/- 1 │ 30 │
20 │ 1,5
───────┼───────┼──────┼────────┼─────┼───────┼─────────────────────────────
150
│ +/- 2 │ 156 │
+/- 2 │ 35 │
25 │ 2,0
───────┤
├──────┤
├─────┼───────┼─────────────────────────────
200
│ │ 206 │
│ 45 │ 35
│ 2,3
Ïðèìåð óñëîâíîãî îáîçíà÷åíèÿ
ïðè çàêàçå ÷àøêè òèïà ×ÁÂ, íîìèíàëüíûì äèàìåòðîì 100 ìì:
×àøêà ×ÁÂ-100 ÃÎÑÒ
25336-82
Òèï ×ÁÍ
Èñïîëíåíèå 1

1 - ÷àøêà; 2 -
êðûøêà
×åðò. 28
Òàáëèöà 25
Ðàçìåðû â ìì
───────────────────┬───────────────────┬───────────────────────────────────
D
│ D │ Ðàçíîñòü â âûñîòå ïî îáðàçóþùåé
│ 1 │ öèëèíäðè÷åñêîé ïîâåðõíîñòè
÷àøêè,
───────┬───────────┼───────┬───────────┤ íå áîëåå
Íîìèí.
│Ïðåä. îòêë.│Íîìèí. │Ïðåä. îòêë.│
───────┼───────────┼───────┼───────────┼───────────────────────────────────
40
│ +/- 1 │
46 │ +/- 1
│ 1,0
───────┤
├───────┤ ├───────────────────────────────────
100
│ │ 106
│ │ 1,5
───────┼───────────┼───────┼───────────┼───────────────────────────────────
150
│ +/- 2 │
156 │ +/- 2
│ 2,0
Ïðèìåð óñëîâíîãî
îáîçíà÷åíèÿ ïðè çàêàçå ÷àøêè òèïà ×ÁÍ, èñïîëíåíèÿ 1, íîìèíàëüíûì äèàìåòðîì 40
ìì:
×àøêà ×ÁÍ-1-40 ÃÎÑÒ
25336-82
Òèï ×ÁÍ
Èñïîëíåíèå 2

1 - ÷àøêà; 2 -
êðûøêà
×åðò. 29
Ïðèìåð óñëîâíîãî
îáîçíà÷åíèÿ ïðè çàêàçå ÷àøêè òèïà ×ÁÍ, èñïîëíåíèÿ 2:
×àøêà ×ÁÍ-2 ÃÎÑÒ
25336-82
1.7.8. Êîäû ÎÊÏ íà
÷àøêè óêàçàíû â Ïðèëîæåíèè 7.
1.8. Ñîñóäû, âàííû,
êþâåòû
1.8.1. Ñîñóäû,
âàííû, êþâåòû ïðåäíàçíà÷åíû äëÿ ëàáîðàòîðíûõ ðàáîò.
1.8.2. Ñîñóäû,
âàííû, êþâåòû äîëæíû èçãîòîâëÿòüñÿ òèïîâ:
ÑÖ - ñîñóäû
öèëèíäðè÷åñêèå;
ÑÏ - ñîñóäû
ïðÿìîóãîëüíûå;
ÂÏ - âàííû
ïðÿìîóãîëüíûå;
ÊÏ - êþâåòû
ïðÿìîóãîëüíûå ðåáðèñòûå.
(Èçìåíåííàÿ
ðåäàêöèÿ, Èçì. N 3).
1.8.3. Íîìèíàëüíàÿ
âìåñòèìîñòü â îáîçíà÷åíèè è íàèìåíîâàíèè ñîñóäîâ è âàíí ÿâëÿåòñÿ óñëîâíîé.
1.8.4. Îñíîâíûå
ïàðàìåòðû è ðàçìåðû èçäåëèé äîëæíû ñîîòâåòñòâîâàòü óêàçàííûì íà ÷åðò. 30, 31,
33 è â òàáë. 26 - 27.
Òèï ÑÏ

×åðò. 30
Òàáëèöà 26
Ðàçìåðû â ìì
────────────────────────────┬───────────────┬───────────────┬──────────────
Íîìèíàëüíàÿ âìåñòèìîñòü, │
D │ H
│ s
äì3
├───────────────┴───────────────┴──────────────
│ íå ìåíåå
────────────────────────────┼───────────────┬───────────────┬──────────────
0,1 <*> │ 38
│ 83 │ 1,5
────────────────────────────┼───────────────┼───────────────┼──────────────
0,5 │ 78
│ 125 │ 2
────────────────────────────┼───────────────┼───────────────┤
1,0 │ 102
│ 160 │
────────────────────────────┼───────────────┼───────────────┤
2,0 │ 122
│ 195 │
────────────────────────────┼───────────────┤
├──────────────
3,0 │ 147
│ │ 3
────────────────────────────┼───────────────┼───────────────┤
5,0 │ 175
│ 245 │
────────────────────────────┼───────────────┤
├──────────────
10,0 │ 245
│ │ 4
────────────────────────────┼───────────────┼───────────────┤
20,0 │ 300
│ 305 │
--------------------------------
<*>
Ñîñóä âìåñòèìîñòüþ 0,1 äì3 äîëæåí èçãîòîâëÿòüñÿ ñ ïëàñòèíîé äèàìåòðîì (42 +/-
2) ìì.
Ïðèìåð óñëîâíîãî
îáîçíà÷åíèÿ ïðè çàêàçå ñîñóäà òèïà ÑÖ, íîìèíàëüíîé âìåñòèìîñòüþ 0,5 äì3:
Ñîñóä ÑÖ-0,5 ÃÎÑÒ
25336-82
Òèïû ÑÏ è ÂÏ

×åðò. 31
<*>
--------------------------------
<*> ×åðò. 32.
(Èñêëþ÷åí, Èçì. N 3).
Òàáëèöà 27
Ðàçìåðû â ìì
──────────┬────────────────────────────┬────────┬────────┬────────┬────────
Òèï
│ Íîìèíàëüíàÿ
âìåñòèìîñòü, │ l
│ B │
H │ s
│ äì3
├────────┴────────┴────────┴────────
│ │ íå ìåíåå
──────────┼────────────────────────────┼────────┬────────┬────────┬────────
ÑÏ
│ 0,1 │ 40
│ 30 │
95 │ 1
├────────────────────────────┼────────┼────────┼────────┼────────
│ 1,5 │ 98 │ 98
│ 195 │
2
├────────────────────────────┼────────┼────────┼────────┼────────
│ 4,0 │ 147 │ 147
│ 205 │
3
├────────────────────────────┼────────┤
├────────┤
│ 6,0 │ 195 │ │
245 │
├────────────────────────────┤ ├────────┼────────┼────────
│ 9,0 │ │
195 │ 265
│ 4
├────────────────────────────┼────────┤
├────────┤
│ 20,0 │ 295 │ │
395 │
├────────────────────────────┼────────┼────────┤
├────────
│ 35,0 │ 395 │ 245
│ │ 5
──────────┼────────────────────────────┼────────┼────────┼────────┼────────
ÂÏ
│ 0,5 │ 98
│ 98 │
65 │ 2
├────────────────────────────┼────────┼────────┼────────┼────────
│ 1,0 │ 147 │ 148
│ 55 │
3
├────────────────────────────┼────────┼────────┤
├────────
│ 2,0 │ 295
│ 195 │ │ 4
├────────────────────────────┼────────┼────────┼────────┤
│ 3,0 │ 195 │ 147
│ 125 │
├────────────────────────────┤
├────────┼────────┤
│ 5,0 │ │
195 │ 155
│
├────────────────────────────┼────────┤
├────────┤
│ 10,0 │ 295 │ │
195 │
├────────────────────────────┼────────┼────────┼────────┼────────
│ 15,0 │ 395 │ 245
│ 175 │
5
Ïðèìåð óñëîâíîãî
îáîçíà÷åíèÿ ïðè çàêàçå ñîñóäà òèïà ÑÏ íîìèíàëüíîé âìåñòèìîñòüþ 1,5 äì3:
Ñîñóä ÑÏ-1,5 ÃÎÑÒ
25336-82
Òî æå, âàííû òèïà
ÂÏ íîìèíàëüíîé âìåñòèìîñòüþ 10 äì3:
Âàííà ÂÏ-10,0 ÃÎÑÒ
25336-82
Òèï ÊÏ

1 - êþâåòà; 2 -
ïëàñòèíà
×åðò. 33
Óñëîâíîå
îáîçíà÷åíèå ïðè çàêàçå êþâåòû òèïà ÊÏ:
Êþâåòà ÊÏ ÃÎÑÒ
25336-82
(Èçìåíåííàÿ
ðåäàêöèÿ, Èçì. N 3).
1.8.5. Êîäû ÎÊÏ íà
èçäåëèÿ óêàçàíû â Ïðèëîæåíèè 8.
1.9. Äîïóñêàåòñÿ ïî
çàêàçó ïîòðåáèòåëåé èçãîòîâëÿòü èçäåëèÿ ñ êîíóñàìè äðóãèõ ðàçìåðîâ, íå
óêàçàííûõ â òàáëèöàõ è íà ÷åðòåæàõ íàñòîÿùåãî ðàçäåëà.
Äîïóñêàåìûå
îòêëîíåíèÿ ðàçìåðîâ èçäåëèé, ðàçìåðû êîòîðûõ îáîçíà÷åíû çíàêîì "*",
íå äîëæíû ïðåâûøàòü:
+/- 1 ìì -
äëÿ ðàçìåðîâ äî 20 ìì;
+/- 2
ìì " "
ñâ. 20 äî 40 ìì;
+/- 3
ìì " "
" 40 " 100 ìì;
+/- 5
ìì " "
" 100 " 250 ìì;
+/- 10
ìì " "
" 250 ìì.
(Ââåäåí
äîïîëíèòåëüíî, Èçì. N 3).
2. ÎÁÎÐÓÄÎÂÀÍÈÅ
2.1. Ñîåäèíèòåëüíûå
ýëåìåíòû
2.1.1.
Ñîåäèíèòåëüíûå ýëåìåíòû ïðåäíàçíà÷åíû äëÿ ñáîðêè ðàçëè÷íûõ ëàáîðàòîðíûõ
ïðèáîðîâ, àïïàðàòîâ è óñòàíîâîê.
2.1.2.
Ñîåäèíèòåëüíûå ýëåìåíòû äîëæíû èçãîòîâëÿòüñÿ ñ âçàèìîçàìåíÿåìûìè êîíóñàìè
òèïîâ:
ÝÏ1 - ýëåìåíòû
ïðÿìûå ñ äâóìÿ ìóôòàìè (÷åðò. 33à, òàáë. 27à);
ÝÏ2 - ýëåìåíòû
ïðÿìûå ñ äâóìÿ êåðíàìè (÷åðò. 33á, òàáë. 27á);
ÝÏ3 - ýëåìåíòû
ïðÿìûå ñ ìóôòîé è êåðíîì (÷åðò. 33â, òàáë. 27â);
Ï1 - ïåðåõîäû ñ
îäíîé ãîðëîâèíîé (èñïîëíåíèÿ 1 è 2) (÷åðò. 34, òàáë. 28);
Ï1Î - ïåðåõîäû ñ
îäíîé ãîðëîâèíîé è îòâîäîì (÷åðò. 35, òàáë. 29);
Ï1È - ïåðåõîäû ñ
îäíîé ãîðëîâèíîé èçîãíóòûå (÷åðò. 36, òàáë. 30);
Ï2Ï - ïåðåõîäû ñ
äâóìÿ ïàðàëëåëüíûìè ãîðëîâèíàìè (÷åðò. 37, òàáë. 31);
Ï2Ó - ïåðåõîäû ñ
äâóìÿ ãîðëîâèíàìè ïîä óãëîì (÷åðò. 38, òàáë. 32);
Ï3Ï - ïåðåõîäû ñ
òðåìÿ ïàðàëëåëüíûìè ãîðëîâèíàìè (÷åðò. 39, òàáë. 33);
-
èçãèáû ïîä óãëîì 75° ñ äâóìÿ êåðíàìè (÷åðò. 40, òàáë. 34);
-
èçãèáû ïîä óãëîì 75° ñ êåðíîì è ìóôòîé (÷åðò. 41, òàáë. 35);
-
èçãèáû ïîä óãëîì 90° ñ êåðíîì è ìóôòîé (÷åðò. 41, òàáë. 35);
-
èçãèáû ïîä óãëîì 105° ñ êåðíîì è ìóôòîé (÷åðò. 41, òàáë. 35);
ÊÏÎ - êåðíû ñ
ïðÿìûì îòâîäîì (÷åðò. 42, òàáë. 36);
ÊÈÎ - êåðíû ñ
èçîãíóòûì îòâîäîì (÷åðò. 43, òàáë. 37);
ÌÏÎ - ìóôòû ñ ïðÿìûì
îòâîäîì (÷åðò. 44, òàáë. 38);
ÌÈÎ - ìóôòû ñ
èçîãíóòûì îòâîäîì (÷åðò. 45, òàáë. 39);
ÀÈ - àëîíæè
(ïðèåìíèêè) èçîãíóòûå (÷åðò. 46, òàáë. 40);
ÀÈÎ - àëîíæè
(ïðèåìíèêè) èçîãíóòûå ñ îòâîäîì (÷åðò. 47, òàáë. 41);
ÀÎ - àëîíæè
(ïðèåìíèêè) ïðÿìûå ñ îòâîäîì (÷åðò. 48, òàáë. 42);
ÀÏ - àëîíæè
(ïðèåìíèêè) "Ïàóê" (÷åðò. 49);
ÀÊÏ - àëîíæ â
êîìïëåêòå ñ "Ïàóêîì" (÷åðò. 50);
ÀÊÏ - àëîíæ (÷åðò.
51);
ÀÊÏ -
"Ïàóê" (÷åðò. 52);
ÇÂ - çàòâîðû
âûñîêèå (÷åðò. 53, òàáë. 43);
ÇÍ - çàòâîðû íèçêèå
(÷åðò. 54, òàáë. 44);
Í1 - íàñàäêè ñ
îäíîé ãîðëîâèíîé (÷åðò. 55, òàáë. 45);
Í2 - íàñàäêè ñ
äâóìÿ ãîðëîâèíàìè è îòâîäîì (÷åðò. 56, òàáë. 46);
Í3 - íàñàäêè ñ
äâóìÿ ãîðëîâèíàìè (÷åðò. 56à, òàáë. 46à).
Äîïóñêàåòñÿ
èçãîòîâëÿòü êåðí â ñîîòâåòñòâèè ñ ÷åðò. 57.
Äîïóñêàåòñÿ ïî
çàêàçó ïîòðåáèòåëåé èçãîòîâëÿòü ñîåäèíèòåëüíûå ýëåìåíòû ñ êîíóñàìè äðóãèõ
ðàçìåðîâ, íå óêàçàííûõ íà ÷åðòåæàõ è â òàáëèöàõ.
Òîëùèíà ñòåíîê
ñîåäèíèòåëüíûõ ýëåìåíòîâ äîëæíà áûòü íå ìåíåå 1 ìì. Íèæíÿÿ ÷àñòü ñîåäèíèòåëüíûõ
ýëåìåíòîâ, ïðåäíàçíà÷åííàÿ äëÿ ñòåêàíèÿ æèäêîñòè, äîëæíà áûòü îáðåçàíà ïîä
óãëîì íå áîëåå 60° ê öåíòðàëüíîé îñè, çàøëèôîâàíà èëè îïëàâëåíà.
Ïåðåõîäû èç ñòåêëà
ãðóïïû ÕÑ3 äîëæíû èçãîòîâëÿòüñÿ áåç êðþ÷êîâ.
Òèï ÝÏ1

×åðò. 33à
Òàáëèöà 27à
Ðàçìåðû â ìì
────────────────────┬─────────────────────────────────────────────
l +/- 5 │
Îáîçíà÷åíèå êîíóñîâ ìóôòû ïî ÃÎÑÒ 8682
────────────────────┼─────────────────────────────────────────────
135, 200 │ 14/23
170, 220 │ 29/32
200, 250 │ 45/40
Ïðèìåð óñëîâíîãî
îáîçíà÷åíèÿ ïðè çàêàçå ýëåìåíòà ïðÿìîãî ñ äâóìÿ ìóôòàìè, ñ êîíóñîì 29/32,
äëèíîé 170 ìì èç òåðìè÷åñêè ñòîéêîãî ñòåêëà ãðóïïû ÒÑ:
Ýëåìåíò
ÝÏ1-29/32-170 ÒÑ ÃÎÑÒ 25336-82
Òèï ÝÏ2

×åðò. 33á
Òàáëèöà 27á
Ðàçìåðû â ìì
──────────────────────────┬───────────────────────────────────────
l │Îáîçíà÷åíèå êîíóñîâ êåðíà
ïî ÃÎÑÒ 8682
───────────┬──────────────┤
Íîìèí.
│ Ïðåä. îòêë. │
───────────┼──────────────┼───────────────────────────────────────
90
│ +/- 3 │ 14/23
───────────┼──────────────┼───────────────────────────────────────
110, 125
│ +/- 5 │ 29/32
───────────┤
├───────────────────────────────────────
150
│ │ 45/40
Ïðèìåð óñëîâíîãî
îáîçíà÷åíèÿ ïðè çàêàçå ýëåìåíòà ïðÿìîãî ñ äâóìÿ êåðíàìè, ñ êîíóñîì 29/32,
äëèíîé 110 ìì èç òåðìè÷åñêè ñòîéêîãî ñòåêëà ãðóïïû ÒÑ:
Ýëåìåíò
ÝÏ2-29/32-110 ÒÑ ÃÎÑÒ 25336-82
Òèï ÝÏ3

×åðò. 33â
Òàáëèöà 27â
Ðàçìåðû â ìì
─────────────────────────────┬────────────────────────────────────
l │ Îáîçíà÷åíèå êîíóñîâ ïî ÃÎÑÒ 8682
─────────────┬───────────────┼─────────────────┬──────────────────
Íîìèí.
│ Ïðåä. îòêë. │
êåðíà │ ìóôòû
─────────────┼───────────────┼─────────────────┼──────────────────
90
│ +/- 3 │ 14/23
│ 14/23
─────────────┼───────────────┤ │
115
│ +/- 5 │ │
─────────────┤
├─────────────────┼──────────────────
125, 140
│ │ 29/32
│ 29/32
─────────────┤
├─────────────────┼──────────────────
150, 190
│ │ 45/40
│ 45/40
Ïðèìåð óñëîâíîãî
îáîçíà÷åíèÿ ïðè çàêàçå ýëåìåíòà ïðÿìîãî ñ ìóôòîé è êåðíîì, ñ êîíóñîì 45/40,
äëèíîé 150 ìì èç òåðìè÷åñêè ñòîéêîãî ñòåêëà ãðóïïû ÒÑ:
Ýëåìåíò
ÝÏ3-45/40-150 ÒÑ ÃÎÑÒ 25336-82
Òèï Ï1
Èñïîëíåíèå 1

Èñïîëíåíèå 2

×åðò. 34
Òàáëèöà 28
Ðàçìåðû â ìì
──────────┬────────────────────────────────┬──────────────────────
Èñïîëíåíèå│Îáîçíà÷åíèå
êîíóñîâ ïî ÃÎÑÒ 8682│ H
├───────────────┬────────────────┼─────────┬────────────
│ êåðíà
│ ìóôòû │ Íîìèí. │Ïðåä. îòêë.
──────────┼───────────────┼────────────────┼─────────┼────────────
1
│ 14/23 │
12/21 │ 35
│ +/- 2
├───────────────┼────────────────┼─────────┤
│ 19/26
│ 14/23 │ 40; 45 │
├───────────────┤ │ │
│ 24/29
│
│ │
├───────────────┤ │ │
│ 29/32
│
│ │
├───────────────┼────────────────┼─────────┼────────────
│ 24/29
│ 19/26 │ 45; 50 │
+/- 3
├───────────────┤ │ │
│ 29/32
│
│ │
├───────────────┤ ├─────────┤
│ 45/40
│
│ 50 │
├───────────────┼────────────────┤ │
│ 29/32
│ 24/29 │ │
├───────────────┤ ├─────────┤
│ 45/40
│
│ 55 │
│
├────────────────┼─────────┤
├───────────────┤ 29/32
│ 60; 65 │
│ 60/46
│
│ │
├───────────────┤ │ │
│ 71/51
├────────────────┼─────────┤
│ │
45/40 │ 80
│
──────────┼───────────────┼────────────────┼─────────┤
2
│ 12/21 │
14/23 │ 45
│
├───────────────┼────────────────┤ │
│ 14/23
│ 19/26 │ │
├───────────────┼────────────────┼─────────┤
│ 19/26
│ 24/29 │
55 │
├───────────────┼────────────────┼─────────┤
│ 14/23
│ 29/32 │
70 │
├───────────────┤ │
│
│ 19/26
│
│ │
├───────────────┤ │ │
│ 24/29
├────────────────┼─────────┤
├───────────────┤ 45/40
│ 85 │
│ 29/32
│ │ │
├───────────────┼────────────────┼─────────┼────────────
│ 45/40
│ 71/51 │
105 │ +/-5
Ïðèìåð óñëîâíîãî
îáîçíà÷åíèÿ ïðè çàêàçå ïåðåõîäà òèïà Ï1 èñïîëíåíèÿ 1, ñ âçàèìîçàìåíÿåìûìè êîíóñàìè
êåðíà 14/23 è ìóôòû 12/21, èç òåðìè÷åñêè ñòîéêîãî ñòåêëà ãðóïïû ÒÑ:
Ïåðåõîä
Ï-1-14/23-12/21 ÒÑ ÃÎÑÒ 25336-82
Òî æå, ïåðåõîäà Ï1
èñïîëíåíèÿ 2, ñ âçàèìîçàìåíÿåìûìè êîíóñàìè êåðíà 14/23 è ìóôòû 19/26, èç
õèìè÷åñêè ñòîéêîãî ñòåêëà ãðóïïû ÕÑ:
Ïåðåõîä Ï1-2-14/23-19/26
ÕÑ ÃÎÑÒ 25336-82
Òèï Ï1Î

×åðò. 35
Òàáëèöà 29
Ðàçìåðû â ìì
──────────────────────────────────────────────────────────────────
Îáîçíà÷åíèå êîíóñîâ ïî ÃÎÑÒ
8682
─────────────────────────────────┬────────────────────────────────
êåðíà │ ìóôòû
─────────────────────────────────┼────────────────────────────────
14/23 │ 14/23
─────────────────────────────────┤
19/26 │
─────────────────────────────────┤
29/32 │
Ïðèìåð óñëîâíîãî
îáîçíà÷åíèÿ ïðè çàêàçå ïåðåõîäà òèïà Ï1Î, ñ âçàèìîçàìåíÿåìûìè êîíóñàìè êåðíà
19/26 è ìóôòû 14/23, èç òåðìè÷åñêè ñòîéêîãî ñòåêëà ãðóïïû ÒÑ:
Ïåðåõîä
Ï1Î-19/26-14/23 ÒÑ 25336-82
Òèï Ï1È

×åðò. 36
Òàáëèöà 30
Ðàçìåðû â ìì
─────────────────────────┬──────────┬─────────────────────────────
H │ A,
│ Îáîçíà÷åíèå êîíóñîâ
│ íå ìåíåå
│ ïî ÃÎÑÒ 8682
────────────┬────────────┤ ├──────────────┬──────────────
Íîìèí.
│Ïðåä. îòêë. │
│ êåðíà │
ìóôòû
────────────┼────────────┼──────────┼──────────────┼──────────────
90
│ +/- 3 │
20 │ 14/23
│ 14/23
────────────┼────────────┼──────────┼──────────────┼──────────────
125
│ +/- 5 │
40 │ 29/32
│ 29/32
────────────┤
├──────────┼──────────────┼──────────────
150
│ │ 60
│ 45/40 │
45/40
Ïðèìåð óñëîâíîãî
îáîçíà÷åíèÿ ïðè çàêàçå ïåðåõîäà òèïà Ï1È, âçàèìîçàìåíÿåìûìè êîíóñàìè êåðíà
14/23 è ìóôòû 14/23, èç òåðìè÷åñêè ñòîéêîãî ñòåêëà ãðóïïû ÒÑ:
Ïåðåõîä
Ï1È-14/23-14/23 ÒÑ ÃÎÑÒ 25336-82
Òèï Ï2Ï

--------------------------------
<*> Ðàçìåðû
îáåñïå÷èâàþòñÿ èíñòðóìåíòàìè.
×åðò. 37
Òàáëèöà 31
Ðàçìåðû â ìì
──────────────────┬─────┬──────┬──────────────────────────────────
H │ h
│ A │ Îáîçíà÷åíèå êîíóñîâ ïî ÃÎÑÒ 8682
──────┬───────────┤ │ ├─────────┬──────────┬─────────────
Íîìèí.│Ïðåä.
îòêë.│ │ │
êåðíà │ ìóôòû
│ ìóôòû
│ │ │ │ │ ïåðåõîäà │ïàðàëëåëüíîé
│ │ │ │ │ │ ãîðëîâèíû
──────┼───────────┼─────┼──────┼─────────┼──────────┼─────────────
90
│ +/- 3 │ 50
│ 55 │
14/23 │ 14/23
│ 14/23
│
├─────┼──────┼─────────┤ │
│ │ 60 │
60 │ 19/26
│ │
│ │ │
├─────────┤ │
│ │ │ │
29/32 │ │
──────┤ │ │
├─────────┤
├─────────────
100
│ │ │ │
19/26 │ │ 19/26
│ │ │ │
├──────────┼─────────────
│ │ │ │ │ 19/26
│ 14/23
──────┼───────────┼─────┤ ├─────────┼──────────┼─────────────
105
│ +/- 5 │ 65
│ │ 29/32
│ 14/23 │
19/26
│ │ │
├─────────┼──────────┤
│ │ │ │
19/26 │ 19/26
│
│ │ │
├─────────┼──────────┤
│ │ │ │
29/32 │ 29/32
│
│
├─────┤ │ │ ├─────────────
│ │ 70 │
│ │ │ 14/23
│ │ │ │ │ │
│ │ │ │ │ │
──────┤ │ │ │ │
├─────────────
110
│ │ │ │ │ │ 19/26
──────┤
├─────┼──────┤ │
├─────────────
125
│ │ 85 │
80 │ │ │ 29/32
Ïðèìåð óñëîâíîãî
îáîçíà÷åíèÿ ïðè çàêàçå ïåðåõîäà òèïà Ï2Ï, ñ âçàèìîçàìåíÿåìûìè êîíóñàìè êåðíà
19/26, ìóôòû ïåðåõîäà 19/26 è ìóôòû ïàðàëëåëüíîé ãîðëîâèíû 14/23, èç òåðìè÷åñêè
ñòîéêîãî ñòåêëà ãðóïïû ÒÑ:
Ïåðåõîä
Ï2Ï-19/26-19/26-14/23 ÒÑ ÃÎÑÒ 25336-82
Òèï Ï2Ó

--------------------------------
<*> Ðàçìåðû
îáåñïå÷èâàþòñÿ èíñòðóìåíòîì.
×åðò. 38
Òàáëèöà 32
Ðàçìåðû â ìì
───────────┬──────────┬───────────────────────────────────────────
h
│ h │
Îáîçíà÷åíèå êîíóñîâ ïî ÃÎÑÒ 8682
│ 1
├─────────────────────┬─────────────────────
│ │ êåðíà │ ìóôòû
───────────┼──────────┼─────────────────────┼─────────────────────
40
│ 60 │
14/23 │ 14/23
───────────┼──────────┼─────────────────────┼─────────────────────
55
│ 85 │ 29/32 │ 29/32
Ïðèìåð óñëîâíîãî
îáîçíà÷åíèÿ ïðè çàêàçå ïåðåõîäà òèïà Ï2Ó, ñ âçàèìîçàìåíÿåìûìè êîíóñàìè êåðíà
14/23 è ìóôòû 14/23, èç òåðìè÷åñêè ñòîéêîãî ñòåêëà ãðóïïû ÒÑ:
Ïåðåõîä
Ï2Ó-14/23-14/23 ÒÑ ÃÎÑÒ 25336-82
Òèï Ï3Ï

--------------------------------
<*> Ðàçìåðû
îáåñïå÷èâàþòñÿ èíñòðóìåíòàìè.
×åðò. 39
Òàáëèöà 33
Ðàçìåðû â ìì
────────┬─────────────┬─────┬─────────────────────────────────────
H,
│ h │ h │
Îáîçíà÷åíèå êîíóñîâ ïî ÃÎÑÒ 8682
íå
ìåíåå├──────┬──────┤ 1
├───────┬────────┬──────────┬─────────
│Íîìèí.│Ïðåä. │ │ êåðíà │ ìóôòû │
ìóôòû │ ìóôòû
│ │îòêë. │ │ │ïåðåõîäà│ ëåâîé
│ ïðàâîé
│ │ │ │ │ │ãîðëîâèíû │ãîðëîâèíû
────────┼──────┼──────┼─────┼───────┼────────┼──────────┼─────────
120
│ 90 │+/- 3 │ 60 │ 14/23 │ 14/23 │
14/23 │ 10/19
────────┼──────┤ │ ├───────┼────────┤
├─────────
135
│ 100 │ │ │ 19/26 │ 19/26 │ │ 14/23
────────┼──────┼──────┼─────┼───────┤
├──────────┤
150
│ 105 │+/- 5 │
65 │ 29/32 │ │
19/26 │
│ │
├─────┤ ├────────┼──────────┤
│ │ │ 70 │
│ 29/32 │ 14/23
│
────────┼──────┤
├─────┤ │ ├──────────┤
170
│ 125 │ │ 75 │
│ │ 29/32
│
Ïðèìåð óñëîâíîãî
îáîçíà÷åíèÿ ïðè çàêàçå ïåðåõîäà òèïà Ï3Ï, ñ âçàèìîçàìåíÿåìûìè êîíóñàìè êåðíà
14/23 è ìóôò ïåðåõîäà 14/23, ëåâîé ãîðëîâèíû 14/23 è ïðàâîé ãîðëîâèíû 10/19, èç
òåðìè÷åñêè ñòîéêîãî ñòåêëà ãðóïïû ÒÑ:
Ïåðåõîä
Ï3Ï-14/23-14/23-14/23-10/19 ÒÑ ÃÎÑÒ 25336-82
Òèï


--------------------------------
<*> Ðàçìåðû
îáåñïå÷èâàþòñÿ èíñòðóìåíòàìè.
×åðò. 40
Òàáëèöà 34
Ðàçìåðû â ìì
────────────┬──────────┬──────────────────────────────────────────
l
│ l │
Îáîçíà÷åíèå êîíóñîâ ïî ÃÎÑÒ 8682
│ 1
├───────────────────┬──────────────────────
│ │ êåðíà │ êåðíà
────────────┼──────────┼───────────────────┼──────────────────────
50
│ 50 │ 14/23 │ 14/23
────────────┼──────────┼───────────────────┤
55
│ 60 │ 19/26 │
────────────┼──────────┼───────────────────┤
70
│ 85 │ 29/32 │
────────────┼──────────┤ ├──────────────────────
75
│ 75 │ │ 29/32
Ïðèìåð óñëîâíîãî
îáîçíà÷åíèÿ ïðè çàêàçå èçãèáà òèïà
, ñ
âçàèìîçàìåíÿåìûìè êîíóñàìè êåðíîâ 19/26 è 14/23, èç òåðìè÷åñêè ñòîéêîãî ñòåêëà
ãðóïïû ÒÑ:
Èçãèá
-19/26-14/23
ÒÑ ÃÎÑÒ 25336-82
Òèïû
è


--------------------------------
<*> Ðàçìåðû
îáåñïå÷èâàþòñÿ èíñòðóìåíòîì.
×åðò. 41
Òàáëèöà 35
Ðàçìåðû â ìì
────────┬─────────┬──────────────┬────────────────────────────────
l
│ l │ àëüôà +/- 2° │Îáîçíà÷åíèå
êîíóñîâ ïî ÃÎÑÒ 8682
│ 1
│
├─────────────┬──────────────────
│ │ │ êåðíà
│ ìóôòû
────────┼─────────┼──────────────┼─────────────┼──────────────────
40
│ 60 │75°, 90°, 105°│ 14/23
│ 14/23
────────┼─────────┤
├─────────────┼──────────────────
55
│ 85 │ │ 29/32
│ 29/32
────────┼─────────┼──────────────┼─────────────┼──────────────────
45; 55 │ 60
│ 105° │
19/26 │ 14/23
│ │ │ 29/32
│
Ïðèìåð óñëîâíîãî
îáîçíà÷åíèÿ ïðè çàêàçå èçãèáà òèïà
, ñ
âçàèìîçàìåíÿåìûìè êîíóñàìè êåðíà 14/23 è ìóôòû 14/23, èç òåðìè÷åñêè ñòîéêîãî
ñòåêëà ãðóïïû ÒÑ:
Èçãèá
-14/23-14/23
ÒÑ ÃÎÑÒ 25336-82
Òèï ÊÏÎ

×åðò. 42
Òàáëèöà 36
Ðàçìåðû â ìì
───────────────────┬───────────────────┬────────────┬─────────────
H │ h │ d +/- 1
│ Îáîçíà÷åíèå
───────┬───────────┼───────┬───────────┤ │ êîíóñîâ ïî
Íîìèí.
│Ïðåä. îòêë.│Íîìèí. │Ïðåä. îòêë.│ │ ÃÎÑÒ 8682
───────┼───────────┼───────┼───────────┼────────────┼─────────────
50
│ +/- 3 │
35 │ +/- 2
│ 6 │
14/23
───────┼───────────┼───────┼───────────┼────────────┼─────────────
70
│ +/- 5 │
50 │ +/- 3
│ 10 │
29/32
───────┤ ├───────┤
├────────────┼─────────────
90
│ │ 60
│ │ 15
│ 45/40
Ïðèìåð óñëîâíîãî
îáîçíà÷åíèÿ ïðè çàêàçå êåðíà òèïà ÊÏÎ, ñ âçàèìîçàìåíÿåìûì êîíóñîì 14/23, èç
òåðìè÷åñêè ñòîéêîãî ñòåêëà ãðóïïû ÒÑ:
Êåðí ÊÏÎ-14/23 ÒÑ
ÃÎÑÒ 25336-82
Òèï ÊÈÎ

--------------------------------
<*> Ðàçìåð
îáåñïå÷èâàåòñÿ èíñòðóìåíòîì.
×åðò. 43
Òàáëèöà 37
Ðàçìåðû â ìì
─────────────┬────────────┬───────────────────────────────────────
H +/- 3
│ d +/- 1 │
Îáîçíà÷åíèå êîíóñîâ ïî ÃÎÑÒ 8682
─────────────┼────────────┼───────────────────────────────────────
45
│ 6 │ 14/23
─────────────┼────────────┼───────────────────────────────────────
55
│ 10 │ 19/26
─────────────┼────────────┼───────────────────────────────────────
70
│ 15 │ 29/32
Ïðèìåð óñëîâíîãî
îáîçíà÷åíèÿ ïðè çàêàçå êåðíà òèïà ÊÈÎ, ñ âçàèìîçàìåíÿåìûì êîíóñîì êåðíà 14/23,
èç òåðìè÷åñêè ñòîéêîãî ñòåêëà ãðóïïû ÒÑ:
Êåðí ÊÈÎ-14/23 ÒÑ
ÃÎÑÒ 25336-82
Òèï ÌÏÎ

×åðò. 44
Òàáëèöà 38
Ðàçìåðû â ìì
───────────────────┬────────────────────┬────────┬────────────────
H │ h │d +/- 1 │ Îáîçíà÷åíèå
──────┬────────────┼───────┬────────────┤ │ êîíóñîâ ìóôòû
Íîìèí.│Ïðåä.
îòêë. │Íîìèí. │Ïðåä. îòêë. │ │
ïî ÃÎÑÒ 8682
──────┼────────────┼───────┼────────────┼────────┼────────────────
75
│ +/- 3 │
35 │ +/- 2
│ 6 │
14/23
──────┼────────────┼───────┼────────────┼────────┼────────────────
100
│ +/- 5 │
50 │ +/- 3
│ 10 │
29/32
──────┤
├───────┤
├────────┼────────────────
130
│ │ 60
│ │ 15
│ 45/40
Ïðèìåð óñëîâíîãî
îáîçíà÷åíèÿ ïðè çàêàçå ìóôòû òèïà ÌÏÎ, ñ âçàèìîçàìåíÿåìûì êîíóñîì ìóôòû 14/23,
èç òåðìè÷åñêè ñòîéêîãî ñòåêëà ãðóïïû ÒÑ:
Ìóôòà ÌÏÎ-14/23 ÒÑ
ÃÎÑÒ 25336-82
Òèï ÌÈÎ

--------------------------------
<*> Ðàçìåð
îáåñïå÷èâàåòñÿ èíñòðóìåíòîì.
×åðò. 45
Òàáëèöà 39
Ðàçìåðû â ìì
─────────────┬────────────┬───────────────────────────────────────
H +/- 3
│ d +/- 1 │Îáîçíà÷åíèå êîíóñîâ ìóôòû ïî ÃÎÑÒ
8682
─────────────┼────────────┼───────────────────────────────────────
70
│ 6 │ 14/23
─────────────┼────────────┼───────────────────────────────────────
80
│ 10 │ 19/26
─────────────┼────────────┼───────────────────────────────────────
100
│ 15 │ 29/32
Ïðèìåð óñëîâíîãî
îáîçíà÷åíèÿ ïðè çàêàçå ìóôòû òèïà ÌÈÎ, ñ âçàèìîçàìåíÿåìûì êîíóñîì ìóôòû 14/23,
èç òåðìè÷åñêè ñòîéêîãî ñòåêëà ãðóïïû ÒÑ:
Ìóôòà ÌÈÎ-14/23 ÒÑ
ÃÎÑÒ 25336-82
Òèï ÀÈ

--------------------------------
<*> Ðàçìåðû
îáåñïå÷èâàþòñÿ èíñòðóìåíòîì.
×åðò. 46
Òàáëèöà 40
Ðàçìåðû â ìì
───────────┬────────────┬─────────────────────────────────────────
l
│ l │ Îáîçíà÷åíèå êîíóñîâ ìóôòû ïî ÃÎÑÒ
8682
│ 1
│
───────────┼────────────┼─────────────────────────────────────────
50
│ 60 │ 14/23
───────────┼────────────┼─────────────────────────────────────────
60
│ 75 │ 19/26
───────────┼────────────┼─────────────────────────────────────────
70
│ 75 │ 19/26
───────────┼────────────┼─────────────────────────────────────────
75
│ 100 │ 29/32
Ïðèìåð óñëîâíîãî
îáîçíà÷åíèÿ ïðè çàêàçå àëîíæà òèïà ÀÈ, ñ âçàèìîçàìåíÿåìûì êîíóñîì ìóôòû 19/26,
ñ äëèíîé àëîíæà 50 ìì, èç òåðìè÷åñêè ñòîéêîãî ñòåêëà ãðóïïû ÒÑ:
Àëîíæ ÀÈ-19/26-50
ÒÑ ÃÎÑÒ 25336-82
Òèï ÀÈÎ

--------------------------------
<*> Ðàçìåðû
îáåñïå÷èâàþòñÿ èíñòðóìåíòîì.
×åðò. 47
Òàáëèöà 41
Ðàçìåðû â ìì
─────────┬─────────┬─────────┬────────────────────────────────────
l
│ l │ d +/-1 │
Îáîçíà÷åíèå êîíóñîâ ïî ÃÎÑÒ 8682
│ 1
│
├──────────────────┬─────────────────
│ │ │ êåðíà │ ìóôòû
─────────┼─────────┼─────────┼──────────────────┼─────────────────
50
│ 50 │
6 │ 14/23 │ 14/23
│
├─────────┼──────────────────┤
│ │ 9
│ 19/26 │
├─────────┤
├──────────────────┤
│ 65
│ │ 29/32
│
─────────┤ │ │ ├─────────────────
65
│ │ │ │ 19/26
─────────┼─────────┼─────────┼──────────────────┼─────────────────
70
│ 50 │
6 │ 19/26 │ 14/23
─────────┼─────────┼─────────┼──────────────────┼─────────────────
75
│ 65 │
9 │ 29/32 │ 29/32
Ïðèìåð óñëîâíîãî
îáîçíà÷åíèÿ ïðè çàêàçå àëîíæà òèïà ÀÈÎ, ñ âçàèìîçàìåíÿåìûìè êîíóñàìè êåðíà
19/26 è ìóôòû 14/23, ñ äëèíîé àëîíæà 50 ìì, èç òåðìè÷åñêè ñòîéêîãî ñòåêëà
ãðóïïû ÒÑ:
Àëîíæ
ÀÈÎ-19/26-14/23-50 ÒÑ ÃÎÑÒ 25336-82
Òèï ÀÎ

--------------------------------
<*> Ðàçìåðû
îáåñïå÷èâàþòñÿ èíñòðóìåíòîì.
×åðò. 48
Òàáëèöà 42
Ðàçìåðû â ìì
───────────────────┬─────┬───────┬────────────────────────────────
H │ h
│d +/- 1│Îáîçíà÷åíèå êîíóñîâ ïî ÃÎÑÒ 8682
──────┬────────────┤ │ ├──────────┬─────────────────────
Íîìèí.│Ïðåä.
îòêë. │ │ │
êåðíà │ ìóôòû
──────┼────────────┼─────┼───────┼──────────┼─────────────────────
90
│ +/- 3 │ 55
│ 6 │
14/23 │ 14/23
│ │
├───────┼──────────┤
│ │ │
9 │ 29/32
│
──────┼────────────┼─────┤ │
├─────────────────────
125
│ +/- 5 │ 75
│ │ │ 29/32
Ïðèìåð óñëîâíîãî
îáîçíà÷åíèÿ ïðè çàêàçå àëîíæà òèïà ÀÎ, ñ âçàèìîçàìåíÿåìûìè êîíóñàìè êåðíà 14/23
è ìóôòû 14/23, èç òåðìè÷åñêè ñòîéêîãî ñòåêëà ãðóïïû ÒÑ:
Àëîíæ
ÀÎ-14/23-14/23 ÒÑ ÃÎÑÒ 25336-82
Òèï ÀÏ

--------------------------------
<*> Ðàçìåðû
äëÿ ñïðàâîê.
×åðò. 49
Óñëîâíîå
îáîçíà÷åíèå ïðè çàêàçå àëîíæà "Ïàóê" òèïà ÀÏ, ñ âçàèìîçàìåíÿåìûìè
êîíóñàìè êåðíà 14/23 è ìóôòû 14/23, èç òåðìè÷åñêè ñòîéêîãî ñòåêëà ãðóïïû ÒÑ:
Àëîíæ
ÀÏ-14/23-14/23 ÒÑ ÃÎÑÒ 25336-82
Òèï ÀÊÏ

--------------------------------
<*> Ðàçìåðû
äëÿ ñïðàâîê.
1 - àëîíæ; 2 -
"ïàóê"
×åðò. 50
Óñëîâíîå
îáîçíà÷åíèå ïðè çàêàçå àëîíæà â êîìïëåêòå ñ "ïàóêîì" òèïà ÀÊÏ, ñ
âçàèìîçàìåíÿåìûìè êîíóñàìè êåðíà 14/23 è ìóôòû 14/23, èç òåðìè÷åñêè ñòîéêîãî
ñòåêëà ãðóïïû ÒÑ:
Êîìïëåêò
ÀÊÏ-14/23-14/23 ÒÑ ÃÎÑÒ 25336-82
Òèï ÀÊÏ
"Àëîíæ"

--------------------------------
<*> Ðàçìåðû
îáåñïå÷èâàþòñÿ èíñòðóìåíòîì.
×åðò. 51
Óñëîâíîå
îáîçíà÷åíèå ïðè çàêàçå àëîíæà òèïà ÀÊÏ, ñ âçàèìîçàìåíÿåìûìè êîíóñàìè êåðíà
14/23 è ìóôòû 14/23, èç òåðìè÷åñêè ñòîéêîãî ñòåêëà ãðóïïû ÒÑ:
Àëîíæ
ÀÊÏ-14/23-14/23 ÒÑ ÃÎÑÒ 25336-82
Òèï ÀÊÏ
"Ïàóê"

×åðò. 52
Óñëîâíîå
îáîçíà÷åíèå ïðè çàêàçå "Ïàóêà" òèïà ÀÊÏ, ñ âçàèìîçàìåíÿåìûìè êîíóñàìè
êåðíà 14/23 è ìóôòû 14/23, èç òåðìè÷åñêè ñòîéêîãî ñòåêëà ãðóïïû ÒÑ:
"Ïàóê"
ÀÊÏ-14/23-14/23 ÒÑ ÃÎÑÒ 25336-82
Òèï ÇÂ
Çàòâîð

Âñòàâíàÿ òðóáêà
çàòâîðà

×åðò. 53
Òàáëèöà 43
Ðàçìåðû â ìì
─────────┬────────┬───────────────────┬─────┬──────┬──────────────
H,
│h +/- 3 │
d │
d │ d
│ Îáîçíà÷åíèå
íå
ìåíåå │ │ │ 1 │
2 │êîíóñîâ êåðíà
│
├───────┬───────────┼─────┴──────┤
ïî ÃÎÑÒ 8682
│ │Íîìèí. │Ïðåä.
îòêë.│ +/- 1 │
─────────┼────────┼───────┼───────────┼─────┬──────┼──────────────
95
│ 40 │
25 │ +/- 2
│ 10 │ 15
│ 14/23
─────────┼────────┼───────┤ ├─────┼──────┼──────────────
130
│ 60 │
40 │ │ 14 │
27 │ 19/26
─────────┼────────┤ │ ├─────┼──────┼──────────────
140
│ 65 │
│ │ 15 │
28 │ 29/32
─────────┼────────┼───────┼───────────┼─────┼──────┼──────────────
155
│ 70 │
45 │ +/- 3
│ 17 │ 30
│ 45/40
Ïðèìåð óñëîâíîãî
îáîçíà÷åíèÿ ïðè çàêàçå çàòâîðà òèïà ÇÂ, ñ âçàèìîçàìåíÿåìûì êîíóñîì êåðíà 19/26,
èç òåðìè÷åñêè ñòîéêîãî ñòåêëà:
Çàòâîð ÇÂ-19/26 ÒÑ
ÃÎÑÒ 25336-82
Òèï ÇÍ
Çàòâîð

Âñòàâíàÿ òðóáêà
çàòâîðà

×åðò. 54
Òàáëèöà 44
Ðàçìåðû â ìì
───────┬────────────┬────────┬───────┬────────┬─────────────┬──────────────
H
+/- 3│ h │h
+/- 3│d +/- 2│d +/-
1│ d │ Îáîçíà÷åíèå
│ │ 1 │ │ 1 │ 2
│êîíóñîâ êåðíà
├──────┬─────┤ │ │
├──────┬──────┤
ïî ÃÎÑÒ 8682
│Íîìèí.│Ïðåä.│ │ │ │Íîìèí.│Ïðåä. │
│ │îòêë.│ │ │ │ │îòêë. │
───────┼──────┼─────┼────────┼───────┼────────┼──────┼──────┼──────────────
90
│ 40 │+/- 2│ 70
│ 25 │
10 │ 15
│+/- 1 │ 29/32
───────┼──────┼─────┼────────┼───────┼────────┼──────┼──────┼──────────────
100
│ 50 │+/- 3│ 90
│ 40 │
15 │ 30
│+/- 2 │ 45/40
Ïðèìåð óñëîâíîãî
îáîçíà÷åíèÿ ïðè çàêàçå çàòâîðà òèïà ÇÍ, ñ âçàèìîçàìåíÿåìûì êîíóñîì êåðíà 29/32,
èç òåðìè÷åñêè ñòîéêîãî ñòåêëà ãðóïïû ÒÑ:
Çàòâîð ÇÍ-29/32 ÒÑ
ÃÎÑÒ 25336-82
Òèï Í1

--------------------------------
<*> Ðàçìåðû
îáåñïå÷èâàþòñÿ èíñòðóìåíòîì.
×åðò. 55
Òàáëèöà 45
Ðàçìåðû â ìì
──────────────┬───────────────────────────────────────────────────
H +/- 5
│ Îáîçíà÷åíèå
êîíóñîâ ïî ÃÎÑÒ 8682
├─────────────┬─────────────────────────────────────
│êåðíà íàñàäêè│ìóôòû
íàñàäêè è êåðíà îòâîäíîé òðóáêè
──────────────┼─────────────┼─────────────────────────────────────
86
│ 14/23 │ 14/23
──────────────┼─────────────┤
88
│ 19/26 │
──────────────┼─────────────┤
87
│ 29/32 │
Ïðèìåð óñëîâíîãî
îáîçíà÷åíèÿ ïðè çàêàçå íàñàäêè òèïà Í1, ñ âçàèìîçàìåíÿåìûìè êîíóñàìè êåðíà
íàñàäêè 19/26, ìóôòû íàñàäêè 14/23 è êåðíà îòâîäíîé òðóáêè 14/23, èç òåðìè÷åñêè
ñòîéêîãî ñòåêëà ãðóïïû ÒÑ:
Íàñàäêà
Í1-19/26-14/23-14/23 ÒÑ ÃÎÑÒ 25336-82
Òèï Í2

--------------------------------
<*> Ðàçìåðû
îáåñïå÷èâàþòñÿ èíñòðóìåíòîì.
×åðò. 56
Òàáëèöà 46
Ðàçìåðû â ìì
─────────┬──────────┬─────────────────────────────────────────────
H
│ H │ Îáîçíà÷åíèå êîíóñîâ ïî ÃÎÑÒ 8682
│ 1
│
─────────┴──────────┼─────────────┬───────────────────────────────
+/- 5 │êåðíà íàñàäêè│ ìóôòû è
êåðíà îòâîäíîé òðóáêè
─────────┬──────────┼─────────────┼───────────────────────────────
86
│ 131 │
14/23 │ 14/23
─────────┼──────────┼─────────────┤
88
│ 133 │
19/26 │
─────────┼──────────┼─────────────┤
87
│ 137 │
29/32 │
Ïðèìåð óñëîâíîãî
îáîçíà÷åíèÿ ïðè çàêàçå íàñàäêè òèïà Í2, ñ âçàèìîçàìåíÿåìûìè êîíóñàìè êåðíà
íàñàäêè 19/26, ìóôòû è êåðíà îòâîäíîé òðóáêè 14/23, èç òåðìè÷åñêè ñòîéêîãî
ñòåêëà ãðóïïû ÒÑ:
Íàñàäêà
Í2-19/26-14/23 ÒÑ ÃÎÑÒ 25336-82
Òèï Í3

--------------------------------
<*> Ðàçìåðû
îáåñïå÷èâàþòñÿ èíñòðóìåíòîì.
×åðò. 56à
Òàáëèöà 46à
Ðàçìåðû â ìì
──────────────────┬──────┬──────┬─────────────────────────────────
l │ l
│ l │Îáîçíà÷åíèå êîíóñîâ ïî ÃÎÑÒ 8682
──────┬───────────┤ 1
│ 2 │
Íîìèí.│Ïðåä.
îòêë.│ │
│
──────┼───────────┼──────┼──────┼─────────────────────────────────
90
│ +/- 3 │
50 │ 55
│ 14/23
──────┼───────────┼──────┼──────┼─────────────────────────────────
125
│ +/- 5 │
85 │ 80
│ 29/32
Ïðèìåð óñëîâíîãî
îáîçíà÷åíèÿ ïðè çàêàçå íàñàäêè òèïà Í3, ñ êîíóñîì 14/23, èç òåðìè÷åñêè ñòîéêîãî
ñòåêëà ãðóïïû ÒÑ:
Íàñàäêà Í3-14/23 ÒÑ
ÃÎÑÒ 25336-82
Êåðí

×åðò. 57
(Èçìåíåííàÿ
ðåäàêöèÿ, Èçì. N 1, 2, 3).
2.1.3. Êîäû ÎÊÏ íà
ñîåäèíèòåëüíûå ýëåìåíòû óêàçàíû â Ïðèëîæåíèè 9.
2.2. Òðóáêè
ñîåäèíèòåëüíûå
2.2.1.
Ñîåäèíèòåëüíûå è õëîðêàëüöèåâûå òðóáêè ïðåäíàçíà÷åíû äëÿ ñáîðêè ðàçëè÷íûõ
ëàáîðàòîðíûõ óñòàíîâîê.
2.2.2.
Ñîåäèíèòåëüíûå òðóáêè äîëæíû èçãîòîâëÿòüñÿ òèïîâ:
ÒÑ-Ò - Ò-îáðàçíàÿ
(÷åðò. 58, òàáë. 47);
ÒÑ-Ó - Ó-îáðàçíàÿ
(÷åðò. 59, òàáë. 47);
ÒÑ-Â -
âèëêîîáðàçíàÿ (÷åðò. 60, òàáë. 47);
ÒÑ-Ï - ïðÿìàÿ ñ
ðàçíûìè äèàìåòðàìè (÷åðò. 61).
2.2.3.
Õëîðêàëüöèåâûå òðóáêè äîëæíû èçãîòîâëÿòüñÿ òèïîâ:
ÒÕ-Ï - ïðÿìàÿ ñ
îäíèì øàðîì ïîä ïðîáêó (èñïîëíåíèå 1) è ñ âçàèìîçàìåíÿåìûì êîíóñîì (èñïîëíåíèå
2) (÷åðò. 62, òàáë. 48);
-
èçîãíóòàÿ ïîä óãëîì 45° ñ âçàèìîçàìåíÿåìûì êîíóñîì (÷åðò. 63);
ÒÕ-U - U-îáðàçíàÿ
áåç îòâîäîâ ïîä ðåçèíîâóþ ïðîáêó (èñïîëíåíèå 1), ñ îòâîäàìè ïîä ðåçèíîâóþ
ïðîáêó (èñïîëíåíèå 2) è ñ îòâîäàìè è ïðèøëèôîâàííîé ïðîáêîé (èñïîëíåíèå 3)
(÷åðò. 64, òàáë. 49).
Òèï ÒÑ-Ò

×åðò. 58
Òèï ÒÑ-Ó

×åðò. 59
Òèï ÒÑ-Â

×åðò. 60
Òàáëèöà 47
Ðàçìåðû â ìì
─────────────┬────────────┬────────────┬────────────┬─────────────
Òèï òðóáîê
│ D +/- 1 │
L +/- 5 │ l
│ l
│ │ │ │ 1
│ │
├────────────┴─────────────
│ │ │ +/- 3
─────────────┼────────────┼────────────┼────────────┬─────────────
ÒÑ-Ò
│ 6 │
50 │ 25
│ -
│ 10
│ 75 │
40 │
│ 15
│ 100 │
50 │
─────────────┼────────────┼────────────┼────────────┼─────────────
ÒÑ-Ó
│ 6 │
- │ 25
│ -
│ 10
│ │ 40
│
│ 15
│ │ 60
│
─────────────┼────────────┼────────────┼────────────┼─────────────
ÒÑ-Â
│ 6 │
30 │ 25
│ 25
│ 10
│ 55 │
45 │ 30
│ 15
│ 70 │
60 │ 40
Ïðèìåð óñëîâíîãî
îáîçíà÷åíèÿ ïðè çàêàçå ñîåäèíèòåëüíîé òðóáêè òèïà ÒÑ-Ò äèàìåòðîì 10 ìì:
Òðóáêà ÒÑ-Ò-10 ÃÎÑÒ
25336-82
Òèï ÒÑ-Ï

×åðò. 61
Óñëîâíîå
îáîçíà÷åíèå ïðè çàêàçå ñîåäèíèòåëüíîé òðóáêè òèïà ÒÑ-Ï:
Òðóáêà ÒÑ-Ï ÃÎÑÒ
25336-82
Òèï ÒÕ-Ï
Èñïîëíåíèå 1

Èñïîëíåíèå 2

×åðò. 62
Òàáëèöà 48
Ðàçìåðû â ìì
────────────┬────────┬──────┬─────┬───────┬────────┬──────────────
Èñïîëíåíèå │D +/- 2 │ d
│ d │L +/- 5│l
+/- 3 │ Îáîçíà÷åíèå
òðóáêè
òèïà │ │ │
1 │ │ │
êîíóñîâ ïî
ÒÕ-Ï
│
├──────┴─────┤ │ │
ÃÎÑÒ 8682
│ │ +/- 1
│ │ │
────────────┼────────┼──────┬─────┼───────┼────────┼──────────────
1
│ 13 │
8 │ 5
│ 85 │
45 │ -
├────────┼──────┤ ├───────┤ │
│ 17
│ 12 │
│ 100 │
│
├────────┼──────┼─────┼───────┼────────┤
│ 25
│ 17 │
6 │ 120
│ 60 │
├────────┼──────┼─────┼───────┼────────┤
│ 30
│ 22 │
7 │ 150
│ 80 │
────────────┼────────┼──────┼─────┼───────┼────────┼──────────────
2
│ 13 │
8 │ -
│ 85 │
35 │ 7/16
├────────┼──────┤ ├───────┼────────┼──────────────
│ 17
│ 12 │
│ 100 │
45 │ 10/19
├────────┼──────┤ │
│
├──────────────
│ 19
│ 15 │
│ │ │ 14/23
Ïðèìåð óñëîâíîãî
îáîçíà÷åíèÿ ïðè çàêàçå õëîðêàëüöèåâîé òðóáêè òèïà ÒÕ-Ï èñïîëíåíèÿ 1 äèàìåòðîì
17 ìì:
Òðóáêà ÒÕ-Ï-1-17
ÃÎÑÒ 25336-82
Òèï


×åðò. 63
Óñëîâíîå
îáîçíà÷åíèå ïðè çàêàçå õëîðêàëüöèåâîé òðóáêè òèïà
ñ âçàèìîçàìåíÿåìûì êîíóñîì 14/23:
Òðóáêà
-14/23
ÃÎÑÒ 25336-82
Òèï ÒÕ-U
Èñïîëíåíèå 1

Èñïîëíåíèå 2

Èñïîëíåíèå 3

Âàðèàíò ïðîáêè

1 - òðóáêà; 2 -
ïðîáêà
×åðò. 64
Òàáëèöà 49
──────┬───┬────┬───┬────────────┬────────────┬───────┬────────────┬────────
Èñïîë-│
D │ d │d │
H │ h
│l +/- 3│ l │l
+/- 2
íåíèå
│ │ │ 1 │ │ │ │ 1
│ 2
òðóáêè├───┴────┴───┼──────┬─────┼──────┬─────┤
├──────┬─────┤
òèïà │
+/- 1
│Íîìèí.│Ïðåä.│Íîìèí.│Ïðåä.│ │Íîìèí.│Ïðåä.│
ÒÕ-U │ │ │îòêë.│ │îòêë.│ │ │îòêë.│
──────┼───┬────┬───┼──────┼─────┼──────┼─────┼───────┼──────┼─────┼────────
1
│ 9 │ 7,5│ - │
60 │+/- 3│ 16
│+/- 1│ 30 │
- │ -
│ -
├───┼────┼───┼──────┼─────┼──────┤ │ │ │ │
│13 │10,0│ - │
100 │+/- 5│ 19
│ │ │ │ │
├───┼────┼───┼──────┤ ├──────┼─────┼───────┤ │ │
│17 │14,5│ - │
150 │ │
23 │+/- 2│ 40
│ │ │
├───┼────┼───┼──────┤
├──────┤ ├───────┤ │ │
│22 │18,8│ - │
200 │ │
26 │ │
50 │ │ │
──────┼───┼────┼───┼──────┼─────┼──────┼─────┼───────┼──────┼─────┼────────
2
│ 9 │ 7,5│ 5 │
60 │+/- 3│ 16
│+/- 1│ 30 │
25 │+/- 2│ 15
├───┼────┤
├──────┼─────┼──────┤ │ │
├─────┼────────
│13 │10,0│ │ 100
│+/- 5│ 19 │
│ │ │+/- 3│ 30
├───┼────┼───┼──────┤ ├──────┼─────┼───────┼──────┤ │
│17 │14,5│ 6 │ 150 │
│ 23 │+/- 2│ 40
│ 30 │
│
├───┼────┼───┼──────┤ ├──────┤
├───────┼──────┤ │
│22 │18,8│ 8 │
200 │ │
26 │ │
50 │ 35
│ │
──────┼───┼────┼───┼──────┼─────┼──────┼─────┼───────┼──────┼─────┼────────
3
│ 9 │ 7,5│ 5 │
60 │+/- 3│ 16
│+/- 1│ 30 │
8 │+/- 1│ 15
├───┼────┤
├──────┼─────┼──────┤ │
├──────┼─────┼────────
│13 │10,0│ │ 100
│+/- 5│ 19 │
│ │ 10
│+/- 2│ 30
├───┼────┼───┼──────┤ ├──────┼─────┼───────┼──────┤ │
│17 │14,5│ 6 │
150 │ │
23 │+/- 2│ 40
│ 12 │
│
├───┼────┼───┼──────┤ ├──────┤
├───────┼──────┤ │
│22 │18,8│ 8 │
200 │ │
26 │ │
50 │ 13
│ │
Ïðèìåð óñëîâíîãî
îáîçíà÷åíèÿ ïðè çàêàçå õëîðêàëüöèåâîé òðóáêè òèïà ÒÕ-U, èñïîëíåíèÿ 1, âûñîòîé
100 ìì:
Òðóáêà ÒÕ-U-1-100
ÃÎÑÒ 25336-82
(Èçìåíåííàÿ
ðåäàêöèÿ, Èçì. N 1, 3).
2.2.4. Êîäû ÎÊÏ íà
ñîåäèíèòåëüíûå òðóáêè óêàçàíû â Ïðèëîæåíèè 10.
2.3. Âîðîíêè
2.3.1. Âîðîíêè
ïðåäíàçíà÷åíû äëÿ ëàáîðàòîðíûõ ðàáîò.
2.3.2. Âîðîíêè
äîëæíû èçãîòîâëÿòüñÿ òèïîâ:
 - ëàáîðàòîðíûå;
ÂÄ - äåëèòåëüíûå;
ÂÐ - ñ ðåáðàìè;
ÂÊ - êàïåëüíûå;
ÂÏ - äëÿ ïîðîøêîâ;
ÂÏð -
ïðåäîõðàíèòåëüíûå;
ÂÑ - äëÿ ñàõàðíîãî
ïðîèçâîäñòâà;
ÂÑÏ - äëÿ ñîáèðàíèÿ
ïàðîâ;
ÂÔ - äëÿ
ôèëüòðîâàíèÿ.
(Èçìåíåííàÿ
ðåäàêöèÿ, Èçì. N 3).
2.3.3. Âîðîíêè òèïà
ÂÊ äîëæíû èìåòü îòâåðñòèÿ â ãîðëîâèíå è â ïðîáêå, ñîâïàäàþùèå ïðè ïîâîðîòå
ïðîáêè.
Äîïóñêàåòñÿ ïî
çàêàçó ïîòðåáèòåëÿ èçãîòàâëèâàòü âîðîíêè òèïà ÂÊ áåç îòâåðñòèé, à âîðîíêè òèïà
ÂÄ - ñ îòâåðñòèÿìè, à òàêæå ñ ìàññèâíûìè ïðîáêàìè.
(Èçìåíåííàÿ
ðåäàêöèÿ, Èçì. N 4).
2.3.4. Íèæíÿÿ ÷àñòü
âîðîíîê, ïðåäíàçíà÷åííàÿ äëÿ ñòåêàíèÿ æèäêîñòè, äîëæíà áûòü îáðåçàíà ïîä óãëîì
íå áîëåå 60° ê öåíòðàëüíîé îñè, çàøëèôîâàíà èëè îïëàâëåíà.
(Èçìåíåííàÿ
ðåäàêöèÿ, Èçì. N 1).
2.3.5. Îñíîâíûå
ïàðàìåòðû è ðàçìåðû âîðîíîê äîëæíû ñîîòâåòñòâîâàòü óêàçàííûì íà ÷åðò. 65 - 73 è
â òàáë. 50 - 54.
Òèï Â

--------------------------------
<*> Ðàçìåð
äëÿ ñïðàâîê.
×åðò. 65
Òàáëèöà 50
Ðàçìåðû â ìì
─────────────────────────┬────────────────────────┬───────────────
D │ d │ H
───────────┬─────────────┼───────────┬────────────┤
Íîìèí.
│ Ïðåä. îòêë. │
Íîìèí. │Ïðåä. îòêë.
│
───────────┼─────────────┼───────────┼────────────┼───────────────
25
│ +/- 3 │
6 │ +/- 1
│ 38
───────────┼─────────────┼───────────┤ ├───────────────
36
│ +/- 5 │
7 │ │ 50
│ │
├────────────┼───────────────
│ │ │ +/- 2
│ 80
───────────┤
├───────────┤ ├───────────────
56
│ │ 11
│ │ 80
───────────┤ │ │ ├───────────────
75
│ │ │ │ 110
│ │ │ ├───────────────
│ │ │ │ 140
│ │ │ ├───────────────
│ │ │ │ 170
───────────┼─────────────┼───────────┤ ├───────────────
100
│ +/- 10 │
14 │ │ 150
│ │ │ ├───────────────
│ │ │ │ 200
───────────┤
├───────────┤ ├───────────────
150
│ │ 16
│ │ 230
───────────┤
├───────────┼────────────┼───────────────
250
│ │ 30
│ +/- 3 │
345
Ïðèìåð óñëîâíîãî
îáîçíà÷åíèÿ ïðè çàêàçå âîðîíêè òèïà Â, äèàìåòðîì 36 ìì, âûñîòîé 80 ìì, èç
õèìè÷åñêè ñòîéêîãî ñòåêëà ãðóïïû ÕÑ:
Âîðîíêà Â-36-80 ÕÑ
ÃÎÑÒ 25336-82
Òèï ÂÐ

--------------------------------
<*> Ðàçìåð
äëÿ ñïðàâîê.
×åðò. 65à
Òàáëèöà 50à
Ðàçìåðû â ìì
────────────────────────┬────────────────────────┬────────────────
D │ d │ H
──────────┬─────────────┼──────────┬─────────────┤
Íîìèí.
│ Ïðåä. îòêë. │
Íîìèí. │ Ïðåä. îòêë.
│
──────────┼─────────────┼──────────┼─────────────┼────────────────
56
│ +/- 1,0 │
12 │ +/- 0,5
│ 80
──────────┤ │ │ ├────────────────
75
│ │ │ │ 110
──────────┤ │ │ ├────────────────
100
│ │ │ │ 115
Ïðèìåð óñëîâíîãî
îáîçíà÷åíèÿ ïðè çàêàçå âîðîíêè òèïà ÂÐ, äèàìåòðîì 56 ìì èç õèìè÷åñêè ñòîéêîãî
ñòåêëà ãðóïïû ÕÑ:
Âîðîíêà ÂÐ-56 ÕÑ
ÃÎÑÒ 25336-82
Òèï ÂÄ
Èñïîëíåíèå 1

Èñïîëíåíèå 2

--------------------------------
<*> Ðàçìåð
äëÿ ñïðàâîê.
1 - ïðîáêà; 2 -
âîðîíêà
×åðò. 66
Òàáëèöà 51
Ðàçìåðû â ìì
────────────┬─────────────┬───┬────────────────┬──────────────────
Íîìèíàëüíàÿ
│ D │ H │ Îáîçíà÷åíèå
│ Îáîçíà÷åíèå
âìåñòèìîñòü,├──────┬──────┤ │
êðàíà │ êîíóñîâ
ñì3
│Íîìèí.│ Ïðåä.│
│ ïî ÃÎÑÒ 7995 │
ïî ÃÎÑÒ 8682
│ │îòêë. │ │ ├──────────┬───────
│ │ │
│
│ãîðëîâèíû │ñòåáëÿ
────────────┼──────┼──────┼───┼────────────────┼──────────┼───────
10
│ 18 │+/- 1 │200│ Ê1Õ-1-28-1,6
│ 14/23 │ 14/23
────────────┼──────┼──────┼───┤ │ │
25
│ 24 │+/- 2 │225│ │ │
────────────┼──────┤
├───┼────────────────┤ │
50
│ 30 │
│245│
Ê1Õ-1-32-2,5 │ │
────────────┼──────┼──────┼───┤
├──────────┤
100
│ 40 │+/- 3 │290│ │ 19/26
│
────────────┼──────┤
├───┼────────────────┼──────────┼───────
250
│ 50 │
│340│
Ê1Õ-1-40-4,0 │ 29/32
│ 19/26
────────────┼──────┤ ├───┤ │ ├───────
500
│ 65 │
│390│
│ │ -
────────────┼──────┼──────┼───┤ │ │
1000
│ 83 │+/- 5 │470│ │ │
Ïðèìåð óñëîâíîãî
îáîçíà÷åíèÿ ïðè çàêàçå âîðîíêè òèïà ÂÄ èñïîëíåíèÿ 1, íîìèíàëüíîé âìåñòèìîñòüþ
100 ñì3, èç õèìè÷åñêè ñòîéêîãî ñòåêëà ãðóïïû ÕÑ:
Âîðîíêà ÂÄ-1-100 ÕÑ
ÃÎÑÒ 25336-82
Òî æå, âîðîíêè òèïà
ÂÄ èñïîëíåíèÿ 2, íîìèíàëüíîé âìåñòèìîñòüþ 250 ñì3, èç õèìè÷åñêè ñòîéêîãî ñòåêëà
ãðóïïû ÕÑ:
Âîðîíêà ÂÄ-2-250 ÕÑ
ÃÎÑÒ 25336-82
Òèï ÂÄ
Èñïîëíåíèå 3

--------------------------------
<*> Ðàçìåð
äëÿ ñïðàâîê.
1 - ïðîáêà; 2 -
âîðîíêà
×åðò. 67
Òàáëèöà 52
Ðàçìåðû â ìì
────────────┬───────────────┬──────┬───────────────┬──────────────
Íîìèíàëüíàÿ
│ D │
H │ Îáîçíà÷åíèå
│ Îáîçíà÷åíèå
âìåñòèìîñòü,├───────┬───────┤ │ êðàíà
│ êîíóñîâ
ñì3
│Íîìèí. │ Ïðåä. │
│ ïî ÃÎÑÒ 7995 │ ïî
ÃÎÑÒ 8682
│ │ îòêë. │ │ │
────────────┼───────┼───────┼──────┼───────────────┼──────────────
50
│ 45 │ +/- 2 │ 210 │ Ê1Õ-1-32-2,5 │
14/23
────────────┼───────┼───────┼──────┤
├──────────────
100
│ 56 │ +/- 3 │ 250 │ │ 19/26
────────────┼───────┤
├──────┼───────────────┼──────────────
250
│ 76 │
│ 295 │
Ê1Õ-1-40-4,0 │ 29/32
────────────┼───────┤
├──────┤ │
500
│ 95 │
│ 355 │ │
────────────┼───────┼───────┼──────┤ │
1000
│ 128 │ +/- 4 │ 365 │ │
────────────┼───────┼───────┼──────┼───────────────┤
2000
│ 158 │ +/- 5 │ 470 │ Ê1Õ-1-44-6,3 │
Ïðèìåð óñëîâíîãî
îáîçíà÷åíèÿ ïðè çàêàçå âîðîíêè òèïà ÂÄ èñïîëíåíèÿ 3, íîìèíàëüíîé âìåñòèìîñòüþ
250 ñì3, èç õèìè÷åñêè ñòîéêîãî ñòåêëà ãðóïïû ÕÑ:
Âîðîíêà ÂÄ-3-250 ÕÑ
ÃÎÑÒ 25336-82
Òèï ÂÊ

--------------------------------
<*> Ðàçìåð
äëÿ ñïðàâîê.
1 - ïðîáêà; 2 -
âîðîíêà; 3 - ñòåáåëü
×åðò. 68
Òàáëèöà 53
Ðàçìåðû â ìì
────────────┬─────────────┬────┬───────────────┬──────────────────
Íîìèíàëüíàÿ
│ D │ H
│ Îáîçíà÷åíèå │
Îáîçíà÷åíèå
âìåñòèìîñòü,├───────┬─────┤ │
êðàíà │ êîíóñîâ
ñì3
│Íîìèí. │Ïðåä.│
│ ïî ÃÎÑÒ 7995 │ ïî ÃÎÑÒ 8682
│ │îòêë.│ │ ├─────────┬────────
│ │ │
│ │ãîðëîâèíû│ ñòåáëÿ
────────────┼───────┼─────┼────┼───────────────┼─────────┼────────
10
│ 18 │+/- 1│255 │
Ê1Õ-1-28-1,6 │ 14/23
│ 14/23
────────────┼───────┼─────┼────┤ │ │
25
│ 24 │+/- 2│280 │ │ │
────────────┼───────┤
├────┼───────────────┤ │
50
│ 30 │
│300 │ Ê1Õ-1-32-2,5
│ │
────────────┼───────┼─────┼────┤
├─────────┤
100
│ 40 │+/- 3│345 │ │ 19/26
│
────────────┼───────┤
├────┼───────────────┼─────────┼────────
250
│ 50 │
│405 │ Ê1Õ-1-40-4,0
│ 29/32 │ 19/26
────────────┼───────┤ ├────┤ │ │
500
│ 65 │
│455 │
│ │
Ïðèìåð óñëîâíîãî
îáîçíà÷åíèÿ ïðè çàêàçå âîðîíêè òèïà ÂÊ, íîìèíàëüíîé âìåñòèìîñòüþ 50 ñì3, èç
õèìè÷åñêè ñòîéêîãî ñòåêëà ãðóïïû ÕÑ:
Âîðîíêà ÂÊ-50 ÕÑ
ÃÎÑÒ 25336-82
Òèï ÂÏ

--------------------------------
<*> Ðàçìåð
äëÿ ñïðàâîê.
×åðò. 69
Óñëîâíîå
îáîçíà÷åíèå ïðè çàêàçå âîðîíêè òèïà ÂÏ, èç õèìè÷åñêè ñòîéêîãî ñòåêëà ãðóïïû ÕÑ:
Âîðîíêà ÂÏ ÕÑ ÃÎÑÒ
25336-82
Òèï ÂÏð
Èñïîëíåíèå 1

Èñïîëíåíèå 2

×åðò. 70
Óñëîâíîå
îáîçíà÷åíèå ïðè çàêàçå âîðîíêè òèïà ÂÏð èñïîëíåíèÿ 1, èç õèìè÷åñêè ñòîéêîãî
ñòåêëà ãðóïïû ÕÑ:
Âîðîíêà ÂÏð-1 ÕÑ
ÃÎÑÒ 25336-82
Òèï ÂÑ

×åðò. 71
Óñëîâíîå
îáîçíà÷åíèå ïðè çàêàçå âîðîíêè òèïà ÂÑ, èç õèìè÷åñêè ñòîéêîãî ñòåêëà ãðóïïû ÕÑ:
Âîðîíêà ÂÑ ÕÑ ÃÎÑÒ
25336-82
Òèï ÂÑÏ

×åðò. 72
Óñëîâíîå
îáîçíà÷åíèå âîðîíêè òèïà ÂÑÏ, èç õèìè÷åñêè ñòîéêîãî ñòåêëà ãðóïïû ÕÑ:
Âîðîíêà ÂÑÏ ÕÑ ÃÎÑÒ
25336-82
Òèï ÂÔ
Èñïîëíåíèå 1

Èñïîëíåíèå 2

Èñïîëíåíèå 3

--------------------------------
<*> Ðàçìåð
äëÿ ñïðàâîê.
×åðò. 73
Òàáëèöà 54
Ðàçìåðû â ìì
───────────────┬───────────────────┬───────────────────┬──────────
Èñïîëíåíèå
│ D │ d │ H
âîðîíêè
òèïà
ÂÔ├───────┬───────────┼───────┬───────────┤
│Íîìèí. │Ïðåä.
îòêë.│Íîìèí. │Ïðåä. îòêë.│
───────────────┼───────┼───────────┼───────┼───────────┼──────────
1
│ 56 │
+/- 5 │ 12
│ +/- 2 │
140
├───────┤ │ │
├──────────
│ 75
│ │ │ │ 170
───────────────┼───────┤ ├───────┼───────────┼──────────
2
│ 75 │ │ 10
│ +/- 1 │
150
├───────┼───────────┤ │
├──────────
│ 110
│ +/- 10 │
│ │ 212
───────────────┼───────┤ │ │ ├──────────
3
│ 100 │ │ │ │ 200
Ïðèìåð óñëîâíîãî
îáîçíà÷åíèÿ ïðè çàêàçå âîðîíêè òèïà ÂÔ èñïîëíåíèÿ 3, äèàìåòðîì 100 ìì èç
õèìè÷åñêè ñòîéêîãî ñòåêëà ãðóïïû ÕÑ:
Âîðîíêà ÂÔ-3-100 ÕÑ
ÃÎÑÒ 25336-82
(Èçìåíåííàÿ
ðåäàêöèÿ, Èçì. N 1, 3).
2.3.6. Êîäû ÎÊÏ íà
âîðîíêè óêàçàíû â Ïðèëîæåíèè 11.
2.4. Ôèëüòðû è
èçäåëèÿ ñ ôèëüòðàìè
2.4.1. Ôèëüòðû èç
ñïåêøåãîñÿ ñòåêëÿííîãî ïîðîøêà è èçäåëèÿ ñ ôèëüòðàìè ïðåäíàçíà÷åíû äëÿ
ôèëüòðîâàíèÿ ðàñòâîðîâ è î÷èñòêè ãàçîâ.
2.4.2. Â
çàâèñèìîñòè îò ðàçìåðà ïîð ôèëüòðû äîëæíû èçãîòîâëÿòüñÿ êëàññîâ:
êëàññ
ôèëüòðîâ Ðàçìåðû ïîð
ÏÎÐ
500 ............... ñâ. 250 - 500 ìêì
ÏÎÐ
250 ............... " 160 - 250 ìêì
ÏÎÐ
160 ............... " 100 - 160 ìêì
ÏÎÐ
100 ............... " 40 - 100 ìêì
ÏÎÐ
40 ............... " 16 -
40 ìêì
ÏÎÐ
16 ............... " 10 -
16 ìêì
ÏÎÐ
10 ............... " 3 -
10 ìêì
ÏÎÐ 3,0 ............... " 1,6 -
3,0 ìêì
ÏÎÐ
1,6 ............... " 1,0 -
1,6 ìêì
ÏÎÐ
1,0 ............... äî 1,0 ìêì
2.4.3. Â
çàâèñèìîñòè îò ôîðìû ôèëüòðû äîëæíû èçãîòîâëÿòüñÿ òèïîâ:
ÔÊÏ - êðóãëûå
ïëîñêèå;
ÔÊÂ - êðóãëûå
âûïóêëûå;
ÔÊ - êâàäðàòíûå;
ÔÏ - ïðÿìîóãîëüíûå;
ÔÏÖ - ïàòðîííûå
öèëèíäðè÷åñêèå;
ÔÏÊ - ïàòðîííûå
êîíè÷åñêèå;
ÔÊÁ - êîíè÷åñêèå
áàêòåðèîëîãè÷åñêèå.
2.4.4. Ñòåêëÿííûå
èçäåëèÿ ñ ôèëüòðàìè äîëæíû èçãîòîâëÿòüñÿ òèïîâ:
ÂÔ - âîðîíêè
ôèëüòðóþùèå ñ âçàèìîçàìåíÿåìûìè êîíóñàìè (èñïîëíåíèå 2) è áåç âçàèìîçàìåíÿåìûõ
êîíóñîâ (èñïîëíåíèÿ 1, 3);
ÂÔÎ - âîðîíêè
ôèëüòðóþùèå ñ îòâîäîì è âçàèìîçàìåíÿåìûì êîíóñîì;
ÂÔÎÒ - âîðîíêè
ôèëüòðóþùèå îáðàòíûå;
ÒÔ - òèãëè
ôèëüòðóþùèå;
ÃÔÏ - ãàçîïðîìûâàòåëè
ñ ïðÿìûì îòâîäîì;
ÃÔÈ -
ãàçîïðîìûâàòåëè ñ èçîãíóòûì îòâîäîì;
ÔÃ - ôèëüòðû
ãàçîâûå.
Íèæíÿÿ ÷àñòü
èçäåëèé ñ ôèëüòðàìè, ïðåäíàçíà÷åííàÿ äëÿ ñòåêàíèÿ æèäêîñòè, äîëæíà áûòü
îáðåçàíà ïîä óãëîì íå áîëåå 60°, çàøëèôîâàíà èëè îïëàâëåíà.
2.4.5. Îñíîâíûå ðàçìåðû
ôèëüòðîâ è èçäåëèé ñ ôèëüòðàìè äîëæíû ñîîòâåòñòâîâàòü óêàçàííûì íà ÷åðò. 74 -
86 è â òàáë. 55 - 65.
Òèï ÔÊÏ

×åðò. 74
Òàáëèöà 55
Ðàçìåðû â ìì
────────────────────────┬────────────────────────┬────────────────
D │ s │ Äîïóñêàåìàÿ
──────────┬─────────────┼──────────┬─────────────┤ðàçíîòîëùèííîñòü
Íîìèí.
│ Ïðåä. îòêë. │
Íîìèí. │ Ïðåä. îòêë.
│
──────────┼─────────────┼──────────┼─────────────┼────────────────
10
│ +/- 1 │
3,0 │ +/- 1
│ 0,5
──────────┤ │ │ │
20
│ │ │ │
──────────┤ ├──────────┤ │
32
│ │ 3,5
│ │
──────────┼─────────────┤ │ │
40
│ +/- 2 │ │ │
──────────┤
├──────────┤
├────────────────
50
│ │ 4,5
│ │ 1,0
──────────┤ │ │ │
60
│ │ │ │
──────────┤
├──────────┼─────────────┤
90
│ │ 7,0
│ +/- 2 │
──────────┤
├──────────┤
├────────────────
125
│ │ 10,0
│ │ 2,0
──────────┤
├──────────┼─────────────┤
160
│ │ 13,0
│ +/- 3 │
──────────┼─────────────┼──────────┤
├────────────────
180
│ +/- 3 │
15,0 │ │ 4,0
──────────┤
├──────────┤ │
220
│ │ 17,0
│ │
Ïðèìåð óñëîâíîãî
îáîçíà÷åíèÿ ïðè çàêàçå ôèëüòðà òèïà ÔÊÏ, äèàìåòðîì 40 ìì, êëàññà ÏÎÐ 40, èç
õèìè÷åñêè ñòîéêîãî ñòåêëà ãðóïïû ÕÑ:
Ôèëüòð ÔÊÏ-40-ÏÎÐ
40 ÕÑ ÃÎÑÒ 25336-82
Òèï ÔÊÂ

×åðò. 75
Òàáëèöà 56
Ðàçìåðû â ìì
───────────────────────┬────────────────────────┬─────────────────
D │ s │ Äîïóñêàåìàÿ
──────────┬────────────┼───────────┬────────────┤ðàçíîòîëùèííîñòü
Íîìèí.
│Ïðåä. îòêë. │
Íîìèí. │Ïðåä. îòêë.
│
──────────┼────────────┼───────────┼────────────┼─────────────────
60
│ +/- 2 │
4,5 │ +/- 1
│ 1,0
──────────┤
├───────────┼────────────┤
90
│ │ 7,0
│ +/- 2 │
──────────┤
├───────────┤ │
125
│ │ 8,0
│ │
──────────┤
├───────────┤
├─────────────────
160
│ │ 10,0
│ │
──────────┼────────────┼───────────┤ │
180
│ +/- 3 │
11,0 │ │ 2,0
──────────┤
├───────────┼────────────┤
220
│ │ 13,0
│ +/- 3 │
Ïðèìåð óñëîâíîãî
îáîçíà÷åíèÿ ïðè çàêàçå ôèëüòðà òèïà ÔÊÂ, äèàìåòðîì 90 ìì, êëàññà ÏÎÐ 160, èç
õèìè÷åñêè ñòîéêîãî ñòåêëà ãðóïïû ÕÑ:
Ôèëüòð ÔÊÂ-90-ÏÎÐ
160 ÕÑ ÃÎÑÒ 25336-82
Òèï ÔÊ

×åðò. 76
Òàáëèöà 57
Ðàçìåðû â ìì
───────────┬─────────────┬───────────────┬────────────────────────
l
│ b │
s +/- 1 │ Äîïóñêàåìàÿ
───────────┴─────────────┤ │ ðàçíîòîëùèííîñòü
+/- 5 │ │
───────────┬─────────────┼───────────────┼────────────────────────
100
│ 100 │
10 │ 2
───────────┼─────────────┼───────────────┼────────────────────────
200
│ 200 │ 19
│ 4
───────────┼─────────────┼───────────────┤
250
│ 250 │ 19
│
Ïðèìåð óñëîâíîãî
îáîçíà÷åíèÿ ïðè çàêàçå ôèëüòðà òèïà ÔÊ, äëèíîé 100 ìì, øèðèíîé 100 ìì, êëàññà
ÏÎÐ 250, èç òåðìè÷åñêè è õèìè÷åñêè ñòîéêîãî ñòåêëà ãðóïïû ÒÕÑ:
Ôèëüòð
ÔÊ-100-100-ÏÎÐ 250 ÒÕÑ ÃÎÑÒ 25336-82
Òèï ÔÏ

×åðò. 77
Òàáëèöà 58
Ðàçìåðû â ìì
───────────┬─────────────┬───────────────┬────────────────────────
l
│ b │
s +/- 1 │ Äîïóñêàåìàÿ
───────────┴─────────────┤ │ ðàçíîòîëùèííîñòü
+/- 5 │ │
───────────┬─────────────┼───────────────┼────────────────────────
200
│ 100 │ 10
│ 2
───────────┼─────────────┼───────────────┼────────────────────────
250
│ 125 │
19 │ 4
Ïðèìåð óñëîâíîãî
îáîçíà÷åíèÿ ïðè çàêàçå ôèëüòðà òèïà ÔÏ, äëèíîé 200 ìì, øèðèíîé 100 ìì, êëàññà
ÏÎÐ 10, èç õèìè÷åñêè ñòîéêîãî ñòåêëà ãðóïïû ÕÑ:
Ôèëüòð
ÔÏ-200-100-ÏÎÐ 10 ÕÑ ÃÎÑÒ 25336-82
Òèï ÔÏÖ

--------------------------------
<*> Ðàçìåð
îáåñïå÷èâàåòñÿ èíñòðóìåíòîì.
×åðò. 78
Òàáëèöà 59
Ðàçìåðû â ìì
─────────────────────┬──────────────┬──────────────┬──────────────
D
│ l +/- 2
│ s +/- 1 │
R
────────┬────────────┤ │ │
Íîìèí. │Ïðåä. îòêë. │ │ │
────────┼────────────┼──────────────┼──────────────┼──────────────
28
│ +/- 1,5 │
40 │ 3,0
│ 13,0
────────┤
├──────────────┤
├──────────────
37
│ │ 70
│ │ 17,5
────────┼────────────┤
├──────────────┼──────────────
48
│ +/- 2,0 │ │ 4,0
│ 23,0
────────┤
├──────────────┼──────────────┼──────────────
57
│ │ 100
│ 5,5 │ 27,0
Ïðèìåð óñëîâíîãî
îáîçíà÷åíèÿ ïðè çàêàçå ôèëüòðà òèïà ÔÏÖ, äèàìåòðîì 48 ìì, êëàññà ÏÎÐ 40, èç
õèìè÷åñêè ñòîéêîãî ñòåêëà ãðóïïû ÕÑ:
Ôèëüòð ÔÏÖ-48-ÏÎÐ
40 ÕÑ ÃÎÑÒ 25336-82
Òèï ÔÏÊ

--------------------------------
<*> Ðàçìåð
îáåñïå÷èâàåòñÿ èíñòðóìåíòîì.
×åðò. 79
Òàáëèöà 60
Ðàçìåðû â ìì
──────────────────┬──────────────────┬──────────────────┬─────────
D │ l │ s │ R
──────┬───────────┼──────┬───────────┼──────┬───────────┤
Íîìèí.│Ïðåä.
îòêë.│Íîìèí.│Ïðåä. îòêë.│Íîìèí.│Ïðåä. îòêë.│
──────┼───────────┼──────┼───────────┼──────┼───────────┼─────────
28
│ +/- 2 │ 105
│ +/- 4 │
3 │ +/- 1
│ 9,5
──────┤
├──────┼───────────┤ │
├─────────
32
│ │ 80
│ +/- 3 │
│ │ 12,5
──────┤
├──────┼───────────┤ │
├─────────
36
│ │ 110 │
+/- 4 │ │ │ 15,0
──────┼───────────┼──────┼───────────┤ │
├─────────
38
│ +/- 3 │
90 │ +/- 3
│ │ │ 21,0
──────┤
├──────┼───────────┼──────┼───────────┼─────────
55
│ │ 150 │
+/- 5 │ 7
│ +/- 2 │
32,0
──────┤
├──────┼───────────┼──────┤ │
85
│ │ 240
│ +/- 8 │
9 │ │
Ïðèìåð óñëîâíîãî
îáîçíà÷åíèÿ ïðè çàêàçå ôèëüòðà òèïà ÔÏÊ, äèàìåòðîì 36 ìì, êëàññà ÏÎÐ 500, èç
òåðìè÷åñêè è õèìè÷åñêè ñòîéêîãî ñòåêëà ãðóïïû ÒÕÑ:
Ôèëüòð ÔÏÊ-36-ÏÎÐ
500 ÒÕÑ ÃÎÑÒ 25336-82
Òèï ÔÊÁ

--------------------------------
<*> Ðàçìåð
îáåñïå÷èâàåòñÿ èíñòðóìåíòîì.
×åðò. 80
Ïðèìåð óñëîâíîãî
îáîçíà÷åíèÿ ïðè çàêàçå ôèëüòðà òèïà ÔÊÁ, êëàññà ÏÎÐ 250, èç õèìè÷åñêè ñòîéêîãî
ñòåêëà ãðóïïû ÕÑ:
Ôèëüòð ÔÊÁ-ÏÎÐ 250
ÕÑ ÃÎÑÒ 25336-82
Òèï ÂÔ
Èñïîëíåíèå 1

Èñïîëíåíèå 2

Èñïîëíåíèå 3

--------------------------------
<*> Ðàçìåð
äëÿ ñïðàâîê.
×åðò. 81
Òàáëèöà 61
Ðàçìåðû â ìì
───────────┬───────────┬────┬───────────┬───────┬────────────┬─────────────
H
│ h │ D
│ D │d +/- 1│ s
│ Îáîçíà÷åíèå
│ │
│ 1 │ │ │ êîíóñîâ
────┬──────┼────┬──────┤ ├────┬──────┤
├────┬───────┤ âîðîíîê
Íî-
│Ïðåä. │Íî- │Ïðåä. │
│Íî- │Ïðåä. │
│Íî- │ Ïðåä. │èñïîëíåíèÿ 2
ìèí.│îòêë.
│ìèí.│îòêë. │
│ìèí.│îòêë. │
│ìèí.│ îòêë. │ïî ÃÎÑÒ 8682
────┼──────┼────┼──────┼────┼────┼──────┼───────┼────┼───────┼─────────────
100
│+/- 10│ 20 │+/- 2 │ 10 │ 13 │+/- 1
│ 6 │1,5 │+/- 0,3│ 14/23
────┤
├────┤
├────┼────┤
├───────┤ │ │
110
│ │ 30 │ │ 20 │ 24 │ │
7 │ │ │
────┤
├────┤
├────┼────┤
├───────┤ │ │
130
│ │ 40 │ │ 32 │ 37 │ │
9 │ │ │
────┤ │
│
├────┼────┼──────┤ │ │
├─────────────
140
│ │ │
│ 40 │ 46 │+/- 2 │ │ │ │ 19/26
────┤
├────┤
├────┼────┤
├───────┼────┤ │
180
│ │ 60 │ │ 60 │ 68 │ │
11 │2,0 │ │
────┼──────┼────┼──────┼────┼────┤
├───────┼────┼───────┼─────────────
220
│+/- 20│ 90 │+/- 3 │ 90 │101 │ │
13 │2,5 │+/-
0,5│ 29/32
────┤
├────┤
├────┼────┼──────┼───────┤ │ │
280
│ │140 │ │125 │140 │+/- 3
│ 15 │
│ │
────┤
├────┤
├────┼────┤
├───────┤ │ │
310
│ │160 │ │160 │177 │ │
17 │ │ │
Ïðèìå÷àíèå. Ôèëüòðû
äèàìåòðîì 60, 90, 125 è 160 ìì äîëæíû áûòü âûïóêëûìè.
Ïðèìåð óñëîâíîãî
îáîçíà÷åíèÿ ïðè çàêàçå âîðîíêè òèïà ÂÔ èñïîëíåíèÿ 1, äèàìåòðîì ôèëüòðà 32 ìì,
êëàññà ÏÎÐ 100, èç òåðìè÷åñêè è õèìè÷åñêè ñòîéêîãî ñòåêëà ãðóïïû ÒÕÑ:
Âîðîíêà ÂÔ-1-32-ÏÎÐ
100 ÒÕÑ ÃÎÑÒ 25336-82
Òî æå, âîðîíêè òèïà
ÂÔ èñïîëíåíèÿ 2, ñ äèàìåòðîì ôèëüòðà 60 ìì, êëàññà ÏÎÐ 250, ñ âçàèìîçàìåíÿåìûì
êîíóñîì 19/26, èç õèìè÷åñêè ñòîéêîãî ñòåêëà ãðóïïû ÕÑ:
Âîðîíêà ÂÔ-2-60-ÏÎÐ
250-19/26 ÕÑ ÃÎÑÒ 25336-82
Òèï ÂÔÎ

--------------------------------
<*> Ðàçìåðû
äëÿ ñïðàâîê.
×åðò. 82
Òàáëèöà 62
Ðàçìåðû â ìì
───────────┬──────────┬─────┬──────────┬───┬──┬────────────┬───┬───────────
H
│ h │
D │ D
│ d │d │
s │ l
│Îáîçíà÷åíèå
│ │ │
1 │ │ 1│ │ │êîíóñîâ ïî
────┬──────┼────┬─────┤
├────┬─────┼───┴──┼────┬───────┤ │ ÃÎÑÒ 8682
Íî-
│Ïðåä. │Íî- │Ïðåä.│
│Íî- │Ïðåä.│+/- 1 │Íî- │ Ïðåä.
│ │
ìèí.│îòêë.
│ìèí.│îòêë.│
│ìèí.│îòêë.│
│ìèí.│ îòêë. │
│
────┼──────┼────┼─────┼─────┼────┼─────┼───┬──┼────┼───────┼───┼───────────
90 │+/- 10│ 20 │+/-
2│ 10 │ 13 │+/-
1│ 6 │6 │1,5 │+/- 0,3│25 │ 14/23
────┤
├────┤
├─────┼────┤ ├───┤ │
│ │ │
115
│ │ 30 │ │
20 │ 24 │ │
7 │ │ │ │
│
────┤
├────┤
├─────┼────┤ │
│
├────┤ │
│
135
│ │ 40 │ │
32 │ 37 │ │ │
│2,0 │
│ │
────┤ │
│
├─────┼────┼─────┼───┼──┤ │ │
├───────────
145
│ │ │
│ 40 │ 46 │+/-
2│ 9 │7 │
│ │ │
19/26
────┤
├────┤
├─────┼────┤ ├───┤ │
│
├───┼───────────
200
│ │ 60 │ │
60 │ 68 │
│11 │ │ │ │30 │ 29/32
────┼──────┼────┼─────┼─────┼────┤
├───┼──┼────┼───────┤ │
240
│+/- 20│ 90 │+/- 3│
90 │101 │
│13 │9 │2,5 │+/- 0,5│ │
────┤
├────┤
├─────┼────┼─────┼───┤ │
│
├───┼───────────
340
│ │140 │ │ 125 │140 │+/-
3│15 │ │ │ │40 │ 45/40
────┤
├────┤
├─────┼────┤ ├───┤ │
│ │ │
370
│ │160 │ │ 160 │177 │ │17 │ │
│ │ │
Ïðèìå÷àíèå. Ôèëüòðû
äèàìåòðîì 60, 90, 125 è 160 ìì äîëæíû áûòü âûïóêëûìè.
Ïðèìåð óñëîâíîãî
îáîçíà÷åíèÿ ïðè çàêàçå âîðîíêè òèïà ÂÔÎ, ñ äèàìåòðîì ôèëüòðà 20 ìì, êëàññà ÏÎÐ
100, èç õèìè÷åñêè ñòîéêîãî ñòåêëà ãðóïïû ÕÑ:
Âîðîíêà ÂÔÎ-20-ÏÎÐ
100 ÕÑ ÃÎÑÒ 25336-82
Òèï ÂÔÎÒ

--------------------------------
<*> Ðàçìåð
îáåñïå÷èâàåòñÿ èíñòðóìåíòîì.
×åðò. 83
Òàáëèöà 63
Ðàçìåðû â ìì
────────────────────┬──────────────────────┬──────────────────────
h +/- 3 │ D │ d +/- 1
────────────────────┼──────────────────────┼──────────────────────
15 │ 10 │ 7
────────────────────┼──────────────────────┼──────────────────────
20 │ 20 │ 9
────────────────────┼──────────────────────┤
30 │ 32 │
────────────────────┼──────────────────────┤
50 │ 40 │
Ïðèìåð óñëîâíîãî
îáîçíà÷åíèÿ ïðè çàêàçå âîðîíêè òèïà ÂÔÎÒ ñ äèàìåòðîì ôèëüòðà 32 ìì, êëàññà ÏÎÐ
16, èç õèìè÷åñêè ñòîéêîãî ñòåêëà ãðóïïû ÕÑ:
Âîðîíêà ÂÔÎÒ-32-ÏÎÐ
16 ÕÑ ÃÎÑÒ 25336-82
Òèï ÒÔ

--------------------------------
<*> Ðàçìåð
äëÿ ñïðàâîê.
×åðò. 84
Òàáëèöà 64
Ðàçìåðû â ìì
───────────────┬─────────────────┬────────────────┬───────────────
H
│ h │ D
│ s +/- 0,3
───────────────┴─────────────────┤ │
+/- 2 │ │
───────────────┬─────────────────┼────────────────┼───────────────
40
│ 30 │ 10
│ 1,3
───────────────┼─────────────────┼────────────────┤
50
│ 40 │ 20
│
───────────────┼─────────────────┼────────────────┼───────────────
60
│ 50 │ 32
│ 1,5
───────────────┼─────────────────┼────────────────┤
70
│ 60 │ 40
│
Ïðèìå÷àíèå.
Äîïóñêàåòñÿ ïî çàêàçó ïîòðåáèòåëåé èçãîòîâëÿòü òèãëè ñ äâóìÿ îòâåðñòèÿìè
äèàìåòðîì (2,5 +/- 1,0) ìì.
Ïðèìåð óñëîâíîãî
îáîçíà÷åíèÿ ïðè çàêàçå òèãëÿ òèïà ÒÔ, äèàìåòðîì ôèëüòðà 40 ìì, êëàññà ÏÎÐ 40,
èç õèìè÷åñêè ñòîéêîãî ñòåêëà ãðóïïû ÕÑ:
Òèãåëü ÒÔ-40-ÏÎÐ 40
ÕÑ ÃÎÑÒ 25336-82
Òèï ÃÔÏ

Òèï ÃÔÈ

--------------------------------
<*> Ðàçìåðû
äëÿ ñïðàâîê. Ðàçìåð äèàìåòðà âûáèðàþò èç ðÿäà: 10; 20; 32; 40 ìì.
×åðò. 85
Óñëîâíîå
îáîçíà÷åíèå ïðè çàêàçå ãàçîïðîìûâàòåëÿ òèïà ÃÔÏ, äèàìåòðîì ôèëüòðà 10 ìì,
êëàññà ÏÎÐ 160, èç òåðìè÷åñêè è õèìè÷åñêè ñòîéêîãî ñòåêëà ãðóïïû ÒÕÑ:
Ãàçîïðîìûâàòåëü
ÃÔÏ-10-ÏÎÐ 160 ÒÕÑ ÃÎÑÒ 25336-82
Òî æå,
ãàçîïðîìûâàòåëÿ òèïà ÃÔÈ ñ äèàìåòðîì ôèëüòðà 32 ìì, êëàññà ÏÎÐ 100, èç
õèìè÷åñêè ñòîéêîãî ñòåêëà ãðóïïû ÕÑ:
Ãàçîïðîìûâàòåëü
ÃÔÈ-32-ÏÎÐ 100 ÕÑ ÃÎÑÒ 25336-82
Òèï ÔÃ

--------------------------------
<*> Ðàçìåð
äëÿ ñïðàâîê.
×åðò. 86
Òàáëèöà 65
ìì
─────────────────────────────────┬────────────────────────────────
l +/- 10 │ D
─────────────────────────────────┼────────────────────────────────
180 │ 32
─────────────────────────────────┼────────────────────────────────
210 │ 60
Ïðèìåð óñëîâíîãî
îáîçíà÷åíèÿ ïðè çàêàçå ôèëüòðà òèïà ÔÃ, äèàìåòðîì 60 ìì, êëàññà ÏÎÐ 100, èç
õèìè÷åñêè ñòîéêîãî ñòåêëà ãðóïïû ÕÑ:
Ôèëüòð ÔÃ-60-ÏÎÐ
100 ÕÑ ÃÎÑÒ 25336-82
2.4.4; 2.4.5.
(Èçìåíåííàÿ ðåäàêöèÿ, Èçì. N 1, 3).
2.4.6. Êîäû ÎÊÏ íà
ôèëüòðû è èçäåëèÿ ñ ôèëüòðàìè óêàçàíû â Ïðèëîæåíèè 12.
2.5. Êàïåëüíèöû
2.5.1. Êàïåëüíèöû
ïðåäíàçíà÷åíû äëÿ äîçèðîâêè èíäèêàòîðîâ è äðóãèõ ðàñòâîðîâ.
2.5.2. Êàïåëüíèöû
äîëæíû èçãîòîâëÿòüñÿ èñïîëíåíèé:
1 - ñ áàëëîíîì;
2 - ñ êîëïà÷êîì;
3 - ñ êëþâèêîì è
âçàèìîçàìåíÿåìûì êîíóñîì.
2.5.3. Íîìèíàëüíàÿ
âìåñòèìîñòü êàïåëüíèö èñïîëíåíèé 1 è 3 - 50 ìë.
Íîìèíàëüíàÿ
âìåñòèìîñòü â îáîçíà÷åíèè è íàèìåíîâàíèè êàïåëüíèö ÿâëÿåòñÿ óñëîâíîé.
2.5.4. Äèàìåòð
îñíîâàíèÿ êàïåëüíèö, îáåñïå÷èâàþùèé óñòîé÷èâîå ïîëîæåíèå èõ íà ãîðèçîíòàëüíîé
ïîâåðõíîñòè, äîëæåí áûòü íå ìåíåå 0,6 äèàìåòðà èçäåëèé.
2.5.5. Îñíîâíûå
ïàðàìåòðû è ðàçìåðû êàïåëüíèö äîëæíû ñîîòâåòñòâîâàòü óêàçàííûì íà ÷åðò. 87 - 89
è â òàáë. 66, 67.
Èñïîëíåíèå 1

--------------------------------
<*> Ðàçìåð
äëÿ ñïðàâîê.
1 - áàëëîí; 2 -
ïèïåòêà; 3 - êîëáà
×åðò. 87
Óñëîâíîå
îáîçíà÷åíèå ïðè çàêàçå êàïåëüíèöû èñïîëíåíèÿ 1, èç õèìè÷åñêè ñòîéêîãî ñòåêëà
ãðóïïû ÕÑ:
Êàïåëüíèöà 1 ÕÑ
25336-82
Èñïîëíåíèå 2

1 - êîëïà÷îê; 2 -
ïèïåòêà; 3 - êîëáà
×åðò. 88
Òàáëèöà 66
Ðàçìåðû â ìì
─────────────┬───────┬──────┬──────┬───────────────┬──────────────
Íîìèíàëüíàÿ │H +/- 5│ h
│ D │
d │ Îáîçíà÷åíèå
âìåñòèìîñòü,
│
├──────┴──────┼──────┬────────┤ êîíóñîâ
ñì3
│ │ +/- 3
│Íîìèí.│ Ïðåä.
│ ïî ÃÎÑÒ 8682
│ │ │ │ îòêë. │
─────────────┼───────┼──────┬──────┼──────┼────────┼──────────────
10
│ 60 │
45 │ 32
│ 0,9 │+/- 0,1
│ 10/13
─────────────┼───────┼──────┼──────┼──────┼────────┼──────────────
25
│ 70 │
55 │ 40
│ 1,3 │+/- 0,2
│ 14/15
─────────────┼───────┼──────┼──────┤ │ │
50
│ 80 │
65 │ 50
│ │ │
Ïðèìåð óñëîâíîãî
îáîçíà÷åíèÿ ïðè çàêàçå êàïåëüíèöû èñïîëíåíèÿ 2, íîìèíàëüíîé âìåñòèìîñòüþ 50
ñì3, èç õèìè÷åñêè ñòîéêîãî ñòåêëà ãðóïïû ÕÑ:
Êàïåëüíèöà 2-50 ÕÑ
ÃÎÑÒ 25336-82
Èñïîëíåíèå 3

Âàðèàíò èñïîëíåíèÿ
òóáóñà è ïðîáêè

--------------------------------
<*> Ðàçìåð
äëÿ ñïðàâîê.
1 - ñòåêëÿííàÿ
ïðîáêà; 2 - ïîëèýòèëåíîâàÿ ïðîáêà;
3 - êîëáà
×åðò. 89
Òàáëèöà 67
Ðàçìåðû â ìì
────────────┬─────────────┬───────────────────────────┬───────────
d
│ d │ l │ l +/- 2
│ 1
│ │ 1
────────────┴─────────────┼────────────┬──────────────┤
+/- 1 │ Íîìèí.
│ Ïðåä. îòêë. │
────────────┬─────────────┼────────────┼──────────────┼───────────
7,5
│ 15,00 │
11 │ +3
│ 14
────────────┼─────────────┼────────────┤ -1
├───────────
10,0
│ 16,00 │
13 │ │ 16
────────────┼─────────────┼────────────┼──────────────┼───────────
15,0
│ 17,5 │
14 │ +/- 2
│ 18
Ïðèìåð óñëîâíîãî
îáîçíà÷åíèÿ ïðè çàêàçå êàïåëüíèöû èñïîëíåíèÿ 3 ñ âçàèìîçàìåíÿåìûì êîíóñîì 7/11,
èç õèìè÷åñêè ñòîéêîãî ñòåêëà ãðóïïû ÕÑ:
Êàïåëüíèöà 3-7/11
ÕÑ ÃÎÑÒ 25336-82
Òî æå, êàïåëüíèöû
èñïîëíåíèÿ 3 ñî ñòåêëÿííîé ïðîáêîé, äèàìåòðîì òóáóñà 7,5 ìì, èç õèìè÷åñêè
ñòîéêîãî ñòåêëà ãðóïïû ÕÑ:
Êàïåëüíèöà 3Ñ-7,5
ÕÑ ÃÎÑÒ 25336-82
Òî æå, êàïåëüíèöû
èñïîëíåíèÿ 3 ñ ïîëèýòèëåíîâîé ïðîáêîé, äèàìåòðîì òóáóñà 15,0 ìì, èç õèìè÷åñêè
ñòîéêîãî ñòåêëà ãðóïïû ÕÑ:
Êàïåëüíèöà 3Ï-15,0
ÕÑ ÃÎÑÒ 25336-82
2.5.6. Êîäû ÎÊÏ íà
êàïåëüíèöû óêàçàíû â Ïðèëîæåíèè 13.
2.6. Ñïèðòîâêè
2.6.1. Ñïèðòîâêè
ïðåäíàçíà÷åíû äëÿ ïîäîãðåâà æèäêîñòåé è òâåðäûõ âåùåñòâ â ëàáîðàòîðíûõ è
êëèíè÷åñêèõ óñëîâèÿõ.
2.6.2. Ñïèðòîâêè
äîëæíû èçãîòîâëÿòüñÿ òèïîâ:
ÑË-1 - ñî
ñòåêëÿííûì êîëïà÷êîì;
ÑË-2 - ñ
ôåíîïëàñòîâûì êîëïà÷êîì è ïîäñòàâêîé.
2.6.3. Íîìèíàëüíàÿ
âìåñòèìîñòü ñïèðòîâîê - 100 ñì3.
Íîìèíàëüíàÿ
âìåñòèìîñòü â îáîçíà÷åíèè è íàèìåíîâàíèè ñïèðòîâîê ÿâëÿþòñÿ óñëîâíîé.
2.6.4. Îñíîâíûå
ðàçìåðû ñïèðòîâîê äîëæíû ñîîòâåòñòâîâàòü óêàçàííûì íà ÷åðò. 90, 91.
Òèï ÑË-1

--------------------------------
<*> Ðàçìåð
äëÿ ñïðàâîê.
1 - êîëïà÷îê; 2 -
âòóëêà; 3 - ôèòèëü; 4 - êîðïóñ
×åðò. 90
Óñëîâíîå
îáîçíà÷åíèå ïðè çàêàçå ñïèðòîâêè òèïà ÑË-1:
Ñïèðòîâêà ÑË-1 ÃÎÑÒ
25336-82
Òèï ÑË-2

--------------------------------
<*> Ðàçìåðû
äëÿ ñïðàâîê.
1 - êîëïà÷îê; 2 -
âòóëêà; 3 - ôèòèëü; 4 - ïîäñòàâêà;
5 - êîðïóñ
×åðò. 91
Óñëîâíîå
îáîçíà÷åíèå ïðè çàêàçå ñïèðòîâêè òèïà ÑË-2:
Ñïèðòîâêà ÑË-2 ÃÎÑÒ
25336-82
2.6.5. Êîäû ÎÊÏ íà
ñïèðòîâêè óêàçàíû â Ïðèëîæåíèè 14.
2.7. Ñêëÿíêè ñ
òóáóñîì
2.7.1. Ñêëÿíêè ñ
òóáóñîì ïðåäíàçíà÷åíû äëÿ îòáîðà è õðàíåíèÿ ðàñòâîðà è ãàçà.
2.7.2. Ñêëÿíêè
äîëæíû èçãîòîâëÿòüñÿ èñïîëíåíèé:
1 - ïîä ðåçèíîâóþ
ïðîáêó ñ êðàíîì;
2 - ñ
âçàèìîçàìåíÿåìûìè êîíóñàìè ñ êðàíîì;
3 - ïîä ðåçèíîâóþ
òðóáêó;
4 - ñ äâóìÿ
òóáóñàìè, âçàèìîçàìåíÿåìûìè êîíóñàìè è âîðîíêîé;
5 - ñ äâóìÿ
òóáóñàìè ïîä ðåçèíîâóþ ïðîáêó è âîðîíêîé.
2.7.3. Ñêëÿíêè
èñïîëíåíèé 4 è 5 äîëæíû èìåòü:
- íàèáîëüøèé âíóòðåííèé
äèàìåòð ãîðëîâèíû - (45 +/- 2) ìì;
- âûñîòó ãîðëîâèíû
- (48 +/- 5) ìì;
- äèàìåòð
ïðîõîäíîãî îòâåðñòèÿ ïðîáêè âîðîíêè - (4 +/- 0,5) ìì.
Ðàçìåðû ñêëÿíîê
èñïîëíåíèé 4 è 5, íå óêàçàííûå íà ÷åðòåæå, äîëæíû ñîîòâåòñòâîâàòü ðàçìåðàì
ñêëÿíîê èñïîëíåíèé 1 è 2.
2.7.4. Íîìèíàëüíàÿ
âìåñòèìîñòü ñêëÿíîê â îáîçíà÷åíèè è íàèìåíîâàíèè èçäåëèé ÿâëÿåòñÿ óñëîâíîé.
2.7.5. Îñíîâíûå
ïàðàìåòðû è ðàçìåðû ñêëÿíîê äîëæíû ñîîòâåòñòâîâàòü óêàçàííûì íà ÷åðò. 92 - 95 è
â òàáë. 68 - 71.
Èñïîëíåíèå 1

1 - ñêëÿíêà; 2 -
ïðîáêà ðåçèíîâàÿ; 3 - êðàí ïî ÃÎÑÒ 7995
×åðò. 92
Òàáëèöà 68
Ðàçìåðû â ìì
──────┬───────────┬──────────┬──────────┬──────────┬─────┬───┬───┬───┬────────────
Íîìè-
│ H │
h │ D
│ d │ d
│l, │l ,│s, │Îáîçíà÷åíèå
íàëü-
│ │ │ │ │ 1
│íå │ 1 │íå │êðàíà ïî
íàÿ
├────┬──────┼────┬─────┼────┬─────┼────┬─────┤+/-
1│ìå-│íå │ìå-│ÃÎÑÒ 7995
âìåñ-
│Íî- │Ïðåä. │Íî- │Ïðåä.│Íî-
│Ïðåä.│Íî- │Ïðåä.│
│íåå│ìå-│íåå│
òè- │ìèí.│îòêë.
│ìèí.│îòêë.│ìèí.│îòêë.│ìèí.│îòêë.│ │
│íåå│ │
ìîñòü,│ │
│ │ │
│ │ │
│ │ │
│ │
äì3
│ │
│ │ │
│ │ │
│ │ │
│ │
──────┼────┼──────┼────┼─────┼────┼─────┼────┼─────┼─────┼───┼───┼───┼────────────
0,3 │140 │+/- 5 │ 26
│+/- 2│ 72 │+/- 2│ 19 │+/- 1│ 19 │23 │77
│1,5│Ê1Õ-1-32-2,5
──────┼────┤ ├────┼─────┼────┤
├────┤ │
│ │ │
│
0,5 │165 │ │ 32 │+/- 3│ 85
│ │ 29 │ │
│ │ │
│
──────┼────┤ │
│ ├────┤ │
│ │ │
│ │ │
1,0 │195 │ │
│ │110 │ │
│ │ │
│ │ │
──────┼────┤ │
│ ├────┤ │
│ │ │
│ │ │
2,0 │230 │ │
│ │135 │ │
│ │ │
│ │ │
──────┼────┤ │
│ ├────┼─────┤ │
├─────┼───┼───┼───┼────────────
3,0 │260 │ │
│ │150 │+/- 5│ │
│ 29 │29 │73
│2,0│Ê1Õ-1-40-4,0
──────┼────┼──────┼────┼─────┼────┤
├────┼─────┤ │
│ │ │
5,0 │320 │+/- 8 │ 40
│+/- 5│180 │
│ 45 │+/- 2│
│ │ │
│
──────┼────┤ │
│ ├────┤ │
│ │ │
│ │ │
10,0 │380 │ │
│ │225 │ │
│ │ │
│ │ │
──────┼────┼──────┤ │
├────┤ │
│ │ │
│
├───┤
20,0 │540 │+/- 10│ │
│260 │ │ │
│ │ │
│2,5│
Ïðèìåð óñëîâíîãî
îáîçíà÷åíèÿ ïðè çàêàçå ñêëÿíêè èñïîëíåíèÿ 1, íîìèíàëüíîé âìåñòèìîñòüþ 0,5 äì3:
Ñêëÿíêà 1-0,5 ÃÎÑÒ
25336-82
Èñïîëíåíèå 2

1 - ñêëÿíêà; 2 -
ñêîáà êðåïëåíèÿ; 3 - ïðóæèíà;
4 - êðàí ïî ÃÎÑÒ
7995
×åðò. 93
Òàáëèöà 69
Ðàçìåðû â ìì
─────────┬─────────────┬─────────────┬──┬───┬─────────────────┬────────────
Íîìèíàëü-│ H
│ D │l │ s │ Îáîçíà÷åíèå
│Îáîçíà÷åíèå
íàÿ
âìåñ-│ │ │
│ │ êîíóñîâ
│ êðàíà
òèìîñòü,
│ │ │ │
│ ïî ÃÎÑÒ 8682 │ïî ÃÎÑÒ 7995
äì3
├──────┬──────┼──────┬──────┼──┴───┼─────────┬───────┤
│Íîìèí.│Ïðåä.
│Íîìèí.│Ïðåä. │
íå │ ìóôòû
│ ìóôòû │
│ │îòêë. │ │îòêë. │ìåíåå
│ãîðëîâèíû│òóáóñà │
│ │ │ │ │ │ │è êåðíà│
│ │ │ │ │ │ │ êðàíà │
─────────┼──────┼──────┼──────┼──────┼──┬───┼─────────┼───────┼────────────
0,5
│ 165 │+/- 5
│ 85 │+/- 2 │76│1,5│ 29/32
│ 19/26 │Ê1Õ-1-32-2,5
─────────┼──────┤
├──────┤ │
│ │ │ │
1,0
│ 195 │ │ 110 │
│ │ │ │ │
─────────┼──────┤
├──────┤ │
│ │ │ │
2,0
│ 230 │ │ 135 │
│ │ │ │ │
─────────┼──────┤
├──────┼──────┼──┼───┤
├───────┼────────────
3,0
│ 260 │ │ 150 │+/- 5 │85│2,0│ │ 29/32 │Ê1Õ-1-40-4,0
─────────┼──────┼──────┼──────┤ │
│
├─────────┤ │
5,0
│ 320 │+/- 8 │
180 │ │
│ │ 45/40
│ │
─────────┼──────┤
├──────┤ │
│ │ │ │
10,0
│ 380 │ │ 225 │
│ │ │ │ │
─────────┼──────┼──────┼──────┤ │
│ │ │ │
20,0
│ 540 │+/- 10│
260 │ │
│ │ │ │
Ïðèìåð óñëîâíîãî
îáîçíà÷åíèÿ ïðè çàêàçå ñêëÿíêè èñïîëíåíèÿ 2, íîìèíàëüíîé âìåñòèìîñòüþ 0,5 äì3:
Ñêëÿíêà 2-0,5 ÃÎÑÒ
25336-82
Èñïîëíåíèå 3

×åðò. 94
Òàáëèöà 70
Ðàçìåðû â ìì
────────────┬────────────┬───────────┬──────────┬───────────┬────────┬─────
Íîìèíàëüíàÿ
│ H │ h
│ D │
d │d
+/- 1│s, íå
âìåñòèìîñòü,├─────┬──────┼────┬──────┼────┬─────┼─────┬─────┤
1 │ìåíåå
äì3
│Íî- │Ïðåä.
│Íî- │Ïðåä. │Íî- │Ïðåä.│Íî- │Ïðåä.│ │
│ìèí. │îòêë.
│ìèí.│îòêë. │ìèí.│îòêë.│ìèí.
│îòêë.│ │
────────────┼─────┼──────┼────┼──────┼────┼─────┼─────┼─────┼────────┼─────
0,16
│ 95 │+/- 4 │
26 │+/- 2 │ 72 │+/- 2│ 19 │+/- 1│ 4
│ 1,5
────────────┼─────┼──────┤ │
│ │ │
│ │ │
0,30
│ 140 │+/- 5 │
│ │ │
│ │
│ │
────────────┼─────┤
├────┼──────┼────┤
├─────┤ │ │
0,50
│ 165 │ │
32 │+/- 3 │ 85 │
│ 29 │ │ │
────────────┼─────┤ │
│ │ │
│ │ │ │
0,80
│ 190 │ │ │
│ │ │
│ │ │
────────────┼─────┤ │
│
├────┤ │
│ │ │
1,00
│ 195 │
│ │ │110 │ │
│ │ │
────────────┼─────┤ │
│
├────┤ │
│ │ │
2,00
│ 230 │
│ │ │135 │ │
│ │ │
────────────┼─────┤ │
│
├────┼─────┤ │
│
├─────
3,00
│ 260 │
│ │ │150 │+/- 5│ │
│ │ 2,0
────────────┼─────┼──────┼────┼──────┼────┤
├─────┼─────┼────────┤
5,00
│ 320 │+/- 8 │ 48 │+/- 5 │180 │ │ 45
│+/- 2│ 5 │
────────────┼─────┤ │
│
├────┤ │
│ │ │
10,00
│ 380 │
│ │ │225 │ │
│ │ │
Ïðèìåð óñëîâíîãî
îáîçíà÷åíèÿ ïðè çàêàçå ñêëÿíêè èñïîëíåíèÿ 3, íîìèíàëüíîé âìåñòèìîñòüþ 0,5 äì3:
Ñêëÿíêà 3-0,50 ÃÎÑÒ
25336-82
Èñïîëíåíèå 4

Èñïîëíåíèå 5

--------------------------------
<*> Ðàçìåðû
äëÿ ñïðàâîê.
1 - âîðîíêà; 2 -
ïðîáêà ñòåêëÿííàÿ; 3 - ãàçîîòâîäíàÿ
òðóáêà ñ êðàíîì; 4
- ñêëÿíêà; 5 - ïåðåõîäíèê;
6 - êðàí íèæíåãî
òóáóñà òèïà Ê1Õ-1-40-4,0 ïî ÃÎÑÒ 7995;
7 - ïðîáêà
ðåçèíîâàÿ âåðõíåãî òóáóñà; 8 - ïðîáêà
ðåçèíîâàÿ íèæíåãî
òóáóñà; 9 - ïðóæèíà
×åðò. 95
Òàáëèöà 71
Ðàçìåðû â ìì
─────────┬─────┬────────┬─────────────┬───────┬────┬─────┬─────────────────
Íîìèíàëü-│ H
│h +/- 10│ D │d +/- 1│ L │s, íå│Îáîçíà÷åíèå êðàíà
íàÿ
âìåñ-│ │
├──────┬──────┤ │ │ìåíåå│ âåðõíåãî òóáóñà
òèìîñòü,
│ │ │Íîìèí.│Ïðåä. │ │ │
│ ïî ÃÎÑÒ 7995
äì3 │ │ │ │îòêë. │ │ │
│
─────────┼─────┼────────┼──────┼──────┼───────┼────┼─────┼─────────────────
3
│ 505 │ 120 │ 110
│+/- 5 │ 19 │205 │ 2,0 │Ê1Õ-1-32-2,5
─────────┼─────┼────────┼──────┤ │
├────┤ │
5
│ 595 │ 170 │ 140
│ │ │350 │ │
─────────┼─────┼────────┼──────┼──────┤
├────┤ │
10
│ 695 │ 220 │ 170
│+/- 10│
│395 │ │
─────────┼─────┼────────┼──────┤
├───────┼────┼─────┼─────────────────
20
│ 900 │ 270 │ 200
│ │ 29
│435 │ 2,5 │Ê1Õ-1-40-4,0
Ïðèìåð óñëîâíîãî
îáîçíà÷åíèÿ ïðè çàêàçå ñêëÿíêè èñïîëíåíèÿ 4, íîìèíàëüíîé âìåñòèìîñòüþ 10 äì3:
Ñêëÿíêà 4-10 ÃÎÑÒ
25336-82
(Èçìåíåííàÿ
ðåäàêöèÿ, Èçì. N 3, 4).
2.7.6. Êîäû ÎÊÏ íà
ñêëÿíêè óêàçàíû â Ïðèëîæåíèè 15.
2.8. Íàñîñ
âîäîñòðóéíûé
2.8.1. Âîäîñòðóéíûé
íàñîñ ïðåäíàçíà÷åí äëÿ ñîçäàíèÿ ïðåäåëüíîãî îñòàòî÷íîãî äàâëåíèÿ ïðè
ëàáîðàòîðíûõ ðàáîòàõ.
2.8.2. Îñíîâíûå
ïàðàìåòðû íàñîñà ïðè äàâëåíèè âîäû íå ìåíåå 2942 ãÏà (3 êãñ/ñì2) è òåìïåðàòóðå
(8 +/- 1) °C äîëæíû áûòü:
- ïðåäåëüíîå
îñòàòî÷íîå äàâëåíèå - íå áîëåå 13,3 ãÏà (10 ìì ðò. ñò.);
- âðåìÿ
óñòàíîâëåíèÿ ïðåäåëüíîãî îñòàòî÷íîãî äàâëåíèÿ â ñîñóäå íîìèíàëüíîé âìåñòèìîñòüþ
1000 ñì3 - íå áîëåå 6 ìèí.
2.8.3. Ïðåäåëüíîå
îñòàòî÷íîå äàâëåíèå ïðè òåìïåðàòóðå âîäû, îòëè÷íîé îò (8 +/- 1) °C, äîëæíî
ñîîòâåòñòâîâàòü óêàçàííîìó â Ïðèëîæåíèè 25 ïëþñ 3,33 ãÏà (2,5 ìì ðò. ñò.).
2.8.4. Çàçîð ìåæäó
ñîïëîì è äèôôóçîðîì - íå áîëåå 0,3 ìì.
2.8.5. Îñíîâíûå
ðàçìåðû íàñîñà äîëæíû ñîîòâåòñòâîâàòü óêàçàííûì íà ÷åðò. 96.
Íàñîñ âîäîñòðóéíûé

1 - ñîïëî; 2 -
äèôôóçîð; 3 - êîðïóñ
×åðò. 96
Óñëîâíîå
îáîçíà÷åíèå ïðè çàêàçå íàñîñà âîäîñòðóéíîãî:
Íàñîñ âîäîñòðóéíûé
ÃÎÑÒ 25336-82
2.8.6. Êîäû ÎÊÏ íà
âîäîñòðóéíûé íàñîñ óêàçàíû â Ïðèëîæåíèè 16.
2.9. Ýêñèêàòîðû
2.9.1. Ýêñèêàòîðû
ïðåäíàçíà÷åíû äëÿ âûñóøèâàíèÿ âåùåñòâ ïîä âàêóóìîì ïðè êîìíàòíîé òåìïåðàòóðå è
äëÿ õðàíåíèÿ ïðè ëàáîðàòîðíûõ ðàáîòàõ.
2.9.2. Ýêñèêàòîðû
äîëæíû èçãîòîâëÿòüñÿ èñïîëíåíèé:
1 - ñ êðàíîì;
2 - áåç êðàíà.
2.9.3. Ýêñèêàòîðû
èñïîëíåíèÿ 1 äîëæíû âûäåðæèâàòü â òå÷åíèå 1 ñóò ïðåäåëüíîå îñòàòî÷íîå äàâëåíèå
íå áîëåå 60 ãÏà (45 ìì ðò. ñò.).
2.9.4. Îñíîâíûå
ðàçìåðû ýêñèêàòîðîâ äîëæíû ñîîòâåòñòâîâàòü óêàçàííûì íà ÷åðò. 97 - 98 è â òàáë.
72.
Èñïîëíåíèå 1

Âàðèàíòû èñïîëíåíèÿ
êðûøêè

1 - êðàí âàêóóìíûé;
2 - êðûøêà; 3 - êîðïóñ; 4 - âñòàâêà
ïî ÃÎÑÒ 9147; 5 -
÷àøêà
×åðò. 97
Èñïîëíåíèå 2

Âàðèàíò èñïîëíåíèÿ
êðûøêè

1 - êðûøêà; 2 -
êîðïóñ; 3 - âñòàâêà ïî ÃÎÑÒ 9147;
4 - ÷àøêà
×åðò. 98
Òàáëèöà 72
Ðàçìåðû â ìì
────────┬────────┬────────┬────────┬───────────┬─────────────┬─────────────
D
+/- 4 │D +/- 2│d +/- 5
│ d , │H, íå ìåíåå│ h
│ h
│ 1 │ │ 1
│ │ │ 1
│ │ │íå
áîëåå├───────────┼──────┬──────┼──────┬──────
│ │ │ │Èñïîëíåíèå │Íîìèí.│Ïðåä.
│Íîìèí.│Ïðåä.
│ │ │
├─────┬─────┤ │îòêë. │ │îòêë.
│ │ │ │
1 │ 2
│ │ │ │
────────┼────────┼────────┼────────┼─────┼─────┼──────┼──────┼──────┼──────
136
│ 100 │
98 │ 78
│ 145 │ 135 │
60 │+/- 5 │ 40
│+/- 5
────────┼────────┼────────┼────────┼─────┼─────┼──────┤
├──────┤
180
│ 140 │
136 │ 105
│ 176 │ 163 │
78 │ │
42 │
────────┼────────┼────────┼────────┼─────┼─────┼──────┼──────┼──────┼──────
230
│ 190 │
185 │ 150
│ 238 │ 215 │ 105
│+/- 10│ 60 │+/- 10
────────┼────────┼────────┼────────┼─────┼─────┼──────┤
├──────┤
290
│ 250 │
244 │ 200
│ 280 │ 253 │ 110
│ │ 80 │
Ïðèìåð óñëîâíîãî
îáîçíà÷åíèÿ ïðè çàêàçå ýêñèêàòîðà èñïîëíåíèÿ 1, äèàìåòðîì êîðïóñà 100 ìì:
Ýêñèêàòîð 1-100
ÃÎÑÒ 25336-82
2.9.3; 2.9.4.
(Èçìåíåííàÿ ðåäàêöèÿ, Èçì. N 3).
2.9.5. Êîäû ÎÊÏ íà
ýêñèêàòîðû óêàçàíû â Ïðèëîæåíèè 17.
2.10. Íàñàäêè äëÿ
ýêñòðàãèðîâàíèÿ
2.10.1. Íàñàäêè
ïðåäíàçíà÷åíû äëÿ ýêñòðàãèðîâàíèÿ òâåðäûõ âåùåñòâ è âåùåñòâ èç ðàñòâîðîâ.
2.10.2. Íàñàäêè
äîëæíû èçãîòîâëÿòüñÿ òèïîâ:
ÍÝÒ - äëÿ
ýêñòðàãèðîâàíèÿ òâåðäûõ âåùåñòâ;
ÍÝÒÔ - äëÿ
ýêñòðàãèðîâàíèÿ òâåðäûõ âåùåñòâ ñ âïàÿííûì ôèëüòðîì íîìèíàëüíîé âìåñòèìîñòüþ
500 ñì3;
ÍÝÒÂ - äëÿ
ýêñòðàãèðîâàíèÿ òâåðäûõ âåùåñòâ ñ âñòàâíûì ñòåêëÿííûì âêëàäûøåì;
ÍÝÐ - äëÿ
ýêñòðàãèðîâàíèÿ âåùåñòâ èç ðàñòâîðîâ;
ÍÝÐÂ - äëÿ
ýêñòðàãèðîâàíèÿ âåùåñòâ èç ðàñòâîðîâ ñî ñòåêëÿííûìè âîðîíêàìè.
2.10.3. Íàñàäêè
òèïà ÍÝÒÂ äîëæíû èìåòü äâà âêëàäûøà îäèíàêîâîé íîìèíàëüíîé âìåñòèìîñòüþ.
2.10.4. Íàñàäêè
òèïà ÍÝÐÂ äîëæíû èìåòü øåñòü âîðîíîê.
2.10.5. Òîëùèíà
ñòåíêè íàñàäîê òèïîâ ÍÝÒ, ÍÝÒÔ è ÍÝÒÂ, èçãîòîâëåííûõ èç õèìè÷åñêè ñòîéêîãî
ñòåêëà, - íå ìåíåå 1,4 ìì, èç òåðìè÷åñêè ñòîéêîãî ñòåêëà - íå ìåíåå 1,5 ìì.
2.10.6. Íîìèíàëüíàÿ
âìåñòèìîñòü â îáîçíà÷åíèè è íàèìåíîâàíèè íàñàäîê ÿâëÿåòñÿ óñëîâíîé.
2.10.7. Îñíîâíûå
ðàçìåðû è ðàçìåðû íàñàäîê äîëæíû ñîîòâåòñòâîâàòü óêàçàííûì íà ÷åðò. 99 - 103 è
â òàáë. 73, 74.
Òèï ÍÝÒ

--------------------------------
<*> Ðàçìåðû
äëÿ ñïðàâîê.
×åðò. 99
Òàáëèöà 73
Ðàçìåðû â ìì
────────────┬────────┬───────┬───┬─────────┬────────┬─────────────
Íîìèíàëüíàÿ
│H +/- 10│h +/- 5│ D │d +/- 0,5│d +/- 1│ Îáîçíà÷åíèå
âìåñòèìîñòü,│ │ │
│ │ 1 │
êîíóñîâ
ñì3
│ │ │
│ │ │ïî ÃÎÑÒ 8682
│ │ │
│ │
├───────┬─────
│ │ │
│ │ │ìóôòû │êåðíà
────────────┼────────┼───────┼───┼─────────┼────────┼───────┼─────
100
│ 308 │
200 │ 33│ 5,5
│ 10 │ 29/32 │19/26
────────────┼────────┼───────┼───┤ │
├───────┼─────
150
│ 257 │
150 │ 50│ │ │ 45/40 │29/32
────────────┼────────┼───────┤ │
│ │ │
250
│ 347 │
235 │ │ │ │ │
────────────┼────────┼───────┤ ├─────────┼────────┤ │
500
│ 492 │
375 │ │
6,5 │ 14
│ │
────────────┼────────┼───────┼───┤ │ │ │
1000
│ 512 │
395 │ 70│ │ │ │
Ïðèìåð óñëîâíîãî
îáîçíà÷åíèÿ ïðè çàêàçå íàñàäêè òèïà ÍÝÒ, íîìèíàëüíîé âìåñòèìîñòüþ 100 ñì3, èç
òåðìè÷åñêè ñòîéêîãî ñòåêëà ãðóïïû ÒÑ:
Íàñàäêà ÍÝÒ-100 ÒÑ
ÃÎÑÒ 25336-82
Òèï ÍÝÒÔ

--------------------------------
<*> Ðàçìåð
äëÿ ñïðàâîê.
×åðò. 100
Óñëîâíîå
îáîçíà÷åíèå ïðè çàêàçå íàñàäêè òèïà ÍÝÒÔ, íîìèíàëüíîé âìåñòèìîñòüþ 500 ñì3, èç
òåðìè÷åñêè ñòîéêîãî ñòåêëà ãðóïïû ÒÑ:
Íàñàäêà ÍÝÒÔ-500 ÒÑ
ÃÎÑÒ 25336-82
Òèï ÍÝÒÂ

1 - íàñàäêà; 2 -
âêëàäûø
×åðò. 101
Òàáëèöà 74
Ðàçìåðû â ìì
─────────────┬───────────┬────────┬─────────┬─────────────────────
Íîìèíàëüíàÿ │ H +/- 10 │H
+/- 5│ h +/- 3 │ Îáîçíà÷åíèå êîíóñîâ
âìåñòèìîñòü │ │ 1 │ │ ïî ÃÎÑÒ 8682
âêëàäûøà,
ñì3│ │ │
├───────────┬─────────
│ │ │ │ ìóôòû
│ êåðíà
─────────────┼───────────┼────────┼─────────┼───────────┼─────────
25
│ 223 │
75 │ 50
│ 45/40 │
19/26
─────────────┼───────────┼────────┼─────────┤
├─────────
50
│ 217 │
120 │ 90
│ │
29/32
Ïðèìåð óñëîâíîãî
îáîçíà÷åíèÿ ïðè çàêàçå íàñàäêè òèïà ÍÝÒÂ, íîìèíàëüíîé âìåñòèìîñòüþ âêëàäûøà 25
ñì3, èç õèìè÷åñêè ñòîéêîãî ñòåêëà ãðóïïû ÕÑ:
Íàñàäêà ÍÝÒÂ-25 ÕÑ
ÃÎÑÒ 25336-82
Òèï ÍÝÐ

--------------------------------
<*> Ðàçìåð
äëÿ ñïðàâîê.
×åðò. 102
Óñëîâíîå
îáîçíà÷åíèå ïðè çàêàçå íàñàäêè òèïà ÍÝÐ èç òåðìè÷åñêè ñòîéêîãî ñòåêëà ãðóïïû
ÒÑ:
Íàñàäêà ÍÝÐ ÒÑ ÃÎÑÒ
25336-82
Òèï ÍÝÐÂ

--------------------------------
<*> Ðàçìåð
äëÿ ñïðàâîê. Äëèíó âîðîíêè âûáèðàþò èç ðÿäà: 300; 325; 355; 375; 400; 430 ìì.
1 - íàñàäêà; 2 -
âîðîíêà
×åðò. 103
Óñëîâíîå
îáîçíà÷åíèå ïðè çàêàçå íàñàäêè òèïà ÍÝРèç õèìè÷åñêè ñòîéêîãî ñòåêëà ãðóïïû
ÕÑ:
Íàñàäêà ÍÝÐÂ ÕÑ
ÃÎÑÒ 25336-82
(Èçìåíåííàÿ
ðåäàêöèÿ, Èçì. N 1).
2.10.8. Êîäû ÎÊÏ íà
íàñàäêè äëÿ ýêñòðàãèðîâàíèÿ óêàçàíû â Ïðèëîæåíèè 18.
2.11. Õîëîäèëüíèêè
2.11.1.
Õîëîäèëüíèêè ïðåäíàçíà÷åíû äëÿ îáìåíà òåïëà äâóõ ïîòîêîâ.
Õîëîäèëüíèêè
ïðèìåíÿþò äëÿ êîíäåíñàöèè ïàðà è îõëàæäåíèÿ âåùåñòâ.
2.11.2.
Õîëîäèëüíèêè äîëæíû èçãîòîâëÿòüñÿ òèïîâ:
ÕÏÒ - ñ ïðÿìîé
òðóáêîé;
ÕØ - øàðèêîâûå;
ÕÑÍ - ñïèðàëüíûå ñ
íàðóæíûì îõëàæäåíèåì;
ÕÑÂ - ñïèðàëüíûå ñ
âíóòðåííèì îõëàæäåíèåì;
ÕÑÂÎ - ñïèðàëüíûå ñ
âíóòðåííèì îõëàæäåíèåì îáðàòèìûå;
ÕÑÄ - ñïèðàëüíûå ñ
âíóòðåííèì è íàðóæíûì îõëàæäåíèåì äâóõñòåííûå;
ÕÏ - ïàëü÷èêîâûå.
2.11.3.
Õîëîäèëüíèêè, èçãîòîâëåííûå áåç âçàèìîçàìåíÿåìûõ êîíóñîâ, äîëæíû èìåòü ðàçìåðû
ñëèâíîé òðóáêè:
- äëèíà - íå ìåíåå
70 ìì;
- äèàìåòð - íå
ìåíåå 13 ìì.
Äëèíà âåðõíåé ÷àñòè
õîëîäèëüíèêà - íå áîëåå 65 ìì.
2.11.4. Íèæíÿÿ
÷àñòü õîëîäèëüíèêîâ, ïðåäíàçíà÷åííàÿ äëÿ ñòåêàíèÿ æèäêîñòè, äîëæíà áûòü
îáðåçàíà ïîä óãëîì íå áîëåå 60° ê öåíòðàëüíîé îñè, çàøëèôîâàíà èëè îïëàâëåíà.
2.11.5. Ðàçìåðû
îòâîäíûõ òðóáîê äîëæíû áûòü äëèíîé íå ìåíåå 20 ìì è äèàìåòðîì íå ìåíåå 8 ìì.
2.11.6. Îñíîâíûå
ðàçìåðû õîëîäèëüíèêîâ äîëæíû ñîîòâåòñòâîâàòü óêàçàííûì íà ÷åðò. 104 - 110 è â
òàáë. 75 - 79.
Òèï ÕÏÒ
Èñïîëíåíèå 1

Èñïîëíåíèå 2

Èñïîëíåíèå 3

×åðò. 104
Òàáëèöà 75
Ðàçìåðû â ìì
────────────┬──────────┬───────────┬──────────┬───────────────────
Èñïîëíåíèå │ D +/- 2 │d, íå ìåíåå│ l +/- 10
│ Îáîçíà÷åíèå
│ │ │ │ êîíóñîâ
│ │ │ │ ïî ÃÎÑÒ 8682
│ │ │
├─────────┬─────────
│ │ │ │ ìóôòû
│ êåðíà
────────────┼──────────┼───────────┼──────────┼─────────┼─────────
1
│ 22 │
1 │ 100
│ 14/23 │
14/23
│ │
├──────────┤ │
│ │ │ 200
│ │
│ │
├──────────┤ │
│ │ │ 300
│ │
├──────────┼───────────┼──────────┤ │
│ 27
│ 15 │
400 │ │
│ │
├──────────┤ │
│ │ │ 600
│ │
────────────┼──────────┼───────────┼──────────┤ ├─────────
2
│ 27 │
15 │ 400
│ │ 29/32
│ │
├──────────┤ │
│ │ │ 600
│ │
────────────┼──────────┼───────────┼──────────┼─────────┼─────────
3
│ 22 │
11 │ 300
│ - │
-
├──────────┼───────────┼──────────┤ │
│ 27
│ 15 │
400 │ │
Ïðèìåð óñëîâíîãî
îáîçíà÷åíèÿ ïðè çàêàçå õîëîäèëüíèêà òèïà ÕÏÒ èñïîëíåíèÿ 1, äëèíîé êîæóõà 100
ìì, âçàèìîçàìåíÿåìûì êîíóñîì êåðíà 14/23, èç õèìè÷åñêè ñòîéêîãî ñòåêëà ãðóïïû
ÕÑ:
Õîëîäèëüíèê
ÕÏÒ-1-100-14/23 ÕÑ ÃÎÑÒ 25336-82
Òèï ÕØ
Èñïîëíåíèå 1

Èñïîëíåíèå 2

Èñïîëíåíèå 3

×åðò. 105
Òàáëèöà 76
Ðàçìåðû â ìì
──────────┬────────────┬────────┬────────┬────────┬─────┬─────┬────────────
Èñïîëíåíèå│ D
│ d, │d
+/- 1│l +/- 10│ l , │×èñëî│Îáîçíà÷åíèå
├──────┬─────┤íå
ìåíåå│ 1 │ │
1 │øàðîâ│ êîíóñîâ ïî
│Íîìèí.│Ïðåä.│ │ │ │ íå │ │ ÃÎÑÒ 8682
│ │îòêë.│ │ │ │ìåíåå│
├──────┬─────
│ │ │ │ │ │ │
│ìóôòû │êåðíà
──────────┼──────┼─────┼────────┼────────┼────────┼─────┼─────┼──────┼─────
1
│ 22 │+/- 1│ 14
│ 8 │
100 │ 19 │
4 │14/23 │14/23
├──────┼─────┼────────┼────────┼────────┼─────┤ │ ├─────
│ 40
│+/- 2│ 28 │
14 │ 200
│ 42 │ │ │19/26
│ │ │ │ ├────────┤
├─────┤ ├─────
│ │ │ │ │
300 │ │
6 │ │29/32
│ │ │ │
├────────┤
├─────┤ │
│ │ │ │ │
400 │ │
8 │ │
──────────┤ │ │ │
├────────┤
├─────┤ ├─────
2
│ │ │ │ │
250 │ │
5 │ │45/40
──────────┼──────┼─────┼────────┼────────┼────────┼─────┼─────┼──────┼─────
3
│ 22 │+/- 1│ 14 │
8 │ 100
│ 19 │ 4
│ - │
-
├──────┼─────┼────────┼────────┼────────┼─────┤ │ │
│ 40
│+/- 2│ 28 │
14 │ 200
│ 42 │ │ │
│ │ │ │
├────────┤
├─────┤ │
│ │ │ │ │
300 │ │
6 │ │
│ │ │ │
├────────┤
├─────┤ │
│ │ │ │ │
400 │ │
8 │ │
Ïðèìåð óñëîâíîãî
îáîçíà÷åíèÿ ïðè çàêàçå õîëîäèëüíèêà òèïà ÕØ èñïîëíåíèÿ 1, äëèíîé êîæóõà 200 ìì,
âçàèìîçàìåíÿåìûì êîíóñîì êåðíà 19/26, èç õèìè÷åñêè ñòîéêîãî ñòåêëà ãðóïïû ÕÑ:
Õîëîäèëüíèê
ÕØ-1-200-19/26 ÕÑ ÃÎÑÒ 25336-82
Òèï ÕÑÍ

×åðò. 106
Òàáëèöà 77
Ðàçìåðû â ìì
─────────────────────────────────┬────────────────────────────────
l +/- 10 │ ×èñëî âèòêîâ ñïèðàëè
─────────────────────────────────┼────────────────────────────────
200 │ 10
─────────────────────────────────┼────────────────────────────────
300 │ 16
Ïðèìåð óñëîâíîãî îáîçíà÷åíèÿ
ïðè çàêàçå õîëîäèëüíèêà òèïà ÕÑÍ ñ 10 âèòêàìè ñïèðàëè, èç õèìè÷åñêè ñòîéêîãî
ñòåêëà ãðóïïû ÕÑ:
Õîëîäèëüíèê ÕÑÍ-10
ÕÑ ÃÎÑÒ 25336-82
Òèï ÕÑÂ

×åðò. 107
Óñëîâíîå
îáîçíà÷åíèå ïðè çàêàçå õîëîäèëüíèêà òèïà ÕÑ èç õèìè÷åñêè ñòîéêîãî ñòåêëà
ãðóïïû ÕÑ:
Õîëîäèëüíèê ÕÑÂ ÕÑ
ÃÎÑÒ 25336-82
Òèï ÕÑÂÎ

×åðò. 108
Òàáëèöà 78
Ðàçìåðû
â ìì
─────────┬─────────────────────┬──────────────────────────────────
l
+/- 10 │×èñëî âèòêîâ ñïèðàëè │ Îáîçíà÷åíèå êîíóñîâ ïî ÃÎÑÒ 8682
─────────┼─────────────────────┼──────────────────────────────────
200
│ 10 │ 14/23
│
├──────────────────────────────────
│ │ 19/26
─────────┼─────────────────────┼──────────────────────────────────
300
│ 16
│ 19/26
│
├──────────────────────────────────
│ │ 29/32
Ïðèìåð óñëîâíîãî
îáîçíà÷åíèÿ ïðè çàêàçå õîëîäèëüíèêà òèïà ÕÑÂÎ ñ 10 âèòêàìè ñïèðàëè, ñ
âçàèìîçàìåíÿåìûì êîíóñîì 14/23, èç õèìè÷åñêè ñòîéêîãî ñòåêëà ãðóïïû ÕÑ:
Õîëîäèëüíèê
ÕÑÂÎ-10-14/23 ÕÑ ÃÎÑÒ 25336-82
Òèï ÕÑÄ

×åðò. 109
Òàáëèöà 79
Ðàçìåðû â ìì
────────────┬────────────┬────────────┬────────┬───┬───┬───────┬───────────
D
│ D │ d
│d +/- 1│ l
│l │ ×èñëî
│Îáîçíà÷åíèå
│ 1
│ │ 1 │
│ 1 │âèòêîâ │êîíóñîâ ïî
──────┬─────┼──────┬─────┼──────┬─────┤
├───┴───┤ñïèðàëè│
ÃÎÑÒ 8682
Íîìèí.│Ïðåä.│Íîìèí.│Ïðåä.│Íîìèí.│Ïðåä.│ │ +/- 10│
├─────┬─────
│îòêë.│ │îòêë.│ │îòêë.│ │ │ │ìóôòû│êåðíà
──────┼─────┼──────┼─────┼──────┼─────┼────────┼───┬───┼───────┼─────┼─────
32
│+/- 1│ 22 │+/- 1│ 16
│+/- 1│ 4 │130│100│ 9 │14/23│19/26
──────┼─────┼──────┼─────┼──────┼─────┼────────┼───┼───┼───────┤ ├─────
54
│+/- 2│ 40 │+/- 2│ 30
│+/- 2│ 7 │240│200│ 15 │ │29/32
│
│ │ │ │ │
├───┼───┼───────┤ │
│ │ │ │ │ │ │340│300│ 22
│ │
Ïðèìåð óñëîâíîãî
îáîçíà÷åíèÿ ïðè çàêàçå õîëîäèëüíèêà òèïà ÕÑÄ, ñ 15 âèòêàìè ñïèðàëè, èç
õèìè÷åñêè ñòîéêîãî ñòåêëà ãðóïïû ÕÑ:
Õîëîäèëüíèê ÕÑÄ-15
ÕÑ ÃÎÑÒ 25336-82
Òèï ÕÏ

--------------------------------
<*> Ðàçìåð
äëÿ ñïðàâîê.
×åðò. 110
Óñëîâíîå
îáîçíà÷åíèå ïðè çàêàçå õîëîäèëüíèêà òèïà ÕÏ èç õèìè÷åñêè ñòîéêîãî ñòåêëà ãðóïïû
ÕÑ:
Õîëîäèëüíèê ÕÏ ÕÑ
ÃÎÑÒ 25336-82
(Èçìåíåííàÿ
ðåäàêöèÿ, Èçì. N 1, 3).
2.11.7. Êîäû ÎÊÏ íà
õîëîäèëüíèêè óêàçàíû â Ïðèëîæåíèè 19.
2.12. Äåôëåãìàòîð
2.12.1. Äåôëåãìàòîð
ïðåäíàçíà÷åí äëÿ ïåðåãîíêè æèäêîñòåé.
2.12.2. Äåôëåãìàòîð
äîëæåí èìåòü ïî îêðóæíîñòè ÷åðåäóþùèåñÿ â øàõìàòíîì ïîðÿäêå ÷åòûðå êîíóñíûõ
íàêîëà â ðÿäó, ðàñïîëîæåííûå íàêëîííî ê îñè ïîä óãëîì íå ìåíåå 30°.
2.12.3. Îñíîâíûå
ðàçìåðû äåôëåãìàòîðà äîëæíû ñîîòâåòñòâîâàòü óêàçàííûì íà ÷åðò. 111 è â òàáë.
80.

--------------------------------
<*> Ðàçìåð
äëÿ ñïðàâîê.
×åðò. 111
Òàáëèöà 80
Ðàçìåðû â ìì
────────────────┬───────────────┬─────────────────────────────────
h +/- 10
│ d │Îáîçíà÷åíèå êîíóñîâ ïî ÃÎÑÒ 8682
│
├────────────────┬────────────────
│ │ ìóôòû
│ êåðíà
────────────────┼───────────────┼────────────────┼────────────────
100
│ 14 │ 14/23
│ 14/23
────────────────┼───────────────┤
├────────────────
150
│ 15 │ │ 19/26
────────────────┼───────────────┤ ├────────────────
200
│ 14 │ │ 14/23
├───────────────┼────────────────┼────────────────
│ 15
│ 19/26 │ 19/26
────────────────┼───────────────┼────────────────┤
250
│ 15 │ 14/23
│
├───────────────┼────────────────┼────────────────
│ 17
│ 19/26 │ 29/32
────────────────┼───────────────┤
├────────────────
300
│ 15 │ │ 19/26
────────────────┼───────────────┤
├────────────────
350
│ 17 │ │ 29/32
Ïðèìåð óñëîâíîãî
îáîçíà÷åíèÿ ïðè çàêàçå äåôëåãìàòîðà âûñîòîé íàêîëîâ 250 ìì, âçàèìîçàìåíÿåìûìè
êîíóñàìè ìóôòû 19/26 è êåðíà 29/32, èç òåðìè÷åñêè ñòîéêîãî ñòåêëà ãðóïïû ÒÑ:
Äåôëåãìàòîð
250-19/26-29/32 ÒÑ ÃÎÑÒ 25336-82
(Èçìåíåííàÿ
ðåäàêöèÿ, Èçì. N 1).
2.12.4. Êîäû ÎÊÏ íà
äåôëåãìàòîð óêàçàíû â Ïðèëîæåíèè 20.
2.13. Êàïëåóëîâèòåëè
2.13.1.
Êàïëåóëîâèòåëè ïðåäíàçíà÷åíû äëÿ ëàáîðàòîðíûõ ðàáîò.
2.13.2.
Êàïëåóëîâèòåëè äîëæíû èçãîòîâëÿòüñÿ èñïîëíåíèé:
ÊÏ-14/23 - ïðÿìîé ñ
âçàèìîçàìåíÿåìûìè êîíóñàìè;
ÊÎ-14/23-60 - ñ
îòâîäíîé òðóáêîé ïîä óãëîì 60° ñ âçàèìîçàìåíÿåìûìè êîíóñàìè;
ÊÎ-60 - ñ îòâîäíîé
òðóáêîé ïîä óãëîì 60° áåç âçàèìîçàìåíÿåìûõ êîíóñîâ;
ÊÎ-14/23-100 - ñ
îòâîäíîé òðóáêîé ïîä óãëîì 100° ñ âçàèìîçàìåíÿåìûìè êîíóñàìè;
ÊÎ-100 - ñ îòâîäíîé
òðóáêîé ïîä óãëîì 100° áåç âçàèìîçàìåíÿåìûõ êîíóñîâ.
Äîïóñêàåòñÿ ïî
çàêàçó ïîòðåáèòåëåé èçãîòîâëÿòü êàïëåóëîâèòåëè ñ îòâîäíîé òðóáêîé ïîä óãëîì
90°.
2.13.3. Íèæíÿÿ
÷àñòü êàïëåóëîâèòåëåé, èñïîëíåíèé ÊÎ-60 è ÊÎ-100, ïðåäíàçíà÷åííàÿ äëÿ ñòåêàíèÿ
æèäêîñòè, äîëæíà áûòü îáðåçàíà ïîä óãëîì íå áîëåå 60° ê öåíòðàëüíîé îñè,
çàøëèôîâàíà èëè îïëàâëåíà.
(Èçìåíåííàÿ
ðåäàêöèÿ, Èçì. N 1).
2.13.4. Îñíîâíûå
ðàçìåðû êàïëåóëîâèòåëåé äîëæíû ñîîòâåòñòâîâàòü óêàçàííûì íà ÷åðò. 112 - 116.
Èñïîëíåíèå ÊÏ-14/23

--------------------------------
<*> Ðàçìåð
äëÿ ñïðàâîê.
×åðò. 112
Óñëîâíîå
îáîçíà÷åíèå ïðè çàêàçå êàïëåóëîâèòåëÿ èñïîëíåíèÿ ÊÏ-14/23, èç õèìè÷åñêè
ñòîéêîãî ñòåêëà ãðóïïû ÕÑ:
Êàïëåóëîâèòåëü
ÊÏ-14/23 ÕÑ ÃÎÑÒ 25336-82
Èñïîëíåíèå
ÊÎ-14/23-60

--------------------------------
<*> Ðàçìåðû
äëÿ ñïðàâîê.
×åðò. 113
Óñëîâíîå
îáîçíà÷åíèå ïðè çàêàçå êàïëåóëîâèòåëÿ èñïîëíåíèÿ ÊÎ-14/23-60, èç õèìè÷åñêè
ñòîéêîãî ñòåêëà ãðóïïû ÕÑ:
Êàïëåóëîâèòåëü
ÊÎ-14/23-60 ÕÑ ÃÎÑÒ 25336-82
Èñïîëíåíèå ÊÎ-60

--------------------------------
<*> Ðàçìåðû
äëÿ ñïðàâîê.
×åðò. 114
Óñëîâíîå
îáîçíà÷åíèå ïðè çàêàçå êàïëåóëîâèòåëÿ èñïîëíåíèÿ ÊÎ-60, èç õèìè÷åñêè ñòîéêîãî
ñòåêëà ãðóïïû ÕÑ:
Êàïëåóëîâèòåëü
ÊÎ-60 ÕÑ ÃÎÑÒ 25336-82
Èñïîëíåíèå
ÊÎ-14/23-100

--------------------------------
<*> Ðàçìåðû
äëÿ ñïðàâîê.
×åðò. 115
Óñëîâíîå
îáîçíà÷åíèå ïðè çàêàçå êàïëåóëîâèòåëÿ èñïîëíåíèÿ ÊÎ-14/23-100, èç õèìè÷åñêè
ñòîéêîãî ñòåêëà ãðóïïû ÕÑ:
Êàïëåóëîâèòåëü ÊÎ-14/23-100
ÕÑ ÃÎÑÒ 25336-82
Èñïîëíåíèå ÊÎ-100

--------------------------------
<*> Ðàçìåðû
äëÿ ñïðàâîê.
×åðò. 116
Óñëîâíîå
îáîçíà÷åíèå ïðè çàêàçå êàïëåóëîâèòåëÿ èñïîëíåíèÿ ÊÎ-100, èç õèìè÷åñêè ñòîéêîãî
ñòåêëà ãðóïïû ÕÑ:
Êàïëåóëîâèòåëü
ÊÎ-100 ÕÑ ÃÎÑÒ 25336-82
2.13.5. Êîäû ÎÊÏ íà
êàïëåóëîâèòåëè óêàçàíû â Ïðèëîæåíèè 21.
2.14. Ñêëÿíêè äëÿ
ïðîìûâàíèÿ ãàçîâ
2.14.1. Ñêëÿíêè
ïðåäíàçíà÷åíû äëÿ ïðîìûâàíèÿ è î÷èñòêè ãàçîâ.
2.14.2. Ñêëÿíêè
äîëæíû èçãîòîâëÿòüñÿ òèïîâ:
ÑÍ - ñ íàñàäêîé;
ÑÂÏ - ñ âïàÿííîé
òðóáêîé;
ÑÏÆ - ñ âíóòðåííåé
ïåðåãîðîäêîé äëÿ æèäêèõ ïðîìûâàòåëåé;
ÑÏÒ - ñ âíóòðåííåé
ïåðåãîðîäêîé äëÿ òâåðäûõ ïðîìûâàòåëåé;
Ñ2Ã - ñ äâóìÿ
ãîðëîâèíàìè;
Ñ3Ã - ñ òðåìÿ
ãîðëîâèíàìè.
2.14.3. Íîìèíàëüíàÿ
âìåñòèìîñòü â íàèìåíîâàíèè è îáîçíà÷åíèè ñêëÿíîê ÿâëÿåòñÿ óñëîâíîé.
2.14.4. Îñíîâíûå
ïàðàìåòðû è ðàçìåðû ñêëÿíîê äîëæíû ñîîòâåòñòâîâàòü óêàçàííûì íà ÷åðò. 117 - 123
è â òàáë. 81 - 84.
Òèï ÑÍ
Èñïîëíåíèå 1

--------------------------------
<*> Ðàçìåð
äëÿ ñïðàâîê.
1 - íàñàäêà; 2 -
ñîñóä
×åðò. 117
Òàáëèöà 81
Ðàçìåðû â ìì
────────────┬───┬────┬───┬───────┬────────┬────────┬───────────────┬───────
Íîìèíàëüíàÿ
│ H │ h │ l │d
+/- 1│d +/- 2│d +/- 3│ ×èñëî
│Îáîçíà-
âìåñòèìîñòü,│
├────┴───┤ │ 1 │ 2 │
îòâåðñòèé, │÷åíèå
ñì3
│ │ +/- 5 │
│ │
│ íå ìåíåå │êîíóñîâ
│ │ │ │ │
├──────┬────────┤ïî
ÃÎÑÒ
│ │ │ │ │ │
íà │ íà
│8682
│ │ │ │ │ │òðóáêå│ïëàñòèíå│
────────────┼───┼────┬───┼───────┼────────┼────────┼──────┼────────┼───────
25
│135│ 95 │20 │
6 │ 10
│ 30 │
15 │ 5
│ 19/25
────────────┼───┼────┼───┤ ├────────┼────────┼──────┼────────┼───────
100
│215│175 │35 │ │
15 │ 40
│ 20 │
8 │ 29/32
────────────┼───┼────┤
├───────┼────────┼────────┼──────┼────────┤
200
│230│180 │
│ 10 │
20 │ 50
│ 30 │
10 │
────────────┤ │
│ │ │
├────────┤ │ │
500
│ │ │
│ │ │ 75
│ │ │
Ïðèìåð óñëîâíîãî
îáîçíà÷åíèÿ ïðè çàêàçå ñêëÿíêè òèïà ÑÍ èñïîëíåíèÿ 1, íîìèíàëüíîé âìåñòèìîñòüþ
25 ñì3:
Ñêëÿíêà ÑÍ-1-25
ÃÎÑÒ 25336-82
Òèï ÑÍ
Èñïîëíåíèå 2

--------------------------------
<*> Ðàçìåð
äëÿ ñïðàâîê.
1 - íàñàäêà; 2 -
ñîñóä
×åðò. 118
Óñëîâíîå
îáîçíà÷åíèå ïðè çàêàçå ñêëÿíêè òèïà ÑÍ èñïîëíåíèÿ 2:
Ñêëÿíêà ÑÍ-2 ÃÎÑÒ
25336-82
Òèï ÑÂÒ

×åðò. 119
Óñëîâíîå
îáîçíà÷åíèå ïðè çàêàçå ñêëÿíêè òèïà ÑÂÒ:
Ñêëÿíêà ÑÂÒ ÃÎÑÒ
25336-82
Òèï ÑÏÆ

--------------------------------
<*> Ðàçìåð
äëÿ ñïðàâîê.
1 - ñêëÿíêà; 2 -
ïðîáêà
×åðò. 120
Òàáëèöà 82
Ðàçìåðû â ìì
────────────────┬────────────┬───────────┬────────────┬───────────
Íîìèíàëüíàÿ
│ H +/- 5 │
l │ D +/- 2
│ D +/- 3
âìåñòèìîñòü,
ñì3│ │ │ │ 1
────────────────┼────────────┼───────────┼────────────┼───────────
50
│ 70 │
25 │ 45
│ 60
────────────────┼────────────┼───────────┼────────────┼───────────
250
│ 120 │
35 │ 65
│ 90
Ïðèìåð óñëîâíîãî
îáîçíà÷åíèÿ ïðè çàêàçå ñêëÿíêè èñïîëíåíèÿ ÑÏÆ íîìèíàëüíîé âìåñòèìîñòüþ 250 ñì3:
Ñêëÿíêà ÑÏÆ-250
ÃÎÑÒ 25336-82
Òèï ÑÏÒ

--------------------------------
<*> Ðàçìåð
äëÿ ñïðàâîê.
1 - ñêëÿíêà; 2 -
ïðîáêà
×åðò. 121
Óñëîâíîå
îáîçíà÷åíèå ïðè çàêàçå ñêëÿíêè òèïà ÑÏÒ:
Ñêëÿíêà ÑÏÒ ÃÎÑÒ
25336-82
Òèï Ñ21
Èñïîëíåíèå 1

Èñïîëíåíèå 2

×åðò. 122
Òàáëèöà 83
Ðàçìåðû â ìì
────────────┬───────┬──────┬─────┬───────┬───────┬───────┬────────
Íîìèíàëüíàÿ
│h +/- 5│ h │ h
│A +/- 5│D +/- 2│d +/- 1│ s,
âìåñòèìîñòü,│ │
1 │ 2
│ │ │ │íå ìåíåå
äì3
│
├──────┴─────┤ │ │ │
│ │
+/- 3 │ │ │ │
────────────┼───────┼──────┬─────┼───────┼───────┼───────┼────────
0,5
│ 130 │
22 │ 23 │
15 │ 85
│ 14,5 │ 1,5
────────────┼───────┤
├─────┼───────┼───────┼───────┤
1,0
│ 160 │
│ 26 │ 30
│ 110 │ 18,5
│
────────────┼───────┼──────┼─────┼───────┼───────┼───────┼────────
5,0
│ 270 │
25 │ 32 │
36 │ 180
│ 29,2 │ 2,0
Ïðèìåð óñëîâíîãî
îáîçíà÷åíèÿ ïðè çàêàçå ñêëÿíêè òèïà Ñ2à èñïîëíåíèÿ 1 íîìèíàëüíîé âìåñòèìîñòüþ
0,5 äì3:
Ñêëÿíêà Ñ2Ã-1-0,5
ÃÎÑÒ 25336-82
Òèï Ñ3Ã
Èñïîëíåíèå 1

1 - ñêëÿíêà; 2 -
ïðîáêà
Èñïîëíåíèå 2

×åðò. 123
Òàáëèöà 84
Ðàçìåðû â ìì
────────────┬────────┬───┬────┬───────┬───────┬───────┬────────┬───────────
Íîìèíàëüíàÿ
│h +/- 5 │ h │ h
│A +/- 5│D +/- 2│d +/- 1│ s,
│Îáîçíà÷åíèå
âìåñòèìîñòü,│ │
1│ 2 │ │
│ │íå
ìåíåå│êîíóñîâ ïî
äì3
│
├───┴────┤ │ │ │ │ ÃÎÑÒ 8682
│ │ +/- 3 │
│ │ │ │
────────────┼────────┼───┬────┼───────┼───────┼───────┼────────┼───────────
0,5
│ 130 │22 │ 23 │ 15
│ 85 │ 14,5
│ 1,5 │
29/32
────────────┼────────┤
├────┼───────┼───────┼───────┤ │
1,0
│ 160 │
│ 26 │ 30 │
110 │ 18,8 │
│
────────────┼────────┼───┼────┼───────┼───────┼───────┼────────┼───────────
5,0
│ 270 │25 │ 32 │ 35
│ 180 │ 290,2 │ 2,0
│ 34/35
Ïðèìåð óñëîâíîãî
îáîçíà÷åíèÿ ïðè çàêàçå ñêëÿíêè òèïà Ñ3à èñïîëíåíèÿ 2, íîìèíàëüíîé âìåñòèìîñòüþ
0,5 äì3:
Ñêëÿíêà Ñ3Ã-2-0,5
ÃÎÑÒ 25336-82
(Èçìåíåííàÿ
ðåäàêöèÿ, Èçì. N 3).
2.14.5. Êîäû ÎÊÏ íà
ñêëÿíêè óêàçàíû â Ïðèëîæåíèè 22.
2.15. Ïðèáîðû äëÿ
ïîãëîùåíèÿ ãàçîâ è ïàðîâ âîäû
2.15.1. Ïðèáîðû
ïðåäíàçíà÷åíû äëÿ ïîãëîùåíèÿ ãàçîâ è ïàðîâ âîäû.
Ïðèáîðû ïðèìåíÿþòñÿ
ïðè îïðåäåëåíèè ñîäåðæàíèÿ óãëåðîäà, âîäîðîäà è äâóîêèñè óãëåðîäà êàðáîíàòîâ â
áóðûõ è êàìåííûõ óãëÿõ, àíòðàöèòàõ, ãîðþ÷èõ ñëàíöàõ è â òîðôå.
2.15.2. Ïðèáîðû
äîëæíû èçãîòîâëÿòüñÿ òèïîâ:
ÏÑ - ñïèðàëüíûé;
ÏÃ - ãðóøåâèäíûé.
2.15.3. Çàçîð ìåæäó
âõîäÿùåé òðóáêîé è äíîì ïîãëîòèòåëüíîãî ñîñóäà ïðèáîðà òèïà ÏÃ - íå áîëåå 3 ìì.
2.15.4. Îñíîâíûå
ðàçìåðû ïðèáîðîâ äîëæíû ñîîòâåòñòâîâàòü óêàçàííûì íà ÷åðò. 124, 125.
Òèï ÏÑ

--------------------------------
<*> Ðàçìåðû
îáåñïå÷èâàþòñÿ èíñòðóìåíòîì.
×åðò. 124
Óñëîâíîå
îáîçíà÷åíèå ïðè çàêàçå ïðèáîðà òèïà ÏÑ:
Ïðèáîð ÏÑ ÃÎÑÒ
25336-82
Òèï ÏÃ

--------------------------------
<*> Ðàçìåðû
îáåñïå÷èâàþòñÿ èíñòðóìåíòîì.
×åðò. 125
Óñëîâíîå
îáîçíà÷åíèå ïðè çàêàçå ïðèáîðà òèïà ÏÃ:
Ïðèáîð ÏÃ ÃÎÑÒ
25336-82
2.15.5. Êîäû ÎÊÏ íà
ïðèáîðû óêàçàíû â Ïðèëîæåíèè 23.
2.16. Àïïàðàò äëÿ
ïîëó÷åíèÿ ãàçà
2.16.1. Àïïàðàò
ïðåäíàçíà÷åí äëÿ ïîëó÷åíèÿ ãàçà â ëàáîðàòîðíûõ óñëîâèÿõ.
2.16.2. Íîìèíàëüíàÿ
âìåñòèìîñòü ïî øàðó ðåàêòîðà â íàèìåíîâàíèè è îáîçíà÷åíèè àïïàðàòà ÿâëÿåòñÿ
óñëîâíîé.
2.16.3. Îñíîâíûå
ïàðàìåòðû è ðàçìåðû àïïàðàòà äîëæíû ñîîòâåòñòâîâàòü óêàçàííûì íà ÷åðò. 126 è â
òàáë. 85.

--------------------------------
<*> Ðàçìåðû
äëÿ ñïðàâîê.
1 - âîðîíêà; 2 -
òðóáêà îòâîäíàÿ ñ êðàíîì;
3 - ïðîáêà
ðåçèíîâàÿ; 4 - ðåàêòîð; 5 - âêëàäûø;
6 - ïðîáêà
ñòåêëÿííàÿ; 7 - ñêîáà êðåïëåíèÿ; 8 - ïðóæèíà
×åðò. 126
Òàáëèöà 85
Ðàçìåðû â ìì
──────────────────┬─────────┬────────┬─────────┬─────────┬────────
Íîìèíàëüíàÿ │
H │ h
│ D │
d │s +/- 1
âìåñòèìîñòü ïî │ │
├─────────┴─────────┤
øàðó
ðåàêòîðà, ñì3│ │ │ +/- 10 │
──────────────────┼─────────┼────────┼─────────┬─────────┼────────
500 │
400 │ 245
│ 150 │
110 │ 4
──────────────────┼─────────┼────────┼─────────┼─────────┤
1000 │
480 │ 295
│ 180 │
140 │
──────────────────┼─────────┼────────┼─────────┼─────────┼────────
2000 │
550 │ 345
│ 220 │
170 │ 5
Ïðèìåð óñëîâíîãî
îáîçíà÷åíèÿ ïðè çàêàçå àïïàðàòà äëÿ ïîëó÷åíèÿ ãàçà íîìèíàëüíîé âìåñòèìîñòüþ 500
ñì3:
Àïïàðàò 500 ÃÎÑÒ
25336-82
2.16.4. Êîäû ÎÊÏ íà
àïïàðàò óêàçàíû â Ïðèëîæåíèè 24.
2.17. Äîïóñêàåòñÿ
ïî çàêàçó ïîòðåáèòåëåé èçäåëèÿ ñ êîíóñàìè äðóãèõ ðàçìåðîâ, íå óêàçàííûõ â
òàáëèöàõ è íà ÷åðòåæàõ íàñòîÿùåãî ðàçäåëà.
Äîïóñêàåìûå
îòêëîíåíèÿ ðàçìåðîâ èçäåëèé, ðàçìåðû êîòîðûõ îáîçíà÷åíû çíàêîì "*",
íå äîëæíû ïðåâûøàòü:
+/- 1 ìì -
äëÿ ðàçìåðîâ äî 20 ìì;
+/- 2
ìì " "
ñâ. 20 äî 40 ìì;
+/- 3
ìì " "
" 40 " 100 ìì;
+/- 5
ìì " "
" 100 " 250 ìì;
+/- 10
ìì " "
" 250 ìì.
(Ââåäåí äîïîëíèòåëüíî,
Èçì. N 3).
Ïðèëîæåíèå
1
Ñïðàâî÷íîå
ÊÎÄÛ ÎÊÏ ÍÀ
ÑÒÀÊÀÍÛ
─────────────────────┬────────────────────────────────────────────
Îáîçíà÷åíèå ñòàêàíà │ Êîä ÎÊÏ
├──────────────────────┬─────────────────────
│òåðìè÷åñêè è
õèìè÷åñêè│ òåðìè÷åñêè ñòîéêîå
│ ñòîéêîå ñòåêëî │ ñòåêëî
─────────────────────┼──────────────────────┼─────────────────────
Â-1-50 │ 43 2451 9901 10 │
43 2431 9917 03
Â-1-100 │ 43 2451 9903 08 │
43 2431 9911 09
Â-1-150 │ 43 2451 9904 07 │
43 2431 9918 02
Â-1-250 │ 43 2451 9905 06 │
43 2431 9912 08
Â-1-400 │ 43 2451 9906 05 │
43 2431 9913 07
Â-1-600 │ 43 2451 9902 09 │
43 2431 9914 06
Â-1-1000 │
43 2451 9907 04 │ 43 2431 9915 05
Â-1-2000 │
43 2451 9908 03 │ 43 2431 9916 04
Â-1-3000 │
43 2451 9909 02 │ 43 2431 9919 01
Â-2-50 │ 43 2451 9832 06 │
43 2431 9803 01
Â-2-100 │ 43 2451 9833 05 │
43 2431 9804 00
Â-2-150 │ 43 2451 9834 04 │
43 2431 9805 10
Â-2-250 │ 43 2451 9835 03 │
43 2431 9806 09
Â-2-400 │ 43 2451 9836 02 │
43 2431 9807 08
Â-2-600 │ 43 2451 9837 01 │
43 2431 9808 07
Â-2-1000 │
43 2451 9838 00 │ 43 2431 9809 06
Â-2-2000 │
43 2451 9839 10 │ 43 2431 9810 02
Â-2-3000 │
43 2451 9840 06 │ 43 2431 9811 01
Í-1-5 │ 43 2451 9914 05 │
43 2431 9926 02
Í-1-10 │ 43 2451 9915 04 │
43 2431 9927 01
Í-1-25 │ 43 2451 9916 03 │
43 2431 9928 00
Í-1-50 │ 43 2451 9917 02 │
43 2431 9921 07
Í-1-100 │ 43 2451 9918 01 │
43 2431 9929 10
Í-1-150 │ 43 2451 9919 00 │
43 2431 9936 00
Í-1-250 │ 43 2451 9920 07 │
43 2431 9922 06
Í-1-400 │ 43 2451 9911 08 │
43 2431 9923 05
Í-1-600 │ 43 2451 9912 07 │
43 2431 9924 04
Í-1-1000 │
43 2451 9913 06 │ 43 2431 9925 03
Í-1-2000 │
43 2451 9921 06 │ 43 2431 9937 10
Í-1-3000 │
43 2451 9922 05 │ 43 2431 9938 09
Í-1-5000 │
43 2451 9923 04 │ 43 2431 9939 08
Í-2-5 │ 43 2451 9956 06 │
43 2431 9837 02
Í-2-10 │ 43 2451 9957 05 │
43 2431 9838 01
Í-2-25 │ 43 2451 9958 04 │
43 2431 9839 00
Í-2-50 │ 43 2451 9959 03 │
43 2431 9840 07
Í-2-100 │ 43 2451 9960 10 │
43 2431 9841 06
Í-2-150 │ 43 2451 9961 09 │
43 2431 9842 05
Í-2-250 │ 43 2451 9962 08 │
43 2431 9843 04
Í-2-400 │ 43 2451 9963 07 │
43 2431 9844 03
Í-2-600 │ 43 2451 9964 06 │
43 2431 9845 02
Í-2-1000 │
43 2451 9965 05 │ 43 2431 9846 01
Í-2-2000 │
43 2451 9966 04 │ 43 2431 9847 00
Í-2-3000 │
43 2451 9967 03 │ 43 2431 9848 10
Í-2-5000 │
43 2451 9968 02 │ 43 2431 9849 09
(Èçìåíåííàÿ
ðåäàêöèÿ, Èçì. N 1).
Ïðèëîæåíèå 2
Ñïðàâî÷íîå
ÊÎÄÛ ÎÊÏ ÍÀ
ÑÒÀÊÀÍ×ÈÊÈ ÄËß ÂÇÂÅØÈÂÀÍÈß
─────────────────────────────────────────┬────────────────────────
Îáîçíà÷åíèå ñòàêàí÷èêîâ äëÿ âçâåøèâàíèÿ
│ Êîä ÎÊÏ
─────────────────────────────────────────┼────────────────────────
ÑÂ-14/8 │ 43 2424 0114 02
ÑÂ-19/9 │ 43 2424 0111 05
ÑÂ-24/10 │ 43 2424 0112 04
ÑÂ-34/12 │ 43 2424 0113 03
ÑÍ-34/12 │ 43 2424 0211 02
ÑÍ-45/13 │ 43 2424 0212 01
ÑÍ-60/14 │ 43 2424 0213 00
ÑÍ-85/15 │ 43 2424 0214 10
Ïðèëîæåíèå
3
Ñïðàâî÷íîå
ÊÎÄÛ ÎÊÏ ÍÀ
ÊÎËÁÛ
───────────────────────┬──────────────────────────────────────────
Îáîçíà÷åíèå êîëá │ Êîä ÎÊÏ
├───────────────────────┬──────────────────
│òåðìè÷åñêè è õèìè÷åñêè
│òåðìè÷åñêè ñòîéêîå
│ ñòîéêîå ñòåêëî │ ñòåêëî
───────────────────────┼───────────────────────┼──────────────────
Ê-2-10-18 │ 43 2452 9103 05 │ 43 2432 9927 07
Ê-2-10-22 │
43 2452 9104 04 │ 43 2432
9928 06
Ê-2-25-18 │ 43 2452 9105 03 │ 43 2432 9929 05
Ê-2-25-22 │ 43 2452 9106 02 │ 43 2432 9949 01
Ê-2-50-18 │ 43 2452 9107 01 │ 43 2432 9932 10
Ê-2-50-22 │ 43 2452 9108 00 │ 43 2432 9933 09
Ê-2-50-34 │ 43 2452 9109 10 │ 43 2432 9948 02
Ê-2-100-18 │ 43 2452 9110 06 │ 43 2432 9946 04
Ê-2-100-22 │ 43 2452 9111 05 │ 43 2432 9947 03
Ê-2-100-34 │ 43 2452 9112 04 │ 43 2432 9934 08
Ê-2-250-34 │ 43 2452 9113 03 │ 43 2432 9935 07
Ê-2-250-50 │ 43 2452 9114 02 │ 43 2432 9942 08
Ê-2-500-34 │ 43 2452 9115 01 │ 43 2432 9936 06
Ê-2-500-50 │ 43 2452 9116 00 │ 43 2432 9943 07
Ê-2-1000-34 │ 43 2452 9117 10 │ 43 2432 9937 05
Ê-2-1000-42 │ 43 2452 9118 09 │ 43 2432 9945 05
Ê-2-1000-50 │ 43 2452 9119 08 │ 43 2432 9944 06
Ê-2-2000-50 │ 43 2452 9120 04 │ 43 2432 9938 04
Ê-2-4000-50 │ 43 2452 9121 03 │ 43 2432 9939 03
Ê-2-6000-65 │ 43 2452 9122 02 │ 43 2432 9940 10
Ê-2-10000-65 │ 43 2452 9123 01 │ 43 2432 9941 09
Ê-1-10-14/23 │ 43 2462 9901 10 │ 43 2442 9909 03
Ê-1-25-14/23 │ 43 2462 9902 09 │ 43 2442 9910 10
Ê-1-50-14/23 │ 43 2462 9903 08 │ 43 2442 9911 09
Ê-1-50-19/26 │ 43 2462 9904 07 │ 43 2442 9912 08
Ê-1-50-29/32 │ 43 2462 9905 06 │ 43 2442 9913 07
Ê-1-100-14/23 │ 43 2462 9912 07 │ 43 2442 9914 06
Ê-1-100-19/26 │ 43 2462 9906 05 │ 43 2442 9915 05
Ê-1-100-29/32 │ 43 2462 9907 04 │ 43 2442 9916 04
Ê-1-250-29/32 │ 43 2462 9913 06 │ 43 2442 9921 07
Ê-1-250-45/40 │ 43 2462 9908 03 │ 43 2442 9917 03
Ê-1-500-45/40 │ 43 2462 9909 02 │ 43 2442 9918 02
Ê-1-500-29/32 │ 43 2462 9914 05 │ 43 2442 9922 06
Ê-1-1000-29/32 │ 43 2462 9915 04 │ 43 2442 9923 05
Ê-1-1000-45/40 │ 43 2462 9931 04 │ 43 2442 9924 04
Ê-1-2000-45/40 │ 43 2462 9932 03 │ 43 2442 9925 03
Ê-1-4000-45/40 │ 43 2462 9933 02 │ 43 2442 9926 02
Ê-1-6000-60/46 │ 43 2462 9934 01 │ 43 2442 9927 01
Ê-1-10000-60/46 │ 43 2462 9935 00 │ 43 2442 9928 00
Ï-2-50-18 │ 43 2452 9901 05 │ 43 2432 9961 05
Ï-2-50-22 │ 43 2452 9911 03 │ 43 2432 9969 08
Ï-2-50-34 │ 43 2452 9902 04 │ 43 2432 9852 09
Ï-2-100-18 │ 43 2452 9903 03 │ 43 2432 9853 08
Ï-2-100-22 │ 43 2452 9904 02 │ 43 2432 9962 04
Ï-2-100-34 │ 43 2452 9912 02 │ 43 2432 9854 07
Ï-2-250-34 │ 43 2452 9913 01 │ 43 2432 9963 03
Ï-2-250-50 │ 43 2452 9905 01 │ 43 2432 9855 06
Ï-2-500-34 │ 43 2452 9914 00 │ 43 2432 9964 02
Ï-2-500-50 │ 43 2452 9906 00 │ 43 2432 9856 05
Ï-2-750-34 │ 43 2452 9915 10 │ 43 2432 9857 04
Ï-2-1000-34 │ 43 2452 9916 09 │ 43 2432 9965 01
Ï-2-1000-40 │ 43 2452 9907 10 │ 43 2432 9858 03
Ï-2-1000-50 │ 43 2452 9908 09 │ 43 2432 9859 02
Ï-2-2000-50 │ 43 2452 9909 08 │ 43 2432 9966 00
Ï-2-4000-50 │ 43 2452 9917 08 │ 43 2432 9967 10
Ï-2-6000-65 │ 43 2452 9918 07 │ 43 2432 9968 09
Ï-2-10000-65 │ 43
2452 9919 06 │ 43 2432 9860 09
Ï-1-50-14/23 │ 43 2462 9944 10 │ 43 2442 9971 08
Ï-1-50-19/26 │ 43 2462 9831 07 │ 43 2442 9972 07
Ï-1-50-29/32 │ 43 2462 9832 06 │ 43 2442 9973 06
Ï-1-100-14/23 │ 43 2462 9833 05 │ 43 2442 9974 05
Ï-1-100-19/26 │ 43 2462 9834 04 │ 43 2442 9975 04
Ï-1-100-29/32 │ 43 2462 9945 09 │ 43 2442 9931 05
Ï-1-250-29/32 │ 43 2462 9946 08 │ 43 2442 9932 04
Ï-1-250-34/35 │
43 2462 9835 03 │ 43 2442
9976 03
Ï-1-250-45/40 │ 43 2462 9836 02 │ 43 2442 9977 02
Ï-1-500-29/32 │ 43 2462 9947 07 │ 43 2442 9933 03
Ï-1-500-45/40 │ 43 2462 9837 01 │ 43 2442 9978 01
Ï-1-1000-29/32
│ 43 2462 9849 05 │ 43 2442 9934 02
Ï-1-1000-45/40 │ 43 2462 9838 00 │ 43 2442 9935 01
Ï-1-2000-45/40 │ 43 2462 9839 10 │ 43 2442 9936 00
Ï-1-4000-45/40 │ 43 2462 9840 05 │ 43 2442 9937 10
Ï-1-6000-60/46 │ 43 2462 9841 05 │ 43 2442 9938 09
Ï-1-10000-60/46 │ 43 2462 9842 04 │ 43 2442 9939 08
ÊÃÓ-2-2-50-18 │ 43 2452 9172 03 │ 43 2432 9217 08
ÊÃÓ-2-2-50-22 │ 43 2452 9173 02 │ 43 2432 9218 07
ÊÃÓ-2-2-100-18 │ 43 2452 9174 01 │ 43 2432 9219 06
ÊÃÓ-2-2-100-22 │ 43 2452 9175 00 │ 43 2432 9220 02
ÊÃÓ-2-2-250-34 │ 43 2452 9176 10 │ 43 2432 9221 01
ÊÃÓ-2-2-500-34 │ 43 2452 9177 09 │ 43 2432 9222 00
ÊÃÓ-2-2-1000-34 │ 43 2452 9178 08 │ 43 2432 9223 10
ÊÃÓ-2-2-2000-50 │ 43 2452 9179 07 │ 43 2432 9224 09
ÊÃÓ-2-2-4000-50 │ 43 2452 9180 03 │ 43 2432 9225 08
ÊÃÓ-2-2-6000-65 │ 43 2452 9181 02 │ 43 2432 9226 07
ÊÃÓ-2-2-10000-65 │ 43 2452 9182 01 │ 43 2432 9227 06
ÊÃÓ-2-1-50-14/23 │ 43 2462 9103 10 │ 43 2442 9103 00
ÊÃÓ-2-1-100-14/23 │
43 2462 9104 09 │ 43 2442
9104 10
ÊÃÓ-2-1-100-19/26 │
43 2462 9105 08 │ 43 2442
9105 09
ÊÃÓ-2-1-250-29/32 │
43 2462 9106 07 │ 43 2442
9106 08
ÊÃÓ-2-1-500-29/32 │
43 2462 9107 06 │ 43 2442
9107 07
ÊÃÓ-2-1-1000-29/32 │
43 2462 9108 05 │ 43 2442
9108 06
ÊÃÓ-2-1-2000-45/40 │
43 2462 9109 04 │ 43 2442
9109 05
ÊÃÓ-2-1-4000-45/40 │
43 2462 9110 00 │ 43 2442
9110 01
ÊÃÓ-2-1-6000-60/46 │
43 2462 9111 10 │ 43 2442
9111 00
ÊÃÓ-2-1-10000-60/46 │
43 2462 9112 09 │ 43 2442
9112 10
ÊÃÓ-3-2-50-18 │ 43 2452 9212 01 │ 43 2432 9959 10
ÊÃÓ-3-2-50-22 │ 43 2452 9213 00 │ 43 2432 9998 03
ÊÃÓ-3-2-100-18 │ 43 2452 9214 10 │ 43 2432 9999 02
ÊÃÓ-3-2-100-22 │ 43 2452 9215 09 │ 43 2432 9951 07
ÊÃÓ-3-2-250-34 │ 43 2452 9216 08 │ 43 2432 9952 06
ÊÃÓ-3-2-500-34 │ 43 2452 9217 07 │ 43 2432 9953 05
ÊÃÓ-3-2-1000-34 │ 43 2452 9218 06 │ 43 2432 9954 04
ÊÃÓ-3-2-2000-50 │ 43 2452 9219 05 │ 43 2432 9955 03
ÊÃÓ-3-2-4000-50 │ 43 2452 9220 01 │ 43 2432 9956 02
ÊÃÓ-3-2-6000-65 │ 43 2452 9221 00 │ 43 2432 9957 01
ÊÃÓ-3-2-10000-65 │ 43 2452 9222 10 │ 43 2432 9958 00
ÊÃÓ-3-1-50-14/23 │ 43 2462 9142 03 │ 43 2442 9142 04
ÊÃÓ-3-1-100-14/23 │
43 2462 9143 02 │ 43 2442
9143 03
ÊÃÓ-3-1-100-19/26 │
43 2462 9144 01 │ 43 2442
9144 02
ÊÃÓ-3-1-250-29/32 │
43 2462 9145 00 │ 43 2442
9145 01
ÊÃÓ-3-1-500-29/32 │
43 2462 9146 10 │ 43 2442
9146 00
ÊÃÓ-3-1-1000-29/32 │
43 2462 9147 09 │ 43 2442
9147 10
ÊÃÓ-3-1-2000-45/40 │
43 2462 9148 08 │ 43 2442
9148 09
ÊÃÓ-3-1-4000-45/40 │
43 2462 9149 07 │ 43 2442
9149 08
ÊÃÓ-3-1-6000-60/46 │
43 2462 9150 03 │ 43 2442
9150 04
ÊÃÓ-3-1-10000-60/46 │
43 2462 9151 02 │ 43 2442
9151 03
ÊÃÏ-3-2-250-34 │ 43 2452 9252 04 │ 43 2432 9257 00
ÊÃÏ-3-2-500-34 │ 43 2452 9253 03 │ 43 2432 9258 10
ÊÃÏ-3-2-1000-34 │ 43 2452 9254 02 │ 43 2432 9259 09
ÊÃÏ-3-2-2000-50 │ 43 2452 9255 01 │ 43 2432 9260 05
ÊÃÏ-3-2-4000-50 │ 43 2452 9256 00 │ 43 2432 9261 04
ÊÃÏ-3-1-250-29/32 │
43 2462 9177 03 │ 43 2442
9177 04
ÊÃÏ-3-1-500-29/32 │
43 2462 9178 02 │ 43 2442
9178 03
ÊÃÏ-3-1-1000-29/32 │
43 2462 9179 01 │ 43 2442
9179 02
ÊÃÏ-3-1-2000-45/40 │
43 2462 9180 08 │ 43 2442
9180 09
ÊÃÏ-3-1-4000-45/40 │
43 2462 9181 07 │ 43 2442
9181 08
ÊÃÏ-4-500-29/32 │ 43 2462 9197 10 │ 43 2442 9203 08
ÊÃÏ-4-1000-29/32 │
43 2462 9198 09 │ 43 2442
9204 07
ÊÃÏ-4-2000-45/40 │ 43 2462 9199 08 │ 43 2442 9205 06
ÊÃÏ-4-4000-45/40 │ 43 2462 9201 09 │ 43 2442 9206 05
Êí-2-10-18 │ 43 2452 9929 04 │ 43 2432 9479 06
Êí-2-10-22 │ 43 2452 9931 10 │ 43 2432 9980 02
Êí-2-25-18 │ 43 2452 9932 09 │ 43 2432 9981 01
Êí-2-25-22 │ 43 2452 9933 08 │ 43 2432 9982 00
Êí-2-50-18 │ 43 2452 9921 01 │ 43 2432 9971 03
Êí-2-50-22 │ 43 2452 9922 00 │ 43 2432 9983 10
Êí-2-50-34 │ 43 2452 9934 07 │ 43 2432 9984 09
Êí-2-100-18 │ 43 2452 9935 06 │ 43 2432 9985 08
Êí-2-100-22 │ 43 2452 9923 10 │ 43 2432 9972 02
Êí-2-100-34 │ 43 2452 9924 09 │ 43 2432 9986 07
Êí-2-100-50 │ 43 2452 9936 05 │ 43 2432 9987 06
Êí-2-250-34 │ 43 2452 9925 08 │ 43 2432 9973 01
Êí-2-250-50 │ 43 2452 9937 04 │ 43 2432 9988 05
Êí-2-500-34 │ 43 2452 9926 07 │ 43 2432 9974 00
Êí-2-500-50 │ 43 2452 9938 03 │ 43 2432 9975 10
Êí-2-750-34 │ 43 2452 9927 06 │ 43 2432 9976 09
Êí-2-1000-34 │ 43 2452 9939 02 │ 43 2432 9989 04
Êí-2-1000-42 │ 43 2452 9940 09 │ 43 2432 9990 00
Êí-2-1000-50 │ 43 2452 9928 05 │ 43 2432 9977 08
Êí-2-2000-50 │ 43 2452 9941 08 │ 43 2432 9978 07
Êí-2-3000-50 │ 43 2452 9942 07 │ 43 2432 9991 10
Êí-2-5000-00 │ 43 2452 9943 06 │ 43 2432 9992 09
Êí-1-10-14/23 │ 43 2462 9971 07 │ 43 2442 9980 07
Êí-1-25-14/23 │ 43 2462 9972 06 │ 43 2442 9981 06
Êí-1-25-19/26 │ 43 2462 9979 10 │ 43 2442 9982 05
Êí-1-50-14/23 │ 43 2462 9980 06 │ 43 2442 9983 04
Êí-1-50-19/26 │ 43 2462 9973 05 │ 43 2442 9984 03
Êí-1-50-29/32 │ 43 2462 9981 05 │ 43 2442 9985 02
Êí-1-100-14/23 │ 43 2462 9982 04 │ 43 2442 9986 01
Êí-1-100-19/26 │ 43 2462 9983 03 │ 43 2442 9987 00
Êí-1-100-29/32 │ 43 2462 9974 04 │ 43 2442 9941 03
Êí-1-100-45/40 │ 43 2462 9984 02 │ 43 2442 9988 10
Êí-1-250-29/32 │ 43 2462 9975 03 │ 43 2442 9942 02
Êí-1-250-34/35 │ 43 2462 9985 01 │ 43 2442 9989 09
Êí-1-250-45/40 │ 43 2462 9986 00 │ 43 2442 9990 05
Êí-1-500-29/32 │ 43 2462 9976 02 │ 43 2442 9943 01
Êí-1-500-45/40 │ 43 2462 9987 10 │ 43 2442 9991 04
Êí-1-750-29/32 │ 43 2462 9977 01 │ 43 2442 9944 00
Êí-1-1000-29/32 │ 43 2462 9988 09 │ 43 2442 9945 10
Êí-1-1000-45/40 │ 43 2462 9978 00 │ 43 2442 9946 09
Êí-1-2000-45/40 │ 43 2462 9989 08 │ 43 2442 9947 08
Êí-1-3000-45/40 │ 43 2462 9990 04 │ 43 2442 9948 07
Êí-1-5000-45/40 │ 43 2462 9991 03 │ 43 2442 9949 06
Ãð-10-14/23 │ 43 2462 9214 04 │ 43 2442 9222 05
Ãð-25-14/23 │ 43 2462 9215 03 │ 43 2442 9223 04
Ãð-50-14/23 │ 43 2462 9216 02 │ 43 2442 9224 03
Ãð-100-14/23 │ 43 2462 9217 01 │ 43 2442 9225 02
Ãð-250-29/32 │ 43 2462 9218 00 │ 43 2442 9226 01
Êüåëüäàëÿ
1-50-14/23 │ 43 2462 9234 00 │ 43 2442 9242 01
Êüåëüäàëÿ
1-100-14/23 │ 43 2462 9235 10 │ 43 2442 9243 00
Êüåëüäàëÿ
1-100-29/32 │ 43 2462 9236 09 │ 43 2442 9244 10
Êüåëüäàëÿ
1-250-19/26 │ 43 2462 9237 08 │ 43 2442 9245 09
Êüåëüäàëÿ
1-250-29/32 │ 43 2462 9238 07 │ 43 2442 9246 08
Êüåëüäàëÿ
1-500-29/32 │ 43 2462 9239 06 │ 43 2442 9247 07
Êüåëüäàëÿ
1-1000-29/32 │ 43 2462 9240
02 │ 43 2442 9248 06
Êüåëüäàëÿ
2-50-14 │ 43 2452 9272 00 │ 43 2432 9911 04
Êüåëüäàëÿ
2-100-14 │ 43 2452 9273 10 │ 43 2432 9916 10
Êüåëüäàëÿ
2-100-29 │ 43 2452 9274 09 │ 43 2432 9912 03
Êüåëüäàëÿ
2-250-19 │ 43 2452 9275 08 │ 43 2432 9917 09
Êüåëüäàëÿ
2-250-29 │ 43 2452 9276 07 │ 43 2432 9913 02
Êüåëüäàëÿ
2-500-29 │
43 2452 9277 06 │ 43 2432
9914 01
Êüåëüäàëÿ
2-1000-29 │ 43 2452 9278 05 │ 43 2432 9915 00
Î-10-14/23 │ 43 2462 9260 09 │ 43 2442 9272 06
Î-25-14/23 │ 43 2462 9261 08 │ 43 2442 9273 05
Î-50-14/23 │
43 2462 9262 07 │ 43 2442
9274 04
Î-100-14/23 │ 43 2462 9263 06 │ 43 2442 9275 03
Î-250-29/32 │ 43 2462 9264 05 │ 43 2442 9276 02
Î-500-29/32 │ 43 2462 9265 04 │ 43 2442 9277 01
ÎÃ-2-50-14/23 │ 43 2462 9283 02 │ 43 2442 9303 05
ÎÃ-2-100-14/23 │ 43 2462 9284 01 │ 43 2442 9304 04
ÎÃ-2-250-14/23 │ 43 2462 9285 00 │ 43 2442 9305 03
ÎÃ-2-500-29/32 │ 43 2462 9286 10 │ 43 2442 9306 02
ÎÃ-3-2-25-14 │ 43 2452 9303 10 │ 43 2432 9277 07
ÎÃ-3-2-50-14 │ 43 2452 9304 09 │ 43 2432 9278 06
ÎÃ-3-2-100-14 │ 43 2452 9305 08 │ 43 2432 9279 05
ÎÃ-3-2-250-14 │ 43 2452 9306 07 │ 43 2432 9280 01
ÎÃ-3-1-25-14/23 │ 43 2462 9303 04 │ 43 2442 9322 02
ÎÃ-3-1-50-14/23 │ 43 2462 9304 03 │ 43 2442 9323 01
ÎÃ-3-1-100-14/23 │ 43 2462 9305 02 │ 43 2442 9324 00
ÎÃ-3-1-250-14/23 │ 43 2462 9306 01 │ 43 2442 9325 10
ÊÏ-2-50-19 │ 43 2452 9322 07 │ 43 2432 9921 02
ÊÏ-2-100-29 │ 43 2452 9323 06 │ 43 2432 9922 01
ÊÏ-2-150-29 │ 43 2452 9324 05 │ 43 2432 9926 08
ÊÏ-2-250-29 │ 43 2452 9325 04 │ 43 2432 9923 00
ÊÏ-2-500-29 │ 43 2452 9326 03 │ 43 2432 9924 10
ÊÏ-2-1000-29 │ 43 2452 9327 02 │ 43 2432 9925 09
ÊÏ-1-50-19/26 │ 43 2462 9322 01 │ 43 2442 9342 09
ÊÏ-1-100-29/32 │ 43 2462 9323 00 │ 43 2442 9343 08
ÊÏ-1-150-29/32 │ 43 2462 9324 10 │ 43 2442 9344 07
ÊÏ-1-250-29/32 │ 43 2462 9325 09 │ 43 2442 9345 06
ÊÏ-1-500-29/32 │ 43 2462 9326 08 │ 43 2442 9346 05
ÊÏ-1-1000-29/32 │ 43 2462 9327 07 │ 43 2442 9347 04
ÎÏ-10-10/19 │ 43 2462 9345 05 │ 43 2442 9367 00
ÎÏ-25-14/23 │ 43 2462 9346 04 │ 43 2442 9368 10
ÎÏ-50-14/23 │ 43 2462 9347 03 │ 43 2442 9369 09
ÎÏ-100-14/23 │ 43 2462 9348 02 │ 43 2442 9370 05
ÊÐÍ-100 │ 43 2452 9347 09 │ 43 2432 9903 04
ÊÐÍ-250 │ 43 2452 9348 08 │ 43 2432 9905 02
(Èçìåíåííàÿ
ðåäàêöèÿ, Èçì. N 1).
Ïðèëîæåíèå
4
Ñïðàâî÷íîå
ÊÎÄÛ ÎÊÏ ÍÀ
ÊÎËÁÛ ÔÀÂÎÐÑÊÎÃÎ
────────────────────────────────┬─────────────────────────────────
Îáîçíà÷åíèå êîëá │ Êîä ÎÊÏ
────────────────────────────────┼─────────────────────────────────
Êîëáû Ôàâîðñêîãî 25 │ 43 2442 9954 09
Êîëáû Ôàâîðñêîãî 50 │ 43 2442 9955 08
Êîëáû Ôàâîðñêîãî 100 │ 43 2442 9951 01
Êîëáû Ôàâîðñêîãî 250 │ 43 2442 9952 00
Êîëáû Ôàâîðñêîãî 500 │ 43 2442 9953 10
Ïðèëîæåíèå
5
Ñïðàâî÷íîå
ÊÎÄÛ ÎÊÏ ÍÀ
ÊÎËÁÛ Ñ ÒÓÁÓÑÎÌ
────────────────────────────────┬─────────────────────────────────
Îáîçíà÷åíèå êîëáû ñ òóáóñîì │ Êîä ÎÊÏ
────────────────────────────────┼─────────────────────────────────
Êîëáû 1-100 │ 43 2412 0416 07
Êîëáû 1-250 │ 43 2412 0411 01
Êîëáû 1-500 │ 43 2412 0412 00
Êîëáû 1-1000 │ 43 2412 0413 10
Êîëáû 1-2000 │ 43 2412 0414 09
Êîëáû 1-5000 │ 43 2412 0415 08
Ïðèëîæåíèå
6
Ñïðàâî÷íîå
ÊÎÄÛ ÎÊÏ ÍÀ
ÏÐÎÁÈÐÊÈ
───────────────────┬──────────────────────────────────────────────
Îáîçíà÷åíèå │ Êîä ÎÊÏ
ïðîáèðîê
├───────────────────────┬──────────────────────
│ õèìè÷åñêè ñòîéêîå │
òåðìè÷åñêè ñòîéêîå
│ ñòåêëî │ ñòåêëî
───────────────────┼───────────────────────┼──────────────────────
Ï1-7-40 │
43 2413 0014 05 │ 43 2433 9914 07
Ï1-12-60 │ 43 2413 0015 04 │
43 2433 9915 06
Ï1-14-120 │ 43 2413 0011 08 │
43 2433 9911 10
Ï1-16-150 │ 43 2413 0012 07 │
43 2433 9912 09
Ï1-21-200 │
43 2413 0013 06 │ 43 2433 9913 08
Ï1-25-200 │ 43 2413 0016 03 │
43 2433 9916 05
Ï1-30-250 │ 43 2413 0017 02 │
43 2433 9917 04
Ï1-30-270 │ 43 2413 0018 01 │
43 2433 9918 03
Ï2-7-60 │ 43
2413 0033 02 │ 43 2433 9924 05
Ï2-10-90 │ 43 2413 0034 01 │
43 2433 9925 04
Ï2-14-100 │ 43 2413 0035 00 │
43 2433 9926 03
Ï2-16-150 │ 43 2413 0031 04 │
43 2433 9921 08
Ï2-16-180 │ 43 2413 0036 10 │
43 2433 9927 02
Ï2-19-150 │ 43 2413 0037 09 │
43 2433 9928 01
Ï2-19-180 │ 43 2413 0038 08 │
43 2433 9922 07
Ï2-21-200 │ 43 2413 0032 03 │
43 2433 9923 06
Ï2Ò-5 │ 43 2413 0211 02 │
43 2433 9972 08
Ï2Ò-10 │ 43 2413 0212 01 │
43 2433 9973 07
Ï2Ò-25 │ 43 2413 0213 00 │
43 2433 9974 06
Ï2Ò-50 │ 43 2413 0214 10 │
43 2433 9975 05
Ï2Ò-100 │ 43 2413 0215 09 │
43 2433 9976 04
Ï2Ò-250 │ 43 2413 0216 08 │
43 2433 9977 03
Ï3-5 │ 43 2413 0311 10 │
43 2433 9802 03
Ï3-25 │ 43 2413 0312 09 │
43 2433 9803 02
Ï3-50 │ 43 2413 0313 08 │
43 2433 9804 01
Ï3-100 │ 43 2413 0314 07 │
43 2433 9805 00
Ï4-1-10/19 │ 43 2423 0111 10 │
43 2433 9903 04
Ï4-5-14/23 │ 43 2423 0112 09 │
43 2433 9904 03
Ï4-5-10/19 │ 43 2423 0113 08 │
43 2433 9905 02
Ï4-10-14/23 │ 43 2423 0114 07 │
43 2433 9906 01
Ï4-15-14/23 │ 43 2423 0115 06 │
43 2433 9907 00
Ï4-20-14/23 │ 43 2423 0116 05 │
43 2433 9908 10
Ï4-25-14/23 │ 43 2423 0117 04 │
43 2433 9909 09
Ï4-50-29/32 │ 43 2423 0118 03 │
43 2433 9910 05
Ï40-13-65-10/19 │
43 2423 0211 07 │ 43 2433 9957 02
Ï40-13-80-10/19 │
43 2423 0212 06 │ 43 2433 9958 01
Ï40-17-65-14/23 │
43 2423 0213 05 │ 43 2433 9959 00
Ï40-17-80-14/23 │
43 2423 0214 04 │ 43 2433 9960 06
Ï40-17-100-14/23 │
43 2423 0215 03 │ 43 2433 9961 05
Ï40-21-80-19/26 │
43 2423 0216 02 │ 43 2433 9962 04
Ï40-21-100-19/26 │
43 2423 0217 01 │ 43 2433 9963 03
Ï40-21-150-19/26 │
43 2423 0218 00 │ 43 2433 9964 02
Ïðèëîæåíèå
7
Ñïðàâî÷íîå
ÊÎÄÛ ÎÊÏ ÍÀ
×ÀØÊÈ
───────────────────────────────┬──────────────────────────────────
Îáîçíà÷åíèå ÷àøåê │ Êîä ÎÊÏ
───────────────────────────────┼──────────────────────────────────
×ÊÖ-1-1 │ 43 2434 0019 05
×ÊÖ-1-10 │ 43 2434 0011 02
×ÊÖ-1-50 │ 43 2434 0012 01
×ÊÖ-1-100 │ 43 2434 0013 00
×ÊÖ-1-250 │ 43 2434 0014 10
×ÊÖ-1-500 │ 43 2434 0015 09
×ÊÖ-1-1000 │ 43 2434 0016 08
×ÊÖ-1-2500 │ 43 2434 0017 07
×ÊÖ-1-5000 │ 43 2434 0018 06
×ÊÖ-2-1 │ 43 2434 0111 10
×ÊÖ-2-10 │ 43 2434 0112 09
×ÊÖ-2-50 │ 43 2434 0113 08
×ÊÖ-2-100 │ 43 2434 0114 07
×ÊÖ-2-250 │ 43 2434 0115 06
×ÊÖ-2-500 │ 43 2434 0116 05
×ÊÖ-2-1000 │ 43 2434 0117 04
×ÊÖ-2-2500 │ 43 2434 0118 03
×ÊÖ-2-5000 │ 43 2434 0119 02
×ÂÏ-1-5 │ 43 2434 0311 04
×ÂÏ-1-10 │ 43 2434 0312 03
×ÂÏ-1-50 │ 43 2434 0313 02
×ÂÏ-1-100 │ 43 2434 0314 01
×ÂÏ-1-250 │ 43 2434 0315 00
×ÂÏ-1-400 │ 43 2434 0316 10
×ÂÏ-1-1000 │ 43 2434 0317 09
×ÂÏ-1-2500 │ 43 2434 0318 08
×ÂÏ-2-5 │ 43 2434 0411 01
×ÂÏ-2-10 │ 43 2434 0412 00
×ÂÏ-2-50 │ 43 2434 0413 10
×ÂÏ-2-100 │ 43 2434 0414 09
×ÂÏ-2-250 │ 43 2434 0415 08
×ÂÏ-2-400 │ 43 2434 0416 07
×ÂÏ-2-1000 │ 43 2434 0417 06
×ÂÏ-2-2500 │ 43 2434 0418 05
×ÂÊ-1-5 │ 43 2434 0057 10
×ÂÊ-1-10 │ 43 2434 0058 09
×ÂÊ-1-50 │ 43 2434 0051 05
×ÂÊ-1-100 │ 43 2434 0052 04
×ÂÊ-1-250 │ 43 2434 0053 03
×ÂÊ-1-500 │ 43 2434 0054 02
×ÂÊ-1-1000 │ 43 2434 0055 01
×ÂÊ-1-2500 │ 43 2434 0056 00
×ÂÊ-2-5 │ 43 2434 0211 07
×ÂÊ-2-10 │ 43 2434 0212 06
×ÂÊ-2-50 │ 43 2434 0213 05
×ÂÊ-2-100 │ 43 2434 0214 04
×ÂÊ-2-250 │ 43 2434 0215 03
×ÂÊ-2-500 │ 43 2434 0216 02
×ÂÊ-2-1000 │ 43 2434 0217 01
×ÂÊ-2-2500 │ 43 2434 0218 00
×ÁÂ-100 │ 43 2414 1321 10
×ÁÂ-150 │ 43 2414 1331 08
×ÁÂ-200 │ 43 2414 1332 07
×ÁÍ-1-40 │ 43 2414 1311 01
×ÁÍ-1-100 │ 43 2414 1312 00
×ÁÍ-1-150 │ 43 2414 1313 10
×ÁÍ-2 │ 43 2414 1351 04
(Èçìåíåííàÿ ðåäàêöèÿ,
Èçì. N 1).
Ïðèëîæåíèå
8
Ñïðàâî÷íîå
ÊÎÄÛ ÎÊÏ ÍÀ
ÑÎÑÓÄÛ, ÂÀÍÍÛ, ÊÞÂÅÒÛ
───────────────────────────────┬──────────────────────────────────
Îáîçíà÷åíèå èçäåëèé │ Êîä ÎÊÏ
───────────────────────────────┼──────────────────────────────────
ÑÖ-0,5 │ 43 2415 0011 09
ÑÖ-1,0 │ 43 2415 0012 08
ÑÖ-2,0 │ 43 2415 0013 07
ÑÖ-3,0 │ 43 2415 0014 06
ÑÖ-5,0 │ 43 2415 0015 05
ÑÖ-10,0 │ 43 2415 0016 04
ÑÖ-20,0 │ 43 2415 0017 03
ÑÏ-0,1 │ 43 2415 0111 06
ÑÏ-1,5 │ 43 2415 0112 05
ÑÏ-4,0 │ 43 2415 0113 04
ÑÏ-6,0 │ 43 2415 0114 03
ÑÏ-9,0 │ 43 2415 0115 02
ÑÏ-20,0 │ 43 2415 0116 01
ÑÏ-35 │ 43 2415 0117 00
ÂÏ-0,5 │ 43 2415 1013 03
ÂÏ-1,0 │ 43 2415 1014 02
ÂÏ-2,0 │ 43 2415 1015 01
ÂÏ-3,0 │ 43 2415 1016 00
ÂÏ-5,0 │ 43 2415 1017 10
ÂÏ-10 │ 43 2415 1011 05
ÂÏ-15 │ 43 2415 1012 04
ÊÖ │ 43 2415 2001 03
ÊÏ │ 43 2415 2006 09
(Èçìåíåííàÿ
ðåäàêöèÿ, Èçì. N 1).
Ïðèëîæåíèå
9
Ñïðàâî÷íîå
ÊÎÄÛ ÎÊÏ ÍÀ
ÑÎÅÄÈÍÈÒÅËÜÍÛÅ ÝËÅÌÅÍÒÛ
───────────────────────────┬──────────────────────────────────────
Îáîçíà÷åíèå èçäåëèé │ Êîä ÎÊÏ
├──────────────────┬───────────────────
│òåðìè÷åñêè
ñòîéêîå│ õèìè÷åñêè ñòîéêîå
│ ñòåêëî │ ñòåêëî
───────────────────────────┴──────────────────┴───────────────────
ÝÏ1-14/23-135 43 2541 0121 10 43 2521 2171 04
ÝÏ1-14/23-200 43 2541 0122 09 43 2521 2172 03
ÝÏ1-29/32-170 43 2541 0123 08 43 2521 2173 02
ÝÏ1-29/32-220 43 2541 0124 07 43 2521 2174 01
ÝÏ1-45/40-200 43 2541 0125 06 43 2521 2175 00
ÝÏ1-45/40-250 43 2541 0126 05 43 2521 2176 10
ÝÏ2-14/23-90 43 2541 0131 07 43 2521 2181 02
ÝÏ2-29/32-110
43 2541 0132 06 43 2521 2182 01
ÝÏ2-29/32-125 43 2541 0133 05 43 2521 2183 00
ÝÏ2-45/40-150 43 2541 0134 04 43 2521 2184 10
ÝÏ3-14/23-90 43 2541 0141 05 43 2521 2191 00
ÝÏ3-14/23-115 43 2541 0142 04 43 2521 2192 10
ÝÏ3-29/32-125 43 2541 0143 03 43 2521 2193 09
ÝÏ3-29/32-140 43 2541 0144 02 43 2521 2194 08
ÝÏ3-45/40-150 43 2541 0145 01 43 2521 2195 07
ÝÏ3-45/40-190 43 2541 0146 00 43 2521 2196 06
Ï1-1-14/23-12/21 43 2541 9803 10 43 2521 0115 09
Ï1-1-19/26-14/23 43 2541 9804 09 43 2521 0111 02
Ï1-1-24/29-14/23 43 2541 9805 08 43 2521 0116 08
Ï1-1-29/32-14/23 43 2541 9806 07 43 2521 0112 01
Ï1-1-24/29-19/26 43 2541 9807 06 43 2521 0117 07
Ï1-1-29/32-19/26 43 2541 9808 05 43 2521 0113 00
Ï1-1-45/40-19/26 43 2541 9809 04 43 2521 0118 06
Ï1-1-29/32-24/29 43 2541 9810 00 43 2521 0119 05
Ï1-1-45/40-14/29 43 2541 9811 10 43 2521 0120 01
Ï1-1-45/40-29/32 43 2541 9812 09 43 2521 0114 10
Ï1-1-60/46-29/32 43 2541 9813 08 43 2521 0121 00
Ï1-1-71/51-29/32 43 2541 9814 07 43 2521 0122 10
Ï1-1-71/51-45/40 43 2541 9815 06 43 2521 0123 09
Ï1-2-12/21-14/23 43 2541 0102 02 43 2521 2003 08
Ï1-2-14/23-19/26 43 2541 0103 01 43 2521 2004 07
Ï1-2-19/26-24/29 43 2541 0104 00 43 2521 2005 06
Ï1-2-14/23-29/32 43 2541 0105 10 43 2521 2006 05
Ï1-2-19/26-29/32 43 2541 0106 09 43 2521 2007 04
Ï1-2-24/29-29/32 43 2541 0107 08 43 2521 2008 03
Ï1-2-24/29-45/40 43 2541 0108 07 43 2521 2009 02
Ï1-2-29/32-45/40 43 2541 0109 06 43 2521 2010 09
Ï1-2-45/40-71/51 43 2541 0110 02 43 2521 2011 08
Ï10-14/23-14/23 43 2541 9837 00 43 2521 0212 09
Ï10-19/26-14/23 43 2541 9838 10 43 2521 0213 08
Ï10-29/32-14/23 43 2541 9839 09 43 2521 0214 07
Ï1È-14/23-14/23 43 2541 0152 03 43 2521 2042 01
Ï1È-29/32-29/32 43 2541 0153 02 43 2521 2043 00
Ï1È-45/40-45/40 43 2541 0154 01 43 2521 2044 10
Ï2Ï-14/23-14/23-14/23 43 2541 9852 01 43 2521 0301 09
Ï2Ï-19/26-14/23-14/23 43 2541 9853 00 43 2521 0302 08
Ï2Ï-29/32-14/23-14/23 43 2541 9854 10 43 2521 0303 07
Ï2Ï-19/26-14/23-19/26 43 2541 9855 09 43 2521 0304 06
Ï2Ï-19/26-19/26-14/23 43 2541 9856 08 43 2521 0305 05
Ï2Ï-29/32-14/23-19/26 43 2541 9857 07 43 2521 0306 04
Ï2Ï-19/26-19/26-19/26 43 2541 9858 06 43 2521 0307 03
Ï2Ï-29/32-19/26-19/26 43 2541 9859 05 43 2521 0308 02
Ï2Ï-29/32-29/32-14/23 43 2541 9860 01 43 2521 0309 01
Ï2Ï-29/32-29/32-19/26 43 2541 9861 00 43 2521 0310 08
Ï2Ï-29/32-29/32-29/32 43 2541 9862 10 43 2521 0311 07
Ï2Ó-14/23-14/23 43 2541 0172 10 43 2521 2062 08
Ï2Ó-29/32-29/32 43 2541 0173 09 43 2521 2063 07
Ï3Ï-14/23-14/23-14/23-10/19 43 2541 9886 02 43 2521 0416 10
Ï3Ï-14/23-14/23-14/23-14/23 43 2541 9887 01 43 2521 0411 04
Ï3Ï-19/26-19/26-14/23-14/23 43 2541 9888 00 43 2521 0412 03
Ï3Ï-29/32-19/26-19/26-14/23 43 2541 9889 10 43 2521 0413 02
Ï3Ï-29/32-29/32-14/23-14/23 43 2541 0414 01 43 2521 9890 06
Ï3Ï-29/32-29/32-29/32-14/23 43 2541 9891 05 43 2521 0415 00
43 2541 0202 10 43 2521 2082 04
43 2541 0203 09 43 2521 2083 03
43 2541 0204 08 43 2521 2084 02
43 2541 0205 07 43 2521 2085 01
43 2541 0222 06 43 2521 0042 09
43 2541 0225 03 43 2521 0045 06
43 2541 0223 05 43 2521 0043 08
43 2541 0226 02 43 2521 0046 05
43 2541 0224 04 43 2521 0044 07
43 2541 0227 01 43 2521 0047 04
43 2541 0228 00 43 2521 0041 10
ÊÏÎ-14/23 43 2541 0252 00 43 2521 2103 05
ÊÏÎ-29/32 43 2541 0253 10 43 2521 2104 04
ÊÏÎ-45/40 43 2541 0254 09 43 2521 2105 03
ÊÈÎ-14/23 43 2541 0272 07 43 2521 2122 02
ÊÈÎ-19/26 43 2541 0273 06 43 2521 2123 01
ÊÈÎ-29/32 43 2541 0274 05 43 2521 2124 00
ÌÏÎ-14/23 43 2541 0302 07 43 2521 2142 09
ÌÏÎ-29/32 43 2541 0303 06 43 2521 2143 08
ÌÏÎ-45/40 43 2541 0304 05 43 2521 2144 07
ÌÈÎ-14/23 43 2541 0322 03 43 2521 2162 05
ÌÈÎ-19/26 43 2541 0323 02 43 2521 2163 04
ÌÈÎ-29/32 43 2541 0324 01 43 2521 2164 03
ÀÈ-14/23-50 43 2541 9926 00 43 2521 0611 09
ÀÈ-19/26-70 43 2541 9927 10 43 2521 0612 08
ÀÈ-19/26-67 43 2541 9929 08 43 2521 0614 06
ÀÈ-29/32-75 43 2541 9928 09 43 2521 0613 07
ÀÈÎ-14/23-14/23-50 43 2541 9936 09 43 2521 0511 01
ÀÈÎ-19/26-14/23-50 43 2541 9937 08 43 2521 0512 00
ÀÈÎ-19/26-14/23-70 43 2541 9941 01 43 2521 0516 07
ÀÈÎ-29/32-14/23-50 43 2541 9938 07 43 2521 0513 10
ÀÈÎ-29/32-19/26-65 43 2541 9939 06 43 2521 0514 09
ÀÈÎ-29/32-29/32-75 43 2541 9940 02 43 2521 0515 08
ÀÎ-14/23-14/23 43 2541 0352 08 43 2521 0542 05
ÀÎ-29/32-14/23 43 2541 0353 07 43 2521 0543 04
ÀÎ-29/32-29/32 43 2541 0354 06 43 2521 0544 03
ÀÏ-14/23-14/23 43 2541 9951 10 43 2521 0561 02
ÀÊÏ-14/23-14/23 43 2541 9955 06 43 2521 0571 00
Àëîíæ
ÀÊÏ 14/23-14/23 43 2541 9961
08 43 2521 0581 09
"Ïàóê"
ÀÊÏ 14/23-14/23 43 2541 9966
03 43 2521 0591 07
ÇÂ-14/23 43 2541 9903 07 43 2521 0713 04
ÇÂ-19/26 43 2541 9904 06 43 2521 0711 06
ÇÂ-29/32 43 2541 9905 05 43 2521 0712 05
ÇÂ-45/40 43 2541 9906 04 43 2521 0714 03
ÇÍ-29/32 43 2541 9916 02 43 2521 0811 03
ÇÍ-45/40 43 2541 9917 01 43 2521 0812 02
Í1-14/23-14/23-14/23 43 2541 9972 05 43 2521 0821 01
Í1-19/26-14/23-14/23 43 2541 9973 04 43 2521 0822 00
Í1-29/32-14/23-14/23 43 2541 9974 03 43 2521 0823 10
Í2-14/23-14/23 43 2541 9988 08 43 2521 0841 08
Í2-19/26-14/23 43 2541 9989 07 43 2521 0842 07
Í2-29/32-14/23 43 2541 9990 03 43 2521 0843 06
Í3-14/22 43 2541 0148 10 43 2521 2202 03
Í3-29/32 43 2541 0149 09 43 2521 2203 02
(Èçìåíåííàÿ
ðåäàêöèÿ, Èçì. N 1, 2, 4).
Ïðèëîæåíèå
10
Ñïðàâî÷íîå
ÊÎÄÛ ÎÊÏ ÍÀ
ÒÐÓÁÊÈ ÑÎÅÄÈÍÈÒÅËÜÍÛÅ
────────────────────────────────┬─────────────────────────────────
Îáîçíà÷åíèå òðóáîê │ Êîä ÎÊÏ
────────────────────────────────┴─────────────────────────────────
ÒÑ-Ò-6 43 2511 0111 08
ÒÑ-Ò-10 43 2511 0112 07
ÒÑ-Ò-15 43 2511 0113 06
ÒÑ-Ó-6 43 2511 0211 05
ÒÑ-Ó-10 43 2511 0212 04
ÒÑ-Ó-15 43 2511 0213 03
ÒÑ-Â-6 43 2511 0011 00
ÒÑ-Â-10 43 2511 0012 10
ÒÑ-Â-15 43 2511 0013 09
ÒÕ-Ï-1-13 43 2515 0014 10
ÒÕ-Ï-1-17 43 2515 0011 02
ÒÕ-Ï-1-25 43 2515 0012 01
ÒÕ-Ï-1-30 43 2515 0013 00
ÒÕ-Ï-2-13 43 2525 0013 05
ÒÕ-Ï-2-17 43 2525 0011 07
ÒÕ-Ï-2-19 43 2525 0012 06
ÒÑ-Ï 43 2511 0002 01
43 2525 0001 09
ÒÕ-U-1-60 43 2515 0034 06
ÒÕ-U-1-100 43 2515 0031 09
ÒÕ-U-1-150 43 2515 0032 08
ÒÕ-U-1-200 43 2515 0033 07
ÒÕ-U-2-60 43 2515 0054 02
ÒÕ-U-2-100 43 2515 0051 05
ÒÕ-U-2-150 43 2515 0052 04
ÒÕ-U-2-200 43 2515 0053 03
ÒÕ-U-3-60 43 2515 0114 07
ÒÕ-U-3-100 43 2515 0111 10
ÒÕ-U-3-150 43 2515 0112 09
ÒÕ-U-3-200 43 2515 0113 08
Ïðèëîæåíèå
11
Ñïðàâî÷íîå
ÊÎÄÛ ÎÊÏ ÍÀ
ÂÎÐÎÍÊÈ
────────────────────────────────┬─────────────────────────────────
Îáîçíà÷åíèå âîðîíîê │ Êîä ÎÊÏ
────────────────────────────────┼─────────────────────────────────
Â-25-38 │ 43 2514 0117 09
Â-36-50 │ 43 2514 0111 04
Â-56-80 │ 43 2514 0112 03
Â-75-140 │ 43 2514 0118 08
Â-75-110 │ 43 2514 0113 02
Â-75-170 │ 43 2514 0119 07
Â-100-150 │ 43 2514 0114 01
Â-100-200 │ 43 2514 0151 07
Â-150-230 │ 43 2514 0115 00
Â-250-345 │ 43 2514 0116 10
ÂÄ-1-10 │ 43 2514 0116 04
ÂÄ-1-25 │ 43 2514 0117 03
ÂÄ-1-50 │ 43 2514 0111 09
ÂÄ-1-100 │ 43 2514 0112 08
ÂÄ-1-250 │ 43 2514 0113 07
ÂÄ-1-500 │ 43 2514 0114 06
ÂÄ-1-1000 │ 43 2514 0115 05
ÂÄ-2-10 │ 43 2514 0214 03
ÂÄ-2-25 │ 43 2514 0215 02
ÂÄ-2-50 │ 43 2514 0211 06
ÂÄ-2-100 │ 43 2514 0212 05
ÂÄ-2-250 │ 43 2514 0213 04
ÂÄ-2-500 │ 43 2514 0216 01
ÂÄ-2-1000 │ 43 2524 0217 00
ÂÄ-3-50 │ 43 2524 0011 01
ÂÄ-3-100 │ 43 2524 0012 00
ÂÄ-3-250 │ 43 2524 0013 10
ÂÄ-3-500 │ 43 2524 0014 09
ÂÄ-3-1000 │ 43 2524 0015 08
ÂÄ-3-2000 │ 43 2524 0003 01
ÂÊ-10 │ 43 2524 0041 06
ÂÊ-25 │ 43 2524 0042 05
ÂÊ-50 │ 43 2524 0043 04
ÂÊ-100 │ 43 2524 0044 03
ÂÊ-250 │ 43 2524 0045 02
ÂÊ-500 │ 43 2524 0046 01
ÂÏ │ 43 2524 0002 02
ÂÏð-1 │ 43 2514 0036 09
ÂÏð-2 │ 43 2514 0041 01
ÂÑ │ 43 2514 0031 03
ÂÑÏ │ 43 2514 0001 09
ÂÔ-1-56 │ 43 2514 0021 05
ÂÔ-1-75 │ 43 2514 0022 04
ÂÔ-2-75 │ 43 2514 0012 06
ÂÔ-2-110 │ 43 2514 0011 07
ÂÔ-3-100 │ 43 2524 0065 09
(Èçìåíåííàÿ
ðåäàêöèÿ, Èçì. N 1).
Ïðèëîæåíèå
12
Ñïðàâî÷íîå
ÊÎÄÛ ÎÊÏ ÍÀ
ÔÈËÜÒÐÛ È ÈÇÄÅËÈß Ñ ÔÈËÜÒÐÀÌÈ
───────────────────────────────────┬──────────────────────────────
Îáîçíà÷åíèå ôèëüòðà èëè èçäåëèÿ │ Êîä ÎÊÏ
ñ ôèëüòðîì │
───────────────────────────────────┼──────────────────────────────
ÔÊÏ-10-ÏÎÐ
500 │ 43 2514 0813 03
ÔÊÏ-10-ÏÎÐ
250 │ 43 2514 0814 02
ÔÊÏ-10-ÏÎÐ
160 │ 43 2514 0815 01
ÔÊÏ-10-ÏÎÐ
100 │ 43 2514 0816 00
ÔÊÏ-10-ÏÎÐ
40 │ 43 2514 0817 10
ÔÊÏ-10-ÏÎÐ
16 │ 43 2514 0818 09
ÔÊÏ-10-ÏÎÐ
10 │ 43 2514 0819 08
ÔÊÏ-10-ÏÎÐ
3,0 │ 43 2514 0820 04
ÔÊÏ-10-ÏÎÐ
1,6 │ 43 2514 0821 03
ÔÊÏ-10-ÏÎÐ
1,0 │ 43 2514 0822 02
ÔÊÏ-20-ÏÎÐ
500 │ 43 2514 0823 01
ÔÊÏ-20-ÏÎÐ
250 │ 43 2514 0824 00
ÔÊÏ-20-ÏÎÐ
160 │ 43 2514 0801 07
ÔÊÏ-20-ÏÎÐ
100 │ 43 2514 0804 04
ÔÊÏ-20-ÏÎÐ
40 │ 43 2514 0807 01
ÔÊÏ-20-ÏÎÐ
16 │ 43 2514 0810 06
ÔÊÏ-20-ÏÎÐ
10 │ 43 2514 0825 10
ÔÊÏ-20-ÏÎÐ
3,0 │ 43 2514 0826 09
ÔÊÏ-20-ÏÎÐ
1,6 │ 43 2514 0827 08
ÔÊÏ-20-ÏÎÐ
1,0 │ 43 2514 0828 07
ÔÊÏ-32-ÏÎÐ
500 │ 43 2514 0829 06
ÔÊÏ-32-ÏÎÐ
250 │ 43 2514 0830 02
ÔÊÏ-32-ÏÎÐ
160 │ 43 2514 0802 06
ÔÊÏ-32-ÏÎÐ
100 │ 43 2514 0805 03
ÔÊÏ-32-ÏÎÐ
40 │ 43 2514 0808 00
ÔÊÏ-32-ÏÎÐ
16 │ 43 2514 0811 05
ÔÊÏ-32-ÏÎÐ
10 │ 43 2514 0831 01
ÔÊÏ-32-ÏÎÐ
3,0 │ 43 2514 0832 00
ÔÊÏ-32-ÏÎÐ
1,6 │ 43 2514 0833 10
ÔÊÏ-32-ÏÎÐ
1,0 │ 43 2514 0834 09
ÔÊÏ-40-ÏÎÐ
500 │ 43 2514 0835 08
ÔÊÏ-40-ÏÎÐ
250 │ 43 2514 0836 07
ÔÊÏ-40-ÏÎÐ
160 │ 43 2514 0803 05
ÔÊÏ-40-ÏÎÐ
100 │ 43 2514 0806 02
ÔÊÏ-40-ÏÎÐ
40 │ 43 2514 0809 10
ÔÊÏ-40-ÏÎÐ
16 │ 43 2514 0812 04
ÔÊÏ-40-ÏÎÐ
10 │ 43 2514 0837 06
ÔÊÏ-40-ÏÎÐ
3,0 │ 43 2514 0838 05
ÔÊÏ-40-ÏÎÐ
1,6 │ 43 2514 0839 04
ÔÊÏ-40-ÏÎÐ
1,0 │ 43 2514 0840 00
ÔÊÏ-50-ÏÎÐ
500 │ 43 2514 0841 10
ÔÊÏ-50-ÏÎÐ
250 │ 43 2514 0842 09
ÔÊÏ-50-ÏÎÐ
160 │ 43 2514 0843 08
ÔÊÏ-50-ÏÎÐ
100 │ 43 2514 0844 07
ÔÊÏ-50-ÏÎÐ
40 │ 43 2514 0845 06
ÔÊÏ-50-ÏÎÐ
16 │ 43 2514 0846 05
ÔÊÏ-50-ÏÎÐ
10 │ 43 2514 0847 04
ÔÊÏ-50-ÏÎÐ
3,0 │ 43 2514 0848 03
ÔÊÏ-50-ÏÎÐ
1,6 │ 43
2514 0849 02
ÔÊÏ-50-ÏÎÐ
1,0 │ 43 2514 0850 09
ÔÊÏ-60-ÏÎÐ
500 │ 43 2514 0851 08
ÔÊÏ-60-ÏÎÐ
250 │ 43 2514 0852 07
ÔÊÏ-60-ÏÎÐ
160 │ 43 2514 0853 06
ÔÊÏ-60-ÏÎÐ
100 │ 43 2514 0854 05
ÔÊÏ-60-ÏÎÐ
40 │ 43 2514 0855 04
ÔÊÏ-60-ÏÎÐ
16 │ 43 2514 0856 03
ÔÊÏ-60-ÏÎÐ
10 │ 43 2514 0857 02
ÔÊÏ-60-ÏÎÐ
3,0 │ 43 2514 0858 01
ÔÊÏ-60-ÏÎÐ
1,6 │ 43 2514 0859 00
ÔÊÏ-60-ÏÎÐ
1,0 │ 43 2514 0860 07
ÔÊÏ-90-ÏÎÐ
300 │ 43 2514 0861 06
ÔÊÏ-90-ÏÎÐ
250 │ 43
2514 0862 05
ÔÊÏ-90-ÏÎÐ
160 │ 43 2514 0863 04
ÔÊÏ-90-ÏÎÐ
100 │ 43 2514 0864 03
ÔÊÏ-90-ÏÎÐ
40 │ 43 2514 0865 02
ÔÊÏ-90-ÏÎÐ
16 │ 43 2514 0866 01
ÔÊÏ-90-ÏÎÐ
10 │ 43 2514 0867 00
ÔÊÏ-90-ÏÎÐ
3,0 │ 43 2514 0868 10
ÔÊÏ-90-ÏÎÐ
1,6 │ 43 2514 0869 09
ÔÊÏ-90-ÏÎÐ
1,0 │ 43 2514 0870 05
ÔÊÏ-125-ÏÎÐ
500 │ 43 2514 0871 04
ÔÊÏ-125-ÏÎÐ
250 │ 43 2514 0872 03
ÔÊÏ-125-ÏÎÐ
160 │ 43 2514 0873 02
ÔÊÏ-125-ÏÎÐ
100 │ 43 2514 0874 01
ÔÊÏ-125-ÏÎÐ
40 │ 43
2514 0875 00
ÔÊÏ-125-ÏÎÐ
16 │ 43 2514 0876 10
ÔÊÏ-125-ÏÎÐ
10 │ 43 2514 0877 09
ÔÊÏ-125-ÏÎÐ
3,0 │ 43 2514 0878 08
ÔÊÏ-125-ÏÎÐ
1,6 │ 43 2514 0879 07
ÔÊÏ-125-ÏÎÐ
1,0 │ 43 2514 0880 03
ÔÊÏ-160-ÏÎÐ
500 │ 43 2514 0881 02
ÔÊÏ-160-ÏÎÐ
250 │ 43 2514 0882 01
ÔÊÏ-160-ÏÎÐ
160 │ 43 2514 0883 00
ÔÊÏ-160-ÏÎÐ
100 │ 43 2514 0884 10
ÔÊÏ-160-ÏÎÐ
40 │ 43 2514 0885 09
ÔÊÏ-160-ÏÎÐ
16 │ 43 2514 0886 08
ÔÊÏ-160-ÏÎÐ
10 │ 43 2514 0887 07
ÔÊÏ-160-ÏÎÐ
3,0 │ 43
2514 0888 06
ÔÊÏ-160-ÏÎÐ
1,6 │ 43 2514 0889 05
ÔÊÏ-160-ÏÎÐ
1,0 │ 43 2514 0890 01
ÔÊÏ-180-ÏÎÐ
500 │ 43 2514 0891 00
ÔÊÏ-180-ÏÎÐ
250 │ 43 2514 0892 10
ÔÊÏ-180-ÏÎÐ
160 │ 43 2514 0893 09
ÔÊÏ-180-ÏÎÐ
100 │ 43 2514 0894 08
ÔÊÏ-180-ÏÎÐ
40 │ 43 2514 0895 07
ÔÊÏ-180-ÏÎÐ
16 │ 43 2514 0896 06
ÔÊÏ-180-ÏÎÐ
10 │ 43 2514 0897 05
ÔÊÏ-180-ÏÎÐ
3,0 │ 43 2514 0898 04
ÔÊÏ-180-ÏÎÐ
1,6 │ 43 2514 0899 03
ÔÊÏ-180-ÏÎÐ
1,0 │ 43 2514 0901 04
ÔÊÏ-220-ÏÎÐ
500 │ 43
2514 0902 03
ÔÊÏ-220-ÏÎÐ
250 │ 43 2514 0903 02
ÔÊÏ-220-ÏÎÐ
160 │ 43 2514 0904 01
ÔÊÏ-220-ÏÎÐ
100 │ 43 2514 0905 00
ÔÊÏ-220-ÏÎÐ
40 │ 43 2514 0906 10
ÔÊÏ-220-ÏÎÐ
16 │ 43 2514 0907 09
ÔÊÏ-220-ÏÎÐ
10 │ 43 2514 0908 08
ÔÊÏ-220-ÏÎÐ
3,0 │ 43 2514 0909 07
ÔÊÏ-220-ÏÎÐ
1,6 │ 43 2514 0910 03
ÔÊÏ-220-ÏÎÐ
1,0 │ 43 2514 0911 02
ÔÊÂ-60-ÏÎÐ
500 │ 43 2514 2003 10
ÔÊÂ-60-ÏÎÐ
250 │ 43 2514 2004 09
ÔÊÂ-60-ÏÎÐ
160 │ 43 2514 2005 08
ÔÊÂ-60-ÏÎÐ
100 │ 43 2514 2006 07
ÔÊÂ-60-ÏÎÐ
40 │ 43 2514 2007 06
ÔÊÂ-60-ÏÎÐ
16 │ 43 2514 2008 05
ÔÊÂ-60-ÏÎÐ
10 │ 43 2514 2009 04
ÔÊÂ-60-ÏÎÐ
3,0 │ 43 2514 2010 00
ÔÊÂ-60-ÏÎÐ
1,6 │ 43 2514 2011 10
ÔÊÂ-60-ÏÎÐ
1,0 │ 43 2514 2012 09
ÔÊÂ-90-ÏÎÐ
500 │ 43 2514 2013 08
ÔÊÂ-90-ÏÎÐ
250 │ 43 2514 2014 07
ÔÊÂ-90-ÏÎÐ
160 │ 43 2514 2015 06
ÔÊÂ-90-ÏÎÐ
100 │ 43 2514 2016 05
ÔÊÂ-90-ÏÎÐ
40 │ 43 2514 2017 04
ÔÊÂ-90-ÏÎÐ
16 │ 43 2514 2018 03
ÔÊÂ-90-ÏÎÐ
10 │ 43 2514 2019 02
ÔÊÂ-90-ÏÎÐ
3,0 │ 43 2514 2020 09
ÔÊÂ-90-ÏÎÐ
1,6 │ 43 2514 2021 08
ÔÊÂ-90-ÏÎÐ
1,0 │ 43 2514 2022 07
ÔÊÂ-125-ÏÎÐ
500 │ 43 2514 2023 06
ÔÊÂ-125-ÏÎÐ
250 │ 43 2514 2024 05
ÔÊÂ-125-ÏÎÐ
160 │ 43 2514 2025 04
ÔÊÂ-125-ÏÎÐ
100 │ 43 2514 2026 03
ÔÊÂ-125-ÏÎÐ
40 │ 43 2514 2027 02
ÔÊÂ-125-ÏÎÐ
16 │ 43 2514 2028 01
ÔÊÂ-125-ÏÎÐ
10 │ 43 2514 2029 00
ÔÊÂ-125-ÏÎÐ
3,0 │ 43 2514 2030 07
ÔÊÂ-125-ÏÎÐ
1,6 │ 43 2514 2031 06
ÔÊÂ-125-ÏÎÐ
1,0 │ 43 2514 2032 05
ÔÊÂ-160-ÏÎÐ
500 │ 43 2514 2033 04
ÔÊÂ-160-ÏÎÐ
250 │ 43 2514 2034 03
ÔÊÂ-160-ÏÎÐ
160 │ 43 2514 2035 02
ÔÊÂ-160-ÏÎÐ
100 │ 43 2514 2036 01
ÔÊÂ-160-ÏÎÐ
40 │ 43 2514 2037 00
ÔÊÂ-160-ÏÎÐ
16 │ 43 2514 2038 10
ÔÊÂ-160-ÏÎÐ
10 │ 43 2514 2039 09
ÔÊÂ-160-ÏÎÐ
3,0 │ 43 2514 2040 05
ÔÊÂ-160-ÏÎÐ-1,6 │ 43 2514 2041 04
ÔÊÂ-160-ÏÎÐ-1,0 │ 43 2514 2042 03
ÔÊÂ-180-ÏÎÐ
500 │ 43 2514 2043 02
ÔÊÂ-180-ÏÎÐ
250 │ 43 2514 2044 01
ÔÊÂ-180-ÏÎÐ
160 │ 43 2514 2045 00
ÔÊÂ-180-ÏÎÐ
100 │ 43 2514 2046 10
ÔÊÂ-180-ÏÎÐ
40 │ 43 2514 2047 09
ÔÊÂ-180-ÏÎÐ
16 │ 43 2514 2048 08
ÔÊÂ-180-ÏÎÐ
10 │ 43 2514 2049 07
ÔÊÂ-180-ÏÎÐ
3,0 │ 43 2514 2050 03
ÔÊÂ-180-ÏÎÐ
1,6 │ 43 2514 2051 02
ÔÊÂ-180-ÏÎÐ
1,0 │ 43 2514 2052 01
ÔÊÂ-220-ÏÎÐ
500 │ 43 2514 2053 00
ÔÊÂ-220-ÏÎÐ
250 │ 43 2514 2054 10
ÔÊÂ-220-ÏÎÐ
160 │ 43 2514 2055 09
ÔÊÂ-220-ÏÎÐ
100 │ 43 2514 2056 08
ÔÊÂ-220-ÏÎÐ
40 │ 43 2514 2057 07
ÔÊÂ-220-ÏÎÐ
16 │ 43 2514 2058 06
ÔÊÂ-220-ÏÎÐ
10 │ 43 2514 2059 05
ÔÊÂ-220-ÏÎÐ
3,0 │ 43 2514 2060 01
ÔÊÂ-220-ÏÎÐ
1,6 │ 43 2514 2061 00
ÔÊÂ-220-ÏÎÐ
1,0 │ 43 2514 2062 10
ÔÊ-100-100-ÏÎÐ
500 │ 43 2514 2202 05
ÔÊ-100-100-ÏÎÐ
250 │ 43 2514 2203 04
ÔÊ-100-100-ÏÎÐ
160 │ 43 2514 2204 03
ÔÊ-100-100-ÏÎÐ
100 │ 43 2514 2205 02
ÔÊ-100-100-ÏÎÐ
40 │ 43 2514 2206 01
ÔÊ-100-100-ÏÎÐ
16 │ 43 2514 2207 00
ÔÊ-100-100-ÏÎÐ
10 │ 43 2514 2208 10
ÔÊ-100-100-ÏÎÐ
3,0 │ 43 2514 2209 09
ÔÊ-100-100-ÏÎÐ
1,6 │ 43 2514 2210 05
ÔÊ-100-100-ÏÎÐ
1,0 │ 43 2514 2211 04
ÔÊ-200-200-ÏÎÐ
500 │ 43 2514 2212 03
ÔÊ-200-200-ÏÎÐ
250 │ 43 2514 2213 02
ÔÊ-200-200-ÏÎÐ
160 │ 43 2514 2214 01
ÔÊ-200-200-ÏÎÐ
100 │ 43 2514 2215 00
ÔÊ-200-200-ÏÎÐ
40 │ 43 2514 2216 10
ÔÊ-200-200-ÏÎÐ
16 │ 43 2514 2217 09
ÔÊ-200-200-ÏÎÐ
10 │ 43 2514 2218 08
ÔÊ-200-200-ÏÎÐ
3,0 │ 43 2514 2219 07
ÔÊ-200-200-ÏÎÐ
1,6 │ 43 2514 2220 03
ÔÊ-200-200-ÏÎÐ
1,0 │ 43 2514 2221 02
ÔÊ-250-250-ÏÎÐ
500 │ 43 2514 2222 01
ÔÊ-250-250-ÏÎÐ
250 │ 43 2514 2223 00
ÔÊ-250-250-ÏÎÐ
160 │ 43 2514 2224 10
ÔÊ-250-250-ÏÎÐ
100 │ 43 2514 2225 09
ÔÊ-250-250-ÏÎÐ
40 │ 43 2514 2226 08
ÔÊ-250-250-ÏÎÐ
16 │ 43 2514 2227 07
ÔÊ-250-250-ÏÎÐ
10 │ 43 2514 2228 06
ÔÊ-250-250-ÏÎÐ
3,0 │ 43 2514 2229 05
ÔÊ-250-250-ÏÎÐ
1,6 │ 43 2514 2230 01
ÔÊ-250-250-ÏÎÐ
1,0 │ 43 2514 2231 00
ÔÏ-200-100-ÏÎÐ
500 │ 43 2514 2302 02
ÔÏ-200-100-ÏÎÐ
250 │ 43 2514 2303 01
ÔÏ-200-100-ÏÎÐ
160 │ 43 2514 2304 00
ÔÏ-200-100-ÏÎÐ
100 │ 43 2514 2305 10
ÔÏ-200-100-ÏÎÐ
40 │ 43 2514 2306 09
ÔÏ-200-100-ÏÎÐ
16 │ 43 2514 2307 08
ÔÏ-200-100-ÏÎÐ
10 │ 43 2514 2308 07
ÔÏ-200-100-ÏÎÐ
3,0 │ 43 2514 2309 06
ÔÏ-200-100-ÏÎÐ
1,6 │ 43 2514 2310 02
ÔÏ-200-100-ÏÎÐ
1,0 │ 43 2514 2311 01
ÔÏ-250-125-ÏÎÐ
500 │ 43 2514 2312 00
ÔÏ-250-125-ÏÎÐ
250 │ 43 2514 2313 10
ÔÏ-250-125-ÏÎÐ
160 │ 43 2514 2314 09
ÔÏ-250-125-ÏÎÐ
100 │ 43 2514 2315 08
ÔÏ-250-125-ÏÎÐ
40 │ 43 2514 2316 07
ÔÏ-250-125-ÏÎÐ
16 │ 43 2514 2317 06
ÔÏ-250-125-ÏÎÐ
10 │ 43 2514 2318 05
ÔÏ-250-125-ÏÎÐ
3,0 │ 43 2514 2319 04
ÔÏ-250-125-ÏÎÐ
1,6 │ 43 2514 2320 00
ÔÏ-250-125-ÏÎÐ
1,0 │ 43 2514 2321 10
ÔÏÖ-28-ÏÎÐ
500 │ 43 2514 2402 10
ÔÏÖ-28-ÏÎÐ
250 │ 43 2514 2403 09
ÔÏÖ-28-ÏÎÐ
160 │ 43 2514 2404 08
ÔÏÖ-28-ÏÎÐ
100 │ 43 2514 2405 07
ÔÏÖ-28-ÏÎÐ
40 │ 43 2514 2406 06
ÔÏÖ-28-ÏÎÐ
16 │ 43 2514 2407 05
ÔÏÖ-28-ÏÎÐ
10 │
43 2514 2408 04
ÔÏÖ-28-ÏÎÐ
3,0 │ 43 2514 2409 03
ÔÏÖ-28-ÏÎÐ
1,6 │ 43 2514 2410 10
ÔÏÖ-28-ÏÎÐ
1,0 │ 43 2514 2411 09
ÔÏÖ-37-ÏÎÐ
500 │ 43 2514 2412 08
ÔÏÖ-37-ÏÎÐ
250 │ 43 2514 2413 07
ÔÏÖ-37-ÏÎÐ
160 │ 43 2514 2414 06
ÔÏÖ-37-ÏÎÐ
100 │ 43 2514 2415 05
ÔÏÖ-37-ÏÎÐ
40 │ 43 2514 2416 04
ÔÏÖ-37-ÏÎÐ
16 │ 43 2514 2417 03
ÔÏÖ-37-ÏÎÐ
10 │ 43 2514 2418 02
ÔÏÖ-37-ÏÎÐ
3,0 │ 43 2514 2419 01
ÔÏÖ-37-ÏÎÐ
1,6 │ 43 2514 2420 08
ÔÏÖ-37-ÏÎÐ
1,0 │
43 2514 2421 07
ÔÏÖ-48-ÏÎÐ
500 │ 43 2514 2422 06
ÔÏÖ-48-ÏÎÐ
250 │ 43 2514 2423 05
ÔÏÖ-48-ÏÎÐ
160 │ 43 2514 2424 04
ÔÏÖ-48-ÏÎÐ
100 │ 43 2514 2425 03
ÔÏÖ-48-ÏÎÐ
40 │ 43 2514 2426 02
ÔÏÖ-48-ÏÎÐ
16 │ 43 2514 2427 01
ÔÏÖ-48-ÏÎÐ
10 │ 43 2514 2428 00
ÔÏÖ-48-ÏÎÐ
3,0 │ 43 2514 2429 10
ÔÏÖ-48-ÏÎÐ
1,6 │ 43 2514 2430 06
ÔÏÖ-48-ÏÎÐ
1,0 │ 43 2514 2431 05
ÔÏÖ-57-ÏÎÐ
500 │ 43 2514 2432 04
ÔÏÖ-57-ÏÎÐ
250 │ 43 2514 2433 03
ÔÏÖ-57-ÏÎÐ
160 │
43 2514 2434 02
ÔÏÖ-57-ÏÎÐ
100 │ 43 2514 2435 01
ÔÏÖ-57-ÏÎÐ
40 │ 43 2514 2436 00
ÔÏÖ-57-ÏÎÐ
16 │ 43 2514 2437 10
ÔÏÖ-57-ÏÎÐ
10 │ 43 2514 2438 09
ÔÏÖ-57-ÏÎÐ
3,0 │ 43 2514 2439 08
ÔÏÖ-57-ÏÎÐ
1,6 │ 43 2514 2440 04
ÔÏÖ-57-ÏÎÐ
1,0 │ 43 2514 2441 03
ÔÏÊ-28-ÏÎÐ
500 │ 43 2514 2502 07
ÔÏÊ-28-ÏÎÐ
250 │ 43 2514 2503 06
ÔÏÊ-28-ÏÎÐ
160 │ 43 2514 2504 05
ÔÏÊ-28-ÏÎÐ
100 │ 43 2514 2505 04
ÔÏÊ-28-ÏÎÐ
40 │ 43 2514 2506 03
ÔÏÊ-28-ÏÎÐ
16 │ 43 2514 2507 02
ÔÏÊ-28-ÏÎÐ
10 │ 43 2514 2508 01
ÔÏÊ-28-ÏÎÐ
3,0 │ 43 2514 2509 00
ÔÏÊ-28-ÏÎÐ
1,6 │ 43 2514 2510 07
ÔÏÊ-28-ÏÎÐ
1,0 │ 43 2514 2511 06
ÔÏÊ-32-ÏÎÐ
500 │ 43 2514 2512 05
ÔÏÊ-32-ÏÎÐ
250 │ 43 2514 2513 04
ÔÏÊ-32-ÏÎÐ
160 │ 43 2514 2514 03
ÔÏÊ-32-ÏÎÐ
100 │ 43 2514 2515 02
ÔÏÊ-32-ÏÎÐ
40 │ 43 2514 2516 01
ÔÏÊ-32-ÏÎÐ
16 │ 43 2514 2517 00
ÔÏÊ-32-ÏÎÐ
10 │ 43 2514 2518 10
ÔÏÊ-32-ÏÎÐ
3,0 │ 43 2514 2519 09
ÔÏÊ-32-ÏÎÐ
1,6 │ 43 2514 2520 05
ÔÏÊ-32-ÏÎÐ
1,0 │ 43 2514 2521 04
ÔÏÊ-36-ÏÎÐ
500 │ 43 2514 2522 03
ÔÏÊ-36-ÏÎÐ
250 │ 43 2514 2523 02
ÔÏÊ-36-ÏÎÐ
160 │ 43 2514 2524 01
ÔÏÊ-36-ÏÎÐ
100 │ 43 2514 2525 00
ÔÏÊ-36-ÏÎÐ
40 │ 43 2514 2526 10
ÔÏÊ-36-ÏÎÐ
16 │ 43 2514 2527 09
ÔÏÊ-36-ÏÎÐ
10 │ 43 2514 2528 08
ÔÏÊ-36-ÏÎÐ
3,0 │ 43 2514 2529 07
ÔÏÊ-36-ÏÎÐ
1,6 │ 43 2514 2530 03
ÔÏÊ-36-ÏÎÐ
1,0 │ 43 2514 2531 02
ÔÏÊ-38-ÏÎÐ
500 │ 43 2514 2532 01
ÔÏÊ-38-ÏÎÐ
250 │ 43 2514 2533 00
ÔÏÊ-38-ÏÎÐ
160 │ 43 2514 2534 10
ÔÏÊ-38-ÏÎÐ
100 │ 43 2514 2535 09
ÔÏÊ-38-ÏÎÐ
40 │ 43 2514 2536 08
ÔÏÊ-38-ÏÎÐ
16 │ 43 2514 2537 07
ÔÏÊ-38-ÏÎÐ
10 │ 43 2514 2538 06
ÔÏÊ-38-ÏÎÐ
3,0 │ 43 2514 2539 05
ÔÏÊ-38-ÏÎÐ
1,6 │ 43 2514 2540 01
ÔÏÊ-38-ÏÎÐ
1,0 │ 43 2514 2541 00
ÔÏÊ-55-ÏÎÐ
500 │ 43 2514 2542 10
ÔÏÊ-55-ÏÎÐ
250 │ 43 2514 2543 09
ÔÏÊ-55-ÏÎÐ
160 │ 43 2514 2544 08
ÔÏÊ-55-ÏÎÐ
100 │ 43 2514 2545 07
ÔÏÊ-55-ÏÎÐ
40 │ 43
2514 2546 06
ÔÏÊ-55-ÏÎÐ
16 │ 43 2514 2547 05
ÔÏÊ-55-ÏÎÐ
10 │ 43 2514 2548 04
ÔÏÊ-55-ÏÎÐ
3,0 │ 43 2514 2549 03
ÔÏÊ-55-ÏÎÐ
1,6 │ 43 2514 2550 10
ÔÏÊ-55-ÏÎÐ
1,0 │ 43 2514 2551 09
ÔÏÊ-85-ÏÎÐ
500 │ 43 2514 2552 08
ÔÏÊ-85-ÏÎÐ
250 │ 43 2514 2553 07
ÔÏÊ-85-ÏÎÐ
160 │ 43 2514 2554 06
ÔÏÊ-85-ÏÎÐ
100 │ 43 2514 2555 05
ÔÏÊ-85-ÏÎÐ
40 │ 43 2514 2556 04
ÔÏÊ-85-ÏÎÐ
16 │ 43 2514 2557 03
ÔÏÊ-85-ÏÎÐ
10 │ 43 2514 2558 02
ÔÏÊ-85-ÏÎÐ
3,0 │ 43
2514 2559 01
ÔÏÊ-85-ÏÎÐ
1,6 │ 43 2514 2560 08
ÔÏÊ-85-ÏÎÐ
1,0 │ 43 2514 2561 07
ÔÊÁ-ÏÎÐ
500 │ 43 2514 2703 00
ÔÊÁ-ÏÎÐ
250 │ 43 2514 2704 10
ÔÊÁ-ÏÎÐ
160 │ 43 2514 2705 09
ÔÊÁ-ÏÎÐ
100 │ 43 2514 2706 08
ÔÊÁ-ÏÎÐ
40 │ 43 2514 2707 07
ÔÊÁ-ÏÎÐ
16 │ 43 2514 2708 06
ÔÊÁ-ÏÎÐ
10 │ 43 2514 2709 05
ÔÊÁ-ÏÎÐ
3,0 │ 43 2514 2710 01
ÔÊÁ-ÏÎÐ
1,6 │ 43 2514 2711 02
ÔÊÁ-ÏÎÐ
1,0 │ 43 2514 2712 03
ÂÔ-1-10-ÏÎÐ
500 │ 43
2514 2801 10
ÂÔ-1-10-ÏÎÐ
250 │ 43 2514 2802 09
ÂÔ-1-10-ÏÎÐ
160 │ 43 2514 2803 08
ÂÔ-1-10-ÏÎÐ
100 │ 43 2514 2804 07
ÂÔ-1-10-ÏÎÐ
40 │ 43 2514 2805 06
ÂÔ-1-10-ÏÎÐ
16 │ 43 2514 2806 05
ÂÔ-1-10-ÏÎÐ
10 │ 43 2514 2807 04
ÂÔ-1-10-ÏÎÐ
3,0 │ 43 2514 2808 03
ÂÔ-1-10-ÏÎÐ
1,6 │ 43 2514 2809 02
ÂÔ-1-10-ÏÎÐ
1,0 │ 43 2514 2810 09
ÂÔ-1-20-ÏÎÐ
500 │ 43 2514 2811 08
ÂÔ-1-20-ÏÎÐ
250 │ 43 2514 2812 07
ÂÔ-1-20-ÏÎÐ
160 │ 43 2514 0202 02
ÂÔ-1-20-ÏÎÐ
100 │ 43
2514 0203 01
ÂÔ-1-20-ÏÎÐ
40 │ 43 2514 0204 00
ÂÔ-1-20-ÏÎÐ
16 │ 43 2514 0205 10
ÂÔ-1-20-ÏÎÐ
10 │ 43 2514 2813 06
ÂÔ-1-20-ÏÎÐ
3,0 │ 43 2514 2814 05
ÂÔ-1-20-ÏÎÐ
1,6 │ 43 2514 2815 04
ÂÔ-1-20-ÏÎÐ
1,0 │ 43 2514 2816 03
ÂÔ-1-32-ÏÎÐ
500 │ 43 2514 2817 02
ÂÔ-1-32-ÏÎÐ
250 │ 43 2514 2818 01
ÂÔ-1-32-ÏÎÐ
160 │ 43 2514 0206 09
ÂÔ-1-32-ÏÎÐ
100 │ 43 2514 0207 08
ÂÔ-1-32-ÏÎÐ
40 │ 43 2514 0208 07
ÂÔ-1-32-ÏÎÐ
16 │ 43 2514 0209 06
ÂÔ-1-32-ÏÎÐ
10 │ 43
2514 2819 00
ÂÔ-1-32-ÏÎÐ
3,0 │ 43 2514 2820 07
ÂÔ-1-32-ÏÎÐ
1,6 │ 43 2514 2821 06
ÂÔ-1-32-ÏÎÐ
1,0 │ 43 2514 2822 05
ÂÔ-1-40-ÏÎÐ
500 │ 43 2514 2823 04
ÂÔ-1-40-ÏÎÐ
250 │ 43 2514 2824 03
ÂÔ-1-40-ÏÎÐ
160 │ 43 2514 0210 02
ÂÔ-1-40-ÏÎÐ
100 │ 43 2514 0211 01
ÂÔ-1-40-ÏÎÐ
40 │ 43 2514 0212 00
ÂÔ-1-40-ÏÎÐ
16 │ 43 2514 0213 10
ÂÔ-1-40-ÏÎÐ
10 │ 43 2514 2825 02
ÂÔ-1-40-ÏÎÐ
3,0 │ 43 2514 2826 01
ÂÔ-1-40-ÏÎÐ
1,6 │ 43 2514 2827 00
ÂÔ-1-40-ÏÎÐ
1,0 │ 43 2514 2828 10
ÂÔ-1-60-ÏÎÐ
500 │ 43 2514 2829 09
ÂÔ-1-60-ÏÎÐ
250 │ 43 2514 2830 05
ÂÔ-1-60-ÏÎÐ
160 │ 43 2514 2831 04
ÂÔ-1-60-ÏÎÐ
100 │ 43 2514 2832 03
ÂÔ-1-60-ÏÎÐ
40 │ 43 2514 2833 02
ÂÔ-1-60-ÏÎÐ
16 │ 43 2514 2834 01
ÂÔ-1-60-ÏÎÐ
10 │ 43 2514 2835 00
ÂÔ-1-60-ÏÎÐ
3,0 │ 43 2514 2836 10
ÂÔ-1-60-ÏÎÐ
1,6 │ 43 2514 2837 09
ÂÔ-1-60-ÏÎÐ
1,0 │ 43 2514 2838 08
ÂÔ-1-90-ÏÎÐ
500 │ 43 2514 2839 07
ÂÔ-1-90-ÏÎÐ
250 │ 43 2514 2840 03
ÂÔ-1-90-ÏÎÐ
160 │ 43 2514 2841 02
ÂÔ-1-90-ÏÎÐ
100 │ 43 2514 2842 01
ÂÔ-1-90-ÏÎÐ
40 │ 43 2514 2843 00
ÂÔ-1-90-ÏÎÐ
16 │ 43 2514 2844 10
ÂÔ-1-90-ÏÎÐ
10 │ 43 2514 2845 09
ÂÔ-1-90-ÏÎÐ
3,0 │ 43 2514 2846 08
ÂÔ-1-90-ÏÎÐ
1,6 │ 43 2514 2847 07
ÂÔ-1-90-ÏÎÐ
1,0 │ 43 2514 2848 06
ÂÔ-1-125-ÏÎÐ
500 │ 43 2514 2849 05
ÂÔ-1-125-ÏÎÐ
250 │ 43 2514 2850 01
ÂÔ-1-125-ÏÎÐ
160 │ 43 2514 2851 00
ÂÔ-1-125-ÏÎÐ
100 │ 43 2514 2852 10
ÂÔ-1-125-ÏÎÐ
40 │ 43 2514 2853 09
ÂÔ-1-125-ÏÎÐ
16 │ 43 2514 2854 08
ÂÔ-1-125-ÏÎÐ
10 │ 43 2514 2855 07
ÂÔ-1-125-ÏÎÐ
3,0 │ 43 2514 2856 06
ÂÔ-1-125-ÏÎÐ
1,6 │ 43 2514 2857 05
ÂÔ-1-125-ÏÎÐ
1,0 │ 43 2514 2858 04
ÂÔ-1-160-ÏÎÐ
500 │ 43 2514 2859 03
ÂÔ-1-160-ÏÎÐ
250 │ 43 2514 2860 10
ÂÔ-1-160-ÏÎÐ
160 │ 43 2514 2861 09
ÂÔ-1-160-ÏÎÐ
100 │ 43 2514 2862 08
ÂÔ-1-160-ÏÎÐ
40 │ 43 2514 2863 07
ÂÔ-1-160-ÏÎÐ
16 │ 43 2514 2864 06
ÂÔ-1-160-ÏÎÐ
10 │ 43 2514 2865 05
ÂÔ-1-160-ÏÎÐ
3,0 │ 43 2514 2866 04
ÂÔ-1-160-ÏÎÐ
1,6 │ 43 2514 2867 03
ÂÔ-1-160-ÏÎÐ
1,0 │ 43 2514 2868 02
ÂÔ-2-10-ÏÎÐ
500-14/23 │ 43 2514 0341 08
ÂÔ-2-10-ÏÎÐ
250-14/23 │ 43 2514 0342 07
ÂÔ-2-10-ÏÎÐ
160-14/23 │ 43 2514 0343 06
ÂÔ-2-10-ÏÎÐ
100-14/23 │ 43 2514 0344 05
ÂÔ-2-10-ÏÎÐ
40-14/23 │ 43 2514 0345 04
ÂÔ-2-10-ÏÎÐ
16-14/23 │ 43 2514 0346 03
ÂÔ-2-10-ÏÎÐ
3,0-14/23 │ 43 2514 0348 01
ÂÔ-2-10-ÏÎÐ
1,6-14/23 │ 43 2524 0349 00
ÂÔ-2-10-ÏÎÐ
1,0-14/23 │ 43 2524 0350 07
ÂÔ-2-20-ÏÎÐ
500-14/23 │ 43 2524 0351 06
ÂÔ-2-20-ÏÎÐ
250-14/23 │ 43 2524 0352 05
ÂÔ-2-20-ÏÎÐ
160-14/23 │ 43 2524 0302 04
ÂÔ-2-20-ÏÎÐ
100-14/23 │ 43 2524 0303 03
ÂÔ-2-20-ÏÎÐ
40-14/23 │ 43 2524 0304 02
ÂÔ-2-20-ÏÎÐ
16-14/23 │ 43 2524 0305 01
ÂÔ-2-20-ÏÎÐ
10-14/23 │ 43 2524 0353 04
ÂÔ-2-20-ÏÎÐ
3,0-14/23 │ 43 2524 0354 03
ÂÔ-2-20-ÏÎÐ
1,6-14/23 │ 43 2524 0355 02
ÂÔ-2-20-ÏÎÐ
1,0-14/23 │ 43 2524 0356 01
ÂÔ-2-32-ÏÎÐ
500-14/23 │ 43 2524 0357 00
ÂÔ-2-32-ÏÎÐ
250-14/23 │ 43 2524 0358 10
ÂÔ-2-32-ÏÎÐ
160-14/23 │ 43 2524 0306 00
ÂÔ-2-32-ÏÎÐ
100-14/23 │ 43 2524 0307 10
ÂÔ-2-32-ÏÎÐ
40-14/23 │ 43 2524 0308 09
ÂÔ-2-32-ÏÎÐ
16-14/23 │ 43 2524 0309 08
ÂÔ-2-32-ÏÎÐ
10-14/23 │ 43 2524 0359 09
ÂÔ-2-32-ÏÎÐ
3,0-14/23 │ 43 2524 0360 05
ÂÔ-2-32-ÏÎÐ
1,6-14/23 │ 43 2524 0361 04
ÂÔ-2-32-ÏÎÐ
1,0-14/23 │ 43 2524 0362 03
ÂÔ-2-40-ÏÎÐ
500-19/26 │ 43 2524 0363 02
ÂÔ-2-40-ÏÎÐ
250-19/26 │ 43 2524 0364 01
ÂÔ-2-40-ÏÎÐ
160-19/26 │ 43 2524 0310 04
ÂÔ-2-40-ÏÎÐ
100-19/26 │ 43 2524 0311 03
ÂÔ-2-40-ÏÎÐ
40-19/26 │ 43 2524 0312 02
ÂÔ-2-40-ÏÎÐ
16-19/26 │ 43 2524 0313 01
ÂÔ-2-40-ÏÎÐ
10-19/26 │ 43 2524 0365 00
ÂÔ-2-40-ÏÎÐ
3,0-19/26 │ 43 2524 0366 10
ÂÔ-2-40-ÏÎÐ
1,6-19/26 │ 43 2524 0367 09
ÂÔ-2-40-ÏÎÐ
1,0-19/26 │ 43 2524 0368 08
ÂÔ-2-60-ÏÎÐ
500-19/26 │ 43 2524 0369 07
ÂÔ-2-60-ÏÎÐ
250-19/26 │ 43 2524 0370 03
ÂÔ-2-60-ÏÎÐ
160-19/26 │ 43 2524 0371 02
ÂÔ-2-60-ÏÎÐ
100-19/26 │ 43 2524 0372 01
ÂÔ-2-60-ÏÎÐ
40-19/26 │ 43 2524 0373 00
ÂÔ-2-60-ÏÎÐ
16-19/26 │ 43 2524 0374 10
ÂÔ-2-60-ÏÎÐ
10-19/26 │ 43 2524 0375 09
ÂÔ-2-60-ÏÎÐ
3,0-19/26 │ 43 2524 0376 08
ÂÔ-2-60-ÏÎÐ
1,6-19/26 │ 43 2524 0377 07
ÂÔ-2-60-ÏÎÐ
1,0-19/26 │ 43 2524 0378 06
ÂÔ-2-90-ÏÎÐ
500-29/32 │ 43 2524 0379 05
ÂÔ-2-90-ÏÎÐ
250-29/32 │ 43 2524 0380 01
ÂÔ-2-90-ÏÎÐ
160-29/32 │ 43 2524 0381 00
ÂÔ-2-90-ÏÎÐ
100-29/32 │ 43 2524 0382 10
ÂÔ-2-90-ÏÎÐ
40-29/32 │ 43 2524 0383 09
ÂÔ-2-90-ÏÎÐ
16-29/32 │ 43 2524 0384 08
ÂÔ-2-90-ÏÎÐ
10-29/32 │ 43 2524 0385 07
ÂÔ-2-90-ÏÎÐ
3,0-29/32 │ 43 2524 0386 06
ÂÔ-2-90-ÏÎÐ
1,6-29/32 │ 43 2524 0387 05
ÂÔ-2-90-ÏÎÐ
1,0-29/32 │ 43 2524 0388 04
ÂÔ-2-125-ÏÎÐ
500-29/32 │ 43 2524 0389 03
ÂÔ-2-125-ÏÎÐ
250-29/32 │ 43 2524 0390 10
ÂÔ-2-125-ÏÎÐ
160-29/32 │ 43 2524 0391 09
ÂÔ-2-125-ÏÎÐ
100-29/32 │ 43 2524 0392 08
ÂÔ-2-125-ÏÎÐ
40-29/32 │ 43 2524 0393 07
ÂÔ-2-125-ÏÎÐ
16-29/32 │ 43 2524 0394 06
ÂÔ-2-125-ÏÎÐ
10-29/32 │ 43 2524 0395 05
ÂÔ-2-125-ÏÎÐ
3,0-29/32 │ 43 2524 0396 04
ÂÔ-2-125-ÏÎÐ
1,6-29/32 │ 43 2524 0397 03
ÂÔ-2-125-ÏÎÐ
1,0-29/32 │ 43 2524 0398 02
ÂÔ-2-160-ÏÎÐ
500-29/32 │ 43 2524 0399 01
ÂÔ-2-160-ÏÎÐ
250-29/32 │ 43 2524 0401 02
ÂÔ-2-160-ÏÎÐ
160-29/32 │ 43 2524 0402 01
ÂÔ-2-160-ÏÎÐ
100-29/32 │
43 2524 0403 00
ÂÔ-2-160-ÏÎÐ
40-29/32 │ 43 2524 0404 10
ÂÔ-2-160-ÏÎÐ
16-29/32 │ 43 2524 0405 09
ÂÔ-2-160-ÏÎÐ
10-29/32 │ 43 2524 0406 08
ÂÔ-2-160-ÏÎÐ
3,0-29/32 │ 43 2524 0407 07
ÂÔ-2-160-ÏÎÐ
1,6-29/32 │ 43 2524 0408 06
ÂÔ-2-160-ÏÎÐ
1,0-29/32 │ 43 2524 0409 05
ÂÔÎ-10-ÏÎÐ
500-14/23 │ 43 2524 0602 06
ÂÔÎ-10-ÏÎÐ
250-14/23 │ 43 2524 0603 05
ÂÔÎ-10-ÏÎÐ
160-14/23 │ 43 2524 0604 04
ÂÔÎ-10-ÏÎÐ
100-14/23 │ 43 2524 0605 03
ÂÔÎ-10-ÏÎÐ
40-14/23 │ 43 2524 0606 02
ÂÔÎ-10-ÏÎÐ
16-14/23 │ 43 2524 0607 01
ÂÔÎ-10-ÏÎÐ
10-14/23 │
43 2524 0608 00
ÂÔÎ-10-ÏÎÐ
3,0-14/23 │ 43 2524 0609 10
ÂÔÎ-10-ÏÎÐ
1,6-14/23 │ 43 2524 0610 06
ÂÔÎ-10-ÏÎÐ
1,0-14/23 │ 43 2524 0611 05
ÂÔÎ-20-ÏÎÐ
500-14/23 │ 43 2524 0612 04
ÂÔÎ-20-ÏÎÐ
250-14/23 │ 43 2524 0613 03
ÂÔÎ-20-ÏÎÐ
160-14/23 │ 43 2524 0614 02
ÂÔÎ-20-ÏÎÐ
100-14/23 │ 43 2524 0615 01
ÂÔÎ-20-ÏÎÐ
40-14/23 │ 43 2524 0616 00
ÂÔÎ-20-ÏÎÐ
16-14/23 │ 43 2524 0617 10
ÂÔÎ-20-ÏÎÐ
10-14/23 │ 43 2524 0618 09
ÂÔÎ-20-ÏÎÐ
3,0-14/23 │ 43 2524 0619 08
ÂÔÎ-20-ÏÎÐ
1,6-14/23 │ 43 2524 0620 04
ÂÔÎ-20-ÏÎÐ
1,0-14/23 │
43 2524 0621 03
ÂÔÎ-32-ÏÎÐ
500-14/23 │ 43 2524 0622 02
ÂÔÎ-32-ÏÎÐ
250-14/23 │ 43 2524 0623 01
ÂÔÎ-32-ÏÎÐ
160-14/23 │ 43 2524 0624 00
ÂÔÎ-32-ÏÎÐ
100-14/23 │ 43 2524 0625 10
ÂÔÎ-32-ÏÎÐ
40-14/23 │ 43 2524 0626 09
ÂÔÎ-32-ÏÎÐ
16-14/23 │ 43 2524 0627 08
ÂÔÎ-32-ÏÎÐ
10-14/23 │ 43 2524 0628 07
ÂÔÎ-32-ÏÎÐ
3,0-14/23 │ 43 2524 0629 06
ÂÔÎ-32-ÏÎÐ
1,6-14/23 │ 43 2524 0630 02
ÂÔÎ-32-ÏÎÐ
1,0-14/23 │ 43 2524 0631 01
ÂÔÎ-40-ÏÎÐ
500-19/26 │ 43 2524 0632 00
ÂÔÎ-40-ÏÎÐ
250-19/26 │ 43 2524 0633 10
ÂÔÎ-40-ÏÎÐ
160-19/26 │ 43 2524 0634 09
ÂÔÎ-40-ÏÎÐ
100-19/26 │ 43 2524 0635 08
ÂÔÎ-40-ÏÎÐ
40-19/26 │ 43 2524 0636 07
ÂÔÎ-40-ÏÎÐ
16-19/26 │ 43 2524 0637 06
ÂÔÎ-40-ÏÎÐ
10-19/26 │ 43 2524 0638 05
ÂÔÎ-40-ÏÎÐ
3,0-19/26 │ 43 2524 0639 04
ÂÔÎ-40-ÏÎÐ
1,6-19/26 │ 43 2524 0640 00
ÂÔÎ-40-ÏÎÐ
1,0-19/26 │ 43 2524 0641 10
ÂÔÎ-60-ÏÎÐ
500-29/32 │ 43 2524 0642 09
ÂÔÎ-60-ÏÎÐ
250-29/32 │ 43 2524 0643 08
ÂÔÎ-60-ÏÎÐ
160-29/32 │ 43 2524 0644 07
ÂÔÎ-60-ÏÎÐ
100-29/32 │ 43 2524 0645 06
ÂÔÎ-60-ÏÎÐ
40-29/32 │ 43 2524 0646 05
ÂÔÎ-60-ÏÎÐ
16-29/32 │ 43 2524 0647 04
ÂÔÎ-60-ÏÎÐ
10-29/32 │ 43 2524 0648 03
ÂÔÎ-60-ÏÎÐ
3,0-29/32 │ 43 2524 0649 02
ÂÔÎ-60-ÏÎÐ
1,6-29/32 │ 43 2524 0650 09
ÂÔÎ-60-ÏÎÐ
1,0-29/32 │ 43 2524 0651 08
ÂÔÎ-90-ÏÎÐ
500-29/32 │ 43 2524 0652 07
ÂÔÎ-90-ÏÎÐ
250-29/32 │ 43 2524 0653 06
ÂÔÎ-90-ÏÎÐ
160-29/32 │ 43 2524 0654 05
ÂÔÎ-90-ÏÎÐ
100-29/32 │ 43 2524 0655 04
ÂÔÎ-90-ÏÎÐ
40-29/32 │ 43 2524 0656 03
ÂÔÎ-90-ÏÎÐ
16-29/32 │ 43 2524 0657 02
ÂÔÎ-90-ÏÎÐ
10-29/32 │ 43 2524 0658 01
ÂÔÎ-90-ÏÎÐ
3,0-29/32 │ 43 2524 0659 00
ÂÔÎ-90-ÏÎÐ
1,6-29/32 │ 43 2524 0660 07
ÂÔÎ-90-ÏÎÐ
1,0-29/32 │ 43 2524 0661 06
ÂÔÎ-125-ÏÎÐ
500-45/40 │ 43 2524 0662 05
ÂÔÎ-125-ÏÎÐ
250-45/40 │ 43 2524 0663 04
ÂÔÎ-125-ÏÎÐ
160-45/40 │ 43 2524 0664 03
ÂÔÎ-125-ÏÎÐ
100-45/40 │ 43 2524 0665 02
ÂÔÎ-125-ÏÎÐ
40-45/40 │ 43 2524 0666 01
ÂÔÎ-125-ÏÎÐ
16-45/40 │ 43 2524 0667 00
ÂÔÎ-125-ÏÎÐ
10-45/40 │ 43 2524 0668 10
ÂÔÎ-125-ÏÎÐ
3,0-45/40 │ 43 2524 0669 09
ÂÔÎ-125-ÏÎÐ
1,6-45/40 │ 43 2524 0670 05
ÂÔÎ-125-ÏÎÐ
1,0-45/40 │ 43 2524 0671 04
ÂÔÎ-160-ÏÎÐ
500-45/40 │ 43 2524 0672 03
ÂÔÎ-160-ÏÎÐ
250-45/40 │ 43
2524 0673 02
ÂÔÎ-160-ÏÎÐ
160-45/40 │ 43 2524 0674 01
ÂÔÎ-160-ÏÎÐ
100-45/40 │ 43 2524 0675 00
ÂÔÎ-160-ÏÎÐ
40-45/40 │ 43 2524 0676 10
ÂÔÎ-160-ÏÎÐ
16-45/40 │ 43 2524 0677 09
ÂÔÎ-160-ÏÎÐ
10-45/40 │ 43 2524 0678 08
ÂÔÎ-160-ÏÎÐ
3,0-45/40 │ 43 2524 0679 07
ÂÔÎ-160-ÏÎÐ
1,6-45/40 │ 43 2524 0680 03
ÂÔÎ-160-ÏÎÐ
1,0-45/40 │ 43 2524 0681 02
ÂÔÎÒ-10-ÏÎÐ
500 │ 43 2524 0342 02
ÂÔÎÒ-10-ÏÎÐ
250 │ 43 2524 0343 01
ÂÔÎÒ-10-ÏÎÐ
160 │ 43 2524 0344 00
ÂÔÎÒ-10-ÏÎÐ
100 │ 43 2524 0345 10
ÂÔÎÒ-10-ÏÎÐ
40 │ 43
2524 0346 09
ÂÔÎÒ-10-ÏÎÐ
16 │ 43 2524 0347 08
ÂÔÎÒ-10-ÏÎÐ
10 │ 43 2524 0348 07
ÂÔÎÒ-10-ÏÎÐ
3,0 │ 43 2524 0349 06
ÂÔÎÒ-10-ÏÎÐ
1,6 │ 43 2524 0350 02
ÂÔÎÒ-10-ÏÎÐ
1,0 │ 43 2514 0351 01
ÂÔÎÒ-20-ÏÎÐ
500 │ 43 2514 0352 00
ÂÔÎÒ-20-ÏÎÐ
250 │ 43 2514 0353 10
ÂÔÎÒ-20-ÏÎÐ
160 │ 43 2514 0302 09
ÂÔÎÒ-20-ÏÎÐ
100 │ 43 2514 0304 08
ÂÔÎÒ-20-ÏÎÐ
16 │ 43 2514 0305 07
ÂÔÎÒ-20-ÏÎÐ
10 │ 43 2514 0354 09
ÂÔÎÒ-20-ÏÎÐ
3,0 │ 43 2514 0355 08
ÂÔÎÒ-20-ÏÎÐ
1,6 │ 43
2514 0356 07
ÂÔÎÒ-20-ÏÎÐ
1,0 │ 43 2514 0357 06
ÂÔÎÒ-32-ÏÎÐ
500 │ 43 2514 0358 05
ÂÔÎÒ-32-ÏÎÐ
250 │ 43 2514 0359 04
ÂÔÎÒ-32-ÏÎÐ
160 │ 43 2514 0306 06
ÂÔÎÒ-32-ÏÎÐ
100 │ 43 2514 0307 05
ÂÔÎÒ-32-ÏÎÐ
40 │ 43 2514 0308 04
ÂÔÎÒ-32-ÏÎÐ
16 │ 43 2514 0309 03
ÂÔÎÒ-32-ÏÎÐ
10 │ 43 2514 0360 00
ÂÔÎÒ-32-ÏÎÐ
3,0 │ 43 2514 0361 10
ÂÔÎÒ-32-ÏÎÐ
1,6 │ 43 2514 0362 09
ÂÔÎÒ-32-ÏÎÐ
1,0 │ 43 2514 0363 08
ÂÔÎÒ-40-ÏÎÐ
500 │ 43 2514 0364 07
ÂÔÎÒ-40-ÏÎÐ
250 │ 43
2514 0365 06
ÂÔÎÒ-40-ÏÎÐ
160 │ 43 2514 0310 10
ÂÔÎÒ-40-ÏÎÐ
100 │ 43 2514 0311 09
ÂÔÎÒ-40-ÏÎÐ
40 │ 43 2514 0312 08
ÂÔÎÒ-40-ÏÎÐ
16 │ 43 2514 0313 07
ÂÔÎÒ-40-ÏÎÐ
10 │ 43 2514 0366 05
ÂÔÎÒ-40-ÏÎÐ
3,0 │ 43 2514 0367 04
ÂÔÎÒ-40-ÏÎÐ
1,6 │ 43 2514 0368 03
ÂÔÎÒ-40-ÏÎÐ
1,0 │ 43 2514 0369 02
ÒÔ-10-ÏÎÐ
500 │ 43 2514 0441 00
ÒÔ-10-ÏÎÐ
250 │ 43 2514 0442 10
ÒÔ-10-ÏÎÐ
160 │ 43 2514 0443 09
ÒÔ-10-ÏÎÐ
100 │ 43 2514 0444 08
ÒÔ-10-ÏÎÐ
40 │ 43
2514 0445 07
ÒÔ-10-ÏÎÐ
16 │ 43 2514 0446 06
ÒÔ-10-ÏÎÐ
10 │ 43 2514 0447 05
ÒÔ-10-ÏÎÐ
3,0 │ 43 2514 0448 04
ÒÔ-10-ÏÎÐ
1,6 │ 43 2514 0449 03
ÒÔ-10-ÏÎÐ
1,0 │ 43 2514 0450 10
ÒÔ-20-ÏÎÐ
500 │ 43 2514 0451 09
ÒÔ-20-ÏÎÐ
250 │ 43 2514 0452 08
ÒÔ-20-ÏÎÐ
160 │ 43 2514 0402 07
ÒÔ-20-ÏÎÐ
100 │ 43 2514 0403 06
ÒÔ-20-ÏÎÐ
40 │ 43 2514 0404 05
ÒÔ-20-ÏÎÐ
16 │ 43 2514 0405 04
ÒÔ-20-ÏÎÐ
10 │ 43 2514 0453 07
ÒÔ-20-ÏÎÐ
3,0 │ 43 2514 0454 06
ÒÔ-20-ÏÎÐ
1,6 │ 43 2514 0455 05
ÒÔ-20-ÏÎÐ
1,0 │ 43 2514 0456 04
ÒÔ-32-ÏÎÐ
500 │ 43 2514 0457 03
ÒÔ-32-ÏÎÐ
250 │ 43 2514 0458 02
ÒÔ-32-ÏÎÐ
160 │ 43 2514 0406 03
ÒÔ-32-ÏÎÐ
100 │ 43 2514 0407 02
ÒÔ-32-ÏÎÐ
40 │ 43 2514 0408 01
ÒÔ-32-ÏÎÐ
16 │ 43 2514 0409 00
ÒÔ-32-ÏÎÐ
10 │ 43 2514 0459 01
ÒÔ-32-ÏÎÐ
3,0 │ 43 2514 0460 08
ÒÔ-32-ÏÎÐ
1,6 │ 43 2514 0461 07
ÒÔ-32-ÏÎÐ
1,0 │ 43 2514 0462 06
ÒÔ-40-ÏÎÐ
500 │ 43 2514 0463 05
ÒÔ-40-ÏÎÐ
250 │ 43 2514 0464 04
ÒÔ-40-ÏÎÐ
160 │ 43 2514 0410 07
ÒÔ-40-ÏÎÐ
100 │ 43 2514 0411 06
ÒÔ-40-ÏÎÐ
40 │ 43 2514 0412 05
ÒÔ-40-ÏÎÐ
16 │ 43 2514 0413 04
ÒÔ-40-ÏÎÐ
10 │ 43 2514 0465 03
ÒÔ-40-ÏÎÐ
3,0 │ 43 2514 0466 02
ÒÔ-40-ÏÎÐ
1,6 │ 43 2514 0467 01
ÒÔ-40-ÏÎÐ
1,0 │ 43 2514 0468 00
ÃÔÏ-10-ÏÎÐ
500 │ 43 2514 0542 07
ÃÔÏ-10-ÏÎÐ
250 │ 43 2514 0543 06
ÃÔÏ-10-ÏÎÐ
160 │ 43 2514 0544 05
ÃÔÏ-10-ÏÎÐ
100 │ 43 2514 0545 04
ÃÔÏ-10-ÏÎÐ
40 │ 43 2514 0546 03
ÃÔÏ-10-ÏÎÐ
16 │ 43 2514 0547 02
ÃÔÏ-10-ÏÎÐ
10 │ 43 2514 0548 01
ÃÔÏ-10-ÏÎÐ
3,0 │ 43 2514 0549 00
ÃÔÏ-10-ÏÎÐ
1,6 │ 43 2514 0550 07
ÃÔÏ-10-ÏÎÐ
1,0 │ 43 2514 0551 06
ÃÔÏ-20-ÏÎÐ
500 │ 43 2514 0552 05
ÃÔÏ-20-ÏÎÐ
250 │ 43 2514 0553 04
ÃÔÏ-20-ÏÎÐ
160 │ 43 2514 0502 04
ÃÔÏ-20-ÏÎÐ
100 │ 43 2514 0503 03
ÃÔÏ-20-ÏÎÐ
40 │ 43 2514 0504 02
ÃÔÏ-20-ÏÎÐ
16 │ 43 2514 0505 01
ÃÔÏ-20-ÏÎÐ
10 │ 43 2514 0554 03
ÃÔÏ-20-ÏÎÐ
3,0 │ 43 2514 0555 02
ÃÔÏ-20-ÏÎÐ
1,6 │ 43 2514 0556 01
ÃÔÏ-20-ÏÎÐ
1,0 │ 43 2514 0557 00
ÃÔÏ-32-ÏÎÐ
500 │ 43 2514 0558 10
ÃÔÏ-32-ÏÎÐ
250 │ 43 2514 0559 08
ÃÔÏ-32-ÏÎÐ
160 │ 43 2514 0506 00
ÃÔÏ-32-ÏÎÐ
100 │ 43 2514 0507 10
ÃÔÏ-32-ÏÎÐ
40 │ 43 2514 0508 09
ÃÔÏ-32-ÏÎÐ
16 │ 43 2514 0509 08
ÃÔÏ-32-ÏÎÐ
10 │ 43 2514 0560 05
ÃÔÏ-32-ÏÎÐ
3,0 │ 43 2514 0561 04
ÃÔÏ-32-ÏÎÐ
1,6 │ 43 2514 0562 03
ÃÔÏ-32-ÏÎÐ
1,0 │ 43 2514 0563 02
ÃÔÏ-40-ÏÎÐ
500 │ 43 2514 0564 01
ÃÔÏ-40-ÏÎÐ
250 │ 43 2514 0565 00
ÃÔÏ-40-ÏÎÐ
160 │ 43 2514 0510 04
ÃÔÏ-40-ÏÎÐ
100 │ 43 2514 0511 03
ÃÔÏ-40-ÏÎÐ
40 │ 43 2514 0512 02
ÃÔÏ-40-ÏÎÐ
10 │ 43 2514 0566 10
ÃÔÏ-40-ÏÎÐ
3,0 │ 43 2514 0567 09
ÃÔÏ-40-ÏÎÐ
1,6 │ 43 2514 0568 08
ÃÔÏ-40-ÏÎÐ
1,0 │ 43 2514 0569 07
ÃÔÈ-10-ÏÎÐ
500 │ 43 2514 0641 05
ÃÔÈ-10-ÏÎÐ
250 │ 43 2514 0642 04
ÃÔÈ-10-ÏÎÐ
160 │ 43 2514 0643 03
ÃÔÈ-10-ÏÎÐ
100 │ 43 2514 0644 02
ÃÔÈ-10-ÏÎÐ
40 │ 43 2514 0645 01
ÃÔÈ-10-ÏÎÐ
16 │ 43 2514 0646 00
ÃÔÈ-10-ÏÎÐ
10 │ 43 2514 0647 10
ÃÔÈ-10-ÏÎÐ
3,0 │ 43 2514 0648 09
ÃÔÈ-10-ÏÎÐ
1,6 │ 43 2514 0649 08
ÃÔÈ-10-ÏÎÐ
1,0 │ 43 2514 0650 04
ÃÔÈ-20-ÏÎÐ
500 │ 43 2514 0651 03
ÃÔÈ-20-ÏÎÐ
250 │ 43 2514 0652 02
ÃÔÈ-20-ÏÎÐ
160 │ 43 2514 0602 01
ÃÔÈ-20-ÏÎÐ
100 │ 43 2514 0603 00
ÃÔÈ-20-ÏÎÐ
40 │ 43 2514 0604 10
ÃÔÈ-20-ÏÎÐ
16 │ 43 2514 0605 09
ÃÔÈ-20-ÏÎÐ
10 │ 43 2514 0653 01
ÃÔÈ-20-ÏÎÐ
3,0 │ 43 2514 0654 00
ÃÔÈ-20-ÏÎÐ
1,6 │ 43 2514 0655 10
ÃÔÈ-20-ÏÎÐ
1,0 │ 43 2514 0656 09
ÃÔÈ-32-ÏÎÐ
500 │ 43 2514 0657 08
ÃÔÈ-32-ÏÎÐ
250 │ 43 2514 0658 07
ÃÔÈ-32-ÏÎÐ
160 │ 43 2514 0606 08
ÃÔÈ-32-ÏÎÐ
100 │ 43 2514 0607 07
ÃÔÈ-32-ÏÎÐ
40 │ 43 2514 0608 06
ÃÔÈ-32-ÏÎÐ
16 │ 43 2514 0609 05
ÃÔÈ-32-ÏÎÐ
10 │ 43 2514 0659 06
ÃÔÈ-32-ÏÎÐ
3,0 │ 43 2514 0660 02
ÃÔÈ-32-ÏÎÐ
1,6 │ 43 2514 0661 01
ÃÔÈ-32-ÏÎÐ
1,0 │ 43 2514 0662 00
ÃÔÈ-40-ÏÎÐ
500 │ 43 2514 0663 10
ÃÔÈ-40-ÏÎÐ
250 │ 43 2514 0664 09
ÃÔÈ-40-ÏÎÐ
160 │ 43 2514 0610 01
ÃÔÈ-40-ÏÎÐ
100 │ 43 2514 0611 00
ÃÔÈ-40-ÏÎÐ
40 │ 43 2514 0612 10
ÃÔÈ-40-ÏÎÐ
16 │ 43 2514 0613 09
ÃÔÈ-40-ÏÎÐ
10 │ 43 2514 0665 08
ÃÔÈ-40-ÏÎÐ
3,0 │ 43 2514 0666 07
ÃÔÈ-40-ÏÎÐ
1,6 │ 43 2514 0667 06
ÃÔÈ-40-ÏÎÐ
1,0 │ 43 2514 0668 05
ÔÃ-32-ÏÎÐ
500 │ 43 2514 0741 02
ÔÃ-32-ÏÎÐ
250 │ 43 2514 0742 01
ÔÃ-32-ÏÎÐ
160 │ 43 2514 0711 08
ÔÃ-32-ÏÎÐ
100 │ 43 2514 0712 07
ÔÃ-32-ÏÎÐ
40 │ 43 2514 0713 06
ÔÃ-32-ÏÎÐ
16 │ 43 2514 0714 05
ÔÃ-32-ÏÎÐ
10 │ 43 2514 0743 00
ÔÃ-32-ÏÎÐ
3,0 │ 43 2514 0744 10
ÔÃ-32-ÏÎÐ
1,6 │ 43 2514 0745 09
ÔÃ-32-ÏÎÐ
1,0 │ 43 2514 0746 08
ÔÃ-60-ÏÎÐ
500 │ 43 2514 0747 07
ÔÃ-60-ÏÎÐ
250 │
43 2514 0748 06
ÔÃ-60-ÏÎÐ
160 │ 43 2514 0715 04
ÔÃ-60-ÏÎÐ
100 │ 43 2514 0716 03
ÔÃ-60-ÏÎÐ
40 │ 43 2514 0717 02
ÔÃ-60-ÏÎÐ
16 │ 43 2514 0718 01
ÔÃ-60-ÏÎÐ
10 │ 43 2514 0749 05
ÔÃ-60-ÏÎÐ
3,0 │ 43 2514 0750 01
ÔÃ-60-ÏÎÐ
1,6 │ 43 2514 0751 00
ÔÃ-60-ÏÎÐ
1,0 │ 43 2514 0752 10
(Èçìåíåííàÿ ðåäàêöèÿ,
Èçì. N 1).
Ïðèëîæåíèå
13
Ñïðàâî÷íîå
ÊÎÄÛ ÎÊÏ ÍÀ
ÊÀÏÅËÜÍÈÖÛ
─────────────────────────────────┬────────────────────────────────
Îáîçíà÷åíèå êàïåëüíèöû │ Êîä ÎÊÏ
─────────────────────────────────┼────────────────────────────────
Êàïåëüíèöà 1 │ 43 2524 1001 10
Êàïåëüíèöà 2-10 │ 43 2524 1113 03
Êàïåëüíèöà 2-25 │ 43 2524 1111 05
Êàïåëüíèöà 2-50 │ 43 2524 1112 04
Êàïåëüíèöà 3-7/11 │ 43 2524 1011 08
Êàïåëüíèöà ÇÑ-7,5 │ 43 2514 1001 05
Êàïåëüíèöà ÇÑ-10,0 │ 43 2514 1002 04
Êàïåëüíèöà ÇÑ-15,0 │ 43 2514 1003 03
Ïðèëîæåíèå
14
Ñïðàâî÷íîå
ÊÎÄÛ ÎÊÏ ÍÀ
ÑÏÈÐÒÎÂÊÈ
─────────────────────────────────┬────────────────────────────────
Îáîçíà÷åíèå ñïèðòîâîê │ Êîä ÎÊÏ
─────────────────────────────────┼────────────────────────────────
Ñïèðòîâêà ÑË-1 │ 43 2518 0001 00
Ñïèðòîâêà ÑË-2 │ 43 2518 0002 10
Ïðèëîæåíèå
15
Ñïðàâî÷íîå
ÊÎÄÛ ÎÊÏ ÍÀ
ÑÊËßÍÊÈ Ñ ÒÓÁÓÑÎÌ
─────────────────────────────────┬────────────────────────────────
Îáîçíà÷åíèå ñêëÿíêè │ Êîä ÎÊÏ
─────────────────────────────────┼────────────────────────────────
Ñêëÿíêà 1-0,3 │ 43 2516 1111 01
Ñêëÿíêà 1-0,5 │ 43 2516 1112 00
Ñêëÿíêà 1-1,0 │ 43 2516 1113 10
Ñêëÿíêà 1-2,0 │ 43 2516 1114 09
Ñêëÿíêà 1-3,0 │ 43 2516 1115 08
Ñêëÿíêà 1-5,0 │ 43 2516 1116 07
Ñêëÿíêà 1-10,0 │ 43 2516 1117 06
Ñêëÿíêà 1-20,0 │ 43 2516 1118 05
Ñêëÿíêà 3-0,16 │ 43 2516 1202 10
Ñêëÿíêà 3-0,30 │ 43 2516 1201 00
Ñêëÿíêà 3-0,50 │ 43 2516 1203 09
Ñêëÿíêà 3-0,80 │
43 2516 1204 08
Ñêëÿíêà 3-1,00 │ 43 2516 1205 07
Ñêëÿíêà 3-2,00 │ 43 2516 1206 06
Ñêëÿíêà 3-3,00 │ 43 2516 1207 05
Ñêëÿíêà 3-5,00 │ 43 2516 1208 04
Ñêëÿíêà 3-10,00 │ 43 2516 1209 03
Ñêëÿíêà 5-3 │ 43 2516 0214 10
Ñêëÿíêà 5-5 │ 43 2516 0211 02
Ñêëÿíêà 5-10 │ 43 2516 0212 01
Ñêëÿíêà 5-20 │ 43 2516 0213 00
(Èçìåíåííàÿ
ðåäàêöèÿ, Èçì. N 1).
Ïðèëîæåíèå
16
Ñïðàâî÷íîå
ÊÎÄ ÎÊÏ ÍÀ
ÍÀÑÎÑ ÂÎÄÎÑÒÐÓÉÍÛÉ
───────────────────────────────────┬──────────────────────────────
Îáîçíà÷åíèå íàñîñà │ Êîä ÎÊÏ
───────────────────────────────────┼──────────────────────────────
Íàñîñ âîäîñòðóéíûé │ 43 2514 1071 02
Ïðèëîæåíèå
17
Ñïðàâî÷íîå
ÊÎÄÛ ÎÊÏ ÍÀ
ÝÊÑÈÊÀÒÎÐÛ
───────────────────────────────────┬──────────────────────────────
Îáîçíà÷åíèå ýêñèêàòîðà │ Êîä ÎÊÏ
───────────────────────────────────┼──────────────────────────────
Ýêñèêàòîð 1-100 │ 43 2516 0414 04
Ýêñèêàòîð 1-140 │ 43 2516 0411 07
Ýêñèêàòîð 1-190 │ 43 2516 0412 06
Ýêñèêàòîð 1-250 │ 43 2516 0413 05
Ýêñèêàòîð 2-100 │ 43 2516 0314 07
Ýêñèêàòîð 2-140 │ 43 2516 0311 10
Ýêñèêàòîð 2-190 │ 43 2516 0312 09
Ýêñèêàòîð 2-250 │ 43 2516 0313 08
(Èçìåíåííàÿ
ðåäàêöèÿ, Èçì. N 1).
Ïðèëîæåíèå
18
Ñïðàâî÷íîå
ÊÎÄÛ ÎÊÏ ÍÀ
ÍÀÑÀÄÊÈ ÄËß ÝÊÑÒÐÀÃÈÐÎÂÀÍÈß
─────────────────┬────────────────────────────────────────────────
Îáîçíà÷åíèå
│ Êîä ÎÊÏ
íàñàäîê
├───────────────────────┬────────────────────────
│òåðìè÷åñêè è õèìè÷åñêè
│ òåðìè÷åñêè ñòîéêîå
│ ñòîéêîå ñòåêëî │ ñòåêëî
─────────────────┼───────────────────────┼────────────────────────
ÍÝÒ-100 │ 43 2522 1115 00 │
43 2542 9935 05
ÍÝÒ-150 │ 43 2522 1111 04 │
43 2542 9931 09
ÍÝÒ-250 │ 43 2522 1112 03 │
43 2542 9932 08
ÍÝÒ-500 │ 43 2522 1113 02 │
43 2542 9933 07
ÍÝÒ-1000 │ 43 2522 1114 01 │
43 2542 9934 06
ÍÝÒÔ-500 │ 43 2522 1211 01 │
43 2542 0002 00
ÍÝÒÂ-25 │ 43 2522 1222 09 │
43 2542 0011 10
ÍÝÒÂ-50 │ 43 2522 1223 08 │
43 2542 0012 09
ÍÝÐ │ 43 2522 1231 08 │
43 2542 0021 08
ÍÝÐÂ │ 43 2532 1235 04 │
43 2542 0031 06
Ïðèëîæåíèå
19
Ñïðàâî÷íîå
ÊÎÄÛ ÎÊÏ ÍÀ
ÕÎËÎÄÈËÜÍÈÊÈ
───────────────┬──────────────────────────────────────────────────
Îáîçíà÷åíèå
│ Êîä
ÎÊÏ
õîëîäèëüíèêà
├────────────────────────┬─────────────────────────
│õèìè÷åñêè ñòîéêîå
ñòåêëî│òåðìè÷åñêè ñòîéêîå ñòåêëî
───────────────┼────────────────────────┼─────────────────────────
ÕÏÒ-1-100-14/23│ 43 2522 0114 05 │
43 2542 9911 02
ÕÏÒ-1-200-14/23│ 43 2522 0111 08 │
43 2542 9912 01
ÕÏÒ-1-300-14/23│ 43 2522 0112 07 │
43 2542 9913 00
ÕÏÒ-1-400-14/23│ 43 2522 0113 06 │
43 2542 9914 10
ÕÏÒ-1-600-14/23│ 43 2522 0115 04 │
43 2542 9916 08
ÕÏÒ-2-400-29/32│ 43 2522 0116 03 │
43 2542 9915 09
ÕÏÒ-2-600-29/32│ 43 2522 0117 02 │
43 2542 9917 07
ÕÏÒ-3-300 │
43 2512 0111 06 │ 43 2532 9911 08
ÕÏÒ-3-400 │
43 2512 0112 05 │ 43 2532 9912 07
ÕØ-1-100-14/23
│ 43 2522 0222 02 │
43 2542 9921 00
ÕØ-1-200-19/26
│ 43 2522 0223 01 │
43 2542 9923 09
ÕØ-1-300-29/32
│ 43 2522 0224 00 │
43 2542 9924 08
ÕØ-1-400-29/32
│ 43 2522 0225 10 │
43 2542 9926 06
ÕØ-2-250-45/40
│ 43 2522 0211 05 │
43 2542 9925 07
ÕØ-3-100 │ 43 2512 0033 00 │
43 2532 9924 03
ÕØ-3-200 │ 43 2512 0034 10 │
43 2532 9921 06
ÕØ-3-300 │ 43 2512 0031 02 │
43 2532 9922 05
ÕØ-3-400 │ 43 2512 0032 01 │
43 2532 9923 04
ÕÑÍ-10 │ 43 2522 0311 02 │
43 2542 9803 05
ÕÑÍ-16 │ 43 2522 0312 01 │
43 2542 9804 04
ÕÑÂ │ 43 2522 0502 08 │
43 2542 9826 09
ÕÑÂÎ-10 │ 43 2522 0411 10 │
43 2542 9814 02
ÕÑÂÎ-16 │ 43 2522 0412 09 │
43 2542 9815 01
ÕÑÄ-9 │ 43 2522 0522 04 │
43 2542 9837 06
ÕÑÄ-15 │ 43 2522 0523 03 │
43 2542 9838 05
ÕÑÄ-22 │ 43 2522 0524 02 │
43 2542 9839 04
ÕÏ │ 43 2522 0511 07 │
43 2542 9831 01
(Èçìåíåííàÿ
ðåäàêöèÿ, Èçì. N 1).
Ïðèëîæåíèå
20
Ñïðàâî÷íîå
ÊÎÄÛ ÎÊÏ ÍÀ
ÄÅÔËÅÃÌÀÒÎÐÛ
───────────────────────────┬──────────────────────────────────────
Îáîçíà÷åíèå äåôëåãìàòîðà │ Êîä ÎÊÏ
├──────────────────────┬───────────────
│òåðìè÷åñêè è
õèìè÷åñêè│ òåðìè÷åñêè
│ ñòîéêîå ñòåêëî │ñòîéêîå ñòåêëî
───────────────────────────┼──────────────────────┼───────────────
Äåôëåãìàòîð
100-14/23-14/23│ 43 2522 1711
08 │43 2542 9948 00
Äåôëåãìàòîð
150-14/23-19/26│ 43 2522 1713
06 │43 2542 9941 07
Äåôëåãìàòîð
200-14/23-14/23│ 43 2522 1712
07 │43 2542 9942 06
Äåôëåãìàòîð
200-19/26-19/26│ 43 2522 1714
05 │43 2542 9943 05
Äåôëåãìàòîð
250-14/23-19/26│ 43 2522 1715
04 │43 2542 9944 04
Äåôëåãìàòîð
250-19/26-29/32│ 43 2522 1716
03 │43 2542 9945 03
Äåôëåãìàòîð
300-19/26-19/26│ 43 2522 1717
02 │43 2542 9946 02
Äåôëåãìàòîð
350-19/26-29/32│ 43 2522 1718
01 │43 2542 9947 01
Ïðèëîæåíèå
21
Ñïðàâî÷íîå
ÊÎÄÛ ÎÊÏ ÍÀ
ÊÀÏËÅÓËÎÂÈÒÅËÈ
──────────────────────────┬───────────────────────────────────────
Îáîçíà÷åíèå
êàïëåóëîâèòåëÿ│ Êîä
ÎÊÏ
├──────────────────┬────────────────────
│õèìè÷åñêè
ñòîéêîå │ òåðìè÷åñêè ñòîéêîå
│ ñòåêëî │ ñòåêëî
──────────────────────────┼──────────────────┼────────────────────
ÊÏ-14/23 │ 43 2522 1602 01 │
43 2542 1002 07
ÊÎ-14/23-60 │ 43 2522 1611 00 │
43 2542 1011 06
ÊÎ-60 │ 43 2512 1011 02 │
43 2532 1002 02
ÊÎ-14/23-100 │ 43 2522 1621 09 │
43 2542 1021 04
ÊÎ-100 │ 43 2512 1021 00 │
43 2532 1011 01
Ïðèëîæåíèå
22
Ñïðàâî÷íîå
ÊÎÄÛ ÎÊÏ ÍÀ
ÑÊËßÍÊÈ ÄËß ÏÐÎÌÛÂÀÍÈß ÃÀÇÎÂ
─────────────────────────────────┬────────────────────────────────
Îáîçíà÷åíèå ñêëÿíîê │ Êîä ÎÊÏ
─────────────────────────────────┼────────────────────────────────
ÑÍ-1-25 │ 43 2525 1214 05
ÑÍ-1-100 │ 43 2525 1211 08
ÑÍ-1-200 │ 43 2525 1212 07
ÑÍ-1-500 │ 43 2525 1213 06
ÑÍ-2 │ 43 2525 1251 00
ÑÂÒ │ 43 2515 1051 01
ÑÏÒ │ 43 2525 1201 10
ÑÏÆ-50 │ 43 2515 1002 10
ÑÏÆ-250 │ 43 2515 1001 00
Ñ2Ã-1-500 │ 43 2515 1011 09
Ñ2Ã-1-1000 │ 43 2515 1012 08
Ñ2Ã-1-5000 │ 43 2515 1013 07
Ñ2Ã-2-500 │ 43 2515 1031 05
Ñ2Ã-2-1000 │ 43 2515 1032 04
Ñ2Ã-2-5000 │ 43 2515 1033 03
Ñ3Ã-1-500 │ 43 2525 1011 03
Ñ3Ã-1-1000 │ 43 2525 1012 02
Ñ3Ã-1-5000 │ 43 2525 1013 01
Ñ3Ã-2-500 │ 43 2525 1111 00
Ñ3Ã-2-1000 │ 43 2525 1113 09
Ñ3Ã-2-5000 │ 43 2525 1114 08
(Èçìåíåííàÿ
ðåäàêöèÿ, Èçì. N 1).
Ïðèëîæåíèå
23
Ñïðàâî÷íîå
ÊÎÄÛ ÎÊÏ ÍÀ
ÏÐÈÁÎÐÛ ÄËß ÏÎÃËÎÙÅÍÈß ÃÀÇÎÂ È ÏÀÐÎÂ ÂÎÄÛ
──────────────────────────────────┬───────────────────────────────
Îáîçíà÷åíèå ïðèáîðîâ │ Êîä ÎÊÏ
──────────────────────────────────┼───────────────────────────────
ÏÑ │ 43 2131 0006 02
ÏÃ │ 43 2131 0007 01
Ïðèëîæåíèå
24
Ñïðàâî÷íîå
ÊÎÄÛ ÎÊÏ ÍÀ
ÀÏÏÀÐÀÒ ÄËß ÏÎËÓ×ÅÍÈß ÃÀÇÀ
──────────────────────────────────┬───────────────────────────────
Îáîçíà÷åíèå àïïàðàòà │ Êîä ÎÊÏ
──────────────────────────────────┼───────────────────────────────
Àïïàðàò 500 │ 43 2143 0111 08
Àïïàðàò 1000 │ 43 2143 0112 07
Àïïàðàò 2000 │ 43 2143 0113 06
Ïðèëîæåíèå
25
Ñïðàâî÷íîå
ÄÀÂËÅÍÈÅ
ÏÀÐÎÂ ÂÎÄÛ ÄËß ÍÀÑÎÑÀ ÂÎÄÎÑÒÐÓÉÍÎÃÎ
──────────────────────────────────┬───────────────────────────────
Òåìïåðàòóðà, °C │ Äàâëåíèå, ãÏà (ìì ðò. ñò.)
──────────────────────────────────┼───────────────────────────────
0 │ 6,09 (4,579)
5 │ 8,70 (6,543)
6 │ 9,32 (7,011)
10 │ 12,25 (9,209)
11 │ 13,09 (9,84)
12 │ 13,99 (10,52)
13 │ 14,94 (11,23)
14 │ 15,95 (11,99)
15 │ 17,01 (12,79)
16 │ 18,13 (13,63)
17 │ 19,32 (14,53)
18 │ 20,59 (15,48)
19 │ 21,92 (16,48)
20 │ 23,33 (17,54)
21 │ 24,80 (18,65)
22 │ 26,37 (19,83)
23 │ 28,02 (21,07)
24 │ 29,77 (22,38)
25 │ 31,60 (23,76)
Ïðèëîæåíèå
26
Ñïðàâî÷íîå
ÈÍÔÎÐÌÀÖÈÎÍÍÛÅ
ÄÀÍÍÛÅ Î ÑÎÎÒÂÅÒÑÒÂÈÈ ÃÎÑÒ 25336-82
ÑÒ ÑÝÂ 2945-81, ÑÒ
ÑÝÂ 4023-83, ÑÒ ÑÝÂ 4975-85
È ÑÒ ÑÝÂ 4976-85
──────────────────────┬───────────────────────────────────────────
Ïóíêò ÃÎÑÒ 25336-82 │ Ïóíêò
├────────┬───────────┬───────────┬──────────
│ ÑÒ ÑÝÂ
│ ÑÒ ÑÝÂ │
ÑÒ ÑÝÂ │ ÑÒ ÑÝÂ
│2945-81
│ 4023-83 │
4975-85 │ 4976-85
──────────────────────┼────────┼───────────┼───────────┼──────────
1.1.2,
1.1.3 │ -
│ - │
1.1 │ -
1.1.6 │
- │ -
│ 1.2 │
-
×åðò.
1 │ -
│ - │×åðò. 1, 2,│ -
│ │ │ 3, 4
│
1.1.4 │ -
│ - │
1.3 │ -
1.1.8 │ -
│ - │
1.4 │ -
1.1.6 │ -
│ - │
1.5 │ -
Òàáë.
1 │ │ │ Òàáëèöà
│ -
1.1.5 │ -
│ - │
2.1 │ -
1.1.6 │ -
│ - │
2.2 │ -
1.1.5 │ -
│ - │
2.3 │ -
1.1.4 │ -
│ - │
2.4 │ -
1.3.2 │1.1, 1.2│ 1.1
│ - │
-
1.3.5 │ -
│ 1.2 │
- │ -
×åðò.
3, 4 │ -
│×åðò. 1, 2,│
- │ -
│ │ 3, 4
│ │
1.3.3 │ -
│ 1.3 │
- │ -
Òàáë.
3, 4 │ -
│ 1.4 │
- │ -
Òàáë.
3, 4 │ -
│ Òàáëèöà │
- │ -
1.3.4 │ -
│ 2.2 │
- │ -
1.3.7 │ -
│ 2.3 │
- │ -
2.1.2 │ -
│ - │
- │ 1.1, 1.2
Òàáë.
27à - 46à │ -
│ - │
- │ 1.3
×åðò.
33à - 33â │ -
│ - │
- │ 1.4, 1.5
Òàáë.
27à - 27â │ │ │ │
×åðò.
34; òàáë. 28 │ -
│ - │
- │ 1.6, 1.7
×åðò.
40; òàáë. 34, 35│ - │
- │ -
│ 1.8, 1.9
×åðò.
56à; òàáë. 46à │ -
│ - │
- │1.10, 1.11
×åðò.
46, 47, 48 │ -
│ - │
- │
Òàáë.
40, 41, 42 │ │ │ │1.12, 1.13