Введен в действие
Приказом Росстандарта
от 3 августа 2011
г. N 211-ст
МЕЖГОСУДАРСТВЕННЫЙ СТАНДАРТ
ЕДИНАЯ СИСТЕМА КОНСТРУКТОРСКОЙ ДОКУМЕНТАЦИИ
УКАЗАНИЯ ДОПУСКОВ ФОРМЫ И РАСПОЛОЖЕНИЯ ПОВЕРХНОСТЕЙ
Unified
system of design documentation. Representation
of limits of forms and
surface lay-out on drawings
ГОСТ 2.308-2011
Группа Т52
МКС 01.080;
ОКСТУ 0002
Дата введения
1 января 2012 года
Предисловие
Цели, основные
принципы и основной порядок проведения работ по межгосударственной
стандартизации установлены ГОСТ 1.0-92 "Межгосударственная система
стандартизации. Основные положения" и ГОСТ 1.2-2009
"Межгосударственная система стандартизации. Стандарты межгосударственные,
правила и рекомендации по межгосударственной стандартизации. Правила
разработки, принятия, применения, обновления и отмены".
Сведения о
стандарте
1. Разработан
Федеральным государственным унитарным предприятием "Всероссийский
научно-исследовательский институт стандартизации и сертификации в
машиностроении" (ФГУП "ВНИИНМАШ"), Автономной некоммерческой
организацией "Научно-исследовательский центр CALS-технологий
"Прикладная логистика" (АНО НИЦ CALS-технологий "Прикладная
логистика").
2. Внесен Федеральным агентством по техническому регулированию
и метрологии.
3. Принят
Межгосударственным советом по стандартизации, метрологии и сертификации
(Протокол от 12 мая 2011 г. N 39).
За принятие
стандарта проголосовали:
┌────────────────────┬────────────────────┬───────────────────────────────┐
│Краткое
наименование│ Код страны по │
Сокращенное наименование
│
│ страны по │МК (ИСО 3166) 004-97│ национального органа │
│МК
(ИСО 3166) 004-97│
│ по стандартизации │
├────────────────────┼────────────────────┼───────────────────────────────┤
│Азербайджан │ AZ │Азстандарт │
│Армения │ AM │Минэкономики Республики
Армения│
│Беларусь │ BY │Госстандарт Республики
Беларусь│
│Казахстан │ KZ │Госстандарт Республики │
│ │ │Казахстан │
│Кыргызстан │ KG
│Кыргызстандарт │
│Молдова │ MD │Молдова-Стандарт │
│Российская
Федерация│ RU │Росстандарт │
│Таджикистан │ TJ │Таджикстандарт │
│Узбекистан │ UZ │Узстандарт │
│Украина │ UA │Госпотребстандарт
Украины │
└────────────────────┴────────────────────┴───────────────────────────────┘
4. Приказом Федерального
агентства по техническому регулированию и метрологии от 3 августа 2011 г. N
211-ст межгосударственный стандарт ГОСТ 2.308-2011 введен в действие в качестве
национального стандарта Российской Федерации с 1 января 2012 г.
5. Взамен ГОСТ
2.308-79.
Информация о
введении в действие (прекращении действия) настоящего стандарта публикуется в
указателе "Национальные стандарты".
Информация об
изменениях к настоящему стандарту публикуется в указателе "Национальные
стандарты", а текст изменений - в информационных указателях
"Национальные стандарты". В случае пересмотра или отмены настоящего
стандарта соответствующая информация будет опубликована в информационном
указателе "Национальные стандарты".
1. Область
применения
Настоящий стандарт
устанавливает правила указания допусков формы и расположения поверхностей в
графических документах на изделия всех отраслей промышленности.
2.
Нормативные ссылки
В настоящем
стандарте использованы нормативные ссылки на следующие межгосударственные
стандарты:
ГОСТ 2.052-2006.
Единая система конструкторской документации. Электронная модель изделия. Общие
положения
ГОСТ 24642-81.
Основные нормы взаимозаменяемости. Допуски формы и расположения поверхностей.
Основные термины и определения
ГОСТ 24643-81.
Основные нормы взаимозаменяемости. Допуски формы и расположения поверхностей.
Числовые значения
ГОСТ 30893.2-2002
(ИСО 2768-2-89). Основные нормы взаимозаменяемости. Общие допуски. Допуски
формы и расположения поверхностей, не указанные индивидуально.
Примечание. При пользовании настоящим стандартом целесообразно проверить
действие ссылочных стандартов в информационной системе общего пользования - на
официальном сайте Федерального агентства по техническому регулированию и
метрологии в сети Интернет или по ежегодно издаваемому информационному
указателю "Национальные стандарты", который опубликован по состоянию
на 1 января текущего года, и по соответствующим ежемесячно издаваемым
информационным указателям, опубликованным в текущем году. Если ссылочный
стандарт заменен (изменен), то при пользовании настоящим стандартом следует
руководствоваться заменяющим (измененным) стандартом. Если ссылочный стандарт
отменен без замены, то положение, в котором дана ссылка на него, применяется в
части, не затрагивающей эту ссылку.
3. Термины
и определения
В настоящем
стандарте применены термины по ГОСТ 24642, а также следующий термин с
соответствующим определением:
3.1.
┌─────────────────────────────────────────────────────────────────────────┐
│
Плоскость обозначений и
указаний: плоскость в модельном│
│пространстве, на которую
выводится визуально воспринимаемая информация,│
│содержащая значения
атрибутов модели, технические требования, обозначения│
│и указания. │
│
[ГОСТ 2.052-2006, статья 3.1.8] │
└─────────────────────────────────────────────────────────────────────────┘
4. Общие
положения
4.1. Допуски формы
и расположения поверхностей в графических документах указывают с использованием
условных обозначений (графических символов) или текстом в технических
требованиях в случае отсутствия таких символов.
4.2. Графические
символы (знаки) для указания допуска формы и расположения поверхностей
приведены в таблице 1.
Таблица 1
───────────────────────────────────────────────────────────────────────────
Группа допусков Вид допуска Знак
───────────────────────────────────────────────────────────────────────────
Допуск
формы Допуск прямолинейности

──────────────────────────────────────────────────────
Допуск плоскостности

──────────────────────────────────────────────────────
Допуск круглости

──────────────────────────────────────────────────────
Допуск цилиндричности

──────────────────────────────────────────────────────
Допуск профиля
продольного сечения

───────────────────────────────────────────────────────────────────────────
Допуск
расположения Допуск параллельности

──────────────────────────────────────────────────────
Допуск перпендикулярности

──────────────────────────────────────────────────────
Допуск наклона

──────────────────────────────────────────────────────
Допуск соосности

──────────────────────────────────────────────────────
Допуск симметричности

──────────────────────────────────────────────────────
Позиционный допуск

──────────────────────────────────────────────────────
Допуск пересечения осей

───────────────────────────────────────────────────────────────────────────
Суммарные
допуски Допуск радиального биения
формы
и расположения Допуск торцового биения
Допуск биения в заданном
направлении

──────────────────────────────────────────────────────
Допуск полного
радиального биения
Допуск полного торцового
биения

──────────────────────────────────────────────────────
Допуск формы заданного
профиля

──────────────────────────────────────────────────────
Допуск формы заданной
поверхности

───────────────────────────────────────────────────────────────────────────
Примечание. Суммарные допуски формы и
расположения поверхностей, для
которых не установлены
отдельные графические знаки,
обозначают знаками
составных допусков
в следующей последовательности: знак
допуска
расположения,
знак допуска формы.
Например:
- знак суммарного допуска параллельности и
плоскостности;
- знак суммарного допуска перпендикулярности и
плоскостности;
- знак суммарного допуска наклона и
плоскостности.
───────────────────────────────────────────────────────────────────────────
Формы и размеры
знаков приведены в Приложении А.
Примеры указания
допусков формы и расположения поверхностей приведены в Приложении Б и ИСО 1101 [1].
4.3. Допуски формы
и расположения поверхностей и их значения в электронных моделях изделий
указывают в плоскостях обозначений и указаний в соответствии с ГОСТ 2.052.
4.4. Числовые
значения допусков формы и расположения поверхностей - по ГОСТ 24643.
4.5. Допуски формы
и расположения поверхностей допускается указывать текстом в технических
требованиях, как правило, в том случае, если отсутствует знак вида допуска.
4.6. При указании
допуска формы и расположения поверхностей в технических требованиях текст должен
содержать:
- вид допуска;
- указание
поверхности или другого элемента, для которого задается допуск (для этого
используют буквенное обозначение или конструктивное наименование, определяющее
поверхность);
- числовое значение
допуска в миллиметрах;
- указание баз,
относительно которых задается допуск (для допусков расположения и суммарных
допусков формы и расположения);
- указание о
зависимых допусках формы или расположения (в соответствующих случаях).
4.7. При
необходимости нормирования допусков формы и расположения, не указанных в
графическом документе числовыми значениями и не ограничиваемых другими
указанными в графическом документе допусками формы и расположения, в
технических требованиях должна быть приведена общая запись о неуказанных
допусках формы и расположения со ссылкой на ГОСТ 30893.2.
Например:
"Общие
допуски формы и расположения - по ГОСТ 30893.2 - К" или "ГОСТ 30893.2
- К" (К - класс точности общих допусков формы и расположения по ГОСТ
30893.2).
5.
Нанесение обозначений допусков
5.1. При условном
обозначении данные о допусках формы и расположения поверхностей указывают в
прямоугольной рамке, разделенной на две и более части (см. рисунки 1, 2), в
которых помещают:
- в первой - знак
допуска по таблице 1;
- во второй -
числовое значение допуска в миллиметрах;
- в третьей и
последующих - буквенное обозначение базы (баз) или буквенное обозначение
поверхности, с которой связан допуск расположения (см. 6.7; 6.9).

Рисунок 1

Рисунок 2
5.2. Рамки следует
выполнять сплошными тонкими линиями. Высота цифр, букв и знаков, вписываемых в
рамки, должна быть равна размеру шрифта размерных чисел.
Графическое
изображение рамки приведено в Приложении А.
5.3. Рамку
располагают горизонтально. В необходимых случаях допускается вертикальное
расположение рамки.
Не допускается
пересекать рамку какими-либо линиями.
5.4. Рамку
соединяют с элементом, к которому относится допуск, сплошной тонкой линией,
заканчивающейся стрелкой (см. рисунок 3).

Рисунок 3
Соединительная
линия может быть прямой или ломаной, но направление отрезка соединительной
линии, заканчивающегося стрелкой, должно соответствовать направлению измерения
отклонения. Соединительную линию отводят от рамки, как показано на рисунке 4.

Рисунок 4
В необходимых
случаях допускается:
- проводить
соединительную линию от второй (последней) части рамки (см. рисунок 5 а);
- заканчивать
соединительную линию стрелкой и со стороны материала детали (см. рисунок 5 б).

Рисунок 5
5.5. Если допуск
относится к поверхности или ее профилю, то рамку соединяют с контурной линией
поверхности или ее продолжением, при этом соединительная линия не должна быть
продолжением размерной линии (см. рисунки 6, 7).

Рисунок 6

Рисунок 7
5.6. Если допуск
относится к оси или плоскости симметрии, то соединительная линия должна быть
продолжением размерной линии (см. рисунки 8 а и 8 б). При недостатке места
стрелку размерной линии допускается совмещать со стрелкой соединительной линии
(см. рисунок 8 в).

Рисунок 8
Если размер
элемента уже указан один раз, то на других размерных линиях данного элемента,
используемых для условного обозначения допуска формы и расположения, его не
указывают. Размерную линию без размера следует рассматривать как составную
часть условного обозначения допуска формы или расположения (см. рисунок 9).

Рисунок 9
5.7. Если допуск
относится к боковым сторонам резьбы, то рамку соединяют с изображением в
соответствии с рисунком 10 а.

Рисунок 10
Если допуск
относится к оси резьбы, то рамку соединяют с изображением в соответствии с
рисунком 10 б.
5.8. Если допуск
относится к общей оси (плоскости симметрии) и из чертежа ясно, для каких
поверхностей данная ось (плоскость симметрии) является общей, то рамку
соединяют с осью (плоскостью симметрии) (см. рисунки 11 а и 11 б).

Рисунок 11
5.9. Перед числовым
значением допуска следует указывать:
- символ
, если
круговое или цилиндрическое поле допуска указывают диаметром (см. рисунок 12
а);
- символ R, если
круговое или цилиндрическое поле допуска указывают радиусом (см. рисунок 12 б);
- символ T, если
допуски симметричности, пересечения осей, формы заданного профиля и заданной
поверхности, а также позиционные допуски (для случая, когда поле позиционного
допуска ограничено двумя параллельными прямыми или плоскостями) указывают в
диаметральном выражении (см. рисунок 12 в);
- символ T/2 для
тех же видов допусков, если их указывают в радиусном выражении (см. рисунок 12
г);
- слово
"сфера" и символ
или R, если поле допуска сферическое (см.
рисунок 12 д).

а

б

в

г

д
Рисунок 12
5.10. Числовые
значения допуска формы и расположения поверхностей, указанные в рамке (см.
рисунок 13 а), относятся ко всей длине поверхности. Если допуск относится к
любому участку поверхности заданной длины (или площади), то заданную длину (или
площадь) указывают рядом с допуском и отделяют от него наклонной линией (см.
рисунки 13 б и 13 в), которая не должна касаться рамки.

а

б

в

г
Рисунок 13
Если необходимо
назначить допуск на всей длине поверхности и на заданной длине, то допуск на
заданной длине указывают под допуском на всей длине (см. рисунки 13 в, 13 г).
5.11. Если допуск
должен относиться к участку, расположенному в определенном месте элемента, то
этот участок обозначают штрихпунктирной линией и ограничивают размерами согласно
рисунку 14.

Рисунок 14
5.12. Если
необходимо задать выступающее поле допуска расположения, то после числового
значения допуска указывают символ
.
Контур выступающей
части нормируемого элемента ограничивают тонкой сплошной линией, а длину и
расположение выступающего поля допуска - размерами (см. рисунок 15).

Рисунок 15
5.13. Надписи,
дополняющие данные, приведенные в рамке допуска, следует наносить над рамкой,
под ней или как показано на рисунке 16.

Рисунок 16
5.14. Если для
одного элемента необходимо задать два разных вида допуска, то допускается рамки
объединять и располагать их согласно рисунку 17 (верхнее обозначение).

Рисунок 17
Если для
поверхности требуется указать одновременно условное обозначение допуска формы
или расположения и ее буквенное обозначение, используемое для нормирования
другого допуска, то рамки с обоими условными обозначениями допускается
располагать рядом на соединительной линии (см. рисунок 17, нижнее обозначение).
5.15. Повторяющиеся
одинаковые или разные виды допусков, обозначаемые одним и тем же знаком,
имеющие одинаковые числовые значения и относящиеся к одним и тем же базам,
допускается указывать один раз в рамке, от которой отходит одна соединительная
линия, разветвляемая затем ко всем нормируемым элементам (см. рисунок 18).

Рисунок 18
5.16. Допуски формы
и расположения симметрично расположенных элементов на симметричных деталях
указывают один раз.
6.
Обозначение баз
6.1. Базы
обозначают зачерненным треугольником, который соединяют при помощи
соединительной линии с рамкой. При выполнении графического документа с помощью
выводных устройств ЭВМ допускается треугольник, обозначающий базу, не
зачернять.
Треугольник, обозначающий
базу, должен быть равносторонним, высотой, приблизительно равной размеру шрифта
размерных чисел.
6.2. Если базой
является поверхность или ее профиль, то основание треугольника располагают на
контурной линии поверхности (см. рисунок 19 а) или на ее продолжении (см.
рисунок 19 б). При этом соединительная линия не должна быть продолжением
размерной линии.

Рисунок 19
6.3. Если базой
является ось или плоскость симметрии, то треугольник располагают на конце
размерной линии (см. рисунок 18).
В случае недостатка
места стрелку размерной линии допускается заменять треугольником, обозначающим
базу (см. рисунок 20).

Рисунок 20
Если базой является
общая ось (см. рисунок 21 а) или плоскость симметрии (см. рисунок 21 б) и из
чертежа ясно, для каких поверхностей ось (плоскость симметрии) является общей,
то треугольник располагают на оси.

Рисунок 21
6.4. Если базой
является ось центровых отверстий, то рядом с обозначением базовой оси делают
надпись "Ось центров" (см. рисунок 22).

Рисунок 22
Допускается
обозначать базовую ось центровых отверстий в соответствии с рисунком 23.

Рисунок 23
6.5. Если базой
является определенная часть элемента, то ее обозначают штрихпунктирной линией и
ограничивают размерами в соответствии с рисунком 24.

Рисунок 24
Если базой является
определенное место элемента, то оно должно быть определено размерами согласно
рисунку 25.

Рисунок 25
6.6. Если нет
необходимости выделять как базу ни одну из поверхностей, то треугольник
заменяют стрелкой (см. рисунок 26).

Рисунок 26
6.7. Если
соединение рамки с базой или другой поверхностью, к которой относится
отклонение расположения, затруднительно, то поверхность обозначают прописной
буквой, вписываемой в третью часть рамки. Эту же букву вписывают в рамку,
которую соединяют с обозначаемой поверхностью линией, заканчивающейся
треугольником, если обозначают базу (см. рисунок 27 а), или стрелкой, если
обозначаемая поверхность не является базой (см. рисунок 27 б). При этом букву
следует располагать параллельно основной надписи.

Рисунок 27
6.8. Если размер
элемента уже указан один раз, то на других размерных линиях данного элемента,
используемых для условного обозначения базы, его не указывают. Размерную линию
без размера следует рассматривать как составную часть условного обозначения
базы (см. рисунок 28).

Рисунок 28
6.9. Если
два или несколько элементов образуют объединенную базу и их последовательность
не имеет значения (например, они имеют общую ось или плоскость симметрии), то
каждый элемент обозначают самостоятельно и все буквы вписывают подряд в третью
часть рамки (см. рисунки 25, 29).

Рисунок 29
6.10. Если
необходимо задать допуск расположения относительно комплекта баз, то буквенные
обозначения баз указывают в самостоятельных частях (третьей и далее) рамки. В
этом случае базы записывают в порядке убывания числа степеней свободы, лишаемых
ими (см. рисунок 30).

Рисунок 30
7. Указания
номинального расположения
Линейные и угловые
размеры, определяющие номинальное расположение и (или) номинальную форму
элементов, ограничиваемых допуском, при назначении позиционного допуска,
допуска наклона, допуска формы заданной поверхности или заданного профиля
указывают в графическом документе без предельных отклонений и заключают в
прямоугольные рамки (см. рисунок 31).

Рисунок 31
8. Обозначение
зависимых допусков
8.1. Зависимые
допуски формы и расположения обозначают условным знаком
,
который помещают:
- после числового
значения допуска, если зависимый допуск связан с действительными размерами
рассматриваемого элемента (см. рисунок 32 а);
- после буквенного
обозначения базы (см. рисунок 32 б) или без буквенного обозначения в третьей
части рамки (рисунок 32 г), если зависимый допуск связан с действительными
размерами базового элемента;
- после числового значения
допуска и буквенного обозначения базы (см. рисунок 32 в) или без буквенного
обозначения (см. рисунок 32 д), если зависимый допуск связан с действительными
размерами рассматриваемого и базового элементов.

а

б

в

г

д
Рисунок 32
8.2. Если допуск
расположения или формы не указан как зависимый, то его считают независимым.
Приложение А
(справочное)
ФОРМЫ И
РАЗМЕРЫ ЗНАКОВ

Приложение Б
(справочное)
ПРИМЕРЫ
УКАЗАНИЯ УСЛОВНЫХ ОБОЗНАЧЕНИЙ ДОПУСКОВ ФОРМЫ
И РАСПОЛОЖЕНИЯ
ПОВЕРХНОСТЕЙ
Таблица Б.1
───────────────────────────────────────────────────────────────────────────
Вид допуска Указания допусков Пояснение
формы
и расположения
условным
обозначением
───────────────────────────────────────────────────────────────────────────
1. Допуск Допуск прямолинейности образующей
прямолинейности конуса - 0,01 мм

─────────────────────────────────────────────────────────
Допуск
прямолинейности оси
отверстия -

(допуск
зависимый)

─────────────────────────────────────────────────────────
Допуск
прямолинейности поверхности
0,25 мм
на всей длине и 0,1 мм - на
длине
100 мм

─────────────────────────────────────────────────────────
Допуск
прямолинейности поверхности
в
поперечном направлении - 0,05 мм,
в
продольном направлении - 0,1 мм

───────────────────────────────────────────────────────────────────────────
2. Допуск Допуск плоскостности поверхности -
плоскостности 0,1 мм

─────────────────────────────────────────────────────────
Допуск
плоскостности поверхности -
0,1 мм
на площади 100 x 100 мм

─────────────────────────────────────────────────────────
Допуск
плоскостности поверхностей
относительно общей прилегающей
плоскости - 0,1 мм

─────────────────────────────────────────────────────────
Допуск
плоскостности каждой
поверхности - 0,01 мм

───────────────────────────────────────────────────────────────────────────
3. Допуск Допуск
круглости вала - 0,02 мм
круглости

─────────────────────────────────────────────────────────
Допуск круглости конуса - 0,02 мм

───────────────────────────────────────────────────────────────────────────
4. Допуск Допуск цилиндричности
вала -
цилиндричности 0,04 мм

─────────────────────────────────────────────────────────
Допуск
цилиндричности вала -
0,01 мм
на длине 50 мм.
Допуск
круглости вала - 0,004 мм

───────────────────────────────────────────────────────────────────────────
5. Допуск Допуск круглости
вала - 0,01 мм.
профиля Допуск профиля
продольного сечения
продольного вала - 0,016 мм
сечения

───────────────────────────────────────────────────────────────────────────
Допуск
профиля продольного сечения
вала -
0,1 мм

───────────────────────────────────────────────────────────────────────────
6. Допуск Допуск параллельности поверхности
параллельности относительно
поверхности А - 0,02 мм

─────────────────────────────────────────────────────────
Допуск
параллельности общей
прилегающей плоскости поверхностей
относительно поверхности А - 0,1 мм

─────────────────────────────────────────────────────────
Допуск
параллельности каждой
поверхности относительно поверхности
А - 0,1
мм

─────────────────────────────────────────────────────────
Допуск параллельности оси отверстия
относительно основания - 0,05 мм

─────────────────────────────────────────────────────────
Допуск
параллельности осей
отверстий в общей плоскости -
0,1 мм.
Допуск
перекоса осей отверстий -
0,2 мм.
База -
ось отверстия А

─────────────────────────────────────────────────────────
Допуск
параллельности оси отверстия
относительно оси отверстия
А -


───────────────────────────────────────────────────────────────────────────
7. Допуск Допуск перпендикулярности
перпендикулярности поверхности относительно
поверхности
А - 0,02
мм

─────────────────────────────────────────────────────────
Допуск
перпендикулярности оси
отверстия относительно оси отверстия
А - 0,06
мм

─────────────────────────────────────────────────────────
Допуск
перпендикулярности оси
выступа
относительно поверхности
А -


─────────────────────────────────────────────────────────
Допуск
перпендикулярности оси
выступа
относительно основания -
0,1 мм

─────────────────────────────────────────────────────────
Допуск
перпендикулярности оси
выступа
в поперечном направлении -
0,2 мм,
в продольном направлении -
0,1 мм.
База -
основание

─────────────────────────────────────────────────────────
Допуск
перпендикулярности оси
отверстия относительно поверхности -
(допуск зависимый)

───────────────────────────────────────────────────────────────────────────
8. Допуск наклона Допуск наклона
поверхности
относительно поверхности А - 0,08 мм

─────────────────────────────────────────────────────────
Допуск
наклона оси отверстия
относительно поверхности А - 0,08 мм

───────────────────────────────────────────────────────────────────────────
9. Допуск Допуск соосности
отверстия
соосности относительно
отверстия -


─────────────────────────────────────────────────────────
Допуск соосности двух отверстий
относительно их общей оси -
(допуск зависимый)

───────────────────────────────────────────────────────────────────────────
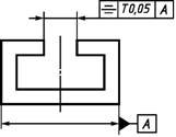
10. Допуск Допуск симметричности паза -
симметричности T 0,05 мм.
База - плоскость симметрии
поверхности А

─────────────────────────────────────────────────────────
Допуск симметричности отверстия -
T 0,05
мм (допуск зависимый).
База -
плоскость симметрии
поверхности А

─────────────────────────────────────────────────────────
Допуск
симметричности оси отверстия
относительно общей плоскости
симметрии
пазов АБ - T 0,2 мм
и
относительно общей плоскости
симметрии пазов ВГ - T 0,1 мм

───────────────────────────────────────────────────────────────────────────
11. Позиционный Позиционный допуск оси отверстия
допуск


─────────────────────────────────────────────────────────
Позиционный допуск осей отверстий
(допуск зависимый)

─────────────────────────────────────────────────────────
Позиционный допуск осей четырех
отверстий -
(допуск
зависимый).
База -
ось отверстия А (допуск
зависимый)

─────────────────────────────────────────────────────────
Позиционный допуск четырех
отверстий

(допуск
зависимый)

─────────────────────────────────────────────────────────
Позиционный допуск трех резьбовых
отверстий -
(допуск
зависимый) на участке, расположенном
вне детали и
выступающем на 30 мм
от
поверхности

─────────────────────────────────────────────────────────
12. Допуск Допуск пересечения осей отверстий
-
пересечения
осей T 0,06 мм

───────────────────────────────────────────────────────────────────────────
13. Допуск Допуск радиального биения вала
радиального
биения относительно
оси конуса - 0,01 мм

───────────────────────────────────────────────────────────────────────────
Допуск
радиального биения
поверхности относительно общей оси
поверхностей А и Б - 0,1 мм

─────────────────────────────────────────────────────────
Допуск
радиального биения участка
поверхности относительно оси
отверстия А - 0,2 мм

─────────────────────────────────────────────────────────
Допуск
радиального биения
отверстия - 0,01 мм.
Первая
база - поверхность А. Вторая
база - ось поверхности Б.
Допуск
торцового биения
относительно тех же баз - 0,016 мм

───────────────────────────────────────────────────────────────────────────
14. Допуск Допуск торцового биения на
диаметре
торцового
биения 20 мм
относительно оси поверхности
А - 0,1
мм

───────────────────────────────────────────────────────────────────────────
15. Допуск биения Допуск биения конуса
относительно
в
заданном оси
отверстия А в направлении,
направлении перпендикулярном к
образующей
конуса,
- 0,01 мм

───────────────────────────────────────────────────────────────────────────
16. Допуск Допуск полного радиального биения
полного относительно
общей оси поверхностей
радиального
биения
А и Б - 0,1 мм

───────────────────────────────────────────────────────────────────────────
17. Допуск Допуск полного торцового биения
полного торцового поверхности относительно
оси
биения поверхности -
0,1 мм

───────────────────────────────────────────────────────────────────────────
18.
Допуск формы
Допуск формы заданного профиля -
заданного
профиля T 0,04 мм

───────────────────────────────────────────────────────────────────────────
19. Допуск формы Допуск формы заданной
поверхности
заданной относительно
поверхностей А, Б, В -
поверхности T 0,1 мм

───────────────────────────────────────────────────────────────────────────
20. Суммарный Суммарный допуск параллельности
допуск и
плоскостности поверхности
параллельности относительно основания - 0,1 мм
и
плоскостности

───────────────────────────────────────────────────────────────────────────
21. Суммарный Суммарный допуск перпендикулярности
допуск и
плоскостности поверхности
перпендикулярности относительно основания -
0,02 мм
и
плоскостности

───────────────────────────────────────────────────────────────────────────
22. Суммарный Суммарный допуск наклона
допуск
наклона и
плоскостности поверхности
и
плоскостности
относительно основания - 0,05 мм

───────────────────────────────────────────────────────────────────────────
Примечания. 1.
В приведенных примерах
допуски соосности,
симметричности,
позиционные, пересечения осей, формы
заданного профиля и
заданной
поверхности указаны в
диаметральном выражении.
Допускается указывать их в радиусном
выражении, например:

В ранее
выпущенной документации допуски
соосности,
симметричности,
смещения осей
от номинального расположения (позиционного допуска),
обозначенные
соответственно знаками
;
;
или
текстом
в технических
требованиях, следует понимать
как допуски в радиусном
выражении.
2. Указание допусков формы и
расположения поверхностей в текстовых
документах или в технических
требованиях графического документа
следует
приводить
по аналогии с текстом пояснений к условным обозначениям допусков
формы
и расположения, приведенным в настоящем приложении.
При этом поверхности, к которым относятся допуски
формы и расположения
или
которые приняты за базу, следует обозначать буквами или
приводить их
конструкторские
наименования.
Допускается вместо слов "зависимый
допуск" указывать знак
и вместо
указаний
перед числовым значением символов
; R;
T; T/2 - запись текстом,
например
"позиционный допуск оси 0,1 мм в
диаметральном выражении" или
"допуск
симметричности 0,12 мм в радиусном выражении".
3.
Во вновь разрабатываемой документации
запись в технических
требованиях о
допусках овальности, конусообразности, бочкообразности и
седлообразности
должна быть, например,
следующей: "Допуск овальности
поверхности А 0,2 мм (полуразность диаметров)".
В
технической документации,
разработанной до 1
января 1980 г.,
предельные значения
овальности,
конусообразности, бочкообразности и
седлообразности
определяют как разность
наибольшего
и наименьшего
диаметров.
───────────────────────────────────────────────────────────────────────────
БИБЛИОГРАФИЯ
[1] ИСО
11013:2004. Основные нормы взаимозаменяемости. Характеристики изделий
геометрические. Допуски формы, ориентации, местоположения и биения.