Утвержден и введен в
действие
Приказом Росстандарта
от 22 апреля 2011
г. N 54-ст
НАЦИОНАЛЬНЫЙ СТАНДАРТ РОССИЙСКОЙ ФЕДЕРАЦИИ
ТЕХНИЧЕСКИЕ СРЕДСТВА ОРГАНИЗАЦИИ ДОРОЖНОГО ДВИЖЕНИЯ
СТОЛБИКИ СИГНАЛЬНЫЕ ДОРОЖНЫЕ
ОБЩИЕ ТЕХНИЧЕСКИЕ ТРЕБОВАНИЯ. ПРАВИЛА ПРИМЕНЕНИЯ
Traffic control devices.
Guide
posts.
General
technical requirements. Application rules
ГОСТ Р 50970-2011
Группа Д28
ОКС 93.080.30
ОКП 52 1000
Дата введения
1 сентября 2011
года
Предисловие
Цели и принципы
стандартизации в Российской Федерации установлены Федеральным законом от 27
декабря 2002 г. N 184-ФЗ "О техническом регулировании", а правила
применения национальных стандартов Российской Федерации - ГОСТ Р 1.0-2004 "Стандартизация в Российской Федерации.
Основные положения".
Сведения о
стандарте
1. Разработан
Федеральным государственным унитарным предприятием "РОСДОРНИИ"
Российского дорожного агентства Министерства транспорта Российской Федерации
(ФГУП "РОСДОРНИИ") совместно с Департаментом обеспечения
безопасности дорожного движения Министерства внутренних дел Российской
Федерации (Департамент ОБДД МВД России).
2. Внесен Техническим комитетом по стандартизации ТК 418
"Дорожное хозяйство".
3. Утвержден и
введен в действие Приказом Федерального агентства по техническому регулированию
и метрологии от 22 апреля 2011 г. N 54-ст.
4. Взамен ГОСТ Р 50970-96.
Информация об
изменениях к настоящему стандарту публикуется в ежегодно издаваемом
информационном указателе "Национальные стандарты", а текст изменений
и поправок - в ежемесячно издаваемых информационных указателях
"Национальные стандарты". В случае пересмотра (замены) или отмены
настоящего стандарта соответствующее уведомление будет опубликовано в
ежемесячно издаваемом информационном указателе "Национальные
стандарты". Соответствующая информация, уведомление и тексты размещаются
также в информационной системе общего пользования - на официальном сайте
Федерального агентства по техническому регулированию и метрологии в сети
Интернет.
1. Область применения
Настоящий стандарт
распространяется на дорожные сигнальные столбики, предназначенные для установки
на автомобильных дорогах общего пользования с целью указания направления дороги
и границ земляного полотна, устанавливает общие технические требования и
правила их применения.
2.
Нормативные ссылки
В настоящем
стандарте использованы нормативные ссылки на следующие стандарты:
ГОСТ Р 41.27-2001 (Правила ЕЭК ООН N 27). Единообразные
предписания, касающиеся официального утверждения предупреждающих треугольников
ГОСТ Р 50971-2011. Технические средства организации дорожного
движения. Световозвращатели дорожные. Общие
технические требования. Правила применения
ГОСТ Р 51256-99. Технические средства организации дорожного
движения. Разметка дорожная. Типы и основные параметры. Общие технические
требования
ГОСТ Р 52289-2004. Технические средства организации дорожного
движения. Правила применения дорожных знаков, разметки, светофоров, дорожных
ограждений и направляющих устройств
ГОСТ Р 52290-2004. Технические средства организации дорожного
движения. Знаки дорожные. Общие технические требования
ГОСТ Р 52298-2004. Услуги транспортно-экспедиторские. Общие
требования
ГОСТ Р 52901-2007. Картон гофрированный
для упаковки продукции. Технические условия
ГОСТ 9.403-80.
Единая система защиты от коррозии и старения. Покрытия лакокрасочные. Методы
испытаний на стойкость к статическому воздействию жидкостей
ГОСТ 427-75.
Линейки измерительные металлические. Технические условия
ГОСТ 7502-98.
Рулетки измерительные металлические. Технические условия
ГОСТ 7721-89.
Источники света для измерения цвета. Типы. Технические требования. Маркировка
ГОСТ 14192-96. Маркировка
грузов
ГОСТ 21140-88.
Тара. Система размеров
ГОСТ 26633-91.
Бетоны тяжелые и мелкозернистые. Технические условия.
Примечание. При пользовании настоящим стандартом целесообразно проверить
действие ссылочных стандартов в информационной системе общего пользования - на
официальном сайте Федерального агентства по техническому регулированию и
метрологии в сети Интернет или по ежегодно издаваемому информационному
указателю "Национальные стандарты", который опубликован по состоянию
на 1 января текущего года, и по соответствующим ежемесячно издаваемым
информационным указателям, опубликованным в текущем году. Если ссылочный
стандарт заменен (изменен), то при пользовании настоящим стандартом следует
руководствоваться заменяющим (измененным) стандартом. Если ссылочный стандарт
отменен без замены, то положение, в котором дана ссылка на него, применяется в
части, не затрагивающей эту ссылку.
3. Термины,
определения, обозначения и сокращения
3.1. В настоящем
стандарте применен следующий термин с соответствующим определением:
3.1.1. Сигнальный
столбик: по ГОСТ Р 52289.
3.2. В настоящем
стандарте применены следующие сокращения и обозначения:
С1,
С2 и С3 - типы сигнальных столбиков;
ВД - класс
сигнальных столбиков по устойчивости к статической нагрузке (временной
деформации);
x, y - координаты
цветности;
- угол наблюдения;
- угол освещения.
4.
Классификация сигнальных столбиков
4.1. Сигнальные
столбики (далее - столбики) по возможности повторного использования после
наезда на них транспортного средства классифицируют на следующие типы:
- непредназначенные
для использования после наезда транспортного средства (С1);
- предназначенные
для многократного использования после наезда транспортного средства при
повторной установке (С2);
- предназначенные
для многократного использования и самовосстанавливающие вертикальное положение
после наезда транспортного средства (С3).
4.2. По способу
крепления корпуса столбика к удерживающему устройству сигнальные столбики
подразделяют на:
- несъемные;
- съемные.
4.3. По
устойчивости к статической нагрузке по 5.4.2 сигнальные столбики подразделяют
на классы: ВД0, ВД1 и ВД.
4.4. Световозвращатели, размещаемые на сигнальных столбиках,
должны соответствовать требованиям ГОСТ Р 50971.
5.
Технические требования
5.1. Общие
требования
5.1.1. Форма и
размеры сигнальных столбиков типа С1 должны
соответствовать указанным на рисунках 1 - 4, типа С2 - на рисунке 5 и С3 - на
рисунках 6 - 8.
Отклонения линейных
размеров сигнального столбика по ширине не должны превышать +/- 3 мм, по длине
- +/- 20 мм.

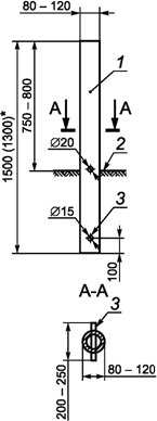
Рисунок 1

Рисунок 2

Рисунок 3

Рисунок 4
1 - корпус
столбика; 2 - поверхность грунта;
3 - анкерное
устройство
Примечание. Размеры
в скобках соответствуют случаю установки столбиков с использованием
удерживающих анкерных устройств.

1 - корпус
столбика; 2 - удерживающее устройство;
3 - поверхность
грунта
Рисунок 5.
Сигнальный столбик типа С2

Рисунок 6

Рисунок 7

Рисунок 8
1 - корпус
столбика; 2 - удерживающее устройство;
3 - поверхность
грунта
5.1.2. Сигнальные
столбики типа С1
5.1.2.1.
Конструкция сигнальных столбиков типа С1 должна быть
монолитной, разрушаться после наезда автомобиля и не предназначаться для
дальнейшего использования.
5.1.2.2. Корпус
столбика типа С1 изготавливают из:
- железобетона - по
размерам, указанным на рисунках 1 и 2;
- дерева - по
размерам, указанным на рисунках 1 и 2;
- полимерных
материалов - по размерам, указанным на рисунке 3;
- асбестоцементных
или пластмассовых труб - по размерам, указанным на рисунке 4.
5.1.2.3.
Железобетонные столбики изготавливают из бетона марки не ниже М400 (F300) по
ГОСТ 26633.
Армирование корпуса
столбика осуществляют распределительной арматурой с диаметром прутков (4 - 6)
мм.
5.1.2.4. Деревянные
сигнальные столбики изготавливают из лесоматериалов хвойных пород. Допускается
изготавливать сигнальные столбики из древесины других пород в районах их
произрастания при условии обеспечения защиты против загнивания и прочности на
изгиб не ниже соответствующих показателей для хвойных пород.
5.1.2.5.
Безопасность столбиков типа С1, кроме полимерных,
обеспечивают за счет устройства ослабленного сечения столбика. Для этого в
корпусе столбика на уровне поверхности земли при его изготовлении оставляют
сквозное отверстие диаметром 20 мм (рисунки 1, 2 и 4) или устраивают штробу глубиной 1 см со стороны, обращенной навстречу
движению транспортных средств.
5.1.3. Сигнальные
столбики типа С2
5.1.3.1.
Сигнальные столбики типа С2 состоят из корпуса и
удерживающего устройства, обеспечивающего устойчивость корпуса сигнального
столбика в вертикальном положении (рисунок 5).
Корпус столбика
должен отделяться от удерживающего устройства и сохранять свои свойства для
повторного использования после наезда на него транспортного средства.
Удерживающее
устройство должно обеспечивать возможность снятия корпуса столбика и его
повторную установку.
5.1.3.2. Корпус
сигнального столбика С2 изготавливают из полимерных
материалов.
5.1.3.3.
Удерживающее устройство изготавливают из металла, полимерного или другого
материала. В верхней части удерживающего устройства устанавливают патрон,
обеспечивающий байонетное соединение корпуса столбика
с удерживающим устройством.
Патрон не должен
выступать над уровнем поверхности земли.
Допускается
применение крепления других видов, обеспечивающих выполнение требований
5.1.3.1.
5.1.4. Сигнальные
столбики типа С3
5.1.4.1.
Конструкция сигнальных столбиков типа С3 должна обеспечивать его возвращение в
вертикальное положение после наезда на него транспортного средства.
5.1.4.2.
Возвращение столбика в вертикальное положение обеспечивают за счет применения
гибкой конструкции корпуса столбика (рисунок 6), вставки из гибкого материала
между корпусом столбика и удерживающим устройством (рисунок 7) или удерживающей
пружины, размещенной внутри корпуса столбика (рисунок 8).
5.1.5. При
изготовлении столбиков из полимерных материалов используют модифицированные
полимеры, обладающие повышенной ударной вязкостью.
5.1.6. Конструкция
корпуса столбика должна обеспечивать его сохранность при выполнении работ по
его содержанию (механизированная мойка корпуса, замена световозвращателей
и т.п.).
5.1.7. Корпус
столбика следует изготавливать из материалов белого цвета или окрашивать в
белый цвет. На корпусе столбика должна быть нанесена вертикальная разметка по
ГОСТ Р 51256.
5.1.8. Поперечное
сечение столбиков может представлять собой прямоугольник, треугольник с
закругленными углами, круг, кольцо или его часть, а также иметь другую
конфигурацию в рамках заданного габарита поперечного сечения, обеспечивающую
прочность конструкции и возможность нанесения на корпус столбика вертикальной
разметки.
5.1.9. Верхняя
часть корпуса столбика, имеющего прямоугольное или треугольное поперечное
сечение с закругленными углами, должна иметь скос под углом 30° в соответствии
с рисунками 1 и 3.
5.1.10. Полые
столбики должны иметь насадку (заглушку), закрывающую верхнее отверстие.
5.2. Требования к
вертикальной разметке
5.2.1. На
поверхность столбиков, обращенную в сторону приближающихся транспортных
средств, наносят вертикальную разметку по ГОСТ Р 51256
в виде полосы черного цвета (рисунки 9 и 10) и крепят световозвращатели
типа КД1 или КД2 по ГОСТ Р 50971.

Рисунок 9.
Вертикальная разметка сигнальных столбиков,
имеющих скос в верхней части корпуса

Рисунок 10.
Вертикальная разметка сигнальных столбиков,
не имеющих скоса в верхней части корпуса
5.2.2. На корпус
столбика, имеющего в верхней части скос, вертикальную разметку наносят в виде
наклонной полосы черного цвета шириной 150 - 250 мм. Угол наклона полосы должен
быть равен углу скоса верхней части столбика.
Полосу наносят на
расстоянии 150 мм от верхнего торца столбика (рисунок 9).
5.2.3. Верхняя
часть столбика, не имеющая скоса, должна иметь вертикальную разметку в виде
черной горизонтальной полосы шириной 100 мм (рисунок 10).
5.2.4. На
столбиках, имеющих скос верхней части, световозвращатели
располагают в центре черной полосы (рисунок 9).
5.2.5. На
столбиках, не имеющих скоса, световозвращатели располагают
на расстоянии 100 мм от верха столбика под полосой черного цвета (рисунок 10).
5.2.6. Круглые световозвращатели типа КД2
устанавливают вертикально один над другим на расстоянии 80 мм друг от друга.
5.3.
Колориметрические и фотометрические требования
5.3.1.
Колориметрические характеристики корпуса сигнальных столбиков (координаты
цветности угловых точек цветовых областей и коэффициент яркости), определяемые
в колориметрической системе МКО 1931 г. [1] для источника типа Д65 (ГОСТ 7721)
при геометрии измерения 45°/0°, должны соответствовать указанным в таблице 1.
Таблица 1
Колориметрические
характеристики корпуса
сигнальных
столбиков
┌───────────┬───────────────────────────────────────────────┬─────────────┐
│Обозначение│ Координаты цветности угловых точек │Коэффициент │
│
координат │ цветовых
областей │яркости
бета,│
│
├───────────┬───────────┬──────────┬────────────┤ %
│
│ │ 1
│ 2 │
3 │ 4
│ │
├───────────┼───────────┼───────────┼──────────┼────────────┼─────────────┤
│ x
│ 0,350 │
0,300 │ 0,290
│ 0,340 │
>= 75,0 │
│ y
│ 0,360 │
0,310 │ 0,320
│ 0,370 │ │
└───────────┴───────────┴───────────┴──────────┴────────────┴─────────────┘
5.3.2.
Фотометрические и колориметрические характеристики световозвращателей
должны соответствовать требованиям ГОСТ Р 50971.
5.4. Требования
устойчивости к статической нагрузке (ветровой)
5.4.1. Сигнальные
столбики в результате воздействия статической нагрузки не должны ломаться или
иметь остаточную деформацию более 5% после испытаний по 6.4.
5.4.2.
Временная деформация сигнального столбика не должна превышать величины,
указанной в таблице 2.
Таблица 2
|
Класс сигнальных
столбиков
|
Максимальное значение временной
деформации
сигнального столбика,
%
|
|
ВД0
|
Не нормируется
|
|
ВД1
|
15
|
|
ВД2
|
5
|
5.5. Требования
устойчивости к динамическому воздействию
5.5.1.
Столбики после динамического воздействия по 6.5 должны остаться прежних
размеров, а столбик типа С3 должен возвратиться в вертикальное положение. При
этом ни один из типов столбиков не должен иметь механических повреждений.
По истечении 24 ч
после испытаний сигнальные столбики не должны иметь остаточную деформацию более
5% значения их высоты.
5.5.2.
Сигнальные столбики типа С2 после динамического
воздействия по 6.6 должны сохранять целостность корпуса и удерживающего
устройства, типа С3 - целостность конструкции и способность самостоятельно
возвращаться в вертикальное положение.
По истечении 24 ч
после испытаний столбики типов С2 и С3 не должны иметь
остаточную деформацию более 5% значения их высоты.
5.5.3.
Сигнальный столбик типа С1 массой более 6 кг после
динамического воздействия по 6.7 должен разрушаться в месте расположения
ослабленного сечения.
Излом столбика выше
уровня расположения ослабленного сечения или его выворачивание из грунта не
допускается.
5.6. Требования
стойкости к воздействию жидкостей и климатических факторов
5.6.1. Сигнальный
столбик должен быть стойким в течение 72 ч и более к статическому воздействию:
- воды при
температуре (25 +/- 5) °C и топлива после испытаний по ГОСТ Р
41.27;
- 3%-ного водного и насыщенного водного растворов хлорида натрия
(NaCl) при температуре (0 +/- 2) °C, 10%-ного водного раствора щелочи гидроксида натрия при
температуре (20 +/- 2) °C после испытаний по ГОСТ 9.403.
В результате
испытаний на элементах столбиков не должно быть заметно следов коррозии, пятен
или отслоений покрытия или любого другого изменения по сравнению с образцами,
не подвергнутыми испытанию.
5.6.2. Сигнальные
столбики должны быть устойчивы к воздействию климатических факторов -
ультрафиолетового излучения и знакопеременных температур, т.е. не допускать
трещин и деформаций после испытаний по ГОСТ Р 41.27.
5.7. Требования к
комплектности
Сигнальные столбики
должны поставляться в комплекте со световозвращателями
и иметь сопроводительную документацию изготовителя, содержащую:
- паспорт с
основными характеристиками изделия (со ссылкой на стандарт предприятия или
технические условия);
- тип сигнального
столбика;
- инструкцию по
технологии размещения изделия на дороге;
- правила техники
безопасности, правила транспортировки и хранения изделий.
5.8. Требования к
маркировке
5.8.1. Маркировка
должна быть нанесена на потребительскую и транспортную тару непосредственно или
в виде этикетки в соответствии с ГОСТ 14192.
5.8.2. Маркировка
должна быть выполнена типографской печатью либо другим способом, обеспечивающим
ее сохранность в течение срока хранения изделия.
5.8.3. Маркировка
должна содержать:
- наименование
продукции;
- обозначение
нормативного документа, по которому изготовлено изделие;
- тип сигнального
столбика;
- наименование
страны-изготовителя;
- наименование
предприятия-изготовителя;
- правила и условия
безопасного хранения и транспортировки;
- юридический адрес
предприятия-изготовителя;
- число изделий в
упаковке;
- массу нетто;
- массу брутто;
- товарный знак
предприятия-изготовителя;
- дату
изготовления;
- номер партии;
- срок годности.
5.8.4. На корпусе
столбика должен быть нанесен товарный знак или сокращенное наименование
предприятия-изготовителя.
5.9. Требования к
упаковке
Столбики укладывают
в дощатые, картонные или фанерные ящики массой брутто не более 50 кг с учетом
унификации размеров транспортной тары в соответствии с ГОСТ 21140. При укладке
столбиков в несколько рядов между ними прокладывают слой гофрированного картона
по ГОСТ Р 52901.
5.10. Требования к
транспортированию и хранению
5.10.1. Упакованные
столбики перевозят транспортом любого вида, исключающим механические
повреждения и воздействие влаги.
5.10.2. Столбики
должны храниться в закрытом проветриваемом помещении с относительной влажностью
не более 70% при температуре окружающего воздуха не ниже 10 °C.
5.10.3. В помещении
для хранения столбиков не должно быть химикатов (кислот, щелочей, органических
растворителей, солей и др.), вызывающих коррозию деталей столбиков.
5.10.4. Срок хранения
столбиков должен быть не менее 24 мес
со дня изготовления.
6. Методы
испытаний
6.1. Подготовка
образцов
6.1.1. Столбики для
испытаний выбирают методом случайного отбора из партии готовой продукции не
менее 3 шт. для испытаний каждого вида.
6.1.2. Перед
испытаниями отобранные столбики очищают от загрязнений и выдерживают не менее 4
ч при температуре воздуха (20 +/- 2) °C и относительной влажности от 45% до
85%.
6.2. Проверка
размеров
Проверку размеров
столбиков производят измерением элементов столбиков с применением линейки по
ГОСТ 427 или рулетки по ГОСТ 7502.
6.3.
Колориметрические и фотометрические характеристики
6.3.1.
Колориметрические характеристики корпусов столбиков (координаты цветности и
коэффициент яркости) определяют по ГОСТ Р 52290.
6.3.2.
Фотометрические характеристики световозвращателей,
размещенных на сигнальных столбиках, определяют по ГОСТ Р
50971.
6.4.
Устойчивость к статической нагрузке (ветровой)
Испытания на
статическую (ветровую) нагрузку проводят следующим образом.
Три новых столбика
устанавливают в зажимы так, чтобы вершина зажима находилась на уровне
поверхности грунта при установке столбика на дороге.
Нагрузку
прикладывают к середине столбика в направлении движения. Значение нагрузки
должно составлять 0,42 кН/м2. По истечении 120 с измеряют величину отклонения верха столбика от
вертикального положения вместе с испытательным грузом, приложенным к столбику.
Затем испытательный
груз удаляют и после 120 с измеряют величину
отклонения верха столбика.
Величины временной
и остаточной деформаций определяют как отношение среднего значения отклонения
(для каждого из трех столбиков) к его высоте над уровнем поверхности грунта в
процентах.
6.5.
Способность материала сигнальных столбиков воспринимать динамическое
воздействие
Испытания
способности материала столбика воспринимать динамическое воздействие проводят
следующим образом.
Для испытаний
отбирают три образца из партии новых столбиков. Испытания проводят при помощи
установки маятникового типа, схема которой приведена на рисунке 11.

Рисунок 11.
Схема установки маятникового типа
Столбики должны
быть установлены в зажиме у основания установки таким образом, чтобы
поверхность грунта была на уровне верхней точки зажима. Ударник маятника,
представляющий собой плоскую пластину размерами 250 x 500 мм, должен ударить
столбик так, чтобы верхний край ударника был на 150 мм ниже вершины столбика.
Расстояние от верха маятника до центра ударника должно быть (1000 +/- 20) мм.
Удар маятника в момент соприкосновения со столбиком должен быть направлен
параллельно дороге, а сила удара составлять 150 Н (рисунок 11).
Испытание считают
положительным, если в результате его проведения выполнены требования 5.5.1.
6.6.
Способность сигнальных столбиков выполнять свои функции после динамического
воздействия
Испытания
способности столбика выполнять свои функции после динамического воздействия
проводят следующим образом.
Для испытаний
отбирают три образца из партии новых столбиков. Испытания проводят с помощью
установки маятникового типа, схема которой изображена на рисунке 11.
Столбики должны
быть установлены в зажиме у основания установки таким образом, чтобы поверхность
грунта была на уровне верхней точки зажима.
Используя установку
маятникового типа, ударником наносят удар по столбику таким образом, чтобы
нижний край ударника был на 250 мм выше поверхности грунта. Направление удара
должно быть параллельно поверхности грунта, а его сила составлять 300 Н.
Испытание считают
положительным, если в результате его проведения выполнены требования 5.5.2.
6.7.
Условия разрушения при динамическом воздействии
Испытанию
подвергают сигнальные столбики типа С1 массой более 6
кг.
Испытание столбиков
на разрушение проводят на полигоне с использованием тележки, имитирующей наезд
легкового автомобиля на столбик.
Скорость наезда
тележки должна соответствовать скорости движения, разрешенной на участке
установки столбиков. После наезда тележки ее скорость не должна изменяться
более чем на 3 км/ч.
Наезд тележки на
столбик осуществляют под углом 20° к оси дороги.
Испытание считают
положительным, если в результате его проведения выполнены требования 5.5.3.
7. Правила
применения сигнальных столбиков
7.1. Сигнальные
столбики устанавливают на автомобильных дорогах по ГОСТ Р
52289.
7.2. Типы
сигнальных столбиков выбирают по категории дороги в соответствии с таблицей 3.
Таблица 3
Типы сигнальных
столбиков
|
Категория дороги
|
Тип сигнального столбика
|
|
С1
|
С2
|
С3
|
|
IА
|
Не применяют
|
Не применяют
|
Применяют
|
|
IБ
|
|
IВ
|
|
II
|
Применяют
|
|
III
|
|
IV
|
Применяют
|
|
V
|
|
Категория автомобильной дороги - по ГОСТ
52298.
|
Примечание. Съемные
сигнальные столбики типа С2 допускается снимать с
удерживающего устройства в период образования устойчивого снежного покрова с
целью облегчения очистки обочин дорог от снега.
Класс сигнальных
столбиков выбирают по интенсивности движения, с учетом района территории
Российской Федерации по значению давления ветра в соответствии с таблицей 4.
Таблица 4
Классы сигнальных
столбиков
|
Класс
сигнальных столбиков
по параметру устойчивости
к статической нагрузке
|
Интенсивность
движения,
авт./сут
|
Район территории
Российской Федерации
по значению давления ветра <1>
|
|
ВД0
|
До 3000
|
Ia
|
|
ВД1
|
От
3000 до 7000
|
I - II
|
|
ВД2
|
Более 7000
|
I - IV
|
|
<1> Районирование территории
Российской Федерации по
значению
ветрового давления - по действующим строительным нормам и правилам.
|
7.3. При установке
столбика скос его верхней части и наклон черной полосы вертикальной разметки
должны быть направлены в сторону проезжей части.
7.4. Возвышение
сигнальных столбиков над поверхностью обочины должно быть (0,75 - 0,80) м.
7.5. Глубина
заделки сигнальных столбиков в грунт земляного полотна должна быть 0,7 м. В
случае использования анкерных устройств глубина
заделки может быть уменьшена до 0,5 м.
7.6. На
прямолинейных участках автомобильных дорог сигнальные столбики размещают в
одном поперечном сечении по обеим сторонам дороги.
БИБЛИОГРАФИЯ
[1]
Международный светотехнический словарь, 3-е изд., общее для МКО и МЭК. Русский
язык, 1979.