Утвержден и введен в
действие
Приказом Ростехрегулирования
от 18 декабря 2008
г. N 483-ст
НАЦИОНАЛЬНЫЙ СТАНДАРТ РОССИЙСКОЙ ФЕДЕРАЦИИ
ОСНОВНЫЕ НОРМЫ ВЗАИМОЗАМЕНЯЕМОСТИ
ХАРАКТЕРИСТИКИ ИЗДЕЛИЙ ГЕОМЕТРИЧЕСКИЕ
ТРЕБОВАНИЯ
МАКСИМУМА МАТЕРИАЛА, МИНИМУМА МАТЕРИАЛА И
ВЗАИМОДЕЙСТВИЯ
Basic
norms of interchangeability. Geometrical product
specifications. Maximum material
requirement, least
material requirement and
reciprocity requirement
ISO 2692:2006
Geometrical product specifications
(GPS) -
Geometrical tolerancing - Maximum material requirement
(MMR), least material
requirement (LMR)
and reciprocity
requirement (RPR)
(MOD)
ГОСТ Р 53090-2008
(ИСО 2692:2006)
Группа Г13
ОКС 17.040;
ОКСТУ 0074
Дата введения
1 января 2011 года
Предисловие
Цели и принципы
стандартизации в Российской Федерации установлены Федеральным законом от 27
декабря 2002 г. N 184-ФЗ "О техническом регулировании", а правила
применения национальных стандартов Российской Федерации - ГОСТ Р 1.0-2004 "Стандартизация в Российской Федерации.
Основные положения".
Сведения о
стандарте
1. Подготовлен
Открытым акционерным обществом "Научно-исследовательский и конструкторский
институт средств измерений в машиностроении" (ОАО "НИИизмерения") на основе собственного аутентичного
перевода стандарта, указанного в пункте 4.
2. Внесен Техническим комитетом по стандартизации ТК 242
"Допуски и средства контроля".
3. Утвержден и
введен в действие Приказом Федерального агентства по техническому регулированию
и метрологии от 18 декабря 2008 г. N 483-ст.
4. Настоящий
стандарт является модифицированным по отношению к международному стандарту ИСО
2692:2006 "Геометрические характеристики изделий (GPS). Установление
геометрических допусков. Требование максимума материала (MMR), требование
минимума материала (LMR) и требование взаимодействия (RPR)" (ISO 2692:2006
"Geometrical product specifications (GPS) - Geometrical
tolerancing - Maximum material requirement (MMR), least material requirement (LMR) and reciprocity requirement
(RPR)") путем внесения технических отклонений, объяснение которых
приведено во Введении к настоящему стандарту.
Наименование
настоящего стандарта изменено относительно наименования применяемого
международного стандарта для приведения в соответствие с требованиями ГОСТ Р 1.5-2004 (пункт 3.5).
5. Введен впервые.
Информация об
изменениях к настоящему стандарту публикуется в ежегодно издаваемом
информационном указателе "Национальные стандарты", а текст изменений
и поправок - в ежемесячно издаваемых информационных указателях
"Национальные стандарты". В случае пересмотра (замены) или отмены
настоящего стандарта соответствующее уведомление будет опубликовано в ежемесячно
издаваемом информационном указателе "Национальные стандарты".
Соответствующая информация, уведомление и тексты размещаются также в
информационной системе общего пользования - на официальном сайте Федерального
агентства по техническому регулированию и метрологии в сети Интернет.
Введение
Настоящий стандарт
является общим стандартом в области нормирования геометрических характеристик
изделий и дополняет положения международного стандарта ИСО 1101:2004 [1] в
части установления требований максимума материала и минимума материала при
назначении геометрических допусков.
Потребность в
настоящем стандарте обусловлена наличием часто встречающихся при проектировании
и нормировании геометрических свойств деталей в случаях, когда функциональное
назначение детали предполагает или ее соединение с гарантированным зазором с
другой деталью, или ограничение образуемой материалом детали стенки минимальной
допустимой толщиной.
В том случае, когда
требуется обеспечить собираемость деталей - требование максимума материала
(MMR), а в случае необходимости ограничения минимальной толщины стенки -
требование минимума материала (LMR), позволяют объединить ограничения,
накладываемые допуском размера и геометрическим допуском, в одно комплексное
требование, более точно соответствующее предполагаемому назначению детали. Это
комплексное требование позволяет (без ущерба для выполнения деталью своих
функций) увеличивать геометрический допуск нормируемого элемента детали, если
действительный размер элемента не достигает предельного значения, определяемого
установленным допуском размера.
Как одно (MMR), так
и другое (LMR) требование (в тех случаях, когда это не повлияет на выполнение
деталью других функций) могут быть дополнены требованием взаимодействия (RPR),
позволяющим увеличивать допуск размера элемента детали, если действительное
геометрическое отклонение нормируемого элемента не использует полностью
ограничений, накладываемых каждым из этих требований (MMR или LMR).
В настоящий
стандарт не включены: приложение C; терминологические статьи 3.1, 3.2, 3.3,
3.4, 3.6; перечисления a), b), c), d) пункта 4.2.1 и a), b), c) пункта 4.2.2
применяемого международного стандарта, которые нецелесообразно применять в
национальной стандартизации в связи с тем, что:
- приложение C
(информационное) "Связи в матричной системе GPS" содержит сведения о
матричной модели Системы стандартов ИСО "Геометрические характеристики
изделий (GPS)" и месте применяемого международного стандарта в ней, не
относящиеся к объекту стандартизации;
- статьи 3.1, 3.2 и
3.3 содержат (в сокращенном виде) термины и их определения, стандартизованные
на национальном уровне ГОСТ 31254-2004;
- статьи 3.4 и 3.6
содержат определения терминов "состояние максимума материала" и
"состояние минимума материала" соответственно, используемые далее
только в определениях терминов "размер максимума материала" и
"размер минимума материала", эквивалентные определения
которых могут быть получены на основе терминов, применяемых в национальных
стандартах;
- перечисления a),
b), c), d) пункта 4.2.1 и a), b), c) пункта 4.2.2 не содержат какой-либо иной
информации, кроме той, которая содержится соответственно в правилах A, B, C, D
и правилах E, F, J, на которые эти перечисления ссылаются.
В настоящий
стандарт относительно применяемого международного стандарта внесены следующие
технические отклонения:
- раздел 3
"Термины и определения" дополнен терминологическими статьями 3.1 -
3.4, необходимыми для правильного и однозначного понимания положений стандарта
пользователем;
- определения
терминов "размер максимума материала" (статья 3.3) и "размер
минимума материала" (статья 3.4) заменены на
эквивалентные, применяемые в национальных стандартах;
- ссылки на
международные стандарты ИСО 14660-1:1999, ИСО 14660-2:1999 и ИСО 14405 [2]
заменены соответственно ссылками на ГОСТ 31254-2004 и ГОСТ 25346-89;
-
"Библиография" приведена в соответствие с содержанием стандарта и
требованиями ГОСТ Р 1.5-2004.
1. Область
применения
Настоящий стандарт
распространяется на нормирование точности деталей и устанавливает содержание и
правила указания на чертежах требований максимума материала, минимума материала
и взаимодействия при назначении геометрических допусков по ИСО 1101 [1].
Настоящий стандарт
предназначен для применения при установлении геометрических допусков к таким
размерным элементам деталей, как цилиндр или две параллельные друг другу
плоскости, когда размерная и геометрическая точность элемента взаимозависимы.
Примечание. Взаимозависимость
размерной и геометрической точности элемента обусловлена функциональными
требованиями, например необходимостью обеспечения собираемости образующих
посадки с гарантированным зазором деталей (в этом случае устанавливают
требование максимума материала) или необходимостью ограничения минимальной
толщины стенки между элементами одной и той же детали (в этом случае
устанавливают требование минимума материала).
2.
Нормативные ссылки
В настоящем
стандарте использованы нормативные ссылки на следующие стандарты:
ГОСТ 25346-89.
Единая система допусков и посадок. Основные положения, ряды допусков и основных
отклонений
ГОСТ 31254-2004
(ИСО 14660-1:1999, ИСО 14660-2:1999). Основные нормы взаимозаменяемости.
Геометрические элементы. Общие термины и определения.
Примечание. При пользовании настоящим стандартом целесообразно проверить
действие ссылочных стандартов в информационной системе общего пользования - на
официальном сайте Федерального агентства по техническому регулированию и
метрологии в сети Интернет или по ежегодно издаваемому информационному
указателю "Национальные стандарты", который опубликован по состоянию
на 1 января текущего года, и по соответствующим ежемесячно издаваемым
информационным указателям, опубликованным в текущем году. Если ссылочный
стандарт заменен (изменен), то при пользовании настоящим стандартом следует
руководствоваться заменяющим (измененным) стандартом. Если ссылочный стандарт
отменен без замены, то положение, в котором дана ссылка на него, применяется в
части, не затрагивающей эту ссылку.
3. Термины
и определения
В настоящем
стандарте применены термины по ГОСТ 31254, а также следующие термины с
соответствующими определениями:
3.1.
Нормируемый элемент (toleranced feature):
элемент, для которого установлен геометрический допуск.
3.2. База (datum): производный элемент, относительно которого
устанавливается геометрический допуск ориентации или месторасположения
рассматриваемого нормируемого элемента.
3.3. Базовый
элемент (datum feature):
реальный полный элемент, от которого произведена база.
3.4.
Предельные размеры: два определяемых допуском размера предельно допустимых
размера, между которыми
должен находиться (или которым может быть равен) любой местный размер
выявленного полного элемента.
3.5. Размер максимума материала; MMS (maximum material size): термин,
относящийся к тому из предельных размеров, которому соответствует больший объем
материала детали, т.е. наибольшему предельному размеру наружного
(охватываемого) элемента (вала) или наименьшему предельному размеру внутреннего
(охватывающего) элемента (отверстия).
Примечание. В ГОСТ
25346 термин "предел максимума материала" используется примерно в том
же значении, что и термин "размер максимума материала".
3.6. Размер минимума материала; LMS (least material size): термин,
относящийся к тому из предельных размеров, которому соответствует меньший объем
материала детали, т.е. наименьшему предельному размеру наружного
(охватываемого) элемента (вала) или наибольшему предельному размеру внутреннего
(охватывающего) элемента (отверстия).
Примечание. В ГОСТ
25346 термин "предел минимума материала" используется примерно в том
же значении, что и термин "размер минимума материала".
3.7. Действующий
размер максимума материала; MMVS (maximum material virtual size): размер, определяемый суммарным действием размера
максимума материала (MMS) рассматриваемого размерного элемента и
геометрического допуска (формы, ориентации или месторасположения),
установленного для производного элемента от того же самого размерного элемента.
Примечания. 1.
Действующий размер максимума материала (MMVS) является числовой характеристикой
действующей границы максимума материала (MMVC).
2. MMVS для внешних
(охватываемых) элементов - сумма, а для внутренних (охватывающих) - разность
MMS и геометрического допуска.
3. Значения MMVS
для наружного
и внутреннего
размерного элемента вычисляют по формулам (1)
и (2) соответственно:
, (1)
, (2)
где MMS - размер
максимума материала;
-
значение геометрического допуска.
3.8. Действующая
граница максимума материала; MMVC (maximum material virtual condition): геометрическая форма того же типа, что и
рассматриваемый размерный элемент, определяемая размером, равным действующему
размеру максимума материала (MMVS).
Примечания. 1. Действующая
граница максимума материала имеет правильную форму.
2. Действующая
граница максимума материала имеет теоретически точную ориентацию или
месторасположение относительно указанной базы (баз), если геометрический допуск
является допуском ориентации (см. рисунки A.7 - A.8, Приложение A) или
месторасположения (см. рисунки A.9 - A.10, Приложение A) соответственно.
3.9. Действующий
размер минимума материала; LMVS (least material virtual size): размер, определяемый суммарным действием размера
минимума материала (LMS) рассматриваемого размерного элемента и геометрического
допуска (формы, ориентации или месторасположения), установленного для
производного элемента от того же самого размерного элемента.
Примечания. 1.
Действующий размер минимума материала (LMVS) является числовой характеристикой
действующей границы минимума материала (LMVC).
2. LMVS для внешних
элементов - разность, а для внутренних - сумма LMS и геометрического допуска.
3. Значения LMVS
для наружного
и внутреннего
размерного элемента вычисляют по формулам (3)
и (4) соответственно:
, (3)
, (4)
где LMS - размер
минимума материала;
-
значение геометрического допуска.
3.10. Действующая
граница минимума материала; LMVC (least material virtual condition): геометрическая форма того же типа, что и
рассматриваемый размерный элемент, определяемая размером, равным действующему
размеру минимума материала (LMVS).
Примечания. 1.
Действующая граница минимума материала имеет правильную форму.
2. Действующая
граница минимума материала имеет теоретически точную ориентацию или
месторасположение относительно указанной базы (баз), если геометрический допуск
является допуском ориентации или месторасположения соответственно (см. рисунки
A.11 - A.16, A.21 и A.22, Приложение A).
3.11. Требование
максимума материала; MMR (maximum material
requirement): требование к реальному размерному
элементу, ограничивающее его материал снаружи действующей границей максимума
материала (MMVC).
Примечание.
Требование максимума материала применяют с целью обеспечения собираемости
изделия.
3.12. Требование
минимума материала; LMR (least material
requirement): требование к реальному размерному
элементу, ограничивающее его материал изнутри действующей границей минимума
материала (LMVC).
Примечание.
Требования минимума материала устанавливают одновременно к двум элементам,
например, с целью ограничения минимальной толщины стенки между двумя
симметрично или соосно расположенными подобными элементами.
3.13. Требование
взаимодействия; RPR (reciprocity requirement):
дополнительное требование к реальному размерному элементу, увеличивающее допуск
его размера на разность между установленным геометрическим допуском и
действительным геометрическим отклонением и применяемое исключительно совместно
с требованием максимума материала (MMR) или с требованием минимума материала
(LMR).
4.
Требования максимума и минимума материала
4.1. Общие
положения
Требование
максимума материала и требование минимума материала учитывают взаимное влияние
размера и геометрического допуска. Эти требования устанавливают только в том
случае, если допуск размера размерного элемента и геометрический допуск
производного элемента (от того же самого размерного элемента) необходимо
рассматривать совместно, а не независимо друг от друга.
Примечание 1. В
связи с тем, что настоящий стандарт распространяется только на размерные
элементы, такие как цилиндр и две параллельные друг другу плоскости, то в
качестве производных элементов могут выступать только средняя линия и средняя
поверхность.
Указание на чертеже
требования максимума материала или требования минимума материала означает, что
два отдельных ограничения (допуск размера и геометрический допуск)
рассматриваются как одно комплексное требование, которое относится только к
таким полным элементам, которые соответствуют рассматриваемым в настоящем
стандарте размерным элементам.
Примечание 2. Ранее
требование максимума материала упоминалось как принцип максимума материала.
Если требование
максимума материала или требование минимума материала не установлено в
отношении нормируемого элемента, то требования к размерам соответствующего
выявленного элемента определяют по ГОСТ 25346 и ГОСТ 31254. При отсутствии этих
же требований (MMR или LMR) также и в отношении базового элемента применяются
требования ИСО 5459 [3].
4.2.
Требование максимума материала
4.2.1. Требование
максимума материала к нормируемым элементам
Требование
максимума материала к нормируемому элементу указывают на чертеже знаком
,
который помещают в рамку допуска после значения геометрического допуска,
установленного для производного элемента от нормируемого размерного элемента.
Требование
максимума материала, указанное в отношении нормируемого элемента, устанавливает
к его поверхности (или поверхностям) комплекс требований, определяемый
следующими правилами.
Правило A.
Выявленные местные размеры нормируемого элемента должны быть:
1) не
больше размера максимума материала для наружных элементов;
2) не
меньше размера максимума материала для внутренних элементов.
Примечание 1. Это
правило может быть изменено указанием дополнительного требования
взаимодействия.
Правило B.
Выявленные местные размеры нормируемого элемента должны быть:
1) не меньше размера минимума материала для наружных элементов (см.
рисунки A.3, A.7, A.9, A.17, A.23 и A.24, Приложение A);
2) не
больше размера минимума материала для внутренних элементов (см. рисунки A.4,
A.8, A.10, A.18, A.23 и A.24, Приложение A).
Правило C.
Выявленный (полный) нормируемый элемент не должен пересекать действующую
границу максимума материала (см. рисунки A.3, A.4, A.8, A.10, A.18, A.23 и
A.24, Приложение A).
Примечание 2.
Применение каких-либо иных ограничений действующего размера максимума материала
не рекомендуется, поскольку может вызвать излишне жесткие требования к
элементу, не являющиеся необходимыми для обеспечения собираемости, и снизить
экономическую и технологическую эффективность применения требования максимума материала.
Примечание 3.
Нулевое значение допуска формы, ориентации или месторасположения ("
")
означает, что любые отклонения формы, ориентации или месторасположения
допустимы только за счет использования части допуска на размер нормируемого
элемента.
Правило D.
Если установленный геометрический допуск относится к нескольким элементам или
является допуском ориентации или месторасположения, то действующие границы
максимума материала нормируемых элементов имеют теоретически точную ориентацию
и месторасположение относительно друг друга и/или относительно указанной базы
(или баз) [см. рисунки A.17 - A.20, A.23 и A.24, Приложение A].
4.2.2. Требование
максимума материала к базовым элементам
Требование
максимума материала к базовым элементам указывают на чертеже знаком
,
который помещают в рамке геометрического допуска нормируемого элемента после
буквенного обозначения базы (баз).
Примечание 1.
Требование максимума материала может быть применено к базовому элементу только
в том случае, если база произведена от размерного элемента.
Примечание 2. Если
требование максимума материала относится ко всем поверхностям общей базы (из
совокупности поверхностей), последовательность букв, являющаяся буквенным
обозначением общей базы, указывают в круглых скобках (см. рисунок A.25,
Приложение A). Если требование максимума материала относится только к одной
поверхности общей базы (из совокупности поверхностей), последовательность букв,
являющаяся буквенным обозначением общей базы, указывают без скобок, и
требование относится только к тому элементу, чье буквенное обозначение
находится непосредственно перед знаком
.
Требование
максимума материала, указанное в отношении базового элемента, устанавливает к
его поверхности (или поверхностям) комплекс требований, определяемый следующими
правилами.
Правило E.
Выявленный (полный) базовый элемент, от которого произведена база, не должен
пересекать действующую границу максимума материала базового элемента (см.
рисунки A.17 - A.20, Приложение A).
Правило F.
Если в отношении базового элемента не установлено какого-либо геометрического
допуска или установлен геометрический допуск формы, не сопровождаемый знаком
, то
размер действующей границы максимума материала базового элемента равен размеру
максимума материала (см. рисунки A.17 и A.18, Приложение A).
Примечание 3. В
этом случае значение MMVS действующего размера максимума материала для наружных
и внутренних размерных элементов вычисляют по формуле
MMVS = MMS +/- 0 =
MMS.
Правило G.
Если в отношении базового элемента установлен геометрический допуск формы,
сопровождаемый знаком
, то
размер действующей границы максимума материала базового элемента равен сумме
(для наружных элементов) или разности (для внутренних элементов) размера
максимума материала и геометрического допуска (см. рисунки A.19 и A.20,
Приложение A).
Примечание 4. В
этом случае значение действующего размера максимума материала для наружных
размерных элементов
и значение действующего размера максимума
материала для внутренних размерных элементов
вычисляют по формулам (1) и (2)
соответственно.
Примечание 5. Такая
возможность допустима только для допусков формы.
Для случая,
описываемого правилом G, треугольник базы должен быть присоединен к рамке
геометрического допуска формы базового элемента.
4.3.
Требование минимума материала
4.3.1. Требование
минимума материала к нормируемым элементам
Требование минимума
материала к нормируемым элементам указывают на чертеже условным знаком
,
который помещают в рамке после значения геометрического допуска производного
элемента от нормируемого размерного элемента.
Пример - В случае
необходимости ограничения минимальной толщины стенки детали требование минимума
материала может быть установлено для обоих образующих
поверхности стенки размерных элементов двумя следующими способами:
- допуски
месторасположения обоих элементов устанавливают относительно одной и той же
базы (или комплекта баз). В этом случае оба размерных элемента являются нормируемыми и знак
указывают после значения геометрического
допуска каждого из них (см. рисунок A.21, Приложение A);
- допуск
месторасположения первого элемента устанавливают относительно второго элемента,
принимаемого за базовый. В этом случае первый элемент
является нормируемым, и знак
указывают в рамке его допуска как после
значения геометрического допуска, так и после буквенного обозначения базы (см.
рисунок A.22, Приложение A).
Примечание 1. Эти
способы возможны, если оба ограничивающих стенку
элемента являются размерными.
Требование минимума
материала к нормируемому элементу устанавливает следующие правила к поверхности
(или поверхностям) размерного элемента.
Правило H.
Выявленные местные размеры нормируемого элемента должны быть:
1) не
меньше размера минимума материала для наружных элементов;
2) не
больше размера минимума материала для внутренних элементов.
Правило I.
Выявленные местные размеры нормируемого элемента должны быть:
1) не
больше размера максимума материала для наружных элементов (см. рисунки A.11,
A.21 и A.22, Приложение A);
2) не
меньше размера максимума материала для внутренних элементов (см. рисунки A.12 и
A.21, Приложение A).
Правило J.
Выявленный (полный) нормируемый элемент не должен пересекать действующую
границу минимума материала нормируемого элемента (см. рисунки A.11 - A.16, A.21
и A.22, Приложение A).
Примечание 2.
Применение каких-либо иных ограничений действующего размера минимума материала
не рекомендуется, поскольку может вызывать излишне жесткие требования к
элементу, не являющиеся необходимыми для обеспечения ограничения минимальной
толщины стенки, и снизить экономическую и технологическую эффективность
применения требования минимума материала.
Правило K.
Если установленный геометрический допуск относится к нескольким элементам или
является допуском ориентации или месторасположения, то действующие границы
минимума материала нормируемых элементов имеют теоретически точную ориентацию и
месторасположение относительно друг друга и/или относительно указанной базы
(или баз) [см. рисунки A.22 и A.23, Приложение A].
4.3.2. Требование
минимума материала к базовым элементам
Требование минимума
материала к базовым элементам указывают на чертеже условным знаком
,
который помещают в рамке геометрического допуска нормируемого элемента после
буквенного обозначения базы (баз).
Примечание 1.
Требование минимума материала может быть применено к базовому элементу только в
том случае, если база произведена от размерного элемента.
Примечание 2. Если
требование минимума материала относится ко всем поверхностям общей базы (из
совокупности поверхностей), последовательность букв, являющаяся буквенным
обозначением общей базы, указывают в круглых скобках (см. рисунок A.25,
Приложение A). Если требование минимума материала относится только к одной
поверхности общей базы (из совокупности поверхностей), последовательность букв,
являющаяся буквенным обозначением общей базы, указывают без скобок и требование
относится только к тому элементу, чье буквенное обозначение находится
непосредственно перед знаком
.
Такое расположение
знака
на чертеже устанавливает следующие правила к
поверхности (или поверхностям) размерного элемента.
Правило L.
Выявленная поверхность (поверхности) базового элемента не должна пересекать
действующую границу минимума материала базового элемента (см. рисунок A.22,
Приложение A).
Правило M. Размер
действующей границы минимума материала базового элемента равен размеру минимума
материала, если в отношении базового элемента не установлено какого-либо
геометрического допуска или установлен геометрический допуск формы, не
сопровождаемый знаком
(см. рисунки A.11 - A.17, Приложение A).
Примечание 3. В
этом случае значение LMVS действующего размера минимума материала для наружных
и внутренних размерных элементов вычисляют по формуле
LMVS = LMS +/- 0 =
LMS.
Правило N.
Размер действующей границы минимума материала базового элемента равен разности
(для наружных элементов) или сумме (для внутренних элементов) размера минимума
материала и геометрического допуска, если в отношении базового элемента
установлен геометрический допуск формы, сопровождаемый знаком
(см. рисунок A.22, Приложение A).
Примечание 4. В
этом случае значение действующего размера минимума материала для наружных
размерных элементов
и значение действующего размера минимума
материала для внутренних размерных элементов
вычисляют по формулам (3) и (4)
соответственно.
Примечание 5. Такая
возможность допустима только для допусков формы базового элемента.
Для случая,
описываемого правилом N, треугольник базы должен быть присоединен к рамке
геометрического допуска формы базового элемента.
5.
Требование взаимодействия
5.1. Общие
положения
Требование
взаимодействия является дополнительным к требованию максимума материала или к
требованию минимума материала и может быть установлено только по отношению к
нормируемому элементу.
Добавление
требования взаимодействия меняет допуск размера размерного элемента в комплексе
требований максимума материала или минимума материала и позволяет размеру
использовать допущение, предоставляемое соответственно действующей границей
максимума материала или действующей границей минимума материала.
Требование
взаимодействия предоставляет возможность выбора между различными сочетаниями
допуска размера и геометрического допуска в зависимости от производственных
возможностей.
Примечание.
Требование взаимодействия может выразить те же самые функции детали, что и
указание "
".
5.2.
Требование взаимодействия и требование максимума материала
Требование
взаимодействия, в случае его установления дополнительно к требованию максимума
материала, указывают на чертеже знаком
,
который помещают в рамку допуска после знака
(расположенного после значения геометрического
допуска производного элемента от нормируемого размерного элемента).
Требование
взаимодействия вносит следующие изменения в комплекс требований максимума материала
(см. рисунок A.2, Приложение A):
- правило A не
действует;
- правила B, C, D
остаются в силе.
Примечание.
Требование взаимодействия позволяет увеличивать допуск размера, если
геометрическое отклонение не использовало в полной мере допущения, предоставляемого
действующей границей максимума материала.
5.3.
Требование взаимодействия и требование минимума материала
Требование
взаимодействия в случае его установления дополнительно к требованию минимума
материала указывают на чертеже знаком
,
который помещают в рамку допуска после знака
(расположенного после значения геометрического
допуска производного элемента от нормируемого размерного элемента).
Требование
взаимодействия вносит следующие изменения в комплекс требований минимума
материала (см. рисунки A.15 и A.16, Приложение A):
- правило H не
действует;
- правила I, J, K
остаются в силе.
Примечание.
Требование взаимодействия позволяет увеличивать допуск размера, если
геометрическое отклонение не использовало в полной мере допущения,
предоставляемого действующей границей минимума материала.
Приложение
A
(справочное)
ПРИМЕРЫ
ПРИМЕНЕНИЯ
ТРЕБОВАНИЙ МАКСИМУМА МАТЕРИАЛА,
МИНИМУМА МАТЕРИАЛА
И ВЗАИМОДЕЙСТВИЯ
Рисунки,
приведенные в настоящем приложении, используются только в качестве иллюстраций
и предназначены для пояснения соответствующих положений настоящего стандарта.
Пример A.1 -
Применение требования максимума материала для комплексного нормирования размера
и ориентации (перпендикулярности) двух наружных цилиндрических элементов
Пример иллюстрирует
применение требования максимума материала:
- без требования
взаимодействия (см. подпункт A.1.1);
- совместно с
требованием взаимодействия (см. подпункт A.1.2).
A.1.1. Требуется
обеспечить собираемость детали, изображенной на рисунке A.1 а, с пластиной,
имеющей два отверстия, оси которых перпендикулярны к плоскости, контактирующей
с деталью, и расположены на расстоянии 25 мм друг от друга.

а - указание на
чертеже

б - пояснения
Рисунок A.1
Деталь должна
соответствовать следующим требованиям (см. рисунок A.1 б):
- выявленная
поверхность каждого из двух нормируемых цилиндрических пальцев не должна
выходить за действующую границу максимума материала - цилиндр диаметром, равным
действующему размеру максимума материала (MMVS = 10,3 мм) [правило C];
- любой местный
диаметр выявленной поверхности каждого из двух пальцев должен находиться между
размером минимума материала (LMS = 9,8 мм) [правило B.1)] и размером максимума
материала (MMS = 10,0 мм) или быть равен им [правило A.1)];
- оси обеих
действующих границ максимума материала теоретически точно перпендикулярны
относительно базы А, а их месторасположение друг
относительно друга определяют теоретически точным размером 25 мм [правило D].
A.1.2.
Требуется обеспечить собираемость детали, изображенной на рисунке A.2 а, с
пластиной, имеющей два отверстия, оси которых перпендикулярны к плоскости,
контактирующей с деталью, и расположены на расстоянии 25 мм друг от друга.

а - указание на
чертеже

б - пояснения
Рисунок A.2
Деталь должна
соответствовать следующим требованиям (см. рисунок A.2 б):
- выявленная
поверхность каждого из двух нормируемых цилиндрических пальцев не должна
выходить за действующую границу максимума материала - цилиндр диаметром, равным
действующему размеру максимума материала (MMVS = 10,3 мм) [правило C];
- любой местный
диаметр выявленной поверхности каждого из двух пальцев должен быть не меньше
размера минимума материала (LMS = 9,8 мм) [правило B.1)];
- оси обеих
действующих границ максимума материала теоретически точно перпендикулярны
относительно базы А, а их месторасположение друг
относительно друга определяют теоретически точным размером 25 мм [правило D].
Требование
взаимодействия позволяет местному диаметру выйти за размер максимума материала,
но не более чем позволяет действующая граница максимума материала.
Пример A.2 -
Применение требования максимума материала для комплексного нормирования размера
и формы цилиндрического элемента
Пример иллюстрирует
применение требования максимума материала к:
- наружному
элементу (см. подпункт A.2.1);
- внутреннему
элементу (см. подпункт A.2.2);
- наружному
элементу с нулевым значением геометрического допуска (см. подпункт A.2.3);
- внутреннему
элементу с нулевым значением геометрического допуска (см. подпункт A.2.4).
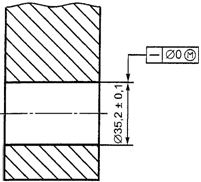
A.2.1. Требуется
обеспечить собираемость детали, изображенной на рисунке A.3 а, по посадке с
зазором с отверстием, длина которого равна длине пальца.

а - указание на
чертеже

б - пояснения
Рисунок A.3
Деталь должна
соответствовать следующим требованиям (см. рисунок A.3 б):
- выявленная
поверхность нормируемого пальца не должна выходить за действующую границу максимума
материала - цилиндр диаметром, равным действующему размеру максимума материала
(MMVS = 35,1 мм) [правило C];
- любой местный
диаметр выявленной поверхности пальца должен находиться между размером минимума
материала (LMS = 34,9 мм) [правило B.1)] и размером максимума материала (MMS =
35,0 мм) [правило A.1)];
- на ориентацию и
месторасположение действующей границы максимума материала не накладывается
никаких ограничений.
A.2.2.
Требуется обеспечить собираемость детали, изображенной на рисунке A.4 а, по
посадке с зазором с валом, длина которого равна длине отверстия.

а - указание на
чертеже

б - пояснения
Рисунок A.4
Деталь должна
соответствовать следующим требованиям (см. рисунок A.4 б):
- выявленная
поверхность нормируемого отверстия не должна выходить за действующую границу
максимума материала - цилиндр диаметром, равным действующему размеру максимума
материала (MMVS = 35,1 мм) [правило C];
- любой местный
диаметр выявленной поверхности отверстия должен находиться между размером
минимума материала (LMS = 35,3 мм) [правило B.2)] и размером максимума
материала (MMS = 35,2 мм) [правило A.2)];
- на ориентацию и
месторасположение действующей границы максимума материала не накладывается
никаких ограничений.
A.2.3.
Требуется обеспечить собираемость детали, изображенной на рисунке A.5 а, по
посадке с зазором с отверстием, длина которого равна длине пальца.

а - указание на
чертеже

б - пояснения
Рисунок A.5
Деталь должна
соответствовать следующим требованиям (см. рисунок A.5 б):
- выявленная
поверхность нормируемого пальца не должна выходить за действующую границу
максимума материала - цилиндр диаметром, равным действующему размеру максимума
материала (MMVS = 35,1 мм) [правило C];
- любой местный
диаметр выявленной поверхности пальца должен находиться между размером минимума
материала (LMS = 34,9 мм) [правило B.1)] и размером максимума материала (MMS =
35,1 мм) [правило A.1)];
- на ориентацию и
месторасположение действующей границы максимума материала не накладывается
никаких ограничений.
A.2.4.
Требуется обеспечить собираемость детали, изображенной на рисунке A.6 а, по
посадке с зазором с валом, длина которого равна длине отверстия.

а - указание на
чертеже

б - пояснения
Рисунок A.6
Деталь должна
соответствовать следующим требованиям (см. рисунок A.6 б):
- выявленная
поверхность нормируемого отверстия не должна выходить за действующую границу
максимума материала - цилиндр диаметром, равным действующему размеру максимума
материала (MMVS = 35,1 мм) [правило C];
- любой местный
диаметр выявленной поверхности отверстия должен находиться между размером
минимума материала (LMS = 35,3 мм) [правило B.2)] и размером максимума материала
(MMS = 35,1 мм) [правило A.2)];
- на ориентацию и
месторасположение действующей границы максимума материала не накладывается
никаких ограничений.
Пример A.3 -
Применение требования максимума материала для комплексного нормирования размера
и ориентации (перпендикулярности) цилиндрического элемента
Пример иллюстрирует
применение требования максимума материала к:
- наружному
элементу (см. подпункт A.3.1);
- внутреннему
элементу (см. подпункт A.3.2).
A.3.1. Требуется
обеспечить собираемость детали, изображенной на рисунке A.7 а, с деталью,
изображенной на рисунке A.8 а. При сборке плоские поверхности этих деталей
должны соприкасаться, а палец находиться в отверстии.

а -
указание на чертеже

б - пояснения
Рисунок A.7

а -
указание на чертеже

б - пояснения
Рисунок A.8
Деталь должна
соответствовать следующим требованиям (см. рисунок A.7 б):
- выявленная
поверхность нормируемого пальца не должна выходить за действующую границу
максимума материала - цилиндр диаметром, равным действующему размеру максимума
материала (MMVS = 35,1 мм) [правило C];
- любой местный
диаметр выявленной поверхности пальца должен находиться между размером минимума
материала (LMS = 34,9 мм) [правило B.2)] и размером максимума материала (MMS =
35,0 мм) [правило A.2)];
- ось действующей
границы максимума материала ориентирована перпендикулярно относительно базы А, но на ее месторасположение не накладывается никаких
ограничений (правило D).
A.3.2.
Требуется обеспечить собираемость детали, изображенной на рисунке A.8 а, с
деталью, изображенной на рисунке A.7 а. При сборке плоские поверхности этих
деталей должны соприкасаться, а палец находиться в отверстии.
Деталь должна
соответствовать следующим требованиям (см. рисунок A.8 б):
-
выявленная поверхность нормируемого отверстия не должна выходить за действующую
границу максимума материала - цилиндр диаметром, равным действующему размеру
максимума материала (MMVS = 35,1 мм) [правило C];
- любой местный
диаметр выявленной поверхности отверстия должен находиться между размером
минимума материала (LMS = 35,3 мм) [правило B.2)] и размером максимума
материала (MMS = 35,2 мм) [правило A.2)];
- ось действующей
границы максимума материала ориентирована перпендикулярно относительно базы А, но на ее месторасположение не накладывается никаких
ограничений (правило D).
Пример A.4 -
Применение требования максимума материала для комплексного нормирования размера
и месторасположения цилиндрического элемента
Пример иллюстрирует
применение требования максимума материала к:
- наружному
элементу (см. подпункт A.4.1);
- внутреннему
элементу (см. подпункт A.4.2).
A.4.1. Требуется
обеспечить собираемость детали, изображенной на рисунке A.9 а, с деталью,
изображенной на рисунке A.10 а. При сборке плоские поверхности A этих деталей
должны соприкасаться друг с другом, а обе плоские поверхности B -
контактировать с одной и той же плоскостью третьей детали (на рисунках не
показана).

а -
указание на чертеже

б - пояснения
Рисунок A.9

а -
указание на чертеже

б - пояснения
Рисунок
A.10
Деталь должна
соответствовать следующим требованиям (см. рисунок A.9 б):
- выявленная
поверхность нормируемого пальца не должна выходить за действующую границу
максимума материала - цилиндр диаметром, равным действующему размеру максимума
материала (MMVS = 35,1 мм) [правило C];
- любой местный
диаметр выявленной поверхности пальца должен находиться между размером минимума
материала (LMS = 34,9 мм) [правило B.2)] и размером максимума материала (MMS =
35,0 мм) [правило B.2)];
- ось действующей
границы максимума материала ориентирована перпендикулярно относительно базы А, а ее месторасположение относительно базы В определяют
теоретически точным размером 35 мм (правило D).
A.4.2.
Требуется обеспечить собираемость детали, изображенной на рисунке A.10 а, с
деталью, изображенной на рисунке A.9 а. При сборке плоские поверхности A этих
деталей должны соприкасаться друг с другом, а обе плоские поверхности B -
контактировать с одной и той же плоскостью третьей детали (на рисунках не
показана).
Деталь должна
соответствовать следующим требованиям (см. рисунок A.10 б):
-
выявленная поверхность нормируемого отверстия не должна выходить за действующую
границу максимума материала - цилиндр диаметром, равным действующему размеру
максимума материала (MMVS = 35,1 мм) [правило C];
- любой местный
диаметр выявленной поверхности отверстия должен находиться между размером
минимума материала (LMS = 35,3 мм) [правило B.2)] и размером максимума
материала (MMS = 35,2 мм) [правило A.2)];
- ось действующей
границы максимума материала ориентирована перпендикулярно относительно базы А, а ее месторасположение относительно базы В определяют
теоретически точным размером 35 мм (правило D).
Пример A.5 -
Применение требования минимума материала для комплексного нормирования размера
и месторасположения цилиндрического элемента, соосного базовому цилиндрическому
элементу
Пример иллюстрирует
применение требования минимума материала к:
- нормируемому
наружному элементу относительно базового внутреннего элемента (см. подпункты
A.5.1 и A.5.3);
- нормируемому
внутреннему элементу относительно базового наружного элемента (см. подпункты
A.5.2 и A.5.4);
- нормируемому
наружному элементу относительно базового внутреннего элемента совместно с
требованием взаимодействия (см. подпункт A.5.5);
- нормируемому
внутреннему элементу относительно базового наружного элемента (см. подпункт
A.5.6).
Для случаев,
изображенных на рисунках A.11 - A.16, позиционный допуск может быть заменен
допуском соосности или концентричности.
Рисунки A.11 - A.16
приведены исключительно для иллюстрации некоторых правил, касающихся требования
минимума материала. Указание на рисунках неполное (поскольку требование
минимума материала установлено только для одного элемента), что не позволяет
ограничить минимальную толщину стенки. Поэтому предполагаемое назначение детали
описать невозможно.
A.5.1.
Деталь, изображенная на рисунке A.11 а, должна соответствовать следующим
требованиям (см. рисунок A.11 б):
- действующая
граница минимума материала - цилиндр диаметром, равным действующему размеру
минимума материала (LMVS = 69,8 мм), должна полностью находиться внутри
материала детали (правило J);
- любой местный
диаметр выявленной поверхности вала должен находиться между размером максимума
материала (MMS = 70,0 мм) [правило I.1)] и размером минимума материала (LMS =
69,9 мм) [правило H.1)];
- ось действующей
границы минимума материала ориентирована параллельно относительно базы А, а ее месторасположение соосно теоретически точному
положению базы (правило K).

а -
указание на чертеже

б - пояснения
Рисунок
A.11
A.5.2.
Деталь, изображенная на рисунке A.12 а, должна соответствовать следующим
требованиям (см. рисунок A.12 б):
- действующая
граница минимума материала - цилиндр диаметром, равным действующему размеру
минимума материала (LMVS = 35,2 мм), должна полностью находиться внутри
материала (правило J);
- любой местный
диаметр выявленной поверхности отверстия должен находиться между размером
максимума материала (MMS = 35,0 мм) [правило H.2)] и размером минимума
материала (LMS = 35,1 мм) [правило I.2)];
- ось действующей
границы минимума материала ориентирована параллельно относительно базы А, а ее месторасположение определяют теоретически точным
положением базы А (правило K).

а -
указание на чертеже

б - пояснения
Рисунок
A.12
A.5.3.
Деталь, изображенная на рисунке A.13 а, должна соответствовать следующим
требованиям (см. рисунок A.13 б):
- действующая
граница минимума материала - цилиндр диаметром, равным действующему размеру
минимума материала (LMVS = 69,7 мм), должна полностью находиться внутри
материала (правило J);
- любой местный
диаметр выявленной поверхности вала должен находиться между размером максимума
материала (MMS = 70,0 мм) [правило I.1)] и размером минимума материала (LMS =
69,8 мм) [правило H.1)];
- ось действующей
границы минимума материала параллельна относительно базы А,
а ее месторасположение определяют теоретически точным положением базы А
(правило K).

а -
указание на чертеже

б - пояснения
Рисунок A.13
A.5.4.
Деталь, изображенная на рисунке A.14 а, должна соответствовать следующим
требованиям (см. рисунок A.14 б):
- действующая
граница минимума материала - цилиндр диаметром, равным действующему размеру
минимума материала (LMVS = 35,2 мм), должна полностью находиться внутри
материала (правило J);
- любой местный
диаметр выявленной поверхности отверстия должен находиться между размером
максимума материала (MMS = 35,0 мм) [правило H.2)] и размером минимума
материала (LMS = 35,1 мм) [правило I.2)];
- ось действующей
границы минимума материала параллельна относительно базы А,
ее месторасположение определяют теоретически точным положением базы А (правило
K).

а -
указание на чертеже

б - пояснения
Рисунок A.14
Рисунки A.12 и A.14
отличаются требованием к местному диаметру, в данном случае это требование -
предел минимума материала.
A.5.5.
Деталь, изображенная на рисунке A.15 а, должна соответствовать следующим
требованиям (см. рисунок A.15 б):
- действующая
граница минимума материала - цилиндр диаметром, равным действующему размеру
минимума материала (LMVS = 69,8 мм), должна полностью находиться внутри
материала (правило J);
- любой местный
диаметр выявленной поверхности вала должен быть не больше размера максимума
материала (MMS = 70,0 мм) [правило I.1)];
- ось действующей
границы минимума материала параллельна относительно базы А,
а ее месторасположение определяют теоретически точным положением базы А
(правило K).

а -
указание на чертеже

б - пояснения
Рисунок
A.15
Требование
взаимодействия позволяет местному диаметру выйти за размер минимума материала,
но не более чем позволяет действующая граница минимума материала.
A.5.6.
Деталь, изображенная на рисунке A.16 а, должна соответствовать следующим
требованиям (см. рисунок A.16 б):
- действующая
граница минимума материала - цилиндр диаметром, равным действующему размеру
минимума материала (LMVS = 35,2 мм), должна полностью находиться внутри
материала (правило J);
- любой местный
диаметр выявленного отверстия должен быть не больше размера максимума материала
(MMS = 35,0 мм) [правило I.2)];
- ось действующей
границы минимума материала ориентирована параллельно относительно базы А, а ее месторасположение определяют теоретически точным
положением базы А (правило K).

а -
указание на чертеже

б - пояснения
Рисунок
A.16
Требование
взаимодействия позволяет местному диаметру выйти за размер минимума материала,
но не более чем позволяет действующая граница минимума материала.
Пример A.6 -
Применение требования максимума материала для комплексного нормирования размера
и месторасположения (соосности) цилиндрического
элемента относительно оси базового цилиндрического элемента с нормируемым
размером и также с требованием максимума материала
Пример иллюстрирует
применение требования максимума материала к:
- нормируемому
наружному элементу и базовому наружному элементу (см. подпункт A.6.1);
- нормируемому
внутреннему элементу и базовому внутреннему элементу (см. подпункт A.6.2).
A.6.1. Требуется
обеспечить собираемость детали, изображенной на рисунке A.17 а, с деталью,
изображенной на рисунке A.18 а.
к
а -
указание на чертеже

б - пояснения
Рисунок
A.17

а -
указание на чертеже

б - пояснения
Рисунок
A.18
Деталь должна
соответствовать следующим требованиям (см. рисунок A.17 б):
- выявленная
поверхность нормируемого элемента не должна выходить за действующую границу
максимума материала - цилиндр диаметром, равным действующему размеру максимума
материала (MMVS = 35,1 мм) [правило C];
- любой местный
диаметр выявленного нормируемого элемента должен находиться между размером
минимума материала (LMS = 34,9 мм) [правило B.1)] и размером максимума
материала (MMS = 35,0 мм) [правило A.1)];
- месторасположение
действующей границы максимума материала нормируемого элемента соосно
относительно оси действующей границы максимума материала базового элемента
(правило D);
- выявленная
поверхность базового элемента не должна выходить за действующую границу
максимума материала - цилиндр диаметром, равным действующему размеру максимума
материала (MMVS = MMS = 70,0 мм) (правило F);
- любой местный
диаметр выявленного базового элемента должен быть не меньше размера минимума
материала (LMS = 69,9 мм) [правило B.1)].
A.6.2.
Требуется обеспечить собираемость детали, изображенной на рисунке A.18 а, с
деталью, изображенной на рисунке A.17 а.
Деталь должна
соответствовать следующим требованиям (см. рисунок A.18 б):
- выявленная
поверхность нормируемого элемента не должна выходить за действующую границу
максимума материала - цилиндр диаметром, равным действующему размеру максимума
материала (MMVS = 35,1 мм) [правило C];
- любой местный
диаметр выявленного нормируемого элемента должен находиться между размером
минимума материала (LMS = 35,3 мм) [правило B.2)] и размером максимума
материала (MMS = 35,2 мм) [правило A.2)];
- месторасположение
действующей границы максимума материала нормируемого элемента соосно
относительно оси действующей границы максимума материала базового элемента
(правило D);
- выявленная
поверхность базового элемента не должна выходить за действующую границу
максимума материала - цилиндр диаметром, равным действующему размеру максимума
материала (MMVS = MMS = 70,0 мм) [правило F];
- любой местный
диаметр выявленного базового элемента должен быть не больше размера минимума
материала (LMS = 70,1 мм) [правило B.1)].
Пример A.7 -
Применение требования максимума материала для комплексного нормирования размера
и месторасположения (соосности) цилиндрического
элемента относительно оси базового цилиндрического элемента (также с
комплексным нормированием размера и формы посредством требования максимума
материала)
Пример иллюстрирует
применение требования максимума материала к:
- нормируемому
наружному элементу и базовому наружному элементу (см. подпункт A.7.1);
- нормируемому
внутреннему элементу и базовому внутреннему элементу (см. подпункт A.7.2).
A.7.1. Требуется
обеспечить собираемость детали, изображенной на рисунке A.19 а, с деталью,
изображенной на рисунке A.20 а.

а -
указание на чертеже

б - пояснения
Рисунок
A.19

а -
указание на чертеже

б - пояснения
Рисунок
A.20
Деталь должна
соответствовать следующим требованиям (см. рисунок A.19 б):
- выявленная поверхность
нормируемого элемента не должна выходить за действующую границу максимума
материала - цилиндр диаметром, равным действующему размеру максимума материала
(MMVS = 35,1 мм) [правило C];
- любой местный
диаметр выявленного нормируемого элемента должен находиться между размером
минимума материала (LMS = 34,9 мм) [правило B.1)] и размером максимума
материала (MMS = 35,0 мм) [правило A.1)];
- месторасположение
действующей границы максимума материала нормируемого элемента соосно
относительно оси действующей границы максимума материала базового элемента
(правило D);
- выявленная
поверхность базового элемента не должна выходить за действующую границу
максимума материала - цилиндр диаметром, равным действующему размеру максимума
материала (MMVS = 70,0 мм) [правило G];
- любой местный
диаметр выявленного базового элемента должен находиться между размером минимума
материала (LMS = 69,9 мм) [правило B.1)] и размером максимума материала (MMS =
70,0 мм) [правило A.1)].
A.7.2.
Требуется обеспечить собираемость детали, изображенной на рисунке A.20 а, с
деталью, изображенной на рисунке A.19 а.
Деталь должна
соответствовать следующим требованиям (см. рисунок A.20 б):
- выявленная
поверхность нормируемого элемента не должна выходить за действующую границу
максимума материала - цилиндр диаметром, равным действующему размеру максимума
материала (MMVS = 35,1 мм) [правило C];
- любой местный
диаметр выявленного нормируемого элемента должен находиться между размером
минимума материала (LMS = 35,3 мм) [правило B.2)] и размером максимума
материала (MMS = 35,2 мм) [правило A.2)];
- месторасположение
действующей границы максимума материала нормируемого элемента соосно
относительно оси действующей границы максимума материала базового элемента
(правило D);
- выявленная поверхность
базового элемента не должна выходить за действующую границу максимума материала
- цилиндр диаметром, равным действующему размеру максимума материала (MMVS =
69,8 мм) [правило G];
- любой местный
диаметр выявленного базового элемента должен находиться между размером минимума
материала (LMS = 70,1 мм) [правило B.1)] и размером максимума материала (MMS =
70,0 мм) [правило A.1)].
Пример A.8 -
Применение требования минимума материала для комплексного нормирования размера
и позиционного месторасположения соосных цилиндрических элементов (наружного и
внутреннего) относительно одного комплекта баз (А и Б)
Деталь,
изображенная на рисунке A.21, должна выдерживать внутреннее давление и не
должна разрушаться.

а - указание на
чертеже

б - пояснения
Рисунок
A.21
Деталь должна
соответствовать следующим требованиям (см. рисунок A.21 б):
- действующая
граница минимума материала наружного нормируемого элемента - цилиндр диаметром,
равным действующему размеру минимума материала (LMVS = 69,8 мм), должна
полностью находиться внутри материала (правило J);
- любой местный
диаметр выявленного наружного нормируемого элемента должен находиться между
размером максимума материала (MMS = 70,0 мм) [правило I.1)] и размером минимума
материала (LMS = 69,9 мм) [правило H.1)];
- действующая
граница минимума материала внутреннего нормируемого элемента - цилиндр
диаметром, равным действующему размеру минимума материала (LMVS = 35,2 мм),
должна полностью находиться внутри материала (правило J);
- любой местный
диаметр выявленного внутреннего элемента должен находиться между размером
максимума материала (MMS = 35,0 мм) [правило I.2)] и размером минимума
материала (LMS = 35,1 мм) [правило H.2)];
- действующие границы
минимума материала наружного и внутреннего нормируемых элементов должны иметь
теоретически точную ориентацию и месторасположение [определяемое теоретически
точными размерами 44 мм, 44 мм (правило K)] относительно комплекта баз,
образованного базами А и Б.
Пример A.9 -
Применение требования минимума материала для комплексного нормирования размера
и месторасположения (соосности) наружного
цилиндрического элемента относительно оси базового внутреннего цилиндрического
элемента (также с комплексным нормированием размера посредством требования
минимума материала)
Деталь,
изображенная на рисунке A.22, должна выдерживать внутреннее давление и не
должна разрушаться.

а - указание на
чертеже

б - пояснения
Рисунок
A.22
Деталь должна
соответствовать следующим требованиям (см. рисунок A.22 б):
- действующая
граница минимума материала наружного (нормируемого) элемента - цилиндр
диаметром, равным действующему размеру минимума материала (LMVS = 69,8 мм),
должна полностью находиться внутри материала (правило J);
- любой местный
диаметр выявленного наружного элемента должен находиться между размером
максимума материала (MMS = 70,0 мм) [правило I.1)] и размером минимума
материала (LMS = 69,9 мм) [правило H.1)];
- действующая
граница минимума материала внутреннего (базового) элемента - цилиндр с
диаметром, равным действующему размеру минимума материала (LMVS = 35,2 мм),
должна полностью находиться внутри материала (правило J);
- любой местный
диаметр выявленного внутреннего (базового) элемента должен находиться между
размером максимума материала (MMS = 35,0 мм) [правило I.2)] и размером минимума
материала (LMS = 35,1 мм) [правило H.2)];
- действующая граница
минимума материала наружного (нормируемого) элемента находится в теоретически
точном положении относительно оси действующей границы минимума материала
внутреннего (базового) элемента (правило K).
Пример A.10 -
Применение требования максимума материала для комплексного нормирования размера
и (позиционного) месторасположения нескольких наружных и внутренних
цилиндрических элементов (связанных теоретически точными размерами)
безотносительно базы (баз)
Требуется
обеспечить собираемость детали, изображенной на рисунке A.23 а, с деталью, ей
подобной (при сборке не требуется, чтобы плоские поверхности деталей
контактировали друг с другом).

а -
указание на чертеже

б - пояснения
Рисунок
A.23
Деталь должна
соответствовать следующим требованиям (см. рисунок A.23 б):
- выявленная
поверхность каждого из двух нормируемых цилиндрических пальцев не должна
выходить за действующую границу максимума материала - цилиндр диаметром, равным
действующему размеру максимума материала (MMVS = 10,9 мм) [правило C];
- любой местный
диаметр каждого из двух выявленных пальцев должен находиться между размером
минимума материала (LMS = 10,9 мм) [правило B.1)] и размером максимума
материала (MMS = 11,4 мм) [правило A.1)];
- выявленная
поверхность каждого из двух нормируемых отверстий не должна выходить за
действующую границу максимума материала - цилиндр диаметром, равным
действующему размеру максимума материала (MMVS = 11,7 мм) [правило C];
- любой местный
диаметр каждого из двух выявленных отверстий должен находиться между размером
минимума материала (LMS = 12,5 мм) [правило B.2)] и размером максимума
материала (MMS = 12,0 мм) [правило A.2)];
- все действующие
границы максимума материала теоретически точно параллельны друг относительно
друга, а их взаимное месторасположение определяют теоретически точными
размерами 30 и 50 мм (правило D).
Пример A.11 -
Применение требования максимума материала для комплексного нормирования размера
и (позиционного) месторасположения нескольких наружных и внутренних
цилиндрических элементов (связанных теоретически точными размерами)
относительно базы
Требуется обеспечить
собираемость детали, изображенной на рисунке A.24 а, с деталью, ей подобной
(при сборке плоские поверхности деталей должны контактировать друг с другом).

а -
указание на чертеже

б - пояснения
Рисунок
A.24
Деталь должна
соответствовать следующим требованиям (см. рисунок A.24 б):
- выявленная
поверхность каждого из двух нормируемых цилиндрических пальцев не должна
выходить за действующую границу максимума материала - цилиндр диаметром, равным
действующему размеру максимума материала (MMVS = 10,9 мм) [правило C];
- любой местный
диаметр выявленной поверхности каждого из двух пальцев должен находиться между
размером минимума материала (LMS = 10,9 мм) [правило B.1)] и размером максимума
материала (MMS = 11,4 мм) [правило A.1)];
- выявленная
поверхность каждого из двух нормируемых отверстий не должна выходить за
действующую границу максимума материала - цилиндр диаметром, равным
действующему размеру максимума материала MMVS = 11,7 мм [правило C];
- любой местный
диаметр выявленной поверхности каждого из двух отверстий должен находиться
между размером минимума материала (LMS = 12,5 мм) [правило B.2)] и размером
максимума материала (MMS = 12,0 мм) [правило A.2)];
- все действующие
границы максимума материала теоретически точно параллельны друг относительно
друга и перпендикулярны относительно базы Б, а их
взаимное месторасположение определяют теоретически точными размерами 30 и 50 мм
(правило D).
Пример A.12 - Применение
требования максимума материала для комплексного нормирования размера и
(позиционного) месторасположения элементов относительно общей базы,
определяемой несколькими элементами
Деталь должна
соответствовать следующим требованиям (см. рисунок A.25 б):
- выявленная
поверхность каждого из нормируемых отверстий не должна выходить за действующую
границу максимума материала - цилиндр диаметром, равным действующему размеру
максимума материала (MMVS = 7,5 мм) [правило C];
- любой местный
диаметр выявленной поверхности каждого из нормируемых отверстий должен
находиться между размером минимума материала (LMS = 8,1 мм) [правило B.2)] и
размером максимума материала (MMS = 8,0 мм) [правило A.2)];
- месторасположение
и ориентация действующих границ максимума материала нормируемых элементов
являются теоретически точными относительно определяющих элементов из группы
элементов, присоединенных к базовым отверстиям;
- все выявленные
поверхности общей базы не должны выходить за действующие границы максимума
материала - четыре цилиндра, имеющие диаметры, равные действующему размеру
максимума материала (MMVS = MMS = 14,7 мм) [правило F];
- любой местный
диаметр выявленной поверхности каждого из базовых отверстий должен находиться
между размером минимума материала (LMS = 15,1 мм) [правило B.2)] и размером
максимума материала (MMS = 15,0 мм) [правило A.2)].

а - указание на
чертеже

б - пояснения
Рисунок
A.25
Приложение
B
(справочное)
ДИАГРАММА
ВЗАИМОСВЯЗИ ОСНОВНЫХ ТЕРМИНОВ
┌────────────────────┐
┌───────────────────┐
│ Действующая граница│ │Действующая граница│
│ максимума материала│
│минимума материала │
│ (MMVC) │
│ (LMVC) │
└──────────┬─────────┘
└──────────┬────────┘
┌──────────┴─────────┐
┌──────────┴────────┐
│ Действующий размер │ │Действующий размер │
│ максимума материала│
│минимума материала │
│ (MMVS) │
│ (LMVS) │
└──────────┬─────────┘
└──────────┬────────┘
┌────────────────┐
┌──────────┴─────────┐
┌──────────┴────────┐
│
Требование │ │
Требование
│ │ Требование │
│ взаимодействия │ │ максимума материала│ │минимума материала │
│
(RPR) │ │ (MMR) │ │
(MMR) │
└────────┬───────┘
└──────────┬─────────┘
└──────────┬────────┘
┌────────┴───────────────────────┴─────────────────────────┴────────┐
│ Комплексное требование к
допускам │
└────────┬──────────────────────────────────┬───────────────────────┘
│
│
┌────────┴───────┐
┌─────────────────────┴───────────────────────┐
│ Геометрический │ │ Допуск размера │
│
допуск │ │ │
└────────────────┘
└──────────┬─────────────────────────┬────────┘
┌──────────┴─────────┐
┌──────────┴────────┐
│ Размер │ │
Размер
│
│ максимума
материала│ │ минимума
материала│
│ (MMS) │ │
(LMS) │
└────────────────────┘
└───────────────────┘
Рисунок B.1
БИБЛИОГРАФИЯ
[1] ISO 1101:2004. Geometrical Product Specification (GPS) - Geometrical
tolerancing - Tolerances of form, orientation,
location and run-out
[2] ISO 14405. Geometrical Product Specifications (GPS) - Dimensional tolerancing - Linear sizes
[3] ISO 5459:1981. Technical drawings - Geometrical tolerancing - Datums and
datum-systems for geometrical tolerances.