Утвержден и введен в
действие
Приказом Ростехрегулирования
от 13 ноября 2008
г. N 306-ст
НАЦИОНАЛЬНЫЙ СТАНДАРТ РОССИЙСКОЙ ФЕДЕРАЦИИ
ВЫБРОСЫ СТАЦИОНАРНЫХ ИСТОЧНИКОВ
ОПРЕДЕЛЕНИЕ СОДЕРЖАНИЯ ПОЛИЦИКЛИЧЕСКИХ
АРОМАТИЧЕСКИХ УГЛЕВОДОРОДОВ В ГАЗООБРАЗНОМ СОСТОЯНИИ
И В ВИДЕ ТВЕРДЫХ ВЗВЕШЕННЫХ ЧАСТИЦ
ЧАСТЬ 1
ОТБОР ПРОБ
ISO 11338-1:2003
Stationary
source emissions. Determination of gas
and particle-phase
polycyclic aromatic
hydrocarbons. Part 1. Sampling
(IDT)
ГОСТ Р ИСО 11338-1-2008
Группа Т58
ОКС 13.040.40
Дата введения
1 сентября 2009
года
Предисловие
Цели и принципы
стандартизации в Российской Федерации установлены Федеральным законом от 27
декабря 2002 г. N 184-ФЗ "О техническом регулировании", а правила
применения национальных стандартов Российской Федерации - ГОСТ Р 1.0-2004 "Стандартизация в Российской Федерации.
Основные положения".
Сведения о
стандарте
1. Подготовлен
Автономной некоммерческой организацией "Научно-исследовательский центр
контроля и диагностики технических систем" (АНО "НИЦ КД") на
основе собственного аутентичного перевода стандарта, указанного в пункте 4.
2. Внесен Техническим комитетом по стандартизации ТК 457
"Качество воздуха".
3. Утвержден и
введен в действие Приказом Федерального агентства по техническому регулированию
и метрологии от 13 ноября 2008 г. N 306-ст.
4. Настоящий
стандарт идентичен международному стандарту ИСО 11338-1:2003 "Выбросы
стационарных источников. Определение содержания полициклических ароматических
углеводородов в газообразном состоянии и в виде твердых взвешенных частиц.
Часть 1. Отбор проб" (ISO 11338-1:2003 "Stationary
source emissions - Determination of gas and particle-phase polycyclic aromatic
hydrocarbons - Part 1: Sampling").
При применении
настоящего стандарта рекомендуется использовать вместо ссылочных международных
стандартов соответствующие им национальные стандарты, сведения о которых
приведены в дополнительном Приложении C.
5. Введен впервые.
Информация об
изменениях к настоящему стандарту публикуется в ежегодно издаваемом
информационном указателе "Национальные стандарты", а текст изменений
и поправок - в ежемесячно издаваемых информационных указателях
"Национальные стандарты". В случае пересмотра (замены) или отмены
настоящего стандарта соответствующее уведомление будет опубликовано в
ежемесячно издаваемом информационном указателе "Национальные
стандарты". Соответствующая информация, уведомление и тексты размещаются
также в информационной системе общего пользования - на официальном сайте
Федерального агентства по техническому регулированию и метрологии в сети
Интернет.
Введение
Полициклические
ароматические углеводороды (ПАУ) составляют группу ароматических углеводородов,
некоторые представители которой являются возможными канцерогенами. Человек
может подвергаться воздействию ПАУ во время приема пищи, при контакте с почвой,
водой, воздухом и материалами, содержащими ПАУ. ПАУ образуются в ходе
естественных процессов (например при горении лесов), а
также содержатся в выбросах в атмосферу, являющихся результатом сжигания угля,
газа, дерева и масла, разнообразных промышленных процессов, таких как
производство кокса, плавка алюминия, а также работы транспортных средств.
Определение
количества ПАУ в выбросах из стационарных источников является важной частью
оценки влияния на окружающую среду конкретных промышленных процессов.
1. Область
применения
Настоящий стандарт
устанавливает методы определения массовой концентрации полициклических
ароматических углеводородов (ПАУ) в отходящих газах стационарных источников,
таких как печи для плавки алюминия, коксовые и мусоросжигательные печи,
электростанции, промышленные и бытовые устройства сжигания.
В настоящем
стандарте приведены три метода отбора проб, которые рассматриваются как
эквивалентные, с указанием минимальных требований для эффективного отбора ПАУ:
метод разбавления (метод A), метод с использованием подогреваемого
фильтра/холодильника/адсорбера (метод B) и метод с использованием охлаждаемого
зонда/адсорбера (метод C). Данные методы основаны на представительных изокинетических условиях отбора проб, т.к. ПАУ в отходящем
газе обычно ассоциированы с другими частицами отходящего газа.
Настоящий стандарт
содержит рекомендации по выбору метода отбора проб, соответствующего конкретной
цели измерений.
Настоящий стандарт
не применяют для отбора проб, содержащих летучие ПАУ.
Примечание. Методы
подготовки, очистки и анализа проб, установленные в ИСО 11338-2, применяют в
комбинации с одним из методов отбора проб, установленных в настоящем стандарте,
что представляет собой полную методику выполнения измерений.
2.
Нормативные ссылки
В настоящем
стандарте использованы нормативные ссылки на следующие международные стандарты:
ИСО 4225:1994.
Качество воздуха. Общие положения. Словарь
ИСО 9096:2003.
Выбросы стационарных источников. Определение массовой концентрации твердых
частиц ручным гравиметрическим методом
ИСО 11338-2:2003.
Выбросы стационарных источников. Определение содержания полициклических
ароматических углеводородов в газообразном состоянии и в виде твердых
взвешенных частиц. Часть 2. Подготовка, очистка и анализ проб
ИСО 12141:2002.
Выбросы стационарных источников. Определение массовой концентрации твердых
частиц (пыли) при низких концентрациях. Ручной гравиметрический метод.
3. Термины
и определения
В настоящем
стандарте применены термины по ИСО 4225, а также следующие термины с
соответствующими определениями:
3.1. Труба (chimney): дымовая труба или конечный выход газохода
стационарного (технологического) процесса, предназначенная(ый) для удаления отходящих газов.
3.2. Массовая
концентрация (mass concentration):
концентрация вещества в отходящем газе, выраженная в единицах массы на
кубический метр.
3.3.
Полициклический ароматический углеводород (ПАУ) [polycyclic
aromatic hydrocarbon
(PAH)]: соединение, состоящее из двух или более конденсированных ароматических
колец, содержащих только атомы углерода и водорода.
3.4. Выбросы
стационарных источников (stationary source emissions): газы,
выделяющиеся от стационарной установки или от технологического процесса и
транспортируемые к трубе для удаления в атмосферу.
4. Основные
положения и минимальные требования
для методов отбора
проб
4.1.
Основные положения
При отборе проб
выбросов, содержащих ПАУ, могут применяться различные устройства, схемы которых
представлены в Приложении B, рисунки B.1 (метод A), B.2 и B.3 (метод B) и B.7
(метод C). Считается, что данные устройства способствуют получению эквивалентных
результатов, хотя публикации по проведению сравнительных испытаний данных
устройств отсутствуют.
Так как обычно ПАУ
присутствуют в газовой фазе и на твердых частицах, они улавливаются
последовательно несколькими секциями пробоотборного
устройства: фильтром для улавливания твердых частиц, колбой для сбора
конденсата и твердым или жидким сорбентом. Выбор метода отбора проб зависит от
цели измерений (см. таблицы A.1 и A.2 (Приложение A)).
Подробное описание
методов отбора проб A, B и C приведено в разделах 5, 6 и 7 соответственно.
Дополнительная
информация о применимости методов отбора проб приведена в Приложении A.
После экстракции и
очистки количественно определяют ПАУ методом высокоэффективной жидкостной
хроматографии (ВЭЖХ) с использованием флуоресцентного детектора, диодной
матрицы или УФ-детектора или газохроматографическим
методом с использованием пламенно-ионизационного детектора/масс-спектрометра
(ГХ-ПИД/МС) (МС низкого или высокого разрешения). Соответствующие методы
подготовки, очистки и определения ПАУ приведены в ИСО 11338-2.
4.2. Общие
минимальные требования к методам отбора проб
Независимо от
выбранного метода отбора проб выполняют следующее:
a) Проводят изокинетический отбор проб в представительных точках
поперечного сечения газохода в соответствии с ИСО 9096.
b) Перед началом
отбора проб промывают внутреннюю поверхность пробоотборного
устройства ацетоном, дихлорметаном или метанолом, а
затем толуолом. В качестве альтернативы части пробоотборного
устройства погружают в метанол и подвергают воздействию ультразвуковой вибрации
в течение 2 ч, а затем сушат при температуре 150 °C. Смывы сохраняют и
анализируют в случае, если результаты измерений свидетельствуют о том, что пробоотборное устройство могло быть загрязнено перед
началом отбора проб, например, если результаты измерений непредвиденно
превышают соответствующие предельные значения.
c) Проверяют
герметичность системы перед началом каждого отбора проб.
Если в пробоотборном устройстве используются пришлифованные
соединения, то любую утечку можно устранить смачиванием соединений небольшим
количеством чистой воды. Для данных целей нельзя использовать жировые смазки.
d) Устанавливают
следующую минимальную скорость в слое сорбента:
- менее 34 см/с -
для XAD-2 (толщиной 50 мм, объемом 35 см3);
- менее 30 см/с -
для пенополиуретана (толщиной 50 мм, объемом 98 см3).
e) Проверяют каждую
партию фильтров, растворителей и реактивов на фоновое содержание ПАУ.
f) Стеклянные части
пробоотборного устройства защищают от света во время
и по окончании отбора проб, охлаждают по окончании отбора проб и очищают после
процедуры экстракции.
g) Тщательно
очищают зонд после отбора каждой пробы. Смыв от промывания зонда добавляют к другим
смывам, относящимся к пробе.
h) Если зонд
загрязнен частицами, которые не могут быть с легкостью удалены, то частицы
удаляют при помощи тампона из кварцевой ваты, смоченного в ацетоне.
Экстрагируют тампон из кварцевой ваты вместе с фильтром.
i) Если пробоотборное устройство очищают на месте отбора проб для
повторного использования, то зонд, насадку, держатель фильтра и все другие
части пробоотборного устройства, которые вступали в
контакт с отбираемым газом и все еще могут быть загрязнены после очистки,
проводимой при извлечении пробы, промывают ацетоном, дихлорметаном
или метанолом, а затем толуолом. Как указано ранее, эти смывы сохраняют и
анализируют в случае возможного внесения загрязнения от ранее взятых проб.
j) Пробы должны
быть проэкстрагированы в течение одной недели, а
предпочтительно в течение 24 ч. Пробы хранят в темноте при температуре минус 7
°C.
4.3. Общие
положения по подготовке и отбору проб
Независимо от
выбранного метода отбора проб выполняют следующее:
a) Выбирают место
отбора проб, обеспечивающее безопасность персонала, пригодное для проведения
измерений в поперечном сечении газохода (в соответствии с ИСО 9096), удобное
для обслуживания с доступом к электросети.
b) Перед началом
отбора проб определяют плотность, давление, температуру и, по возможности,
состав отходящего газа. Также для обеспечения изокинетических
условий определяют скорость и профиль температур в поперечном сечении газохода.
Для обеспечения изокинетических условий во всех
точках отбора проб в поперечном сечении газохода выбирают насадку пробоотборного зонда подходящего размера, рассчитанного по
скорости отходящего газа и приблизительного максимального расхода газа,
достижимого через пробоотборное устройство.
c) Тщательно
очищенные в лаборатории части пробоотборного устройства,
которые вступают в контакт с пробой, должны:
-
транспортироваться в чистых контейнерах, все компоненты должны быть герметично
упакованы;
- быть собраны на
месте отбора проб, при этом избегают контакта рук оператора с частями пробоотборного устройства, которые впоследствии вступят в
контакт с пробой.
d) По окончании
отбора проб все материалы, содержащие отобранные ПАУ, хранят в охлажденном
состоянии в защищенном от света месте.
Во время отбора
проб должны быть записаны следующие данные:
- объем пробы
(приведенный к нормальным условиям);
- температура пробы
(по газовому счетчику);
- средняя скорость
отходящего газа;
- диаметр газохода;
- содержание влаги
в отходящем газе;
- среднее
содержание кислорода в отходящем газе во время отбора проб;
- статическое
давление и температура в газоходе;
- расход при отборе
проб.
Для оценки
загрязнения, присутствующего до начала отбора проб в пробоотборном
устройстве и матрицах проб, а также внесенного при сборке и транспортировании пробоотборного устройства, в месте отбора проб размещают
дополнительное пробоотборное устройство, которое
затем промывают и анализируют. Использование этих устройств будет обеспечивать
оценку только холостых проб, так как в действительности случайное загрязнение
происходит редко. Поэтому полученное значение не вычитают из результата
измерений. Однако результаты измерений, вклад холостой пробы в которые
значителен, должны быть рассмотрены с особой тщательностью.
Примечание. Для
получения данных по эффективности пробоотборного
устройства в него (например на фильтр или на сорбент)
можно ввести внутренние стандарты и измерить эффективность их извлечения.
Однако внутренние стандарты удерживаются фильтром не так, как ПАУ на частицах
зольной пыли, поэтому они могут вести себя по-разному во время отбора и
экстракции проб.
5. Метод A: метод разбавления
5.1.
Основные положения
Порцию отходящего
газа отбирают изокинетическим способом посредством пробоотборного зонда, подогреваемого до температуры
отходящего газа. Отходящий газ очень быстро охлаждают до температуры ниже 40 °C
в смесительной камере, используя осушенный, отфильтрованный и, при
необходимости, охлажденный воздух. Такое разбавление газа позволяет избежать
конденсации воды, присутствующей в пробе газа. Кроме того, при разбавлении
снижается вероятность химических реакций выделенных ПАУ с другими компонентами
отходящего газа, например с NO,
,
,
и HCl. Условия
отбора проб аналогичны процессам естественного разбавления и охлаждения
отходящего газа, удаляемого в атмосферу.
Затем разбавленный
отходящий газ проходит через фильтр из стекловолокна с силиконовым
наполнителем, пропитанным парафиновым маслом. При этом на фильтре удерживаются
ПАУ, содержащие от четырех до семи конденсированных
колец. Если требуется отбор проб, содержащих более летучие
ПАУ (состоящие из двух или трех конденсированных колец), то ниже по потоку от
фильтра устанавливают адсорбер с твердым сорбентом <1>.
--------------------------------
<1> Примером
подходящей серийно выпускаемой продукции является Porapak
PS. Данная информация приведена для удобства пользователей настоящего стандарта
и не является рекламой ИСО данной продукции.
Скорость потока
газа через пробоотборный зонд должна быть от 2 до 8
м3/ч. В течение 1,5 ч отбора проб отбирается от 8 до 10 м3 отходящего газа, что
обычно достаточно для проведения количественного анализа ПАУ. По окончании
отбора проб с фильтра и при использовании твердого сорбента экстрагируют
уловленные компоненты и анализируют.
Схема проверенного пробоотборного устройства приведена на рисунке B.1
(Приложение B).
5.2.
Минимальные требования
Должны быть
выполнены следующие требования.
a) Поддерживают
температуру фильтра не более 40 °C. Избегают конденсации на фильтре.
b) Если необходимо
определить содержание летучих ПАУ, то ниже по потоку
от фильтра устанавливают адсорбер с твердым сорбентом.
c) Заменяют фильтр
и адсорбер с твердым сорбентом, используемые для очистки воздуха для разбавления,
после прохождения через них 100 м3 отбираемого газа.
5.3.
Подготовка и отбор проб
5.3.1. Линия отбора
проб и ее работа
Устройство для
отбора необходимого объема проб отходящего газа состоит из насадки, коленчатого
соединения и зонда. Эффективный диаметр насадки должен быть от 6 до 30 мм. Для
обеспечения изокинетических условий отбора проб
выбирают насадку подходящего размера в соответствии с ИСО 12141 или ИСО 9096.
Зонд подогревают до температуры отходящего газа, что позволяет избежать
изменений ПАУ и агрегатного состояния компонентов отбираемого газа из-за
разницы температур. Измеряют температуру отбираемого газа на выходе из зонда и
контролируют температуру зонда при помощи термостата. Используют пробоотборные зонды диаметром от 8 до 10 мм (диаметр зонда
зависит от размеров газохода). Теплоотдача зонда на единицу длины составляет от
250 до 500 Вт/м в зависимости от длины трубки и степени изоляции.
Отходящий газ
турбулентно смешивают с сухим атмосферным воздухом в смесительной камере.
Воздух для разбавления подается под прямым углом к потоку отбираемого
отходящего газа, отклоняется от стенок камеры и затем смешивается с отходящим
газом, который проходит через входящую в камеру трубку (длиной от 8 до 10 мм),
покрытую изоляционным материалом. Длина зоны смешивания газа должна быть 150
мм, диаметр - 50 мм.
Фильтр для пробы
устанавливают на выходе камеры смешивания, а фильтр воздуха для разбавления -
на входе смесительной камеры. Фильтры устанавливают в держателях, состоящих из
двух корпусов, загерметизированных кольцевым
уплотнением и прикрепленных при помощи зажимов к трубке, в которой происходит
разбавление чистым воздухом. При определении ПАУ, состоящих из двух или трех
конденсированных колец, ниже по потоку от обоих фильтров можно установить
адсорберы с твердым сорбентом. В корпуса держателя фильтров должны быть
встроены датчики для измерения температуры потока разбавленного отбираемого
газа и воздуха для разбавления.
Держатель фильтра
для отбора проб подсоединяют с помощью гибкого шланга к прибору, который
измеряет общий расход отбираемого отходящего газа и воздуха для разбавления.
Аналогичным прибором измеряют расход воздуха для разбавления до его прохождения
через фильтр для воздуха. Расход определяют путем измерений перепада давления с
помощью измерительных диафрагм, абсолютного давления и температуры с помощью
температурных датчиков Pt-100. Допускается использование других подходящих
откалиброванных средств измерений расхода. Размеры измерительных диафрагм
должны быть такими, чтобы отношение диаметра диафрагмы d к диаметру пластинки
D, определяемое как
, было
равно 0,56. Постоянные градуировки для измерительных диафрагм определяют через
соответствующие интервалы времени в лаборатории, а затем путем присоединения к
двум насадкам пробоотборного устройства, соединенным
последовательно.
Для
обеспечения изокинетических условий отбора проб
регулирование расхода при отборе пробы может быть полностью автоматизировано с
помощью микропроцессорного устройства оценки и контроля; но также возможно
ручное регулирование, если поток настраивают не реже, чем через каждые 10 мин.
Система автоматического контроля обеспечивает поддержание расхода газа,
необходимого для создания изокинетических условий, и
температуры фильтра не более 40 °C. Перед
началом отбора проб устанавливают начальные значения расхода на двух
устройствах для измерений расхода, основанные на значениях температуры,
давления и скорости отходящего газа в газоходе, а также зависящие от состава
отходящего газа. Затем вычисляют теоретическое значение расхода на двух
устройствах для измерения расхода, с использованием значений температуры,
давления и скорости отходящего газа в газоходе, измеренных с интервалом 1 с, и, при необходимости,
автоматически изменяют расход отбираемого воздуха и воздуха для разбавления.
Необходимо
использование устройств для измерения давления,
температуры, скорости потока и состава отходящего газа, особенно содержания
влаги.
В качестве
побудителя расхода может использоваться вакуумный, нагнетательный или струйный
насос, работающий на сжатом воздухе.
Воздух для
разбавления пропускают через осушительную колонну для снижения содержания влаги
и, при необходимости, охлаждают с использованием теплообменника.
5.3.2. Подготовка
Перед началом
отбора проб внутренний стандарт может быть растворен в метаноле или ацетоне и
равномерно распределен по поверхности фильтра и/или нанесен на твердый сорбент.
Фильтр используют для отбора проб спустя не менее двух часов после введения
внутреннего стандарта. Фильтр с введенным внутренним стандартом можно хранить в
течение нескольких дней в защищенном от света месте при температуре минус 7 °C.
Перед вводом пробоотборного зонда в газоход проверяют герметичность
системы отбора проб. Для этого насадку пробоотборного
зонда и фитинг, через который воздух входит в осушительную колонну, закрывают
заглушками. Включают побудитель расхода таким образом, чтобы внутри пробоотборного устройства оно обеспечивало наименьшее абсолютное
давление, при котором будет проводиться отбор проб. Затем закрывают
запорно-выпускной клапан. Измеренный объем утечек должен быть менее 5% потока
отбираемого газа. При большем объеме утечек предпринимают действия по их
обнаружению и устранению (наиболее часто причиной утечек становится повреждение
кольцевого уплотнения или неплотно прилегающие винтовые соединения).
Перед началом
отбора проб проверяют экспериментальные параметры и постоянные величины,
заложенные в программу устройства оценки и контроля, если таковое используется,
и, при необходимости, меняют значения параметров так, чтобы они были
действительны для последующего процесса отбора проб.
Затем для
предупреждения обратного потока в пробоотборном
устройстве закрывают запорно-выпускной клапан и устанавливают зонд в газоходе.
Обычно после выполнения проверки герметичности системы нагревают всасывающую
трубку до температуры отходящего газа.
Заменяют фильтр и
адсорбер с твердым сорбентом, используемые для очистки воздуха для разбавления,
после прохождения через них газа объемом 100 м3.
5.3.3. Отбор проб
После установки
насадки пробоотборного устройства в соответствующей
первоначально выбранной точке внутри газохода можно начинать отбор проб. Поток
воздуха для разбавления пробы регулируют с помощью автоматического устройства
оценки и контроля или вручную. В начале отбора проб устанавливают максимальный
расход воздуха для разбавления, открывают запорно-выпускной клапан и очень
быстро настраивают клапаны, контролирующие потоки воздуха для разбавления и
отбираемого отходящего газа, пока не установится соответствующий изокинетическим условиям расход отбираемого газа.
Настраивают расход воздуха для разбавления с помощью клапана так, чтобы
температура фильтра в пробоотборном устройстве была
40 °C (см. руководство по эксплуатации фильтра).
Во время
отбора проб на экране дисплея автоматического устройства контроля должны быть
отображены: температура фильтра пробоотборного
устройства, объем отобранной пробы, скорость парциального отбираемого потока
газа и его температура, давление, дифференциальное давление, расход отходящего
газа, расход охлаждающего воздуха, а также общий расход газа (отходящий газ -
охлаждающий воздух) с интервалами 1 с. Если контроль осуществляют вручную, то
те же параметры регистрируют с интервалом
10 мин или менее.
Отбор проб может
быть прерван в любое время и затем продолжен без изменения настроек, например,
при передвижении пробоотборного зонда в другую точку
измерения. Отбор проб прекращают путем закрытия запорно-выпускного клапана и выключения
насоса. В зависимости от типа используемого автоматического устройства контроля получаемые данные могут быть распечатаны, сохранены
или отображены на дисплее.
Затем разбирают пробоотборное устройство, извлекают из него фильтр с пробой
и адсорбер с твердым сорбентом и сохраняют их. Фильтр с пробой до проведения
экстракции защищают от УФ-излучения и хранят в
герметичной воздухонепроницаемой оболочке, такой, как полиэтиленовый пакет, в
темном месте при температуре минус 7 °C. Сорбент оставляют в картридже, который
закрывают стеклянными притертыми пробками и хранят в защищенном от света месте.
Части линии отбора проб, расположенные перед картриджем с сорбентом, которые
вступали в контакт с отходящим газом, по окончании измерений должны быть
проверены на наличие отложений и, при необходимости, промыты. Все смывы
необходимо добавить к анализируемому материалу, который впоследствии будет
экстрагирован вместе с фильтром.
По окончании отбора
проб анализируют:
- фильтр;
- твердый сорбент;
- промывочные растворы.
Примечание. Получить информацию о возможном внесении загрязняющих веществ из
окружающего воздуха во время отбора проб можно, проанализировав в качестве
холостых проб фильтр и сорбент, используемые при очистке воздуха для
разбавления.
6. Метод B: метод с использованием (подогреваемого)
фильтра/холодильника/адсорбера
6.1.
Основные положения
Отходящий газ
отбирают из газохода через насадку и подогреваемый пробоотборный
зонд на фильтр для улавливания твердых частиц, установленный в держателе с
подогреваемым корпусом, с соблюдением условий изокинетичности.
Температуру фильтра поддерживают выше температуры точки росы отходящего газа,
но не выше температуры в газоходе. Если в отбираемом газе содержится большое
количество твердых частиц, то для предотвращения перегрузки фильтра можно
использовать циклон или картридж с кварцевым волокном
выше по потоку от фильтра. Необходимо использовать соответствующий герметичный
всасывающий зонд из кварца, стекла или покрытый титаном. Для охлаждения
отбираемого газа до температуры ниже 20 °C весь поток, определенную фракцию или
определенный объем газа пропускают через холодильник, установленный ниже по
потоку от фильтра. Газообразные ПАУ улавливаются при
конденсации в импинжерах и (или) при адсорбции на
твердых сорбентах, установленных ниже по потоку от холодильника. В
результате охлаждения отходящего газа в холодильнике собирается влага.
Существуют пробоотборные устройства, в которых либо
конденсат собирается в колбе до того, как отходящий газ проходит через адсорбер,
либо конденсат и газ проходят через адсорбер, а затем конденсат собирается в
колбе для конденсата. В момент разработки стандарта не было данных по
проведению сличительных испытаний для двух приведенных выше способов.
Объемная скорость
потока пробы может составлять от 1 до 6 м3/ч в зависимости от конструкции линии
отбора проб.
По окончании отбора
проб промывают пробоотборное устройство и адсорбер
или импинжер, затем фильтры и смывы, полученные после
промывания ацетоном/толуолом, обрабатывают экстрагентом
и анализируют.
Схема
протестированного пробоотборного устройства приведена
на рисунках B.2 и B.3 (Приложение B).
6.2.
Минимальные требования
Должны быть
выполнены следующие требования:
a) Устанавливают
фильтр внутри или снаружи газохода в подогреваемом фильтродержателе.
b) Поддерживают
температуру фильтра равной температуре отходящего газа в случае, если фильтр
установлен внутри газохода.
c) Фильтры,
установленные снаружи газохода, нагревают до температуры выше температуры
конденсации отходящего газа.
d) Температура
отобранного газа после прохождения через холодильник должна быть не более 20
°C.
e) Для улавливания газообразных ПАУ можно использовать жидкостные импинжеры или адсорберы с твердым сорбентом. Эффективность
улавливания ПАУ в адсорбере или импинжере должна быть
подтверждена на месте применения для определяемых соединений.
6.3.
Подготовка и отбор проб
6.3.1. Линия отбора
проб и ее работа
Отбор проб можно
проводить с делением или без деления потока отбираемого газа. Делитель потока
используют, когда поток, отбираемый в условиях изокинетичности,
слишком велик для получения хорошей эффективности адсорбции при его пропускании
через адсорбер. Обычное пробоотборное устройство
состоит из фильтра для улавливания твердых частиц, холодильника, адсорбера и
устройства для контроля потока с газовым счетчиком, насосом и регулятором
потока.
Зонд и насадка пробоотборного устройства могут быть изготовлены из титана,
нержавеющей стали, стекла или кварца. Для герметизации мест соединений и в
качестве герметизирующего материала на фильтродержателе
могут быть использованы политетрафторэтилен (ПТФЭ) или фторэластомер
<1>. При необходимости деления потока делитель потока устанавливают за
фильтром для улавливания твердых частиц. Для обеспечения изокинетических
условий в основном потоке устанавливают устройство для измерения и
регулирования расхода. Требования к потоку в линии разбавления такие же, как к
потоку в линии отбора проб без разбавления. По окончании отбора проб пробоотборный зонд промывают толуолом или гексаном. Во всасывающую трубку рекомендуется вставить
стеклянную или кварцевую трубку, которую можно извлечь по окончании отбора проб
и затем разрезать на кусочки для последующей экстракции в лаборатории. Фильтр
подсоединяют к пробоотборному зонду либо внутри, либо
снаружи газохода. Если фильтр установлен снаружи, то его необходимо
подогревать. При температуре отходящего газа выше 120 °C возможно использование
всасывающей трубки, охлаждаемой воздухом или водой. Если отбираемый отходящий
газ содержит большое количество частиц (например, массовая концентрация больше
100 мг/м3), то возможно использование предварительного фильтра из кварцевого
волокна или циклона перед конечным высокоэффективным фильтром, который обычно
является плоским и поэтому может засоряться при высоком содержании частиц, что
приводит к большим перепадам давления.
--------------------------------
<1>
Примером подходящей серийно выпускаемой продукции является
.
Данная информация приведена для удобства пользователей настоящего стандарта и
не является рекламой ИСО данной продукции.
Отбираемый газ
охлаждают в установленном ниже по потоку холодильнике и поддерживают его
температуру ниже 20 °C. Жидкость в холодильнике должна находиться при
минимально возможной температуре в диапазоне от 0 °C до 20 °C. В Приложении B
приведены типичные примеры конструкций держателей фильтров, холодильников и
адсорбирующих картриджей.
Газообразные ПАУ улавливаются в установленном последовательно ниже по потоку
адсорбере (картридж заполненный, например, сорбентом <2>, и (или)
полиуретановая вставка).
--------------------------------
<2> Примерами
подходящей серийно выпускаемой продукции являются XAD-2 и Parapak
PS. Данная информация приведена для удобства пользователей настоящего стандарта
и не является рекламой ИСО данной продукции.
К выходу адсорбера
подсоединяют импинжеры, которые
задерживают сконденсировавшуюся жидкость. Затем при помощи подсоединенного
насоса пробу газа прокачивают через блок измерения и регулирования потока.
Ловушку для конденсата можно установить как выше, так и ниже по потоку от
адсорбера.
Во время отбора
проб измеряют температуру отбираемого газа до колбы для сбора конденсата и на
выходе из нее.
6.3.2. Подготовка
Собирают пробоотборное устройство. Перед началом отбора проб
проводят проверку собранного устройства на герметичность.
Проверку на
герметичность выполняют одним из следующих способов:
a) закрывают
насадку пробкой, откачивают воздух из линии отбора проб, настраивают положение
клапана, регулирующего объемный расход, на минимальный вакуум, используемый во
время отбора проб, затем измеряют объемный расход, значение которого должно
быть не более 5% нормального расхода;
b) закрывают
насадку пробкой, откачивают воздух из линии отбора проб до давления около 500 гПа и на основе измеренной скорости повышения давления в
системе и известного внутреннего объема системы отбора проб определяют скорость
натекания, которая должна быть не более 5% нормального расхода отбираемого
газа.
Перед началом
отбора проб на фильтр или в адсорбер могут быть введены различные внутренние
стандарты. После введения внутренних стандартов до отбора проб должно пройти не
менее двух часов. Устройства, в которые были введены внутренние стандарты,
можно хранить в течение нескольких дней в темном месте при температуре минус 7
°C. Если во время отбора проб необходимо заменить фильтр, например из-за
высокой его загрязненности, то в новый фильтр должны быть введены такие же
внутренние стандарты. Это необходимо учитывать при последующих вычислениях
значений коэффициента извлечения внутреннего стандарта и массовой концентрации.
6.3.3. Отбор проб
При отборе проб
зонд устанавливают в выбранной точке поперечного сечения газохода. Затем
включают насос и регулируют расход отбираемого газа для обеспечения условий изокинетического отбора проб. Во избежание образования льда
в холодильнике регулируют температуру охлаждающей жидкости таким образом, чтобы
она не опускалась ниже 0 °C.
Размер колбы для
сбора конденсата должен быть выбран с учетом содержания влаги в отходящем газе
и количества отбираемого отходящего газа.
По окончании отбора
проб закрывают клапан, чтобы прервать обратный поток воздуха через пробоотборное устройство, выключают насос и извлекают пробоотборное устройство из газохода. Затем выполняют
следующие действия:
- зонд тщательно
промывают ацетоном, гексаном, а затем толуолом.
Удаляют частицы, налипшие на внутренней поверхности зонда, при помощи
предварительно очищенного тампона из стекло- или
кварцевого волокна. Собранный материал хранят в темном месте при температуре
минус 7 °C;
- фильтр хранят в
закрытом стеклянном контейнере в защищенном от света месте при температуре
минус 7 °C;
- холодильник и
адсорбер закрывают при помощи обезжиренных стеклянных пробок. Пробу хранят в
темном месте при температуре минус 7 °C;
- при использовании
импинжеров их содержимое переносят в темные бутыли. Импинжеры промывают ацетоном, гексаном
и толуолом. Смывы добавляют к жидкости из импинжеров
и хранят в защищенном от света месте при температуре минус 7 °C.
7. Метод C: метод с использованием
охлаждаемого
зонда/адсорбера
7.1.
Основные положения
При соблюдении изокинетических условий отходящий газ поступает через
насадку в охлаждаемый водой зонд. Материал, из которого изготовлен зонд, должен
быть инертным по отношению к компонентам отходящего газа и перепаду температур
внутри зонда. Нержавеющую сталь считают подходящим материалом. Внутрь зонда помещают вставную трубку из стекла, кварца или титана,
через которую проходит отходящий газ. Вставную трубку фиксируют внутри
зонда и охлаждают с помощью устройства, обеспечивающего циркуляцию воды вокруг
поверхности трубки. По окончании отбора проб трубки могут быть разрезаны на
кусочки и проэкстрагированы в лаборатории.
Отбираемый газ
охлаждают внутри зонда до температуры ниже 40 °C. Отходящий газ и конденсат из
зонда попадают в колбу, в которой происходит сбор конденсата. Ниже по потоку
для улавливания газообразных ПАУ устанавливают
адсорберы с твердым сорбентом. Выше по потоку от последнего адсорбера
устанавливают фильтр для улавливания твердых частиц с размером пор 0,3 мкм.
Вместо комбинации
"охлаждаемый зонд - колба для сбора конденсата" можно использовать
специальную колбу для сбора конденсата со встроенным импинжером, охлаждаемым при помощи ледяной ванны.
Объемный расход
отходящего газа может составлять от 0,5 до 2 м3/ч в зависимости от конструкции пробоотборной линии.
Схема протестированного
пробоотборного устройства приведена на рисунке B.7
(Приложение B).
7.2.
Минимальные требования
Температура газа
ниже по потоку от охлаждаемого зонда должна быть менее 40 °C.
7.3.
Подготовка и отбор проб
7.3.1. Линия отбора
проб и ее работа
Конструкция пробоотборной линии должна соответствовать цели измерений и
обеспечивать улавливание достаточного количества аналита.
При соблюдении изокинетических условий отходящий газ
поступает через насадку в охлаждаемую водой вставную трубку зонда. При температуре
менее 180 °C можно использовать зонд из политетрафторэтилена (ПТФЭ). Вставную
трубку соосно фиксируют в зонде с двумя рубашками: сначала холодная вода течет
по внутренней рубашке в направлении, противоположном потоку отходящего газа,
затем на конце зонда перетекает в наружную рубашку и возвращается в другой
конец зонда. Если температура отходящего газа очень высокая, то тщательно
следят за тем, чтобы скорость потока воды была достаточной, чтобы не допустить
ее превращения в пар.
После всасывающей
трубки устанавливают колбу для сбора конденсата из отходящего газа. Ниже по
потоку располагают адсорбер, который может состоять из импинжеров
с диэтиленгликолем или этоксиэтанолом
и картриджа с твердым сорбентом и (или) пенополиуретановой вставкой. Обычно
используют двухступенчатый адсорбер, в котором между двумя секциями
устанавливают фильтр для улавливания твердых частиц, которые прошли через колбу
для конденсата.
После последней
секции адсорбера устанавливают осушительную колонну, газовый счетчик и
устройство контроля расхода отходящего газа.
Все соединения,
связывающие выход пробоотборного зонда с входом в
адсорбер, должны быть стеклянными. Из-за хрупкости стекла рекомендуется
применять шаровые соединения. Также можно использовать резьбовые трубки с
пластиковыми крышками и прокладками из ПТФЭ. Не допускается для соединения
использовать шланги, но можно использовать охлаждаемую воздухом трубку,
подсоединенную к эффективному холодильнику и импинжеру,
вставленным в колбу для сбора конденсата, находящуюся в ледяной ванне.
Примечание. С
помощью нескольких стеклянных трубок с шаровыми соединениями колбу для сбора
конденсата и адсорбера с твердым сорбентом можно подсоединить к зонду таким
образом, чтобы обеспечить возможность перемещения насадки на конце зонда в
поперечном сечении газохода в точки отбора проб в соответствии с ИСО 9096.
Устройство фиксируют в держателе и в собранном виде перемещают к месту отбора
проб.
7.3.2. Подготовка
Перед началом
отбора проб пробоотборное устройство промывают
ацетоном или метанолом, а затем толуолом.
Возможно
использование других процедур очистки, если было доказано, что они обеспечивают
надежные уровни холостых показаний, которые не окажут значительного влияния на
результаты измерений.
Соединяют зонд,
коленчатое соединение и всасывающую трубку.
Подсоединяют
осушительную колонну и устройство для измерения и регулировки объемного расхода
к адсорберу с твердым сорбентом/фильтру.
Подсоединяют колбу
для сбора конденсата.
Проверку на
герметичность выполняют одним из следующих способов:
a) закрывают
насадку пробкой, откачивают воздух из линии отбора проб, настраивают положение
клапана, регулирующего объемный расход, на минимальный вакуум, используемый во
время отбора проб, затем измеряют объемный расход, значение которого должно
быть менее 5% нормального расхода;
b) закрывают
насадку пробкой, откачивают воздух из линии отбора проб до давления около 500 гПа и на основе измеренной скорости повышения давления в
системе и известного внутреннего объема системы отбора проб определяют скорость
натекания, которая должна быть не более 5% нормального расхода отбираемого
газа.
При использовании
внутреннего стандарта он должен быть введен в колбу для сбора конденсата или в
холодильник.
Перед началом
отбора проб готовят ледяную ванну.
7.3.3. Отбор проб
Сначала включают
устройство подачи воды для охлаждения зонда. Затем устанавливают зонд в
соответствующую первоначальную позицию внутри газохода. Включают насос, при
этом клапан между насосом и газовым счетчиком должен быть закрыт. Устройство
для отбора проб готово к работе.
После того, как
отбираемый газ пройдет через охлаждаемый зонд, поддерживают его температуру
ниже 40 °C. Колбу для сбора конденсата и другие жидкостные импинжеры
охлаждают в ледяной ванне.
Если во время
отбора проб необходимо заменить колбу для сбора конденсата, то в новую колбу
должен быть введен, если применяется, внутренний стандарт. Это должно быть
учтено при вычислении степени извлечения стандартов и значений массовой
концентрации.
По окончании отбора
проб:
a) выключают насос;
b) дают охлаждающей
жидкости стечь из всасывающей трубки. Зонд можно промыть, когда он еще
подсоединен к линии отбора проб или позднее;
c) разбирают пробоотборное устройство;
d) зонд промывают
тщательно несколько раз. Если в пробоотборной
трубке используют вставную трубку, то ее можно разрезать на кусочки, поместить
в закрытую стеклянную емкость и хранить в темном прохладном месте при
температуре минус 7 °C;
e) сливают
конденсат жидкостей и растворитель, используемый для промывания, в бутыли из
темного стекла, закупоривают и хранят в темном прохладном месте при температуре
минус 7 °C.
По окончании отбора
проб проводят экстракцию и анализ для следующих компонентов:
- объединенных
конденсата и промывочных растворов;
- твердого сорбента
(если применяется);
- фильтра;
- стеклянной
вставочной трубки (если применяется);
- контрольного
сорбента (если применяется).
Приложение
A
(справочное)
ПРИМЕНИМОСТЬ
МЕТОДОВ ОТБОРА ПРОБ
Дополнительная
информация по применимости методов отбора проб приведена в таблицах A.1 и A.2.
Таблица A.1
Применимость
методов отбора проб в зависимости
от параметров
пылегазового потока
|
Параметр
|
Метод A
|
Метод B
|
Метод C
|
|
Температура,
°C
|
Менее 800
|
Менее 800
|
Менее 800
|
|
Массовая
концентрация воды, г/м3
|
Менее 600
|
Менее 500
|
Менее 300
|
|
Массовая
концентрация твердых
частиц, г/м3
|
Менее 5
|
Менее 2
|
Менее 2
|
|
Массовая
концентрация ПАУ <1>,
мкг/нм3
|
От 0,04
до 10000
|
От 0,1 до 6000
(0,0025 мкг/м3)
|
От 0,002
до 30000
|
|
<1> В
оригинале ИСО 11338-1 единица измерения
массовой концентрации
ПАУ "мкг/нм3" обозначает, что она приведена к нормальным
условиям.
|
Таблица A.2
Информация
для пользователя,
демонстрирующая
применимость методов отбора проб
|
Параметры процессов
|
Метод отбора проб
|
|
Массовая
концентрация
ПАУ <1>
|
Температура
отходящего
газа, °C
|
Источник выбросов
|
Метод
|
Примечание
|
|
От 170 до
440 нг/нм3
|
140
|
Установка для сжигания
в псевдоожиженном слое
при атмосферном давлении
(AFBA, Atmospheric
Fluidized-Bed Combus-
tion) на угле
|
A
|
-
|
|
От 57 до
700 мкг/нм3
|
От 270
до 350
|
Установка для сжигания
древесины
|
A
|
-
|
|
260 мкг/м3
|
885
|
Установка для сжигания
нефтяных отходов
|
B
|
Стеклянная
вставная трубка
в пробоотборном
зонде
|
|
7 мкг/м3
|
875
|
Установка для сжигания
органических отходов
|
B
|
Стеклянная
вставная трубка
в пробоотборном
зонде
|
|
4 мкг/м3
|
200
|
Электростанция на угле
|
B
|
Стеклянная
вставная трубка
в пробоотборном
зонде
|
|
0,2 мкг/м3
|
200
|
Котел-утилизатор на
целлюлозно-бумажной
фабрике
|
B
|
Стеклянная
вставная трубка
в пробоотборном
зонде
|
|
От 70 до
360 мкг/нм3
|
От 300
до 400
|
Дизель морских судов
|
B
|
Картридж
с
XAD-2
|
|
40 мкг/нм3
|
От
50 до 80
|
Экспериментальный котел
|
B
|
Картридж
с
пенополиуретаном
(ППУ), 45% воды
|
|
От 10 до
6000 мкг/нм3
|
От 100
до 150
|
Котел для сжигания коры
|
B
|
Картридж
с
тонко
измельченным
XAD-2
|
|
Менее
0,5 мкг/нм3
|
От 100
до 150
|
Шламовая печь для
обжига извести
|
B
|
Картридж
с
тонко
измельченным
XAD-2
|
|
Менее 0,1 до
380 мкг/нм3
|
От 60
до 120
|
Котел-утилизатор
|
B
|
Картридж
с
XAD-2, 25% воды
|
|
От 1 до
6600 мкг/нм3
|
От 10
до 200
|
Мусоросжигательная печь
|
B
|
Картридж
с
XAD-2
|
|
Менее
0,01 мкг/м3
|
От 70
до 120
|
Муниципальная печь для
сжигания твердых отходов
(MSWI - Municipal Solid
Waste Incinerator),
очищенный газ
|
C
|
-
|
|
От 0,03
до 0,3 мкг/м3
|
От 200
до 300
|
Муниципальная печь для
сжигания твердых отходов
(MSWI - Municipal Solid
Waste Incinerator),
неочищенный газ
|
C
|
-
|
|
От 50 до
500 мкг/м3
|
От 50
до 500
|
Дизельные двигатели,
выхлопные газы
|
C
|
Стеклянную
вставную трубку
учитывают при
анализе
|
|
От 200 до
2000 мкг/м3
|
|
Кухонные печи
|
C
|
Стеклянную
вставную трубку
учитывают при
анализе
|
|
От 0,2
до 2 мкг/м3
|
От 200
до 350
|
Электродуговая печь,
неочищенный газ
|
C
|
-
|
|
До
30000 мкг/м3
|
|
Котельные
|
C
|
Стеклянную
вставную трубку
учитывают при
анализе
|
|
От 0,2
до 2 мкг/м3
|
От 450
до 500
|
Газовые двигатели
|
C
|
-
|
|
<1> В оригинале ИСО 11338-1 единицы измерения массовой
концентрации
ПАУ "нг/нм3" и "мкг/нм3" обозначают,
что она приведена
к нормальным
условиям.
|
Приложение
B
(справочное)
СХЕМЫ,
РАЗМЕРЫ И МАТЕРИАЛЫ НЕКОТОРЫХ
ПРОТЕСТИРОВАННЫХ
ПРОБООТБОРНЫХ УСТРОЙСТВ
B.1. Пробоотборные устройства
B.1.1. Общие
положения
Пробоотборные устройства для всех трех методов должны включать следующие
компоненты:
a) трубку Прандтля
или S-образную трубку с дифференциальным манометром для измерения статического
и динамического давлений отходящего газа в газоходе (для вычисления расхода
газа) или микроманометр для определения давления в газоходе;
b) устройство для
определения содержания влаги в отходящем газе;
c)
автоматизированную систему для непрерывного измерения содержания кислорода,
если необходимо вводить поправку на кислород;
d) шприц для
введения внутреннего(их) стандарта(ов).
Материал, из
которого изготовлено оборудование для отбора проб, должен быть инертным по
отношению к ПАУ и простым в очистке. Следует избегать применения пластиковых
прокладок, так как они могут адсорбировать ПАУ, а при высоких температурах
выделяют соединения, которые могут оказывать мешающее влияние при анализе.
Если пробоотборное устройство выполнено из стекла, то притертые
соединения могут быть загерметизированы с
использованием небольшого количества чистой воды. Для этих целей не используют
смазочные вещества. Пробоотборные устройства,
применяемые при реализации методов A, B и C, описаны в B.1.2, B.1.3 и B.1.4 соответственно.
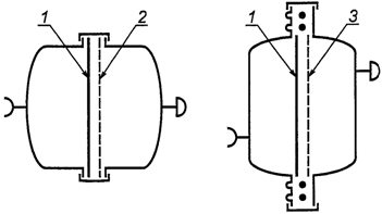
B.1.2. Пробоотборное устройство, применяемое при реализации метода
A: метод разбавления
Схема пробоотборного устройства, применяемого при реализации
метода A, приведена на рисунке B.1.

Т - термоэлемент
1 - отходящий газ;
2 - пробоотборный зонд; 3 - коленчатое
соединение; 4 -
подогреваемая всасывающая трубка;
5 - смесительная
трубка; 6 - фильтр для отбора проб;
7 - отделение A; 8
- адсорбер с твердым сорбентом;
9 - отделение B; 10
- газовый счетчик; 11 - выход
на экстрактор; 12 -
осушительная колонна;
13 - газовый
счетчик; 14 - адсорбер с твердым
сорбентом; 15 -
фильтр для охлажденного воздуха
Рисунок
B.1. Схема пробоотборного устройства,
применяемого при
реализации метода A
Основными частями пробоотборного устройства являются:
B.1.2.1. Насадка пробоотборного зонда с внутренним диаметром от 8 до 30 мм
(в зависимости от производительности насоса), изготовленная из
коррозионно-устойчивого материала, например из боросиликатного или кварцевого
стекла, нержавеющей стали (Материал N 14571 <1>) или чистого титана.
--------------------------------
<1>
Нержавеющей стали (Материал N 14571) по DIN 17441 в Российской Федерации
соответствует марка нержавеющей стали 10Х17Н13М2Т по ГОСТ 5632-72.
B.1.2.2. Коленчатое
соединение, изготовленное из коррозионно-стойкого
материала, например из нержавеющей стали или из чистого титана.
B.1.2.3. Пробоотборный зонд с внутренней трубкой, изготовленной из коррозионно-стойкого материала (например, титана),
теплоотдачей от 250 до 1000 Вт на 1 м длины трубки, изолированный снаружи, с
контролируемым подогревом.
B.1.2.4. Два
держателя для закрепления фильтров из стекловолокна (один держатель для фильтра
отбора проб с ПАУ, другой - для фильтра воздуха для разбавления), изготовленные
из коррозионно-стойких материалов, например,
нержавеющей стали. Для низколетучих ПАУ можно
использовать комбинированный держатель, в который помещают картридж с твердым сорбентом.
B.1.2.5.
Смесительная трубка с входным отверстием для отходящего газа, расположенным
соосно потоку, и с подачей воздуха для разбавления перпендикулярно потоку.
B.1.2.6. Два
диафрагменных расходомера для измерения потока воздуха для разбавления и общего
газового потока (отходящий газ плюс воздух для разбавления).
Для градуировки
двух каналов для измерения расхода на первом этапе расход газа, проходящего
через диафрагменный расходомер, сравнивают с показанием отградуированного
газового счетчика (с погрешностью 2%). На втором этапе два канала для измерения
потока соединяют последовательно таким образом, что по ним проходят оба потока.
Затем константы диафрагменных расходомеров уравнивают. Данная дифференциальная
система измерения расхода газового потока, основанная на прокачке потока
отходящего газа, обеспечивает погрешность не более 2%.
B.1.2.7. Четыре
термоэлемента для измерения температуры во всасывающей трубке, температуры
фильтра, воздуха для разбавления и отходящего газа.
B.1.2.8. Два
измерительных датчика Pt-100 для измерения температуры в диафрагменных расходомерах.
B.1.2.9. Три
манометра для измерения эффективного давления в диафрагменных расходомерах и
давления отходящего газа в газоходе.
B.1.2.10. Два
дифференциальных манометра для измерения дифференциального давления в
диафрагменных расходомерах.
B.1.2.11.
Теплообменник для охлаждения воздуха для разбавления с расходом от 40 до 70
м3/ч, необходимый при температуре окружающего воздуха более 25 °C.
B.1.2.12.
Осушительная колонна, заполненная силикагелем, используемая для осушения
воздуха для разбавления с расходом от 40 до 70 м3/ч.
B.1.2.13. Два
автоматических вентиля контроля с приводом от электродвигателя с
соответствующими характеристиками по аэродинамическому сопротивлению.
B.1.2.14.
Побудитель расхода (струйный насос), вакуумный насос или ротационный компрессор.
B.1.2.15. Сжатый
воздух для приведения в действие струйного насоса или ротационного компрессора.
B.1.2.16.
Электрическая сеть для подключения устройств подогрева всасывающей трубки и
измерительного оборудования с предохранителями 2 x 20 В,
16 А.
B.1.3. Пробоотборное устройство, применяемое при реализации метода
B: метода с использованием (подогреваемого) фильтра/холодильника/адсорбера
Схемы пробоотборных устройств, применяемых при реализации метода
B (с делителем и без делителя потока), приведены на рисунках B.2 и B.3. Схемы
двух фильтров для улавливания твердых частиц приведены на рисунке B.4. Схемы
двух охлаждающих систем и картриджей с сорбентом приведены на рисунках B.5 и
B.6 соответственно.

1 - насадка; 2 -
держатель с фильтром;
3 - подогреваемый
зонд; 4 - соединения (стеклянные);
5 - средство
измерений температуры; 6 - холодильник;
7 - колба для сбора
конденсата; 8 - диэтиленгликоль;
9 - барботер; 10 -
осушительная колонна;
11 - побудитель
расхода (насос, клапан, газовый счетчик)
Рисунок
B.2. Схема пробоотборного устройства,
применяемого при
реализации метода B (без делителя потока)

1 - насадка; 2 -
зонд (равномерно подогреваемый);
3 - термостат с
регулируемой температурой
(температура не
более 125 °C); 4 - фильтродержатель;
5 - фильтр
(диаметром 125 мм); 6 - средство для измерения
температуры; 7 -
делитель потока; 8 - холодильник;
9 - колба для сбора
конденсата (вместимостью 1 л);
10 - адсорбер с
твердым сорбентом и (или) импинжер;
11 -
побудитель расхода (дающий максимальную скорость
бокового потока 15
л/мин); 12 - побудитель расхода
(дающий
максимальную скорость основного потока 120 л/мин);
13 - измеритель
скорости и давления газа;
14 - датчик
температуры газа; 15 - таймер;
16 - датчик
атмосферного давления;
17 - основной
поток; 18 - боковой поток
Рисунок
B.3. Схема пробоотборного устройства,
применяемого при
реализации метода B (с делителем потока)

1 - фильтр
(фильтровальная бумага); 2 - фритта 60;
3 - сетка из коррозионно-стойкого материала
Рисунок
B.4. Схемы двух фильтров для улавливания
твердых частиц

1 - холодильник
Рисунок
B.5. Схемы двух охлаждающих систем

Рисунок
B.6. Схемы двух картриджей с сорбентом
Пробоотборное устройство состоит из:
B.1.3.1. Насадки
для отбора проб, изготовленной из титана, кварца или стекла, с внутренним
диаметром 5, 6, 8, 10, 12 или 16 мм в зависимости от цели измерений.
B.1.3.2.
Коленчатого соединения, изготовленного из титана, кварца или стекла.
B.1.3.3. Пробоотборного зонда, изготовленного из титана, кварца или
стекла, подогреваемого с помощью системы с электронным контролем температуры.
B.1.3.4. Корпуса
держателя фильтра для улавливания твердых частиц, изготовленного из титана,
стекла или кварца. Некоторые типы держателей фильтров приведены на рисунке B.4.
B.1.3.5. Термостата
с электронным контролем температуры.
Температура фильтра
для улавливания твердых частиц должна быть равна температуре отходящего газа.
Это может быть достигнуто путем установки фильтра в средство измерений за
пределами потока отходящего газа.
B.1.3.6. Картридж
из кварцевого волокна (необязательно), изготовленный из кварца или стекла.
B.1.3.7. Циклон
(необязательно), изготовленный из стекла, используемый при высоком содержании в
отбираемом газе твердых частиц (более 100 мг/м3).
B.1.3.8. Делитель
потока (необязательно), используемый для поддерживания необходимого соотношения
между основным и боковым потоками.
B.1.3.9. Стеклянные
трубки, используемые для подсоединения держателя фильтра к холодильнику
фиксаторами (например, шаровыми соединениями).
B.1.3.10.
Холодильник, используемый для понижения температуры отбираемого газа ниже 20
°C.
B.1.3.11.
Охлаждающая установка с потребляемой мощностью не менее 500 Вт или вода для
охлаждения.
B.1.3.12. Колба для
сбора конденсата вместимостью, достаточной для сбора конденсата в течение всего
периода отбора проб (например, двугорлая колба).
B.1.3.13. Импинжеры или промывные склянки (как альтернатива
комбинации колбы для сбора конденсата и холодильников).
Импинжеры или промывные склянки устанавливают без впускных трубок для газа в
начале и конце линии отбора проб для предотвращения всасывания жидкости обратно
в пробоотборное устройство.
B.1.3.14. Адсорбер
с твердым сорбентом (например, пенополиуретан (PUF) и
(или) XAD-2) для улавливания газообразных ПАУ.
Для предотвращения
попадания в адсорбер аэрозолей перед ним можно установить фильтр. Температура
адсорбера должна поддерживаться ниже 20 °C. Для обеспечения правильной набивки
адсорбер должен быть установлен вертикально.
B.1.3.15.
Осушительная колонна, используемая для осушения отходящего газа, измеряемого
газовым счетчиком.
Для этих целей
рекомендуется использовать колонну с силикагелем.
B.1.3.16. Два
термоэлемента, используемые для измерения температуры отбираемого газа (один -
после фильтра, улавливающего твердые частицы, другой - в адсорбере с твердым
сорбентом).
B.1.3.17.
Побудитель расхода с газовым счетчиком, насосом и клапаном для определения
объема пробы, регулирования объемного расхода и поддержания изокинетических
условий отбора проб.
B.1.3.18.
Соединения из стекла, кварца или титана, устанавливаемые после адсорбера.
Можно использовать
пластиковые шланги.
B.1.4. Пробоотборное устройство, применяемое при реализации метода
C: метода с использованием охлаждаемого зонда/адсорбера
Схема пробоотборного устройства, применяемого при реализации
метода C, приведена на рисунке B.7. Схема охлаждаемого зонда приведена на
рисунке B.8.

1 - насадка; 2 -
коленчатое соединение;
3 - вставная
стеклянная трубка; 4 - охлаждаемая
пробоотборная трубка; 5 - стеклянное соединение;
6 - колба для сбора
конденсата; 7 - фильтр
из кварцевого
волокна; 8 - картридж с XAD-2;
9 - холодильник для
измеряемого газа; 10 - регулирующий
клапан; 11 - насос;
12 - осушительная колонна
с силикагелем; 13 -
газовый счетчик;
TG - средство для
измерения температуры
в газовом счетчике;
TS - средство для измерения
температуры в
газоходе; PS - средство для измерения
давления в
газоходе;
- средство для измерения
равновесного
давления в газоходе (динамического);
GA - газоанализатор
отходящего газа (
)
Рисунок
B.7. Схема пробоотборного устройства,
применяемого при
реализации метода C

1 - прокладка; 2 -
титановый корпус; 3 - прокладка;
4 - отбираемый газ;
5 - линия выпуска охлаждающей жидкости;
6 - линия ввода
охлаждающей жидкости
Рисунок
B.8. Пример охлаждаемого зонда
Пробоотборное устройство включает в себя:
B.1.4.1. Пробоотборный зонд, изготовленный из титана, кварца, стекла
или политетрафторэтилена (ПТФЭ) с внутренним диаметром 5, 6, 8, 10, 12 или 16
мм в соответствии с целью измерений.
B.1.4.2. Коленчатое
соединение, изготовленное из титана, кварца или стекла.
B.1.4.3. Пробоотборная трубка с водяным охлаждением (двухрубашечный контур). Вставная трубка должна быть
изготовлена из титана, кварца или стекла. Если по окончании отбора проб
вставная трубка должна быть разрезана на кусочки для последующей очистки в
лаборатории, то в пробоотборной трубке ее закрепляют
с помощью прокладок.
B.1.4.4. Держатель,
используемый для крепления пробоотборной трубки к
газоходу с помощью зажимов, обеспечивающий перемещение собранного пробоотборного устройства в различные точки поперечного
сечения газохода.
B.1.4.5. Картридж
из кварцевого волокна или циклон для улавливания частиц.
B.1.4.6.
Термоэлемент для измерения температуры отбираемого газа после пробоотборной трубки.
B.1.4.7. Колба для
сбора конденсата, изготовленная из темного стекла (например, с притертым
соединением, трехгорлая), с достаточной вместимостью
для сбора конденсата в течение всего периода отбора проб.
B.1.4.8. Картридж с твердым сорбентом, ниже по потоку, со стеклянной
фриттой с размером пор Р250 в соответствии с ИСО 4793.
B.1.4.9. Держатель
фильтра, используемый для удержания плоского фильтра тонкостью фильтрации 0,3
мкм на поддерживающей сетке.
B.1.4.10.
Осушительная колонна, заполненная влагопоглощающим материалом (например,
силикагелем).
B.1.4.11.
Побудитель расхода с газовым счетчиком, насосом и клапаном, используемый для
определения объема пробы, регулирования расхода потока и поддержания изокинетических условий отбора проб.
B.1.4.12. Импинжер, установленный внутри
колбы для сбора конденсата, оптимальная альтернатива комбинации охлаждаемой проотборной трубки и колбы для сбора конденсата.
B.2. Реактивы и
материалы
Во избежание
возможных мешающих влияний в ходе анализа, если не установлено другое,
используют только те химические реактивы, класс чистоты которых
идентифицирован, а также дистиллированную воду или воду эквивалентной чистоты.
Используемые
растворители не должны содержать примеси, увеличивающие фоновый сигнал.
B.2.1. Охлаждающая
жидкость для охлаждения холодильника или пробоотборной
трубки.
B.2.2. Ледяная
ванна для охлаждения импинжеров.
B.2.3. Силикагель,
используемый в осушительной колонне для осушения воздуха для разбавления (метод
A).
B.2.4. Вода для
охлаждения воздуха для разбавления (при его температуре выше 25 °C) (метод A).
B.2.5. Ацетон для
очистки пробоотборного устройства.
B.2.6. Метанол для
очистки пробоотборного устройства.
B.2.7. Толуол для
очистки пробоотборного устройства.
B.2.8. Метоксиэтанол (или этоксиэтанол),
используемый в качестве жидкости для импинжера.
B.2.9.
Дистиллированная вода.
B.2.10. Фильтр из
стекловолокна (метод A), например микронный фильтр WB 50, используемый как
сменный фильтр без скрепляющих колец.
Фильтры пропитывают
5 г жидкого парафина (степень разделения частиц размером от 0,3 до 0,5 мкм
составляет 99,98%, фильтрующая поверхность около 1 м2).
B.2.11. Фильтр из
стекловолокна (методы B или C), с покрытием из ПТФЭ, с тонкостью фильтрации 0,3
мкм (эффективный диаметр, эффективность 99,99%), размер которого соответствует
размеру держателя фильтра.
B.2.12. Кварцевое
волокно (если используется).
Фильтры из кварцевого
волокна должны быть проэкстрагированы толуолом и
высушены перед использованием.
B.2.13. Твердый
сорбент (если используется).
B.2.13.1. Пенополиуретан (PUF) с открытыми порами, с плотностью от 20
до 25 кг/м3 и пористостью, соответствующей аэродинамическому сопротивлению
(перепаду давления) в 20 кПа.
Пенополиуретановые
вставки представляют собой вставки цилиндрической формы подходящего размера,
вырезанные из дисков пенополиуретана, очищенные
следующим образом.
Вставку кипятят в
течение 2 - 3 ч последовательно в следующих растворителях: метаноле, метиленхлориде, толуоле, ацетоне. Отжимают ацетон,
расправляют вставку на алюминиевом листе и оставляют до высыхания,
предпочтительно на ночь, в вакуумном сушильном шкафу при температуре 40 °C.
Очищенные пенополиуретановые
вставки хранят без сдавливания в емкостях из темного стекла.
B.2.13.2. Пористый
полимер XAD-2
XAD-2 (с гранулами
размером от 0,3 до 1 мм) последовательно промывают несколько раз водой,
метанолом и метиленхлоридом до тех пор, пока фильтрат
перестанет быть мутным. Затем XAD-2 экстрагируют в экстракторе Сокслета (или в другом экстракторе) толуолом не менее 48 ч,
при этом растворитель для экстракции заменяют несколько раз. Затем XAD-2
промывают метиленхлоридом, а остаток метиленхлорида удаляют в роторном испарителе под
контролируемым вакуумом (500 гПа, температура ванны
40 °C).
Очищенный таким образом XAD-2 хранят в стеклянных бутылях с герметично
завинчивающейся крышкой.
B.2.13.3. Porapak PS
Porapak PS (от 50 до 80 меш) экстрагируют в экстракторе Сокслета
ацетонитрилом в течение 8 ч, бензолом в течение 4 ч,
а затем метиленхлоридом в течение 4 ч. Далее сушат в
течение 3 ч при температуре 80 °C.
Высушенный сорбент
хранят в стеклянных бутылях с притертыми пробками. Перед использованием
проводят двойную перегонку каждого растворителя, применяемого для экстракции.
B.3. Внутренние
стандарты
Перед отбором проб
в пробоотборное устройство вводят известное
количество внутреннего стандарта. Можно использовать различные внутренние
стандарты в разных частях пробоотборного устройства
(фильтр, адсорбер, импинжер).
Приложение
C
(справочное)
СВЕДЕНИЯ
О СООТВЕТСТВИИ
НАЦИОНАЛЬНЫХ СТАНДАРТОВ
РОССИЙСКОЙ
ФЕДЕРАЦИИ
ССЫЛОЧНЫМ
МЕЖДУНАРОДНЫМ СТАНДАРТАМ
Таблица C.1
|
Обозначение ссылочного
международного стандарта
|
Обозначение и наименование
соответствующего
национального
стандарта
|
|
ИСО
4225:1994
|
<*>
|
|
ИСО
9096:2003
|
ГОСТ Р ИСО
9096-2006. Выбросы стационарных
источников. Определение массовой концентрации
твердых частиц ручным гравиметрическим методом
|
|
ИСО
12141:2002
|
<*>
|
|
<*> Соответствующий национальный стандарт
отсутствует. До его
утверждения рекомендуется использовать перевод на русский
язык данного
международного стандарта. Перевод
данного международного стандарта
находится в Федеральном информационном фонде
технических регламентов и
стандартов.
|
БИБЛИОГРАФИЯ
[1] ISO 4226:1993. Air quality. General aspects. Units of measurement
[2] ISO 4793:1993. Laboratory sintered (fritted) filters. Porosity
grading, classification and designation
[3] ISO 6879:1995. Air quality. Performance characteristics and related concepts for air quality
measuring methods.