ПОСОБИЕ
ПО ПРОЕКТИРОВАНИЮ ПРЕДВАРИТЕЛЬНО НАПРЯЖЕННЫХ
ЖЕЛЕЗОБЕТОННЫХ КОНСТРУКЦИЙ ИЗ ТЯЖЕЛОГО БЕТОНА
(К СП 52-102-2003)
Содержит указания
СП 52-102-2003 по проектированию указанных конструкций, положения,
детализирующие эти указания, дополнительные рекомендации, необходимые для
проектирования, а также примеры расчета.
Для
инженеров-проектировщиков, а также студентов строительных вузов.
ПРЕДИСЛОВИЕ
Настоящее Пособие
разработано в развитие Свода Правил СП 52-102-03 "Предварительно
напряженные железобетонные конструкции".
В Пособии приведены
все указания СП 52-102-03 по проектированию упомянутых конструкций, положения,
детализирующие эти указания, упрощенные приемы расчета, примеры расчета
наиболее типичных случаев.
Пособие может быть
использовано и для расчета конструкций без предварительного напряжения
арматуры. Однако ряд положений по расчету и конструированию, касающихся
элементов и их частей, как правило, выполняемых без предварительного
напряжения, в Пособии не приведен (расчеты на внецентренное сжатие, на кручение
с изгибом, на местное сжатие, на продавливание). Эти материалы приведены в
"Пособии по проектированию бетонных и железобетонных конструкций из
тяжелого бетона без предварительного напряжения арматуры (к СП
52-101-2003)".
В Пособии не
приведены также детальные положения по расчету линейных железобетонных систем,
элементы которых могут иметь напрягаемую арматуру (фермы, арки и т.п.). Эти
положения освещены в соответствующих Сводах Правил и Пособиях.
Единицы физических
величин, приведенные в Пособии: силы выражены в ньютонах (Н) или килоньютонах
(кН); линейные размеры - в мм (для сечений) или в м (для элементов или их
участков); напряжения, сопротивления, модули упругости и деформации - в
мегапаскалях (МПа); распределенные нагрузки - в кН/м или Н/мм. Поскольку 1 МПа
= 1 Н/мм2, при использовании в примерах расчета формул, включающих величины в
МПа (напряжения, сопротивления и т.п.), остальные величины приводятся только в
Н и мм (мм2).
В таблицах
нормативные и расчетные сопротивления и модули упругости материалов приведены в
МПа и в кгс/см2.
Пособие разработано
в "ЦНИИПромзданий" (инженер И.К. Никитин, доктора технических наук
Э.Н. Кодыш и Н.Н. Трекин) при участии "НИИЖБ" (доктора технических
наук А.С. Залесов, Е.А. Чистяков, А.И. Звездов, Т.А. Мухамедиев).
1. ОБЩИЕ
РЕКОМЕНДАЦИИ
ОСНОВНЫЕ
ПОЛОЖЕНИЯ
1.1. Рекомендации
настоящего Пособия распространяются на проектирование предварительно
напряженных железобетонных изгибаемых элементов, выполненных из тяжелого бетона
классов по прочности на сжатие от В20 до В60 с натяжением арматуры до твердения
бетона (на упоры), эксплуатируемых при систематическом воздействии температуры
не выше 50 °C и не ниже минус 40 °C в среде с неагрессивной степенью
воздействия при статическом действии нагрузки.
Рекомендации
Пособия не распространяются на проектирование предварительно напряженных
конструкций гидротехнических сооружений, мостов, покрытий автомобильных дорог и
аэродромов и других специальных сооружений.
Примечание.
Определение термина "тяжелый бетон" см. ГОСТ 25197.
1.2. При
проектировании предварительно напряженных железобетонных конструкций, кроме выполнения
расчетных и конструктивных требований настоящего Пособия, должны выполняться
технологические требования при изготовлении конструкций, а также должны быть
обеспечены условия для надлежащей эксплуатации зданий и сооружений с учетом
требований по экологии согласно соответствующим нормативным документам.
1.3.
Расчетная зимняя температура наружного воздуха принимается как средняя
температура воздуха наиболее холодной пятидневки в зависимости от района
строительства согласно СНиП 23-01-99. Расчетные технологические температуры
устанавливаются заданием на проектирование.
ОСНОВНЫЕ
РАСЧЕТНЫЕ ТРЕБОВАНИЯ
1.4. Расчеты
предварительно напряженных железобетонных конструкций следует производить по
предельным состояниям, включающим:
- предельные
состояния первой группы (по полной непригодности к эксплуатации вследствие
потери несущей способности);
- предельные
состояния второй группы (по непригодности к нормальной эксплуатации вследствие
образования или чрезмерного раскрытия трещин, появления недопустимых деформаций
и др.).
Расчеты по
предельным состояниям первой группы, содержащиеся в настоящем Пособии, включают
расчет по прочности.
Расчеты по
предельным состояниям второй группы, содержащиеся в настоящем Пособии, включают
расчеты по раскрытию трещин и по деформациям.
1.5. Расчет по
предельным состояниям конструкции в целом, а также отдельных ее элементов
следует, как правило, производить для всех стадий - изготовления,
транспортирования, возведения и эксплуатации; при этом расчетные схемы должны
отвечать принятым конструктивным решениям.
1.6. Расчеты
предварительно напряженных железобетонных конструкций необходимо, как правило,
производить с учетом возможного образования трещин и неупругих деформаций в
бетоне и арматуре.
Определение усилий
и деформаций от различных воздействий в конструкциях и в образуемых ими
системах зданий и сооружений следует производить по методам строительной
механики, как правило, с учетом физической и геометрической нелинейности работы
конструкций.
1.7. При
проектировании предварительно напряженных железобетонных конструкций надежность
конструкций устанавливают расчетом путем использования расчетных значений
нагрузок и воздействий, расчетных значений характеристик материалов,
определяемых с помощью соответствующих частных коэффициентов надежности по
нормативным значениям этих характеристик с учетом степени ответственности
зданий и сооружений.
Нормативные
значения нагрузок и воздействий, коэффициентов сочетаний, коэффициентов
надежности по нагрузке, коэффициентов надежности по назначению конструкций, а
также подразделение нагрузок на постоянные и временные (длительные и
кратковременные) принимают согласно СНиП 2.01.07-85*.
1.8. При
расчете элементов сборных конструкций на воздействие усилий, возникающих при их
подъеме, транспортировании и монтаже, нагрузку от всех элементов следует
принимать с коэффициентом динамичности, равным: 1,60 - при транспортировании,
1,40 - при подъеме и монтаже. В этом случае учитывается также коэффициент
надежности по нагрузке.
Допускается
принимать более низкие, обоснованные в установленном порядке, значения
коэффициентов динамичности, но не ниже 1,25.
2.
МАТЕРИАЛЫ ДЛЯ ПРЕДВАРИТЕЛЬНО НАПРЯЖЕННЫХ КОНСТРУКЦИЙ
БЕТОН
ПОКАЗАТЕЛИ
КАЧЕСТВА БЕТОНА
И ИХ ПРИМЕНЕНИЕ ПРИ
ПРОЕКТИРОВАНИИ
2.1. Для
предварительно напряженных железобетонных конструкций следует предусматривать
бетон следующих классов и марок:
а) классов по
прочности на сжатие:
В15; В20; В25; В30;
В35; В40; В45; В50; В55; В60;
б) марок по
морозостойкости:
F50; F75; F100;
F150; F200; F300; F400; F500;
в) марок по
водонепроницаемости:
W2; W4; W6; W8;
W10; W12.
Примечание.
Определение понятий "класс" и "марка" см. ГОСТ 25192.
2.2. Возраст
бетона, отвечающий его классу по прочности на сжатие, назначают при
проектировании, исходя из реальных сроков загружения конструкций проектными
нагрузками. При отсутствии этих данных класс бетона устанавливают в возрасте 28
суток.
2.3. Класс
бетона, в котором расположена напрягаемая арматура без анкеров, следует
принимать не ниже указанного в табл. 2.1.
Таблица 2.1
┌───────────────────────────────────┬────────────────────────────┐
│Характеристика
напрягаемой арматуры│ Класс
бетона не ниже │
├───────────────────────────────────┼────────────────────────────┤
│Арматура
классов: │ │
│ А540 - А800 │ В20 │
│ А1000 │ В30 │
│Арматура
классов: │ │
│ Вр1200, Вр1300 │ В30 │
│ Вр1400, Вр1500 │ В20 │
│ К1400, К1500 │ В30 │
├───────────────────────────────────┴────────────────────────────┤
│ Примечание. Классы арматуры приведены в п.
2.15. │
└────────────────────────────────────────────────────────────────┘
Передаточную
прочность бетона
(прочность бетона к моменту его обжатия,
контролируемая аналогично классу бетона по прочности на сжатие) следует
назначать не менее 15 МПа и не менее 50% принятого класса бетона.
2.4. Марку бетона
по морозостойкости назначают для конструкций, подвергаемых попеременному
замораживанию и оттаиванию, в зависимости от требований, предъявляемых к
конструкциям, режима их эксплуатации и условий окружающей среды:
Для надземных
конструкций марку по морозостойкости следует принимать не ниже указанной в
табл. 2.2.
Таблица 2.2
|
Расчетная зимняя температура
наружного воздуха, °C
|
Минимальная
марка по морозостойкости для
конструкций
|
|
открытых
сооружений или
неотапливаемых зданий
|
отапливаемых
зданий
|
|
От
минус 20 до минус 40 включ.
|
F75
|
F50
|
|
Выше
минус 20 до минус 5 включ.
|
F75
|
не нормируется
|
|
Выше
минус 5
|
не нормируется
|
|
Примечание. Расчетные
зимние температуры наружного воздуха
принимаются согласно указаниям п. 1.3.
|
В остальных случаях
требуемые марки по морозостойкости устанавливаются в зависимости от назначения
конструкции согласно указаниям Свода Правил "Бетонные и железобетонные
конструкции, подвергающиеся технологическим и климатическим температурно-влажностным
воздействиям".
2.5. Марку бетона
по водонепроницаемости назначают для конструкций, к которым предъявляются
требования ограничения водопроницаемости (резервуары, подпорные стены,
подземные конструкции и т.п.) по специальным указаниям.
Для других
надземных конструкций марку бетона по водонепроницаемости не нормируют.
НОРМАТИВНЫЕ
И РАСЧЕТНЫЕ ЗНАЧЕНИЯ ХАРАКТЕРИСТИК БЕТОНА
2.6. Основными
прочностными характеристиками бетона являются нормативные значения:
сопротивления
бетона осевому сжатию (призменная прочность)
;
сопротивления
бетона осевому растяжению
.
Нормативные
значения сопротивления бетона
и
в зависимости от класса бетона В даны в табл.
2.3.
Таблица 2.3
┌────────┬─────────────────────────────────────────────────────────────────────┐
│Вид │
Нормативные значения сопротивления бетона R и R │
│сопроти-│ b, n bt, n
│
│вления │ и расчетные значения сопротивления
бетона для предельных состояний │
│ │ второй группы R и R
, МПа (кгс/см2), при классе бетона
│
│ │ b, ser bt, ser │
│ │ по прочности на
сжатие │
│
├──────┬──────┬──────┬──────┬──────┬──────┬──────┬──────┬──────┬──────┤
│ │ В15 │ В20
│ В25 │ В30 │ В35
│ В40 │ В45 │ В50
│ В55 │ В60 │
├────────┼──────┼──────┼──────┼──────┼──────┼──────┼──────┼──────┼──────┼──────┤
│Сжатие │ 11,0 │ 15,0 │ 18,5
│ 22,0 │ 25,5 │ 29,0 │ 32,0 │ 36,0 │ 39,5
│ 43,0 │
│осевое │(112) │(153) │(188)
│(224) │(260) │(296) │(326) │(367) │(403)
│(438) │
│(приз- │
│ │ │ │ │ │ │ │ │ │
│менная │
│ │ │ │ │ │ │ │ │ │
│проч- │
│ │ │ │ │ │ │ │ │ │
│ность) │
│ │ │ │ │ │ │ │ │ │
│R ,
│ │ │ │ │ │ │ │ │ │ │
│
b, n │ │ │ │ │ │ │ │ │ │ │
│ │ │ │ │ │ │ │ │ │ │ │
│R │ │ │ │ │ │ │ │ │ │ │
│
b, ser │ │ │ │ │ │ │ │ │ │ │
├────────┼──────┼──────┼──────┼──────┼──────┼──────┼──────┼──────┼──────┼──────┤
│Растя- │ 1,10 │ 1,35 │ 1,55
│ 1,75 │ 1,95 │ 2,10 │ 2,25 │ 2,45 │ 2,60
│ 2,75 │
│жение
│(11,2)│(13,8)│(15,8)│(17,8)│(19,9)│(21,4)│(22,9)│(25,0)│(26,5)│(28,0)│
│осевое │
│ │ │ │ │
│ │ │ │ │
│R , │ │ │ │ │ │ │ │ │ │ │
│
bt, n │ │ │ │ │ │ │ │ │ │ │
│ │ │ │ │ │ │ │ │
│ │ │
│R │ │ │ │ │ │ │ │ │ │ │
│
bt, ser│ │ │ │ │ │ │ │ │ │ │
└────────┴──────┴──────┴──────┴──────┴──────┴──────┴──────┴──────┴──────┴──────┘
2.7. Расчетные
значения сопротивления бетона осевому сжатию и осевому растяжению для
предельных состояний первой группы
и
определяются делением нормативных
сопротивлений на коэффициенты надежности по бетону, принимаемые равными: при
сжатии
; при
растяжении
.
Расчетные значения
сопротивления бетона осевому сжатию и осевому растяжению для предельных
состояний второй группы
и
принимаются равными нормативными
сопротивлениями
и
.
Расчетные значения
сопротивления бетона
,
,
и
(с округлением) в зависимости от их классов по
прочности на сжатие приведены: для предельных состояний первой группы - в табл.
2.4, второй группы - в табл. 2.3.
Таблица 2.4
┌──────┬────────────────────────────────────────────────────────────────────┐
│Вид │
Расчетные значения сопротивления бетона для предельных состояний │
│сопро-│ первой группы R и R ,
МПа (кгс/см2), при классе бетона │
│тивле-│ b bt │
│ния │ по прочности на
сжатие │
│
├──────┬─────┬──────┬──────┬──────┬──────┬──────┬──────┬──────┬──────┤
│ │ В15 │ В20 │ В25 │ В30
│ В35 │ В40 │ В45
│ В50 │ В55 │ В60
│
├──────┼──────┼─────┼──────┼──────┼──────┼──────┼──────┼──────┼──────┼──────┤
│Сжатие│
8,5 │11,5 │ 14,5 │
17,0 │ 19,5 │ 22,0 │ 25,0 │ 27,5 │ 30,0 │
33,0 │
│осевое│(86,6)│(117)│(148)
│(173) │(199) │(224) │(255) │(280) │(306)
│(336) │
│(приз-│ │ │ │ │ │ │ │ │ │ │
│менная│ │ │ │ │ │ │ │ │ │ │
│проч-
│ │ │ │ │ │ │ │ │
│ │
│ность)│ │ │ │ │ │ │ │ │ │ │
│R │ │ │ │ │ │ │ │ │ │ │
│
b │ │ │ │ │ │ │ │ │ │ │
├──────┼──────┼─────┼──────┼──────┼──────┼──────┼──────┼──────┼──────┼──────┤
│Растя-│
0,75 │0,90 │ 1,05 │ 1,15 │ 1,30 │ 1,40 │
1,50 │ 1,60 │ 1,70 │ 1,80 │
│жение
│(7,6)
│(9,2)│(10,7)│(11,7)│(13,3)│(14,3)│(15,3)│(16,3)│(17,3)│(18,3)│
│осевое│ │ │ │ │ │ │ │ │ │ │
│R │ │ │ │ │ │ │ │ │ │ │
│
bt │ │ │ │ │ │ │ │ │ │ │
└──────┴──────┴─────┴──────┴──────┴──────┴──────┴──────┴──────┴──────┴──────┘
2.8. При
расчете на действие только постоянных и временных длительных нагрузок расчетные
сопротивления бетона
и
умножаются на коэффициент условий работы
.
2.9. Значения
начального модуля упругости бетона при сжатии и растяжении принимают в
зависимости от класса бетона по прочности на сжатие В согласно табл. 2.5.
Таблица 2.5
┌────────────────────────────────────────────────────────────────┐
│ Значения начального модуля упругости
бетона при сжатии │
│ -3 │
│ и растяжении E x 10 ,
МПа (кгс/см2), при классе бетона
│
│ b
│
│ по прочности на
сжатие │
├──────┬──────┬──────┬──────┬─────┬─────┬─────┬──────┬─────┬─────┤
│
В15 │ В20 │ В25
│ В30 │ В35 │
В40 │ В45 │ В50 │ В55
│ В60 │
├──────┼──────┼──────┼──────┼─────┼─────┼─────┼──────┼─────┼─────┤
│
24,0 │ 27,5 │ 30,0 │ 32,5 │34,5 │36,0 │37,0
│ 38,0 │39,0 │39,5 │
│(245)
│(280) │(306) │(331)
│(352)│(367)│(377)│(387)
│(398)│(403)│
└──────┴──────┴──────┴──────┴─────┴─────┴─────┴──────┴─────┴─────┘
При продолжительном
действии нагрузки значение начального модуля деформаций бетона определяют по
формуле
,
(2.1)
где
- коэффициент ползучести, принимаемый в
зависимости от относительной влажности воздуха и класса бетона согласно табл.
2.6.
Таблица 2.6
┌───────────────────────┬────────────────────────────────────────┐
│Относительная
влажность│Значения коэффициента ползучести фи │
│ воздуха окружающей │ b, cr│
│ среды, % │ при классе бетона на сжатие │
│
├───┬───┬───┬───┬───┬───┬───┬───┬────┬───┤
│
│В15│В20│В25│В30│В35│В40│В45│В50│В55
│В60│
├───────────────────────┼───┼───┼───┼───┼───┼───┼───┼───┼────┼───┤
│выше
75 (повышенная)
│2,4│2,0│1,8│1,6│1,5│1,4│1,3│1,2│1,1
│1,0│
├───────────────────────┼───┼───┼───┼───┼───┼───┼───┼───┼────┼───┤
│40
- 75 (нормальная)
│3,4│2,8│2,5│2,3│2,1│1,9│1,8│1,6│1,5
│1,4│
├───────────────────────┼───┼───┼───┼───┼───┼───┼───┼───┼────┼───┤
│ниже
40 (пониженная)
│4,8│4,0│3,6│3,2│3,0│2,8│2,6│2,4│2,2
│2,0│
├───────────────────────┴───┴───┴───┴───┴───┴───┴───┴───┴────┴───┤
│
Примечание. Относительную влажность воздуха окружающей среды│
│принимают
по СНиП 23-01-99 как среднюю месячную
относительную│
│влажность
наиболее теплого месяца для района строительства. │
└────────────────────────────────────────────────────────────────┘
2.10.
Значения коэффициента поперечной деформации бетона (коэффициент Пуассона)
допускается принимать
, а
модуль сдвига бетона
.
2.11. Значения
коэффициента линейной температурной деформации бетона при изменении температур
от минус 40 до плюс 50 °C принимают
.
2.12. Для
определения массы железобетонной конструкции плотность тяжелого бетона
принимается равной 2400 кг/м3. Плотность железобетона при содержании арматуры
3% и менее может приниматься равной 2500 кг/м3, а при содержании арматуры более
3% плотность определяется как сумма масс бетона и арматуры на единицу объема
железобетонной конструкции. При этом масса 1 м арматурной стали принимается по
Приложению 1, а полосовой, угловой и фасонной стали - по государственным
стандартам.
При определении
нагрузки от собственного веса удельный вес конструкции в кН/м3 допускается
принимать равным 0,01 от плотности в кг/м3.
2.13. Значения
относительных деформаций бетона, характеризующих диаграмму состояния сжатого
бетона (
,
) и
растянутого бетона (
,
),
приведены в пп. 3.26 и 4.7.
АРМАТУРА
ПОКАЗАТЕЛИ
КАЧЕСТВА АРМАТУРЫ
2.14. Для армирования
предварительно напряженных железобетонных конструкций следует применять
отвечающую требованиям соответствующих государственных стандартов или
технических условий арматуру следующих видов:
горячекатаную
гладкую или периодического профиля диаметром 6 - 40 мм;
термомеханически
упрочненную периодического профиля диаметром 6 - 40 мм;
холоднодеформированную
периодического профиля диаметром 3 - 12 мм;
арматурные канаты
диаметром 6 - 15 мм.
В железобетонных
конструкциях допускается также применять арматуру, упрочненную вытяжкой на
предприятиях строительной индустрии. Качество такой арматуры регламентируется
"Руководством по технологии изготовления предварительно напряженных
железобетонных конструкций (М., Стройиздат, 1975)".
2.15. Для
железобетонных конструкций, проектируемых в соответствии с требованиями
настоящего Пособия, следует предусматривать:
в качестве
напрягаемой арматуры:
- горячекатаную и
термомеханически упрочненную периодического профиля классов А600 (А-IV), А800
(А-V), А1000 (А-VI);
-
холоднодеформированную периодического профиля классов от Вр1200 до Вр1500
(Вр-II);
- канатную 7- и
19-проволочную классов К1400 и К1500 (К-7, К-19);
- упрочненную
вытяжкой периодического профиля класса А540 (А-IIIв);
в качестве
ненапрягаемой арматуры:
- горячекатаную
гладкую класса А240 (А-I);
- горячекатаную и
термомеханически упрочненную периодического профиля классов А300 (А-II), А400
(А-III), А500 (А500С);
-
холоднодеформированную периодического профиля класса В500 (Вр-I, В500С) в
сварных каркасах и сетках.
Арматуру классов
А540, А600, А800 и А1000 можно применять в качестве ненапрягаемой вместе с
напрягаемой арматурой тех же классов, а также в конструкциях без
предварительного напряжения арматуры.
Сортамент классов
арматуры приведен в Приложении 1.
2.16.
Применяемая в железобетонных конструкциях арматура имеет предел текучести:
физический (классов
А240, А300, А400, А500);
условный, равный
величине напряжений, соответствующих остаточному относительному удлинению 0,2%
(классов А600, А800, А1000, Вр1200 - Вр1500, К1400, К1500).
Упрочненная
вытяжкой арматура класса А540 и холоднодеформированная класса В500 по
особенностям расчета условно отнесены к арматуре, имеющей физический предел
текучести.
2.17. В
конструкциях, эксплуатируемых на открытом воздухе или в неотапливаемых зданиях
в районах с расчетной зимней температурой ниже минус 30 °C, не допускается
применение арматуры класса А600 марки стали 80С (диаметром 10 - 18 мм), класса
А300 марки стали Ст5пс (диаметром 18 - 40 мм) и класса А240 марки стали Ст3кп.
Эти виды арматуры
можно применять в конструкциях отапливаемых зданий, расположенных в указанных
районах, если в стадии возведения несущая способность конструкций будет
обеспечена исходя из расчетного сопротивления арматуры с понижающим
коэффициентом 0,7 к расчетной нагрузке с коэффициентом надежности по нагрузке
.
Прочие виды и
классы арматуры можно применять без ограничения.
2.18. Для
монтажных (подъемных) петель элементов сборных железобетонных конструкций
следует применять горячекатаную арматурную сталь класса А240 марок Ст3сп и
Ст3пс и класса А300 марки 10ГТ.
НОРМАТИВНЫЕ
И РАСЧЕТНЫЕ ХАРАКТЕРИСТИКИ АРМАТУРЫ
2.19. Основной
прочностной характеристикой арматуры является нормативное значение
сопротивления растяжению
,
равное наименьшему значению физического или условного предела текучести и
принимаемое в зависимости от класса арматуры по табл. 2.7.
Таблица 2.7
┌──────────┬────────────┬─────────────────────────────────────────────────┐
│
Арматура │Номинальный │
Нормативные значения сопротивления растяжению │
│
классов │ диаметр
│ R и расчетные значения сопротивления │
│ │арматуры, мм│ s, n │
│ │ │растяжению для предельных
состояний второй группы│
│ │ │ R , МПа (кгс/см2) │
│ │ │ s, ser │
├──────────┼────────────┼─────────────────────────────────────────────────┤
│ А240
│ 6 - 40 │ 240 (2450) │
├──────────┼────────────┼─────────────────────────────────────────────────┤
│ А300
│ 10 - 40 │ 300 (3050) │
├──────────┼────────────┼─────────────────────────────────────────────────┤
│ А400
│ 6 - 40 │ 400 (4050) │
├──────────┼────────────┼─────────────────────────────────────────────────┤
│ А500
│ 6 - 40 │ 500 (5100) │
├──────────┼────────────┼─────────────────────────────────────────────────┤
│ А540
│ 20 - 40 │ 540 (5500) │
├──────────┼────────────┼─────────────────────────────────────────────────┤
│ А600
│ 10 - 40 │ 600 (6100) │
├──────────┼────────────┼─────────────────────────────────────────────────┤
│ А800
│ 10 - 40 │ 800 (8150) │
├──────────┼────────────┼─────────────────────────────────────────────────┤
│ А1000
│ 10 - 40 │ 1000 (10200) │
├──────────┼────────────┼─────────────────────────────────────────────────┤
│ В500
│ 3 - 12 │ 500 (5100) │
├──────────┼────────────┼─────────────────────────────────────────────────┤
│ Вр1200
│ 8
│ 1200
(12200) │
├──────────┼────────────┼─────────────────────────────────────────────────┤
│ Вр1300
│ 7 │ 1300 (13200) │
├──────────┼────────────┼─────────────────────────────────────────────────┤
│ Вр1400
│ 4; 5; 6 │ 1400 (14300) │
├──────────┼────────────┼─────────────────────────────────────────────────┤
│ Вр1500
│ 3 │ 1500 (15300) │
├──────────┼────────────┼─────────────────────────────────────────────────┤
│ К1400
│ 15 │ 1400 (14300) │
│ (К-7)
│ │
│
├──────────┼────────────┼─────────────────────────────────────────────────┤
│ К1500
│ 6; 9; 12 │ 1500 (15300) │
│ (К-7)
│ │
│
├──────────┼────────────┼─────────────────────────────────────────────────┤
│ К1500
│ 14 │ 1500 (15300) │
│ (К-19)
│ │
│
└──────────┴────────────┴─────────────────────────────────────────────────┘
2.20. Расчетные
значения сопротивления арматуры растяжению для предельных состояний первой
группы
определяют по формуле
,
(2.2)
где
- коэффициент надежности по арматуре,
принимаемый равным:
1,1 - для арматуры
классов А240, А300, А400;
1,15 - для арматуры
классов А500, А600, А800;
1,2 - для арматуры
классов А540, А1000, В500, Вр1200, Вр1500, К1400 и К1500.
Расчетные значения
приведены (с округлением) в табл. 2.8. При
этом значения
приняты равными наименьшим контролируемым
значениям по соответствующим ГОСТ.
Таблица 2.8
┌─────────────────┬──────────────────────────────────────────────┐
│Арматура
классов │ Расчетные значения
сопротивления арматуры │
│ │ для предельных состояний первой группы, │
│ │ МПа (кгс/см2) │
│
├────────────────────────┬─────────────────────┤
│ │ растяжению R │ сжатию R │
│ │ s │ sc │
├─────────────────┼────────────────────────┼─────────────────────┤
│ А240
│ 215 (2200) │ 215 (2200) │
├─────────────────┼────────────────────────┼─────────────────────┤
│ А300
│ 270 (2750) │ 270 (2750) │
├─────────────────┼────────────────────────┼─────────────────────┤
│ А400
│ 355 (3600) │ 355 (3600) │
├─────────────────┼────────────────────────┼─────────────────────┤
│ А500
│ 435 (4450) │ 400 (4100) │
├─────────────────┼────────────────────────┼─────────────────────┤
│ А540
│ 450 (4600)
<*> │ 200 (2000) │
├─────────────────┼────────────────────────┼─────────────────────┤
│ А600
│ 520 (5300) │ 400 (4100) │
├─────────────────┼────────────────────────┼─────────────────────┤
│ А800
│ 695 (7050) │ " │
├─────────────────┼────────────────────────┼─────────────────────┤
│ А1000
│ 830 (8450) │ " │
├─────────────────┼────────────────────────┼─────────────────────┤
│ В500
│ 415 (4250) │ 360 (3650) │
├─────────────────┼────────────────────────┼─────────────────────┤
│ Вр1200
│ 1000 (10200) │ 400 (4100) │
├─────────────────┼────────────────────────┼─────────────────────┤
│ Вр1300
│ 1070 (10900) │ " │
├─────────────────┼────────────────────────┼─────────────────────┤
│ Вр1400
│ 1170 (11900) │ " │
├─────────────────┼────────────────────────┼─────────────────────┤
│ Вр1500
│ 1250 (12750) │ " │
├─────────────────┼────────────────────────┼─────────────────────┤
│ К1400
│ 1170 (11900) │ " │
├─────────────────┼────────────────────────┼─────────────────────┤
│ К1500
│ 1250 (12750) │ " │
├─────────────────┴────────────────────────┴─────────────────────┤
│
<*> Если при
упрочнении вытяжкой арматуры
класса А540│
│контролируется удлинение
и напряжение арматуры,
расчетное│
│сопротивление растяжению
R допускается принимать
равным│
│ s │
│490
МПа (5000 кгс/см2). │
└────────────────────────────────────────────────────────────────┘
Расчетные значения
сопротивления арматуры растяжению для предельных состояний второй группы
принимают равными соответствующим нормативным
сопротивлениям
(см. табл. 2.7).
2.21. Расчетные
значения сопротивления арматуры сжатию
принимаются равными расчетным значениям
сопротивления арматуры растяжению
, но
не более 400 МПа, при этом для арматуры класса В500
.
Расчетные значения
приведены в табл. 2.8.
При расчете
конструкции на действие только постоянных и длительных нагрузок, когда
расчетное сопротивление бетона сжатию
принимается с учетом коэффициента
(см. п. 2.8), расчетное сопротивление арматуры
сжатию
допускается принимать не более 500 МПа (5100
кгс/см2), при этом для арматуры класса А600 принимается
.
Во всех случаях для
арматуры класса А540 принимается
.
2.22. Расчетное
сопротивление растяжению ненапрягаемой поперечной арматуры (хомутов и отогнутых
стержней)
снижают по сравнению с
путем умножения на коэффициент условий работы
, но
принимают не более 300 МПа. Расчетные значения
приведены (с округлением) в табл. 2.9.
Таблица 2.9
┌──────────────────────────────────┬──────┬───────┬───────┬───────┬───────┐
│ Класс арматуры │ А240 │ А300 │ А400
│ А500 │ В500 │
├──────────────────────────────────┼──────┼───────┼───────┼───────┼───────┤
│Расчетное
сопротивление поперечной│ 170
│ 215 │
285 │ 300
│ 300 │
│арматуры
R , МПа (кгс/см2) │(1730)│(2190) │(2900)
│(3060) │(3060) │
│ sw │ │ │ │ │ │
└──────────────────────────────────┴──────┴───────┴───────┴───────┴───────┘
2.23. При
расположении стержней арматуры классов Вр1200 - Вр1500 попарно вплотную без
зазоров расчетное сопротивление растяжению
умножается на коэффициент условий работы
.
2.24.
Значение модуля упругости арматуры всех видов, кроме канатной, принимается
равным
, а
для канатной арматуры классов К1400 и К1500 -
.
ПРЕДВАРИТЕЛЬНЫЕ
НАПРЯЖЕНИЯ АРМАТУРЫ
2.25.
Предварительные напряжения арматуры
принимают не более:
для арматуры
классов А540, А600, А800, А1000 -
;
для арматуры
классов Вр1200 - Вр1500, К1400, К1500 -
.
Кроме того, для
любых классов арматуры значение
принимают не менее
.
2.26. При
расчете предварительно напряженных конструкций следует учитывать снижение
предварительных напряжений вследствие потерь предварительного напряжения - до
передачи усилий натяжения на бетон (первые потери) и после передачи усилия на
бетон (вторые потери).
Первые потери
предварительного напряжения включают потери от релаксации предварительных
напряжений в арматуре, потери от температурного перепада при термической
обработке конструкций, потери от деформации анкеров и деформации формы.
Вторые потери
предварительного напряжения включают потери от усадки и ползучести бетона.
2.27.
Потери от релаксации напряжений арматуры определяют по формулам:
для арматуры
классов А600, А800 и А1000 при способе натяжения:
механическом -
;
электротермическом
-
;
для арматуры
классов Вр1200 - Вр1500, К1400, К1500 при способе натяжения:
механическом -
;
электротермическом
-
.
Для арматуры класса
А540
.
Здесь
принимается без потерь в МПа.
При отрицательных
значениях
их следует принимать равными нулю.
При наличии более
точных данных о релаксации напряжений арматуры допускается принимать иные
значения потерь от релаксации.
2.28.
Потери от температурного перепада
,
определяемого как разность температур натянутой арматуры в зоне нагрева и
устройства, воспринимающего усилия натяжения, °C, принимаются равными
.
(2.3)
При отсутствии
точных данных допускается принимать
.
При наличии более
точных данных о температурной обработке конструкций допускается принимать иные
значения потерь от температурного перепада.
2.29.
Потери от деформации стальной формы (упоров) при неодновременном натяжении
арматуры на форму определяются по формуле
,
(2.4)
где n - число
стержней (групп стержней), натягиваемых не одновременно;
-
сближение упоров по линии действия усилия P, определяемое из расчета деформации
формы;
l - расстояние
между наружными гранями упоров.
При отсутствии
данных о конструкции формы и технологии изготовления допускается принимать
.
При
электротермическом способе натяжения арматуры потери от деформации формы не
учитываются.
2.30. Потери от
деформации анкеров, расположенных у натяжных устройств, определяются по формуле
,
(2.5)
где
- обжатие анкеров или смещение стержня в
зажимах анкеров;
l - расстояние
между наружными гранями упоров.
При отсутствии
данных допускается принимать
.
При
электротермическом способе натяжения потери от деформации анкеров не
учитываются, так как они должны быть учтены при определении значений полного
удлинения арматуры.
2.31.
Потери от усадки бетона определяют по формуле
,
(2.6)
где
- деформация усадки бетона, принимаемая
равной:
0,0002 - для бетона
классов В35 и ниже;
0,00025 - для
бетона класса В40;
0,0003 - для бетона
классов В45 и выше.
Допускается потери
от усадки определять более точными методами.
2.32.
Потери напряжений в рассматриваемой напрягаемой арматуре (S или S') от
ползучести бетона определяют по формуле
,
(2.7)
где
- коэффициент ползучести бетона, определяемый
согласно табл. 2.6;
-
коэффициент приведения арматуры к бетону, равный
;
-
коэффициент армирования, равный
, где
A и
- площади поперечного сечения соответственно
элемента и рассматриваемой напрягаемой арматуры (
или
);
-
напряжение в бетоне на уровне центра тяжести рассматриваемой напрягаемой
арматуры, определяемое как для упругих материалов по приведенному сечению
согласно формуле
,
(2.8)
-
усилие предварительного обжатия с учетом первых потерь, равное
,
(2.9)
здесь
- сумма первых потерь напряжения;
-
эксцентриситет усилия
относительно центра тяжести приведенного
сечения элемента, равный
,
(2.10)
здесь
,
- см. черт. 2.1;
-
расстояние между центрами тяжести рассматриваемой напрягаемой арматуры и
приведенного поперечного сечения элемента (т.е.
или
);
M - изгибающий
момент от собственного веса элемента, действующий в стадии обжатия в
рассматриваемом сечении;
и
- площадь приведенного сечения и ее момент
инерции относительно центра тяжести приведенного сечения, определяемые согласно
п. 2.33.

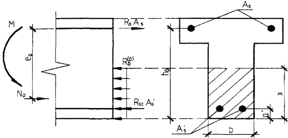
Черт. 2.1.
Схема усилий предварительного напряжения
арматуры в
поперечном сечении железобетонного элемента
В формуле (2.8)
сжимающие напряжения учитываются со знаком "плюс", а растягивающие -
со знаком "минус". Тот же знак принимается и в формуле (2.7).
Если
, то
потери от ползучести и усадки бетона принимаются равными нулю.
Если передаточная
прочность бетона
меньше 70% класса бетона В, то при определении
значения
и
принимаются по табл. 2.6 и 2.5 при
.
2.33.
Приведенное сечение включает в себя площадь сечения бетона и площадь сечения
всей продольной арматуры (напрягаемой и ненапрягаемой) с коэффициентом
приведения арматуры к бетону
.
Геометрические
характеристики приведенного сечения определяются по формулам:
площадь
приведенного сечения
;
(2.11)
расстояние от
центра тяжести приведенного сечения до растянутой в стадии эксплуатации грани
,
(2.12)
где S - статический
момент сечения бетона относительно растянутой грани;
момент инерции
приведенного сечения относительно его центра тяжести
,
(2.13)
где
;
;
;
(см. черт. 2.1).
Допускается не
уменьшать площадь всего сечения элемента A за счет площади сечения всей
арматуры
, если
. В
противном случае в формулах (2.11) - (2.13) вместо
используется
.
2.34.
Предварительные напряжения в бетоне
при передаче усилия предварительного обжатия
не должны превышать:
если напряжения
уменьшаются или не изменяются при действии внешних нагрузок -
;
если напряжения
увеличиваются при действии внешних нагрузок -
.
Напряжение в бетоне
определяется по формуле (2.8), при этом за
значение
принимается расстояние от центра тяжести
приведенного сечения до наиболее сжатой грани в стадии обжатия (т.е. значение
y, см. формулу 2.12), а значение момента M определяется для сечения, где
разгружающее влияние этого момента минимально (например, в сечении, проходящем
через конец зоны передачи предварительного напряжения длиной
, см.
п. 2.35).
2.35. Длину
зоны передачи предварительного напряжения на бетон для арматуры без
дополнительных анкерующих устройств определяют по формуле
,
(2.14)
и принимают не
менее
и 200 мм, а для арматурных канатов не менее
300 мм.
В формуле (2.14):
-
предварительное напряжение в напрягаемой арматуре с учетом первых потерь;
- сопротивление
сцепления напрягаемой арматуры с бетоном, равное
,
(2.15)
здесь
- расчетное сопротивление бетона осевому
растяжению, отвечающее передаточной прочности бетона
;
-
коэффициент, учитывающий влияние вида поверхности арматуры, принимаемый равным:
1,7 - для
холоднодеформированной арматуры класса Вр диаметром 3 мм и арматурных канатов
класса К диаметром 6 мм;
1,8 - для
холоднодеформированной арматуры класса Вр диаметром 4 мм и более;
2,2 - для
арматурных канатов класса К диаметром 9 мм и более;
2,5 - для
горячекатаной и термомеханически упроченной арматуры класса А.
Для сечений
элемента, пересекающих зону передачи предварительного напряжения, значение
следует умножать на коэффициент
,
(2.16)
где
- расстояние от начала зоны передачи
напряжений в торце элемента до рассматриваемого сечения.
При мгновенной
передаче усилия обжатия на бетон для арматуры класса А значение
увеличивается в 1,25 раза. При диаметре
стержней более 18 мм мгновенная передача усилий не допускается.
Начало зоны
передачи напряжений при мгновенной передаче усилий обжатия на бетон для
арматуры классов Вр и К принимается на расстоянии
от торца элемента.
2.36.
Усилие предварительного обжатия бетона с учетом полных потерь напряжений P и
эксцентриситет его приложения
относительно центра тяжести приведенного
сечения определяются по формулам:
;
(2.17)
,
(2.18)
где
и
- сжимающие напряжения в ненапрягаемой
арматуре соответственно S и S', вызванные усадкой и ползучестью бетона и
численно равные сумме потерь напряжений от усадки и ползучести бетона
,
определенных согласно пп. 2.31 и 2.32; при этом напряжение
определяется на уровне центра тяжести
соответствующей ненапрягаемой арматуры; если
, напряжение
принимается равным нулю;
и
- предварительные напряжения арматуры
соответственно S и S' с учетом всех потерь;
,
,
,
- см. черт. 2.1.
Полные суммарные
потери напряжений для арматуры S следует принимать не менее 100 МПа.
Примеры
расчета
Пример 1.
Дано: плита покрытия размером 1,5 x 6 м; поперечное сечение - по черт. 2.2;
бетон класса В25
;
передаточная прочность бетона
;
напрягаемая арматура класса А600 (
,
);
площадь сечения
,
ненапрягаемая арматура сжатая и растянутая класса А400 площадью сечения
;
способ натяжения арматуры электротермический; технология изготовления плиты
агрегатно-поточная с применением пропаривания; масса плиты 1,3 т.

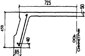
Черт. 2.2. К
примеру расчета 1
Требуется
определить значение и точку приложения усилия предварительного обжатия
с учетом первых потерь и P с учетом всех
потерь для сечения в середине пролета, принимая максимально допустимое натяжение
арматуры.
Расчет. Ввиду
симметрии сечения расчет ведем для половины сечения плиты. Определяем
геометрические характеристики приведенного сечения согласно п. 2.33, принимая
:
площадь бетона A =
730 x 30 + 50 x 270 + 60 x 270/2 + 97,5 x 15 = 21900 + 13500 + 8100 + 1462,5 =
44962,5 мм2;
приведенная площадь
;
статический момент
сечения бетона относительно нижней грани ребра
S = 21900 x 285 +
13500 x 135 + 8100 x 180 +
+ 1462,5 x 48,7 =
9593200 мм3;
расстояние от
центра тяжести приведенного сечения до нижней грани ребра

;
;
;
момент инерции
приведенного сечения

Согласно п. 2.25
максимально допустимое значение
без учета потерь равно
.
Определим первые
потери.
Потери от
релаксации напряжений в арматуре согласно п. 2.27 равны
.
По агрегатно-поточной
технологии изделие при пропаривании нагревается вместе с формой и упорами,
поэтому температурный перепад между ними равен нулю и, следовательно,
.
Потери от
деформации формы
и анкеров
при электротермическом натяжении арматуры
равны нулю.
Таким образом,
сумма первых потерь равна
, а
усилие обжатия с учетом первых потерь равно
.
В связи с
отсутствием в верхней зоне напрягаемой арматуры (т.е. при
) из
формулы (2.10) имеем
.
В соответствии с п.
2.34 проверим максимальное сжимающее напряжение бетона
от действия усилия
,
вычисляя
по формуле (2.8) при
и принимая момент от собственного веса M
равным нулю:

т.е. требование п.
2.34 выполняется.
Определяем вторые
потери напряжений согласно пп. 2.31 и 2.32.
Потери от усадки
равны
.
Потери от
ползучести определяем по формуле (2.7), принимая значения
и
по классу бетона В25 (поскольку
),
т.е. согласно табл. 2.6
,
согласно табл. 2.5
;
;
.
Определим
напряжение бетона на уровне арматуры S по формуле (2.8) при
. Для
этого определяем нагрузку от веса половины плиты (см. п. 2.12)

и момент от этой нагрузки в середине
пролета
(здесь
l = 5,7 м - расстояние между прокладками при хранении плиты); тогда
.
Напряжение бетона
на уровне арматуры S' (т.е. при
)
.
Потери от
ползучести

Вторые потери для
арматуры S равны
.
Суммарная величина
потерь напряжения
,
следовательно, требование п. 2.36
выполнено и потери не увеличиваем.
Напряжение
с учетом всех потерь равно
.
Усилие обжатия с
учетом всех потерь напряжений P определяем по формуле (2.17). При этом
сжимающее напряжение в ненапрягаемой арматуре
условно принимаем равным вторым потерям
напряжений, вычисленным для уровня расположения арматуры S, т.е.
, а
поскольку
,
напряжение
принимаем равным нулю.
.
Эксцентриситет
усилия P равен
.
Пример 2.
Дано: свободно опертая балка с поперечным сечением по черт. 2.3; бетон класса
В40
;
передаточная прочность бетона
;
напрягаемая арматура класса К1400 (
,
)
площадью сечения: в растянутой зоне
, в
сжатой зоне
;
способ натяжения механический на упоры стенда; бетон подвергается пропариванию;
длина стенда 20 м; масса балки 11,2 т; длина балки l = 18 м.

Черт. 2.3.
К примеру расчета 2
Требуется
определить величину и точку приложения усилия предварительного обжатия с учетом
первых потерь
и с учетом всех потерь P для сечения в
середине пролета, принимая максимально допустимое натяжение арматуры.
Расчет. Определяем
геометрические характеристики приведенного сечения согласно п. 2.33, принимая
коэффициент
(площадь сечения конструктивной ненапрягаемой
арматуры не учитываем ввиду ее малости).
Для упрощения
расчета высоту свесов полок усредняем.
Площадь сечения
бетона
A = 1500 x 80 + 280
x 240 + 200 x 250 =
= 120000 + 67200 +
50000 = 237200 мм2;
площадь
приведенного сечения
;
расстояние от
центра тяжести сечения арматуры S до нижней грани балки (учитывая, что сечения
всех четырех рядов арматуры одинаковой площади)
;
статический момент
сечения бетона относительно нижней грани балки
;
расстояние от
центра тяжести приведенного сечения до нижней грани балки
;
;
;
момент инерции
приведенного сечения

Согласно п. 2.25
максимально допустимое значение
без учета потерь равно
.
Определим первые
потери.
Потери от
релаксации напряжений в арматуре согласно п. 2.26 равны
.
Потери от
температурного перепада между упорами стенда и упорами согласно п. 2.28 при
равны
.
Потери от
деформации анкеров согласно п. 2.29 при
и l = 20 м равны
.
Потери от
деформации стальной формы отсутствуют, поскольку усилие обжатия передается на
упоры стенда.
Таким образом,
сумма первых потерь равна
,
т.е. потери в
дальнейшем не корректируем.
Усилие обжатия с
учетом первых потерь и его эксцентриситет равны
;
.
В соответствии с п.
2.34 проверим максимальное сжимающее напряжение бетона
от действия усилия
,
вычисляя
по формуле (2.8) при
и принимая момент от собственного веса M
равным нулю:

т.е. требование п. 2.34 выполняется.
Определяем вторые
потери напряжений согласно пп. 2.31 и 2.32.
Потери от усадки
равны
.
Потери от
ползучести определяем по формуле (2.7), принимая значения
и
по классу бетона, равному
(т.е. по классу В20, поскольку
).
Согласно табл. 2.6
,
согласно табл. 2.5
,
.
Для арматуры S
;
Для арматуры S'
.
Определим
напряжение бетона на уровне арматуры S по формуле (2.28) при
,
принимая момент от собственного веса балки в середине пролета. Нагрузка от веса
балки равна:
;
(здесь
l = 17,5 м - расстояние между прокладками при хранении балки);
.
Напряжение бетона
на уровне арматуры S' (т.е. при
)
.
Тогда потери от
ползучести равны:
для арматуры S

для арматуры S'

Напряжения
с учетом всех потерь равны:
для арматуры S
;
для арматуры S'
.
Определим усилие
обжатия с учетом всех потерь P и его эксцентриситет
:
;
.
3. РАСЧЕТ
ЭЛЕМЕНТОВ ЖЕЛЕЗОБЕТОННЫХ КОНСТРУКЦИЙ
ПО ПРЕДЕЛЬНЫМ
СОСТОЯНИЯМ ПЕРВОЙ ГРУППЫ
РАСЧЕТ
ЖЕЛЕЗОБЕТОННЫХ ЭЛЕМЕНТОВ ПО ПРОЧНОСТИ
ОБЩИЕ
ПОЛОЖЕНИЯ
3.1. В настоящем
Пособии приведены указания по расчету изгибаемых предварительно напряженных
элементов.
Расчет
предварительно напряженных элементов производят для стадии эксплуатации на
действие изгибающих элементов и поперечных сил от внешних нагрузок и для стадии
изготовления на действие усилий от предварительного натяжения арматуры и усилий
от внешних нагрузок, действующих в этой стадии.
3.2. Расчет
по прочности преднапряженных элементов при действии изгибающих моментов следует
производить для сечений, нормальных к их продольной оси.
Расчет по прочности
в общем случае производят на основе нелинейной деформационной модели согласно
пп. 3.26 - 3.29.
Для железобетонных
элементов прямоугольного, таврового и двутаврового сечений с арматурой,
расположенной у перпендикулярных плоскости изгиба граней элемента, при действии
момента в плоскости симметрии нормального сечения расчет допускается
производить на основе предельных усилий согласно пп. 3.8 - 3.20, принимая
прямоугольную эпюру сжатых напряжений бетона, равных
.
3.3. Для
железобетонных элементов, у которых предельный момент по прочности оказывается
меньше предельного момента образования трещин (пп. 4.5 и 4.7), площадь сечения
продольной растянутой арматуры должна быть увеличена по сравнению с требуемой
из расчета по прочности не меньше чем на 15% или должна удовлетворять расчету
по прочности на действие момента образования трещин.
3.4. Расчет
преднапряженных элементов в стадии обжатия производят как при внецентренном
сжатии усилием предварительного обжатия в предельном состоянии согласно п.
3.22.
3.5. Расчет по
прочности преднапряженных элементов при действии поперечных сил следует
производить для сечений, наклонных к их продольной оси (пп. 3.30 - 3.44).
3.6. При действии
крутящих моментов следует проверять прочность пространственных сечений,
образованных наклонными отрезками, следующими по трем растянутым граням
элемента, и замыкающим отрезком по четвертой сжатой грани. Расчет таких сечений
допускается производить без учета усилия предварительного обжатия согласно
"Пособию по проектированию бетонных и железобетонных конструкций из
тяжелого бетона без предварительного напряжения арматуры (к СП
52-101-2003)".
3.7. При
расчете преднапряженных элементов по прочности следует учитывать возможные
отклонения предварительного напряжения, определяемого согласно пп. 2.25 - 2.36,
путем умножения значений
(или усилия P) для рассматриваемой арматуры S
и S' на коэффициент
.
Значения
коэффициента
принимают равным:
0,9 - при
благоприятном влиянии предварительного напряжения;
1,1 - при
неблагоприятном влиянии предварительного напряжения.
РАСЧЕТ
ПРЕДВАРИТЕЛЬНО НАПРЯЖЕННЫХ ЭЛЕМЕНТОВ
НА ДЕЙСТВИЕ
ИЗГИБАЮЩИХ МОМЕНТОВ В СТАДИИ ЭКСПЛУАТАЦИИ
ПО ПРЕДЕЛЬНЫМ
УСИЛИЯМ
Общие
указания
3.8. Расчет
сечений, нормальных к продольной оси элемента, когда изгибающий момент
действует в плоскости симметрии сечения и арматура сосредоточена у перпендикулярных
указанной плоскости граней элемента, производят согласно пп. 3.12 - 3.20 в
зависимости от соотношения между значением относительной высоты сжатой зоны
бетона
,
определяемой из условия равновесия продольных сил, и значением относительной
высоты сжатой зоны бетона
, при
которой предельное состояние элемента наступает одновременно с достижением в
растянутой арматуре напряжения, равного расчетному сопротивлению
.
Значение
определяют по формуле
,
(3.1)
где
- относительная деформация в арматуре
растянутой зоны, вызванная внешней нагрузкой, при достижении в этой арматуре
напряжения, равного расчетному сопротивлению; значение
принимается равным:
для арматуры с
условным пределом текучести (см. п. 2.16)
;
для арматуры с
физическим пределом текучести
;
где
- принимается с учетом всех потерь при
коэффициенте
;
,
,
- в МПа;
-
предельная относительная деформация сжатого бетона, принимаемая равной 0,0035.
Значения
для определенных классов арматуры может
определяться по табл. 3.1 в зависимости от отношения
.
Таблица 3.1
┌───────┬─────────────────────────────────────────────────────────────────┐
│сигма │ Значения кси при растянутой арматуре классов │
│ sp│ R
│
│-------├─────┬─────┬──────┬─────┬──────┬──────┬──────┬──────┬─────┬──────┤
│ R
│А540 │А600 │ А800
│А1000│Вр1200│Вр1300│Вр1400│Вр1500│К1400│К1500
│
│ s
│ │ │ │ │ │ │ │ │ │ │
├───────┼─────┼─────┼──────┼─────┼──────┼──────┼──────┼──────┼─────┼──────┤
│ 1,2
│0,93 │0,56 │ 0,58 │0,60 │ 0,62 │
0,63 │ 0,65 │ 0,66 │0,63 │ 0,65 │
├───────┼─────┼─────┼──────┼─────┼──────┼──────┼──────┼──────┼─────┼──────┤
│ 1,1
│0,86 │0,53 │ 0,54 │0,55 │ 0,56 │
0,56 │ 0,57 │ 0,57 │0,55 │ 0,56 │
├───────┼─────┼─────┼──────┼─────┼──────┼──────┼──────┼──────┼─────┼──────┤
│ 1,0
│0,80 │0,51 │ 0,51 │0,51 │ 0,51 │
0,51 │ 0,51 │ 0,51 │0,49 │ 0,49 │
├───────┼─────┼─────┼──────┼─────┼──────┼──────┼──────┼──────┼─────┼──────┤
│ 0,9
│0,75 │0,49 │ 0,48 │0,47 │ 0,47 │
0,46 │ 0,46 │ 0,46 │0,44 │ 0,44 │
├───────┼─────┼─────┼──────┼─────┼──────┼──────┼──────┼──────┼─────┼──────┤
│ 0,8
│0,70 │0,47 │ 0,45 │0,44 │ 0,43 │
0,43 │ 0,42 │ 0,41 │0,40 │ 0,39 │
├───────┼─────┼─────┼──────┼─────┼──────┼──────┼──────┼──────┼─────┼──────┤
│ 0,7
│0,66 │0,45 │ 0,43 │0,42 │ 0,40 │
0,39 │ 0,39 │ 0,38 │0,36 │ 0,36 │
├───────┼─────┼─────┼──────┼─────┼──────┼──────┼──────┼──────┼─────┼──────┤
│ 0,6
│0,62 │0,43 │ 0,41 │0,39 │ 0,37 │
0,37 │ 0,36 │ 0,3
│0,34 │ 0,33 │
├───────┼─────┼─────┼──────┼─────┼──────┼──────┼──────┼──────┼─────┼──────┤
│ 0,5
│0,59 │0,41 │ 0,39 │0,37 │ 0,35 │
0,34 │ 0,33 │ 0,32 │0,31 │ 0,30 │
└───────┴─────┴─────┴──────┴─────┴──────┴──────┴──────┴──────┴─────┴──────┘
Примечания. 1. Для арматуры класса А540
значение
вычислено
при
МПа.
2. Предварительное напряжение
принимается с учетом всех потерь и
коэффициента
.
3. При подборе напрягаемой арматуры, когда
неизвестно значение
,
рекомендуется
принимать
.
───────────────────────────────────────────────────────────────────────────
3.9. Если
соблюдается условие
,
расчетное сопротивление напрягаемой арматуры
допускается умножать на коэффициент условий
работы
,
определяемый по формуле
.
(3.2)
Если
,
можно, не пользуясь формулой (3.2), принимать
.
Коэффициент
не следует учитывать:
для напрягаемой
арматуры класса А540;
в зоне передачи
напряжений (см. п. 2.35);
при расположении
стержней арматуры классов Вр1200 - Вр1500 вплотную друг к другу (без зазоров).
Для арматуры класса
А1000, имеющей сварные стыки в зоне элемента, где изгибающие моменты превышают
0,9 максимального расчетного момента, коэффициент
принимается не более 1,05.
3.10.
Напрягаемая арматура, расположенная в сжатой от внешней нагрузки зоне, вводится
в расчет с напряжением
,
равным
(в МПа), где
определяется при коэффициенте
.
При использовании в
расчете коэффициента условий работы бетона
(см. п. 2.8) принимается
.
Во всех случаях
напряжение
принимается не более
.
3.11. Если часть
арматуры того же класса, что и напрягаемая, применяется без предварительного
напряжения, в формулах пп. 3.12 - 3.19 за величину
принимается площадь сечения всей арматуры
этого класса
, и
при этом значение
вычисляется согласно п. 3.8, принимая значение
равным усредненному его значению
, а в
значении
учитывается площадь сечения ненапрягаемой
арматуры класса, отличного от класса напрягаемой арматуры.
Прямоугольные
сечения
3.12.
Расчет прямоугольных сечений (черт. 3.1) производится в зависимости от
относительной высоты сжатой зоны следующим образом:
,
(3.3)
а) при
(где
- см. п. 3.8) - из условия
, (3.4)
где
.
(3.5)

Черт. 3.1.
Поперечное прямоугольное сечение
изгибаемого
железобетонного элемента
Здесь коэффициент
определяется по формуле
,
(3.6)
где
.
Допускается при
отсутствии или малом количестве ненапрягаемой сжатой арматуры коэффициент
определять по формуле (3.2), принимая
;
б) при
- из условия
,
(3.7)
где
;
.
Если по формуле
(3.5) x < 0, то прочность сечения проверяется из условия
.
(3.8)
При напрягаемой
арматуре растянутой зоны класса А540
в формуле (3.5) и коэффициент 1,1 в формуле
(3.8) не учитываются, а в условии (3.7) значение
заменяется на
.
3.13. В целях
экономичного использования растянутой арматуры изгибаемые элементы
рекомендуется проектировать так, чтобы выполнялось условие
.
3.14.
Продольная растянутая арматура при отсутствии напрягаемой арматуры в сжатой
зоне подбирается следующим образом.
Вычисляется
значение
.
(3.9)
Если
(где
- см. п. 3.8), то сжатой ненапрягаемой
арматуры по расчету не требуется. В этом случае площадь сечения напрягаемой
арматуры в растянутой зоне при известной площади ненапрягаемой растянутой
арматуры
(например, принятой из конструктивных
соображений) определяется по формуле
,
(3.10)
где
;
- см.
п. 3.9.
Если
, то
требуется увеличить сечение, или повысить класс бетона, или установить сжатую
ненапрягаемую арматуру согласно п. 3.15.
3.15.
Требуемая площадь сечения сжатой ненапрягаемой арматуры при известной площади
напрягаемой арматуры
(например, принятой из условия ограничения
начальных трещин) определяется по формуле
,
(3.11)
где
- см. п. 3.12, б.
3.16. При
наличии в сжатой зоне учитываемой в расчете арматуры требуемая площадь сечения
напрягаемой арматуры растянутой зоны определяется по формуле:
,
(3.12)
где
;
,
(3.13)
- см.
п. 3.9.
При этом должно
выполняться условие
(см. п. 3.8). В противном случае площадь
сечения арматуры в сжатой зоне должна быть принята согласно п. 3.15.
Если
,
значение
определяется по формуле:
.
(3.14)
Тавровые и
двутавровые сечения
3.17.
Расчет сечений, имеющих полку в сжатой зоне (тавровых, двутавровых и т.п.),
производится в зависимости от положения границы сжатой зоны:
а) если граница
сжатой зоны проходит в полке (черт. 3.2, а), т.е. соблюдается условие
,
(3.15)
где
определяется по формуле (3.2) при
,
расчет производится как для прямоугольного сечения шириной
в соответствии с указаниями п. 3.12;

а)

б)
Черт. 3.2. Форма
сжатой зоны в двутавровом
сечении
железобетонного элемента
а - при
расположении границы сжатой зоны в полке;
б - то же, в ребре
б) если
граница сжатой зоны проходит в ребре (черт. 3.2, б), т.е. условие (3.15) не
соблюдается, расчет производится следующим образом в зависимости от
относительной высоты сжатой зоны, равной
:
(3.16)
при
(см. п. 3.8) - из условия
,
(3.17)
где
;
(3.18)
;
(3.19)
;
(3.20)
в формулах (3.16) -
(3.20)
,
- площадь сечения свесов сжатой полки, равная
;
при
- из условия
,
(3.21)
где
и
- см. п. 3.12, б.
При напрягаемой
арматуре растянутой зоны класса А540 коэффициент
в формуле (3.18) не учитывается, а значение
в условии (3.21) заменяется на
.
Примечания. 1. При
переменной высоте свесов полки значение
принимается равным средней высоте свесов.
2. Ширина сжатой
полки
,
вводимая в расчет, не должна превышать значений, указанных в п. 3.20.
3.18.
Требуемая площадь сечения сжатой ненапрягаемой арматуры определяется по формуле
,
(3.22)
где
;
- см.
п. 3.8.
При этом, если
,
значение
определяется как для прямоугольного сечения
шириной
согласно п. 3.15.
3.19.
Требуемая площадь сечения напрягаемой арматуры растянутой зоны определяется
следующим образом:
а) если граница
сжатой зоны проходит в полке, т.е. соблюдается условие
,
(3.23)
площадь сечения напрягаемой арматуры
определяется как для прямоугольного сечения шириной
согласно пп. 3.14 и 3.16;
б) если граница
сжатой зоны проходит в ребре, т.е. условие (3.23) не соблюдается, площадь
сечения напрягаемой арматуры определяется по формуле
,
(3.24)
где
;
,
(3.25)
- см.
п. 3.9;
.
При этом должно
соблюдаться условие
(см. п. 3.8). В противном случае площадь
сечения сжатой арматуры должна быть принята согласно п. 3.18.
3.20.
Вводимая в расчет ширина сжатой полки
принимается из условия, что ширина свеса полки
в каждую сторону от ребра должна быть не более 1/6 пролета элемента и не более:
а) при наличии
поперечных ребер или при
- 1/2 расстояния в свету между продольными
ребрами;
б) при отсутствии
поперечных ребер (или при расстояниях между ними больших, чем расстояния между
продольными ребрами) и
;
в) при консольных
свесах полки:
при
-
;
при
-
;
при
- свесы не учитываются.
Примеры
расчета
Прямоугольные
сечения
Пример 3. Дано:
размеры сечения b = 300 мм, h = 700 мм; a = 50 мм; бетон класса В25
;
напрягаемая арматура класса А600
площадью сечения
;
предварительное напряжение при
с учетом всех потерь
; ненапрягаемая
арматура класса А400
площадью сечения
;
изгибающий момент M = 570 кН x м.
Требуется проверить
прочность сечения.
Расчет.
. По
формуле (3.3) определим значение
:
.
По табл. 3.1 при
классе арматуры А600 и при
находим
.
Поскольку
,
расчет ведем из условия (3.4), определяя высоту сжатой зоны x по формуле (3.5).
Так как сжатая
арматура отсутствует, коэффициент
вычисляем по формуле (3.2) при
:
.
Тогда
,

т.е. прочность
сечения обеспечена.
Пример 4. Дано:
размеры сечения b = 300 мм, h = 700 мм; a = 60 мм;
;
бетон класса В30
;
напрягаемая арматура класса Вр1400
площадью сечения: в растянутой зоне
, в
сжатой зоне
;
ненапрягаемая арматура класса А400
площадью сечения в растянутой зоне
;
предварительное напряжение с учетом всех потерь: для арматуры в растянутой зоне
, для
арматуры в сжатой зоне
;
изгибающий момент от всех нагрузок M = 690 кН x м, от кратковременных нагрузок
.
Требуется проверить
прочность сечения.
Расчет.
.
Проверим прочность сечения при действии всех нагрузок.
Определяем
напряжение в напрягаемой арматуре сжатой зоны
согласно п. 3.10, учитывая коэффициент
:
.
По формуле (3.3)
определяем значения
:
.
Предварительное
напряжение арматуры растянутой зоны принимаем с учетом коэффициента
, т.е.
.
По табл. 3.1 при
классе арматуры Вр1400 и при
находим
.
Поскольку
,
прочность сечения проверяем из условия (3.7), принимая
,
,

т.е. прочность
сечения на действие всех нагрузок обеспечена.
Так как момент от
кратковременной нагрузки (40 кН x м) составляет весьма малую долю от полного
момента (690 кН x м), проверим прочность сечения на действие только постоянных
и длительных нагрузок при M = 690 - 40 = 650 кН x м. При этом учитываем
коэффициент
, т.е.
, а
напряжение
принимаем равным
.
Тогда
;
;

т.е. прочность
сечения обеспечена при любых воздействиях.
Пример 5. Дано:
размеры сечения b = 300 мм, h = 700 мм;
;
бетон класса В25
, напрягаемая
арматура класса А600
;
сжатая напрягаемая арматура класса А400
площадью сечения
;
изгибающий момент M = 490 кН x м.
Требуется
определить площадь сечения напрягаемой арматуры растянутой зоны.
Расчет.
.
Площадь сечения напрягаемой арматуры растянутой зоны определяем согласно п.
3.16. По формуле (3.13) вычисляем значение
:
.
Тогда
.
Из табл. 3.1 при
классе арматуры А600, принимая согласно примеч. 1
,
находим значение
.
Так как
,
согласно п. 3.9
.
Отсюда
.
Принимаем в сечении
.
Тавровые и
двутавровые сечения
Пример 6. Дано:
размеры сечения
,
, b =
100 мм, h = 300 мм; a = 30 мм; бетон класса В25
;
напрягаемая арматура класса А600
;
изгибающий момент M = 32 кН x м.
Требуется
определить площадь сечения арматуры.
Расчет.
.
Расчет ведем согласно п. 3.19 в предположении, что сжатой ненапрягаемой
арматуры не требуется.
Проверяем условие
(3.23):

т.е. граница сжатой
зоны проходит в полке, и расчет производим как для прямоугольного сечения
шириной
согласно п. 3.14.
Определим значение
по формуле (3.9):
.
По табл. 3.1 при
классе арматуры А600 и
находим
.
Тогда
, т.е.
сжатой арматуры действительно не требуется, и площадь сечения арматуры
вычисляем по формуле (3.10).
Для этого
определяем
и коэффициент
согласно п. 3.9. Так как
,
принимаем
.
Тогда при

.
Принимаем
А600
.
Пример 7. Дано:
размеры сечения
,
, b =
80 мм, h = 900 мм; a = 72 мм, a' = 40 мм; бетон класса В30
;
напрягаемая арматура в растянутой зоне класса А600
площадью сечения
;
ненапрягаемая сжатая арматура класса А400
площадью сечения
;
предварительное напряжение арматуры при
с учетом всех потерь
;
изгибающий момент M = 790 кН x м.
Требуется проверить
прочность сечения.
Расчет.
.
Проверяем условие (3.15), принимая
:
,
т.е. условие (3.15)
не соблюдается; при
это условие тем более не будет соблюдаться и,
следовательно, граница сжатой зоны проходит в ребре, а прочность сечения
проверяем согласно п. 3.17, б.
Площадь сечения
сжатых свесов полки равна
.
По формуле (3.16)
определяем значение
:
.
Из табл. 3.1 при
классе арматуры А600 и
находим
.
Поскольку
,
расчет ведем из условия (3.17).
Определяем
коэффициент
по формуле (3.19), предварительно вычислив
;
.
Высота сжатой зоны
равна
.
Тогда

т.е. прочность
сечения обеспечена.
Пример 8. Дано:
размеры сечения
,
, b =
80 мм, h = 900 мм; a = 90 мм;
;
бетон класса В35
;
напрягаемая арматура в растянутой зоне класса К1400
;
ненапрягаемая сжатая арматура класса А400
площадью сечения
;
изгибающий момент M = 1000 кН x м.
Требуется подобрать
сечение напрягаемой арматуры.
Расчет.
.
Расчет ведем согласно п. 3.19.
Проверяем условие
(3.23):

т.е. граница сжатой
зоны проходит в ребре, и поэтому требуемую арматуру определяем по формуле
(3.24).
Площадь сжатых
свесов полки равна
.
По формуле (3.25)
определяем значение
:

Тогда
.
Из табл. 3.1 при
классе арматуры К1400 и при
находим
.
Так как
,
сжатой арматуры поставлено недостаточно, и необходимую ее площадь определяем по
формуле (3.22), принимая
,

Сжатую арматуру
принимаем в виде
и снова аналогично определяем значение
:
;
.
По формуле (3.2)
определяем
:
.
Тогда
.
Принимаем
.
Элементы,
работающие на косой изгиб
3.21. Расчет прямоугольных,
тавровых, двутавровых и Г-образных сечений элементов, работающих на косой
изгиб, допускается производить, принимая форму сжатой зоны по черт. 3.3, при
этом должно удовлетворяться условие
, (3.26)
где
- составляющая изгибающего момента в плоскости
оси x (за оси x и y принимаются две взаимно перпендикулярные оси, проходящие
через точку приложения равнодействующей усилий в растянутой арматуре,
параллельно сторонам сечения; для сечения с полкой ось x принимается
параллельно плоскости ребра);
;
(3.27)
-
площадь сечения сжатой зоны бетона, равная:
;
(3.28)
-
площадь сечения наиболее сжатого свеса полки;
-
размер сжатой зоны по наиболее сжатой стороне сечения, определяемый по формуле
,
(3.29)
здесь
;
(3.30)
-
статический момент площади
в плоскости оси x относительно оси y;
- то
же, в плоскости оси y относительно оси x;
-
расстояние от равнодействующей усилий в растянутой арматуре до наиболее сжатой
боковой стороны сечения (или грани ребра);
- угол
наклона плоскости действия изгибающего момента к оси x, т.е.
;
,
- статические моменты площади сечения
соответственно напрягаемой и ненапрягаемой арматуры сжатой зоны относительно
оси y.

а)

б)
Черт. 3.3.
Форма сжатой зоны в поперечном сечении
железобетонного
элемента, работающего на косой изгиб
а - таврового
сечения; б - прямоугольного сечения;
1 - плоскость
действия изгибающего момента; 2 - точка
приложения
равнодействующей усилий в растянутой арматуре
При расчете
прямоугольных сечений значения
,
и
в формулах (3.26), (3.27) и (3.30) принимаются
равными нулю.
Если
или если
,
расчет производится как для прямоугольного сечения шириной
.
Если выполняется
условие
,
(3.31)
где
- ширина наименее сжатого свеса полки, расчет
производится без учета косого изгиба, т.е. по формулам пп. 3.12 и 3.17 на
действие момента
; при
этом следует проверить условие (3.34), принимая
как при косом изгибе.
Приведенную
методику расчета следует применять, если относительная высота сжатой зоны,
измеренная по нормали к границе сжатой зоны и определяемая по формуле (3.32),
меньше или равна
(см. п. 3.8):
,
(3.32)
где
- ширина наиболее сжатого свеса;
- угол
наклона прямой, ограничивающей сжатую зону, к оси y;
значение
определяется по формуле
,
(3.33)
где
- значение, вычисляемое по формуле (3.29) при
.
При проверке
условия (3.26) коэффициент
в формуле (3.28) определяется согласно п. 3.9,
при значении
,
принимаемом равным:
при отсутствии в
сжатой зоне полки
,
при наличии в
сжатой зоне полки
.
Если выполняется
условие
(см.
п. 3.8), (3.34)
следует произвести
повторный расчет с заменой в формуле (3.28) значения
напряжением
,
равным:
а) при

,
(3.35)
где
- относительная высота сжатой зоны сечения,
соответствующая напряжению арматуры растянутой зоны, равной
, и
определяемая по формуле
(здесь
- предельная относительная деформация сжатого
бетона) или по табл. 3.2;
б) при

.
(3.36)
Таблица 3.2
┌───────┬────────────────────────────────────────────────────────┐
│сигма │
Значение кси при растянутой
арматуре классов │
│ sp│ el │
│-------├────┬─────┬─────┬──────┬──────┬──────┬──────┬─────┬─────┤
│ R
│А600│А800
│А1000│Вр1200│Вр1300│Вр1400│Вр1500│К1400│К1500│
│ s
│ │ │
│ │ │ │ │ │
│
├───────┼────┼─────┼─────┼──────┼──────┼──────┼──────┼─────┼─────┤
│ 1,2
│1,03│1,14 │1,24 │ 1,40 │ 1,48 │
1,60 │ 1,72 │1,81 │1,98 │
├───────┼────┼─────┼─────┼──────┼──────┼──────┼──────┼─────┼─────┤
│ 1,1
│0,94│1,00 │1,05 │ 1,12 │ 1,15 │
1,20 │ 1,24 │1,27 │1,33 │
├───────┼────┼─────┼─────┼──────┼──────┼──────┼──────┼─────┼─────┤
│ 1,0
│0,86│0,89 │0,91 │ 0,93 │ 0,94 │
0,96 │ 0,97 │0,98 │1,00 │
├───────┼────┼─────┼─────┼──────┼──────┼──────┼──────┼─────┼─────┤
│ 0,9
│0,80│0,80 │0,80 │ 0,80 │ 0,80 │
0,80 │ 0,80 │0,80 │0,80 │
├───────┼────┼─────┼─────┼──────┼──────┼──────┼──────┼─────┼─────┤
│ 0,8
│0,74│0,73 │0,72 │ 0,70 │ 0,69 │
0,69 │ 0,68 │0,67 │0,67 │
├───────┼────┼─────┼─────┼──────┼──────┼──────┼──────┼─────┼─────┤
│ 0,7
│0,70│0,67 │0,65 │ 0,62 │ 0,61 │
0,60 │ 0,59 │0,58 │0,57 │
├───────┼────┼─────┼─────┼──────┼──────┼──────┼──────┼─────┼─────┤
│ 0,6
│0,65│0,62 │0,59 │ 0,56 │ 0,55 │
0,53 │ 0,52 │0,51 │0,50 │
├───────┼────┼─────┼─────┼──────┼──────┼──────┼──────┼─────┼─────┤
│ 0,5
│0,62│0,57 │0,54 │ 0,51 │ 0,50 │
0,48 │ 0,47 │0,46 │0,45 │
└───────┴────┴─────┴─────┴──────┴──────┴──────┴──────┴─────┴─────┘
Примечание. Предварительное напряжение
принимается
с
учетом
всех потерь и коэффициента
.
──────────────────────────────────────────────────────────────────
При арматуре
растянутой зоны класса А540, если
,
используется только формула (3.36).
Расчет на косой
изгиб производится на основе нелинейной деформационной модели согласно пп. 3.26
- 3.29, если соблюдаются условия:
для прямоугольных и
тавровых сечений с полкой в сжатой зоне
;
для двутавровых и
тавровых сечений с полкой в растянутой зоне
,
где
,
- высота и ширина наименее растянутого свеса
полки (черт. 3.4).

Черт. 3.4.
Двутавровое сечение со сжатой зоной,
заходящей в
наименее растянутый свес полки
1-1 - плоскость
действия изгибающего момента
При использовании
формул настоящего пункта за растянутую арматуру площадью
и
рекомендуется принимать арматуру,
располагаемую вблизи растянутой грани, параллельной оси y, а за сжатую арматуру
площадью
и
- арматуру, располагаемую вблизи растянутой
грани, параллельной оси y, но по одну наиболее сжатую сторону от оси x (см.
черт. 3.3).
Если арматура
распределена по сечению, что не позволяет до расчета определить площадь и
центры тяжести сечений растянутой и сжатой арматуры, расчет также производится
на основе нелинейной деформационной модели согласно пп. 3.26 - 3.29.
Примеры
расчета
Пример 9.
Дано: железобетонный прогон кровли с уклоном 1:4; размеры сечения по черт. 3.5;
класс бетона В25
;
растянутая напрягаемая арматура класса А600
площадью сечения
;
сжатая ненапрягаемая арматура класса А400
площадью сечения
;
предварительное напряжение арматуры при
с учетом всех потерь
.

Черт. 3.5.
К примеру расчета 9
1 - плоскость
действия изгибающего момента
Требуется
определить предельный изгибающий момент в вертикальной плоскости.
Расчет ведем без
учета стержня, расположенного в наименее сжатом свесе полки. Из черт. 3.5
имеем:
;
;
;
.
Определяем площадь
сжатой зоны бетона по формуле (3.28), учитывая один сжатый стержень
, т.е.
, и
принимая
:
.
Площадь сечения
наиболее сжатого свеса и ее статические моменты относительно осей x и y
соответственно равны:
;
;
.
Так как
,
далее расчет продолжаем как для таврового сечения.
.
Определяем размер
сжатой зоны
по формуле (3.29), принимая
:
;
.
Проверим условие
(3.31):
,
следовательно, расчет продолжаем по
формулам косого изгиба.
Определим значение
по формуле (3.32), вычислив
:
.
Из табл. 3.1 при
классе арматуры А600 и при
находим
.
Поскольку
,
расчет повторяем, заменяя в формуле (3.28) значение
на напряжение
,
определенное по формуле (3.35) или (3.36).
Из табл. 3.2 при
классе арматуры А600 и при
находим
.
Тогда
;
;
;
;

Определяем
предельный изгибающий момент в плоскости оси x из условия (3.26)

Предельный
изгибающий момент в вертикальной плоскости равен
.
РАСЧЕТ
ПРЕДВАРИТЕЛЬНО НАПРЯЖЕННЫХ ЭЛЕМЕНТОВ
В СТАДИИ
ПРЕДВАРИТЕЛЬНОГО ОБЖАТИЯ
3.22. При
расчете элемента в стадии предварительного обжатия усилие в напрягаемой
арматуре вводится в расчет как внешняя продольная сила, равная
,
(3.37)
где
и
- площадь напрягаемой арматуры, расположенной
соответственно в наиболее обжатой и в растянутой (менее обжатой) зонах сечения;
и
- предварительные напряжения с учетом первых
потерь и коэффициента
в арматуре с площадью сечения
и
.
При этом расчете
расчетное сопротивление бетона сжатию
определяют по табл. 2.2 при классе бетона,
численно равном передаточной прочности бетона
,
используя линейную интерполяцию.
Расчетное
сопротивление ненапрягаемой арматуры, расположенной в наиболее обжатой зоне
площадью сечения
,
принимается не более 330 МПа. При центральном обжатии элемента расчет прочности
в этой стадии может не производиться.
3.23.
Расчет элементов прямоугольного сечения, а также таврового сечения с полкой в
менее обжатой зоне (черт. 3.6) в стадии обжатия производится из условия
,
(3.38)
где высота сжатой
зоны x определяется в зависимости от величины
,
определяемой согласно п. 3.2 по ненапрягаемой арматуре менее обжатой зоны
площадью сечения
:
а) при
;
б) при

;
(3.39)
e - см. п. 3.25.

Черт. 3.6.
Схема усилий в поперечном сечении
железобетонного
элемента с прямоугольной сжатой
зоной в стадии
предварительного обжатия
Значение
можно также определять по табл. 3.3.
Таблица 3.3
┌──────────────┬─────────┬─────────┬─────────┬─────────┬─────────┐
│Класс
арматуры│ А240 │
А300 │ А400
│ А500 │
В500 │
├──────────────┼─────────┼─────────┼─────────┼─────────┼─────────┤
│Значение
кси │ 0,612
│ 0,572 │
0,531 │ 0,493
│ 0,502 │
│ R │ │ │ │ │ │
└──────────────┴─────────┴─────────┴─────────┴─────────┴─────────┘
3.24. Расчет
элементов двутаврового, а также таврового сечения с полкой в более обжатой зоне
в стадии обжатия производится в зависимости от положения границы сжатой зоны:
а) если граница
сжатой зоны проходит в полке, т.е. соблюдается условие
,
(3.40)
расчет производится как для
прямоугольного сечения шириной
согласно п. 3.23;
б) если граница
сжатой зоны проходит в ребре (черт. 3.7), т.е. условие (3.40) не соблюдается,
расчет производится из условия
,
(3.41)
где высота сжатой
зоны x определяется по формулам:
- при

(где
- см. п. 3.2)
;
- при

;
(3.42)
e - см. п. 3.25.

Черт. 3.7.
Схема усилий в поперечном сечении
железобетонного
элемента с полкой в сжатой зоне в стадии
предварительного
обжатия
3.25.
Значение e в условиях (3.38) и (3.41) определяется по формуле
,
(3.43)
где
- расстояние от точки приложения силы
до центра тяжести ненапрягаемой арматуры менее
обжатой зоны;
M - момент от
собственного веса элемента, действующий в стадии изготовления; знак
"плюс" принимается, если момент M растягивает менее обжатую зону,
знак "минус" - если сжимает эту зону.
При этом
рассматривается сечение в месте строповки элемента (черт. 3.8, а), или, если
это сечение пересекает зону передачи напряжений (см. п. 2.35), - сечение в
конце этой зоны (черт. 3.8, б). В обоих случаях, если момент M растягивает
верхнюю (менее обжатую) зону, его следует учитывать с коэффициентом
динамичности 1,4 (см. п. 1.8) и коэффициентом надежности по нагрузке
; в
противном случае - без коэффициента динамичности и при
.

а)

б)
Черт. 3.8. К
определению момента M при расчете
в стадии
предварительного обжатия
а - когда
; б -
когда
;
1-1 - расчетное
сечение; 1 - монтажная петля
Примеры
расчета
Пример 10.
Дано: ребристая плита покрытия длиной 12 м с поперечным сечением ребра по черт.
3.9; напрягаемая арматура из канатов класса К1400
;
предварительное напряжение с учетом первых потерь при
;
передаточная прочность бетона
;
масса плиты 7,4 т; монтажные петли расположены на расстоянии 1000 мм от торца
плиты.

Черт. 3.9. К
примеру расчета 10
Требуется проверить
прочность плиты в стадии обжатия.
Расчет. Из черт.
3.9 видно, что напрягаемая арматура в виде
располагается только в наиболее обжатой зоне,
т.е.
,
.
Тогда усилие
обжатия согласно формуле (3.37) равно
.
Ненапрягаемую
арматуру
В500, расположенную в наиболее обжатой зоне, в
расчете не учитываем, поскольку она не удовлетворяет конструктивным требованиям
п. 5.13, т.е.
.
В менее обжатой
зоне располагается ненапрягаемая арматура
А400
и
В500
.
Расстояние центра тяжести этой арматуры от верхней грани равно:
.
Следовательно,
.
Определяем значение
e согласно п. 3.25. Расстояние центра тяжести напрягаемой арматуры от нижней
грани равно
.
Тогда
.
Равномерно
распределенная нагрузка от половины веса плиты при учете указания п. 2.12
.
Определяем длину
зоны передачи напряжения согласно п. 2.35. Значение
,
соответствующее передаточной прочности бетона
,
т.е. при В25, равно
.
Тогда
и
.
Поскольку
больше расстояния монтажной петли от торца a =
1 м, проверяем сечение в конце зоны передачи напряжения, где усилие обжатия
используется полностью. В этом сечении при подъеме плиты действует момент от
собственного веса, растягивающий нижнюю наиболее обжатую зону. При этом
коэффициент динамичности не учитывается, а коэффициент надежности по нагрузке
принимается равным
,
т.е. q = 3,08 x 0,9 = 2,77 кН/м. Определим этот момент по формуле

Определяем момент
,
принимая значение M со знаком "минус":
.
Расчетное
сопротивление бетона, соответствующее передаточной прочности бетона
,
согласно табл. 2.4 равно
.
Поскольку ширина
ребра b переменна, принимаем в первом приближении ширину ребра посредине высоты
сжатой зоны равной
. Из
табл. 3.3 принимаем значение
по арматуре класса В500 как минимальное, т.е.
.
Тогда
.
Значение
при
и
равно
.
Поскольку
,
высоту сжатой зоны определяем по формуле (3.39)
.
При этом ширина
ребра, принятая на уровне
,
меньшем x/2 = 115,4 мм, должна быть несколько увеличена. Не пересчитывая
"в запас" эту ширину ребра, проверим прочность плиты в стадии обжатия
из условия (3.38):

т.е. прочность в стадии обжатия
обеспечена.
РАСЧЕТ
НОРМАЛЬНЫХ СЕЧЕНИЙ НА ОСНОВЕ
НЕЛИНЕЙНОЙ
ДЕФОРМАЦИОННОЙ МОДЕЛИ
3.26. При
расчете по прочности усилия и деформации в нормальном сечении определяют на
основе нелинейной деформационной модели, использующей уравнения равновесия
внешних сил и внутренних усилий в сечении элементов, а также следующие
положения:
- распределение
относительных деформаций бетона и арматуры по высоте сечения элемента принимают
по линейному закону (гипотеза плоских сечений, см. черт. 3.14);
- связь между
осевыми сжимающими напряжениями бетона
и относительными его деформациями
принимают в виде двухлинейной диаграммы (черт.
3.10), согласно которой напряжения
определяются следующим образом:
при
;
при
,
где
- приведенный модуль деформации бетона, равный
;
;
;
- см.
табл. 2.4;

Черт. 3.10.
Двухлинейная диаграмма состояния сжатого бетона
- сопротивление
бетона растянутой зоны не учитывается (т.е. принимается
);
- связь между
напряжениями арматуры
и относительными деформациями арматуры от
внешней нагрузки
принимают:
для ненапрягаемой
арматуры с физическим пределом текучести (см. п. 2.16) в виде двухлинейной
диаграммы (черт. 3.11), согласно которой напряжения
принимают равными:
при
;
при
,
где
;
;
- см.
табл. 2.8;
- см.
п. 2.24;

Черт. 3.11.
Двухлинейная диаграмма состояния арматуры
с физическим
пределом текучести
для ненапрягаемой
арматуры с условным пределом текучести в виде трехлинейной диаграммы (черт.
3.12), согласно которой напряжения
принимают равными:
при
;
при
, но
не более
,
где
;
;
;

Черт. 3.12.
Трехлинейная диаграмма состояния
арматуры с условным
пределом текучести
для напрягаемой
арматуры любых видов связь между напряжениями
и деформациями от внешней нагрузки
принимают по вышеприведенным зависимостям,
заменяя для стержней растянутой зоны значение
на
, где
- предварительное напряжение арматуры с учетом
, а
для стержней сжатой зоны
на
, где
принимается с учетом
; при
этом для стержней растянутой зоны трехлинейная диаграмма
приобретает вид согласно черт. 3.13.

Черт. 3.13.
Трехлинейная диаграмма состояния арматуры
с условным пределом
текучести при учете предварительного
напряжения (здесь
- деформация арматуры
от внешней
нагрузки)
3.27.
Переход от эпюры напряжений в бетоне к обобщенным внутренним усилиям
рекомендуется осуществлять с помощью процедуры численного интегрирования по
нормальному сечению. Для этого нормальное сечение в направлении плоскости
изгиба (нормальной нейтральной оси) разделяется на участки малой ширины,
напряжения в которых принимают равномерно распределенными и соответствующими
деформациям на уровне середины ширины участка.
В общем случае
положение нейтральной оси и максимальные деформации (черт. 3.14) изгибаемых
элементов определяют из уравнений равновесия внешних и внутренних усилий:
;
(3.44)
;
(3.45)
,
(3.46)
где
и
- изгибающие моменты, действующие в плоскостях
выбранных координатных осей соответственно x и y;
,
,
,
- площадь, координаты центра тяжести i-того
участка бетона и напряжение на уровне его центра тяжести;
,
,
,
- площадь, координаты центра тяжести j-того
стержня и напряжение в нем.

Черт. 3.14.
Эпюры деформаций и напряжений бетона и арматуры
а - эпюра
деформаций; б - эпюра напряжений бетона;
в - напряжения в
стержнях напрягаемой арматуры
с условным пределом
текучести
Напряжения
и
определяются в соответствии с диаграммами на
черт. 3.10 - 3.13.
Растягивающие
напряжения арматуры
следует учитывать в уравнениях (3.44) - (3.46)
со знаком "минус".
Координатные оси x
и y рекомендуется проводить через центр тяжести наиболее растянутого стержня.
3.28. Расчет
нормальных сечений изгибаемых железобетонных элементов по прочности производят
из условий
;
(3.47)
,
(3.48)
где
и
- относительные деформации соответственно
наиболее сжатого волокна бетона и наиболее растянутого стержня арматуры от
действия внешних нагрузок, определяемые из решения уравнений (3.44) - (3.46);
-
относительное удлинение напрягаемой арматуры при нулевых деформациях
окружающего бетона, равное
, где
принимается с учетом
;
,
- см. п. 3.26.
3.29.
Расчет на основе нелинейной деформационной модели производится с помощью
компьютерных программ.
При действии в
нормальном сечении двух моментов
и
по обеим координатным осям x и y компьютерную
программу рекомендуется составлять на основе следующего алгоритма:
1. Задаются
направлением нейтральной оси: в 1-м приближении это направление определяется
как для упругого материала, т.е. принимается угол наклона нейтральной оси к оси
y равным
.
2.
Последовательными приближениями подбирают такую высоту сжатой зоны x (см. черт.
3.14), при которой выполняется равенство (3.46); при этом в крайней сжатой
точке принимается
,
деформации сжатого бетона каждого i-того участка принимаются равными
, а
деформации j-того стержня арматуры -
, где
,
- расстояния от нейтральной оси до центра
тяжести соответственно i-того участка бетона j-ого стержня арматуры. В случае,
если
,
принимается
и тогда
, где
- расстояние между наиболее растянутым
стержнем арматуры и наиболее сжатой точкой бетона в направлении, нормальном к
нейтральной оси. Напряжения
и
определяются в зависимости от соответствующих
деформаций
и
по диаграммам на черт. 3.10 - 3.13.
3. По формулам
(3.44) и (3.45) определяют моменты внутренних усилий
и
.
Если оба эти момента оказываются больше или меньше соответствующих внешних
моментов
и
, то
прочность сечения считается соответственно обеспеченной или необеспеченной.
Если один из
моментов (например
)
меньше соответствующего внешнего момента (т.е.
), а
другой больше (т.е.
),
задаются другим углом наклона нейтральной оси
(большим, чем ранее принятый) и вновь проводят
аналогичный расчет.
РАСЧЕТ
ПРЕДВАРИТЕЛЬНО НАПРЯЖЕННЫХ
ЭЛЕМЕНТОВ ПРИ
ДЕЙСТВИИ ПОПЕРЕЧНЫХ СИЛ
3.30.
Расчет элементов при действии поперечных сил должен обеспечить прочность:
- по полосе между
наклонными сечениями согласно п. 3.31;
- на действие
поперечной силы по наклонному сечению согласно пп. 3.32 - 3.40;
- на действие
момента по наклонному сечению согласно пп. 3.41 - 3.44.
Расчет
железобетонных элементов по полосе
между наклонными
сечениями
3.31.
Расчет изгибаемых элементов по бетонной полосе между наклонными сечениями
производят из условия
,
(3.49)
где Q - поперечная
сила в нормальном сечении, принимаемом на расстоянии от опоры не менее
.
При переменной
ширине b по высоте сечения в расчет (в формулу 3.49 и последующие) вводится
ширина сечения на уровне середины высоты сечения без учета полок.
Расчет
железобетонных элементов
по наклонным
сечениям на действие поперечных сил
Элементы
постоянной высоты, армированные
хомутами,
нормальными к оси элемента
3.32.
Расчет изгибаемых элементов по наклонному сечению (черт. 3.15) производят из
условия
,
(3.50)
где Q - поперечная
сила в наклонном сечении с длиной проекции c от внешних сил, расположенных по
одну сторону от рассматриваемого наклонного сечения; при вертикальной нагрузке,
приложенной к верхней грани элемента, значение Q принимается в нормальном
сечении, проходящем на расстоянии c от опоры, при этом следует учитывать
возможность отсутствия временной нагрузки на приопорном участке длиной c;
-
поперечная сила, воспринимаемая бетоном в наклонном сечении;
-
поперечная сила, воспринимаемая хомутами в наклонном сечении.

Черт. 3.15.
Схема усилий в наклонном сечении элемента,
армированного
хомутами, при расчете
на действие
поперечной силы
Поперечную силу
определяют по формуле
,
(3.51)
где
;
(3.52)
;
(3.53)
;
P - усилие обжатия
от напрягаемой арматуры, расположенной в растянутой зоне;
, но
не менее
;
-
площадь бетонного сечения без учета свесов сжатой полки.
Допускается
значение
определять по формуле
.
(3.53а)
Значение
принимают не более
и не менее
.
Значение c
определяют согласно п. 3.33.
Усилие
определяют по формуле
,
(3.54)
где
- усилие в хомутах на единицу длины элемента,
равное
;
(3.55)
-
длина проекции наклонной трещины, принимаемая равной c, но не более
.
Хомуты учитываются
в расчете, если соблюдается условие
.
(3.56)
Можно не выполнять
это условие, если в расчетных формулах учитывать уменьшенное значение
, при
котором условие (3.56) превращается в равенство, т.е. принимать
и
; в
этом случае всегда
.
3.33. При
проверке условия (3.50) в общем случае задаются рядом наклонных сечений при
различных значениях c, не превышающих расстояние от опоры до сечения с
максимальным изгибающим моментом.
При действии на
элемент сосредоточенных сил значение c принимают равным расстояниям от опоры до
точек приложения этих сил (черт. 3.16), а также равным
, но
не меньше
,
если это значение меньше расстояния до 1-го груза.

Черт. 3.16.
Расположение расчетных наклонных
сечений при
сосредоточенных силах
1 - наклонное
сечение, проверяемое на действие
поперечной силы
; 2 -
то же, силы

При расчете
элемента на действие равномерно распределенной нагрузки q невыгоднейшее
значение c принимают равным
, а
если при этом
(или при
),
следует принимать
.
Здесь отношение
принимают не менее 0,25, а значение
определяют следующим образом:
а) если действует
сплошная равномерно распределенная нагрузка q,
;
б) если нагрузка q
включает в себя временную нагрузку, которая приводится к эквивалентной по
моменту равномерно распределенной нагрузке
(т.е. когда эпюра моментов от принятой в
расчете нагрузки
всегда огибает эпюру моментов от любой
фактической временной нагрузки),
.
При этом в условии
(3.50) значение Q принимают равным
, где
- поперечная сила в опорном сечении.
3.34. Требуемая
интенсивность хомутов, выражаемая через
(см. п. 3.32), определяется следующим образом:
а) при
действии на элемент сосредоточенных сил, располагаемых на расстояниях
от опоры, для каждого i-го наклонного сечения
с длиной проекции
, не
превышающей расстояния до сечения с максимальным изгибающим моментом, значение
определяется следующим образом в зависимости
от коэффициента
,
принимаемого не более 3:
если
,
;
(3.57)
если
,
,
(3.58)
где
- меньшее из значений
и 2;
-
поперечная сила в i-ом нормальном сечении, расположенном на расстоянии
от опоры;
- см.
п. 3.32;
окончательно
принимается наибольшее значение
;
б) при
действии на элемент только равномерно распределенной нагрузки q требуемая
интенсивность хомутов
определяется в зависимости от
следующим образом:
если
,
;
(3.59)
если
,
;
(3.60)
при этом, если
,
,
(3.61)
где
,
- см. п. 3.32;
- см.
п. 3.33.
В случае, если
полученное значение
не удовлетворяет условию (3.56), его следует
вычислять по формуле
(3.62)
и принимать не
менее
.
3.35. При
уменьшении интенсивности хомутов от опоры к пролету с
до
(например, при увеличении шага хомутов)
следует проверить условие (3.50) при значениях c, превышающих
- длину участка с интенсивностью хомутов
(черт. 3.17). При этом значение
принимается равным:
если
,
;
(3.63)
если
,
,
(3.64)
- см.
п. 3.33.

Черт. 3.17.
Изменение интенсивности хомутов
в пределах наклонного
сечения
При действии на
элемент равномерно распределенной нагрузки длина участка с интенсивностью
хомутов
принимается не менее значения
,
определяемого в зависимости от
следующим образом:
- если
,
,
(3.65)
где
, но
не более
,
при этом, если
,
;
- если
,
,
(3.66)
здесь
,
,
,
- см. п. 3.32;
- см.
п. 3.33.
Если для значения
не выполняется условие (3.56), длина
вычисляется при скорректированных согласно п.
3.32 значениях
и
, при
этом сумма
в формуле (3.66) принимается не менее
нескорректированного значения
.
3.36. Шаг
хомутов, учитываемых в расчете, должен быть не более значения
,
(3.67)
где
- см. п. 3.32.
Кроме того, хомуты
должны отвечать конструктивным требованиям, приведенным в пп. 5.11 и 5.12.
Элементы
переменной высоты с поперечным армированием
3.37. Расчет
элементов с наклонными на приопорных участках сжатыми или растянутыми гранями
производят согласно п. 3.32, принимая в качестве рабочей высоты сечения
наибольшее значение
в пределах рассматриваемого наклонного сечения
(черт. 3.18).

а)

б)
Черт. 3.18.
Наклонные сечения балок
с переменной
высотой сечения
а - балка с
наклонной сжатой гранью; б - балка
с наклонной
растянутой гранью
3.38. Для
балок без отгибов высотой, равномерно увеличивающейся от опоры к пролету,
рассчитываемых на действие равномерно распределенной нагрузки q, наклонное
сечение проверяют из условия (3.50) при невыгоднейшем значении c, равном
,
(3.68)
при этом, если это
значение c меньше

или если
, то
невыгоднейшее значение c равно
.
(3.69)
Принятое значение c
не должно превышать
, а
также длину участка балки с постоянным значением
.
Здесь:
- рабочая высота опорного сечения балки;
- см.
п. 3.32;
- см.
п. 3.33;
- угол
между сжатой и растянутой гранями балки.
Рабочую высоту
принимают равной
.
При уменьшении
интенсивности хомутов от
у опоры до
в пролете следует проверить условие (3.50) при
значениях c, превышающих
- длину участка элемента с интенсивностью
хомутов
; при
этом значение
определяют по формуле (3.63) либо по формуле
(3.64) п. 3.35 в зависимости от выполнения или невыполнения условия
.
При действии на
балку сосредоточенных сил, значение c принимают равным расстоянию от опоры до
точек приложения этих сил, а также определяют по формуле (3.69) при
,
если это значение c меньше расстояния от опоры до 1-го груза.
3.39. Для консолей
без отгибов высотой, равномерно увеличивающейся от свободного конца к опоре
(черт. 3.19), в общем случае проверяют условие (3.50), задаваясь наклонными
сечениями со значениями c, определяемыми по формуле (3.69) при
и принимаемыми не более расстояния от начала
наклонного сечения в растянутой зоне до опоры. При этом за
и Q принимают соответственно рабочую высоту и
поперечную силу в начале наклонного сечения в растянутой зоне. Кроме того, если
,
проверяют наклонные сечения, проведенные до опоры.

Черт. 3.19.
Наклонное сечение консоли
с переменной
высотой сечения
При действии на
консоль сосредоточенных сил начало наклонного сечения располагают в растянутой
зоне нормальных сечений, проведенных через точки приложения этих сил (см. черт.
3.19).
При действии
равномерно распределенной нагрузки или нагрузки линейно увеличивающейся к
опоре, консоль рассчитывают как элемент с постоянной высотой сечения согласно
пп. 3.32 и 3.33, принимая рабочую высоту
в опорном сечении.
Элементы
без поперечной арматуры
3.40.
Расчет элементов без поперечной арматуры на действие поперечной силы
производится из условий:
а)
,
(3.70)
где
- максимальная поперечная сила у грани опоры;
б)
,
(3.71)
где
;
- см.
п. 3.32;
Q - поперечная сила
в конце наклонного сечения, начинающегося от опоры с длиной проекции c;
значение c принимается не более
.
При этом, если в
пределах длины c не образуются нормальные трещины [т.е. если
, где
определяется по формуле (4.3) п. 4.5 с заменой
на
],
принимается не менее
,
(3.72)
где
- статический момент части приведенного
сечения, расположенной по одну сторону от оси, проходящей через центр тяжести,
относительно этой оси.
Характеристики
приведенного сечения
,
и
определяются согласно п. 2.33 при коэффициенте
приведения арматуры к бетону
.
При действии на
элемент сосредоточенных сил значения c при проверке условия (3.71) принимаются
равными расстояниям от опоры до точек приложения этих сил (см. черт. 3.16).
При расчете
элемента на действие равномерно распределенной нагрузки значение c принимается
равным
(при этом
), а
также равным длине приопорного участка
, где
не образуются нормальные трещины (при этом, если
,
всегда
). В
обоих случаях принимается
(где
- см. п. 3.33).
Расчет
железобетонных элементов
по наклонным
сечениям на действие изгибающего момента
3.41.
Расчет предварительно напряженных элементов по наклонным сечениям на действие
момента (черт. 3.20) производят из условия
,
(3.73)
где M - момент в
наклонном сечении с длиной проекции c на продольную ось элемента, определяемый
от всех внешних сил, расположенных по одну сторону от рассматриваемого
наклонного сечения, относительно конца наклонного сечения (точка 0),
противоположного концу, у которого располагается продольная арматура,
испытывающая растяжение от момента в наклонном сечении (черт. 3.21);
-
момент, воспринимаемый продольной арматурой, пересекающей наклонное сечение,
относительно противоположного конца наклонного сечения (точка 0);
-
момент, воспринимаемый поперечной арматурой, пересекающей наклонное сечение,
относительно противоположного конца наклонного сечения (точка 0).

Черт. 3.20.
Схема усилий в наклонном сечении
при расчете по
изгибающему моменту

Черт. 3.21.
Определение расчетного значения момента
при расчете
наклонного сечения
а - для свободно
опертой балки; б - для консоли
Момент
определяют по формуле
,
(3.74)
где
- усилие в продольной растянутой арматуре,
принимаемое равным
, а в
зоне анкеровки - определяемое согласно п. 3.43;
-
плечо внутренней пары сил, определяемое по формуле
(где b - ширина сжатой грани), но при наличии
сжатой ненапрягаемой арматуры принимаемое не менее
;
допускается также принимать
.
Момент
при поперечной арматуре в виде хомутов,
нормальных к продольной оси элемента, определяют по формуле
,
(3.75)
где
определяют по формуле (3.55) п. 3.32, а c
определяют согласно п. 3.44, и принимают не более
.
Если хомуты в
пределах длины c меняют свою интенсивность с
у начала наклонного сечения на
,
момент
определяют по формуле
,
(3.76)
где
- длина участка с интенсивностью хомутов
.
3.42. Расчет на
действие момента производят для наклонных сечений, расположенных в местах
обрыва продольной арматуры, а также у грани крайней свободной опоры балок и у
свободного конца консолей при отсутствии у продольной арматуры специальных
анкеров.
Кроме того,
рассчитываются наклонные сечения в местах резкого изменения высоты элемента
(например, в подрезках).
3.43. Если
наклонное сечение пересекает в растянутой зоне напрягаемую арматуру без анкеров
в пределах длины ее зоны анкеровки
, то
усилие
определяется по формуле
, (3.77)
где
- расстояние от торца элемента до начала
наклонного сечения в растянутой зоне.
При наличии
ненапрягаемой растянутой арматуры без анкеров к значению
может добавляться значение
,
где
- расстояние от конца напрягаемой арматуры до
начала наклонного сечения в растянутой зоне;
-
длина зоны анкеровки ненапрягаемой арматуры.
Длина зоны
анкеровки определяется по формуле
,
(3.78)
где
- расчетное сопротивление сцепления
соответствующей арматуры с бетоном, равное
;
-
коэффициент, учитывающий влияние поверхности арматуры и принимаемый равным:
2,5 - для
горячекатаной и термомеханически упрочненной арматуры классов А300 и выше;
2,2 - для
арматурных канатов класса К диаметром 9 мм и более;
2,0 - для
холоднодеформированной арматуры класса В500;
1,8 - для
холоднодеформированной арматуры класса Вр диаметром 4 мм и более;
1,7 - для
холоднодеформированной арматуры класса Вр диаметром 3 мм и арматурных канатов
класса К диаметром 6 мм;
1,5 - для гладкой
арматуры (класса А240);
-
коэффициент, учитывающий влияние диаметра арматуры и принимаемый равным:
1,0 - при диаметре
;
0,9 - при диаметрах
36 и 40 мм;
-
коэффициент, учитывающий влияние поперечного обжатия бетона и поперечной
арматуры и принимаемый равным:
а) для крайних
свободных опор балок,
если
- 0,75;
если
или
- 1,0,
здесь
;
,
- опорная реакция и площадь опирания балки.
При этом, если
имеется поперечная арматура, охватывающая без приварки продольную арматуру,
коэффициент
делится на величину
(где
и s - площадь сечения огибающего хомута и его
шаг) и принимается не менее 0,7;
б) для свободных
концов консолей - 1,0.
В любом случае
длина зоны анкеровки принимается не менее
и не менее 200 мм.
3.44. Для
свободно опертых балок невыгоднейшее наклонное сечение начинается от грани
опоры и имеет проекцию c, определяемую следующим образом:
а) если на балку
действуют сосредоточенные силы, значения c принимаются равными расстояниям от
грани опоры до точек приложения этих сил, но не более
, а
также равными
,
если это значение меньше расстояния до 1-го груза;
б) если на балку
действует равномерно распределенная нагрузка q, значение c определяют по
формуле
,
(3.79)
где
- см. формулу (3.55) п. 3.32.
Если хомуты в
пределах длины c меняют свою интенсивность с
у начала наклонного сечения на
,
значение c определяется по формуле (3.79) при уменьшении числителя на
, а
знаменателя - на
(где
- длина участка интенсивностью
,
).
Для балок с
наклонной сжатой гранью при действии равномерно распределенной нагрузки q
проверяют наклонные сечения со значением c, равным
,
(3.80)
но не более
,
где
- рабочая высота в опорном сечении;
- угол
наклона сжатой грани к горизонтали.
При растянутой грани,
наклоненной под углом
к горизонтали, в этих формулах значение
заменяется на
.
Для консолей,
нагруженных сосредоточенными силами (черт. 3.20, б), проверяются наклонные
сечения, начинающиеся у мест приложения сосредоточенных сил вблизи свободного
конца, со значениями
(где
- поперечная сила в начале наклонного
сечения), но не более
и не более
- расстояния от наклонного сечения до опоры.
Если такие консоли имеют наклонную сжатую грань, значение c принимается равным
, но
не более
и не более
, где
- рабочая высота в начале наклонного сечения.
Для консолей,
нагруженных только равномерно распределенной нагрузкой q, невыгоднейшее сечение
заканчивается в опорном сечении и имеет длину проекции
,
(3.81)
но не более
;
при этом, если
, то
в формуле (3.81) принимается
;
здесь
- см. п. 3.41,
- см. п. 3.43.
В случае, если
,
расчет наклонного сечения по моменту можно не производить.
Примеры
расчета
Пример 11.
Дано: железобетонная плита перекрытия с размерами поперечного сечения по черт.
3.22; бетон класса В25 (
;
);
ребро плиты армировано плоским каркасом с поперечными стержнями из арматуры
класса В500 диаметром 5 мм (
;
)
шагом
;
усилие обжатия от продольной арматуры в ребре P = 170 кН; расчетная нагрузка,
приходящаяся на половину сечения плиты, q = 23 кН/м; временная часть нагрузки
;
поперечная сила в опорном сечении ребра
.

Черт. 3.22. К
примеру расчета 11
Требуется проверить
прочность по бетонной полосе между наклонными сечениями, а также прочность по
наклонным сечениям на действие поперечных сил.
Расчет. Из черт.
3.22 имеем
, b =
85 мм.
Прочность бетонной
полосы проверяем из условия (3.49).
,
т.е. прочность
бетонной полосы обеспечена.
Прочность по
наклонным сечениям проверяем из условия (3.50).
По формуле (3.55)
определим
.
По формуле (3.53а)
определяем коэффициент
. Для
этого, принимая
,
вычислим
.
Тогда
.
Проверим условие
(3.56)
,
т.е. условие (3.56)
не выполняется, и тогда принимаем
, что
соответствует
;
;
; при
этом
.
Определяем длину
проекции с невыгоднейшего наклонного сечения согласно п. 3.33.
.
Так как
,
принимаем
, но
поскольку
,
принимаем
, что
соответствует
.
Проверяем условие
(3.50), принимая Q в конце наклонного сечения, т.е.
:
,
т.е. прочность любого наклонного сечения
обеспечена.
Согласно п. 3.36
определим
,
заменяя
на
:

и, кроме того,
,
т.е. требования п. 5.12 выполнены.
Пример 12. Дано:
свободно опертый железобетонный ригель перекрытия пролетом l = 8,3 м нагружен
равномерно распределенной нагрузкой: временной эквивалентной
и постоянной
;
размеры поперечного сечения b = 300 мм, h = 800 мм,
;
бетон класса В30 (
;
);
хомуты сварные из арматуры класса A400
;
усилие предварительного обжатия P = 1600 кН.
Требуется
определить диаметр и шаг хомутов у опоры, а также выяснить, на каком расстоянии
от опоры и как может быть увеличен их шаг.
Расчет. Наибольшая
поперечная сила в опорном сечении равна:

(здесь
).
Определим требуемую
интенсивность хомутов приопорного участка согласно п. 3.34, б.
По формуле (3.53а)
определим коэффициент
,
принимая
и
,
.
Из формулы (3.52)
имеем
;
;
.
Так как
,
интенсивность хомутов определяем по формуле (3.59):
.
При этом, поскольку
,
оставляем
.
Проверим условие
(3.56):
,
т.е. это условие
выполняется.
Согласно п. 5.12
шаг хомутов у опоры должен быть не более
и не более 300 мм, а в пролете не более
.
Максимальный шаг хомутов у опоры согласно формуле (3.67) равен
.
Принимаем шаг
хомутов у опоры
, а в
пролете -
.
Отсюда
.
Принимаем в
поперечном сечении три хомута диаметром 10 мм
.
Тогда
;
.
Длину участка с
наибольшей интенсивностью хомутов
определяем согласно п. 3.35.
Так как
,
значение c равно
.
Принимаем c = 2,1 м
и
.
Тогда

Принимаем длину
приопорного участка с шагом хомутов
не менее 2 м.
Пример 13.
Дано: железобетонная балка покрытия, нагруженная сосредоточенными силами, как
показано на черт. 3.23, а; размеры поперечного сечения - по черт. 3.23, б;
бетон класса В50 (
);
хомуты из арматуры класса А400
;
усилие предварительного обжатия P = 640 кН.

Черт. 3.23.
К примеру расчета 13
Требуется
определить диаметр и шаг хомутов, а также выяснить, на каком расстоянии и как
может быть увеличен их шаг.
Расчет. Согласно
черт. 3.23, б имеем: b = 80 мм, h = 890 мм,
. По
формуле (3.53а) определим коэффициент
,
принимая
и
:
.
Определим требуемую
интенсивность хомутов согласно п. 3.34, а, принимая длину проекции наклонного
сечения
равной расстоянию от опоры до первого груза -
.
Тогда
, и
следовательно,
.
.
Поперечная сила на
расстоянии
от опоры равна
(см. черт. 3.23, а).
Поскольку
,
значение
определяем по формуле (3.58)
.
Определим значение
при значении c, равном расстоянию от опоры до
второго груза -
.
,
следовательно,
.
.
Соответствующая
поперечная сила равна
.
Поскольку
,
.
Принимаем
максимальное значение
.
Согласно п. 5.12,
шаг
у опоры должен быть не более
и не более 300 мм, а в пролете - не более
.
Максимально допустимый шаг у опоры согласно формуле (3.67) равен
.
Принимаем шаг у
опоры
, а в
пролете
.
Отсюда
.
Принимаем одноветвевые
хомуты диаметром 12 мм
.
Длину участка с
шагом хомутов
определяем из условия обеспечения прочности
согласно п. 3.35. При этом
;
;
.
Зададим длину
участка с шагом хомутов
равной расстоянию от опоры до второго груза
и проверим условие (3.50) при значении c,
равном расстоянию от опоры до третьего груза:
.
Поскольку
,
значение
определяем по формуле (3.63), принимая
,
.
При
значение
соответствует его минимальному значению
.
Соответствующая поперечная сила равна
(см. черт. 3.23 а).
,
т.е. прочность наклонного сечения обеспечена.
Таким образом,
длину приопорных участков с шагом хомутов 200 мм принимаем равной l = 2,8 м при
шаге хомутов 400 мм в пролетном участке.
Пример 14.
Дано: плита перекрытия с растянутой гранью, наклонной к горизонтали, с
размерами по черт. 3.24; бетон класса В40 (
,
);
одноветвевые хомуты из арматуры класса А400
диаметром 10 мм
и шагом
;
усилие предварительного обжатия P = 980 кН; временная эквивалентная нагрузка
;
постоянная нагрузка
;
поперечная сила на опоре
.

Черт. 3.24.
К примеру расчета 14
Требуется проверить
прочность наклонного сечения по поперечной силе.
Расчет ведем
согласно п. 3.38.
Из черт. 3.24 имеем
.
Размер b принимаем на уровне середины высоты опорного сечения:
.
По формуле (3.53а)
определим коэффициент
,
принимая
по опорному сечению
,
.
.
Тогда
.
По формуле (3.55)
определяем
.
Значение
согласно черт. 3.24, а равно
и
.
.
По формуле (3.68)
определяем проекцию невыгоднейшего наклонного сечения
.
При этом
, и
следовательно, оставляем c = 1241 мм, но поскольку
,
принимаем
.
Тогда
.
Ширина ребра на
уровне середины высоты
равно
, и
тогда
,
,
.
Поскольку
,
.
.
Проверим условие
(3.50), принимая
и
.
,
т.е. прочность наклонных сечений обеспечена.
Пример 15.
Дано: железобетонная двускатная балка с размерами по черт. 3.25, а загружена
сосредоточенными силами от плит покрытия и подвесных кранов, как показано на
черт. 3.25, б; бетон класса В40 (
,
);
хомуты двухветвевые из арматуры класса А400
диаметром 10 мм
и шагом
;
усилие предварительного обжатия P = 1220 кН.

Черт. 3.25.
К примеру расчета 15
Требуется проверить
прочность наклонных сечений по поперечной силе.
Расчет ведем
согласно п. 3.38. Проверим прочность наклонного сечения с длиной проекции,
равной расстоянию от опоры до первого груза
.
Согласно черт. 3.25, б
.
Высота поперечного
сечения в конце наклонного сечения равна
h = 800 + 1350/12 =
912 мм.
Определим значение
для этого сечения согласно п. 3.32:
;
;
.
Значение
равно
.
Рабочая высота
опорного сечения равна
.
Поскольку значение

меньше
,
принимаем
.
Полная и рабочая
высота поперечного сечения на расстоянии
от опоры равны
h = 800 + 770/12 =
864,2 мм;
.
Определим значение
для этого сечения:
;
,
.
Тогда
.
Принимая
,
имеем
.
Проверяем условие
(3.50), принимая значение Q на расстоянии
от опоры равным
:
,
т.е. прочность этого наклонного сечения обеспечена.
Проверим прочность
наклонного сечения с длиной проекции, равной расстоянию от опоры до второго
груза -
.
Полная и рабочая
высота поперечного сечения на расстоянии 2,85 м от опоры равны
h = 800 + 2850/12 =
1037 мм;
.
Поскольку
,
оставляем
.
Аналогично
определяем значение
:
;
;
.
Согласно п. 3.32
определяем

.
Определяем
принимая
.
.
,
т.е. прочность
этого сечения также обеспечена.
Пример 16.
Дано: многопустотная плита перекрытия пролетом l = 5,85 м с поперечным сечением
по черт. 3.26; бетон класса В25 (
,
,
);
усилие обжатия P = 215 кН; временная эквивалентная нагрузка
;
нагрузка от собственного веса плиты и пола
.

Черт. 3.26. К
примеру расчета 16
Требуется выяснить,
необходима ли в плите поперечная арматура.
Расчет. Проверим
условия прочности согласно п. 3.40.
Рабочая высота
сечения
.
При ширине плиты
1,2 м нагрузки на 1 п.м. плиты равны:
;
.
Поперечная сила в
опорном сечении
.
Проверим условие
(3.70), принимая минимальную ширину сечения, т.е. b = 1175 - 6 x 159 = 221 мм:
,
т.е. условие (3.70)
выполняется.
Проверим условие
(3.71), принимая значение c равным
. Для
этого определим геометрические характеристики приведенного сечения, принимая
и
:
площадь
;
расстояние от
центра тяжести до низа
;
момент инерции
;
статический момент
части сечения, расположенной выше оси, проходящей через центр тяжести
.
Тогда согласно
формуле (3.72)

Поскольку
,
прочность наклонного сечения с длиной проекции
заведомо обеспечена.
Проверим условие
(3.71), принимая значение c равным длине приопорного участка
без нормальных трещин. Значение
определим из решения уравнения
.
Определим момент
согласно п. 4.5, принимая
;
и
;
;

Из вышеприведенного
квадратного уравнения находим
:
.
Определяем коэффициент
согласно п. 3.32.
Ширину свесов
сжатой полки определим как сумму сторон квадратов
,
эквивалентных по площади сечению пустот, а их толщину
как расстояние между эквивалентным квадратом и
верхней гранью, т.е.
;
;
.
Тогда
;
;
.
Поскольку
,
принимаем
.
Поперечная сила в
конце наклонного сечения равна
,
т.е. условие (3.71) выполняется для любых наклонных сечений. Следовательно,
поперечную арматуру в плите можно не устанавливать.
Пример 17.
Требуется по данным примера 11 проверить прочность наклонных сечений на
действие изгибающего момента, принимая растянутую продольную арматуру ребра
плиты в виде одного напрягаемого стержня класса А800 диаметром 22 мм (
,
) и
одного ненапрягаемого стержня класса В500 диаметром 5 мм (
,
);
оба стержня анкеров не имеют; длина площадки опирания
.
Расчет производим
согласно пп. 3.41 - 3.44. Поскольку продольная арматура не имеет анкеров,
усилие в этой арматуре
определяем согласно п. 3.43.
Определим
коэффициент влияния поперечного обжатия бетона
,
принимая
.
Поскольку
,
принимаем
.
По формуле (3.78)
определяем длину зоны анкеровки напрягаемого стержня, принимая
,
,
:
.
Для этого стержня
,
тогда
.
Аналогично
определяем длину зоны анкеровки ненапрягаемого стержня, принимая
,
:
.
Для этого стержня
,
тогда
.
Итого полное
значение
равно
.
Принимая ширину
сжатой грани
,
определяем плечо внутренней пары сил:
.
Тогда
.
Из примера 11 имеем
и q = 23 Н/мм. Определим длину проекции
невыгоднейшего наклонного сечения по формуле (3.79)
,
следовательно,
принимаем
и тогда
.
За расчетный момент
принимаем изгибающий в нормальном сечении, проходящем через конец наклонного
сечения, т.е. на расстоянии
от точки приложения опорной реакции (где
черт. 3.27).

Черт. 3.27. К
примеру расчета 17

т.е. прочность наклонного сечения на действие
изгибающего момента не обеспечена.
Добавляем на
приопорном участке дополнительный каркас длиной
с поперечными стержнями
А400 шагом 200 мм. Тогда добавочное поперечное
армирование, выраженное через
,
равно
,
а
.
Проекция
невыгоднейшего наклонного сечения равна
.
Значение
определяем по формуле (3.76)

.
,
т.е. прочность
наклонного сечения обеспечена.
4. РАСЧЕТ
ПРЕДВАРИТЕЛЬНО НАПРЯЖЕННЫХ ЭЛЕМЕНТОВ
ЖЕЛЕЗОБЕТОННЫХ
КОНСТРУКЦИЙ ПО ПРЕДЕЛЬНЫМ
СОСТОЯНИЯМ ВТОРОЙ
ГРУППЫ
РАСЧЕТ
ПРЕДВАРИТЕЛЬНО НАПРЯЖЕННЫХ ЖЕЛЕЗОБЕТОННЫХ
ЭЛЕМЕНТОВ ПО
РАСКРЫТИЮ ТРЕЩИН
ОБЩИЕ
ПОЛОЖЕНИЯ
4.1. Расчет
железобетонных элементов производят по непродолжительному и продолжительному
раскрытию трещин.
Непродолжительное
раскрытие трещин определяют от совместного действия постоянных и временных
(длительных и кратковременных) нагрузок, продолжительное - только от постоянных
и временных длительных нагрузок. При этом коэффициент надежности по нагрузке
принимается равным
.
4.2. Расчет
по раскрытию трещин производят из условия
,
(4.1)
где
- ширина раскрытия трещин от действия внешней
нагрузки, определяемая согласно пп. 4.8 - 4.13;
-
предельно допустимая ширина раскрытия трещин.
Для элементов, к
которым не предъявляются требования непроницаемости, значения
принимают равными:
- при арматуре
классов А240 - А600, В500:
0,3 мм - при
продолжительном раскрытии трещин;
0,4 мм - при
непродолжительном раскрытии трещин;
- при арматуре
классов А800, А1000, а также Вр1200 - Вр1400, К1400, К1500 (К-19) и К1500 (К-7)
диаметром 12 мм;
0,2 мм - при
продолжительном раскрытии трещин;
0,3 мм - при
непродолжительном раскрытии трещин;
- при арматуре
классов Вр1500 и К1500 (К-7) диаметром 6 и 9 мм:
0,1 мм - при
продолжительном раскрытии трещин;
0,2 мм - при
непродолжительном раскрытии трещин.
4.3. Расчет по
раскрытию трещин не производится, если соблюдается условие
,
(4.2)
где M - изгибающий
момент от внешней нагрузки;
-
изгибающий момент, воспринимаемый нормальным сечением элемента при образовании
трещин и определяемый согласно пп. 4.4 - 4.6.
ОПРЕДЕЛЕНИЕ
МОМЕНТА ОБРАЗОВАНИЯ ТРЕЩИН,
НОРМАЛЬНЫХ К
ПРОДОЛЬНОЙ ОСИ ЭЛЕМЕНТА
4.4.
Изгибающий момент
при образовании трещин можно определять
согласно пп. 4.5 и 4.6 или по деформационной модели согласно п. 4.7.
4.5. Момент
образования трещин предварительно напряженных изгибаемых элементов в стадии
эксплуатации (черт. 4.1) определяют по формуле
,
(4.3)
где
- момент сопротивления приведенного сечения
для крайнего растянутого волокна, определяемый как для упругого тела по формуле
;
(4.4)
значения
и y определяются согласно п. 2.33;
-
коэффициент, определяемый согласно табл. 4.1;
-
эксцентриситет усилия обжатия P относительно центра тяжести приведенного
сечения, определяемый согласно п. 2.36;
r - расстояние от
центра тяжести приведенного сечения до ядровой точки, значение r определяется
по формуле
,
(4.5)
где
- см. п. 2.33.

Черт. 4.1.
Схема усилий и эпюра напряжений в поперечном
сечении элемента
при расчете по образованию трещин
в стадии
эксплуатации
1 - ядровая точка;
2 - центр тяжести приведенного сечения
Таблица 4.1
┌─────────────────────────────────┬────────────┬──────────────────────────┐
│ Сечения │Коэффициент │Форма
поперечного сечения │
│ │ гамма
│
│
└─────────────────────────────────┴────────────┴──────────────────────────┘
1. Прямоугольное 1,30

───────────────────────────────────────────────────────────────────────────
2. Тавровое с полкой, 1,30
расположенной в сжатой зоне

───────────────────────────────────────────────────────────────────────────
3. Тавровое с полкой (уширением),
расположенной в растянутой зоне:
а) при
1,20
б) при
1,15

───────────────────────────────────────────────────────────────────────────
4. Двутавровое симметричное
(коробчатое):
а) при
1,30
б) при
1,25
в) при
1,20

───────────────────────────────────────────────────────────────────────────
5. Двутавровое несимметричное
удовлетворяющее условию
:
а) при
1,20
б) при
1,15
в) при
1,10

───────────────────────────────────────────────────────────────────────────
6. Двутавровое несимметричное
удовлетворяющее условию
:
а) при
независимо от 1,25
отношения

б) при
и
1,20
в) при
и
1,25

───────────────────────────────────────────────────────────────────────────
4.6. Момент
образования трещин в зоне сечения, растянутой от действия усилия
предварительного обжатия (черт. 4.2) в стадии изготовления, определяют по
формуле
,
(4.6)
где
- значение
,
определяемое согласно п. 4.5 для растянутого от усилия обжатия
волокна (верхнего);
-
расстояние от центра тяжести приведенного сечения до ядровой точки, наиболее
удаленной от грани элемента, растянутой усилием
;
и
- усилия обжатия с учетом первых потерь
напряжений и его эксцентриситет относительно центра тяжести приведенного
сечения (см. п. 2.32);
-
значение
при классе бетона, численно равном
передаточной прочности
.

Черт. 4.2.
Схема усилий и эпюра напряжений в поперечном
сечении элемента
при расчете по образованию
трещин в стадии
изготовления
1 - центр тяжести
приведенного сечения; 2 - ядровая точка
Значения
и
допускается определять при тех же значениях
, что
и в стадии эксплуатации.
Если вычисленное
значение
отрицательное, это означает, что трещины
образованы до приложения внешней нагрузки.
Момент M в условии
(4.2) определяется согласно п. 3.25 при
, при
этом он учитывается со знаком "плюс", если направление этого момента
совпадает с направлением момента усилия
, и со
знаком "минус" - когда направления противоположны.
4.7.
Определение момента образования трещин на основе нелинейной деформационной
модели производят исходя из положений, приведенных в пп. 3.26 и 3.27, принимая
расчетные характеристики материалов для предельных состояний второй группы. При
этом учитывается работа бетона в растянутой зоне, определяемой двухлинейной
диаграммой (черт. 4.3), согласно которой напряжения бетона
определяются следующим образом:
при
;
при
,
где
- приведенный модуль деформаций растянутого
бетона, равный
;
;
.

Черт. 4.3.
Двухлинейная диаграмма
состояния
растянутого бетона
Значение
определяется из решения системы уравнений
(3.44) - (3.46), принимая относительную деформацию бетона у растянутой зоны
равной
.
ОПРЕДЕЛЕНИЕ
ШИРИНЫ РАСКРЫТИЯ ТРЕЩИН,
НОРМАЛЬНЫХ К
ПРОДОЛЬНОЙ ОСИ ЭЛЕМЕНТА
4.8. Ширину
раскрытия нормальных трещин определяют по формуле
,
(4.7)
где
- приращение напряжений в продольной
предварительно напряженной арматуре в сечении с трещиной от внешней нагрузки,
определяемое согласно п. 4.9;
-
базовое (без учета вида внешней поверхности арматуры) расстояние между смежными
нормальными трещинами, определяемое согласно п. 4.10;
-
коэффициент, учитывающий продолжительность действия нагрузки и принимаемый
равным:
1,0 - при
непродолжительном действии нагрузки;
1,4 - при
продолжительном действии нагрузки;
-
коэффициент, учитывающий профиль арматуры и принимаемый равным:
0,5 - для арматуры
периодического профиля и канатной;
0,8 - для гладкой
арматуры (класса А240);
-
коэффициент, учитывающий неравномерное распределение относительных деформаций
растянутой арматуры между трещинами; допускается принимать
= 1; если при этом условие (4.1) не
удовлетворяется, значение
следует определять согласно п. 4.11.
4.9.
Приращение напряжений
в растянутой арматуре изгибаемых предварительно
напряженных элементов определяют по формуле
,
(4.8)
где
- статический момент относительно нейтральной
оси приведенного сечения, включающего в себя только площадь сечения сжатой зоны
бетона и площади растянутой и сжатой арматуры, умноженные на коэффициент
приведения арматуры к бетону
;
значения
вычисляют по формуле
,
(4.9)
здесь:
,
,
- статические моменты соответственно сжатой
зоны бетона, площадей сжатой и растянутой арматуры относительно нейтральной
оси;
x - высота сжатой зоны
бетона, определяемая из решения уравнения
;
(4.10)
-
момент инерции указанного выше приведенного сечения относительно нейтральной
оси;
-
расстояние от точки приложения усилия обжатия P до центра тяжести растянутой
арматуры, при этом знак "плюс" принимается, если направления вращения
моментов M и
совпадают (черт. 4.4).

Черт. 4.4. Схемы
усилий и напряженно-деформированного
состояния сечения с
трещиной в стадии эксплуатации
при расчете по
раскрытию трещин
1 - точка
приложения равнодействующей усилий в сжатой зоне;
2 - центр тяжести
сечения арматуры S
Значение
коэффициента приведения арматуры к бетону
определяют по формуле
,
(4.11)
где
- приведенный модуль деформации сжатого
бетона, равный
.
Коэффициент
для всех видов арматуры, кроме канатной, можно
принимать равным
, а
для канатной арматуры -
(где
- в МПа).
Для прямоугольных,
тавровых и двутавровых сечений значение
допускается определять по формуле
,
(4.12)
где z - плечо
внутренней пары сил, равное
, а
коэффициент
определяется по табл. 4.2;
.
Таблица 4.2
┌──────┬──────┬───────────────────────────────────────────────────────────┐
│ │
e │ Коэффициенты зета = z/h , при значениях мю x
альфа ,
│
│ фи
│ s │ 0 s1 │
│ f │ --- │ равных │
│ │
h
├────┬────┬────┬────┬─────┬────┬─────┬─────┬─────┬────┬─────┤
│ │
0
│0,02│0,03│0,05│0,07│0,10
│0,15│0,20 │0,25 │0,30 │0,40│0,50 │
├──────┼──────┼────┼────┼────┼────┼─────┼────┼─────┼─────┼─────┼────┼─────┤
│
0,0 │ 0,7
│0,70│0,69│0,69│0,69│0,68
│0,68│0,68 │0,67 │0,67 │0,67│0,67 │
├──────┼──────┼────┼────┼────┼────┼─────┼────┼─────┼─────┼─────┼────┼─────┤
│ │ 0,8 │0,77│0,76│0,74│0,73│0,72
│0,70│0,69 │0,68 │0,68 │0,67│0,66 │
├──────┼──────┼────┼────┼────┼────┼─────┼────┼─────┼─────┼─────┼────┼─────┤
│ │ 0,9
│0,82│0,80│0,77│0,76│0,74
│0,71│0,70 │0,68 │0,67 │0,66│0,64 │
├──────┼──────┼────┼────┼────┼────┼─────┼────┼─────┼─────┼─────┼────┼─────┤
│ │ 1,0
│0,84│0,82│0,78│0,77│0,74
│0,71│0,69 │0,67 │0,66 │0,64│0,62 │
├──────┼──────┼────┼────┼────┼────┼─────┼────┼─────┼─────┼─────┼────┼─────┤
│ │ 1,1
│0,85│0,83│0,79│0,77│0,74
│0,71│0,68 │0,66 │0,65 │0,62│0,60 │
├──────┼──────┼────┼────┼────┼────┼─────┼────┼─────┼─────┼─────┼────┼─────┤
│ │>=
1,2│0,85│0,83│0,79│0,77│0,74
│0,70│0,67 │0,65 │0,63 │0,60│0,58 │
├──────┼──────┼────┼────┼────┼────┼─────┼────┼─────┼─────┼─────┼────┼─────┤
│
0,2 │ 0,7
│0,70│0,70│0,70│0,70│0,70
│0,70│0,70 │0,70 │0,70 │0,70│0,70 │
├──────┼──────┼────┼────┼────┼────┼─────┼────┼─────┼─────┼─────┼────┼─────┤
│ │ 0,8
│0,79│0,79│0,78│0,77│0,77
│0,76│0,75 │0,75 │0,74 │0,74│0,73 │
├──────┼──────┼────┼────┼────┼────┼─────┼────┼─────┼─────┼─────┼────┼─────┤
│ │ 0,9
│0,85│0,84│0,82│0,81│0,80
│0,78│0,77 │0,76 │0,75 │0,74│0,73 │
├──────┼──────┼────┼────┼────┼────┼─────┼────┼─────┼─────┼─────┼────┼─────┤
│ │ 1,0
│0,87│0,86│0,84│0,83│0,81
│0,79│0,77 │0,76 │0,75 │0,74│0,72 │
├──────┼──────┼────┼────┼────┼────┼─────┼────┼─────┼─────┼─────┼────┼─────┤
│ │>=
1,2│0,88│0,87│0,85│0,83│0,81
│0,79│0,77 │0,75 │0,74 │0,72│0,70 │
├──────┼──────┼────┼────┼────┼────┼─────┼────┼─────┼─────┼─────┼────┼─────┤
│
0,4 │ 0,7
│0,70│0,70│0,70│0,70│0,70 │0,70│0,70
│0,70 │0,70 │0,70│0,70 │
├──────┼──────┼────┼────┼────┼────┼─────┼────┼─────┼─────┼─────┼────┼─────┤
│ │ 0,8
│0,80│0,79│0,79│0,79│0,79
│0,78│0,78 │0,78 │0,77 │0,77│0,77 │
├──────┼──────┼────┼────┼────┼────┼─────┼────┼─────┼─────┼─────┼────┼─────┤
│ │ 0,9
│0,87│0,86│0,84│0,83│0,82
│0,81│0,80 │0,80 │0,79 │0,78│0,77 │
├──────┼──────┼────┼────┼────┼────┼─────┼────┼─────┼─────┼─────┼────┼─────┤
│ │ 1,0
│0,89│0,88│0,86│0,85│0,84
│0,82│0,81 │0,80 │0,79 │0,78│0,77 │
├──────┼──────┼────┼────┼────┼────┼─────┼────┼─────┼─────┼─────┼────┼─────┤
│ │>=
1,2│0,88│0,87│0,86│0,85│0,84
│0,82│0,81 │0,80 │0,79 │0,77│0,76 │
├──────┼──────┼────┼────┼────┼────┼─────┼────┼─────┼─────┼─────┼────┼─────┤
│
0,6 │ 0,8
│0,80│0,80│0,80│0,80│0,80
│0,79│0,79 │0,79 │0,79 │0,79│0,79 │
├──────┼──────┼────┼────┼────┼────┼─────┼────┼─────┼─────┼─────┼────┼─────┤
│ │ 0,9
│0,87│0,87│0,86│0,85│0,84
│0,83│0,82 │0,82 │0,81 │0,80│0,80 │
├──────┼──────┼────┼────┼────┼────┼─────┼────┼─────┼─────┼─────┼────┼─────┤
│ │ 1,0
│0,89│0,88│0,87│0,87│0,86
│0,84│0,83 │0,83 │0,82 │0,81│0,80 │
├──────┼──────┼────┼────┼────┼────┼─────┼────┼─────┼─────┼─────┼────┼─────┤
│ │>=
1,2│0,90│0,88│0,87│0,86│0,85
│0,84│0,83 │0,82 │0,81 │0,80│0,79 │
├──────┼──────┼────┼────┼────┼────┼─────┼────┼─────┼─────┼─────┼────┼─────┤
│>=
0,8│ 0,8
│0,80│0,80│0,80│0,80│0,80
│0,80│0,80 │0,80 │0,80 │0,80│0,80 │
├──────┼──────┼────┼────┼────┼────┼─────┼────┼─────┼─────┼─────┼────┼─────┤
│ │ 0,9
│0,88│0,87│0,86│0,86│0,85
│0,84│0,84 │0,83 │0,83 │0,82│0,82 │
├──────┼──────┼────┼────┼────┼────┼─────┼────┼─────┼─────┼─────┼────┼─────┤
│ │ 1,0
│0,89│0,89│0,88│0,87│0,87
│0,86│0,85 │0,84 │0,83 │0,83│0,82 │
├──────┼──────┼────┼────┼────┼────┼─────┼────┼─────┼─────┼─────┼────┼─────┤
│ │>= 1,2│0,90│0,88│0,87│0,87│0,86
│0,85│0,84 │0,84 │0,83 │0,82│0,81 │
└──────┴──────┴────┴────┴────┴────┴─────┴────┴─────┴─────┴─────┴────┴─────┘
;
;
.
───────────────────────────────────────────────────────────────────────────
Значения
,
определяемые по формулам (4.8) и (4.12), не должны превышать
.
4.10.
Значение базового расстояния между трещинами
определяют по формуле
(4.13)
и принимают не
менее
и 100 мм и не более
и 400 мм.
Здесь:
- площадь сечения растянутого бетона,
определяемая в общем случае согласно указаниям п. 4.7. При этом высота
растянутой зоны бетона принимается не менее 2a и не более 0,5h.
Для прямоугольных,
тавровых и двутавровых сечений высоту растянутой зоны допускается определять с
учетом указанных ограничений по формуле
,
(4.14)
где
- высота растянутой зоны бетона, определяемая
как для упругого материала по приведенному сечению при коэффициенте приведения
арматуры к бетону
;
k - поправочный
коэффициент, учитывающий неупругие деформации растянутого бетона и равный:
для прямоугольных
сечений и тавровых с полкой в сжатой зоне - 0,9;
для двутавровых
(коробчатых) сечений и тавровых с полкой в растянутой зоне - 0,95.
Значение
принимается равным
,
(4.15)
где
- статический момент приведенного сечения
относительно растянутой грани;
- см.
формулу (2.11) п. 2.33.
При различных
диаметрах стержней растянутой арматуры значение
принимается равным
,
(4.16)
где
,...
- диаметры стержней растянутой арматуры;
,...
- число стержней с диаметрами соответственно
,...
.
4.11.
Значения коэффициента
определяют по формуле
,
(4.17)
где
- приращение напряжений в растянутой арматуре
в сечении с трещиной сразу после образования нормальных трещин, определяемое по
указаниям п. 4.9, принимая в соответствующих формулах значения
, где
- см. пп. 4.4 - 4.7;
- то
же, при действии рассматриваемой нагрузки.
Если
,
принимают
.
4.12. Ширину
раскрытия трещин принимают равной:
при продолжительном
раскрытии
;
(4.18)
при
непродолжительном раскрытии
,
(4.19)
где
- ширина раскрытия трещин, определяемая
согласно п. 4.8 при
и при действии постоянных и длительных
нагрузок (т.е. при
);
- то
же, при
и действии всех нагрузок (т.е. при
);
- то
же, при
и действии постоянных и длительных нагрузок
(т.е. при
).
Ширину
непродолжительного раскрытия трещин можно также определять по формуле
,
(4.20)
где
,
а значения
,
,
определяются согласно п. 4.9 при действии
моментов соответственно
,
и
.
При этом, если
выполняется условие
A > t,
(4.21)
можно проверять
только продолжительное раскрытие трещин, а если условие (4.21) не выполняется -
только непродолжительное раскрытие.
Здесь: t = 0,68 -
при допустимой ширине продолжительного и непродолжительного раскрытия трещин
равных соответственно 0,3 и 0,4 мм (см. п. 4.2);
t = 0,59 - при этих
величинах, равных 0,2 и 0,3 мм;
t = 0,42 - при этих
величинах, равных 0,1 и 0,2 мм.
Если принято, что
, то
в формулах (4.20) и (4.21) принимается
.
4.13.
Ширину раскрытия трещин в зоне сечения, растянутой от действия усилия
предварительного обжатия в стадии изготовления, определяют согласно пп. 4.8 -
4.11, принимая
,
и
- как для арматуры, расположенной в указанной
зоне. При определении напряжения
согласно п. 4.9 значение
принимают как расстояние от точки приложения
усилия P до центра тяжести указанной арматуры (верхней, черт. 4.5), а момент M,
действующий в стадии изготовления, определяют согласно п. 3.25 при
.
Расчетные сопротивления бетона
и
определяют при классе бетона, численно равном
передаточной прочности бетона
.
Усилие предварительного обжатия P определяется с учетом только первых потерь.

Черт. 4.5. Схемы
усилий и напряженно-деформированного
состояния сечения с
трещиной в стадии изготовления
1 - центр тяжести
арматуры растянутой зоны
Примеры
расчета
Пример 18.
Дано: многопустотная плита перекрытия - по черт. 4.6, а; бетон класса В15 (
,
);
геометрические характеристики приведенного сечения: площадь
,
расстояние от центра тяжести до растянутой (нижней) грани y = 107,2 мм, момент
инерции
; момент
в середине пролета от всех нагрузок
,
момент от постоянных и длительных нагрузок
;
продольная арматура класса А540, площадью сечения
;
усилие предварительного обжатия (с учетом всех потерь) P = 220 кН.

а)

б)
Черт. 4.6.
К примеру расчета 18
а - фактическое
сечение плиты;
б - эквивалентное
сечение плиты
Требуется
рассчитать плиту по раскрытию трещин в стадии эксплуатации.
Расчет. Определяем
момент образования трещин согласно п. 4.5. Согласно формулам (4.4) и (4.5)
момент сопротивления приведенного сечения и ядровое расстояние соответственно
равны
;
.
Поскольку в плите
располагается, в основном, только напрягаемая арматура, точка приложения усилия
обжатия совпадает с центром тяжести арматуры, т.е.
и
.
Тогда при
(см. табл. 4.1):

т.е. трещины образуются, и,
следовательно, расчет по раскрытию трещин необходим.
Определим по
формуле (4.12) приращение напряжения напрягаемой арматуры от действия
постоянных и длительных нагрузок
,
т.е. принимая
.
Поскольку
,
и тогда
.
Рабочая высота сечения равна
,
.
Сечение плиты
представляем в виде двутаврового сечения, заменив пустоты прямоугольниками,
эквивалентными по площади и моменту инерции. Ширина и высота такого
прямоугольника соответственно равны:
A = 0,907D = 0,907
x 159 = 144,2 мм;
B = 0,866D = 0,866
x 159 = 138 мм.
Тогда из черт. 4.6
имеем:
;
b = 1475 - 7 x
144,2 = 465,6 мм;
.
Принимая
,
имеем
.
Коэффициент
приведения равен
,
тогда
.
При
,
и
из табл. 4.2 находим
,
тогда
.
.
Аналогично
определим значение
при действии момента
;
.
Поскольку согласно
табл. 4.2 в данном случае при значении
коэффициент
не зависит от
,
принимаем вычисленное выше значение z = 156,3 мм. Тогда
.
При моменте от всех
нагрузок
значение
равно
.
Проверим условие
(4.21), принимая t = 0,68,
,
следовательно, проверяем только
непродолжительное раскрытие трещин по формуле (4.20).
По формуле (4.17)
определяем коэффициент
,
принимая
,
.
Определим
расстояния между трещинами
согласно п. 4.10.
Высота зоны
растянутого бетона, определенная как для упругого материала, при
равна
,
а с учетом неупругих деформаций
растянутого бетона
.
Поскольку
,
принимаем
.
Тогда площадь сечения растянутого бетона равна
,
.
Поскольку
и
,
принимаем
.
По формуле (4.7)
определяем
,
принимая
,
:
.
,
что меньше предельно допустимого значения
0,4 мм.
Пример 19.
Дано: плита перекрытия по черт. 4.7; бетон класса В25 (
,
);
геометрические характеристики половины приведенного сечения: площадь
, расстояние
от центра тяжести сечения до растянутой (нижней) грани y = 220 мм, момент
инерции
;
напрягаемая арматура класса А600, площадью сечения
; ненапрягаемая
арматура, растянутая и сжатая, класса А400, площадью сечения соответственно
,
;
максимальный момент для половины сечения плиты: от всех нагрузок
, от
постоянных и длительных нагрузок
;
усилие предварительного обжатия (с учетом всех потерь) P = 150 кН, его эксцентриситет
.

Черт. 4.7.
К примерам расчета 19, 20 и 21
Требуется
рассчитать плиту по раскрытию трещин в стадии эксплуатации.
Расчет. Определяем
момент образования трещин согласно п. 4.5. Момент сопротивления приведенного
сечения для растянутой грани равен
;
ядровое расстояние
.
Тогда при
(см. табл. 4.1)

т.е. трещины образуются, и,
следовательно, расчет по раскрытию трещин необходим.
Определим по
формуле (4.12) приращение напряжения напрягаемой арматуры от действия
постоянных и длительных нагрузок, т.е. принимая
.
Рабочая высота
сечения равна
.
Принимая
,
получаем
,
и тогда
.
Коэффициент
приведения
равен
.
Тогда, принимая согласно черт. 4.7 b = 95 мм, имеем
;
.
Из табл. 4.2 при
,
и
находим
.
Тогда
;
;
.
Аналогично
определяем значение
при действии момента
.
;
.
Согласно табл. 4.2
и z = 246 мм, тогда
.
При моменте от всех
нагрузок

;
.
Проверим условие
(4.21), принимая t = 0,68,
,
следовательно, проверяем только
продолжительное раскрытие трещин.
По формуле (4.17)
при
определим коэффициент
.
Определим
расстояния между трещинами
согласно п. 4.10.
Высота зоны
растянутого бетона, определенная как для упругого материала, при
равна
,
а с учетом неупругих деформаций
растянутого бетона
.
Поскольку
,
принимаем
.
Тогда площадь сечения растянутого бетона равна
.
Усредненный диаметр
стержней растянутой арматуры равен
.
Тогда
.
Поскольку
,
принимаем
.
По формуле (4.7)
определяем
,
принимая
,
:
,
что меньше предельно допустимого значения
0,3 мм.
Пример 20.
Дано: плита перекрытия по черт. 4.7; усилие предварительного обжатия с учетом
первых потерь
, его
эксцентриситет относительно центра тяжести приведенного сечения
;
передаточная прочность бетона
(
,
);
момент от веса плиты, возникающий при подъеме плиты и растягивающий верхнюю
грань,
;
остальные данные из примера 19.
Требуется
рассчитать плиту по раскрытию трещин в стадии изготовления.
Расчет. Сначала
выясним, образуются ли верхние трещины в стадии изготовления от усилия
предварительного обжатия согласно п. 4.6.
Момент
сопротивления
определяем по формуле (4.4), принимая за y
расстояние от центра тяжести до верхней грани, т.е. y = 350 - 220 = 130 мм,
.
Тогда
.
По формуле (4.6)
определяем момент образования верхних трещин

т.е. верхние трещины образуются до
приложения внешней нагрузки.
Определим ширину
непродолжительного раскрытия верхних трещин с учетом указаний п. 4.13.
За растянутую
арматуру принимаем верхний ненапрягаемый стержень
,
т.е.
.
Тогда рабочая высота сечения равна
,
а расстояние от точки приложения усилия
обжатия
до растянутой арматуры равно
.
Моменты
и
имеют одинаковое направление вращения,
следовательно,
и
.
Коэффициент
приведения
равен
.
Тогда
.
В сжатой (нижней)
зоне свесы отсутствуют, а
.
Тогда
.
Из табл. 4.2 при
,
и
находим
.
Тогда
.
.
Определим
расстояния между трещинами
согласно п. 4.10. Высота зоны растянутого
бетона, определенная как для упругого материала, при
равна
,
а с учетом неупругих деформаций
растянутого бетона
.
Поскольку
,
принимаем
,
т.е. за площадь растянутой зоны принимаем площадь сечения верхней полки
.
Тогда
.
Поскольку
и
,
принимаем
.
Ширину раскрытия
трещин определяем по формуле (4.7), принимая
,
,
:
,
что меньше предельно допустимого значения
0,4 мм.
РАСЧЕТ
ПРЕДВАРИТЕЛЬНО НАПРЯЖЕННЫХ
ЖЕЛЕЗОБЕТОННЫХ
ЭЛЕМЕНТОВ ПО ДЕФОРМАЦИЯМ
ОБЩИЕ
ПОЛОЖЕНИЯ
4.14. Расчет
предварительно напряженных элементов по деформациям производят с учетом
эксплуатационных требований, предъявляемых к конструкциям.
Расчет по
деформациям следует производить на действие:
постоянных,
временных длительных и кратковременных нагрузок при ограничении деформаций технологическими
или конструктивными требованиями;
постоянных и
временных длительных нагрузок при ограничении деформаций
эстетико-психологическими требованиями.
4.15. Значения
предельно допустимых деформаций элементов принимают согласно СНиП 2.01.07-85* и
нормативным документам на отдельные виды конструкций.
РАСЧЕТ
ПРЕДВАРИТЕЛЬНО НАПРЯЖЕННЫХ ЭЛЕМЕНТОВ ПО ПРОГИБАМ
4.16. Расчет
изгибаемых элементов по прогибам производят из условия
,
(4.22)
где f - прогиб
элемента от действия внешней нагрузки;
-
значение предельно допустимого прогиба.
Прогибы изгибаемых
элементов определяют по общим правилам строительной механики в зависимости от
изгибных и сдвиговых деформационных характеристик железобетонного элемента в
сечении по его длине (кривизны и углов сдвига).
В тех случаях,
когда прогибы элемента, в основном, зависят от изгибных деформаций, значение
прогиба определяют по кривизнам элементов согласно пп. 4.17 и 4.18.
4.17.
Прогиб предварительно напряженных элементов, обусловленный деформацией изгиба,
определяют по формуле
, (4.23)
где
- изгибающий момент в сечении x от действия
единичной силы, приложенной в сечении, для которого определяют прогиб, в
направлении этого прогиба;
-
полная кривизна элемента в сечении x от внешней нагрузки, при которой
определяют прогиб.
В общем случае
формулу (4.23) можно реализовать путем разбиения элемента на ряд участков,
определяя кривизну на границах этих участков (с учетом наличия или отсутствия
трещин и знака кривизны) и перемножения эпюр моментов
и кривизны
по длине элемента, принимая линейное
распределение кривизны в пределах каждого участка. В этом случае при
определении прогиба в середине пролета формула (4.23) приобретает вид
,
(4.24)
где
,
- кривизна элемента соответственно на левой и
правой опорах;
,
- кривизна элемента в симметрично расположенных
сечениях i и i' (при i = i') соответственно слева и справа от середины пролета,
черт. 4.8;
-
кривизна элемента в середине пролета;
n - четное число
равных участков, на которые разделяют пролет, принимаемое не менее 6;
l - пролет
элемента.

Черт. 4.8. Эпюра
кривизны в железобетонном элементе
с переменным по
длине сечением
В формулах (4.23) и
(4.24) кривизны 1/r определяются по формулам (4.29) и (4.30) соответственно для
участков без трещин и с трещинами. Знак 1/r принимается в соответствии с эпюрой
кривизны.
4.18. Для
элементов постоянного сечения, работающих как свободно опертые или консольные
балки, прогиб допускается определять, вычисляя кривизну только для наиболее напряженного
сечения и принимая для остальных сечений кривизны изменяющимися пропорционально
значениям изгибающего момента, т.е. по формуле
,
(4.25)
где
- полная кривизна в сечении с наибольшим
изгибающим моментом;
S - коэффициент,
принимаемый по табл. 4.3.
Таблица 4.3

Если прогиб,
определяемый по формуле (4.25), превышает допустимый, то его значение
рекомендуется уточнить за счет учета повышенной жесткости на участках без
трещин и учета переменной жесткости на участках с трещинами. Для свободно
опертых балок, нагруженных равномерно распределенной нагрузкой, это
соответствует формуле:
,
(4.26)
где
- полная кривизна в середине пролета,
определенная без учета наличия трещин согласно пп. 4.22 и 4.23;
-
кривизна, обусловленная выгибом элемента и определяемая согласно п. 4.22, а;
- см.
п. 4.22;
-
коэффициент, определяемый по табл. 4.4 в зависимости от отношения
, где
- наибольший изгибающий момент от всех
нагрузок,
- см. п. 4.4.
Таблица 4.4
┌───────┬───────────┬─────────┬──────────┬───────────┬───────────┐
│ m
│ S │
m │ S
│ m │
S │
│ │ crc
│ │ crc
│ │ crc
│
├───────┼───────────┼─────────┼──────────┼───────────┼───────────┤
│ 1,00 │
0,1042 │ 0,92
│ 0,0449 │
0,70 │ 0,0128
│
├───────┼───────────┼─────────┼──────────┼───────────┼───────────┤
│ 0,99 │
0,0805 │ 0,90
│ 0,0396 │
0,60 │ 0,0071
│
├───────┼───────────┼─────────┼──────────┼───────────┼───────────┤
│ 0,98 │
0,0715 │ 0,85
│ 0,0295 │
0,50 │ 0,0037
│
├───────┼───────────┼─────────┼──────────┼───────────┼───────────┤
│ 0,96 │
0,0597 │ 0,80
│ 0,0223 │
0,40 │ 0,0017
│
├───────┼───────────┼─────────┼──────────┼───────────┼───────────┤
│ 0,94 │
0,0514 │ 0,75
│ 0,0169 │
0,30 │ 0,0007
│
├───────┼───────────┼─────────┼──────────┼───────────┼───────────┤
│ 0,92 │
0,0449 │ 0,70
│ 0,0128 │
<= 0,20 │ 0,000
│
└───────┴───────────┴─────────┴──────────┴───────────┴───────────┘
;
.
──────────────────────────────────────────────────────────────────
4.19. Для
изгибаемых элементов при l/h < 10 необходимо учитывать влияние поперечных
сил на их прогиб. В этом случае полный прогиб равен сумме прогибов,
обусловленных деформацией изгиба (см. пп. 4.17 и 4.18) и деформацией сдвига
.
Прогиб
,
обусловленный деформацией сдвига, определяют по формуле
,
(4.27)
где
- поперечная сила в сечении x от действия
единичной силы, приложенной в сечении, для которого определяется прогиб, в
направлении этого прогиба;
-
угол сдвига элемента в сечении x от действия внешней нагрузки, при которой
определяется прогиб.
Значение
определяется по указаниям п. 4.26.
4.20. Контрольный
прогиб элемента, используемый при оценке жесткости конструкции согласно ГОСТ
8829, определяется по формуле
,
(4.28)
где
- полный прогиб элемента от действия всей
внешней нагрузки (контрольной и от собственного веса) и усилия предварительного
обжатия, вычисляемый согласно пп. 4.17 - 4.19;
-
выгиб (принимается со знаком "плюс", черт. 4.9, а) или прогиб
(принимается со знаком "минус", черт. 4.9, б) от собственного веса и
усилия предварительного обжатия; при этом, если в верхней зоне элемента
образуются трещины, значение
определяется как для элемента с трещинами в
этой зоне (т.е. элемент рассматривается в перевернутом положении).

а)

б)
Черт. 4.8.
Определение контрольного прогиба
,
замеряемого при
испытании
а - при наличии
перед началом испытания выгиба
;
б - при наличии
перед началом испытания прогиба

Значения
и
определяются согласно указаниям пп. 4.17 -
4.19, 4.22 - 4.25, принимая непродолжительное действие нагрузок, при этом
кривизна
не учитывается.
ОПРЕДЕЛЕНИЕ
КРИВИЗНЫ ИЗГИБАЕМЫХ
ПРЕДВАРИТЕЛЬНО
НАПРЯЖЕННЫХ ЭЛЕМЕНТОВ
Общие
положения
4.21. Кривизну
изгибаемых предварительно напряженных элементов для вычисления их прогибов
определяют:
а) для элементов
или участков элемента, где в растянутой зоне не образуются нормальные к
продольной оси трещины, согласно п. 4.23;
б) для элементов
или участков элемента, где в растянутой зоне имеются трещины, согласно п. 4.24.
Элементы или
участки элемента рассматривают без трещин, если трещины не образуются [т.е.
выполняется условие (4.2)] при действии полной нагрузки, включающей постоянную,
временную длительную и кратковременную нагрузки, с коэффициентом надежности по
нагрузке
, а
также усилия предварительного обжатия.
Кривизну
железобетонных элементов с трещинами и без трещин можно также определять на
основе деформационной модели согласно п. 4.25.
4.22.
Полную кривизну изгибаемых элементов определяют:
а) для
участков без трещин в растянутой зоне по формуле
,
(4.29)
где
и
- кривизны соответственно от
непродолжительного действия кратковременных нагрузок и от продолжительного
действия постоянных и длительных нагрузок;
-
кривизна от непродолжительного действия усилия предварительного обжатия P (т.е.
при действии
);
б) для участков с
трещинами в растянутой зоне по формуле
,
(4.30)
где
- кривизна от непродолжительного действия всех
нагрузок, на которые производят расчет по деформациям;
-
кривизна от непродолжительного действия постоянных и длительных нагрузок;
-
кривизна от продолжительного действия постоянных и длительных нагрузок.
Кроме того, в
формулах (4.29) и (4.30) может быть учтена кривизна
,
обусловленная остаточным выгибом элемента вследствие усадки и ползучести бетона
в стадии изготовления от усилия предварительного обжатия
и собственного веса элемента. Значение
определяется по формуле
,
(4.31)
где
и
- значения, численно равные сумме потерь
предварительного напряжения арматуры от усадки и ползучести бетона (см. пп.
2.31 и 2.32) соответственно для арматуры растянутой зоны и для арматуры,
условно расположенной на уровне крайнего сжатого волокна бетона.
При этом для
элементов без трещин сумма
принимается не менее кривизны от усилия
предварительного обжатия при продолжительном его действии.
Примечание. При
использовании формулы (4.29) кратковременную нагрузку, включающую в себя
согласно СНиП 2.01.07-85* пониженное значение, следует принимать уменьшенной на
это значение, поскольку оно учитывается при определении
.
Кривизна
изгибаемого предварительно напряженного
элемента на участке
без трещин в растянутой зоне
4.23.
Кривизну элемента на участке без трещин определяют по формуле
,
(4.32)
где M - изгибающий
момент от внешней нагрузки или момент усилия предварительного обжатия
относительно оси, проходящей через центр тяжести приведенного сечения;
-
момент инерции приведенного сечения относительно его центра тяжести,
определяемый как для сплошного тела по общим правилам сопротивления упругих
материалов с учетом всей площади бетона и площадей сечения арматуры с
коэффициентом приведения арматуры к бетону, равном
;
-
модуль деформации сжатого бетона, принимаемый равным:
при
непродолжительном действии нагрузки
;
(4.33)
при продолжительном
действии нагрузки
,
(4.34)
где
- коэффициент ползучести бетона, принимаемый
по табл. 2.6 п. 2.9.
Кривизна
изгибаемого предварительно напряженного
элемента на участке
с трещинами в растянутой зоне
4.24.
Кривизну изгибаемого предварительно напряженного элемента на участке с
трещинами определяют по формуле
,
(4.35)
где
- статический момент приведенного сечения
относительно нейтральной оси, определяемый с учетом площади сечения бетона
только сжатой зоны, площадей сечения арматуры в сжатой зоне с коэффициентом
приведения
и арматуры в растянутой зоне с коэффициентом
приведения
(черт. 4.10); значение
вычисляют по формуле
,
(4.36)
здесь:
,
,
- статические моменты соответственно сжатой
зоны бетона, площадей арматуры сжатой и растянутой зоны относительно
нейтральной оси;
-
приведенный модуль деформации сжатого бетона, принимаемый равным
, где
значение
равно:
при
непродолжительном действии нагрузки -
;
при продолжительном
действии нагрузки в зависимости от относительной влажности воздуха окружающей
среды W (%):
при W > 75 -
;
при 75 >= W
>= 40 -
;
при W < 40 -
.

Черт. 4.10.
Приведенное поперечное сечение (а) и схема
напряженно деформированного
состояния изгибаемого
предварительно
напряженного элемента с трещинами (б)
при расчете его по
деформациям
1 - центр тяжести
арматуры растянутой зоны
Относительную
влажность воздуха окружающей среды принимают согласно примечанию к табл. 2.6.
Значения
коэффициентов приведения арматуры к бетону принимают равным:
для арматуры сжатой
зоны -
;
для арматуры
растянутой зоны -
,
где
- см. п. 4.11.
Допускается
принимать
и, следовательно,
. При
этом, если условие (4.22) не удовлетворяется, расчет производят с учетом
коэффициента
по формуле (4.17) п. 4.11.
Высоту сжатой зоны
x определяют из решения уравнения
,
(4.37)
где
- момент инерции указанного выше приведенного
сечения относительно нейтральной оси, равный
,
(4.38)
здесь:
,
,
- моменты инерции соответственно сжатой зоны
бетона, площадей арматуры сжатой и растянутой зоны относительно нейтральной
оси;
- см.
п. 4.9.
Для элементов
прямоугольного, таврового и двутаврового сечений уравнение (4.37) можно
представить в виде
(4.39)
и решать методом
Ньютона.
Здесь
;
;
;
.
Полученное из
решения уравнения (4.39) значение
должно удовлетворять условиям:
и
.
При отсутствии в
сжатой зоне свесов в уравнении (4.39) принимается
и
.
Для этих же сечений
при
и
кривизну допускается определять по формуле
,
(4.40)
где
- коэффициент, определяемый по табл. 4.5 в
зависимости от
,
,
.
Таблица 4.5
┌───┬──────┬────────────────────────────────────────────────────────────────────────────────┐
│фи
│ e │ Коэффициент фи при значениях мю x альфа , равных │
│ f│
s │ c s2 │
│ │
--
├────┬────┬────┬────┬────┬────┬────┬────┬────┬────┬────┬────┬────┬────┬────┬─────┤
│ │
h │0,03│0,05│0,07│0,10│0,15│0,20│0,25│0,30│0,40│0,50│0,60│0,70│0,90│1,10│1,50│2,00
│
│ │
0 │ │
│ │ │
│ │ │
│ │ │
│ │ │
│ │ │
├───┼──────┼────┼────┼────┼────┼────┼────┼────┼────┼────┼────┼────┼────┼────┼────┼────┼─────┤
│0,0│
0,7
│0,29│0,29│0,30│0,30│0,30│0,31│0,31│0,31│0,32│0,32│0,32│0,32│0,32│0,33│0,33│0,33
│
│
├──────┼────┼────┼────┼────┼────┼────┼────┼────┼────┼────┼────┼────┼────┼────┼────┼─────┤
│ │ 0,8
│0,18│0,20│0,21│0,22│0,24│0,25│0,26│0,27│0,28│0,28│0,29│0,29│0,30│0,31│0,31│0,32
│
│
├──────┼────┼────┼────┼────┼────┼────┼────┼────┼────┼────┼────┼────┼────┼────┼────┼─────┤
│ │ 0,9
│0,12│0,14│0,16│0,18│0,20│0,21│0,23│0,24│0,25│0,26│0,27│0,27│0,28│0,29│0,30│0,31
│
│
├──────┼────┼────┼────┼────┼────┼────┼────┼────┼────┼────┼────┼────┼────┼────┼────┼─────┤
│ │ 1,0
│0,09│0,11│0,13│0,15│0,18│0,19│0,20│0,21│0,23│0,24│0,25│0,26│0,27│0,28│0,29│0,30
│
│
├──────┼────┼────┼────┼────┼────┼────┼────┼────┼────┼────┼────┼────┼────┼────┼────┼─────┤
│ │ 1,1
│0,07│0,09│0,11│0,13│0,16│0,17│0,19│0,20│0,22│0,23│0,24│0,25│0,26│0,28│0,28│0,29
│
│
├──────┼────┼────┼────┼────┼────┼────┼────┼────┼────┼────┼────┼────┼────┼────┼────┼─────┤
│ │ 1,2
│0,06│0,08│0,10│0,12│0,14│0,16│0,18│0,19│0,21│0,22│0,23│0,24│0,26│0,27│0,28│0,29
│
│
├──────┼────┼────┼────┼────┼────┼────┼────┼────┼────┼────┼────┼────┼────┼────┼────┼─────┤
│ │ 1,3
│0,05│0,07│0,09│0,11│0,13│0,15│0,17│0,18│0,20│0,21│0,23│0,23│0,25│0,26│0,27│0,29
│
├───┼──────┼────┼────┼────┼────┼────┼────┼────┼────┼────┼────┼────┼────┼────┼────┼────┼─────┤
│0,2│
0,8
│0,31│0,33│0,34│0,35│0,37│0,38│0,39│0,40│0,41│0,42│0,43│0,43│0,44│0,45│0,45│0,46
│
│
├──────┼────┼────┼────┼────┼────┼────┼────┼────┼────┼────┼────┼────┼────┼────┼────┼─────┤
│ │ 0,9
│0,18│0,21│0,23│0,26│0,29│0,31│0,33│0,34│0,36│0,38│0,39│0,40│0,41│0,42│0,43│0,444│
│
├──────┼────┼────┼────┼────┼────┼────┼────┼────┼────┼────┼────┼────┼────┼────┼────┼─────┤
│ │ 1,0
│0,12│0,15│0,18│0,21│0,24│0,27│0,29│0,30│0,33│0,34│0,36│0,37│0,39│0,40│0,42│0,43
│
│
├──────┼────┼────┼────┼────┼────┼────┼────┼────┼────┼────┼────┼────┼────┼────┼────┼─────┤
│ │ 1,1
│0,09│0,12│0,15│0,17│0,21│0,24│0,26│0,28│0,30│0,32│0,34│0,35│0,37│0,39│0,40│0,43
│
│
├──────┼────┼────┼────┼────┼────┼────┼────┼────┼────┼────┼────┼────┼────┼────┼────┼─────┤
│ │ 1,2
│0,07│0,10│0,13│0,15│0,19│0,22│0,24│0,26│0,28│0,30│0,32│0,33│0,36│0,38│0,39│0,41
│
│
├──────┼────┼────┼────┼────┼────┼────┼────┼────┼────┼────┼────┼────┼────┼────┼────┼─────┤
│ │ 1,3
│0,07│0,09│0,11│0,14│0,17│0,20│0,22│0,24│0,27│0,29│0,31│0,32│0,35│0,37│0,38│0,40
│
├───┼──────┼────┼────┼────┼────┼────┼────┼────┼────┼────┼────┼────┼────┼────┼────┼────┼─────┤
│0,4│
0,8
│0,46│0,47│0,48│0,50│0,51│0,53│0,54│0,54│0,56│0,57│0,57│0,58│0,59│0,59│0,60│0,60
│
│ ├──────┼────┼────┼────┼────┼────┼────┼────┼────┼────┼────┼────┼────┼────┼────┼────┼─────┤
│ │ 0,9
│0,23│0,27│0,30│0,34│0,38│0,41│0,43│0,44│0,47│0,49│0,50│0,52│0,53│0,55│0,56│0,58
│
│
├──────┼────┼────┼────┼────┼────┼────┼────┼────┼────┼────┼────┼────┼────┼────┼────┼─────┤
│ │ 1,0
│0,14│0,18│0,22│0,25│0,30│0,33│0,36│0,38│0,41│0,44│0,46│0,47│0,50│0,52│0,54│0,55
│
│
├──────┼────┼────┼────┼────┼────┼────┼────┼────┼────┼────┼────┼────┼────┼────┼────┼─────┤
│ │ 1,1
│0,10│0,14│0,17│0,21│0,25│0,29│0,32│0,34│0,38│0,40│0,42│0,44│0,47│0,50│0,52│0,54
│
│
├──────┼────┼────┼────┼────┼────┼────┼────┼────┼────┼────┼────┼────┼────┼────┼────┼─────┤
│ │ 1,2
│0,10│0,11│0,14│0,18│0,22│0,26│0,29│0,31│0,35│0,38│0,40│0,42│0,45│0,48│0,50│0,52
│
│
├──────┼────┼────┼────┼────┼────┼────┼────┼────┼────┼────┼────┼────┼────┼────┼────┼─────┤
│ │>=
1,3│0,11│0,10│0,13│0,16│0,20│0,24│0,27│0,29│0,33│0,36│0,38│0,40│0,43│0,46│0,49│0,51
│
├───┼──────┼────┼────┼────┼────┼────┼────┼────┼────┼────┼────┼────┼────┼────┼────┼────┼─────┤
│0,6│
0,8
│0,61│0,63│0,64│0,65│0,67│0,68│0,69│0,69│0,71│0,71│0,72│0,73│0,73│0,74│0,75│0,75
│
│
├──────┼────┼────┼────┼────┼────┼────┼────┼────┼────┼────┼────┼────┼────┼────┼────┼─────┤
│ │ 0,9
│0,28│0,33│0,37│0,41│0,46│0,50│0,52│0,54│0,58│0,60│0,62│0,63│0,62│0,68│0,69│0,71
│
│
├──────┼────┼────┼────┼────┼────┼────┼────┼────┼────┼────┼────┼────┼────┼────┼────┼─────┤
│ │ 1,0
│0,16│0,21│0,25│0,29│0,35│0,39│0,43│0,45│0,50│0,53│0,55│0,57│0,60│0,63│0,65│0,68
│
│
├──────┼────┼────┼────┼────┼────┼────┼────┼────┼────┼────┼────┼────┼────┼────┼────┼─────┤
│ │ 1,1
│0,13│0,15│0,19│0,23│0,29│0,33│0,37│0,40│0,44│0,48│0,51│0,53│0,56│0,60│0,62│0,65
│
│
├──────┼────┼────┼────┼────┼────┼────┼────┼────┼────┼────┼────┼────┼────┼────┼────┼─────┤
│ │ 1,2
│0,14│0,12│0,16│0,20│0,25│0,29│0,33│0,36│0,41│0,44│0,47│0,50│0,53│0,57│0,60│0,63
│
│
├──────┼────┼────┼────┼────┼────┼────┼────┼────┼────┼────┼────┼────┼────┼────┼────┼─────┤
│ │ 1,3
│0,15│0,13│0,14│0,17│0,23│0,27│0,30│0,33│0,38│0,42│0,45│0,47│0,51│0,55│0,58│0,62
│
├───┼──────┼────┼────┼────┼────┼────┼────┼────┼────┼────┼────┼────┼────┼────┼────┼────┼─────┤
│0,8│
0,8
│0,79│0,80│0,80│0,81│0,83│0,84│0,85│0,85│0,86│0,87│0,87│0,88│0,88│0,89│0,90│0,90
│
│
├──────┼────┼────┼────┼────┼────┼────┼────┼────┼────┼────┼────┼────┼────┼────┼────┼─────┤
│ │ 0,9
│0,33│0,38│0,43│0,48│0,54│0,58│0,62│0,64│0,68│0,71│0,73│0,75│0,78│0,80│0,82│0,84
│
│
├──────┼────┼────┼────┼────┼────┼────┼────┼────┼────┼────┼────┼────┼────┼────┼────┼─────┤
│ │ 1,0
│0,17│0,23│0,27│0,33│0,40│0,45│0,49│0,52│0,57│0,61│0,64│0,66│0,70│0,74│0,77│0,80
│
│
├──────┼────┼────┼────┼────┼────┼────┼────┼────┼────┼────┼────┼────┼────┼────┼────┼─────┤
│ │ 1,1
│0,16│0,16│0,20│0,25│0,32│0,37│0,41│0,45│0,50│0,55│0,58│0,61│0,65│0,70│0,73│0,76
│
│ ├──────┼────┼────┼────┼────┼────┼────┼────┼────┼────┼────┼────┼────┼────┼────┼────┼─────┤
│ │ 1,2
│0,17│0,16│0,17│0,21│0,27│0,32│0,36│0,40│0,46│0,50│0,54│0,57│0,61│0,66│0,70│0,74
│
│
├──────┼────┼────┼────┼────┼────┼────┼────┼────┼────┼────┼────┼────┼────┼────┼────┼─────┤
│ │ 1,3
│0,19│0,17│0,15│0,19│0,24│0,29│0,33│0,37│0,42│0,47│0,50│0,54│0,58│0,64│0,67│0,72
│
├───┼──────┼────┼────┼────┼────┼────┼────┼────┼────┼────┼────┼────┼────┼────┼────┼────┼─────┤
│1,0│
0,8
│0,97│0,98│0,98│0,99│1,0
│1,01│1,01│1,02│1,02│1,03│1,03│1,04│1,04│1,04│1,05│1,05
│
│
├──────┼────┼────┼────┼────┼────┼────┼────┼────┼────┼────┼────┼────┼────┼────┼────┼─────┤
│ │ 0,9
│0,37│0,44│0,49│0,55│0,62│0,67│0,71│0,74│0,78│0,82│0,84│0,86│0,89│0,93│0,95│0,97
│
│
├──────┼────┼────┼────┼────┼────┼────┼────┼────┼────┼────┼────┼────┼────┼────┼────┼─────┤
│ │ 1,0
│0,18│0,24│0,29│0,36│0,44│0,50│0,54│0,58│0,64│0,69│0,72│0,75│0,80│0,85│0,88│0,91
│
│
├──────┼────┼────┼────┼────┼────┼────┼────┼────┼────┼────┼────┼────┼────┼────┼────┼─────┤
│ │ 1,1
│0,19│0,18│0,22│0,27│0,34│0,40│0,46│0,49│0,56│0,61│0,65│0,69│0,73│0,79│0,83│0,87
│
│
├──────┼────┼────┼────┼────┼────┼────┼────┼────┼────┼────┼────┼────┼────┼────┼────┼─────┤
│ │ 1,2
│0,21│0,19│0,18│0,22│0,29│0,35│0,37│0,43│0,50│0,55│0,59│0,63│0,69│0,75│0,79│0,84
│
│
├──────┼────┼────┼────┼────┼────┼────┼────┼────┼────┼────┼────┼────┼────┼────┼────┼─────┤
│ │ 1,3
│0,23│0,21│0,19│0,20│0,26│0,31│0,36│0,39│0,46│0,51│0,56│0,59│0,65│0,71│0,76│0,81
│
└───┴──────┴────┴────┴────┴────┴────┴────┴────┴────┴────┴────┴────┴────┴────┴────┴────┴─────┘
;
;
.
─────────────────────────────────────────────────────────────────────────────────────────────
Определение
кривизны предварительно напряженных элементов
на основе
нелинейной деформационной модели
4.25.
Значение кривизны принимают равным
,
(4.41)
где
- максимальная относительная деформация
сжатого бетона, определяемая на основе положений, приведенных в пп. 3.26 -
3.29;
x - высота сжатой
зоны в направлении, нормальном к нейтральной оси.
При этом для
элемента с трещинами в растянутой зоне напряжение в арматуре, пересекающей
трещину, определяют по диаграммам на черт. 3.11 - 3.13 в зависимости от
деформации арматуры, равной
,
(4.42)
где
- усредненная в пределах между трещинами
относительная деформация арматуры, растянутой от внешней нагрузки,
соответствующая линейному закону распределения деформаций по сечению;
-
относительная деформация арматуры в трещине от действия нагрузки,
соответствующей образованию трещин.
При наличии трещин
напряженно-деформированное состояние сжатого бетона определяется по
двухлинейной диаграмме
(см. черт. 3.10) с использованием приведенного
модуля деформаций сжатого бетона
,
определяемого согласно п. 4.24, и значений
и
,
принимаемых по табл. 4.6.
Таблица 4.6

При отсутствии
трещин напряженно-деформированное состояние сжатого бетона определяется по
трехлинейной диаграмме (черт. 4.11), где
;
и
- см. табл. 4.6;
принимается равным: при непродолжительном
действии нагрузки -
, при
продолжительном действии нагрузки - по формуле (4.34).
Напряженно-деформированное состояние растянутого бетона также определяется по
трехлинейной диаграмме (см. черт. 4.11) с заменой
на
,
на
,
на
, где
значения
и
- см. табл. 4.6.

Черт. 4.11.
Трехлинейная диаграмма состояния сжатого бетона
при расчетах по 2-й
группе предельных состояний
При расчете
статически неопределимых конструкций с учетом физической нелинейности для
отдельных участков элементов используются жесткости, равные
, где
М - максимальный момент на рассматриваемом участке,
- соответствующая этому моменту кривизна.
Определение
углов сдвига железобетонного элемента
4.26. Угол
деформации сдвига определяется по формуле
,
(4.43)
где
- поперечная сила в сечении x от действия
внешней нагрузки;
G - модуль сдвига
бетона (см. п. 2.10);
-
коэффициент, учитывающий влияние ползучести бетона и принимаемый равным: при
продолжительном действии нагрузок -
, где
- см. табл. 2.6 п. 2.9; при непродолжительном
действии нагрузки
;
-
коэффициент, учитывающий влияние трещин на деформации сдвига и принимаемый
равным:
- на участках по
длине элемента, где отсутствуют нормальные и наклонные к продольной оси
элемента трещины, -
;
- на участках, где
имеются только наклонные трещины, -
;
- на участках, где
имеются только нормальные или нормальные и наклонные трещины, коэффициент
определяется по формуле
,
(4.44)
где
и
- соответственно момент и кривизна от внешней
нагрузки при непродолжительном ее действии;
-
момент инерции полного приведенного сечения при коэффициенте приведения
арматуры к бетону
.
Отсутствие
наклонных трещин соответствует выполнению условия (3.71) п. 3.40.
Примеры
расчета
Пример 21.
Дано: плита перекрытия - по черт. 4.7; расчетный пролет плиты l = 5,7 м;
нагрузка равномерно распределенная; максимальный момент для половины сечения
плиты от постоянной и длительной нагрузок
;
усилие предварительного обжатия с учетом всех потерь напряжения P = 150 кН;
потери напряжения от усадки и ползучести бетона на уровне арматуры растянутой
зоны
;
влажность воздуха нормальная; прогиб ограничивается эстетическими требованиями;
остальные данные - по примеру 19.
Требуется
рассчитать плиту по деформациям.
Расчет. Определяем
кривизну
в середине пролета от продолжительного
действия постоянных и длительных нагрузок, т.е. при
.
Из примера 19 для
этих нагрузок имеем:
,
,
.
При продолжительном
действии нагрузки и нормальной влажности имеем
.
Тогда
и
.
По табл. 4.5 при
,
и
находим
.
Тогда согласно формуле (4.40) кривизна
равна
.
По формуле (4.31)
определим кривизну, обусловленную остаточным выгибом. Согласно примеру 20 в
стадии обжатия в верхней зоне образуются трещины, следовательно,
, и
тогда
.
Полная кривизна в
середине пролета от постоянных и длительных нагрузок равна
.
Прогиб плиты
определяем по формуле (4.25), принимая согласно табл. 4.3
:
.
Согласно СНиП
2.01.07-85* табл. 19 поз. 2 при l = 5,7 м предельно допустимый из эстетических
требований прогиб равен
, что
превышает вычисленное значение прогиба.
Пример 22. По
данным примера 18 проверить прогиб свободно опертой плиты, принимая при этом:
расчетный пролет плиты l = 6,9 м, все нагрузки равномерно распределенные;
влажность воздуха помещения нормальная; потери предварительного напряжения от
усадки и ползучести, определенные для сечения в середине пролета на уровне
напрягаемой арматуры,
, то
же, на уровне верхней грани плиты
;
прогиб ограничивается эстетическими требованиями, а также конструктивным
требованием в виде предельного прогиба, равного зазору в 40 мм между плитой и
нижерасположенной перегородкой.
Расчет. Определяем
прогиб в середине пролета от постоянных и длительных нагрузок, т.е. при
.
Из примера 18 для
этих нагрузок имеем
, а
также
,
и
.
При продолжительном
действии нагрузок и нормальной влажности
.
Тогда
и
.
По табл. 4.5 при
,
и
находим
.
Тогда согласно формуле (4.40) кривизна
равна
.
Поскольку
,
кривизна, обусловленная остаточным выгибом, согласно формуле (4.31) меньше 0,0,
принимаем
, и
тогда
.
Определяем прогиб
плиты по упрощенной формуле (4.25), принимая
:
.
Согласно табл. 19
поз. 3 СНиП 2.01.07-85* для пролета 7 м относительное значение предельного
прогиба из эстетических требований равно
и, следовательно,
,
т.е. условие (4.22) не выполнено.
Определим прогиб по
уточненной формуле (4.26). Для этого определяем кривизну без учета наличия
трещин согласно п. 4.23. Модуль деформации сжатого бетона
при
(как при В15, см. табл. 2.6) равен
, и
тогда
.
Повторно определяем
характеристики приведенного сечения при новом значении
:

y = (1042432 x 110
+ 2 x 41385,4 x 110+28197 x 27) /
/ 213399,5 = 77,7
мм;

Кривизна в середине
пролета от действия момента от внешней нагрузки М = 46,5 кН x м равна
.
Поскольку кривизна от непродолжительного действия момента
плюс
,
очевидно, меньше кривизны от продолжительного действия этого момента, принимаем
сумму
равной этой кривизне, т.е.
.
Тогда
.
Из данных примера
18 имеем
и
.
Тогда при
по табл. 4.4 находим
.

т.е. условие (4.22) по эстетическим
требованиям выполнено.
Определим прогиб
плит от всех нагрузок. Для этого аналогично определяем кривизны
и
соответственно моментов
и
,
принимая непродолжительное действие нагрузки, т.е.
и
.
Тогда по табл. 4.5 при
,
и
находим
и, следовательно,
.
При
,
и
по табл. 4.5 находим
.
Тогда
.
Полная кривизна в
середине пролета с учетом наличия трещин равна
.
Полную кривизну без
учета наличия трещин определим, прибавив к вычисленному значению
кривизну
от кратковременного момента, равного
, при
и
(см. пример 18).
.
.
Подставив значение
и
в формулу (4.26), получим

Этот прогиб можно
уменьшить за счет кратковременного прогиба от постоянной нагрузки (с учетом
усилия обжатия), проявившегося до установки нижерасположенной перегородки.
Принимаем
постоянную нагрузку (собственный вес плюс стяжки) равной 6,45 кН/м. Момент от
этой нагрузки равен
.
Прогиб от этой
нагрузки и от постоянного по всему пролету момента
(где
- см. пример 18) при жесткости
равен
.
Тогда
,
т.е. считаем, что конструктивное требование выполнено.
5.
КОНСТРУКТИВНЫЕ ТРЕБОВАНИЯ
ОБЩИЕ
ТРЕБОВАНИЯ
5.1. Для
обеспечения прочности, пригодности к нормальной эксплуатации и долговечности
железобетонных конструкций, а также для обеспечения условий их изготовления
помимо требований, определяемых расчетом, следует выполнить конструктивные
требования, изложенные в настоящем разделе.
Кроме того, следует
учитывать конструктивные требования, приведенные в "Пособии по
проектированию бетонных и железобетонных конструкций из тяжелого бетона без
предварительного напряжения арматуры (к СП 52-101-2003)", а также специальные
требования, связанные с конкретной технологией изготовления конструкции.
АРМИРОВАНИЕ
Защитный
слой бетона
5.2. Арматура,
расположенная внутри сечения конструкции, должна иметь защитный слой бетона
(расстояние от поверхности арматуры до ближайшей грани конструкции), чтобы
обеспечивать:
- совместную работу
с бетоном;
- анкеровку
арматуры в бетоне;
- сохранность
арматуры от воздействия окружающей среды (в том числе при наличии агрессивных
воздействий);
- огнестойкость и
огнесохранность.
5.3. Для продольной
арматуры (напрягаемой и ненапрягаемой) толщина защитного слоя должна быть не
менее диаметра стержня или каната и не менее:
- для конструкций в
закрытых помещениях при нормальной и пониженной влажности - 20 мм;
- то же, при
повышенной влажности и отсутствии дополнительных защитных мероприятий - 25 мм;
- для конструкций
на открытом воздухе и отсутствии дополнительных защитных мероприятий - 30 мм.
Для поперечной,
распределительной и конструктивной арматуры минимальная толщина защитного слоя
принимается на 5 мм меньше указанной для рабочей продольной арматуры и не менее
диаметра стержня соответствующей арматуры.
Минимальные
расстояния между стержнями арматуры
5.4.
Минимальные расстояния в свету между стержнями арматуры следует принимать такими,
чтобы обеспечить совместную работу арматуры с бетоном и качественное
изготовление конструкций, связанное с укладкой и уплотнением бетонной смеси, но
не менее наибольшего диаметра стержня, а также не менее:
25 мм - при
горизонтальном или наклонном положении стержней при бетонировании - для нижней
арматуры, расположенной в один или два ряда;
30 мм - то же, для
верхней арматуры;
50 мм - то же, при
расположении нижней арматуры более чем в два ряда (кроме стержней двух нижних
рядов), а также при вертикальном положении стержней при бетонировании.
В элементах или
узлах с большим насыщением арматурой или закладными деталями, изготовляемых без
применения виброплощадок или вибраторов, укрепленных на опалубке, должно быть
обеспечено в отдельных местах расстояние в свету не менее 60 мм для прохождения
между арматурными стержнями наконечников глубинных вибраторов, уплотняющих
бетонную смесь. Расстояния между такими местами должны быть не более 500 мм.
При стесненных
условиях допускается располагать стержни группами - пучками (без зазора между
ними). При этом расстояния в свету между пучками должны быть также не менее
приведенного диаметра стержня, эквивалентного по площади сечения пучка
арматуры, принимаемого равным
, где
- диаметр одного стержня в пучке, n - число
стержней в пучке.
5.5. Расстояния в
свету между стержнями периодического профиля, указанные в п. 5.4, определяются
по номинальному диаметру без учета выступов и ребер.
Назначая
расположение арматуры в сечении со стесненными условиями с учетом примыкающих
других арматурных элементов и закладных деталей, следует принимать во внимание
диаметры стержней с учетом выступов и ребер (Прил. 1), а также допускаемые
отклонения от номинальных размеров стержней арматуры, сварных сеток и каркасов,
закладных деталей, форму и расположение арматуры и закладных деталей в сечении.
Продольное
армирование
5.6. В
железобетонных изгибаемых элементах площадь сечения продольной растянутой
арматуры, а также сжатой ненапрягаемой, если она требуется по расчету, следует
принимать не менее 0,1% от площади сечения бетона, равной
.
Это требование не
распространяется на армирование, определяемое расчетом элемента для стадий изготовления
и транспортирования; в этом случае площадь сечения арматуры определяется только
расчетом.
5.7. В
железобетонных балках и плитах наибольшие расстояния между осями стержней
продольной арматуры, обеспечивающие эффективное вовлечение в работу бетона,
равномерное распределение напряжений и деформаций, а также ограничение ширины
раскрытия трещин между стержнями арматуры, должны быть не более:
200 мм - при высоте
поперечного сечения h <= 150 мм;
1,5h и 400 мм - при
высоте поперечного сечения h > 150 мм.
В многопустотных
настилах расстояния между осями рабочих стержней разрешается увеличивать в
соответствии с расположением пустот в сечении, но не более чем до 2h.
5.8. В балках и
ребрах шириной более 150 мм число продольных рабочих растянутых стержней в поперечном
сечении должно быть не менее двух. При ширине элемента 150 мм и менее
допускается устанавливать в поперечном сечении один продольный стержень.
5.9. В изгибаемых
элементах при высоте сечения более 700 мм у боковых граней должны ставиться
конструктивные продольные стержни с расстояниями между ними по высоте не более
400 мм и площадью сечения не менее 0,1% площади сечения бетона, имеющего
размер, равный по высоте элемента расстоянию между этими стержнями, по ширине -
половине ширины ребра элемента, но не более 200 мм (черт. 5.1).

Черт. 5.1.
Установка конструктивной продольной
арматуры по высоте
сечения балки
Поперечное
армирование
5.10. Поперечную
арматуру следует устанавливать исходя из расчета на восприятие усилий, а также
с целью ограничения развития трещин, удержания продольных стержней в проектном
положении и закрепления их от бокового выпучивания в любом направлении.
Поперечную арматуру
устанавливают у всех поверхностей железобетонных элементов, вблизи которых
ставится продольная арматура. При этом расстояния между поперечными стержнями у
каждой поверхности элемента должны быть не более 600 мм и не более удвоенной
ширины грани элемента. Поперечную арматуру допускается не ставить у граней
тонких ребер шириной 150 мм и менее, по ширине которых располагается лишь один
продольный стержень.
5.11.
Диаметр поперечной арматуры в вязаных каркасах изгибаемых элементов принимают
не менее 6 мм.
5.12. В
железобетонных элементах, в которых поперечная сила по расчету не может быть
воспринята только бетоном, следует предусматривать установку поперечной
арматуры с шагом не более
и не более 300 мм.
В сплошных плитах,
а также в многопустотных и часторебристых плитах высотой менее 300 мм и в
балках (ребрах) высотой менее 150 мм на участке элемента, где поперечная сила
по расчету воспринимается только бетоном, поперечную арматуру можно не
устанавливать.
В балках и ребрах
высотой 150 мм и более, а также в часторебристых плитах высотой 300 мм и более,
на участках элемента, где поперечная сила по расчету воспринимается только
бетоном, следует предусматривать установку поперечной арматуры с шагом не более
и не более 500 мм.
5.13. В
линейных изгибаемых элементах, при наличии необходимой по расчету сжатой
ненапрягаемой арматуры, с целью предотвращения выпучивания продольной арматуры
следует устанавливать поперечную арматуру с шагом не более 15d и не более 500
мм (d - диаметр сжатой продольной арматуры).
Если насыщение
сжатой продольной арматуры, устанавливаемой у одной из граней элемента, более
1,5%, поперечную арматуру следует устанавливать с шагом не более 10d и не более
300 мм.
5.14. Поперечная
арматура, предусмотренная для восприятия поперечных сил, должна иметь надежную
анкеровку по концам путем приварки к продольным ненапрягаемым стержням,
обеспечивающей равнопрочность соединения и хомутов, или охвата продольной
арматуры. Во всех случаях диаметр продольных стержней должен быть не менее 0,8
диаметра поперечных.
Армирование
концов предварительно напряженных элементов
5.15. У концов
предварительно напряженных элементов на длине не менее 0,6 длины передачи
предварительного напряжения (см. п. 2.35) следует предусматривать установку
дополнительной поперечной или косвенной арматуры, охватывающей напрягаемую
арматуру, с шагом не более 100 мм (черт. 5.2, 5.3).

Черт. 5.2.
Армирование конца предварительно
напряженной балки
1 - сварные сетки в
виде гребенок (для удобства укладки
напрягаемых
стержней), требуемые согласно п. 5.16;
2 - поперечные
стержни, требуемые согласно п. 5.17
и привариваемые к
закладной детали; 3 - напрягаемая
арматура (основная
поперечная арматура балок и арматура,
установленная по
контуру опорного уширения, не показана)

Черт. 5.3.
Армирование конца многопустотного настила
1 - сварная сетка,
требуемая согласно п. 5.16;
2 - напрягаемые
стержни
Концы узких ребер
рекомендуется усиливать путем установки закладных деталей-обойм с анкерными
стержнями (черт. 5.4). Эти анкерные стержни можно учитывать при выполнении
требований п. 5.16.

Черт. 5.4.
Армирование конца ребра плиты перекрытия
1 - сварная сетка
согласно п. 5.16; 2 - плоский арматурный
каркас ребра; 3 -
анкерные стержни закладной детали-обоймы
согласно пп. 5.16 и
5.17; 4 - напрягаемый стержень
(арматура полки
плиты и поперечного ребра, а также арматура
в углах между
поперечным и продольным ребрами не показана)
Для элементов с
напрягаемой арматурой класса А при передаточной прочности бетона не менее 22
МПа указанную поперечную или косвенную арматуру можно не предусматривать, если
предварительное напряжение
с учетом первых потерь не превышает:
460 МПа при
;
420 МПа при
;
380 МПа при

(где
- диаметр напрягаемых стержней).
В случае отсутствия
по длине элемента поперечной арматуры указанные значения
снижаются на 40 МПа.
При передаточной
прочности бетона менее 22 МПа дополнительную поперечную или косвенную арматуру
можно не предусматривать лишь при
.
5.16. Для
предотвращения продольных трещин у торцов предварительно напряженных элементов
необходимо у торцов на участке не менее 1/4 высоты элемента предусматривать
дополнительную поперечную арматуру на всю высоту элемента.
Эта арматура должна
быть надежно заанкерена приваркой к нижней закладной детали или представлять
собой корытообразную сетку, охватывающую нижнюю продольную арматуру.
Сечение этой
поперечной арматуры должно в состоянии воспринимать не менее 20% усилия в
напрягаемой арматуре нижней зоны, определяемого по прочности (т.е. равного
).
Анкеровка
арматуры
5.17.
Анкеровку арматуры осуществляют одним из следующих способов:
- в виде прямого
окончания стержня (прямая анкеровка);
- с применением
специальных анкерных устройств на конце стержня.
Кроме того,
анкеровка ненапрягаемой арматуры может осуществляться загибом на конце стержня
в виде крюка, отгиба (лапки) или петли, а также приваркой поперечных стержней.
5.18. Базовую
(основную) длину анкеровки напрягаемой и ненапрягаемой арматуры, необходимую
для передачи усилия в арматуре с полным расчетным сопротивлением
на бетон, определяют по формуле
,
(5.1)
где
и
- соответственно площадь сечения анкеруемого
стержня напрягаемой (ненапрягаемой) арматуры и периметр его сечения,
определяемые по номинальному диаметру стержня;
-
расчетное сопротивление сцепления арматуры с бетоном, принимаемое равномерно
распределенным по длине анкеровки и определяемое по формуле
,
(5.2)
здесь
- коэффициент, учитывающий влияние вида
поверхности арматуры и принимаемый равным:
2,5 - для
горячекатаной и термомеханически упрочненной арматуры периодического профиля класса
А;
2,2 - для
арматурных канатов класса А диаметром 9 мм и более;
2,0 - для
холоднодеформированной арматуры класса В500;
1,8 - для
холоднодеформированной арматуры класса Вр диаметром 4 мм и более;
1,7 - для
холоднодеформированной арматуры класса Вр диаметром 3 мм и арматурных канатов
класса К диаметром 6 мм;
1,5 - для гладкой
арматуры класса А240;
-
коэффициент, учитывающий влияние размера диаметра арматуры и принимаемый
равным:
1,0 - для диаметра
арматуры
;
0,9 - для диаметра
арматуры 36 и 40 мм.
5.19. Требуемую
расчетную длину прямой анкеровки напрягаемой арматуры с учетом конструктивного
решения элемента в зоне анкеровки определяют по формуле
,
(5.3)
где
- базовая длина анкеровки, определяемая по
формуле (5.1);
,
- площадь поперечного сечения арматуры,
соответственно требуемая по расчету с полным расчетным сопротивлением и
фактически установленная.
Для крайних
свободных опор балок длину анкеровки можно уменьшить в зависимости от
поперечной или косвенной арматуры, охватывающей продольную арматуру, и величины
поперечного обжатия бетона согласно указаниям п. 3.43.
В любом случае
фактическую длину анкеровки принимают не менее 15d и не менее 200 мм.
5.20. Если согласно
расчету наклонных сечений на действие изгибающего момента (пп. 3.41 - 3.44)
невозможно или нерационально установить необходимую поперечную арматуру, на
концах стержней напрягаемой арматуры устанавливают анкера следующих типов:
высаженные головки
(черт. 5.5, а) - для арматуры классов А600 (марки 200ХГ2Ц) и А800;
обжатые шайбы
(черт. 5.5, б и табл. 5.1) - для арматуры классов А600, А800, А1000;
приваренные
коротыши (черт. 5.5, в) - для арматуры классов А600 (марок 2Г2С и 20ХГ2Ц) и
А800.

Черт. 5.5.
Временные технологические анкеры
на напрягаемой
стержневой арматуре
а - высаженная
головка; б - обжатая шайба
(размеры см. табл.
5.1); в - приваренные коротыши
Таблица 5.1
┌────────┬─────────────────────────┬───────────────────┬──────────────────┐
│Диаметр
│ Диаметр шайбы │ Высота шайбы H до │ Больший размер │
│арматуры│ до опрессовки, мм │опрессовки, мм, для│ шайбы после │
│
d, мм │ │ арматуры класса │ опрессовки D, мм │
│
├─────────────┬───────────┼─────┬──────┬──────┤ │
│ │внутренний d │наружный D
│А-IV │ А-V │ А-VI
│ │
│ │ 0│ 0│ │ │ │ │
├────────┼─────────────┼───────────┼─────┼──────┼──────┼──────────────────┤
│ 10
│ 13 │
30 │ 8
│ 10 │
11 │ 35 │
│ 12
│ 15 │
32 │ 8
│ 11 │
14 │ 37 │
│ 14
│ 17 │
32 │ 10
│ 13 │
17 │ 37 │
│ 16
│ 20 │
36 │ 11 │
15 │ 19
│ 42 │
│ 18
│ 22 │
36 │ 13 │
17 │ 21
│ 42 │
│ 20
│ 24 │
40 │ 14 │
19 │ 23 │ 47 │
│ 22
│ 26 │
42 │ 16 │
21 │ 25
│ 49 │
└────────┴─────────────┴───────────┴─────┴──────┴──────┴──────────────────┘
Типы анкеров для
ненапрягаемой арматуры приведены в "Пособии по проектированию бетонных и
железобетонных конструкций из тяжелого бетона без предварительного напряжения
арматуры (к СП 52-101-2003)".
В этом случае
усилие в продольной арматуре принимается равной
, где
- площадь контакта анкера с бетоном.
5.21. При
размещении анкеров на напрягаемой арматуре следует учитывать их перемещение при
удлинении в процессе ее натяжения на упоры; после натяжения арматуры анкер
должен занимать проектное положение.
ТРЕБОВАНИЯ
К ЖЕЛЕЗОБЕТОННЫМ КОНСТРУКЦИЯМ
5.22. Размеры
сборных железобетонных элементов следует назначать с учетом грузоподъемности и
габаритных ограничений технологического, транспортного и монтажного
оборудования на заводах-изготовителях и на строительных площадках. В необходимых
случаях следует учитывать возможность подъема железобетонного изделия вместе с
формой.
5.23. Во избежание
повреждений от местных концентраций напряжений при резком изменении направлений
граней изделия (например, во внутренних углах) рекомендуется предусматривать
смягчение очертания в виде уклонов, фасок или закруглений по возможности
небольшой величины (до 50 мм), чтобы не требовалось местное армирование (черт.
5.6, а, б, в).
Во внешних острых
углах во избежание откалывания бетона следует устраивать скосы или закругления
(черт. 5.6, г).

Черт. 5.6.
Закругления и фаски
а - закругления в
ребристой плите; б - фаска между полкой
и стенкой в
тавровой балке; в - сочетание фаски
и закругления в
узле фермы; г - смягчение
острого угла в
ригеле
5.24. При
проектировании железобетонных конструкций их очертание следует принимать с
учетом устройства и способа использования форм (опалубки).
При применении форм
с откидными бортами очертание изделия не должно препятствовать повороту борта
(черт. 5.7, а) при распалубке.
При применении
неразъемных форм для возможности извлечения изделия из них должны
предусматриваться технологические уклоны не менее 1:10 (черт. 5.7, б, в). В
случае применения неразъемных форм с использованием выпрессовывания уклон
должен быть не менее 1:15 (черт. 5.7, г).
При немедленной
распалубке с обеспечением фиксированного (во избежание нарушения бетона)
вертикального перемещения формующего элемента оснастки (черт. 5.7, д, е) уклон
должен быть не менее 1:50.
При использовании
форм с одним неподвижным и одним откидным бортом для возможности вертикального
подъема конструкции при распалубке следует переход от большей ширины изделий к
меньшей [например, от нижней полки к стенке (черт. 5.7, ж)] принимать плавным
под углом не менее 45°. Это требование можно не учитывать, если форма снабжена
выпрессовывающим устройством (черт. 5.7, з).

Черт. 5.7.
Технологические уклоны
а - в форме с
откидными бортами; б и в - в неразъемной
форме; г - то же, с
применением выпрессовщика;
д и е - при
немедленной распалубке; ж - в форме
с глухим бортом; з
- то же, с выпрессовщиком
1 - изделие; 2 -
форма; 3 - откидной борт;
4 - выпрессовщик; 5
- вкладыш; 6 - формующая рамка
Применение
выпрессовывания и немедленной распалубки должно согласовываться с изготовителем
изделия.
5.25. В
железобетонных изделиях следует предусматривать устройства для их строповки:
строповочные отверстия (в том числе для инвентарных петель), пазы, уступы и
т.п. или стационарные стальные строповочные петли, которые должны быть
выполнены из горячекатаной стали согласно п. 2.18, а также "Пособия по
проектированию бетонных и железобетонных конструкции из тяжелого бетона без
предварительного напряжения арматуры (к СП 52-101-2003)".
5.26. В целях
снижения отрицательного влияния образования начальных трещин в верхней зоне
балок, плит и т.п. на их жесткость и трещиностойкость рекомендуется назначать
места расположения строповочных устройств и места опирания при перевозке
максимально приближенными к концам элемента с учетом возможностей подъемных
механизмов, применяемых траверс, транспортных средств. Места опирания при
хранении элемента рекомендуется назначать на расстоянии не более 20 - 30 см от
его концов.
Приложение
1
СОРТАМЕНТ
АРМАТУРЫ
Таблица 1
┌────────┬──────────────────────────────────────────────────┬──────┬────────┬────────┐
│Номи- │ Расчетная площадь поперечного
сечения стержневой │Теоре-│Диаметры│Макси- │
│нальный
│ арматуры классов А и В, мм2, при числе стержней │тичес-│арматуры│мальный
│
│диаметр,│
│кая │классов
│размер │
│мм
├──────┬────┬────┬────┬────┬─────┬─────┬─────┬─────┤масса
├───┬────┤сечения
│
│ │
1 │ 2 │ 3
│ 4 │ 5 │
6 │ 7
│ 8 │
9 │1 м, │ В │ А │стержня │
│ │ │
│ │ │
│ │ │
│ │кг │
│ │периоди-│
│ │ │
│ │ │
│ │ │
│ │ │
│ │ческого │
│ │ │
│ │ │
│ │ │
│ │ │
│ │профиля │
├────────┼──────┼────┼────┼────┼────┼─────┼─────┼─────┼─────┼──────┼───┼────┼────────┤
│ 3
│ 7,1│14,1│21,2│28,3│35,3│
42,4│ 49,5│ 56,5│ 63,6│ 0,052│ + │ - │
- │
│ 4
│
12,6│25,1│37,7│50,2│62,8│ 75,4│
87,9│100,5│ 113│
0,092│ + │ - │ -
│
│ 5
│
19,6│39,3│58,9│78,5│98,2│117,8│137,5│157,1│176,7│
0,144│ + │ - │ -
│
│ 6
│ 28,3│ 57│
85│ 113│ 141│
170│ 198│ 226│
254│ 0,222│ + │ +
│ 6,75 │
│ 8
│ 50,3│ 101│
151│ 201│ 251│
302│ 352│ 402│
453│ 0,395│ + │ +
│ 9,0 │
│ 10
│ 78,5│ 157│
236│ 314│ 393│
471│ 550│ 628│
707│ 0,617│ + │ +
│ 11,3 │
│ 12
│ 113,1│ 226│ 339│ 452│ 565│ 679│
792│ 905│ 1018│
0,888│ + │ + │ 13,5
│
│ 14
│ 153,9│ 308│ 462│ 616│ 769│ 923│ 1077│ 1231│
1385│ 1,208│ - │ +
│ 15,5 │
│ 16
│ 201,1│ 402│ 603│ 804│1005│
1206│ 1407│ 1608│ 1810│ 1,578│ - │ + │
18 │
│ 18 │ 254,5│ 509│
763│1018│1272│ 1527│ 1781│ 2036│
2290│ 1,998│ - │ +
│ 20 │
│ 20
│ 314,2│ 628│ 942│1256│1571│
1885│ 2199│ 2513│ 2827│ 2,466│ - │ + │
22 │
│ 22
│ 380,1│ 760│1140│1520│1900│
2281│ 2661│ 3041│ 3421│ 2,984│ - │ + │
24 │
│
25
│ 490,9│ 982│1473│1963│2454│
2945│ 3436│ 3927│ 4418│ 3,84 │ - │ + │
27 │
│ 28
│ 615,8│1232│1847│2463│3079│
3695│ 4310│ 4926│ 5542│ 4,83 │ - │ + │
30,5 │
│ 32
│ 804,3│1609│2413│3217│4021│
4826│ 5630│ 6434│ 7238│ 6,31 │ - │ + │
34,5 │
│ 36
│1017,9│2036│3054│4072│5089│
6107│ 7125│ 8143│ 9161│ 7,99 │ - │ + │
39,5 │
│ 40
│1256,6│2513│3770│5027│6283│
7540│ 8796│10053│11310│ 9,865│ - │ + │
43,5 │
└────────┴──────┴────┴────┴────┴────┴─────┴─────┴─────┴─────┴──────┴───┴────┴────────┘
Примечания. 1.
Номинальный диаметр стержней для арматуры периодического профиля соответствует
номинальному диаметру равновеликих по площади поперечного сечения гладких
стержней.
2. Знак
"+" определяет наличие диаметра в сортаменте; диапазоны диаметров для
различных классов арматуры приведены в табл. 2.7.
Таблица 2
┌──────┬───────────┬──────────────┬───────────────────────────────────────┐
│Класс
│Номинальный│Теоретическая │ Расчетная площадь поперечного
сечения │
│каната│диаметр,
мм│масса 1 м, кг │ арматурных канатов, мм2, при их числе │
│ │ │
├───────┬───────┬───────┬───────┬───────┤
│ │ │ │ 1
│ 2 │
3 │ 4
│ 5 │
├──────┼───────────┼──────────────┼───────┼───────┼───────┼───────┼───────┤
│
К-7 │ 6
│ 0,173 │ 22,7 │ 45,4
│ 68,1 │ 90,8 │ 113,5 │
│ │ 9
│ 0,402 │
51 │ 102
│ 153 │
204 │ 255
│
│ │
12 │ 0,714
│ 90,6 │ 181,2
│ 271,8 │ 362,4 │
453 │
│ │
15 │ 1,116
│ 141,6 │ 283,2 │ 424,8 │ 566,4 │ 708
│
├──────┼───────────┼──────────────┼───────┼───────┼───────┼───────┼───────┤
│
К-19 │ 14 │
1,014 │ 128,7 │
257,4 │ 386,1 │ 514,8 │ 643,5 │
└──────┴───────────┴──────────────┴───────┴───────┴───────┴───────┴───────┘
┌──────┬───────────┬──────────────┬───────────────────────────────────────┐
│Класс
│Номинальный│Теоретическая │ Расчетная площадь поперечного
сечения │
│каната│диаметр,
мм│масса 1 м, кг │ арматурных канатов, мм2, при их числе │
│ │ │
├─────────┬─────────┬─────────┬─────────┤
│ │ │ │ 6
│ 7 │
8 │ 9
│
├──────┼───────────┼──────────────┼─────────┼─────────┼─────────┼─────────┤
│
К-7 │ 6
│ 0,173 │
136,2 │ 158,9
│ 181,6 │
204,3 │
│ │ 9
│ 0,402 │
306 │ 357
│ 408 │
459 │
│ │
12 │ 0,714
│ 543,6 │
634,2 │ 724,8
│ 815,4 │
│ │
15 │ 1,116
│ 849,6 │
991,2 │ 1132,8 │ 1274,4 │
├──────┼───────────┼──────────────┼─────────┼─────────┼─────────┼─────────┤
│
К-19 │ 14 │
1,014 │ 772,2
│ 900,9 │ 1029,6 │ 1158,3 │
└──────┴───────────┴──────────────┴─────────┴─────────┴─────────┴─────────┘
Примечание.
Номинальный диаметр арматурного каната соответствует диаметру окружности,
описанной вокруг его сечения.
Приложение
2
ОСНОВНЫЕ БУКВЕННЫЕ
ОБОЗНАЧЕНИЯ
Усилия от внешних
нагрузок и воздействий
в поперечном
сечении элемента
M - изгибающий
момент;
,
,
- изгибающие моменты соответственно от
кратковременных нагрузок, от постоянных и длительных нагрузок и от всех
нагрузок, включая постоянные, длительные и кратковременные.
Характеристики
положения продольной арматуры
в поперечном
сечении элемента
S - обозначение
продольной арматуры, расположенной в растянутой зоне;
S' - обозначение
продольной арматуры, расположенной в сжатой зоне.
Характеристики
предварительно напряженного элемента
P - усилие
предварительного обжатия, с учетом всех потерь предварительного напряжения в
арматуре;
- то
же, с учетом первых потерь напряжений;
,
- предварительные напряжения соответственно в
напрягаемой арматуре S и S' до обжатия бетона или в момент снижения величины
предварительного напряжения в бетоне до нуля воздействием на элемент внешних
фактических или условных сил, определяемые с учетом потерь предварительного
напряжения в арматуре, соответствующих рассматриваемой стадии работы элемента;
,
- напряжения
с учетом соответственно первых и всех потерь;
-
сжимающие напряжения в бетоне в стадии предварительного обжатия, определяемые
согласно пп. 2.32 и 2.34, с учетом потерь предварительного напряжения в
арматуре, соответствующих рассматриваемой стадии работы элементов;
-
коэффициент точности натяжения арматуры, принимаемый согласно указаниям п. 3.7.
Характеристики
материалов
,
- расчетные сопротивления бетона осевому
сжатию для предельных состояний соответственно первой и второй групп;
,
- расчетные сопротивления бетона осевому
растяжению для предельных состояний соответственно первой и второй групп;
-
передаточная прочность бетона, назначаемая согласно указаниям п. 2.3;
,
,
- расчетные сопротивления бетона
соответственно
,
и
при классе бетона, равном передаточной
прочности
;
,
- расчетное сопротивление арматуры растяжению
для предельных состояний соответственно первой и второй групп;
-
расчетное сопротивление поперечной арматуры растяжению, определяемое согласно
указаниям п. 2.22;
-
расчетное сопротивление арматуры сжатию для предельных состояний первой группы;
- начальный
модуль упругости бетона при сжатии и растяжении;
-
модуль упругости арматуры;
-
отношение соответствующих модулей упругости арматуры
и бетона
.
Геометрические
характеристики
b - ширина
прямоугольного сечения; ширина ребра таврового и двутаврового сечений;
,
- ширина полки таврового и двутаврового
сечений соответственно в растянутой и сжатой зонах;
h - высота
прямоугольного, таврового и двутаврового сечений;
,
- высота полки таврового и двутаврового
сечений соответственно в растянутой и сжатой зонах;
,
- площадь сечения напрягаемой части арматуры
соответственно S и S';
,
- площадь сечения ненапрягаемой части арматуры
соответственно S и S';
a - расстояние от
равнодействующих усилий в арматуре S до ближайшей грани;
a' - расстояние от
равнодействующей предельных растягивающих усилий в арматуре S' до ближайшей
грани;
,
- расстояние от равнодействующей усилий в
арматуре соответственно площадью
и
до ближайшей грани;
-
рабочая высота сечения, равная h - a;
x - высота сжатой
зоны бетона;
-
относительная высота сжатой зоны бетона, равная
;
-
расстояние между хомутами, измеренное по длине элемента;
-
эксцентриситет усилия предварительного обжатия P относительно центра тяжести
приведенного сечения, определяемый в соответствии с указаниями п. 2.36;
-
расстояние соответственно от точки приложения усилия предварительного обжатия P
до центра тяжести сечения арматуры S;
l - пролет
элемента;
-
номинальный диаметр стержней арматурной стали;
-
площадь сечения хомутов, расположенных в одной, нормальной к продольной оси
элемента плоскости, пересекающей наклонное сечение;
-
коэффициент армирования, определяемый как отношение площади сечения арматуры S
к площади поперечного элемента
без учета свесов сжатых и растянутых полок;
A - площадь всего
бетона в поперечном сечении;
-
площадь приведенного сечения элемента, определяемая в соответствии с указаниями
п. 2.33;
I - момент инерции
сечения бетона относительно центра тяжести сечения элемента;
-
момент инерции приведенного сечения элемента относительно его центра тяжести,
определяемый в соответствии с указаниями п. 2.33.