4.6.3. Обозначение
серии поправок, упомянутой в 4.4 (04).&
4.6.4.
Дополнительное обозначение, указывающее на предельные значения выбросов вредных
веществ, для подтверждения которых был выдан &сертификат соответствия&.
Для
&сертификатов соответствия&, выданных для подтверждения соответствия
предельным значениям, указанным в соответствующей строке (строках) таблицы
(таблиц) 2 или (и) 3 в 5.2.1, на маркировке должна быть проставлена римская
цифра:
- для значений,
указанных в строке (строках):
A - I;
B1 - II;
B2 - III;
C - IV.
4.6.4.1.
Для двигателей, работающих на ПГ, на маркировке проставляют обозначение
ассортимента газов, для работы на котором был выдан &сертификат
соответствия&. В этом обозначении используют следующие символы:
H - в случае
двигателя, на который выдан &сертификат соответствия& и который
калиброван для работы на газах группы H;
L - в случае
двигателя, на который выдан &сертификат соответствия& и который
калиброван для работы на газах группы L;
HL - в случае
двигателя, на который выдан &сертификат соответствия& и который
калиброван для работы на газах групп H и L;
- в
случае двигателя, на который выдан &сертификат соответствия& и который
калиброван для работы на конкретном составе газа из группы H, но может быть
адаптирован для другого конкретного газа из группы H посредством точной
регулировки топливной системы двигателя;
- в
случае двигателя, на который выдан &сертификат соответствия& и который
калиброван для работы на конкретном составе газа из группы L, но может быть
адаптирован для другого конкретного газа из группы L посредством точной
регулировки топливной системы двигателя;
- в
случае двигателя, на который выдан &сертификат соответствия& и который
калиброван для работы на конкретном составе газа либо из группы H, либо из
группы L, но может быть адаптирован для другого конкретного газа либо из группы
H, либо из группы L посредством точной регулировки топливной системы двигателя.
4.7. &Если ТС
или двигатель соответствует типу, имеющему сертификат соответствия, выданный на
основании других стандартов, то обозначение, предписанное в 4.6.1, повторять не
следует. В этом случае обозначение настоящего стандарта и дополнительные
обозначения всех других стандартов, в соответствии с которыми были
предоставлены сертификаты соответствия, должны быть расположены в вертикальных
колонках справа от обозначения, предписанного в 4.6.1.
4.8. Маркировку по
4.6 размещают рядом с табличкой, устанавливаемой на двигателе
предприятием-изготовителем, или наносят на нее.
4.9. В Приложении Г
приведены в качестве примеров схемы различных вариантов маркировки по 4.6.
4.10. На двигателе,
на который выдан сертификат соответствия как на технический агрегат, кроме
маркировки по 4.6 должны быть нанесены:
4.10.1. Фабричная
или торговая марка предприятия-изготовителя;
4.10.2.
Коммерческое название предприятия-изготовителя.&
4.11. В
случае двигателей, работающих на ПГ и СНГ и получивших &ограниченный
сертификат соответствия& типа для работы на соответствующем ассортименте
топлив, используют таблички, описанные ниже.
4.11.1. Содержание
табличек
На табличке должны
быть указаны следующие сведения:
В случае, указанном
в 4.2.1, должна быть нанесена следующая надпись: "ТОЛЬКО ДЛЯ РАБОТЫ НА
ПРИРОДНОМ ГАЗЕ ГРУППЫ H". Если двигатель предназначен для работы на ПГ
группы L, букву H заменяют буквой L.
В случае, указанном
в 4.2.2, должна быть нанесена следующая надпись: "ТОЛЬКО ДЛЯ РАБОТЫ НА
ПРИРОДНОМ ГАЗЕ В СООТВЕТСТВИИ С ТЕХНИЧЕСКИМИ УСЛОВИЯМИ..." или
"ТОЛЬКО ДЛЯ РАБОТЫ НА СЖИЖЕННОМ НЕФТЯНОМ ГАЗЕ В СООТВЕТСТВИИ С
ТЕХНИЧЕСКИМИ УСЛОВИЯМИ..." - в зависимости от вида используемого топлива. Все
необходимые в каждом конкретном случае сведения (см. таблицу(ы) в Приложении Ж
или И) должны содержать данные об отдельных компонентах и предельных значениях,
устанавливаемых изготовителем двигателя.
Высота букв и цифр
- не менее 4 мм.
Примечание. Если
для размещения этих сведений на табличке недостаточно места, допускается
использовать упрощенный код. В этом случае пояснения, содержащие все
вышеизложенные сведения, должны быть размещены в месте, легкодоступном для
информирования любого лица, заполняющего топливный бак или осуществляющего
техническое обслуживание или ремонт двигателя и его частей, а также для
соответствующих компетентных органов. Место расположения и содержание этих
пояснений определяют по согласованию между изготовителем и компетентным
органом, предоставляющим &сертификат соответствия&.
4.11.2. Свойства
Долговечность
табличек должна быть не менее срока эксплуатации двигателя. Таблички должны
быть удобочитаемыми, указанные на них буквы и цифры должны быть нестираемыми.
Крепление табличек должно быть прочным на протяжении срока эксплуатации
двигателя и таким, чтобы эти таблички нельзя было удалить без их повреждения
или разрушения.
4.11.3. Размещение
Таблички должны
быть закреплены на той части двигателя, которая необходима для нормальной
эксплуатации двигателя и, как правило, не требует замены на протяжении срока
его эксплуатации. Кроме того, эти таблички должны быть расположены там, где они
хорошо видны даже неспециалисту после укомплектования двигателя всеми
агрегатами, необходимыми для его эксплуатации.
4.12. В случае
заявки на сертификацию типа ТС в отношении его двигателя маркировка,
предписываемая в 4.11, должна быть размещена вблизи отверстия для заправки
топлива.
4.13. В случае
заявки на сертификацию типа ТС с &сертифицированным& двигателем
маркировка, предписываемая в 4.11, должна быть также размещена вблизи отверстия
для заправки топлива.
5. Технические требования и методы испытаний
&В качестве
альтернативы требованиям, изложенным в настоящем разделе, предприятия -
изготовители ТС и двигателей, выпускающие в обращение на рынок Российской
Федерации более 20000 ТС или двигателей в год, могут получать сертификат
соответствия на основании технических требований, указанных в Директиве ЕС
88/77 "Меры, которые должны быть приняты по ограничению выбросов вредных
газообразных веществ и вредных частиц из двигателей с воспламенением от сжатия,
предназначенных для установки на транспортные средства, и выбросов вредных
газообразных веществ из двигателей с принудительным зажиганием, работающих на
природном газе и сжиженном нефтяном газе, предназначенных для установки на
транспортные средства" <1>, последнее изменение которой принято
директивой ЕС 2001/27 <2>.&
--------------------------------
<1>
Опубликовано в Official Journal N L36 от 09.02.1988.
<2> Опубликовано
в Official Journal N L107 от 18.04.2001.
5.1. Общие
положения
5.1.1. Оборудование
для ограничения выбросов вредных веществ
5.1.1.1.
Компоненты, способные влиять на выбросы вредных газообразных веществ и вредных
частиц дизельными двигателями и на выбросы вредных газообразных веществ
газовыми двигателями, должны быть сконструированы, изготовлены, собраны и
установлены таким образом, чтобы в условиях нормальной эксплуатации двигатель
соответствовал требованиям настоящего стандарта.
5.1.2. Функции оборудования
для уменьшения выбросов
5.1.2.1.
Использование неэффективных устройств и (или) нерациональных методов
ограничения выбросов запрещается.
5.1.2.2. На
двигателе или на ТС допускается устанавливать вспомогательное управляющее
устройство при условии, что это устройство:
- действует только
при отсутствии условий, указанных в 5.1.2.4, или
- его приводят в
действие только на ограниченный период времени при условиях, указанных в
5.1.2.4, для таких целей, как защита двигателя от повреждения, защита
устройства для подачи воздуха в двигатель, контроль дымности, холодный запуск
или прогрев, или
- его приводят в
действие только сигналами бортовых устройств для таких целей, как обеспечение
безопасности эксплуатации и возвращение своим ходом в случае поломки.
5.1.2.3.
Допускается использовать устройство, функцию, систему или способ управления
двигателем, которые действуют при условиях, указанных в 5.1.2.4, и следствием
действия которых является иной или модифицированный метод управления двигателем
по сравнению с методом, обычно применяемым при проведении соответствующих
циклов испытаний по определению выбросов вредных веществ, если, при условии
соблюдения требований 5.1.3 и (или) 5.1.4, в полной мере продемонстрировано,
что такое применение не уменьшает эффективность системы ограничения выбросов
вредных веществ. Во всех других случаях такие устройства считают неэффективными
устройствами.
5.1.2.4. Для
целей 5.1.2.2 установленными условиями использования устройства в устойчивом и
переходном режимах являются:
а) высота над
уровнем моря не более 1000 м (или эквивалентное атмосферное давление 90 кПа);
б) температура
окружающей среды от 283 до 333 К (10 °C - 30 °C);
в) температура
охлаждающей жидкости от 343 до 368 К (70 °C - 95 °C).
5.1.3.
Специальные требования к электронным системам ограничения выбросов вредных
веществ
5.1.3.1. Требования
к документации
Предприятие-изготовитель
предоставляет комплект документов, содержащих информацию о базовой конструкции
системы и средствах, с помощью которых эта система управляет своими выходными
параметрами независимо оттого, является ли управление прямым или косвенным.
Документы
предоставляют в двух комплектах:
а) официальный
комплект документов, который предоставляют &органу по сертификации& при
подаче заявки на &сертификацию& типа, должен включать в себя полное
описание системы. Эти документы могут быть краткими при условии, что они с
очевидностью демонстрируют наличие всех характеристик, даваемых рабочей картой
выходных характеристик в диапазоне управления входными воздействиями на
конкретный агрегат. Эти сведения прилагают к документам, предписываемым
разделом 3 настоящего стандарта;
б) дополнительный комплект
материалов, в которых указывают параметры, изменяемые любым вспомогательным
управляющим устройством, и граничные условия, в которых это устройство
действует. Дополнительные материалы должны содержать описание логической схемы
системы, регулирующей подачу топлива, методы распределения по времени и моменты
переключения с режима на режим во всех условиях эксплуатации.
В дополнительном
комплекте материалов должны содержаться обоснование использования любых
вспомогательных управляющих устройств, а также дополнительные материалы и
данные испытаний для демонстрации воздействия, оказываемого на выбросы вредных
веществ с отработавшими газами любыми вспомогательными управляющими
устройствами, установленными на двигателе или на ТС.
Этот дополнительный
материал должен быть строго конфиденциальным и храниться у
предприятия-изготовителя, однако он должен быть представлен для инспектирования
при сертификации или в любое время в период действия &сертификата
соответствия& типа.
5.1.4.
Чтобы установить, считать какое-либо устройство, какой-либо метод или способ
неэффективным устройством или нерациональным методом или способом ограничения
выбросов вредных веществ в соответствии с определениями 2.28 и 2.30, &орган
по сертификации&, предоставляющий &сертификат соответствия& типа,
может дополнительно потребовать проведения скрининг-теста на содержание
в испытании ETC, которое допускается проводить
в сочетании или с сертификационными испытаниями, или с процедурами проверки соответствия
производства.
5.1.4.1. Как
альтернативу требованиям дополнения 4 к Приложению Д допускается в качестве
проб для скрининг-теста выбросов
в испытании ETC использовать неочищенные
отработавшие газы и следовать предписаниям международного стандарта ИСО 16183
[2].
5.1.4.2. Кроме
того, при принятии решения по 5.1.4 необходимо учитывать дополнительный допуск
10% соответствующего предельного значения
.
5.2. Для
сертификации в соответствии со строками A таблиц 2 и 3 в 5.2.1 уровень выбросов
вредных веществ должен быть определен по результатам испытаний ESC и ELR
обычных дизельных двигателей, в том числе оснащенных оборудованием для
электронного впрыска топлива, системой рециркуляции отработавших газов (РОГ) и
(или) окислительными каталитическими нейтрализаторами. Дизельные двигатели,
оснащенные усовершенствованными системами дополнительной обработки отработавших
газов, включая каталитические нейтрализаторы для удаления
и (или) сажевые фильтры, должны быть
дополнительно подвергнуты испытанию ETC.
При проведении
сертификационных испытаний в целях подтверждения соответствия предельным
значениям, содержащимся в строке B1, B2 или C таблиц 2 и 3 в 5.2.1, выбросы
вредных веществ должны быть определены в испытаниях ESC, ELR и ETC.
Для газовых
двигателей выбросы вредных газообразных веществ должны быть определены с
использованием процедуры испытания ETC.
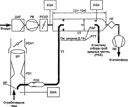
Описание испытаний
ESC и ELR содержится в дополнении 1 к Приложению Д, а испытания ETC - в
дополнениях 2 и 3 к Приложению Д.
Количество вредных
газообразных веществ и вредных частиц в выбросах представленных для испытания
двигателей, если это применимо, должно быть измерено методом, описанным в
Приложении Д. В дополнении 4 к Приложению Д содержится описание рекомендуемых
систем анализа выбросов вредных газообразных веществ и вредных частиц и
рекомендуемых систем забора проб вредных частиц. &Орган по
сертификации& может разрешить использование других систем или анализаторов,
если будет установлено, что они дают эквивалентные результаты. Результаты,
полученные в какой-либо отдельной испытательной лаборатории, считают
эквивалентными, если они совпадают в пределах +/- 5% с результатами испытаний,
полученными при применении одной из описанных здесь эталонных систем. Для
выбросов вредных частиц в качестве эталонной системы признают только систему
полного разбавления потока. Включение в настоящий стандарт какой-либо новой
системы возможно, только если определение эквивалентности результатов было
основано на расчете многократности и воспроизводимости, выполненном в ходе
межлабораторных испытаний, описание которого приведено в ГОСТ Р ИСО 5725-1,
ГОСТ Р ИСО 5725-2, ГОСТ Р ИСО 5725-3, ГОСТ Р ИСО 5725-4, ГОСТ Р ИСО 5725-5 и
ГОСТ Р ИСО 5725-6.
5.2.1.
Предельные значения
Значения удельных
масс оксида углерода, всех углеводородов, оксидов азота и вредных частиц,
определяемые в испытании ESC, и дымности, определяемые в испытании ELR, не
должны превышать значения, указанные в таблице 2. Для дизельных двигателей,
которые дополнительно подвергают испытанию ETC, и, особенно, для газовых
двигателей значения удельных масс оксида углерода, не содержащих метан
углеводородов, метана (в соответствующих случаях), оксидов азота и вредных
частиц (в соответствующих случаях) не должны превышать значения, указанные в
таблице 3.
Таблица 2
Предельные
значения (испытания ESC и ELR)
┌───────────┬──────────┬────────────────────────────────────────┬─────────┐
│Обозначение│ Начало
│ Масса, г/(кВт x
ч) │Дымность,│
│ строки
│действия,
├─────────┬─────────────┬───────┬────────┤ -1
│
│ │ год
│ оксида
│углеводородов│оксидов│вредных │ м
│
│ │ │углерода │ (HC)
│ азота │ частиц │ │
│ │ │ (CO)
│ │ (NO )
│ (PT) │ │
│ │ │ │ │ x
│ │ │
├───────────┼──────────┼─────────┼─────────────┼───────┼────────┼─────────┤
│ A
│ 2004 │
2,1 │ 0,66
│ 5,0 │
0,10 │ 0,8
│
│ │ │ │ │ │0,13 <1>│ │
├───────────┼──────────┼─────────┼─────────────┼───────┼────────┼─────────┤
│ B1
│ 2005 │
1,5 │ 0,46
│ 3,5 │
0,02 │ 0,5
│
├───────────┼──────────┼─────────┼─────────────┼───────┼────────┼─────────┤
│ B2
│ 2008 │
1,5 │ 0,46
│ 2,0 │
0,02 │ 0,5
│
├───────────┼──────────┼─────────┼─────────────┼───────┼────────┼─────────┤
│ C <2>
│ - │
1,5 │ 0,25
│ 2,0 │
0,02 │ 0,15
│
├───────────┴──────────┴─────────┴─────────────┴───────┴────────┴─────────┤
│
<1> Для двигателей рабочим
объемом менее 750
см3 на цилиндр и │
│
-1 │
│частотой
вращения при номинальной мощности более 3000 мин .
│
│ <2> Для транспортных средств EEV (см.
2.1.29). │
└─────────────────────────────────────────────────────────────────────────┘
Таблица 3
Предельные
значения (испытание ETC)
┌───────────┬─────────┬───────────────────────────────────────────────────┐
│Обозначение│
Начало │ Масса, г/(кВт x ч) │
│ строки
│действия,├────────┬─────────────┬─────────┬───────┬──────────┤
│ │ год
│ оксида │не содержащих│ метана │оксидов│ вредных │
│ │ │углерода│ метан
│(CH ) <1>│азота
│ частиц │
│ │ │ (CO)
│углеводородов│
4 │ (NO ) │ (PT)
<2> │
│ │ │ │ (NMHC)
│ │ x
│ │
├───────────┼─────────┼────────┼─────────────┼─────────┼───────┼──────────┤
│ A
│ 2004 │
5,45 │ 0,78
│ 1,6 │
5,0 │ 0,16
│
│ │ │ │ │ │ │ 0,21 <3> │
├───────────┼─────────┼────────┼─────────────┼─────────┼───────┼──────────┤
│ B1
│ 2005 │
4,0 │ 0,55
│ 1,1 │
3,5 │ 0,03
│
├───────────┼─────────┼────────┼─────────────┼─────────┼───────┼──────────┤
│ B2
│ 2008 │
4,0 │ 0,55
│ 1,1 │
2,0 │ 0,03
│
├───────────┼─────────┼────────┼─────────────┼─────────┼───────┼──────────┤
│ C <4>
│ - │
3,0 │ 0,40
│ 0,65 │
2,0 │ 0,02
│
├───────────┴─────────┴────────┴─────────────┴─────────┴───────┴──────────┤
│
<1> Только для двигателей, работающих на ПГ. │
│
<2> Не применяется для двигателей, работающих на газе, на стадиях A,│
│B1
и B2. │
│
<3> Для двигателей рабочим
объемом менее 750
см3 на цилиндр│
│
-1 │
│и
частотой вращения при номинальной мощности более 3000 мин .
│
│
<4> Для транспортных средств EEV (см. 2.1.29). │
└─────────────────────────────────────────────────────────────────────────┘
5.2.1.1. Условия
проверки применимости испытания ETC (см. 3.9 дополнения 2 к Приложению Д) при
определении количества вредных веществ в выбросах двигателей, работающих на
газе, по отношению к предельным значениям, указанным в строке A, должны быть
пересмотрены и, при необходимости, изменены в соответствии с процедурой,
изложенной в подразделе 1.3 Сводной резолюции о конструкции транспортных
средств [3].
5.2.2. Определение
количества углеводородов в выбросах дизельных и газовых двигателей
5.2.2.1.
Изготовитель в ходе испытания ETC может по своему выбору определять массу
общего количества углеводородов (THC) вместо массы углеводородов, не содержащих
метан (NMHC). В этом случае предельные значения массы общего количества
углеводородов должны соответствовать значениям, указанным в таблице 3 для массы
углеводородов, не содержащих метан.
5.2.3. Особые
требования к дизельным двигателям
5.2.3.1. Значения
удельной массы оксидов азота, полученные в произвольно выбранных точках
проверки в пределах контрольной области в ходе испытания ESC, не должны
превышать более чем на 10% значения, интерполированные на основе смежных
режимов испытания (см. 4.6.2 и 4.6.3 дополнения 1 к Приложению Д).
5.2.3.2. Значение
дымности при произвольно выбранной частоте вращения в ходе испытания ELR не
должно превышать более чем на 20% наибольшее из значений дымности, полученных в
ходе испытания при двух смежных частотах вращения, либо более чем на 5%
предельное значение дымности в зависимости от того, какое из этих значений
больше.
6. Установка на транспортное средство
6.1. Установку
двигателя на ТС проводят в соответствии со следующими требованиями,
относящимися к &сертификату соответствия& типа двигателя:
6.1.1. Уменьшение
давления впуска не должно превышать уменьшения давления, установленного в
Приложении Б для двигателя, имеющего &сертификат соответствия& типа.
6.1.2.
Противодавление выпуска не должно превышать противодавления, установленного в
Приложении Б, для двигателя, имеющего &сертификат соответствия& типа.
6.1.3. Мощность,
потребляемая вспомогательными агрегатами, необходимыми для работы двигателя, не
должна превышать максимальной мощности, установленной в Приложении Б, для
двигателя, имеющего &сертификат соответствия& типа.
7. Семейство двигателей
7.1. Параметры,
определяющие семейство двигателей
Семейство
двигателей согласно описанию изготовителя двигателя может быть определено с
помощью основных характеристик, которым должны соответствовать все двигатели
семейства. В некоторых случаях может иметь место взаимовлияние параметров. Эти
факторы также необходимо принимать во внимание, чтобы обеспечить включение в
семейство только тех двигателей, которые имеют сходные характеристики,
обусловливающие выбросы вредных веществ с отработавшими газами.
Двигатели относят к
одному и тому же семейству двигателей исходя из следующего перечня основных
параметров:
7.1.1. Рабочий
цикл:
- двухтактный;
- четырехтактный.
7.1.2. Охлаждающая
субстанция:
- воздух;
- вода;
- масло.
7.1.3. Для газовых
двигателей и двигателей с последующей обработкой отработавших газов:
- число цилиндров
(другие дизельные двигатели с меньшим числом цилиндров по сравнению с базовым
двигателем допускается относить к тому же семейству двигателей при условии, что
в топливной системе предусмотрено устройство, дозирующее подачу топлива в
каждый отдельный цилиндр).
7.1.4. Рабочий
объем одного цилиндра:
- разброс значений
по всем двигателям не должен превышать 15%.
7.1.5. Впуск
воздуха:
- без наддува;
- с наддувом;
- с наддувом и
охладителем нагнетаемого воздуха.
7.1.6. Тип
(конструкция) камеры сгорания:
- предкамера;
- вихревая камера;
- неразделенная
камера сгорания.
7.1.7. Клапаны и
гнезда клапанов - конфигурация, размеры и число:
- головка
цилиндра(ов);
- блок
цилиндра(ов);
- картер.
7.1.8. Система
впрыска топлива (для дизельных двигателей):
- насос -
магистраль - инжектор;
- рядный насос
плунжерного типа;
- насос
распределительного типа;
- в едином
агрегате;
- насос-форсунка.
7.1.9. Топливная
система (для газовых двигателей):
- смеситель;
- впуск/впрыск газа
(одноточечный, многоточечный);
- впрыск жидкости
(одноточечный, многоточечный).
7.1.10. Система
зажигания (для газовых двигателей).
7.1.11. Другие
характеристики:
- рециркуляция
отработавших газов;
- впрыск воды
(эмульсии);
- впрыск
дополнительного воздуха;
- система
охлаждения заряда.
7.1.12. Последующая
обработка отработавших газов:
- трехкомпонентный
нейтрализатор;
- окислительный
нейтрализатор;
- нейтрализатор,
уменьшающий токсичность;
- дожигатель;
- сажеуловитель.
7.2. Выбор базового
двигателя
7.2.1. Дизельные
двигатели
Базовый двигатель
семейства двигателей выбирают, используя в качестве основного критерия
наибольшую подачу топлива за цикл при заявленной частоте вращения,
соответствующей максимальному крутящему моменту. В случае, если два или более
двигателя имеют одинаковые значения вышеупомянутого основного критерия, базовый
двигатель выбирают, используя в качестве дополнительного критерия наибольшую
подачу топлива за цикл при частоте вращения, соответствующей номинальной
мощности. В некоторых ситуациях орган, уполномоченный проводить сертификацию,
может решить, что наибольшая интенсивность выбросов вредных веществ с
отработавшими газами для двигателей данного семейства может быть получена при
испытании другого двигателя. В этом случае орган, уполномоченный проводить
сертификацию, может отобрать дополнительный двигатель для испытания с учетом
его особенностей, которые показывают, что этот двигатель может иметь наивысшие
уровни выбросов вредных веществ среди двигателей данного семейства.
Если двигатели,
входящие в данное семейство, имеют другие специфические особенности, которые,
как считают, могут оказывать влияние на выбросы вредных веществ с отработавшими
газами, то эти особенности также необходимо учесть при выборе базового
двигателя.
7.2.2. Газовые
двигатели
Базовый двигатель
соответствующего семейства необходимо выбирать, используя в качестве основного
критерия наибольший рабочий объем. В том случае, если два или более двигателя
имеют одинаковые значения основного критерия, базовый двигатель выбирают,
используя дополнительный критерий в последовательности:
- наибольшая подача
топлива за цикл при частоте вращения, соответствующей номинальной мощности;
- наибольший угол
опережения зажигания;
- наименьшая
степень РОГ;
- отсутствие
компрессора или компрессор с наименьшей производительностью.
В некоторых
ситуациях орган, уполномоченный проводить сертификацию, может решить, что
наибольшая интенсивность выбросов вредных веществ с отработавшими газами для
двигателей данного семейства может быть получена при испытании другого
двигателя. В этом случае орган, уполномоченный проводить сертификацию, может
отобрать дополнительный двигатель для испытания исходя из его особенностей,
которые показывают, что этот двигатель может иметь наивысшие уровни выбросов
вредных веществ среди двигателей данного семейства.
8.
Соответствие производства
8.1. Каждый
сертифицированный двигатель или ТС должен (должно) быть изготовлен(о) таким
образом, чтобы соответствовать типу, на который выдан &сертификат
соответствия&, описание которого содержится в приложении к &сертификату
соответствия&. Форма этого описания приведена в Приложении Б.
8.2. Как правило,
соответствие производства в отношении ограничения выбросов вредных веществ
проверяют на основе описания, прилагаемого к &сертификату
соответствия&.
8.3. Если
необходимо определить количество выбросов вредных веществ и если область
распространения &сертификата соответствия& ранее один или несколько раз
расширялась, испытание проводят на двигателе (двигателях), описание которого
(которых) содержится в комплекте документов, относящихся к соответствующему
расширению области распространения.
8.3.1.
Соответствие двигателя, подвергаемого испытанию для определения количества
выбросов вредных веществ
После представления
двигателя &органу по сертификации& изготовитель не должен проводить
никаких регулировок отобранного двигателя.
8.3.1.1. Из серии
двигателей произвольно выбирают три двигателя. Двигатели, которые при
сертификации подвергают только испытаниям ESC и ELR либо только испытанию ETC
для подтверждения соответствия показателям, установленным в строке A таблиц 2 и
3 в 5.2.1, подвергают тем испытаниям, которые применимы к ним для проверки
соответствия производства. По согласованию с &органом по сертификации&
все другие двигатели, сертифицированные по показателям, установленным в строке
A, B1, B2 или C таблиц 2 и 3 в 5.2.1, подвергают в целях проверки соответствия
производства либо испытаниям ESC и ELR, либо испытанию ETC. Предельные значения
установлены в 5.2.1.
8.3.1.2. Испытания
проводят в соответствии с дополнением 1 к настоящему стандарту, если &орган
по сертификации& считает удовлетворительным указанное изготовителем
среднеквадратичное отклонение показателей изготовленной продукции.
Испытания проводят
в соответствии с дополнением 2 к настоящему стандарту, если &орган по
сертификации& не считает удовлетворительным представленные изготовителем
среднеквадратичные отклонения показателей изготовленной продукции.
По запросу
изготовителя допускается проводить испытания в соответствии с дополнением 3 к
настоящему стандарту.
8.3.1.3. По
результатам испытания произвольно выбранного двигателя серийное производство
признают отвечающим установленным требованиям, если по всем вредным веществам, входящим
в выбросы, принимают положительное решение, и не отвечающим установленным
требованиям, если хотя бы по какому-либо одному вредному веществу принимают
отрицательное решение, согласно критериям испытания, установленным в
соответствующем дополнении.
Если по одному
вредному веществу уже принято положительное решение, то это решение не может
быть изменено после любых других дополнительных испытаний, проводимых для
вынесения решения по другим вредным веществам.
Если не принимают
положительное решение по всем вредным веществам и если не принимают
отрицательное решение по какому-либо одному вредному веществу, то испытание
проводят на другом двигателе (см. рисунок 2).

Рисунок 2.
Схема испытания на соответствие производства
Если не принимают
никакого решения, то изготовитель может в любой момент принять решение о
прекращении испытаний. В таком случае в протоколе записывают отрицательное
решение.
8.3.2. Испытания
проводят на вновь изготовленных двигателях. Двигатели, предназначенные для
работы на газе, должны пройти обкатку в соответствии с процедурой согласно
разделу 3 дополнения 2 к Приложению Д.
8.3.2.1. По запросу
изготовителя допускается проводить испытания на дизельных или на газовых
двигателях, которые прошли обкатку в течение более длительного периода, чем
указанный в 8.3.2, но не более 100 ч. В этом случае обкатку осуществляет
изготовитель, который должен взять на себя обязательство не проводить никаких
регулировок двигателей.
8.3.2.2. В случае,
когда изготовитель просит произвести обкатку в соответствии с 8.3.2.1, эта
процедура может быть осуществлена:
- на всех
подвергаемых испытанию двигателях либо
- на первом
испытуемом двигателе, при этом поправочный коэффициент определяют следующим
образом:
- количество
выбросов вредных веществ измеряют на первом испытуемом двигателе в начальный
момент и через x часов,
- поправочный
коэффициент за период между начальным моментом испытания и моментом через x
часов рассчитывают для каждого вредного вещества как отношение величин:
Количество вредного вещества через x часов испытания
----------------------------------------------------------.
Количество вредного вещества в начальный момент испытания
Значение этого
коэффициента может быть менее единицы.
Последующие
испытуемые двигатели не подвергают обкатке, однако полученное на них количество
выбросов вредных веществ в начальный период корректируют с помощью поправочного
коэффициента.
В этом случае
исходят из следующих величин:
- количество
выбрасываемого вредного вещества через x часов обкатки - для первого двигателя;
- количество
выбрасываемого вредного вещества в начале обкатки, умноженное на поправочный
коэффициент, - для других двигателей.
8.3.2.3. Для
дизельных двигателей и двигателей, работающих на СНГ, эти испытания допускается
проводить на топливе, имеющемся на рынке. Однако по запросу изготовителя
допускается использовать эталонные топлива, описанные в Приложении Е или И. При
этом испытания, описанные в разделе 4, проводят с использованием не менее двух
эталонных топлив для каждого газового двигателя.
8.3.2.4. Для
двигателей, работающих на ПГ, эти испытания допускается проводить на топливе,
имеющемся на рынке, следующим образом:
а) для двигателей с
маркировкой H - на топливе из H-ассортимента
;
б) для двигателей с
маркировкой L - на топливе из L-ассортимента
;
в) для двигателей с
маркировкой HL - на топливе, коэффициент
-смещения
которого находится в диапазоне между крайними значениями этого коэффициента
.
По запросу
изготовителя допускается использовать эталонные топлива, указанные в Приложении
Ж. Это предполагает проведение испытаний в соответствии с разделом 4.
8.3.2.5. При
возникновении разногласий в решении о соответствии требованиям двигателей,
работающих на газе, в случае использования топлива, имеющегося на рынке,
необходимо провести испытания на том эталонном топливе, на котором ранее был
испытан базовый двигатель. Допускается также использование дополнительного
топлива 3, как это указано в 4.1.3.1 и 4.2.1.1, если на нем ранее был испытан
базовый двигатель. Затем результат корректируют с использованием
соответствующего коэффициента (коэффициентов) r, ra или rb, как указано в
4.1.4, 4.1.5.1 и 4.2.1.2. Если значения r, ra или rb менее единицы, то не
следует проводить никакую корректировку. Результаты измерений и результаты
расчетов должны свидетельствовать о том, что двигатель удовлетворяет предельным
значениям при работе на всех соответствующих топливах (топливе 1, топливе 2 и,
если это применимо, топливе 3 в случае двигателей, работающих на ПГ, и топливах
A и B в случае двигателей, работающих на СНГ).
8.3.2.6. Испытания
на соответствие производства газового двигателя, предназначенного для работы на
топливе одного конкретного состава, должны быть проведены на топливе, для
которого был калиброван данный двигатель.
9. Меры,
принимаемые при выявлении
несоответствия
производства
9.1.
&Сертификат соответствия& типа двигателя или ТС, предоставленный на
основании настоящего стандарта, может быть аннулирован, если не соблюдены
требования 8.1 или если отобранный(ные) для испытаний двигатель(и) или
транспортное средство (транспортные средства) не выдержали проверок,
предусмотренных в 8.3.1 и 8.3.2.
9.2.
&Аннулирование сертификата соответствия проводят согласно процедурам,
установленным в "Порядке проведения сертификации продукции в Российской
Федерации" <1>.
--------------------------------
<1> Принят
Постановлением Госстандарта России от 21 сентября 1994 г. N 15.&
10.
&Изменение типа, имеющего сертификат соответствия,
и расширение
области распространения
10.1. Любое
изменение типа двигателя или ТС, имеющего сертификат соответствия требованиям
настоящего стандарта, должно быть доведено до сведения органа по сертификации,
предоставившего сертификат соответствия. Этот орган может:
10.1.1. Или прийти
к заключению, что внесенные изменения не будут иметь значительных отрицательных
последствий и измененный тип будет удовлетворять требованиям, предъявляемым к
данному типу двигателя или ТС.
10.1.2. Или
потребовать представления нового протокола испытаний от лаборатории,
уполномоченной проводить такие испытания.
10.1.3. Орган по
сертификации, одобривший расширение области распространения сертификата
соответствия, предоставляет сертификат соответствия со своим порядковым номером
каждому такому сертификату.
11.
Окончательное прекращение производства
Если владелец
сертификата соответствия полностью прекращает производство двигателей или ТС
типа, на который распространяется сертификат соответствия настоящему стандарту,
он должен информировать об этом орган по сертификации, предоставивший указанный
сертификат соответствия.
Орган по
сертификации направляет в Государственный реестр копию сертификата соответствия
типа, на которой внизу крупными буквами делает отметку "ПРОИЗВОДСТВО
ПРЕКРАЩЕНО" и проставляет подпись и дату.&
Дополнение
1
ПРОЦЕДУРА
ИСПЫТАНИЯ НА
СООТВЕТСТВИЕ ПРОИЗВОДСТВА В СЛУЧАЕ
УДОВЛЕТВОРИТЕЛЬНОГО
СРЕДНЕКВАДРАТИЧНОГО ОТКЛОНЕНИЯ
1. В настоящем
дополнении описана процедура, которую следует применять для проверки
соответствия производства в отношении выбросов вредных веществ в случае
удовлетворительного среднеквадратичного отклонения показателей изготовленной
продукции.
2. При минимальном
размере выборки, равной трем двигателям, применяют такую процедуру отбора,
чтобы вероятность прохождения испытания партией, содержащей 40% неисправных
двигателей, составляла 0,95 (риск изготовителя 5%), а вероятность принятия
партии, содержащей 65% неисправных двигателей, составляла 0,1 (риск потребителя
10%).
3. Для каждого из
вредных веществ, указанных в 5.2.1, применяют следующую процедуру (см. рисунок
2).
Задано:
L - натуральный
логарифм предельного значения допустимых выбросов для данного вредного
вещества;
x - натуральный
логарифм измеренного значения выбросов вредного вещества для i-го двигателя
выборки;
s - оценочное
значение среднеквадратичного отклонения данного показателя для изготовленной
продукции (после получения натурального логарифма измеренных величин);
n - число
двигателей в данной выборке.
4. Для каждой
выборки сумму нормализованных отклонений от значения предельной величины
рассчитывают по формуле
.
5. Тогда:
- если
статистический результат испытания превышает значение, установленное в таблице
4 для положительного решения при данном размере выборки, то для данного
вредного вещества принимают положительное решение;
- если
статистический результат испытания меньше значения, установленного в таблице 4
для отрицательного решения при данном размере выборки, то для данного вредного
вещества принимают отрицательное решение;
- в противном
случае испытывают дополнительный двигатель в соответствии с 8.3.1 и проводят
расчет для выборки, увеличенной на один двигатель.
Таблица 4
Значения
статистических параметров для принятия
положительного и
отрицательного решений в соответствии
с планом
выборочного контроля по дополнению 1
(минимальный размер
выборки - 3)
┌────────────────────────────────────┬────────────────────────────────────┐
│ Совокупное число испытуемых │
Значение для принятия решения
│
│ двигателей (размер выборки) n
├─────────────────┬──────────────────┤
│
│положительного A │отрицательного B │
│ │ n│ n │
├────────────────────────────────────┼─────────────────┼──────────────────┤
│ 3 │ 3,327
│ -4,724 │
├────────────────────────────────────┼─────────────────┼──────────────────┤
│ 4 │ 3,261
│ -4,790 │
├────────────────────────────────────┼─────────────────┼──────────────────┤
│ 5 │ 3,195
│ -4,856
│
├────────────────────────────────────┼─────────────────┼──────────────────┤
│ 6 │ 3,129
│ -4,922 │
├────────────────────────────────────┼─────────────────┼──────────────────┤
│ 7 │ 3,063
│ -4,988 │
├────────────────────────────────────┼─────────────────┼──────────────────┤
│ 8 │ 2,997
│ -5,054 │
├────────────────────────────────────┼─────────────────┼──────────────────┤
│ 9 │ 2,931
│ -5,120 │
├────────────────────────────────────┼─────────────────┼──────────────────┤
│ 10 │ 2,865
│ -5,185 │
├────────────────────────────────────┼─────────────────┼──────────────────┤
│ 11 │ 2,799
│ -5,251 │
├────────────────────────────────────┼─────────────────┼──────────────────┤
│ 12 │ 2,733
│ -5,317 │
├────────────────────────────────────┼─────────────────┼──────────────────┤
│ 13 │ 2,667
│ -5,383 │
├────────────────────────────────────┼─────────────────┼──────────────────┤
│ 14 │ 2,601
│ -5,449 │
├────────────────────────────────────┼─────────────────┼──────────────────┤
│ 15 │ 2,535
│ -5,515 │
├────────────────────────────────────┼─────────────────┼──────────────────┤
│ 16 │ 2,469
│ -5,581 │
├────────────────────────────────────┼─────────────────┼──────────────────┤
│ 17 │ 2,403
│ -5,647 │
├────────────────────────────────────┼─────────────────┼──────────────────┤
│ 18 │ 2,337
│ -5,713 │
├────────────────────────────────────┼─────────────────┼──────────────────┤
│ 19 │ 2,271
│ -5,779 │
├────────────────────────────────────┼─────────────────┼──────────────────┤
│ 20 │ 2,205
│ -5,845 │
├────────────────────────────────────┼─────────────────┼──────────────────┤
│ 21 │ 2,139
│ -5,911 │
├────────────────────────────────────┼─────────────────┼──────────────────┤
│ 22 │ 2,073
│ -5,977 │
├────────────────────────────────────┼─────────────────┼──────────────────┤
│ 23 │ 2,007
│ -6,043 │
├────────────────────────────────────┼─────────────────┼──────────────────┤
│ 24 │ 1,941
│ -6,109 │
├────────────────────────────────────┼─────────────────┼──────────────────┤
│ 25 │ 1,875
│ -6,175 │
├────────────────────────────────────┼─────────────────┼──────────────────┤
│ 26 │ 1,809
│ -6,241 │
├────────────────────────────────────┼─────────────────┼──────────────────┤
│ 27 │ 1,743
│ -6,307 │
├────────────────────────────────────┼─────────────────┼──────────────────┤
│ 28 │ 1,677
│ -6,373 │
├────────────────────────────────────┼─────────────────┼──────────────────┤
│ 29 │ 1,611
│ -6,439 │
├────────────────────────────────────┼─────────────────┼──────────────────┤
│ 30 │ 1,545
│ -6,505 │
├────────────────────────────────────┼─────────────────┼──────────────────┤
│ 31 │ 1,479
│ -6,571 │
├────────────────────────────────────┼─────────────────┼──────────────────┤
│ 32 │ -2,112
│ -2,112 │
└────────────────────────────────────┴─────────────────┴──────────────────┘
Дополнение
2
ПРОЦЕДУРА
ИСПЫТАНИЯ НА
СООТВЕТСТВИЕ ПРОИЗВОДСТВА В СЛУЧАЕ
НЕУДОВЛЕТВОРИТЕЛЬНОГО
СРЕДНЕКВАДРАТИЧНОГО ОТКЛОНЕНИЯ
ИЛИ В СЛУЧАЕ, КОГДА
ЕГО ЗНАЧЕНИЕ НЕИЗВЕСТНО
1. В настоящем
дополнении описана процедура, которую следует применять для проверки
соответствия производства в отношении выбросов вредных веществ в случае
неудовлетворительного среднеквадратичного отклонения показателей изготовленной
продукции или отсутствия сведений о таком отклонении.
2. При минимальном
размере выборки, равной трем двигателям, применяют такую процедуру отбора,
чтобы вероятность прохождения испытания партией, содержащей 40% неисправных
двигателей, составляла 0,95 (риск изготовителя 5%), а вероятность принятия
партии, содержащей 65% неисправных двигателей, составляла 0,1 (риск потребителя
10%).
3. Значения
выбросов вредных веществ, указанные в 5.2.1, считают имеющими нормальное
логарифмическое распределение, и их следует преобразовать с помощью
натурального логарифмирования.
Допускают, что
и m обозначают минимальный и максимальный
размеры выборки, соответственно (
и m =
32), и n обозначает размер данной выборки
.
4. Если натуральные
логарифмы значений выбросов данного вредного вещества, измеренных в серии,
равны
и L - это натуральный логарифм предельного
значения выбросов данного вредного вещества, то тогда:

и
,
.
5. В таблице 5
указаны значения для принятия положительного
и отрицательного
решений в зависимости от размера данной
выборки. Статистический результат испытания, представляющий собой соотношение
,
используют для определения положительного или отрицательного решения по
испытаниям данной серии следующим образом:
При
серию считают:
- прошедшей
испытания, если
;
- не прошедшей
испытания, если
.
Таблица 5
Значения
статистических параметров для принятия
положительного и
отрицательного решений в соответствии
с планом
выборочного контроля по дополнению 2
(минимальный размер
выборки - 3)
┌────────────────────────────────────┬────────────────────────────────────┐
│ Совокупное число испытуемых │
Значение для принятия решения
│
│ двигателей (размер выборки) n
├──────────────────┬─────────────────┤
│ │положительного
A │отрицательного B │
│
│ n
│ n│
├────────────────────────────────────┼──────────────────┼─────────────────┤
│ 3 │ -0,80381 │
16,64743 │
├────────────────────────────────────┼──────────────────┼─────────────────┤
│ 4 │ -0,76339 │
7,68627 │
├────────────────────────────────────┼──────────────────┼─────────────────┤
│ 5 │ -0,72982 │
4,67136 │
├────────────────────────────────────┼──────────────────┼─────────────────┤
│ 6 │ -0,69962 │
3,25573 │
├────────────────────────────────────┼──────────────────┼─────────────────┤
│ 7 │ -0,67129 │
2,45431 │
├────────────────────────────────────┼──────────────────┼─────────────────┤
│ 8 │ -0,64406 │
1,94369 │
├────────────────────────────────────┼──────────────────┼─────────────────┤
│ 9 │ -0,61750 │
1,59105 │
├────────────────────────────────────┼──────────────────┼─────────────────┤
│ 10 │ -0,59135 │
1,33295 │
├────────────────────────────────────┼──────────────────┼─────────────────┤
│ 11 │ -0,56542 │
1,13566 │
├────────────────────────────────────┼──────────────────┼─────────────────┤
│ 12 │ -0,53960 │
0,97970 │
├────────────────────────────────────┼──────────────────┼─────────────────┤
│ 13 │ -0,51379 │
0,85307 │
├────────────────────────────────────┼──────────────────┼─────────────────┤
│ 14 │ -0,48791 │
0,74801 │
├────────────────────────────────────┼──────────────────┼─────────────────┤
│ 15 │
-0,46191 │ 0,65928
│
├────────────────────────────────────┼──────────────────┼─────────────────┤
│ 16 │ -0,43573 │
0,58321 │
├────────────────────────────────────┼──────────────────┼─────────────────┤
│ 17 │ -0,40933 │
0,51718 │
├────────────────────────────────────┼──────────────────┼─────────────────┤
│ 18 │ -0,38266 │
0,45922 │
├────────────────────────────────────┼──────────────────┼─────────────────┤
│ 19 │ -0,35570 │
0,40788 │
├────────────────────────────────────┼──────────────────┼─────────────────┤
│ 20 │ -0,32840
│ 0,36203 │
├────────────────────────────────────┼──────────────────┼─────────────────┤
│ 21 │ -0,30072 │
0,32078 │
├────────────────────────────────────┼──────────────────┼─────────────────┤
│ 22 │ -0,27263 │
0,28343 │
├────────────────────────────────────┼──────────────────┼─────────────────┤
│ 23 │ -0,24410 │
0,24943 │
├────────────────────────────────────┼──────────────────┼─────────────────┤
│ 24 │ -0,21509 │
0,21831 │
├────────────────────────────────────┼──────────────────┼─────────────────┤
│ 25 │ -0,18557 │
0,18970 │
├────────────────────────────────────┼──────────────────┼─────────────────┤
│ 26 │ -0,15550 │
0,16328 │
├────────────────────────────────────┼──────────────────┼─────────────────┤
│
27 │ -0,12483 │
0,13880 │
├────────────────────────────────────┼──────────────────┼─────────────────┤
│ 28 │ -0,09354 │
0,11603 │
├────────────────────────────────────┼──────────────────┼─────────────────┤
│ 29 │ -0,06159 │
0,09480 │
├────────────────────────────────────┼──────────────────┼─────────────────┤
│ 30 │ -0,02892 │ 0,07493
│
├────────────────────────────────────┼──────────────────┼─────────────────┤
│ 31 │ -0,00449 │
0,05629 │
├────────────────────────────────────┼──────────────────┼─────────────────┤
│ 32 │ 0,03876 │ 0,03876
│
└────────────────────────────────────┴──────────────────┴─────────────────┘
При
необходимо провести дополнительные измерения.
6. Для подсчета
последовательных статистических результатов испытаний можно использовать
рекуррентные формулы:

и
,
где n = 2, 3, ...,
i;
.
Дополнение
3
ПРОЦЕДУРА
ИСПЫТАНИЯ НА
СООТВЕТСТВИЕ ПРОИЗВОДСТВА
ПО ЗАПРОСУ
ИЗГОТОВИТЕЛЯ
1. В настоящем
дополнении приведено описание процедуры, которую следует применять для проверки
соответствия производства в отношении выбросов вредных веществ по запросу
изготовителя.
2. При минимальном
размере выборки из трех двигателей применяют такую процедуру отбора, чтобы
вероятность прохождения партией испытания при 30% неисправных двигателей
составляла 0,90 (риск производителя 10%), а вероятность принятия партии при 65%
неисправных двигателей составляла 0,10 (риск потребителя 10%).
3. Для каждого из
вредных веществ, указанных в 5.2.1, применяют следующую процедуру (см. рисунок
2).
Задано:
L - натуральный
логарифм предельного значения допустимых выбросов для данного вредного вещества;
-
натуральный логарифм измеренного значения выбросов вредного вещества для i-го
двигателя выборки;
n - число
двигателей в данной выборке.
4. Необходимо
определить для данной выборки статистический результат, равный числу
двигателей, по которым в испытаниях получены результаты, не соответствующие
предъявляемым требованиям, т.е. для которых
.
5. Тогда:
- если
статистический результат испытания меньше значения, необходимого для принятия
положительного решения при размере выборки, указанном в таблице 6, или равен
ему, то для данного вредного вещества принимают положительное решение;
- если
статистический результат испытания превышает значение для принятия
отрицательного решения при размере выборки, указанном в таблице 6, или равен
ему, то для данного вредного вещества принимают отрицательное решение.
Таблица 6
Значения
статистических параметров для принятия
положительного и
отрицательного решений в соответствии
с планом
выборочного контроля по дополнению 3
(минимальный размер
выборки - 3)
|
Совокупное число испытуемых двигателей
(размер выборки) n
|
Значение для принятия решения
|
|
положительного
|
отрицательного
|
|
3
|
-
|
3
|
|
4
|
0
|
4
|
|
5
|
0
|
4
|
|
6
|
1
|
5
|
|
7
|
1
|
5
|
|
8
|
2
|
6
|
|
9
|
2
|
6
|
|
10
|
3
|
7
|
|
11
|
3
|
7
|
|
12
|
4
|
8
|
|
13
|
4
|
8
|
|
14
|
5
|
9
|
|
15
|
5
|
9
|
|
16
|
6
|
10
|
|
17
|
6
|
10
|
|
18
|
7
|
11
|
|
19
|
8
|
9
|
В противном случае
испытывают дополнительный двигатель в соответствии с 8.3.1 и проводят расчет
для выборки, увеличенной на один двигатель.
В таблице 6 указаны
значения для принятия положительного и отрицательного решений, рассчитанные в
соответствии с требованиями ГОСТ Р 50779.75.
Приложение
А
(обязательное)
ОСНОВНЫЕ ХАРАКТЕРИСТИКИ
(БАЗОВОГО) ДВИГАТЕЛЯ
И СВЕДЕНИЯ ОТНОСИТЕЛЬНО ПРОВЕДЕНИЯ
ИСПЫТАНИЯ <1>
А.1.
Описание двигателя
А.1.1.
Предприятие-изготовитель ___________________________________
А.1.2.
Обозначение двигателя, присвоенное изготовителем ___________
А.1.3. Рабочий цикл: четырехтактный/двухтактный
<2>
А.1.4.
Количество и расположение цилиндров ________________________
А.1.4.1.
Диаметр цилиндра ________________________________________ мм
А.1.4.2.
Ход поршня ______________________________________________ мм
А.1.4.3.
Порядок работы цилиндров ___________________________________
А.1.5.
Рабочий объем двигателя ________________________________ см3
А.1.6.
Степень сжатия _____________________________________________
А.1.7. Чертеж(и) камеры сгорания и головки
поршня _________________
А.1.8.
Минимальное поперечное сечение впускных и выпускных каналов
________________________________________________________ мм2
А.1.9.
Частота вращения холостого хода ______________________

А.1.10.
Максимальная полезная мощность ______ кВт при ________

А.1.11.
Максимальная допустимая частота вращения
двигателя ____________________________________________

А.1.12.
Максимальный полезный крутящий
момент ____________ Н x м
при __________________________________________________

А.1.13.
Принцип работы: с воспламенением от сжатия/с принудительным
зажиганием <2>
А.1.14.
Топливо: дизельное/СНГ/ПГ группы H/ПГ группы L/ПГ групп H и
L/этанол <2>
А.1.15.
Система охлаждения:
А.1.15.1.
Жидкостная:
А.1.15.1.1.
Вид жидкости _______________________________________________
А.1.15.1.2.
Циркуляционный(ые) насос(ы): имеется/отсутствует <2>
А.1.15.1.3.
Характеристики или марка(и)
и тип(ы) (при
наличии
насоса) ____________________________________________________
А.1.15.1.4.
Передаточное(ые) число(а) (при наличии насоса) _____________
А.1.15.2.
Воздушная:
А.1.15.2.1.
Компрессор: имеется/отсутствует <2>
А.1.15.2.2.
Характеристики или марка(и)
и тип(ы) (при
наличии
компрессора) _______________________________________________
А.1.15.2.3.
Передаточное(ые) число(а) (при наличии компрессора)
А.1.16.
Температура, устанавливаемая изготовителем:
А.1.16.1.
Жидкостное охлаждение: максимальная
температура на выходе
__________________________________________________________ К
А.1.16.2.
Воздушное охлаждение:
Базисная точка _____________________________________________
Максимальная температура в базисной точке ________________ К
--------------------------------
<1> В случае двигателей и
систем, выпускаемых несерийно, изготовитель
должен представить
подробные сведения, раскрывающие
перечисленные ниже
характеристики.
<2> Ненужное зачеркнуть.
А.1.16.3.
Максимальная температура впускного
воздуха на выходе из
промежуточного охладителя (при наличии) __________________ К
А.1.16.4.
Максимальная температура отработавших газов
в точке
выпускной(ых) трубы (труб) рядом с наружным(и) фланцем(ами)
выпускного(ых)
коллектора(ов) или турбонагнетателя
(трубонагнетателей) ______________________________________ К
А.1.16.5. Температура топлива: мин ___________ К,
макс. ____________ К
(для дизелей - на входе
топливного насоса, для
газовых
двигателей - на последней ступени
регулятора давления)
А.1.16.6.
Давление топлива: мин ___________ кПа, макс. ___________ кПа
на последней ступени регулятора давления (только для газовых
двигателей, работающих на ПГ)
А.1.16.7.
Температура смазки: мин _____________ К, макс. ___________ К
А.1.17.
Турбонагнетатель: имеется/отсутствует <1>
А.1.17.1.
Марка ______________________________________________________
А.1.17.2.
Тип ________________________________________________________
А.1.17.3.
Описание системы (например, максимальное давление наддува,
наличие редукционного клапана, если применимо) _____________
____________________________________________________________
А.1.17.4.
Промежуточный охладитель: имеется/отсутствует <1>
А.1.18.
Система впуска:
Максимально допустимое разрежение на впуске при номинальной
частоте вращения двигателя,
100-процентной нагрузке
и условиях работы в соответствии с ГОСТ Р 41.24 ________ кПа
А.1.19.
Система выпуска:
Максимальное
противодавление, допустимое на выпуске,
при
номинальной частоте вращения
двигателя, 100-процентной
нагрузке и условиях
работы в соответствии с ГОСТ Р
41.24
________________________________________________________ кПа
Объем системы выпуска __________________________________ дм3
А.2.
Средства, применяемые для
ограничения выбросов вредных
веществ
А.2.1.
Устройство для рециркуляции
картерных газов (описание
и чертежи) _________________________________________________
А.2.2.
Дополнительные устройства, ограничивающие выбросы вредных
веществ (если таковые
имеются и не
упомянуты в другом
разделе) ___________________________________________________
А.2.2.1.
Каталитический нейтрализатор: имеется/отсутствует <1>
А.2.2.1.1.
Марка(и) ___________________________________________________
А.2.2.1.2.
Тип(ы) _____________________________________________________
А.2.2.1.3.
Количество
каталитических
нейтрализаторов
и элементов ________________________________________________
А.2.2.1.4.
Размеры, форма и
объем каталитического(их)
нейтрализатора(ов)__________________________________________
А.2.2.1.5.
Принцип действия катализатора ______________________________
А.2.2.1.6.
Суммарная загрузочная доза драгоценных металлов ____________
А.2.2.1.7.
Относительная концентрация _________________________________
А.2.2.1.8.
Носитель катализатора (структура и материал) _______________
А.2.2.1.9.
Плотность ячеек наполнителя ________________________________
А.2.2.1.10.
Тип корпуса каталитического(их) нейтрализатора(ов) _________
____________________________________________________________
А.2.2.1.11.
Расположение каталитического(их) нейтрализатора(ов) (место и
относительное положение в выпускном тракте) ________________
А.2.2.2.
Датчик кислорода: имеется/отсутствует <1>
А.2.2.2.1.
Марка(и) ___________________________________________________
А.2.2.2.2.
Тип ________________________________________________________
А.2.2.2.3.
Расположение _______________________________________________
А.2.2.3.
Впрыск воздуха: да/нет <1>
А.2.2.3.1.
Тип (пульсирующая подача, компрессор и т.д.) _______________
А.2.2.4.
РОГ: да/нет <1>
А.2.2.4.1.
Характеристики (производительность и т.д.) _________________
А.2.2.5.
Сажевый фильтр: имеется/отсутствует <1>
А.2.2.5.1.
Размеры, форма и емкость сажевого фильтра __________________
А.2.2.5.2.
Тип и конструкция сажевого фильтра _________________________
А.2.2.5.3.
Расположение (относительное положение
в выпускном тракте)
____________________________________________________________
А.2.2.5.4.
Метод или система
регенерации, описание и/или
чертеж
____________________________________________________________
А.2.2.6.
Другие системы: имеются/отсутствуют <1>
А.2.2.6.1.
Описание и принцип работы __________________________________
А.3.
Подача топлива
А.3.1.
Дизельные двигатели
А.3.1.1.
Топливный насос ____________________________________________
Давление <2> ____________________ кПа или характеристика <1>
А.3.1.2.
Система впрыска ____________________________________________
А.3.1.2.1.
Топливный насос высокого давления:
А.3.1.2.1.1.
Марка(и) ___________________________________________________
А.3.1.2.1.2.
Тип(ы) _____________________________________________________
А.3.1.2.1.3.
Производительность _____________ мм3 <1> за такт при частоте
вращения двигателя ____________
и максимальном впрыске
или характеристика впрыска <1>, <2> ________________________
Указать используемый метод определения производительности:
на двигателе/на насосном стенде
<2>. Если предусмотрена
регулировка давления впрыска,
привести зависимость подачи
топлива и давления впрыска от частоты вращения двигателя.
А.3.1.2.1.4.
Опережение впрыска:
А.3.1.2.1.4.1. Диаграмма опережения впрыска
<1> ___________________________
А.3.1.2.1.4.2. Статическая регулировка фазы впрыска
<1> ___________________
А.3.1.2.2.
Линия подачи топлива под давлением:
А.3.1.2.2.1.
Длина ___________________________________________________ мм
А.3.1.2.2.2.
Внутренний диаметр ______________________________________ мм
А.3.1.2.3.
Форсунка(и):
А.3.1.2.3.1.
Марка(и) ___________________________________________________
А.3.1.2.3.2.
Тип(ы) _____________________________________________________
А.3.1.2.3.3.
Давление в начальный момент впрыска ______ кПа или диаграмма
изменения давления <1>,
<2> ________________________________
А.3.1.2.4.
Регулятор:
А.3.1.2.4.1.
Марка(и) ___________________________________________________
--------------------------------
<1> Ненужное зачеркнуть.
<2> Указать допуск.
А.3.1.2.4.2.
Тип(ы) _____________________________________________________
А.3.1.2.4.3.
Частота вращения в
момент прекращения подачи топлива
при
полной нагрузке ______________________________________

А.3.1.2.4.4.
Максимальная частота вращения без нагрузки ___________

А.3.1.2.4.5.
Частота вращения холостого хода ______________________

А.3.1.3.
Система пуска холодного двигателя:
А.3.1.3.1.
Марка(и) ___________________________________________________
А.3.1.3.2.
Тип(ы) _____________________________________________________
А.3.1.3.3.
Описание ___________________________________________________
А.3.1.3.4.
Вспомогательное средство облегчения пуска:
А.3.1.3.4.1.
Марка ______________________________________________________
А.3.1.3.4.2.
Тип ________________________________________________________
А.3.2.
Двигатели, работающие на газовом топливе <1>
А.3.2.1.
Топливо: природный газ/СНГ <2>
А.3.2.2.
Регулятор(ы) давления или
испаритель/регулятор(ы)
давления <2>:
А.3.2.2.1.
Марка ______________________________________________________
А.3.2.2.2.
Тип(ы) _____________________________________________________
А.3.2.2.3.
Число ступеней снижения давления ___________________________
А.3.2.2.4.
Давление на последней ступени: мин ____ кПа, макс. _____ кПа
А.3.2.2.5.
Число основных точек регулировки ___________________________
А.3.2.2.6.
Число точек регулировки холостого хода _____________________
А.3.2.2.7.
&Номер сертификата соответствия требованиям ГОСТ Р& ________
А.3.2.3.
Топливная система: смесительное устройство/подача
газа/впрыск жидкости/непосредственный впрыск <2>
А.3.2.3.1.
Регулирование состава смеси ________________________________
А.3.2.3.2.
Описание системы и/или диаграмма и чертежи _________________
А.3.2.3.3.
&Номер сертификата соответствия требованиям ГОСТ Р& ________
А.3.2.4.
Смесительное устройство:
А.3.2.4.1.
Количество _________________________________________________
А.3.2.4.2.
Марка(и) ___________________________________________________
А.3.2.4.3.
Тип(ы) _____________________________________________________
А.3.2.4.4.
Расположение _______________________________________________
А.3.2.4.5.
Возможности регулировки ____________________________________
А.3.2.4.6.
&Номер сертификата соответствия требованиям ГОСТ Р& ________
А.3.2.5.
Впрыск во впускной коллектор:
А.3.2.5.1.
Впрыск: одноточечный/многоточечный <2>
А.3.2.5.2.
Впрыск: непрерывный/синхронный/последовательный <2>
А.3.2.5.3.
Оборудование для впрыска:
А.3.2.5.3.1.
Марка(и) ___________________________________________________
--------------------------------
<1> В
случае систем, спроектированных иным
образом, необходимо
представить равнозначные сведения.
<2> Ненужное зачеркнуть.
А.3.2.5.3.2.
Тип(ы) _____________________________________________________
А.3.2.5.3.3.
Возможности регулировки ____________________________________
А.3.2.5.3.4.
&Номер сертификата соответствия требованиям ГОСТ Р& ________
А.3.2.5.4.
Подающий насос (если имеется):
А.3.2.5.4.1.
Марка ______________________________________________________
А.3.2.5.4.2.
Тип(ы) _____________________________________________________
А.3.2.5.4.3.
&Номер сертификата соответствия требованиям ГОСТ Р& ________
А.3.2.5.5.
Форсунка(и):
А.3.2.5.5.1.
Марка(и) ___________________________________________________
А.3.2.5.5.2.
Тип(ы) _____________________________________________________
А.3.2.5.5.3.
&Номер сертификата соответствия требованиям ГОСТ Р& ________
А.3.2.6.
Непосредственный впрыск:
А.3.2.6.1.
Топливный насос/регулятор давления <1>:
А.3.2.6.1.1.
Марка(и) ___________________________________________________
А.3.2.6.1.2.
Тип(ы) _____________________________________________________
А.3.2.6.1.3.
Регулировка впрыска ________________________________________
А.3.2.6.1.4.
&Номер сертификата соответствия требованиям ГОСТ Р& ________
А.3.2.6.2.
Форсунка(и):
А.3.2.6.2.1.
Марка(и) ___________________________________________________
А.3.2.6.2.2.
Тип(ы) _____________________________________________________
А.3.2.6.2.3.
Давление в начальный момент впрыска ______ кПа или диаграмма
изменения давления <1>, <2> ________________________________
А.3.2.6.2.4.
&Номер сертификата соответствия требованиям ГОСТ Р& ________
А.3.2.7.
Электронный управляющий блок (ЭУБ):
А.3.2.7.1.
Марка(и) ___________________________________________________
А.3.2.7.2.
Тип(ы) _____________________________________________________
А.3.2.7.3.
Возможности регулировки ____________________________________
А.3.2.8.
Оборудование,
предназначенное
непосредственно для работы
на ПГ:
А.3.2.8.1.
Вариант 1 (только
для случая выдачи
&сертификатов
соответствия& на двигатели,
предназначенные для работы
на топливе нескольких конкретных составов)
А.3.2.8.1.1.
Состав топлива
┌────────────────────────────────┬────────────────────────────────────────┐
│ Компонент │ Молярная доля, % │
│
├────────────┬─────────────┬─────────────┤
│ │ исходная
│максимальная │ минимальная │
├────────────────────────────────┼────────────┼─────────────┼─────────────┤
│
Метан (CH )
│ │ │ │
│ 4 │ │ │ │
├────────────────────────────────┼────────────┼─────────────┼─────────────┤
│
Этан (C H )
│ │ │ │
│ 2 6 │ │ │ │
├────────────────────────────────┼────────────┼─────────────┼─────────────┤
│
Пропан (C H )
│ │ │ │
│ 3 8 │ │ │ │
├────────────────────────────────┼────────────┼─────────────┼─────────────┤
│
Бутан (C H ) │ │ │ │
│ 4 10 │ │ │ │
├────────────────────────────────┼────────────┼─────────────┼─────────────┤
│
C5/C5+
│ │ │ │
├────────────────────────────────┼────────────┼─────────────┼─────────────┤
│
Кислород (O )
│ │ │ │
│ 2 │ │ │ │
├────────────────────────────────┼────────────┼─────────────┼─────────────┤
│
Инертный газ (N , He, и т.п.)
│ │ │ │
│ 2 │ │ │ │
└────────────────────────────────┴────────────┴─────────────┴─────────────┘
А.3.2.8.1.2.
Форсунка(и):
А.3.2.8.1.2.1. Марка(и)
___________________________________________________
А.3.2.8.1.2.2. Тип(ы) _____________________________________________________
А.3.2.8.1.3.
Прочее (если применимо) ____________________________________
А.3.2.8.2.
Вариант 2 (только
в случае выдачи
&сертификатов
соответствия& для работы
на топливе нескольких конкретных
составов)
А.4.
Газораспределение
А.4.1.
Максимальный ход клапанов
и фазовые углы
открытия
и закрытия, определяемые
относительно "мертвых" точек
или эквивалентные данные__________________________________
А.4.2.
Нормируемые и/или устанавливаемые диапазоны значений <1>
А.5.
Система зажигания (только
двигатели с принудительным
зажиганием)
А.5.1.
Тип системы зажигания:
общая катушка и свечи зажигания/отдельная катушка
и свечи
зажигания/ катушка на свече/другое (указать) <1>
А.5.2.
Устройство управления зажиганием:
А.5.2.1.
Марка(и) ___________________________________________________
А.5.2.2.
Тип(ы) _____________________________________________________
А.5.3.
Диаграмма опережения зажигания/многопараметрическая
характеристика угла опережения зажигания <1>, <2>
А.5.4.
Регулировка момента зажигания
<2> _______ градусов до ВМТ
при частоте вращения ____________
и понижении давления
впуска ________ кПа
А.5.5.
Свечи зажигания:
А.5.5.1.
Марка(и) ___________________________________________________
А.5.5.2.
Тип(ы) _____________________________________________________
А.5.5.3.
Установка зазора ___________________________________________
А.5.6.
Катушка(и) зажигания:
А.5.6.1.
Марка(и) ___________________________________________________
А.5.6.2.
Тип(ы) _____________________________________________________
А.6.
Оборудование, приводимое от двигателя
Двигатель должен быть
представлен на испытание
со вспомогательным
оборудованием, необходимым для
работы
двигателя (например,
вентилятором, водяным насосом и т.п.),
состав которого указан
в ГОСТ Р 41.24, и в соответствии
с установленными в ГОСТ Р 41.24 условиями работы.
А.6.1. Вспомогательное оборудование,
устанавливаемое для проведения
испытания
Если подобное вспомогательное оборудование невозможно
или нецелесообразно устанавливать на испытательный стенд, то
следует определить потребляемую им
мощность и вычесть
ее
из мощности двигателя, измеряемой
на протяжении всей
его
работы в ходе испытательного цикла (испытательных циклов).
А.6.2. Вспомогательное оборудование, демонтируемое на
время
проведения испытания
Вспомогательное
оборудование, необходимое только
для работы собственно ТС
(например, воздушный компрессор,
система кондиционирования воздуха),
на время проведения
испытания должно быть
демонтировано. Если оборудование
невозможно демонтировать, то следует
определить потребляемую
им мощность и добавить ее к мощности
двигателя, измеряемой
на протяжении всего испытания в
ходе испытательного цикла
(испытательных циклов).
--------------------------------
<1> Ненужное зачеркнуть.
<2> Указать допуск.
А.7.
Дополнительные сведения относительно
условий проведения
испытаний
А.7.1. Применяемая смазка:
А.7.1.1.
Марка ______________________________________________________
А.7.1.2.
Тип ________________________________________________________
указать процентное содержание масла в смеси, если
используют смесь
топлива и смазки
А.7.2.
Оборудование, приводимое от двигателя (если имеется).
Мощность, потребляемую вспомогательным оборудованием,
определяют только в следующих случаях:
- если вспомогательное оборудование, требуемое
для работы двигателя, не установлено на двигателе и/или
- если вспомогательное оборудование, не
требуемое
для работы двигателя, установлено на двигателе.
А.7.2.1.
Перечень и идентифицирующие признаки
А.7.2.2.
Мощность, кВт, потребляемая
вспомогательным оборудованием
при различных частотах вращения двигателя,
:
|
Показатель
|
Режим проведения
испытания
|
|
Холос-
той
ход
|
Низкая
частота
враще-
ния
|
Высокая
частота
враще-
ния
|
Частота
враще-
ния
A <1>
|
Частота
враще-
ния
B <1>
|
Частота
враще-
ния
C <1>
|
Исходная
частота
вращения
<2>
|
|
P(a)
Мощность
вспомогательного
оборудования,
необходимого для
работы двигателя
<3>, см. А.6.1
|
|
|
|
|
|
|
|
|
P(b)
Мощность
вспомогательного
оборудования,
нетребуемого для
работы двигателя
<4>, см. А.6.2
|
|
|
|
|
|
|
|
А.8.
Характеристики двигателя
А.8.1.
Частоты вращения двигателя <5>
Низкая частота вращения
_________________________

Высокая частота вращения
________________________

- для испытаний ESC и ELR:
холостой ход _________________________________________

частота вращения A ___________________________________

частота вращения B ___________________________________

частота вращения C ___________________________________

- для испытания ETC:
исходная частота вращения ____________________________

--------------------------------
<1> В испытании ESC.
<2> Только в испытании ETC.
<3> Вычитают из измеренной мощности
двигателя.
<4> Добавляют к измеренной мощности
двигателя.
<5> Указать допустимые
отклонения, которые должны
находиться в
диапазоне
+/- 3% значений, установленных изготовителем.
А.8.2. Потребляемая мощность,
кВт, измеренная в
соответствии
с требованиями ГОСТ Р 41.24 при
различных частотах вращения
двигателя,
:
┌───────────────────────────┬─────────────────────────────────────────────┐
│ Показатель │ Режим проведения испытания │
│
├─────────┬────────┬────────┬────────┬────────┤
│ │Холостой
│Частота │Частота │Частота │Исходная│
│ │ ход
│вращения│вращения│вращения│частота │
│ │ │ A <1> │ B <1> │ C <1> │вращения│
│ │ │ │ │ │
<2> │
├───────────────────────────┼─────────┼────────┼────────┼────────┼────────┤
│
P(m) │ │ │ │ │ │
│
Мощность, измеренная на │ │ │ │ │ │
│испытательном
стенде │ │ │ │ │ │
├───────────────────────────┼─────────┼────────┼────────┼────────┼────────┤
│
P(a) │ │ │ │ │ │
│
Мощность, потребляемая │ │ │ │ │ │
│вспомогательным │ │ │ │ │ │
│оборудованием, │ │ │ │ │ │
│устанавливаемым
для │ │ │ │ │ │
│испытания
(см. А.6.1): │ │ │ │ │ │
│
- если оборудование │ │ │ │ │ │
│установлено; │ │ │ │ │ │
│
- если не установлено │ 0
│ 0 │
0 │ 0
│ 0 │
├───────────────────────────┼─────────┼────────┼────────┼────────┼────────┤
│
P(b) │ │ │ │ │ │
│
Мощность, потребляемая │ │ │ │ │ │
│вспомогательным │ │ │ │ │ │
│оборудованием, │ │ │ │ │ │
│демонтируемым
на время │ │ │ │ │ │
│испытания
(см. А.6.2): │ │
│ │ │ │
│
- если оборудование │ │ │ │ │ │
│установлено; │ │ │ │ │ │
│
- если не установлено │ 0
│ 0 │
0 │ 0 │
0 │
├───────────────────────────┼─────────┼────────┼────────┼────────┼────────┤
│
P(n) │ │ │ │ │ │
│
Полезная мощность │ │ │ │ │ │
│двигателя: │ │ │ │ │ │
│P(n)
= P(m) - P(a) + P(b) │ │ │ │ │ │
└───────────────────────────┴─────────┴────────┴────────┴────────┴────────┘
А.8.3.
Регулировки динамометра
Регулировки динамометра
для испытаний ESC
и ELR
и для исходного
цикла испытания ETC должны быть
основаны
на полезной мощности
двигателя P(n), указанной в А.8.2.
Рекомендуется устанавливать двигатель
на испытательном
стенде таким образом, чтобы он развивал полезную мощность.
В этом случае
P(m) и P(n) идентичны. Если такая установка
невозможна или нецелесообразна, регулировки следует
корректировать для приведения
значений, полученных
при измерениях, к значениям полезной мощности, рассчитанным
на основе указанной в А.8.2 формулы.
А.8.3.1.
Испытания ESC и ELR
Диапазоны измерений для динамометра,
кВт, рассчитывают
в соответствии с формулами, указанными в
1.2 дополнения 1
к Приложению Д.
|
Нагрузка
в процентах
|
Режим проведения испытания
|
|
Холостой
ход
|
Частота
вращения A
|
Частота
вращения B
|
Частота
вращения C
|
|
10
|
-
|
|
|
|
|
25
|
-
|
|
|
|
|
50
|
-
|
|
|
|
|
75
|
-
|
|
|
|
|
100
|
|
|
|
|
А.8.3.2.
Испытание ETC
Если двигатель испытывают в
условиях,
не обеспечивающих измерение
его полезной мощности,
то поправочные формулы
для приведения значений измеренной
мощности или измеренной работы за цикл к значениям полезной
мощности или полезной работы за
цикл, как это
определено
в соответствии с разделом 2 дополнения
2 к Приложению
Д,
должны быть представлены изготовителем двигателя для
всего
цикла и быть одобрены &органом по сертификации&.
--------------------------------
<1> В испытании ESC.
<2> Только в испытании ETC.
Дополнение
1
(к Приложению А)
ХАРАКТЕРИСТИКИ ЧАСТЕЙ ТРАНСПОРТНОГО
СРЕДСТВА, СВЯЗАННЫХ С ДВИГАТЕЛЕМ
1. Разрежение
в системе впуска при номинальной
частоте вращения двигателя
и
100-процентной нагрузке __________________________________________ кПа
2. Противодавление
в системе выпуска
при номинальной частоте вращения
двигателя и
100-процентной нагрузке ________________________________ кПа
3. Объем системы выпуска
______________________________________________ см3
4. Мощность, кВт, потребляемая вспомогательным оборудованием, необходимым
для работы двигателя при различных частотах вращения двигателя,
.
(Состав оборудования указан
в ГОСТ Р
41.24 в соответствии
с
устанавливаемыми в ГОСТ Р 41.24 условиями работы.)
|
Показатель
|
Режим проведения
испытания
|
|
Холос-
той
ход
|
Низкая
часто-
та
враще-
ния
|
Высокая
частота
враще-
ния
|
Частота
враще-
ния
A <1>
|
Частота
вращения
B <1>
|
Частота
вращения
C <1>
|
Исходная
частота
вращения
<2>
|
|
P(a)
Мощность
вспомогательного
оборудования,
необходимого для
работы двигателя
<3>, см. А.6.1
|
|
|
|
|
|
|
|
|
<1> Испытание ESC.
<2> Только испытание
ETC.
<3> Вычитают из измеренной
мощности двигателя.
|
Дополнение
2
(к Приложению А)
ОСНОВНЫЕ ХАРАКТЕРИСТИКИ
СЕМЕЙСТВА ДВИГАТЕЛЕЙ
1. Общие
параметры
1.1. Рабочий
цикл _______________________________________________________
1.2.
Охлаждающая среда __________________________________________________
1.3. Число
цилиндров <1>
1.4. Рабочий
объем цилиндра _____________________________________________
1.5. Принцип
впуска воздуха _____________________________________________
1.6.
Тип/конструкция камеры сгорания ____________________________________
1.7. Клапаны
и патрубки - конфигурация, размеры и количество ____________
1.8.
Топливная система __________________________________________________
1.9. Система
зажигания (для газовых двигателей) _________________________
1.10. Другие
характеристики:
-
система охлаждения заряда <1> ____________________________________
-
рециркуляция отработавших газов (РОГ) <1> ________________________
-
впрыск воды/эмульсии <1> _________________________________________
-
впрыск воздуха <1> _______________________________________________
1.11.
Последующая очистка отработавших газов <1>:
____________________________________________________________________
Подтверждение идентичного (или
наименьшего в случае
базового
двигателя) соотношения: объем
системы/подача топлива на один такт
в
соответствии с указанным
на диаграмме значением
(указанными
на
диаграмме значениями) ___________________________________________
2.
Перечень семейств двигателей
2.1.
Наименование семейства дизельных двигателей
2.1.1. Технические характеристики двигателей этого
семейства:
┌───────────────────────────────────────┬─────────────────────────────────┐
│ Показатель │Значение для двигателей
семейства│
│
├─────┬─────┬─────┬─────┬─────────┤
│
│ 1 │
2 │ 3
│ 4 │ Базовый │
│
│ │ │
│
│двигатель│
├───────────────────────────────────────┼─────┼─────┼─────┼─────┼─────────┤
│
Тип двигателя
│ │ │
│ │ │
├───────────────────────────────────────┼─────┼─────┼─────┼─────┼─────────┤
│
Число цилиндров
│ │ │
│ │ │
├───────────────────────────────────────┼─────┼─────┼─────┼─────┼─────────┤
│ -1 │
│ │ │
│ │
│
Номинальная частота вращения, мин
│ │ │
│ │ │
├───────────────────────────────────────┼─────┼─────┼─────┼─────┼─────────┤
│
Объем подачи топлива на один такт при │ │
│ │ │ │
│номинальной
частоте вращения, мм3 │ │
│ │ │ │
├───────────────────────────────────────┼─────┼─────┼─────┼─────┼─────────┤
│
Номинальная полезная мощность, кВт
│ │ │
│ │ │
├───────────────────────────────────────┼─────┼─────┼─────┼─────┼─────────┤
│
Частота вращения при максимальном
│ │ │
│ │ │
│ -1 │ │
│ │
│ │
│крутящем
моменте, мин
│ │ │
│ │ │
├───────────────────────────────────────┼─────┼─────┼─────┼─────┼─────────┤
│
Объем подачи топлива на один такт при │ │
│ │ │ │
│максимальном
крутящем моменте, мм3 │ │
│ │ │ │
├───────────────────────────────────────┼─────┼─────┼─────┼─────┼─────────┤
│
Максимальный крутящий момент, Н x м
│ │ │
│ │ │
├───────────────────────────────────────┼─────┼─────┼─────┼─────┼─────────┤
│
Низкая частота вращения на холостом
│ │ │
│ │ │
│ -1 │ │
│ │ │ │
│ходу,
мин
│ │ │
│ │ │
├───────────────────────────────────────┼─────┼─────┼─────┼─────┼─────────┤
│
Рабочий объем цилиндра (в процентах
│ │ │
│ │ 100
│
│объема
цилиндра базового двигателя)
│ │ │
│ │ │
└───────────────────────────────────────┴─────┴─────┴─────┴─────┴─────────┘
--------------------------------
<1> Если не имеется, указать
"Нет".
2.2.
Наименование семейства газовых двигателей
2.2.1. Технические характеристики двигателей этого
семейства
┌──────────────────────────────────────┬──────────────────────────────────┐
│ Показатель │Значение для двигателей
семейства │
│
├─────┬─────┬─────┬─────┬──────────┤
│
│ 1 │
2 │ 3
│ 4 │ Базовый │
│
│ │ │
│ │двигатель
│
├──────────────────────────────────────┼─────┼─────┼─────┼─────┼──────────┤
│
Тип двигателя
│ │ │
│ │ │
├──────────────────────────────────────┼─────┼─────┼─────┼─────┼──────────┤
│
Число цилиндров
│ │ │
│ │ │
├──────────────────────────────────────┼─────┼─────┼─────┼─────┼──────────┤
│ -1 │
│ │ │
│ │
│
Номинальная частота вращения, мин
│ │ │
│ │ │
├──────────────────────────────────────┼─────┼─────┼─────┼─────┼──────────┤
│
Объем подачи топлива на один такт при│
│ │ │
│ │
│номинальной
частоте вращения, мм3 │ │
│ │ │ │
├──────────────────────────────────────┼─────┼─────┼─────┼─────┼──────────┤
│
Номинальная полезная мощность, кВт
│ │ │
│ │ │
├──────────────────────────────────────┼─────┼─────┼─────┼─────┼──────────┤
│
Частота вращения при максимальном
│ │ │
│ │ │
│ -1 │ │
│ │ │ │
│крутящем
моменте, мин │ │
│ │ │ │
├──────────────────────────────────────┼─────┼─────┼─────┼─────┼──────────┤
│
Объем подачи топлива на один такт при│
│ │ │
│ │
│максимальном
крутящем моменте, мм3 │ │
│ │ │ │
├──────────────────────────────────────┼─────┼─────┼─────┼─────┼──────────┤
│
Максимальный крутящий момент, Н x м
│ │ │
│ │ │
├──────────────────────────────────────┼─────┼─────┼─────┼─────┼──────────┤
│
Низкая частота вращения на холостом
│ │ │
│ │ │
│ -1 │ │
│ │ │ │
│ходу,
мин │
│ │ │
│ │
├──────────────────────────────────────┼─────┼─────┼─────┼─────┼──────────┤
│
Рабочий объем цилиндра (в процентах
│ │ │
│ │ 100
│
│объема
цилиндра базового двигателя)
│ │ │
│ │ │
├──────────────────────────────────────┼─────┼─────┼─────┼─────┼──────────┤
│
Регулировка момента зажигания
│ │ │
│ │ │
├──────────────────────────────────────┼─────┼─────┼─────┼─────┼──────────┤
│
Поток РОГ │ │
│ │ │ │
├──────────────────────────────────────┼─────┼─────┼─────┼─────┼──────────┤
│
Воздушный насос: имеется/отсутствует │
│ │ │
│ │
├──────────────────────────────────────┼─────┼─────┼─────┼─────┼──────────┤
│
Фактическая производительность
│ │ │
│ │ │
│воздушного
насоса │ │
│ │ │ │
└──────────────────────────────────────┴─────┴─────┴─────┴─────┴──────────┘
Дополнение
3
(к Приложению А)
ОСНОВНЫЕ ХАРАКТЕРИСТИКИ ТИПА ДВИГАТЕЛЯ,
ВХОДЯЩЕГО В СЕМЕЙСТВО
<1>
1.
Описание двигателя
1.1.
Предприятие-изготовитель _____________________________________
1.2.
Обозначение двигателя, присвоенное изготовителем _____________
1.3.
Рабочий цикл: четырехтактный/двухтактный <2>
1.4.
Количество и расположение цилиндров __________________________
1.4.1.
Диаметр цилиндра __________________________________________ мм
1.4.2.
Ход поршня ________________________________________________ мм
1.4.3.
Порядок работы цилиндров _____________________________________
1.5.
Рабочий объем двигателя __________________________________ см3
1.6.
Степень сжатия <3> ___________________________________________
1.7.
Чертеж(и) камеры сгорания и головки поршня ___________________
1.8.
Минимальное поперечное сечение впускных
и выпускных каналов
__________________________________________________________ мм2
1.9.
Частота вращения холостого хода ________________________

1.10.
Максимальная полезная мощность ________ кВт при ________

1.11.
Максимальная допустимая частота вращения двигателя _____

1.12.
Максимальный полезный крутящий момент ____ Н x м при ___

1.13.
Принцип работы: с
воспламенением от сжатия/с принудительным
зажиганием <2>
1.14.
Топливо: дизельное/СНГ/ПГ группы
H/ПГ группы L/ПГ
групп H
и
L/этанол <2>
1.15. Система охлаждения:
1.15.1.
Жидкостная:
1.15.1.1.
Вид жидкости _________________________________________________
1.15.1.2.
Циркуляционный(ые) насос(ы): имеется/отсутствует <2>
1.15.1.3.
Характеристики или марка(и) и тип(ы) (при наличии насоса) ____
1.15.1.4.
Передаточное(ые) число(а) (при наличии насоса) _______________
1.15.2.
Воздушная:
1.15.2.1.
Компрессор: имеется/отсутствует <1>
1.15.2.2.
Характеристики или марка(и) и тип(ы) (при наличии компрессора)
______________________________________________________________
1.15.2.3.
Передаточное(ые) число(а) (при наличии компрессора) __________
1.16.
Температура, устанавливаемая изготовителем:
1.16.1.
Жидкостное охлаждение: максимальная температура на выходе __ К
1.16.2.
Воздушное охлаждение:
Базисная точка _______________________________________________
Максимальная температура в базисной точке __________________ К
1.16.3. Максимальная температура
впускного воздуха на
выходе
из промежуточного охладителя (при наличии) _________________ К
--------------------------------
<1> Представляют для каждого
двигателя семейства.
<2> Ненужное зачеркнуть.
<3> Указать допуск.
1.16.4.
Максимальная температура отработавших газов
в точке
выпускной(ых) трубы(труб)
рядом с наружным(и)
фланцем(ами)
выпускного(ых)
коллектора(ов) или турбонагнетателя
(трубонагнетателей) ________________________________________ К
1.16.5. Температура топлива: мин ____________ К,
макс. _____________ К
(для дизелей
- на входе
топливного насоса, для
газовых
двигателей - на последней ступени регулятора давления)
1.16.6.
Давление топлива: мин _____ кПа, макс. ______ кПа на последней
ступени регулятора давления (только
для газовых двигателей,
работающих на ПГ)
1.16.7.
Температура смазки: мин _____________ К, макс. ____________ К
1.17.
Турбонагнетатель: имеется/отсутствует <1>
1.17.1.
Марка ________________________________________________________
1.17.2.
Тип __________________________________________________________
1.17.3.
Описание системы (например, максимальное
давление наддува,
наличие редукционного клапана, если применимо) _______________
______________________________________________________________
1.17.4.
Промежуточный охладитель: имеется/отсутствует <1>
1.18.
Система впуска
Максимально допустимое разрежение на
впуске при номинальной
частоте вращения двигателя, 100-процентной нагрузке и условиях
работы в соответствии с ГОСТ Р 41.24 _____________________ кПа
1.19.
Система выпуска
Максимальное
противодавление, допустимое на
выпуске,
при номинальной частоте вращения
двигателя, 100-процентной
нагрузке и условиях
работы в соответствии
с ГОСТ Р 41.24
__________________________________________________________ кПа
Объем системы выпуска ____________________________________ дм3
2.
Средства, применяемые для ограничения выбросов вредных веществ
2.1.
Устройство для рециркуляции картерных
газов (описание
и
чертежи) ___________________________________________________
2.2.
Дополнительные устройства, ограничивающие выбросы
вредных
веществ (если таковые имеются и не упомянуты в другом пункте)
______________________________________________________________
2.2.1.
Каталитический нейтрализатор: имеется/отсутствует <1>
2.2.1.1.
Количество каталитических нейтрализаторов и элементов ________
2.2.1.2.
Размеры, форма и объем каталитического(их) нейтрализатора(ов)
______________________________________________________________
2.2.1.3.
Принцип действия катализатора ________________________________
2.2.1.4.
Суммарная загрузочная доза драгоценных металлов ______________
2.2.1.5.
Относительная концентрация ___________________________________
2.2.1.6.
Носитель катализатора (структура и материал) _________________
2.2.1.7.
Плотность ячеек наполнителя __________________________________
2.2.1.8.
Тип корпуса каталитического(их) нейтрализатора(ов) ___________
2.2.1.9.
Расположение каталитического(их) нейтрализатора(ов) (место
и
относительное положение в выпускном тракте) ________________
2.2.2.
Датчик кислорода: имеется/отсутствует <1>
2.2.2.1.
Тип __________________________________________________________
2.2.3.
Впрыск воздуха: да/нет <1>
2.2.3.1.
Тип (пульсирующая подача, компрессор и т.д.) _________________
2.2.4.
РОГ: да/нет <1>
2.2.4.1.
Характеристики (производительность и т.д.) ___________________
2.2.5.
Сажевый фильтр: имеется/отсутствует <1>
2.2.5.1.
Размеры, форма и емкость сажевого фильтра ____________________
2.2.5.2.
Тип и конструкция сажевого фильтра ___________________________
2.2.5.3.
Расположение (относительное положение в выпускном тракте) ____
2.2.5.4.
Метод или система регенерации: описание и/или чертеж _________
2.2.6.
Другие системы: имеются/отсутствуют <1>
2.2.6.1.
Описание и принцип работы ____________________________________
3.
Подача топлива
3.1.
Дизельные двигатели:
3.1.1.
Топливный насос ______________________________________________
Давление <2> ______________________ кПа или характеристика
<1>
3.1.2.
Система впрыска
3.1.2.1.
Топливный насос высокого давления:
3.1.2.1.1.
Марка(и) _____________________________________________________
3.1.2.1.2.
Тип(ы) _______________________________________________________
3.1.2.1.3.
Производительность ______ мм3 <2> за такт при частоте вращения
двигателя ______________________________________________

и
максимальном значении впрыска или
характеристика впрыска
<1>, <2>
_____________________________________________________
Указать используемый метод определения производительности: на
двигателе/на насосном стенде
<1>. Если предусмотрена
регулировка давления впрыска,
привести зависимость подачи
топлива и давления впрыска от частоты вращения двигателя _____
3.1.2.1.4.
Опережение впрыска:
3.1.2.1.4.1. Диаграмма опережения впрыска <2>
_____________________________
3.1.2.1.4.2. Статическая регулировка фазы впрыска
<2> _____________________
3.1.2.2.
Линия подачи топлива под давлением:
3.1.2.2.1.
Длина _____________________________________________________ мм
3.1.2.2.2.
Внутренний диаметр ________________________________________ мм
3.1.2.3.
Форсунка(и):
3.1.2.3.1.
Марка(и) _____________________________________________________
3.1.2.3.2.
Тип(ы) _______________________________________________________
3.1.2.3.3.
Давление в начальный момент впрыска ________ кПа или диаграмма
изменения давления <1>, <2>
__________________________________
3.1.2.4.
Регулятор:
3.1.2.4.1.
Марка(и) _____________________________________________________
3.1.2.4.2.
Тип(ы) _______________________________________________________
3.1.2.4.3.
Частота вращения в
момент прекращения подачи
топлива
при полной нагрузке ____________________________________

3.1.2.4.4.
Максимальная частота вращения без нагрузки _____________

3.1.2.4.5.
Частота вращения холостого хода ________________________

3.1.3.
Система пуска холодного двигателя:
3.1.3.1.
Марка(и) _____________________________________________________
3.1.3.2.
Тип(ы) _______________________________________________________
3.1.3.3.
Описание _____________________________________________________
3.1.3.4.
Вспомогательное средство облегчения пуска:
3.1.3.4.1.
Марка ________________________________________________________
3.1.3.4.2.
Тип __________________________________________________________
3.2.
Двигатели, работающие на газовом топливе
3.2.1.
Топливо: природный газ/СНГ <1>
3.2.2.
Регулятор(ы) давления или
испаритель/регулятор(ы) давления
<1>:
3.2.2.1.
Марка ________________________________________________________
3.2.2.2.
Тип(ы) _______________________________________________________
3.2.2.3.
Число ступеней снижения давления _____________________________
3.2.2.4.
Давление на последней ступени: мин _____ кПа, макс. _____ кПа
3.2.2.5.
Число основных точек регулировки _____________________________
3.2.2.6.
Число точек регулировки холостого хода _______________________
3.2.2.7.
&Номер сертификата соответствия требованиям ГОСТ Р& __________
3.2.3. Топливная система:
смесительное
устройство/подача
газа/впрыск
жидкости/непосредственный впрыск <1>
3.2.3.1.
Регулирование состава смеси __________________________________
3.2.3.2.
Описание системы и/или диаграмма и чертежи ___________________
3.2.3.3.
&Номер сертификата соответствия требованиям ГОСТ Р& __________
3.2.4.
Смесительное устройство:
3.2.4.1.
Количество ___________________________________________________
3.2.4.2.
Марка(и) _____________________________________________________
3.2.4.3.
Тип(ы) _______________________________________________________
3.2.4.4.
Расположение _________________________________________________
3.2.4.5.
Возможности регулировки ______________________________________
3.2.4.6.
&Номер сертификата соответствия требованиям ГОСТ Р& __________
3.2.5.
Впрыск во впускной коллектор:
3.2.5.1.
Впрыск: одноточечный/многоточечный <1>
3.2.5.2.
Впрыск: непрерывный/синхронный/последовательный <1>
3.2.5.3.
Оборудование для впрыска:
3.2.5.3.1.
Марка(и) _____________________________________________________
3.2.5.3.2.
Тип(ы) _______________________________________________________
3.2.5.3.3.
Возможности регулировки ______________________________________
3.2.5.3.4.
&Номер сертификата соответствия требованиям ГОСТ Р& __________
3.2.5.4.
Подающий насос (если имеется):
3.2.5.4.1.
Марка ________________________________________________________
3.2.5.4.2.
Тип(ы) _______________________________________________________
3.2.5.4.3.
&Номер сертификата соответствия требованиям ГОСТ Р& __________
3.2.5.5.
Форсунка(и):
3.2.5.5.1.
Марка(и) _____________________________________________________
3.2.5.5.2.
Тип(ы) _______________________________________________________
3.2.5.5.3.
&Номер сертификата соответствия требованиям ГОСТ Р& __________
3.2.6.
Непосредственный впрыск:
3.2.6.1.
Топливный насос/регулятор давления <1>:
3.2.6.1.1.
Марка(и) _____________________________________________________
3.2.6.1.2.
Тип(ы) _______________________________________________________
3.2.6.1.3.
Регулировка впрыска:
3.2.6.1.4.
&Номер сертификата соответствия требованиям ГОСТ Р& __________
3.2.6.2.
Форсунка(и):
3.2.6.2.1.
Марка(и) _____________________________________________________
3.2.6.2.2.
Тип(ы) _______________________________________________________
3.2.6.2.3.
Давление в начальный момент впрыска ________ кПа или диаграмма
изменения давления <1>, <2>
__________________________________
3.2.6.2.4.
&Номер сертификата соответствия требованиям ГОСТ Р& __________
3.2.7.
Электронный управляющий блок (ЭУБ):
3.2.7.1.
Марка(и) _____________________________________________________
3.2.7.2.
Тип(ы) _______________________________________________________
3.2.7.3.
Возможности регулировки ______________________________________
3.2.8.
Оборудование, предназначенное непосредственно для работы на ПГ
3.2.8.1.
Вариант 1 (только для
случая выдачи &сертификатов
соответствия& на двигатели,
предназначенные для работы
на топливе нескольких конкретных составов):
3.2.8.1.1.
Состав топлива
┌────────────────────────────────┬────────────────────────────────────────┐
│ Компонент │ Молярная доля, % │
│
├────────────┬─────────────┬─────────────┤
│ │ исходная
│максимальная │ минимальная │
├────────────────────────────────┼────────────┼─────────────┼─────────────┤
│
Метан (CH )
│ │ │ │
│ 4 │ │ │ │
├────────────────────────────────┼────────────┼─────────────┼─────────────┤
│
Этан (C H )
│ │ │ │
│ 2 6 │ │ │ │
├────────────────────────────────┼────────────┼─────────────┼─────────────┤
│
Пропан (C H )
│ │ │ │
│ 3 8 │ │ │ │
├────────────────────────────────┼────────────┼─────────────┼─────────────┤
│
Бутан (C H ) │ │ │ │
│ 4 10 │ │ │ │
├────────────────────────────────┼────────────┼─────────────┼─────────────┤
│
C5/C5+
│ │ │ │
├────────────────────────────────┼────────────┼─────────────┼─────────────┤
│
Кислород (O )
│ │ │ │
│ 2 │ │ │ │
├────────────────────────────────┼────────────┼─────────────┼─────────────┤
│
Инертный газ (N , He, и т.п.)
│ │ │ │
│ 2 │ │ │ │
└────────────────────────────────┴────────────┴─────────────┴─────────────┘
3.2.8.1.2.
Форсунка(и):
3.2.8.1.2.1. Марка(и)
_____________________________________________________
3.2.8.1.2.2. Тип(ы)
_______________________________________________________
3.2.8.1.3.
Прочее (если применимо) ______________________________________
3.2.8.2.
Вариант 2 (только в случае выдачи &сертификатов соответствия&
для работы на топливе нескольких конкретных составов) ________
4.
Газораспределение
4.1.
Максимальный ход клапанов и фазовые углы открытия и закрытия,
определяемые относительно "мертвых" точек
или эквивалентные
данные _______________________________________________________
4.2. Нормируемые и/или
устанавливаемые диапазоны значений
<1>
______________________________________________________________
5.
Система зажигания (только двигатели с искровым зажиганием)
5.1.
Тип системы зажигания:
общая катушка и свечи
зажигания/отдельная катушка и
свечи
зажигания/катушка на свече/другое (указать) <1>
5.2.
Устройство управления зажиганием:
5.2.1.
Марка(и) _____________________________________________________
5.2.2.
Тип(ы) _______________________________________________________
5.3.
Диаграмма опережения зажигания/многопараметрическая
характеристика угла опережения зажигания <1>, <2>
____________
5.4.
Регулировка момента зажигания <2> ____________ градусов до ВМТ
при частоте вращения ______________
и понижении давления
впуска ___________________________________________________ кПа
5.5.
Свечи зажигания:
5.5.1.
Марка(и) _____________________________________________________
5.5.2.
Тип(ы) _______________________________________________________
5.5.3.
Установка зазора _____________________________________________
5.6.
Катушка(и) зажигания:
5.6.1.
Марка(и) _____________________________________________________
5.6.2.
Тип(ы) _______________________________________________________
--------------------------------
<1> Ненужное зачеркнуть.
<2> Указать допуск.
Приложение
Б
(обязательное)
&ФОРМА
ПРИЛОЖЕНИЯ К СЕРТИФИКАТУ СООТВЕТСТВИЯ ТИПА ДВИГАТЕЛЯ
С ВОСПЛАМЕНЕНИЕМ ОТ
СЖАТИЯ, ТИПА ДВИГАТЕЛЯ, РАБОТАЮЩЕГО
НА ПРИРОДНОМ ГАЗЕ,
ИЛИ ТИПА ДВИГАТЕЛЯ С ПРИНУДИТЕЛЬНЫМ
ЗАЖИГАНИЕМ,
РАБОТАЮЩЕГО НА СЖИЖЕННОМ НЕФТЯНОМ ГАЗЕ,
КАК ОТДЕЛЬНОГО
ТЕХНИЧЕСКОГО АГРЕГАТА В ОТНОШЕНИИ
ВЫБРОСОВ ВРЕДНЫХ
ВЕЩЕСТВ
Бланк сертификата
соответствия N _______________
Всего страниц _______________
РОСС _______________ <1>
┌─────────────────────────────────────────────────────────────────────────┐
│ ПРИЛОЖЕНИЕ │
├─────────────────────────────────────────────────────────────────────────┤
│ к сертификату соответствия двигателя
автотранспортного средства в │
│ отношении выбросов вредных веществ на
основании ГОСТ Р 41.49 (04) │
├───────────────────────────────────────┬─────────────────────────────────┤
│1.
Тип двигателя
│
│
├───────────────────────────────────────┼─────────────────────────────────┤
│2.
Принцип сгорания: воспламенение
│ │
│от
сжатия/принудительное зажигание <2> │ │
├───────────────────────────────────────┼─────────────────────────────────┤
│2.1.
Вид топлива
│
│
├───────────────────────────────────────┴─────────────────────────────────┤
│3.
Максимальное разрежение на впуске ............ кПа │
├─────────────────────────────────────────────────────────────────────────┤
│4.
Максимальное противодавление на выпуске ...... кПа │
├─────────────────────────────────────────────────────────────────────────┤
│5.
Мощность, потребляемая оборудованием, приводимым от двигателя: │
│ - в промежуточных режимах
.................... кВт │
│ - номинальная
................................ кВт │
├───────────────────────────────────────┬─────────────────────────────────┤
│6.
Ограничения использования (если
│
│
│ применимо) │ │
├───────────────────────────────────────┴─────────────────────────────────┤
│7.
Уровни выбросов вредных веществ двигателя/базового двигателя: │
│7.1.
Испытание ESC (если применимо):
│
│ CO .................... г/кВт │
│ TCH ................... г/кВт │
│ NO
................... г/кВт │
│ x
│
│
│
│ PT .................... г/кВт │
│7.2.
Испытание ELR (если применимо): │
│ -1
│
│Дымность
................... м
│
│7.3.
Испытание ETC (если применимо): │
│ CO .................... г/кВт │
│ TCH ................... г/кВт │
│ NMHC .................. г/кВт │
│ CH
................... г/кВт │
│ 4
│
│
│
│ NO
................... г/кВт │
│ x
│
│
│
│ PT .................... г/кВт │
├─────────────────────────────────────────────────────────────────────────┤
│8.
Двигатель, представленный для испытаний: ......................... │
├─────────────────────────────────────────────────────────────────────────┤
│ Руководитель органа по сертификации
____________ ___________________│
│
подпись инициалы, фамилия
│
│ Эксперт ____________
___________________│
│ подпись инициалы, фамилия │
└─────────────────────────────────────────────────────────────────────────┘
--------------------------------
<1> Номер сертификата соответствия по
Госреестру, присвоенный согласно
Постановлению Госстандарта России от 24.10.2000 N
71.
<2> Ненужное зачеркнуть.&
Приложение
В
(обязательное)
&ФОРМА
ПРИЛОЖЕНИЯ К СЕРТИФИКАТУ СООТВЕТСТВИЯ
ТИПА ТРАНСПОРТНОГО
СРЕДСТВА В ОТНОШЕНИИ
ВЫБРОСОВ ЕГО
ДВИГАТЕЛЕМ ВРЕДНЫХ ВЕЩЕСТВ
Бланк сертификата
соответствия N _______________
Всего страниц _______________
РОСС ________________ <1>
┌─────────────────────────────────────────────────────────────────────────┐
│ ПРИЛОЖЕНИЕ │
├─────────────────────────────────────────────────────────────────────────┤
│
к сертификату соответствия транспортного средства в отношении выбросов │
│ его двигателем вредных веществ на
основании ГОСТ Р 41.49 (04) │
├─────────────────────────────────────────────────────────────────────────┤
│1.
Максимальное разрежение на впуске .................... кПа │
├─────────────────────────────────────────────────────────────────────────┤
│2.
Максимальное противодавление на выпуске .............. кПа │
├─────────────────────────────────────────────────────────────────────────┤
│3.
Мощность, потребляемая оборудованием, приводимым от двигателя: │
│ - в промежуточных режимах
..................... кВт
│
│ - номинальная
................................. кВт │
├─────────────────────────────────────────────────────────────────────────┤
│4.
Марка и тип двигателя
│
├─────────────────────────────────────────────────────────────────────────┤
│5.
Уровни выбросов вредных веществ двигателя/базового двигателя: │
│5.1.
Испытание ESC (если применимо): │
│ CO .............. г/кВт
│
│ THC ............. г/кВт
│
│ NO
............. г/кВт │
│ x
│
│
│
│ PT .............. г/кВт │
│5.2.
Испытание ELR (если применимо): │
│ -1
│
│Дымность
............. м
│
│5.3.
Испытание ETC (если применимо): │
│ CO .............. г/кВт
│
│ THC ............. г/кВт
│
│ NMHC ............ г/кВт │
│ CH
............. г/кВт
│
│ 4
│
│
│
│ NO
............. г/кВт
│
│ x
│
│
│
│ PT .............. г/кВт │
├─────────────────────────────────────────────────────────────────────────┤
│6.
Двигатель, представленный для испытаний: ......................... │
├─────────────────────────────────────────────────────────────────────────┤
│ Руководитель органа по сертификации
____________ ___________________│
│
подпись инициалы, фамилия
│
│ Эксперт ____________
___________________│
│ подпись инициалы, фамилия │
└─────────────────────────────────────────────────────────────────────────┘
--------------------------------
<1> Номер сертификата соответствия по
Госреестру, присвоенный согласно
Постановлению Госстандарта России от 24.10.2000 N
71.&
Приложение
Г
(обязательное)
&МАРКИРОВКА
ЗНАКОМ СООТВЕТСТВИЯ
Г.1. Маркировка
<1> включает в себя:&
--------------------------------
<1> При
получении официального утверждения на соответствие Правилам ЕЭК ООН маркировку
осуществляют знаком официального утверждения по приложению 3 к Правилам ЕЭК ООН
N 49.
&Г.1.1. Знак
соответствия по ГОСТ Р 50460 с нанесенными в нижней его части последними
четырьмя знаками обозначения органа по сертификации, выдавшего сертификат
соответствия.
Г.1.2. Условное
обозначение римской цифрой (I, II, III или IV) предельного уровня выбросов
вредных веществ в соответствии с 4.6.4 и таблицей (таблицами) в 5.2.1.
Г.1.3. Для
двигателей, работающих на ПГ, - условное обозначение вида(ов) топлива, для
работы на котором(ых) предназначен сертифицируемый тип двигателя (ТС) в
соответствии с 4.6.4.1 (используют буквы латинского алфавита и их комбинации -
H, L, HL,
,
и
).
Г.1.4. Обозначение
нормативного документа (в данном случае - ГОСТ Р 41.49), на основании которого
был выдан сертификат соответствия.
Г.1.5. Справа от
обозначения нормативного документа, в скобках, обозначение последней серии
поправок к Правилам ЕЭК ООН N 49 (в данном случае - поправок серии 04),
учтенной в ГОСТ Р 41.49.
Г.2. Пример
маркировки двигателя, предназначенного для работы на ПГ, и ТС,
укомплектованного таким двигателем, приведен на рисунке Г.1.

Рисунок Г.1
Римская цифра I
указывает, что двигатель/ТС по предельным значениям выбросов вредных веществ
соответствует уровню I по 4.6.4 (предельные значения конкретных вредных
веществ, соответствующие этому уровню, указаны в строках A таблиц 2 и 3 в
5.2.1).
Сочетание латинских
букв HL в соответствии с 4.6.4.1 указывает, что двигатель предназначен для
работы на ПГ групп H и L.
Г.3. Пример
маркировки двигателя, предназначенного для работы на дизельном топливе или СНГ,
и ТС, укомплектованного таким двигателем, в случае, когда двигатель/ТС
сертифицирован на соответствие ГОСТ Р 41.49 и другим нормативным документам,
приведен на рисунке Г.2.

Рисунок Г.2
Римская цифра II в
ячейке, крайней слева в верхней строке, указывает, что двигатель/ТС по
предельным значениям выбросов вредных веществ, установленным ГОСТ Р 41.49,
соответствует уровню II по 4.6.4 (предельные значения конкретных вредных
веществ, соответствующие этому уровню, указаны в строке B1 таблиц 2 и 3 в
5.2.1). Незаполненная ячейка слева от обозначения ГОСТ Р 41.49 (04), указывает
на то, что двигатель предназначен для работы на дизельном топливе или СНГ.
В нижней строке
маркировки обозначение ГОСТ Р 41.24 (03) указывает, что двигатель (и/или ТС)
также сертифицирован по дымности отработавших газов на соответствие ГОСТ Р
41.24, в котором учтена поправка серии 03 к Правилам ЕЭК ООН N 24.
Число 1,30 слева от
обозначения ГОСТ Р 41.24 (03) указывает, что корректированный коэффициент
светопоглощения составляет 1,3
.
Примечание.
Обозначение органа по сертификации приведено в качестве примера.&
Приложение
Д
(обязательное)
ПРОЦЕДУРА
ИСПЫТАНИЙ
Д.1. Введение
Д.1.1. В
настоящем приложении описаны методы определения вредных газообразных веществ,
вредных частиц и дыма, содержащихся в выбросах испытуемых двигателей. Приведены
описания испытаний трех видов, которые следует применять в соответствии с 5.2:
Д.1.1.1. Испытание
ESC, представляющее собой цикл, состоящий из 13 установившихся режимов.
Д.1.1.2. Испытание
ELR, состоящее из последовательных ступенчатых изменений нагрузки при различных
частотах вращения, являющихся составными частями единой процедуры испытания и
выполняемых одновременно.
Д.1.1.3. Испытание
ETC, представляющее собой посекундную последовательность переходных режимов.
Д.1.2. Испытания
выполняют на двигателе, установленном на испытательном стенде и соединенном с
динамометром.
Д.1.3. Принципы
проведения измерений
Выбросы вредных
веществ из двигателя, уровень которых подлежит измерению, включают в себя
газообразные вещества (оксид углерода; общее количество углеводородов - для
дизельных и газовых двигателей только в испытании ESC; углеводороды, не содержащие
метан, - для дизельных и газовых двигателей только в испытании ETC; метан - для
газовых двигателей только в испытании ETC и оксиды азота), вредные частицы (для
дизельных двигателей, для газовых двигателей только для строк C в таблицах 2 и
3 в 5.2.1) и дым (только для дизельных двигателей в испытании ELR). Кроме того,
в качестве индикаторного газа для определения коэффициента разбавления в
системах полного и частичного разбавления потока часто используют диоксид
углерода. Как показала инженерная практика, измерение общего содержания
диоксида углерода может быть эффективным инструментом для выявления проблем,
возникающих при измерениях в процессе проведения испытаний.
Д.1.3.1. Испытание
ESC
В процессе
выполнения предписанной последовательности режимов на прогретом двигателе
необходимо постоянно измерять количественные значения упомянутых выше
компонентов выбросов из двигателя путем отбора проб неочищенных отработавших
газов. Испытательный цикл состоит из нескольких режимов, характеризуемых
сочетаниями нагрузок и частот вращения, которые покрывают типовой диапазон
эксплуатационных режимов для дизельных двигателей. В течение каждого режима
измеряют концентрацию каждого составляющего вредного вещества, интенсивность
потока отработавших газов и выходную мощность. Необходимо также определять
массы вредных веществ. Пробу вредных частиц растворяют кондиционированным
окружающим воздухом. Отбирают одну пробу после окончания полного цикла
испытаний и пропускают ее через соответствующие фильтры. Массу каждого вредного
вещества в выбросах двигателя, отнесенную к киловатт-часу [г/(кВт x ч)],
рассчитывают как это предписано в дополнении 1 к настоящему приложению. Кроме
того, измеряют
в трех точках, выбранных &органом по
сертификации& в пределах контрольной области, и сравнивают измеренные
значения с расчетными значениями для тех режимов испытательного цикла,
совокупность которых перекрывает выбранные точки измерений.
Примечание. Точки
для измерения
выбирают с использованием санкционированных
статистических методов рандомизации.
Д.1.3.2. Испытание
ELR
В процессе
испытания, цель которого - определить реакцию двигателя на предписанную
нагрузку, дымность прогретого двигателя определяют с помощью дымомера.
Испытание заключается в последовательном повышении нагрузки на двигатель
начиная с 10% вплоть до 100% при трех различных частотах вращения двигателя.
Кроме того, необходимо дополнительно испытать двигатель в четвертом нагрузочном
режиме, выбранном &органом по сертификации&, и сравнить измеренные
значения со значениями, полученными на ранее использованных ступенях нагрузки.
Пиковое значение дымности определяют, используя алгоритм усреднения, описанный
в дополнении 1 к настоящему приложению.
Примечание. Дополнительный
нагрузочный режим выбирают с использованием санкционированных статистических
методов рандомизации.
Д.1.3.3. Испытание
ETC
В процессе
выполнения на прогретом двигателе предписанного переходного цикла, основанного
на воспроизведении особенностей эксплуатационных режимов работы мощных
двигателей, устанавливаемых на грузовые автомобили и автобусы, вышеупомянутые
выбросы вредных веществ определяют после разбавления всего количества
отработавших газов кондиционированным атмосферным воздухом. С помощью сигналов
обратной связи, отслеживающих значения крутящего момента и частоты вращения и
поступающих с динамометра, необходимо проинтегрировать мощность по времени
цикла и в результате получить работу, выполненную двигателем в течение цикла.
Концентрации
и HC за цикл определяют интегрированием
сигнала, поступающего от анализатора. Концентрации CO,
и NMHC могут быть определены путем
интегрирования сигнала, поступающего от анализатора, или использования
процедуры накопления пробы в резервуаре. Для вредных частиц соответствующие
количества проб собирают на подходящих для этой цели фильтрах. Расход
разбавленных отработавших газов определяют за цикл, что позволяет рассчитать
значения масс выбросов вредных веществ. Массу каждого вредного вещества в
выбросах следует отнести к работе, выполненной двигателем, для того чтобы
получить в результате массы всех вредных веществ, выраженные в граммах на
киловатт-час [г/(кВт x ч)], как это предписано в дополнении 2 к настоящему
приложению.
Д.2. Условия
проведения испытаний
Д.2.1. Условия
проведения испытаний двигателей
Д.2.1.1. Измеряют
абсолютную температуру
воздуха на входе в двигатель, выражаемую в
кельвинах, и "сухое" атмосферное давление
,
выражаемое в килопаскалях (кПа), и определяют параметр F по следующим формулам:
а) Для дизельных
двигателей:
Двигатели без
наддува и с механическим наддувом
.
Двигатели с
турбонаддувом (с охлаждением нагнетаемого воздуха или без охлаждения)
.
б) Для газовых
двигателей:
.
Д.2.1.2.
Достоверность испытаний
Чтобы испытания
были признаны достоверными, значения параметра F должны находиться в диапазоне
0,96 <= F <= 1,06.
Д.2.2. Двигатели с
охлаждением воздушного заряда
Необходимо
регистрировать температуру воздушного заряда, которая при частоте вращения,
соответствующей декларируемой максимальной мощности и полной нагрузке, должна
быть равна максимальной температуре впускного воздуха, указываемой в 1.16.3
дополнения 3 к Приложению А, с допустимым отклонением +/- 5 К. Температура
охлаждающей субстанции должна быть не менее 293 К.
Если используют
систему станции для испытаний двигателей или внешний вентилятор, то температура
воздушного заряда должна быть равна максимальной температуре впускного воздуха
на выходе из промежуточного охладителя, указываемой в 1.16.3 дополнения 3 к
Приложению А, с допустимым отклонением +/- 5 К. Регулировка устройства для
охлаждения воздушного заряда, удовлетворяющая приведенным выше требованиям,
должна быть сохранена на протяжении всего испытательного цикла.
Д.2.3. Система
впуска воздуха в двигатель
Система впуска
воздуха в двигатель должна обеспечивать давление, равное верхнему пределу
давления впуска, создаваемого двигателем, работающим при частоте вращения,
соответствующей декларируемой максимальной мощности и полной нагрузке, с
допустимым отклонением +/- 100 Па.
Д.2.4. Система
выпуска двигателя
Система выпуска
двигателя должна обеспечивать противодавление выпуска, равное верхнему пределу
противодавления выпуска, создаваемого двигателем, работающим при частоте
вращения, соответствующей декларируемой максимальной мощности и полной
нагрузке, с допустимым отклонением +/- 1000 Па и иметь объем, равный декларируемому
изготовителем, с допустимым отклонением +/- 40%. Допускается использование
системы станции для испытаний ДВС, если она обеспечивает реальные условия
эксплуатации. Система выпуска должна соответствовать требованиям отбора проб
отработавших газов в соответствии с 3.4 дополнения 4 к приложению Д и 2.2.1
(компонент EP) и 2.3.1 (компонент EP) дополнения 6 к Приложению Д.
Если двигатель
укомплектован устройством окончательной очистки отработавших газов, то
выпускная труба должна иметь диаметр такой же, как и, по меньшей мере, 4
диаметра трубы, направленной против потока отработавших газов и примыкающей к
впускной части расширительного патрубка, содержащего устройство окончательной
очистки. Расстояние от фланца выпускного патрубка или выхода из турбонагнетателя
до устройства окончательной очистки отработавших газов должно быть таким же,
как и при установке на ТС, или же в пределах, указанных изготовителем.
Противодавление выпуска и его допустимые отклонения, которые должны
удовлетворять требованиям, аналогичным приведенным выше, допускается
регулировать с помощью клапана. Контейнер с устройством окончательной очистки
допускается демонтировать в процессе предварительных испытаний и снятия рабочих
характеристик двигателя и заменять эквивалентным контейнером с неактивным
носителем катализатора.
Д.2.5. Система
охлаждения
Необходимо
использовать систему охлаждения, объем которой достаточен для обеспечения
нормальной рабочей температуры двигателя в соответствии с предписаниями
изготовителя.
Д.2.6. Масло для
двигателя
Технические
требования к маслу для двигателя, используемому в испытаниях, должны быть
зафиксированы и представлены вместе с результатами испытаний, как предписано в
А.7.1.
Д.2.7. Топливо
Необходимо
использовать эталонное топливо, технические требования к которому приведены в
Приложении Е, Ж или И.
Температура топлива
и точка измерения должны быть установлены изготовителем в пределах, указанных в
А.1.16.5 Приложения А. Температура топлива должна быть не ниже 306 К (33 °C).
Если специальные указания отсутствуют, температура топлива на входе в подающий
топливопровод должна быть 311 К +/- 5 К (38 °C +/- 5 °C).
Для двигателей,
работающих на ПГ и СНГ, температура топлива и точка измерения должны быть
установлены в пределах, указанных в А.1.16.5 или же в А.1.16.5 дополнения 3 к
Приложению А, в случае, когда испытуемый двигатель не является базовым.
Д.2.8. Испытания
систем окончательной очистки отработавших газов
Если двигатель
оборудован системой окончательной очистки отработавших газов, выбросы вредных
веществ, измеренные в испытательном цикле, должны соответствовать выбросам,
получаемым в условиях эксплуатации. Если это не обеспечивается за один отдельно
взятый испытательный цикл (например, для фильтров, улавливающих вредные
частицы, с периодической регенерацией), необходимо провести несколько
испытательных циклов и получить обобщенные результаты либо усреднением, либо с
помощью коэффициентов весомости. Конкретную процедуру изготовитель двигателя
должен согласовать с &органом по сертификации& на основе проверенной
инженерной практики.
Дополнение
1
(к Приложению Д)
ИСПЫТАТЕЛЬНЫЕ
ЦИКЛЫ ESC И ELR
1. Калибровки
двигателя и динамометра
1.1.
Определение частот вращения двигателя A, B и C
Частоты вращения
двигателя A, B и C должны быть назначены изготовителем по следующей методике:
Высокую частоту
вращения
определяют исходя из расчета 70% объявленной
максимальной полезной мощности P(n) [см. А.8.2 (Приложение А)]. Наибольшей
частотой вращения, соответствующей этому значению мощности по диаграмме
мощности, является
.
Низкую частоту
вращения
определяют исходя из расчета 50% объявленной
максимальной полезной мощности P(n) [см. А.8.2 (Приложение А)]. Наименьшей
частотой вращения, соответствующей этому значению мощности по диаграмме мощности,
является
.
Частоты вращения
двигателя определяют по следующим формулам:
Частота
.
Частота
.
Частота
.
Правильность выбора
частот A, B и C может быть подтверждена одним из нижеследующих методов:
а) Для более
точного определения частот вращения
и
проводят дополнительные измерения в процессе
определения мощности двигателя по ГОСТ Р 41.24. Максимальную мощность, частоты
и
определяют по диаграмме мощности, а частоты
вращения двигателя A, B и C рассчитывают по вышеприведенным формулам.
б) Определяют
диаграммы работы двигателя в полном диапазоне зависимости нагрузок от частоты
вращения начиная от максимальной частоты вращения при нулевой нагрузке до
частоты вращения холостого хода, используя результаты не менее пяти измерений
на каждом диапазоне 1000
и проводя измерения в точках +/- 50
от частоты вращения, соответствующей
максимальной мощности двигателя. Максимальную мощность, частоты
и
определяют по диаграмме работы двигателя, а
частоты вращения двигателя A, B и C рассчитывают по вышеприведенным формулам.
Если полученные
результаты измерений частот вращения A, B и C находятся в диапазонах частот,
составляющих +/- 3% соответствующих частот, декларируемых изготовителем, для
измерения уровней выбросов вредных веществ следует использовать эти
декларированные частоты. Если отклонения любой из этих частот выходят за
пределы установленного выше диапазона, для измерения уровней выбросов вредных
веществ следует использовать частоты вращения, полученные на основе упомянутых
выше измерений.
1.2.
Определение диапазонов измерения динамометра
Необходимо
экспериментально определить диаграмму крутящего момента при полной нагрузке,
чтобы рассчитать значения крутящего момента для выделенных режимов испытаний в
условиях измерения полезной мощности, предписанных в А.8.2 (Приложение А).
Необходимо учитывать
мощность, потребляемую оборудованием, приводимым от двигателя (если такое
оборудование имеется). Диапазон измерения динамометра s, кВт, для каждого
режима испытаний, за исключением холостого хода, определяют по формулам:
,
если испытания
проводят в условиях, обеспечивающих получение полезной мощности, и
,
если испытания
проводят в условиях, не обеспечивающих получение полезной мощности,
где P(n) - полезная
мощность двигателя, в соответствии с А.8.2 (Приложение А), кВт;
L - нагрузка (см.
2.7.1 настоящего дополнения), %;
P(a) - мощность,
отбираемая вспомогательным оборудованием, устанавливаемым в соответствии с
А.6.1 (Приложение А), кВт;
P(b) - мощность,
отбираемая вспомогательным оборудованием, демонтируемым в соответствии с А.6.2
(Приложение А), кВт.
2. Испытание ESC
По запросу
изготовителя допускается проведение предварительных испытаний для подготовки
двигателя и системы выпуска к измерительному циклу.
2.1.
Подготовка фильтров для отбора проб
По меньшей мере за
1 ч до начала испытания каждый фильтр (пару фильтров) помещают в закрытую, но
незапечатанную чашку Петри и устанавливают в камеру для взвешивания на период
стабилизации. По окончании периода стабилизации каждый фильтр (пару фильтров)
взвешивают и массу сухого фильтра регистрируют. Затем фильтр (пару фильтров)
сохраняют в закрытой чашке Петри или запечатанном контейнере для фильтра до
момента, когда он потребуется для испытания. Если фильтр (пару фильтров) не
используют в течение 8 ч с момента выемки из камеры для взвешивания, его перед
использованием повторно подготовляют и взвешивают.
2.2. Установка
измерительной аппаратуры
Приборы и
пробоотборники устанавливают в соответствии с предусмотренными требованиями. В
случае применения для разбавления отработавших газов системы разбавления
полного потока к этой системе подсоединяют выпускную трубу.
2.3. Пуск системы
разбавления и двигателя
Систему разбавления
и двигатель запускают и прогревают, пока все значения температур и давлений не
стабилизируются при максимальной мощности в соответствии с указаниями
изготовителя и на основании проверенной инженерной практики.
2.4. Пуск системы отбора
проб вредных частиц
Систему отбора проб
вредных частиц запускают и обеспечивают ее работу по обходной схеме. Фоновый
уровень концентрации вредных частиц в разбавляющем воздухе разрешается
определять, пропуская разбавляющий воздух через фильтры для отбора проб вредных
частиц. Если используется отфильтрованный разбавляющий воздух, допускается
проводить одно измерение до или после испытания. Если же разбавляющий воздух не
фильтруется, то допускается проведение измерений до и после испытания с
последующим осреднением результатов.
2.5. Регулировка
коэффициента разбавления
Действие
разбавляющего воздуха должно быть отрегулировано так, чтобы температура
разбавленных отработавших газов непосредственно перед входом в первый фильтр не
превышала 325 К (52 °C) в любом режиме испытаний. Коэффициент разбавления q
должен удовлетворять условию
q >= 4.
Если системами
предусмотрены измерения концентрации
или
для контроля коэффициента разбавления, то
необходимо измерять содержание
или
в разбавляющем воздухе в начале и в конце
каждого испытания. Фоновая концентрация
или
в разбавляющем воздухе, измеренная до и после
испытания, не должна превышать 100
и отличаться более чем на 5
в одном измерении от другого.
2.6. Проверка
анализаторов
Анализаторы
выбросов вредных веществ должны быть установлены на нуль, а их диапазоны
измерений - отрегулированы.
2.7. Испытательный
цикл
2.7.1. На
испытуемом двигателе необходимо воспроизвести по динамометру последовательность
13 режимов:
|
Номер
режима
|
Частота
вращения
двигателя
|
Процентная
нагрузка, %
|
Коэффициент
весомости
|
Продолжительность
режима, мин
|
|
1
|
Холостой ход
|
-
|
0,15
|
4
|
|
2
|
A
|
100
|
0,08
|
2
|
|
3
|
B
|
50
|
0,10
|
2
|
|
4
|
B
|
75
|
0,10
|
2
|
|
5
|
A
|
50
|
0,05
|
2
|
|
6
|
A
|
75
|
0,05
|
2
|
|
7
|
A
|
25
|
0,05
|
2
|
|
8
|
B
|
100
|
0,09
|
2
|
|
9
|
B
|
25
|
0,10
|
2
|
|
10
|
C
|
100
|
0,08
|
2
|
|
11
|
C
|
25
|
0,05
|
2
|
|
12
|
C
|
75
|
0,05
|
2
|
|
13
|
C
|
50
|
0,05
|
2
|
2.7.2.
Процедура испытаний
Испытания проводят,
соблюдая последовательность режимов в соответствии с их номерами в таблице,
представленной в 2.7.1.
В каждом режиме
двигатель должен работать предписанное время, завершая изменения частоты
вращения и нагрузки в течение первых 20 с. Частоту вращения следует
поддерживать в пределах +/- 50
предписанного значения, а крутящий момент - в
пределах +/- 2% максимального крутящего момента для частоты вращения, на
которой проводят испытание.
По запросу
изготовителя последовательность режимов испытания может быть повторена
несколько раз, так чтобы накопить достаточно большое количество вредных частиц
на фильтре. Изготовитель должен представить подробное описание процедуры
получения расчетных данных и методов расчета. Однако выбросы газообразных
веществ измеряют только в течение первого цикла.
2.7.3.
Показания анализаторов
Показания
анализаторов должны быть зарегистрированы на ленточном самописце или получены с
помощью эквивалентной системы сбора данных при прохождении потока отработавших
газов через анализаторы в испытательном цикле.
2.7.4. Отбор проб
вредных частиц
Для выполнения
процедуры испытаний необходимо использовать одну пару фильтров (основной и
вспомогательный фильтры, см. дополнение 4 к Приложению Д). Коэффициенты
весомости, установленные для конкретных режимов в процедуре испытаний, должны
быть учтены путем отбора пробы, пропорциональной потоку отработавших газов, в
процессе выполнения каждого режима испытательного цикла. Это обеспечивают, как
правило, регулированием расхода потока при отборе пробы, времени отбора пробы
и/или коэффициента разбавления соответственно, так чтобы удовлетворить
критериям, определяющим эффективные коэффициенты весомости, в соответствии с
5.6 настоящего дополнения.
Время отбора пробы
для одного режима должно составлять не менее 4 с на 0,01 коэффициента
весомости. В каждом режиме отбор проб следует проводить как можно позже -
процесс отбора проб вредных частиц необходимо заканчивать не ранее чем за 5 с
до окончания каждого режима.
2.7.5.
Условия работы двигателя в процессе испытаний
В процессе
выполнения каждого режима необходимо записывать частоту вращения двигателя и
нагрузку, температуру воздуха и разрежение на впуске, температуру отработавших
газов и противодавление выпуска, расход топлива и расход воздуха или расход
отработавших газов, температуру воздушного заряда, температуру топлива и
влажность. Должны быть также учтены требования к частоте вращения двигателя и
нагрузке (см. 2.7.2 настоящего дополнения), которые необходимо выполнять в
процессе отбора проб вредных частиц и, в любом случае, в последнюю минуту
каждого режима.
Должны быть
записаны все дополнительные данные, необходимые для проведения расчетов (см.
разделы 4 и 5 настоящего дополнения).
2.7.6.
Проверка содержания
в пределах контрольной области
Проверка содержания
в пределах контрольной области должна быть
проведена непосредственно после завершения режима 13. Двигатель должен быть
выдержан в режиме 13 в течение 3 мин перед началом измерений. Необходимо
выполнить три измерения в различных точках контрольной области, выбранных
&органом по сертификации& <1>. Время каждого измерения должно
составлять 2 мин.
--------------------------------
<1> Точки
измерений следует выбирать, используя утвержденные статистические методы рандомизации.
Процедура
измерений, идентичная процедуре измерения
в цикле из 13 режимов, должна быть выполнена в
соответствии с 2.7.3, 2.7.5 и 4.1 настоящего дополнения и разделом 3 дополнения
4 к Приложению Д.
Расчеты должны быть
выполнены в соответствии с разделом 4 настоящего дополнения.
2.7.7. Повторная
проверка анализаторов
По завершении
испытания необходимо для повторной проверки использовать нулевой поверочный газ
и калибровочный газ. Результаты испытания будут признаны приемлемыми, если
различия между значениями, полученными до и после испытания, составят менее 2%
значения, полученного для калибровочного газа.
3. Испытание ELR
3.1. Установка
измерительной аппаратуры
Дымомер и
пробоотборники (если их используют) должны быть установлены за глушителем
системы выпуска или устройством для окончательной обработки отработавших газов
любого типа (если его устанавливают) в соответствии с общими инструкциями по
установке, разработанными изготовителем измерительной аппаратуры. Кроме того,
должны быть учтены требования раздела 10 международного стандарта ИСО 11614 [4]
там, где это применимо.
Перед любыми
проверками установки на нуль и калибровки полной шкалы дымомер должен быть
прогрет и приведен в стабильное состояние в соответствии с рекомендациями его
изготовителя. Если дымомер оборудован системой газовой продувки для
предотвращения осаждения сажи на измерительной оптике, эту систему также
необходимо привести в действие и отрегулировать в соответствии с указаниями
изготовителя.
3.2. Проверка
дымомера
Проверки установки
на нуль и калибровки полной шкалы необходимо выполнять в режиме градуировки для
определения дымности, поскольку шкала дымности предлагает две достоверно
определяемые точки для калибровки, а именно, 0% дымности и 100% дымности.
Коэффициент светопоглощения, тем самым, корректируют расчетом на основе
измеренной дымности и эффективной базы дымомера
,
декларируемой его изготовителем, когда инструмент возвращают для тестирования в
режим градуировки шкалы для определения коэффициента светопоглощения k.
При отсутствии
препятствий для прохождения светового луча через дымомер показание шкалы должно
быть отрегулировано на 0,0% +/- 1,0% дымности. При отсутствии попадания
светового луча на светоприемник показание шкалы должно быть отрегулировано на
100,0% +/- 1,0% дымности.
3.3. Испытательный
цикл
3.3.1. Подготовка
двигателя
Необходимо прогреть
двигатель и систему при максимальной мощности, чтобы стабилизировать параметры
двигателя в соответствии с указаниями изготовителя. Фаза предварительной
подготовки необходима для того, чтобы предотвратить влияние отложений в системе
выпуска, образовавшихся в предыдущих испытаниях, на результаты рабочих
измерений.
После того как
двигатель достигнет стабильного состояния, испытательный цикл необходимо начать
в течение (20 +/- 2) с после окончания фазы предварительной подготовки. По
запросу изготовителя допускается до выполнения измерительного цикла
дополнительно провести пробное испытание для дальнейшей подготовки.
3.3.2.
Последовательность проведения испытания
Испытание состоит
из трех последовательных ступенчатых увеличений нагрузки при каждой из трех
частот вращения двигателя: A (цикл 1), B (цикл 2) и C (цикл 3), определяемых в
соответствии с 1.1 Приложения Д, за которыми следует цикл 4 при частоте
вращения в пределах контрольной области и при нагрузке от 10% до 100%,
выбираемых &органом по сертификации& <1>. Каждый цикл состоит из
трех сегментов. В процессе испытаний необходимо по динамометру обеспечивать
последовательность выполнения режимов, показанных на рисунке Д.1.
--------------------------------
<1> Точки
измерений следует выбирать, используя утвержденные статистические методы
рандомизации.

Рисунок Д.1.
Последовательность режимов в испытании ELR
а)
Двигатель должен проработать на частоте вращения A и при 10% нагрузки в течение
(20 +/- 2) с. Установленная частота вращения не должна выходить за пределы
допустимого отклонения +/- 20
, а
установленный крутящий момент - за пределы допустимого отклонения +/- 2%
максимального крутящего момента при используемой в испытании частоте вращения
двигателя.
б) В момент
окончания предыдущего сегмента испытания рычаг управления частотой вращения
необходимо быстро передвинуть и затем удерживать в положении широкого открытия
в течение (10 +/- 1) с. При этом необходимо приложить к двигателю
соответствующую нагрузку, чтобы поддерживать частоту вращения двигателя в
диапазоне +/- 150
в течение первых 3 с и в диапазоне +/- 20
в течение оставшейся части сегмента.
в)
Последовательность, описанная в перечислениях (а) и (б), должна быть повторена
еще два раза.
г) По окончании
третьего сегмента повышения нагрузки двигатель необходимо в течение (20 +/- 2)
с отрегулировать на частоту вращения B при 10%-й нагрузке.
д) При работе
двигателя на частоте B необходимо выполнить последовательность действий от (а)
до (в).
е) По окончании
третьего сегмента повышения нагрузки двигатель необходимо в течение (20 +/- 2)
с отрегулировать на частоту вращения C при 10%-й нагрузке.
ж) При работе
двигателя на частоте C необходимо выполнить последовательность действий от (а)
до (в).
и) По окончании
третьего сегмента повышения нагрузки двигатель необходимо в течение (20 +/- 2)
с отрегулировать на выбранную частоту вращения при любой выбранной нагрузке,
превышающей 10%.
к) При работе
двигателя на выбранной частоте необходимо выполнить последовательность действий
от (а) до (с).
3.4. Оценка
достоверности результатов
Относительные
среднеквадратичные отклонения средних значений дымности на каждой частоте
вращения испытания
,
рассчитанные в соответствии с 6.3.3 настоящего дополнения на основе трех
последовательных сегментов увеличения нагрузки на каждой частоте вращения,
должны составлять менее 15% среднего значения или 10% предельного значения,
приведенного в таблице 2 (см. 5.2.1), в зависимости от того, какое значение
больше. Если отклонения превышают указанное значение, последовательность
нагрузок необходимо повторить, пока три последовательных сегмента увеличения
нагрузки не будут удовлетворять критерию достоверности.
3.5. Повторная
проверка дымомера
Дрейф нуля дымомера
после испытаний не должен превышать +/- 5% предельного значения, приведенного в
таблице 2 (см. 5.2.1).
4. Расчет
выбросов вредных газообразных веществ
4.1. Оценка
данных
Для оценки выбросов
вредных газообразных веществ необходимо усреднить графические показания
самописцев за последние 30 с работы двигателя в каждом режиме и на основе этих
усредненных показаний и соответствующих данных по калибровке определить
концентрации (conc) HC, CO и
в каждом режиме. Допускается использование
других методов записи данных при условии, что они обеспечивают эквивалентную полноту
данных.
Для проверки
содержания
в пределах контрольной области изложенные выше
требования применимы только для
.
Расход отработавших
газов
или расход разбавленных отработавших газов
,
используемый как допустимый вариант, определяют в соответствии с 2.3 дополнения
4 к Приложению Д.
4.2.
Поправка на сухое/влажное состояние
Измеренную
концентрацию необходимо привести к влажному состоянию по следующей формуле,
если концентрация не была уже измерена на основе влажного состояния.
,
где conc(wet) -
концентрация во влажном состоянии;
conc(dry) -
концентрация в сухом состоянии.
Для неразбавленных
отработавших газов:

и
.
Для разбавленных
отработавших газов:

или
.
Для разбавляющего
воздуха
.
.
.
Для воздуха на
впуске (если его состояние отлично от разбавляющего воздуха)
.
.
,
где
- масса воды на 1 кг сухого воздуха, г/кг, в
разбавляющем воздухе/воздухе на впуске;
-
относительная влажность разбавляющего воздуха/воздуха на впуске, %;
-
давление насыщенных паров разбавляющего воздуха/воздуха на впуске, кПа;
-
общее барометрическое давление, кПа.
4.3.
Поправка на влажность и температуру для

Так как выбросы
зависят от наружных атмосферных условий,
концентрацию
необходимо корректировать с учетом температуры
и влажности окружающего воздуха, используя поправочный коэффициент, вычисляемый
по формуле
,
где
;
;
-
температура воздуха, К;
-
влажность воздуха на впуске, масса воды на 1 кг сухого воздуха, г/кг,
определяемая как
,
где
- относительная влажность воздуха на впуске,
%;
-
давление насыщенных паров воздуха на впуске, кПа;
-
общее барометрическое давление, кПа.
4.4. Расчет
массовых расходов выбросов вредных веществ
Массовые расходы
выбросов вредных веществ
, г/ч,
для каждого режима рассчитывают по приведенным ниже формулам, принимая
плотность отработавших газов равной 1,293 кг/м3 при температуре 273 К (0 °C) и
давлении 101,3 кПа:
;
;
,
где
<1> - средние, с поправкой на фон,
концентрации,
,
вредных веществ в неразбавленных отработавших газах в каждом режиме, как
определено в 4.1 настоящего дополнения.
Если,
факультативно, концентрации выбросов газообразных веществ определяют в системе
с полным разбавлением потока, то необходимо воспользоваться следующими
формулами:
;
;
,
где
<1> - средние, с поправкой на фон,
концентрации,
,
вредных веществ в разбавленных отработавших газах в каждом режиме, как
определено в 4.3.1.1 дополнения 2 к Приложению Д.
--------------------------------
<1>
На основе
- эквивалента.
4.5. Расчет
удельных выбросов вредных веществ
Удельные выбросы
,
г/(кВт x ч), рассчитывают для всех газообразных вредных веществ следующим
образом:
;
;
.
Коэффициенты
весомости (WF), используемые в приведенных выше расчетах, выбирают в
соответствии с 2.7.1 настоящего дополнения.
4.6. Расчет
параметров контрольной области
Для трех
контрольных точек, выбираемых в соответствии с 2.7.6 настоящего дополнения,
удельные выбросы
измеряют и рассчитывают в соответствии с 4.6.1
настоящего дополнения, а также определяют интерполяцией результатов, полученных
в режимах испытательного цикла, ближайших к соответствующей контрольной точке,
согласно 4.6.2 настоящего дополнения. Затем измеренные значения сравнивают с
интерполированными значениями в соответствии с 4.6.3 настоящего дополнения.
4.6.1.
Расчет удельных выбросов
Выброс
для каждой контрольной точки Z вычисляют по
следующим формулам:
;
.
4.6.2.
Определение выбросов вредных веществ в испытательных циклах
Удельный выброс
в каждой контрольной точке определяют интерполяцией
на основе четырех ближайших режимов испытательного цикла, располагающихся в
окрестности этой точки (точки Z на рисунке Д.2). Для этих режимов (R, S, T и U)
используют следующие определения:
Частота вращения
(R) = Частота вращения
.
Частота вращения
(S) = Частота вращения
.
Нагрузка в
процентах (R) = Нагрузка в процентах (S).
Нагрузка в
процентах (T) = Нагрузка в процентах (U).

Рисунок
Д.2. Интерполяция удельного
выброса
для контрольной точки Z
Удельный выброс
в выбранной контрольной точке Z рассчитывают по
следующим формулам:
;
;
;
;
,
где
- удельные выбросы
в режимах в окрестности точки Z, рассчитанные
в соответствии с 4.6.1 настоящего дополнения;
-
крутящий момент в режимах в окрестности точки Z.
4.6.3.
Сопоставление значений удельных выбросов

Измеренное значение
удельного выброса
в контрольной точке
сопоставляют с интерполированным значением
по формуле
.
5. Расчет
выбросов вредных частиц
5.1. Оценка данных
Для оценки выбросов
вредных частиц необходимо для каждого i-го режима записать общую массу пробы
,
полученную после прохождения отработавших газов через фильтры.
Фильтры вновь
помещают в камеру для взвешивания и выдерживают там не менее 1 ч, но не более
80 ч, а затем взвешивают. Записывают полную массу фильтров и вычитают из нее
массу сухих фильтров (см. 2.1 настоящего дополнения). Масса вредных частиц
- это сумма масс вредных частиц, собранных на
основном и вспомогательном фильтрах. В случае применения поправки на фон
записывают массу разбавляющего воздуха
,
прошедшего через фильтры, и массу вредных частиц
. Если
проводят более одного измерения, то для каждого измерения определяют отношение
получают среднее значение.
5.2. Система с
частичным разбавлением потока
Окончательные
указываемые в отчетах результаты испытаний, проводимых для оценки выбросов
вредных частиц, получают выполнением расчетов по 5.2.1 - 5.2.4. Поскольку
возможно использование различных методов управления степенью разбавления,
применяют и различные методы расчета для определения
. Все
расчеты должны быть основаны на средних значениях, полученных в конкретных i-х
режимах в процессе отбора проб.
5.2.1.
Изокинетические системы
,
,
где r - отношение
площади поперечного сечения изокинетического пробоотборника
к площади выпускной трубы
:
.
5.2.2. Системы с
измерением концентраций
или

,
,
где
- влажная концентрация пробного газа в
неразбавленных отработавших газах;
-
влажная концентрация пробного газа в разбавленных отработавших газах;
-
влажная концентрация пробного газа в разбавляющем воздухе.
Концентрации,
измеренные в сухом состоянии, должны быть преобразованы в концентрации во
влажном состоянии в соответствии с 4.2 настоящего дополнения.
5.2.3.
Системы с измерением
и использованием метода углеродного баланса
<1>
,
где
- концентрация
в разбавленных отработавших газах;
-
концентрация
в разбавляющем воздухе.
Примечание.
Концентрация дана в процентах объема на влажной основе.
--------------------------------
<1>
Полученное значение действительно только для эталонного топлива, требования к
которому установлены в Приложениях Е, Ж и И к настоящему стандарту.
Эта формула
выведена в предположении существования углеродного баланса (атомы углерода,
поступившие в двигатель, выбрасываются из двигателя с молекулами
) и
получена из равенств:

и
.
5.2.4.
Системы с измерением потока
,
.
5.3. Система с
полным разбавлением потока
Указываемые в
отчетах результаты испытаний, проводимых для оценки выбросов вредных частиц,
должны быть определены в нижеследующих этапах. Все расчеты должны базироваться
на средних значениях, полученных в конкретных i-х режимах в процессе отбора
проб.
.
5.4. Расчет
расхода по потоку вредных частиц
Расход по потоку
вредных частиц рассчитывают следующим образом:
,
где
,
,
i = 1, 2, ..., n.
Эти величины
определяют за испытательный цикл суммированием средних значений по отдельным
циклам в процессе отбора проб.
Массовый расход
вредных частиц может быть корректирован по фону следующим образом:
.
Если проведено
более одного измерения, отношение
необходимо заменить на среднее значение
отношений
по всем измерениям.
- для
отдельных режимов
или
- для
отдельных режимов.
5.5. Расчет
удельных значений выбросов
Выбросы вредных
частиц рассчитывают по формуле
.
5.6.
Эффективный коэффициент весомости
Эффективный
коэффициент весомости
для каждого режима рассчитывают следующим
образом:
.
Значения
эффективных коэффициентов весомости не должны выходить за пределы диапазона +/-
0,003 (+/- 0,005 для холостого хода) значений коэффициентов весомости,
перечисленных в 2.7.1 настоящего дополнения.
6. Расчет
значений дымности
6.1.
Алгоритм Бесселя
Средние значения
мгновенных показателей дымности за 1 с, преобразованных в соответствии с 6.3.1
настоящего дополнения, рассчитывают с использованием алгоритма Бесселя.
Алгоритм выполняет функцию фильтра низких частот второго порядка, и его
применение требует многократных повторяющихся расчетов для определения
коэффициентов. Эти коэффициенты представляют собой функцию времени реакции
системы дымомера и частоты выборки. Следовательно, расчеты, предписанные в
6.1.1 настоящего дополнения, должны быть проведены заново всякий раз, когда
меняются время реакции системы и/или частота выборки.
6.1.1.
Расчет времени реакции фильтра и констант Бесселя
Искомое время
реакции для алгоритма Бесселя
,
представляющее собой функцию времени протекания физической и электрической
реакций системы дымомера, как определено в 5.2.4 дополнения 4 к Приложению Д,
рассчитывают по формуле
,
где
- время физической реакции, с;
-
время электрической реакции, с.
Расчеты для
определения отсекаемой частоты фильтра основаны на шаге итерации s <= 0,1
при расчете реакции на ступенчатое входное воздействие, изменяющееся от 0 до 1
(см. Приложение К). Время реакции определяют как отрезок времени, прошедший с
момента, когда функция Бесселя для этого шага достигает 10%
, и до
момента, когда она достигает 90%
. Это
должно быть обеспечено итерацией по
до момента
.
Первую итерацию для
определяют по формуле
.
Константы Бесселя E
и K рассчитывают по формулам:
;
,
где D = 0,618034;
и
.
6.1.2.
Расчет алгоритма Бесселя
Подставляя значения
констант E и K, полученные по приведенным выше формулам, среднюю реакцию по
Бесселю
на ступенчатый импульс
рассчитывают по формуле
,
где
;
;
.
Моменты времени
и
необходимо интерполировать. Разность между
значениями
и
определяет время реакции
для данного значения
. Если
это время реакции недостаточно близко к требуемому времени реакции, итерацию
следует продолжить до момента, когда реальное время реакции окажется в
диапазоне +/- 1% требуемого времени реакции, т.е. будет выполнено условие
.
6.2. Оценка данных
Измерения дымности
следует проводить с частотой не менее 20 Гц.
6.3.
Определение дымности
6.3.1.
Преобразование данных
Поскольку принцип
действия всех дымомеров основан на измерении прозрачности, значения дымности
получают путем преобразования прозрачности
в коэффициент светопоглощения k по формулам:
;
,
где k - коэффициент
светопоглощения,
;
-
эффективная оптическая база дымомера, м;
N - дымность, %;
-
прозрачность, %.
Преобразование
должно быть проведено до того, как будут предприняты любые дальнейшие шаги по
обработке данных.
6.3.2.
Расчет дымности, осредненной по Бесселю
Соответствующая
отсекаемая частота
является одним из факторов, формирующих
требуемое время реакции фильтра
. Если
эта частота уже определена итеративными вычислениями в соответствии с 6.1.1
настоящего дополнения, необходимо вычислить соответствующие константы E и K
алгоритма Бесселя. Затем алгоритм Бесселя необходимо применить к мгновенным
значениям следов дымности (значениям коэффициента k), как определено в 6.1.2
настоящего дополнения:
.
Алгоритм Бесселя
рекурсивен по своей природе. Следовательно, он нуждается в первичных входных
величинах
и
, а
также в первичных выходных величинах
и
для запуска алгоритма. Эти величины могут быть
приняты равными нулю.
Для каждого шага
нагрузки при трех частотах вращения A, B и C максимальное значение
для 1 с должно быть выбрано из индивидуальных
значений
для каждого измерения дымности.
6.3.3.
Окончательные результаты
Средние значения
дымности (SV) в каждом цикле (при частотах вращения A, B и C) рассчитывают
следующим образом:
для испытательной
частоты A:
;
для испытательной
частоты B:
;
для испытательной
частоты C:
,
где
- максимальное среднее односекундное значение
по Бесселю дымности для каждого из трех ступенчатых колебаний нагрузки.
Окончательное
значение получают следующим образом:
.
Дополнение
2
(к Приложению Д)
ИСПЫТАТЕЛЬНЫЙ
ЦИКЛ ETC
1. Процедура
построения карты характеристик двигателя
1.1. Определение
диапазона частот вращения для построения карты характеристик
Для проведения
испытания ETC в испытательном боксе необходимо предварительно построить карту
характеристик двигателя с целью определить график зависимости частоты вращения
от крутящего момента. Минимальную и максимальную частоты вращения для
построения карты определяют следующим образом:
- минимальная
частота вращения для построения карты = частоте вращения холостого хода;
- максимальная
частота вращения для построения карты =
или
- максимальная
частота вращения для построения карты = частоте вращения, при которой значение
крутящего момента при максимальной нагрузке падает до нуля.
1.2.
Построение карты мощности двигателя
Двигатель
прогревают в режиме максимальной мощности, чтобы стабилизировать его параметры
в соответствии с указаниями изготовителя и на основании проверенной инженерной
практики. Когда двигатель достигнет стабильного состояния, построение карты
характеристик двигателя осуществляют в последовательности:
- с двигателя
снимают нагрузку и обеспечивают его работу на холостом ходу;
- двигатель
переводят на работу при регулировке топливного насоса на полную нагрузку при
минимальной частоте вращения для построения карты;
- частоту вращения
двигателя регулируют таким образом, чтобы она увеличивалась со средней
интенсивностью
в диапазоне от минимальной до максимальной
частоты вращения, что необходимо для построения карты. Точки карты,
соответствующие конкретным сочетаниям частоты вращения двигателя и крутящего
момента, должны быть записаны с частотой измерений не менее одной точки в
секунду.
1.3.
Построение кривой на карте
Все точки карты,
отображающие данные, полученные в соответствии с 1.2 настоящего дополнения,
соединяют между собой с помощью линейной интерполяции между точками. Полученная
в результате кривая является характеристикой карты двигателя, и ею необходимо
пользоваться для преобразования приведенных значений крутящего момента
двигателя в цикле в реальные значения крутящего момента для испытательного
цикла в соответствии с разделом 2 настоящего дополнения.
1.4. Альтернативное
построение карты
Если изготовитель
утверждает, что вышеописанная методика построения карты небезопасна или
нерепрезентативна для какого-либо конкретного двигателя, допускается
использовать альтернативные методики построения карты. Эти альтернативные
методики должны решать задачу, стоящую перед любой конкретной методикой
построения карты, - определять максимальный развиваемый двигателем крутящий
момент при всех частотах вращения в испытательных циклах. Отклонения от
методики построения карты, устанавливаемой в настоящем разделе, по причинам,
связанным с безопасностью или репрезентативностью, должны быть одобрены
&органом по сертификации& одновременно с обоснованием их применения.
Однако для двигателей с регулятором или турбонаддувом использование постоянно
уменьшающихся размахов колебаний частоты оборотов двигателя не допускается ни в
каких случаях.
1.5. Повторные
испытания
Двигатель не
нуждается в картографировании характеристик перед каждым испытательным циклом.
Повторное картографирование проводят перед испытательным циклом в следующих
случаях:
- после снятия
последней карты прошло слишком много времени (определяется квалифицированной
инженерной оценкой) или
- были произведены
такие физические изменения самого двигателя или его регулировок, которые могли
повлиять на его характеристики.
2.
Построение исходного испытательного цикла
Переходный
испытательный цикл описан в дополнении 3 к настоящему приложению. Приведенные
значения крутящего момента и частоты вращения заменяют на их реальные значения,
как описано ниже, чтобы преобразовать этот цикл в исходный.
2.1.
Реальная частота вращения
Частоту вращения
двигателя преобразуют из приведенной в реальную с помощью следующего равенства:
,
где
- реальная частота вращения,
;
-
приведенная частота вращения, %;
-
частота вращения холостого хода,
;
-
исходная частота вращения,
.
Исходная частота
вращения
соответствует 100%-м значениям частоты
вращения на графике показаний динамометра, приведенном в дополнении 3 к
настоящему приложению. Ее определяют следующим образом (см. рисунок 1):
,
где
и
- определены в соответствии с разделом 2
настоящего стандарта или в соответствии с 1.1 дополнения 1 к настоящему приложению.
2.2. Реальный
крутящий момент
Приведенный
крутящий момент определяют в процентах максимального крутящего момента при
соответствующей частоте вращения. Значения приведенного крутящего момента в
исходном цикле преобразуют в реальные значения с использованием карты
характеристик, определяемой по 1.3 настоящего дополнения, следующим образом:
,
где
- реальный крутящий момент, кН x м;
-
приведенный крутящий момент, %;
-
максимальный крутящий момент (при той же частоте вращения двигателя, что и
, в
соответствии с 2.1 настоящего дополнения), кН x м.
Для построения
исходного цикла следует принимать во внимание отрицательные значения крутящего
момента в точках m, где происходит прокрутка двигателя. Реальные значения
крутящего момента при этом определяют одним из следующих способов:
- принятием
значения крутящего момента, равного минус 40% значения положительного крутящего
момента, достижимого при соответствующей частоте вращения двигателя;
- построением карты
для отрицательного крутящего момента, необходимого для прокрутки двигателя в
диапазоне частот вращения двигателя, требуемых для построения карты, от
минимальной до максимальной;
- определением
отрицательного крутящего момента, требуемого для прокрутки двигателя при
частоте вращения холостого хода и исходной частоте вращения, и линейной
интерполяцией между этими двумя точками.
2.3. Пример
процедуры получения реального значения из приведенного
В качестве примера
взяты следующие испытательные точки:
- приведенная
частота вращения двигателя - 43%;
- приведенный
крутящий момент - 82%.
Заданные базовые
значения:
- исходная частота
вращения -
;
- частота вращения
холостого хода -
.
В результате
получены:
- реальная частота
вращения
;
- реальный крутящий
момент
,
так как
максимальный крутящий момент для частоты вращения двигателя
,
найденный по характеристике, взятой с карты, - 700 Н x м.
3.
Процедура проведения испытаний для оценки выбросов вредных веществ
По запросу
изготовителя до начала измерительного цикла допускается проведение
предварительных испытаний для подготовки двигателя и системы выпуска
отработавших газов.
Двигатели,
работающие на ПГ и СНГ, должны пройти обкатку в цикле ETC. Двигатели должны
выполнить не менее двух циклов ETC и продолжать работать, пока выбросы CO,
измеренные в течение одного цикла ETC, не будут превышать выбросы CO,
измеренные в предыдущем цикле, менее чем на 10%.
3.1.
Подготовка фильтров для отбора проб (в случае применения фильтров)
Не менее чем за 1 ч
до начала испытаний каждый фильтр (пару фильтров) помещают в закрытую, но
незапечатанную чашку Петри и устанавливают в камеру для взвешивания на период
стабилизации. По окончании периода стабилизации каждый фильтр (пару фильтров)
взвешивают и записывают массу сухого фильтра. Затем фильтр (пару фильтров)
сохраняют в закрытой чашке Петри или запечатанном контейнере для фильтра до
момента, когда он потребуется для испытаний. Если фильтр (пару фильтров) не
используют в течение 8 ч с момента выемки из камеры для взвешивания, его перед
использованием повторно подготовляют и взвешивают.
3.2. Установка
измерительного оборудования
Приборы и
пробоотборники устанавливают в соответствии с предусмотренными требованиями. К
системе разбавления полного потока подсоединяют выпускную трубу.
3.3. Пуск системы
разбавления и двигателя
Систему разбавления
и двигатель запускают и прогревают, пока все значения температур и давлений не
стабилизируются при максимальной мощности в соответствии с указаниями
изготовителя и на основе проверенной инженерной практики.
3.4. Пуск
системы отбора проб вредных частиц (в случае применения системы)
Систему отбора проб
вредных частиц приводят в действие и обеспечивают ее работу по обходной схеме.
Фоновый уровень концентрации вредных частиц в разбавляющем воздухе разрешается
определять, пропуская разбавляющий воздух через фильтры для отбора проб вредных
частиц. В случае использования отфильтрованного разбавляющего воздуха
допускается проводить одно измерение до или после испытания. Если же
разбавляющий воздух не фильтруют, то допускается проведение измерений до и
после испытания с последующим осреднением результатов.
3.5. Регулировка
системы разбавления полного потока
Суммарный
разбавленный поток отработавших газов должен быть отрегулирован так, чтобы
исключить возможность конденсации воды в системе и обеспечить максимальную
температуру на поверхности фильтра не более 325 К (52 °C) [см. 2.3.1 (компонент
DT) дополнения 6 к Приложению Д].
3.6. Проверка
анализаторов
Анализаторы
выбросов должны быть установлены на нуль, а их диапазоны измерений - отрегулированы.
Мешки для отбора проб отработавших газов (в случае их использования) необходимо
снять.
3.7. Процедура
пуска двигателя
Двигатель,
состояние которого предварительно было стабилизировано, запускают в
соответствии с процедурой, рекомендованной изготовителем и изложенной в
руководстве по эксплуатации. При этом может быть использован стартер двигателя
или динамометр. Допускается также начать испытательный цикл непосредственно
после окончания фазы предварительной подготовки без глушения двигателя, когда
двигатель будет работать в режиме холостого хода.
3.8. Испытательный
цикл
3.8.1.
Последовательность этапов испытания
Последовательность
этапов испытания начинают выполнять после того, как двигатель перейдет к работе
в режиме холостого хода. Испытание проводят в соответствии с разделом 2
настоящего дополнения. Частота выдачи команд на установку частоты вращения и
крутящего момента двигателя должна быть не менее 5 Гц (рекомендуемая частота -
10 Гц). Частота регистрации данных обратной связи о реальных частоте вращения и
крутящем моменте - не реже одного раза в секунду на протяжении испытательного
цикла. Допускается электронная фильтрация сигналов.
3.8.2. Показания
анализатора
При пуске двигателя
или в начальный момент испытательного цикла (если цикл начался непосредственно
после фазы предварительной подготовки) необходимо привести в действие
измерительное оборудование, синхронно выполнив следующие действия:
- активизировать
поток разбавляющего воздуха для отбора проб или анализа результатов;
- активизировать
поток разбавленных отработавших газов для сбора проб или анализа результатов;
- начать
количественные измерения разбавленных отработавших газов (CVS) и задаваемых
значений температуры и давления;
- начать запись
данных обратной связи с динамометра о реальных частоте вращения и крутящем
моменте двигателя.
Концентрации HC и
следует измерять в смесительном канале
непрерывно с частотой 2 Гц. Средние значения концентраций определяют путем
интегрирования сигналов от анализатора в течение испытательного цикла. Время
задержки срабатывания системы не должно превышать 20 с и должно быть
согласовано, при необходимости, со смещениями по времени/циклу флуктуаций
потока при CVS и отборе проб. Концентрации CO,
, NMHC
и
определяют интегрированием или анализом
концентраций этих веществ в отработавших газах, накопившихся в мешке для отбора
проб в течение одного цикла. Концентрации газообразных вредных веществ в
разбавляющем воздухе определяют методом интеграции или накоплением в мешке для
фоновых включений. Все другие показания необходимо записывать с частотой не
менее 1 Гц.
3.8.3.
Отбор проб вредных частиц (в случае применения этого процесса)
При пуске двигателя
или в начале испытательного цикла (если цикл начинается непосредственно после
окончания предварительной подготовки двигателя) систему отбора проб вредных
частиц переключают с обходного тракта на режим накопления вредных частиц.
При отсутствии
компенсации потока насос(ы) для отбора проб должен (должны) быть
отрегулирован(ы) так, чтобы отклонения расхода потока через пробоотборник или
передаточную трубу не превышали +/- 5% расхода потока, установленного
регулировкой. При наличии компенсации потока (т.е. пропорциональном управлении
потоком через пробоотборник) должно быть продемонстрировано, что отношение
потока, идущего по основному трубопроводу, к потоку через пробоотборник для
вредных частиц не должно отклоняться более чем на +/- 5% от значения этого
отношения, установленного регулировкой (за исключением первых 10 с процесса
отбора проб).
Примечание. В
случае работы при двойном разбавлении расход потока через пробоотборник
равняется разности между расходом потока через фильтры пробоотборника и расходом
потока вторичного разбавляющего воздуха.
Должны быть
измерены средние температура и давление на входе потока в газовый(е) счетчик(и)
или другую измерительную аппаратуру. Если заданный расход потока невозможно
поддерживать на всем протяжении цикла (с отклонениями не более +/- 5%) из-за
интенсивных отложений частиц на фильтре, полученные результаты следует
аннулировать и повторить испытание, используя пониженный расход потока и/или
фильтр увеличенного диаметра.
3.8.4. Действия в
случае, если заглох двигатель
Если в процессе
выполнения испытательного цикла заглох двигатель, его следует заново
подготовить к испытаниям и повторить испытание. Если в испытательном цикле
возникла неисправность в любом из устройств, необходимых для проведения
испытаний, испытание признают недействительным.
3.8.5. Работы,
выполняемые после испытания
По завершении
испытания необходимо прекратить измерения объема разбавленных отработавших
газов, газового потока, направляемого в накопительные мешки, а также остановить
насос для отбора проб. Что касается интегрирующих систем анализаторов, то отбор
проб должен продолжаться до момента перекрытия времени задержки срабатывания
системы.
Концентрации
вредных веществ в накопительных мешках (при использовании таких мешков) должны
быть подвергнуты анализу как можно быстрее, в любом случае не позднее чем через
20 мин после окончания испытательного цикла.
После испытания,
проведенного с целью измерить выбросы вредных веществ, необходимо провести
повторную проверку анализатора с помощью пробного (нулевого) газа и того же
самого калибровочного газа. Результаты испытания будут признаны приемлемыми,
если разность между результатами проверки анализатора, полученными перед
проведением испытания, и результатами, полученными после его проведения, не
превышает +/- 2% значений, полученных для калибровочного газа.
В случае испытания
дизельных двигателей фильтры для улавливания вредных частиц необходимо
возвратить в камеру для взвешивания не позднее чем через 1 ч после завершения
испытания, и там они должны быть выдержаны в закрытой, но негерметичной чашке
Петри не менее чем 1 ч, но не более 80 ч перед взвешиванием.
3.9.
Проверка достоверности хода испытаний
3.9.1. Сдвиг данных
по времени
Чтобы свести к минимуму
эффект смещения из-за задержки по времени между задаваемыми и получаемыми
значениями параметров цикла, вся последовательность сигналов, показывающих
реальные получаемые на двигателе значения частоты вращения и крутящего момента,
может быть сдвинута по времени вперед или назад по отношению к исходной
последовательности значений частоты вращения и крутящего момента. Если
получаемые от двигателя сигналы имеют сдвиг, то сдвиг по частоте вращения и
крутящему моменту должен иметь одинаковое значение и направление.
3.9.2.
Расчет работы за цикл
Реальная работа за
цикл в киловатт-часах должна быть рассчитана с использованием всех записанных
реальных пар значений частоты вращения и крутящего момента, полученных на
двигателе. Если был выбран такой вариант, то его следует выполнять каждый раз
после того, как будет иметь место сдвиг по времени данных, поступающих от
двигателя. Реальную работу за цикл
(используют для сравнения с исходной работой
за цикл
и для расчета удельных значений выбросов
вредных веществ (см. 4.4 и 5.2 настоящего дополнения). Аналогичная методология
должна быть использована для получения интегральных значений задаваемой и
реальной мощности двигателя. Если необходимо определить значения параметров
между соседними задаваемыми или соседними измеренными значениями, то следует
использовать линейную интерполяцию.
При интеграции
исходной и реальной работы за цикл все отрицательные значения крутящего момента
должны быть приняты равными нулю и учтены. Если интеграция выполняется с
частотой менее 5 Гц и если в течение отрезка времени между измерениями крутящий
момент меняет знак, то отрицательную часть крутящего момента необходимо при
вычислениях принять равной нулю. Положительная часть крутящего момента должна
быть учтена в интегрированном значении работы.
должна
находиться в диапазоне от минус 15% до плюс 5%
.
3.9.3.
Статистические критерии достоверности испытательного цикла
Линейная регрессия
реальных значений, полученных от двигателя, по исходным значениям должна быть
выполнена для частоты вращения, крутящего момента и мощности. Эту операцию
следует проводить каждый раз после того, как будет иметь место сдвиг по времени
данных, поступающих от двигателя, если такой вариант будет выбран. Должен быть
применен метод наименьших квадратов, ориентированный на уравнение, определяющее
статистически наиболее вероятную зависимость
y = mx + b,
где y - полученное
от двигателя (реальное) значение частоты вращения,
,
крутящего момента, Н x м, или мощности, кВт;
m - коэффициент
наклона линии регрессии;
x - исходное
значение частоты вращения,
,
крутящего момента, Н x м, или мощности, кВт;
b - отсекаемое на
оси y значение линии регрессии.
Для каждой линии
регрессии необходимо рассчитать стандартную погрешность оценки SE по y и x и
коэффициент смешанной корреляции
.
Рекомендуется
выполнять данный анализ с частотой 1 Гц. Все отрицательные значения исходного
крутящего момента и связанные с ними значения реального крутящего момента,
полученного на двигателе, должны быть исключены из расчета статистических
характеристик достоверности крутящего момента. Для того чтобы испытание было
признано достоверным, необходимо соответствие критериям таблицы Д.1.
Таблица Д.1
Допуски параметров
регрессии
┌────────────────────┬────────────────────────────────────────────────────┐
│ Наименование и │
Значение отклонений параметра регрессии для │
│ обозначение │ параметров двигателя │
│параметра
регрессии
├─────────────┬───────────────────┬──────────────────┤
│ │ частоты
│ крутящего момента │
мощности │
│ │ вращения
│ │ │
├────────────────────┼─────────────┼───────────────────┼──────────────────┤
│
Стандартная │ Не более │ Не более 13% (15%)│ Не более
8% (15%)│
│погрешность
оценки │ -1
│максимального
│максимальной │
│по
осям y и x SE │100 мин │крутящего момента │мощности по карте │
│ │ │по карте мощности │мощности │
├────────────────────┼─────────────┼───────────────────┼──────────────────┤
│
Коэффициент наклона│ 0,95 - 1,03 │ 0,83 - 1,03 │
0,89 - 1,03 │
│линии
регрессии m │ │ │ (0,83 - 1,03) │
├────────────────────┼─────────────┼───────────────────┼──────────────────┤
│
Коэффициент │ Не менее │ Не менее 0,8800 │ Не менее 0,9100 │
│смешанной
корреляции│0,9700 (не │(не
менее 0,7500) │(не менее 0,7500)
│
│
2 │менее
0,9500)│
│ │
│r │ │ │ │
├────────────────────┼─────────────┼───────────────────┼──────────────────┤
│ │ -1 │ │ │
│
Отсекаемое на оси y│+/- 50 мин
│ +/- 20 Н x м или │
+/- 4 кВт или │
│значение
линии │ │+/- 2% │+/- 2% (+/- 4 кВт │
│регрессии
b │ │(+/- 20 Н x м или │или +/- 3%) │
│ │ │+/- 3%) │максимальной │
│ │ │максимального │мощности в │
│ │ │крутящего момента │зависимости от │
│ │ │в зависимости от │того, какое │
│ │ │того, какое │значение больше │
│ │ │значение больше │ │
├────────────────────┴─────────────┴───────────────────┴──────────────────┤
│ Примечание. Значения, указанные в
скобках, допускается использовать│
│для
сертификационных испытаний газовых двигателей до 1 октября 2005 г. │
└─────────────────────────────────────────────────────────────────────────┘
Допускаются исключения
точек из регрессионного анализа в соответствии с таблицей Д.2.
Таблица Д.2
Условия для
исключения точек из регрессионного анализа
|
Условие, при котором допускается
исключение
|
Исключаемый параметр
|
|
Реальный крутящий момент при полной
нагрузке, полученный на двигателе, не
равен исходному крутящему моменту
|
Крутящий момент и/или мощность
|
|
Реальный крутящий момент при отсутствии
нагрузки, полученный на двигателе не в
режиме холостого хода, превышает исходный
крутящий момент
|
Крутящий момент и/или мощность
|
|
Реальная частота вращения на двигателе
при отсутствии нагрузки и закрытом
дросселе в режиме холостого хода
превышает исходную частоту вращения
|
Частота вращения двигателя
и/или мощность
|
4. Расчет выбросов
вредных газообразных веществ
4.1.
Определение расхода потока разбавленных отработавших газов
Суммарный расход
потока разбавленных отработавших газов за цикл в килограммах за цикл определяют
на основе значений, измеренных в цикле, и соответствующих данных о калибровке
устройств для измерения расхода (
для
PDP или
для CFV, в соответствии с разделом 2
дополнения 5 к Приложению Д). Если температура разбавленных отработавших газов
поддерживается постоянной в течение всего цикла с помощью теплообменника (с
допустимыми отклонениями +/- 6 К для системы PDP - CVS, +/- 11 К для системы
CFV - CVS в соответствии с 2.3 дополнения 6 к Приложению Д), то для расчета
используют следующие формулы:
Для системы PDP -
CVS:
,
где
- масса разбавленных отработавших газов на
влажной основе за цикл, кг;
-
объем газа, подаваемого за один оборот в условиях испытания, м3/об;
-
суммарное число оборотов вала насоса за испытание;
-
атмосферное давление в испытательном боксе, кПа;
-
уменьшение давления по сравнению с атмосферным на входе в насос, кПа;
T - средняя
температура за цикл разбавленных отработавших газов на входе в насос, К.
Для системы CFV -
CVS:
,
где
- масса разбавленных отработавших газов на
влажной основе за цикл, кг;
t -
продолжительность цикла, с;
-
калибровочный коэффициент для трубки Вентури с критическим расходом (CFV) при
стандартных условиях;
-
абсолютное давление на входе в трубку Вентури, кПа;
T - абсолютная
температура на входе в трубку Вентури, К.
Если применяют
систему с компенсацией потока (т.е. без теплообменника), то необходимо
рассчитывать мгновенные значения масс выбросов вредных веществ и интегрировать
их за цикл. В этом случае мгновенное значение массы разбавленных отработавших
газов определяют по следующим формулам:
Для системы PDP -
CVS:
,
где
- мгновенное значение массы разбавленных
отработавших газов на влажной основе, кг;
-
суммарное число оборотов вала насоса за i-й временной интервал.
Для системы CFV -
CVS:
,
где
- мгновенное значение массы разбавленных
отработавших газов на влажной основе, кг;
- i-й
временной интервал, с.
Если суммарная
масса отобранной пробы вредных частиц
и вредных газообразных веществ превышает 0,5%
суммарного значения массы потока CVS
, то
поток CVS следует корректировать по
или поток вредных частиц, идущий на отбор
проб, следует соединить с потоком CVS до его входа в устройство для измерения
потока (PDP или CFV).
4.2.
Коррекция
по влажности
Так как выбросы
зависят от состояния наружного воздуха,
концентрацию
необходимо корректировать с учетом влажности
наружного воздуха с помощью коэффициентов, рассчитываемых по следующим
формулам:
а) для дизельных
двигателей:
;
б) для газовых
двигателей:
,
где
- влажность воздуха на впуске (в граммах на кг
сухого воздуха), и
,
где
- относительная влажность воздуха на впуске,
%;
-
давление насыщенного пара воздуха на впуске, кПа;
-
общее барометрическое давление, кПа.
4.3. Расчет
массового расхода потока выбросов вредных веществ
4.3.1.
Системы с постоянным массовым расходом
Для систем с
теплообменником массовые расходы вредных веществ в граммах за цикл определяют
по следующим уравнениям:
(для
дизельных двигателей);
(для
газовых двигателей);
(для
всех двигателей);
(для
дизельных двигателей);
(для
двигателей, работающих на СНГ);
(для
двигателей, работающих на ПГ);
(для
дизельных двигателей);
(для
двигателей, работающих на СНГ);
(для
двигателей, работающих на ПГ);
(для
двигателей, работающих на ПГ),
где
<1>,
- средние концентрации за цикл,
корректированные по фону, полученные методом интеграции (обязательно для
и HC) или измеренные в накопительном мешке,
;
-
суммарная масса растворенных отработавших газов за цикл, как определено в 4.1
настоящего дополнения, кг;
-
поправочный коэффициент на влажность для дизельных двигателей, как определено в
4.2 настоящего дополнения;
-
поправочный коэффициент на влажность для газовых двигателей, как определено в
4.2 настоящего дополнения.
--------------------------------
<1>
На основе углерода
.
Концентрации
,
измеренные на сухой основе, следует преобразовать в концентрации на влажной
основе в соответствии с 4.2 дополнения 1 к Приложению Д.
Определение
и
зависит от используемого метода (см. 3.3.4
дополнения 4 к Приложению Д). Обе концентрации должны быть определены как
указано ниже, тем самым, для определения
концентрацию
следует вычесть из концентрации HC:
а) метод GC:
;
б) метод NMC:
,
,
где
- концентрация HC при прохождении газа,
предназначенного для отбора проб, через NMC;
-
концентрация HC при прохождении газа, предназначенного для отбора проб, в обход
NMC;
-
эффективность метана в соответствии с определением, данным в 1.8.4.1 дополнения
5 к Приложению Д;
-
эффективность этана в соответствии с определением, данным в 1.8.4.2 дополнения
5 к Приложению Д.
4.3.1.1.
Определение концентраций, корректированных по фону
Средние фоновые
концентрации выбросов вредных газообразных веществ в разбавляющем воздухе
необходимо вычесть из измеренных концентраций, чтобы получить
"чистые" концентрации газообразных выбросов. Средние значения фоновых
концентраций можно определить с помощью накопительного мешка или непрерывным
измерением с последующей интеграцией. Необходимо пользоваться формулой
conc = conc e -
conc d [1 - (1/DF)],
где conc -
концентрация соответствующего вредного вещества в разбавленных отработавших
газах, корректированная с учетом количества этого вещества, содержащегося в
разбавляющем воздухе,
;
conc e -
концентрация соответствующего вредного вещества, измеренная в разбавленных
отработавших газах,
;
conc d -
концентрация соответствующего вредного вещества, измеренная в разбавляющем
воздухе,
;
DF - коэффициент
разбавления.
Коэффициент
разбавления DF определяют следующим образом:
,
где
- концентрация
в разбавленных отработавших газах, объемная
доля, %;
-
концентрация HC в разбавленных отработавших газах,
на основе
;
-
концентрация CO в разбавленных отработавших газах,
;
-
стехиометрический коэффициент.
Концентрации,
измеренные на сухой основе, должны быть преобразованы в концентрации на влажной
основе в соответствии с 4.2 дополнения 1 к Приложению Д.
Стехиометрический
коэффициент рассчитывают следующим образом:
,
где x, y - состав
топлива
.
Если состав топлива
неизвестен, допускается использовать следующие значения стехиометрических
коэффициентов:
(дизельные
двигатели);
(двигатели,
работающие на СНГ);
(двигатели,
работающие на ПГ).
4.3.2. Системы с
компенсацией расхода
Для систем без
теплообменника значения масс выбросов в граммах за цикл (г/цикл) получают на
основе расчета мгновенных значений масс выбросов и интегрирования этих
мгновенных значений на протяжении цикла. Кроме того, необходимо выполнить
фоновую коррекцию, причем эту коррекцию следует проводить непосредственно по
мгновенным значениям концентрации. Вычисления необходимо проводить по следующим
формулам:
для дизельных
двигателей:
;
для газовых
двигателей:
;
для всех
двигателей:
;
для дизельных
двигателей:
;
для двигателей,
работающих на СНГ:
;
для двигателей,
работающих на ПГ:
;
для дизельных
двигателей:
;
для двигателей,
работающих на СНГ:
;
для двигателей,
работающих на ПГ:
;
для двигателей,
работающих на ПГ:
,
где conc e -
концентрация соответствующего вредного вещества, измеренная в разбавленных
отработавших газах,
;
conc d -
концентрация соответствующего вредного вещества, измеренная в разбавляющем
воздухе,
;
-
мгновенное значение массы разбавленных отработавших газов (см. 4.1 настоящего
дополнения), кг;
-
суммарное значение массы разбавленных отработавших газов (см. 4.1 настоящего
дополнения), кг;
-
поправочный коэффициент на влажность для дизельных двигателей (см. 4.2
настоящего дополнения), основанный на средней за цикл влажности воздуха на
впуске;
-
поправочный коэффициент на влажность для газовых двигателей (см. 4.2 настоящего
дополнения), основанный на средней за цикл влажности воздуха на впуске;
DF - коэффициент
разбавления (см. 4.3.1.1 настоящего дополнения).
4.4. Расчет
удельных выбросов
Удельные выбросы в
граммах на киловатт-час рассчитывают для каждого отдельного компонента
следующим образом:
(для
дизельных и газовых двигателей);
(для
дизельных и газовых двигателей);
(для
дизельных и газовых двигателей);
(для
дизельных и газовых двигателей);
(для
газовых двигателей, работающих на ПГ),
где
- реально выполненная работа за цикл (см.
3.9.2 настоящего дополнения), кВт x ч.
5. Расчет
выбросов вредных частиц (если это применимо)
5.1. Массу
вредных частиц
,
г/цикл, рассчитывают следующим образом:
,
где
- масса вредных частиц, отобранная за цикл,
мг;
-
суммарная масса разбавленных отработавших газов за цикл (см. 4.1 настоящего
дополнения), кг;
-
масса разбавленных отработавших газов, взятых из смесительного канала для
отбора проб вредных частиц, кг;
, если
взвешивание проводят раздельно, мг,
где
- масса вредных частиц, собранных на основном
фильтре, мг;
-
масса вредных частиц, собранных на вспомогательном фильтре, мг.
Если используют
систему с двойным разбавлением, массу воздуха для вторичного разбавления
необходимо вычесть из общей массы дважды разбавленных отработавших газов,
пропущенных через фильтры для отбора проб вредных частиц:
,
где
- масса дважды разбавленных отработавших
газов, кг;
-
масса воздуха, используемого для вторичного разбавления, кг.
Если фоновый
уровень вредных частиц в разбавляющем воздухе определен в соответствии с 3.4
настоящего дополнения, масса вредных частиц может быть корректирована по фону.
В этом случае массу вредных частиц
,
г/цикл, определяют по уравнению
,
где
- см. выше;
-
масса первично разбавленного воздуха, пропущенного через пробоотборник для
вредных частиц;
-
масса отобранных фоновых вредных частиц в первичном разбавляющем воздухе, кг;
DF - коэффициент
разбавления (см. 4.3.1.1 настоящего дополнения).
5.2. Расчет
удельных выбросов
Удельные выбросы
вредных частиц
,
г/(кВт x ч), рассчитывают следующим образом:
,
где
- реально выполненная работа за цикл, кВт x ч,
как определено в 3.9.2 настоящего дополнения.
Дополнение
3
(к Приложению Д)
ПРОГРАММА
ЗАДАНИЯ РЕЖИМА РАБОТЫ ДВИГАТЕЛЯ
НА
ДИНАМОМЕТРИЧЕСКОМ СТЕНДЕ В ИСПЫТАТЕЛЬНОМ ЦИКЛЕ ETC
Таблица Д.3
┌─────┬─────────┬────────┬─────┬─────────┬────────┬────┬─────────┬────────┐
│Вре-
│Приве- │Приве- │Вре- │Приве- │Приве- │Вре-│Приве- │Приве- │
│мя,
с│денная │денный │мя, с│денная │денный │мя, │денная │денный │
│ │частота │крутящий│ │частота │крутящий│с │частота │крутящий│
│ │вращения,│момент,
│
│вращения,│момент, │
│вращения,│момент, │
│ │% │% │ │% │% │ │% │% │
├─────┼─────────┼────────┼─────┼─────────┼────────┼────┼─────────┼────────┤
│ 1
│ 0 │
0 │ 50 │
0 │ 0
│ 99 │ 0 │
0 │
│ 2
│ 0 │
0 │ 51 │
0 │ 0
│100 │ 0 │
0 │
│ 3
│ 0 │
0 │ 52 │
0 │ 0
│101 │ 0 │
0 │
│ 4
│ 0
│ 0 │ 53
│ 0 │
0 │102 │ 0
│ 0 │
│ 5
│ 0 │
0 │ 54 │
0 │ 0
│103 │ 0 │
0 │
│ 6
│ 0 │
0 │ 55 │
0 │ 0
│104 │ 0 │
0 │
│ 7
│ 0 │
0 │ 56 │
0 │ 0
│105 │ 0 │
0 │
│ 8
│ 0 │
0 │ 57 │
0 │ 0
│106 │ 0 │
0 │
│ 9
│ 0 │
0 │ 58 │
0 │ 0
│107 │ 0 │
0 │
│
10 │ 0
│ 0 │ 59
│ 0 │
0 │108 │ 11,6 │ 14,8
│
│
11 │ 0
│ 0 │ 60
│ 0 │
0 │109 │ 0
│ 0 │
│
12 │ 0
│ 0 │ 61
│ 0 │
0 │110 │ 27,2
│ 74,8 │
│
13 │ 0
│ 0 │ 62
│ 25,5 │
11,1 │111 │ 17
│ 76,9 │
│
14 │ 0
│ 0 │ 63
│ 28,5 │
20,9 │112 │ 36
│ 78 │
│
15 │ 0
│ 0 │ 64
│ 32 │
73,9 │113 │ 59,7
│ 86 │
│
16 │ 0,1
│ 1,5 │ 65
│ 4 │
82,3 │114 │ 80,8
│ 17,9 │
│
17 │ 23,1
│ 21,5 │ 66
│ 34,5 │
80,4 │115 │ 49,7
│ 0 │
│
18 │ 12,6
│ 28,5 │ 67
│ 64,1 │
86 │116 │ 65,6
│ 86 │
│
19 │ 21,8
│ 71 │ 68
│ 58 │
0 │117 │ 78,6
│ 72,2 │
│
20 │ 19,7
│ 76,8 │ 69
│ 50,3 │
83,4 │118 │ 64,9
│ m │
│
21 │ 54,6
│ 80,9 │ 70
│ 66,4 │
99,1 │119 │ 44,3
│ m │
│
22 │ 71,3
│ 4,9 │ 71
│ 81,4 │
99,6 │120 │ 51,4
│ 83,4 │
│
23 │ 55,9
│ 18,1 │ 72
│ 88,7 │
73,4 │121 │ 58,1
│ 97 │
│
24 │ 72
│ 85,4 │ 73
│ 52,5 │
0 │122 │ 69,3
│ 99,3 │
│
25 │ 86,7
│ 61,8 │ 74
│ 46,4 │
58,5 │123 │ 72
│ 20,8 │
│
26 │ 51,7
│ 0 │ 75
│ 48,6 │
90,9 │124 │ 72,1
│ m │
│
27 │ 53,4
│ 48,9 │ 76
│ 55,2 │
99,4 │125 │ 65,3
│ m │
│
28 │ 34,2
│ 87,6 │ 77
│ 62,3 │
99 │126 │ 64
│ m │
│
29 │ 45,5
│ 92,7 │ 78
│ 68,4 │
91,5 │127 │ 59,7
│ m │
│
30 │ 54,6
│ 99,5 │ 79
│ 74,5 │
73,7 │128 │ 52,8
│ m │
│
31 │ 64,5
│ 96,8 │ 80
│ 38 │
0 │129 │ 45,9
│ m │
│
32 │ 71,7
│ 85,4 │ 81
│ 41,8 │
89,6 │130 │ 38,7
│ m │
│
33 │ 79,4
│ 54,8 │ 82
│ 47,1 │
99,2 │131 │ 32,4
│ m │
│
34 │ 89,7
│ 99,4 │ 83
│ 52,5 │
99,8 │132 │ 27
│ m │
│
35 │ 57,4
│ 0 │ 84
│ 56,9 │
80,8 │133 │ 21,7
│ m │
│
36 │ 59,7
│ 30,6 │ 85
│ 58,3 │
11,8 │134 │ 19,1
│ 0,4 │
│
37 │ 90,1
│ m │ 86
│ 56,2 │
m │135 │ 34,7
│ 14 │
│
38 │ 82,9
│ m │ 87
│ 52 │
m │136 │ 16,4
│ 48,6 │
│
39 │ 51,3
│ m │ 88
│ 43,3 │
m │137 │ 0
│ 11,2 │
│
40 │ 28,5
│ m │ 89
│ 36,1 │
m │138 │ 1,2
│ 2,1 │
│
41 │ 29,3
│ m │ 90
│ 27,6 │
m │139 │ 30,1
│ 19,3 │
│
42 │ 26,7
│ m │ 91
│ 21,1 │
m │140 │ 30
│ 73,9 │
│
43 │ 20,4
│ m │ 92
│ 8 │
0 │141 │ 54,4
│ 74,4 │
│
44 │ 14,1
│ 0 │ 93
│ 0 │
0 │142 │ 77,2
│ 55,6 │
│
45 │ 6,5
│ 0 │ 94
│ 0 │
0 │143 │ 58,1
│ 0 │
│
46 │ 0
│ 0 │ 95
│ 0 │
0 │144 │ 45
│ 82,1 │
│
47 │ 0
│ 0 │ 96
│ 0 │
0 │145 │ 68,7
│ 98,1 │
│
48 │ 0
│ 0 │ 97
│ 0 │
0 │146 │ 85,7
│ 67,2 │
│
49 │ 0
│ 0 │ 98
│ 0 │
0 │147 │ 60,2
│ 0 │
Продолжение таблицы
Д.3
┌─────┬─────────┬────────┬─────┬─────────┬────────┬────┬─────────┬────────┐
│Вре-
│Приве- │Приве- │Вре- │Приве- │Приве- │Вре-│Приве- │Приве- │
│мя,
с│денная │денный │мя, с│денная │денный │мя, │денная │денный │
│ │частота │крутящий│ │частота │крутящий│с │частота │крутящий│
│ │вращения,│момент,
│
│вращения,│момент, │
│вращения,│момент, │
│ │% │% │ │% │% │ │% │% │
├─────┼─────────┼────────┼─────┼─────────┼────────┼────┼─────────┼────────┤
│
148 │ 59,4 │
98 │ 205 │ 0
│ 0 │262 │ 79
│ 0 │
│
149 │ 72,7 │
99,6 │ 206 │ 0
│ 0 │263 │ 52,9
│ 97,5 │
│
150 │ 79,9 │
45 │ 207 │ 0
│ 0 │284 │ 53,1
│ 99,7 │
│
151 │ 44,3 │
0 │ 208 │ 0
│ 0 │265 │ 59
│ 99,1 │
│
152 │ 41,5 │
84,4 │ 209 │ 0
│ 0 │266 │ 62,2
│ 99 │
│
153 │ 56,2 │
98,2 │ 210 │ 0
│ 0 │267 │ 65
│ 99,1 │
│
154 │ 65,7 │
99,1 │ 211 │ 0
│ 0 │268 │ 69
│ 83,1 │
│
155 │ 74,4 │
84,7 │ 212 │ 0
│ 0 │269 │ 69,9
│ 28,4 │
│
156 │ 54,4 │
0 │ 213 │ 0
│ 0 │270 │ 70,6
│ 12,5 │
│
157 │ 47,9 │
89,7 │ 214 │ 0
│ 0 │271 │ 68,9
│ 8,4 │
│
158 │ 54,5 │
99,5 │ 215 │ 0
│ 0 │272 │ 69,8
│ 9,1 │
│
159 │ 62,7 │
96,8 │ 216 │ 0
│ 0 │273 │ 69,6
│ 7 │
│
160 │ 62,3 │
0 │ 217 │ 0
│ 0 │274 │ 65,7
│ m │
│
161 │ 46,2 │
54,2 │ 218 │ 0
│ 0 │275 │ 67,1
│ m │
│
162 │ 44,3 │
83,2 │ 219 │ 0
│ 0 │276 │ 66,7
│ m │
│
163 │ 48,2 │
13,3 │ 220 │ 0
│ 0 │277 │ 65,6
│ m │
│
164 │ 51 │
m │ 221 │ 0
│ 0 │278 │ 64,5
│ m │
│
165 │ 50 │
m │ 222 │ 0 │
0 │279 │ 62,9
│ m │
│
166 │ 49,2 │
m │ 223 │ 0
│ 0 │280 │ 59,3
│ m │
│
167 │ 49,3 │
m │ 224 │ 0
│ 0 │281 │ 54,1
│ m │
│
168 │ 49,9 │
m │ 225 │ 21,2
│ 62,7 │282 │ 51,3
│ m │
│
169 │ 51,6 │
m │ 226 │ 30,8
│ 75,1 │283 │ 47,9
│ m │
│
170 │ 49,7 │
m │ 227 │ 5,9
│ 82,7 │284 │ 43,6
│ m │
│
171 │ 48,5 │
m │ 228 │ 34,6
│ 80,3 │285 │ 39,4
│ m │
│
172 │ 50,3 │
72,5 │ 229 │ 59,9
│ 87 │286 │ 34,7
│ m │
│
173 │ 51,1 │
84,5 │ 230 │ 84,3
│ 86,2 │287 │ 29,8
│ m │
│
174 │ 54,6 │
64,8 │ 231 │ 68,7
│ m │288 │ 20,9
│ 73,4 │
│
175 │ 56,6 │
76,5 │ 232 │ 43,6
│ m │289 │ 36,9
│ m │
│
176 │ 58 │
m │ 233 │ 41,5
│ 85,4 │290 │ 35,5
│ m │
│
177 │ 53,6 │
m │ 234 │ 49,9
│ 94,3 │291 │ 20,9
│ m │
│
178 │ 40,8 │
m │ 235 │ 60,8
│ 99 │292 │ 49,7
│ 11,9 │
│
179 │ 32,9 │
m │ 236 │ 70,2
│ 99,4 │293 │ 42,5
│ m │
│
180 │ 26,3 │
m │ 237 │ 81,1
│ 92,4 │294 │ 32
│ m │
│
181 │ 20,9 │
m │ 238 │ 49,2
│ 0 │295 │ 23,6
│ m │
│
182 │ 10 │
0 │ 239 │ 56
│ 86,2 │296 │ 19,1
│ 0 │
│
183 │ 0 │
0 │ 240 │ 56,2
│ 99,3 │297 │ 15,7
│ 73,5 │
│
184 │ 0 │
0 │ 241 │ 61,7
│ 99 │298 │ 25,1
│ 76,8 │
│
185 │ 0 │
0 │ 242 │ 69,2
│ 99,3 │299 │ 34,5
│ 81,4 │
│
186 │ 0 │
0 │ 243 │ 74,1
│ 99,8 │300 │ 44,1
│ 87,4 │
│
187 │ 0 │
0 │ 244 │ 72,4
│ 8,4 │301 │ 52,8
│ 98,6 │
│
188 │ 0 │
0 │ 245 │ 71,3
│ 0 │302 │ 63,6
│ 99 │
│
189 │ 0 │
0 │ 246 │ 71,2
│ 9,1 │303 │ 73,6
│ 99,7 │
│
190 │ 0 │
0 │ 247 │ 67,1
│ m │304 │ 62,2
│ m │
│
191 │ 0 │
0 │ 248 │ 65,5
│ m │305 │ 29,2
│ m │
│
192 │ 0 │
0 │ 249 │ 64,4
│ m │306 │ 46,4
│ 22 │
│
193 │ 0 │
0 │ 250 │ 62,9
│ 25,6 │307 │ 47,3
│ 13,8 │
│
194 │ 0 │
0 │ 251 │ 62,2
│ 35,6 │308 │ 47,2
│ 12,5 │
│
195 │ 0 │
0 │ 252 │ 62,9
│ 24,4 │309 │ 47,9 │
11,5 │
│
196 │ 0 │
0 │ 253 │ 58,8
│ m │310 │ 47,8
│ 35,5 │
│
197 │ 0 │
0 │ 254 │ 56,9
│ m │311 │ 49,2
│ 83,3 │
│
198 │ 0 │
0 │ 255 │ 54,5
│ m │312 │ 52,7
│ 96,4 │
│
199 │ 0 │
0 │ 256 │ 51,7
│ 17 │313 │ 57,4
│ 99,2 │
│
200 │ 0 │
0 │ 257 │ 56,2
│ 78,7 │314 │ 61,8
│ 99 │
│
201 │ 0 │
0 │ 258 │ 59,5
│ 94,7 │315 │ 66,4
│ 60,9 │
│
202 │ 0 │
0 │ 259 │ 65,5
│ 99,1 │316 │ 65,8
│ m │
│
203 │ 0 │
0 │ 260 │ 71,2
│ 99,5 │317 │ 59
│ m │
│
204 │ 0 │
0 │ 261 │ 76,6
│ 99,9 │
│ │ │
Продолжение таблицы
Д.3
┌─────┬─────────┬────────┬─────┬─────────┬────────┬────┬─────────┬────────┐
│Вре-
│Приве- │Приве- │Вре- │Приве- │Приве- │Вре-│Приве- │Приве- │
│мя,
с│денная │денный │мя, с│денная │денный │мя, │денная │денный │
│ │частота │крутящий│ │частота │крутящий│с │частота │крутящий│
│ │вращения,│момент,
│
│вращения,│момент, │
│вращения,│момент, │
│ │% │% │ │% │% │ │% │% │
├─────┼─────────┼────────┼─────┼─────────┼────────┼────┼─────────┼────────┤
│
318 │ 50,7 │
m │ 374 │ 47,8
│ 10,3 │430 │ 51,8
│ 99,9 │
│
319 │ 41,8 │
m │ 375 │ 46,8
│ 15,9 │431 │ 51,3
│ 100 │
│
320 │ 34,7 │
m │ 376 │ 46,9
│ 12,7 │432 │ 51,1
│ 100 │
│
321 │ 28,7 │
m │ 377 │ 46,8
│ 8,9 │433 │ 51,3
│ 100 │
│
322 │ 25,2 │
m │ 378 │ 46,1
│ 6,2 │434 │ 52,3
│ 99,8 │
│
323 │ 43 │
24,8 │ 379 │ 46,1
│ m │435 │ 52,9
│ 99,7 │
│
324 │ 38,7 │
0 │ 380 │ 45,5
│ m │436 │ 53,8
│ 99,6 │
│
325 │ 48,1 │
31,9 │ 381 │ 44,7
│ m │437 │ 51,7
│ 99,9 │
│
326 │ 40,3 │
61 │ 382 │ 43,8
│ m │438 │ 53,5
│ 99,6 │
│
327 │ 42,4 │
52,1 │ 383 │ 41
│ m │439 │ 52
│ 99,8 │
│
328 │ 46,4 │
47,7 │ 384 │ 41,1
│ 6,4 │440 │ 51,7
│ 99,9 │
│
329 │ 46,9 │
30,7 │ 385 │ 38
│ 6,3 │441 │ 53,2
│ 99,7 │
│
330 │ 46,1 │
23,1 │ 386 │ 35,9
│ 0,3 │442 │ 54,2
│ 99,5 │
│
331 │ 45,7 │
23,2 │ 387 │ 33,5
│ 0 │443 │ 55,2
│ 99,4 │
│
332 │ 45,5 │
31,9 │ 388 │ 53,1
│ 48,9 │444 │ 53,8
│ 99,6 │
│
333 │ 46,4 │
73,6 │ 389 │ 48,3
│ m │445 │ 53,1
│ 99,7 │
│
334 │ 51,3 │
60,7 │ 390 │ 49,9
│ m │446 │ 55
│ 99,4 │
│
335 │ 51,3 │
51,1 │ 391 │ 48
│ m │447 │ 57
│ 99,2 │
│
336 │ 53,2 │
46,8 │ 392 │ 45,3
│ m │448 │ 61,5
│ 99 │
│
337 │ 53,9 │
50 │ 393 │ 41,6
│ 3,1 │449 │ 59,4
│ 5,7 │
│
338 │ 53,4 │
52,1 │ 394 │ 44,3 │ 79
│450 │ 59 │
0 │
│
339 │ 53,8 │
45,7 │ 395 │ 44,3
│ 89,5 │451 │ 57,3
│ 59,8 │
│
340 │ 50,6 │
22,1 │ 396 │ 43,4
│ 98,8 │452 │ 64,1
│ 99 │
│
341 │ 47,8 │
26 │ 397 │ 44,3
│ 98,9 │453 │ 70,9
│ 90,5 │
│
342 │ 41,6 │
17,8 │ 398 │ 43
│ 98,8 │454 │ 58
│ 0 │
│
343 │ 38,7 │
29,8 │ 399 │ 42,2
│ 98,8 │455 │ 41,5
│ 59,8 │
│
344 │ 35,9 │
71,6 │ 400 │ 42,7
│ 98,8 │456 │ 44,1
│ 92,6 │
│
345 │ 34,6 │
47,3 │ 401 │ 45
│ 99 │457 │ 46,8
│ 99,2 │
│
346 │ 34,8 │
80,3 │ 402 │ 43,6
│ 98,9 │458 │ 47,2
│ 99,3 │
│
347 │ 35,9 │
87,2 │ 403 │ 42,2
│ 98,8 │459 │ 51
│ 100 │
│
348 │ 38,8 │
90,8 │ 404 │ 44,8
│ 99 │460 │ 53,2
│ 99,7 │
│
349 │ 41,5 │
94,7 │ 405 │ 43,4
│ 98,8 │461 │ 53,1
│ 99,7 │
│
350 │ 47,1 │
99,2 │ 406 │ 45
│ 99 │462 │ 55,9
│ 53,1 │
│
351 │ 53,1 │
99,7 │ 407 │ 42,2
│ 54,3 │463 │ 53,9
│ 13,9 │
│
352 │ 46,4 │
0 │ 408 │ 61,2
│ 31,9 │464 │ 52,5
│ m │
│
353 │ 42,5 │
0,7 │ 409 │ 56,3
│ 72,3 │465 │ 51,7
│ m │
│
354 │ 43,6 │
58,6 │ 410 │ 59,7
│ 99,1 │466 │ 51,5
│ 52,2 │
│
355 │ 47,1 │
87,5 │ 411 │ 62,3
│ 99 │467 │ 52,8
│ 80 │
│
356 │ 54,1 │
99,5 │ 412 │ 67,9
│ 99,2 │468 │ 54,9
│ 95 │
│
357 │ 62,9 │
99 │ 413 │ 69,5
│ 99,3 │469 │ 57,3
│ 99,2 │
│
358 │ 72,6 │
99,6 │ 414 │ 73,1
│ 99,7 │470 │ 60,7
│ 99,1 │
│
359 │ 82,4 │
99,5 │ 415 │ 77,7
│ 99,8 │471 │ 62,4
│ m │
│
360 │ 88 │
99,4 │ 416 │ 79,7
│ 99,7 │472 │ 60,1
│ m │
│
361 │ 46,4 │
0 │ 417 │ 82,5
│ 99,5 │473 │ 53,2
│ m │
│
362 │ 53,4 │
95,2 │ 418 │ 85,3
│ 99,4 │474 │ 44
│ m │
│
363 │ 58,4 │
99,2 │ 419 │ 86,6
│ 99,4 │475 │ 35,2
│ m │
│
364 │ 61,5 │
99 │ 420 │ 89,4
│ 99,4 │476 │ 30,5
│ m │
│
365 │ 64,8 │
99 │ 421 │ 62,2
│ 0 │477 │ 26,5
│ m │
│
366 │ 68,1 │
99,2 │ 422 │ 52,7
│ 96,4 │478 │ 22,5
│ m │
│
367 │ 73,4 │
99,7 │ 423 │ 50,2
│ 99,8 │479 │ 20,4
│ m │
│
368 │ 73,3 │
29,8 │ 424 │ 49,3
│ 99,6 │480 │ 19,1 │ m
│
│
369 │ 73,5 │
14,6 │ 425 │ 52,2
│ 99,8 │481 │ 19,1
│ m │
│
370 │ 68,3 │
0 │ 426 │ 51,3
│ 100 │482 │ 13,4
│ m │
│
271 │ 45,4 │
49,9 │ 427 │ 51,3
│ 100 │483 │ 6,7
│ m │
│
372 │ 47,2 │
75,7 │ 428 │ 51,1
│ 100 │484 │ 3,2
│ m │
│
373 │ 44,5 │
9 │ 429 │ 51,1
│ 100 │485 │ 14,3
│ 63,8 │
Продолжение таблицы
Д.3
┌─────┬─────────┬────────┬─────┬─────────┬────────┬────┬─────────┬────────┐
│Вре-
│Приве- │Приве- │Вре- │Приве- │Приве- │Вре-│Приве- │Приве- │
│мя,
с│денная │денный │мя, с│денная │денный │мя, │денная │денный │
│ │частота │крутящий│ │частота │крутящий│с │частота │крутящий│
│ │вращения,│момент,
│ │вращения,│момент,
│ │вращения,│момент,
│
│ │% │% │ │% │% │ │% │% │
├─────┼─────────┼────────┼─────┼─────────┼────────┼────┼─────────┼────────┤
│
486 │ 34,1 │
0 │ 542 │ 53,8
│ 89,7 │598 │ 43
│ 79 │
│
487 │ 23,9 │
75,7 │ 543 │ 59,7
│ 99,1 │599 │ 57,4
│ 98,9 │
│
488 │ 31,7 │
79,2 │ 544 │ 64,8
│ 99 │600 │ 72,1
│ 73,8 │
│
489 │ 32,1 │
19,4 │ 545 │ 70,6
│ 96,1 │601 │ 53
│ 0 │
│
490 │ 35,9 │
5,8 │ 546 │ 72,6
│ 19,6 │602 │ 48,1
│ 86 │
│
491 │ 36,6 │
0,8 │ 547 │ 72
│ 6,3 │603 │ 56,2
│ 99 │
│
492 │ 38,7 │
m │ 548 │ 68,9
│ 0,1 │604 │ 65,4
│ 98,9 │
│
493 │ 38,4 │
m │ 549 │ 67,7
│ m │605 │ 72,9
│ 99,7 │
│
494 │ 39,4 │
m │ 550 │ 66,8
│ m │606 │ 67,5
│ m │
│
495 │ 39,7 │
m │ 551 │ 64,3
│ 16,9 │607 │ 39
│ m │
│
496 │ 40,5 │
m │ 552 │ 64,9
│ 7 │608 │ 41,9
│ 38,1 │
│
497 │ 40,8 │
m │ 553 │ 63,6
│ 12,5 │609 │ 44,1
│ 80,4 │
│
498 │ 39,7 │
m │ 554 │ 63
│ 7,7 │610 │ 46,8
│ 99,4 │
│
499 │ 39,2 │
m │ 555 │ 64,4
│ 38,2 │611 │ 48,7
│ 99,9 │
│
500 │ 38,7 │
m │ 556 │ 63
│ 11,8 │612 │ 50,5
│ 99,7 │
│
501 │ 32,7 │
m │ 557 │ 63,6
│ 0 │613 │ 52,5
│ 90,3 │
│
502 │ 30,1 │
m │ 558 │ 63,3
│ 5 │614 │ 51
│ 1,8 │
│
503 │ 21,9 │
m │ 559 │ 60,1
│ 9,1 │615 │ 50 │
m │
│
504 │ 12,8 │
0 │ 560 │ 61
│ 8,4 │616 │ 49,1
│ m │
│
505 │ 0 │
0 │ 561 │ 59,7
│ 0,9 │617 │ 47
│ m │
│
506 │ 0 │
0 │ 562 │ 58,7
│ m │618 │ 43,1
│ m │
│
507 │ 0 │
0 │ 563 │ 56
│ m │619 │ 39,2
│ m │
│
508 │ 0 │
0 │ 564 │ 53,9
│ m │620 │ 40,6
│ 0,5 │
│
509 │ 0 │
0 │ 565 │ 52,1
│ m │621 │ 41,8
│ 53,4 │
│
510 │ 0 │
0 │ 566 │ 49,9
│ m │622 │ 44,4
│ 65,1 │
│
511 │ 0 │
0 │ 567 │ 46,4
│ m │623 │ 48,1
│ 67,8 │
│
512 │ 0 │
0 │ 568 │ 43,6
│ m │624 │ 53,8
│ 99,2 │
│
513 │ 0 │
0 │ 569 │ 40,8
│ m │625 │ 58,6
│ 98,9 │
│
514 │ 30,5 │
25,6 │ 570 │ 37,5
│ m │626 │ 63,6
│ 98,8 │
│
515 │ 19,7 │
56,9 │ 571 │ 27,8
│ m │627 │ 68,5
│ 99,2 │
│
516 │ 16,3 │
45,1 │ 572 │ 17,1
│ 0,6 │628 │ 72,2
│ 89,4 │
│
517 │ 27,2 │
4,6 │ 573 │ 12,2
│ 0,9 │629 │ 77,1
│ 0 │
│
518 │ 21,7 │
1,3 │ 574 │ 11,5
│ 1,1 │630 │ 57,8
│ 79,1 │
│
519 │ 29,7 │
28,6 │ 575 │ 8,7
│ 0,5 │631 │ 60,3
│ 98,8 │
│
520 │ 36,6 │
73,7 │ 576 │ 8
│ 0,9 │632 │ 61,9
│ 98,8 │
│
521 │ 61,3 │
59,5 │ 577 │ 5,3
│ 0,2 │633 │ 63,8
│ 98,8 │
│
522 │ 40,8 │
0 │ 578 │ 4
│ 0 │634 │ 64,7
│ 98,9 │
│
523 │ 36,6 │
27,8 │ 579 │ 3,9
│ 0 │635 │ 65,4
│ 46,5 │
│
524 │ 39,4 │
80,4 │ 580 │ 0
│ 0 │636 │ 65,7
│ 44,5 │
│
525 │ 51,3 │
88,9 │ 581 │ 0
│ 0 │637 │ 65,6
│ 3,5 │
│
526 │ 58,5 │
11,1 │ 582 │ 0
│ 0 │638 │ 49,1
│ 0 │
│
527 │ 60,7 │
m │ 583 │ 0
│ 0 │639 │ 50,4
│ 73,1 │
│
528 │ 54,5 │
m │ 584 │ 0
│ 0 │640 │ 50,5
│ m │
│
529 │ 51,3 │
m │ 585 │ 0
│ 0 │641 │ 51
│ m │
│
530 │ 45,5 │
m │ 586 │ 0
│ 0 │642 │ 49,4
│ m │
│
531 │ 40,8 │
m │ 587 │ 8,7
│ 22,8 │643 │ 49,2
│ m │
│
532 │ 38,9 │
m │ 588 │ 16,2
│ 49,4 │644 │ 48,6
│ m │
│
533 │ 36,6 │
m │ 589 │ 23,6
│ 56 │645 │ 47,5
│ m │
│
534 │ 36,1 │
72,7 │ 590 │ 21,1
│ 56,1 │646 │ 46,5
│ m │
│
535 │ 44,8 │
78,9 │ 591 │ 23,6
│ 56 │647 │ 46
│ 11,3 │
│
536 │ 51,6 │
91,1 │ 592 │ 46,2
│ 68,8 │648 │ 45,6
│ 42,8 │
│
537 │ 59,1 │
99,1 │ 593 │ 68,4 │
61,2 │649 │ 47,1
│ 83 │
│
538 │ 66 │
99,1 │ 594 │ 58,7
│ m │650 │ 46,2
│ 99,3 │
│
539 │ 75,1 │
99,9 │ 595 │ 31,6
│ m │651 │ 47,9
│ 99,7 │
│
540 │ 81 │
8 │ 596 │ 19,9
│ 8,8 │652 │ 49,5
│ 99,9 │
│
541 │ 39,1 │
0 │ 597 │ 32,9
│ 70,2 │653 │ 50,6
│ 99,7 │
Продолжение таблицы
Д.3
┌─────┬─────────┬────────┬─────┬─────────┬────────┬────┬─────────┬────────┐
│Вре-
│Приве- │Приве- │Вре- │Приве- │Приве- │Вре-│Приве- │Приве- │
│мя,
с│денная │денный │мя, с│денная │денный │мя, │денная │денный │
│ │частота │крутящий│ │частота │крутящий│с │частота │крутящий│
│ │вращения,│момент,
│
│вращения,│момент, │
│вращения,│момент, │
│ │% │% │
│% │% │ │% │% │
├─────┼─────────┼────────┼─────┼─────────┼────────┼────┼─────────┼────────┤
│
654 │ 51 │
99,6 │ 710 │ 55,5
│ m │766 │ 56,8
│ 33,7 │
│
655 │ 53 │
99,3 │ 711 │ 51,7
│ m │767 │ 57,2
│ 96 │
│
656 │ 54,9 │
99,1 │ 712 │ 49,2
│ m │768 │ 58,6
│ 98,9 │
│
657 │ 55,7 │
99 │ 713 │ 48,8
│ 40,4 │769 │ 59,5
│ 98,8 │
│
658 │ 56 │
99 │ 714 │ 47,9
│ m │770 │ 61,2
│ 98,8 │
│
659 │ 56,1 │
9,3 │ 715 │ 46,2
│ m │771 │ 62,1
│ 98,8 │
│
660 │ 55,6 │
m │ 716 │ 45,6
│ 9,8 │772 │ 62,7
│ 98,8 │
│
661 │ 55,4 │
m │ 717 │ 45,6
│ 34,5 │773 │ 62,8
│ 98,8 │
│
662 │ 54,9 │
51,3 │ 718 │ 45,5
│ 37,1 │774 │ 64
│ 98,9 │
│
663 │ 54,9 │
59,8 │ 719 │ 43,8
│ m │775 │ 63,2
│ 46,3 │
│
664 │ 54 │
39,3 │ 720 │ 41,9
│ m │776 │ 62,4
│ m │
│
665 │ 53,8 │
m │ 721 │ 41,3
│ m │777 │ 60,3
│ m │
│
666 │ 52 │
m │ 722 │ 41,4
│ m │778 │ 58,7
│ m │
│
667 │ 50,4 │
m │ 723 │ 41,2
│ m │779 │ 57,2
│ m │
│
668 │ 50,6 │
0 │ 724 │ 41,8
│ m │780 │ 56,1
│ m │
│
669 │ 49,3 │
41,7 │ 725 │ 41,8
│ m │781 │ 56
│ 9,3 │
│
670 │ 50 │
73,2 │ 726 │ 43,2
│ 17,4 │782 │ 55,2
│ 26,3 │
│
671 │ 50,4 │
99,7 │ 727 │ 45
│ 29 │783 │ 54,8
│ 42,8 │
│
672 │ 51,9 │
99,5 │ 728 │ 44,2
│ m │784 │ 55,7
│ 47,1 │
│
673 │ 53,6 │
99,3 │ 729 │ 43,9
│ m │785 │ 56,6
│ 52,4 │
│
674 │ 54,6 │
99,1 │ 730 │ 38
│ 10,7 │786 │ 58
│ 50,3 │
│
675 │ 56 │
99 │ 731 │ 56,8
│ m │787 │ 58,6 │ 20,6
│
│
676 │ 55,8 │
99 │ 732 │ 57,1
│ m │788 │ 58,7
│ m │
│
677 │ 58,4 │
98,9 │ 733 │ 52
│ m │789 │ 59,3
│ m │
│
678 │ 59,9 │
98,8 │ 734 │ 44,4
│ m │790 │ 58,6
│ m │
│
679 │ 60,9 │
98,8 │ 735 │ 40,2
│ m │791 │ 60,5
│ 9,7 │
│
680 │ 63 │
98,8 │ 736 │ 39,2
│ 16,5 │792 │ 59,2
│ 9,6 │
│
681 │ 64,3 │
98,9 │ 737 │ 38,9
│ 73,2 │793 │ 59,9
│ 9,6 │
│
682 │ 64,8 │
64 │ 738 │ 39,9
│ 89,8 │794 │ 59,6
│ 9,6 │
│
683 │ 65,9 │
46,5 │ 739 │ 42,3
│ 98,6 │795 │ 59,9
│ 6,2 │
│
684 │ 66,2 │
28,7 │ 740 │ 43,7
│ 98,8 │796 │ 59,9
│ 9,6 │
│
685 │ 65,2 │
1,8 │ 741 │ 45,5
│ 99,1 │797 │ 60,5
│ 13,1 │
│
686 │ 65 │
6,8 │ 742 │ 45,6
│ 99,2 │798 │ 60,3
│ 20,7 │
│
687 │ 63,6 │
53,6 │ 743 │ 48,1
│ 99,7 │799 │ 59,9
│ 31 │
│
688 │ 62,4 │
82,5 │ 744 │ 49
│ 100 │800 │ 60,5
│ 42 │
│
689 │ 61,8 │
98,8 │ 745 │ 49,8
│ 99,9 │801 │ 61,5
│ 52,5 │
│
690 │ 59,8 │
98,8 │ 746 │ 49,8
│ 99,9 │802 │ 60,9
│ 51,4 │
│
691 │ 59,2 │
98,8 │ 747 │ 51,9
│ 99,5 │803 │ 61,2
│ 57,7 │
│
692 │ 59,7 │
98,8 │ 748 │ 52,3
│ 99,4 │804 │ 62,8
│ 98,8 │
│
693 │ 61,2 │
98,8 │ 749 │ 53,3
│ 99,3 │805 │ 63,4
│ 96,1 │
│
694 │ 62,2 │
49,4 │ 750 │ 52,9
│ 99,3 │806 │ 64,6
│ 45,4 │
│
695 │ 62,8 │
37,2 │ 751 │ 54,3
│ 99,2 │807 │ 64,1
│ 5 │
│
696 │ 63,5 │
46,3 │ 752 │ 55,5
│ 99,1 │808 │ 63
│ 3,2 │
│
697 │ 64,7 │
72,3 │ 753 │ 56,7
│ 99 │809 │ 62,7
│ 14,9 │
│
698 │ 64,7 │
72,3 │ 754 │ 61,7
│ 98,8 │810 │ 63,5
│ 35,8 │
│
699 │ 65,4 │
77,4 │ 755 │ 64,3
│ 47,4 │811 │ 64,1
│ 73,3 │
│
700 │ 66,1 │
69,3 │ 756 │ 64,7
│ 1,8 │812 │ 64,3
│ 37,4 │
│
701 │ 64,3 │
m │ 757 │ 66,2
│ m │813 │ 64,1
│ 21 │
│
702 │ 64,3 │
m │ 758 │ 49,1
│ m │814 │ 63,7
│ 21 │
│
703 │ 63 │
m │ 759 │ 52,1
│ 46 │815 │ 62,9
│ 18 │
│
704 │ 62,2 │
m │ 760 │ 52,6
│ 61 │816 │ 62,4
│ 32,7 │
│
705 │ 61,6 │
m │ 761 │ 52,9
│ 0 │817 │ 61,7
│ 46,2 │
│
706 │ 62,4 │
m │ 762 │ 52,3
│ 20,4 │818 │ 59,8
│ 45,1 │
│
707 │ 62,2 │
m │ 763 │ 54,2
│ 56,7 │819 │ 57,4
│ 43,9 │
│
708 │ 61 │
m │ 764 │ 55,4
│ 59,8 │820 │ 54,8
│ 42,8 │
│
709 │ 58,7 │
m │ 765 │ 56,1 │ 49,2
│821 │ 54,3 │
65,2 │
Продолжение таблицы
Д.3
┌─────┬─────────┬────────┬─────┬─────────┬────────┬────┬─────────┬────────┐
│Вре-
│Приве- │Приве- │Вре- │Приве- │Приве- │Вре-│Приве- │Приве- │
│мя,
с│денная │денный │мя, с│денная │денный │мя, │денная │денный │
│ │частота │крутящий│ │частота │крутящий│с │частота │крутящий│
│ │вращения,│момент,
│
│вращения,│момент, │
│вращения,│момент, │
│ │% │% │ │% │% │ │% │% │
├─────┼─────────┼────────┼─────┼─────────┼────────┼────┼─────────┼────────┤
│
822 │ 52,9 │
62,1 │ 878 │ 61,4
│ 19,3 │934 │ 52,2
│ 34,9 │
│
823 │ 52,4 │
30,6 │ 879 │ 60,3
│ 1,2 │935 │ 52,8
│ 60,1 │
│
824 │ 50,4 │
m │ 880 │ 60,5
│ 2,9 │936 │ 53,7
│ 69,7 │
│
825 │ 48,6 │
m │ 881 │ 61,2
│ 34,1 │937 │ 54
│ 70,7 │
│
826 │ 47,9 │
m │ 882 │ 61,6
│ 13,2 │938 │ 55,1
│ 71,7 │
│
827 │ 46,8 │
m │ 883 │ 61,5
│ 16,4 │939 │ 55,2
│ 46 │
│
828 │ 46,9 │
9,4 │ 884 │ 61,2
│ 16,4 │940 │ 54,7
│ 12,6 │
│
829 │ 49,5 │
41,7 │ 885 │ 61,3
│ m │941 │ 52,5
│ 0 │
│
830 │ 50,5 │
37,8 │ 886 │ 63,1
│ m │942 │ 51,8
│ 24,7 │
│
831 │ 52,3 │
20,4 │ 887 │ 63,2
│ 4,8 │943 │ 51,4
│ 43,9 │
│
832 │ 54,1 │
30,7 │ 888 │ 62,3
│ 22,3 │944 │ 50,9
│ 71,1 │
│
833 │ 56,3 │
41,8 │ 889 │ 62
│ 38,5 │945 │ 51,2
│ 76,8 │
│
834 │ 58,7 │
26,5 │ 890 │ 61,6
│ 29,6 │946 │ 50,3
│ 87,5 │
│
835 │ 57,3 │
m │ 891 │ 61,6
│ 26,6 │947 │ 50,2
│ 99,8 │
│
836 │ 59 │
m │ 892 │ 61,8
│ 28,1 │948 │ 50,9
│ 100 │
│
837 │ 59,8 │
m │ 893 │ 62
│ 29,6 │949 │ 49,9
│ 99,7 │
│
838 │ 60,3 │
m │ 894 │ 62
│ 16,3 │950 │ 50,9
│ 100 │
│
839 │ 61,2 │
m │ 895 │ 61,1
│ m │951 │ 49,8
│ 99,7 │
│
840 │ 61,8 │
m │ 896 │ 61,2
│ m │952 │ 50,4
│ 99,8 │
│
841 │ 62,5 │
m │ 897 │ 60,7
│ 19,2 │953 │ 50,4
│ 99,8 │
│
842 │ 62,4 │
m │ 898 │ 60,7
│ 32,5 │954 │ 49,7
│ 99,7 │
│
843 │ 61,5 │
m │ 899 │ 60,9
│ 17,8 │955 │ 51
│ 100 │
│
844 │ 63,7 │
m │ 900 │ 60,1 │
19,2 │956 │ 50,3
│ 99,8 │
│
845 │ 61,9 │
m │ 901 │ 59,3
│ 38,2 │957 │ 50,2
│ 99,8 │
│
846 │ 61,6 │
29,7 │ 902 │ 59,9
│ 45 │958 │ 49,9
│ 99,7 │
│
847 │ 60,3 │
m │ 903 │ 59,4
│ 32,4 │959 │ 50,9
│ 100 │
│
848 │ 59,2 │
m │ 904 │ 59,2
│ 23,5 │960 │ 50
│ 99,7 │
│
849 │ 57,3 │
m │ 905 │ 59,5
│ 40,8 │961 │ 50,2
│ 99,8 │
│
850 │ 52,3 │
m │ 906 │ 58,3
│ m │962 │ 50,2
│ 99,8 │
│
851 │ 49,3 │
m │ 907 │ 58,2
│ m │963 │ 49,9
│ 99,7 │
│
852 │ 47,3 │
m │ 908 │ 57,6
│ m │964 │ 50,4
│ 99,8 │
│
853 │ 46,3 │
38,8 │ 909 │ 57,1
│ m │965 │ 50,2
│ 99,8 │
│
854 │ 46,8 │
35,1 │ 910 │ 57
│ 0,6 │966 │ 50,3
│ 99,8 │
│
855 │ 46,6 │
m │ 911 │ 57
│ 26,3 │967 │ 49,9
│ 99,7 │
│
856 │ 44,3 │
m │ 912 │ 56,5
│ 29,2 │968 │ 51,1
│ 100 │
│
857 │ 43,1 │
m │ 913 │ 56,3
│ 20,5 │969 │ 50,6
│ 99,9 │
│
858 │ 42,4 │
2,1 │ 914 │ 56,1
│ m │970 │ 49,9
│ 99,7 │
│
859 │ 41,8 │
2,4 │ 915 │ 55,2
│ m │971 │ 49,6
│ 99,6 │
│
860 │ 43,8 │
68,8 │ 916 │ 54,7
│ 17,5 │972 │ 49,4
│ 99,6 │
│
861 │ 44,6 │
89,2 │ 917 │ 55,2
│ 29,2 │973 │ 49
│ 99,5 │
│
862 │ 46 │
99,2 │ 918 │ 55,2
│ 29,2 │974 │ 49,8
│ 99,7 │
│
863 │ 46,9 │
99,4 │ 919 │ 55,9
│ 16 │975 │ 50,9
│ 100 │
│
864 │ 47,9 │
99,7 │ 920 │ 55,9
│ 26,3 │976 │ 50,4
│ 99,8 │
│
865 │ 50,2 │
99,8 │ 921 │ 56,1
│ 36,5 │977 │ 49,8
│ 99,7 │
│
866 │ 51,2 │
99,6 │ 922 │ 55,8
│ 19 │978 │ 49,1
│ 99,5 │
│
867 │ 52,3 │
99,4 │ 923 │ 55,9
│ 9,2 │979 │ 50,4
│ 99,8 │
│
868 │ 53 │
99,3 │ 924 │ 55,8
│ 21,9 │980 │ 49,8
│ 99,7 │
│
869 │ 54,2 │
99,2 │ 925 │ 56,4
│ 42,8 │981 │ 49,3
│ 99,5 │
│
870 │ 55,5 │
99,1 │ 926 │ 56,4
│ 38 │982 │ 49,1
│ 99,5 │
│
871 │ 56,7 │
99 │ 927 │ 56,4
│ 11 │983 │ 49,9
│ 99,7 │
│
872 │ 57,3 │
98,9 │ 928 │ 56,4
│ 35,1 │984 │ 49,1
│ 99,5 │
│
873 │ 58 │
98,9 │ 929 │ 54
│ 7,3 │985 │ 50,4
│ 99,8 │
│
874 │ 60,5 │
31,1 │ 930 │ 53,4
│ 5,4 │986 │ 50,9 │
100 │
│
875 │ 60,2 │
m │ 931 │ 52,3
│ 27,6 │987 │ 51,4
│ 99,9 │
│
876 │ 60,3 │
m │ 932 │ 52,1
│ 32 │988 │ 51,5
│ 99,9 │
│
877 │ 60,5 │
6,3 │ 933 │ 52,3
│ 33,4 │989 │ 52,2
│ 99,7 │
Продолжение таблицы
Д.3
┌─────┬─────────┬────────┬─────┬─────────┬────────┬────┬─────────┬────────┐
│Вре-
│Приве- │Приве- │Вре- │Приве- │Приве- │Вре-│Приве- │Приве- │
│мя,
с│денная │денный │мя, с│денная │денный │мя, │денная │денный │
│ │частота │крутящий│ │частота │крутящий│с │частота │крутящий│
│ │вращения,│момент,
│
│вращения,│момент, │
│вращения,│момент, │
│ │% │% │ │% │% │ │% │% │
├─────┼─────────┼────────┼─────┼─────────┼────────┼────┼─────────┼────────┤
│
990 │ 52,8 │
74,1 │1046 │ 47,9
│ 24 │1102│ 58,8
│ m │
│
991 │ 53,3 │
46 │1047 │ 48,1
│ 36,2 │1103│ 57,7
│ m │
│
992 │ 53,6 │
36,4 │1048 │ 47,5
│ 34,5 │1104│ 56
│ m │
│
993 │ 53,4 │
33,5 │1049 │ 46,9
│ 30,3 │1105│ 54,7
│ m │
│
994 │ 53,9 │
58,9 │1050 │ 47,7
│ 53,5 │1106│ 53,3
│ m │
│
995 │ 55,2 │
73,8 │1051 │ 46,9
│ 61,6 │1107│ 52,6
│ 23,2 │
│
996 │ 55,8 │
52,4 │1052 │ 46,5
│ 73,6 │1108│ 53,4
│ 84,2 │
│
997 │ 55,7 │
9,2 │1053 │ 48
│ 84,6 │1109│ 53,9
│ 99,4 │
│
998 │ 55,8 │
2,2 │1054 │ 47,2
│ 87,7 │1110│ 54,9
│ 99,3 │
│
999 │ 56,4 │
33,6 │1055 │ 48,7
│ 80 │1111│ 55,8
│ 99,2 │
│1000
│ 55,4 │
m │1056 │ 48,7
│ 50,4 │1112│ 57,1
│ 99 │
│1001
│ 55,2 │
m │1057 │ 47,8
│ 38,6 │1113│ 56,5
│ 99,1 │
│1002
│ 55,8 │
26,3 │1058 │ 48,8
│ 63,1 │1114│ 58,9
│ 98,9 │
│1003
│ 55,8 │
23,3 │1059 │ 47,4
│ 5 │1115│ 58,7
│ 98,9 │
│1004
│ 56,4 │
50,2 │1060 │ 47,3
│ 47,4 │1116│ 59,8
│ 98,9 │
│1005
│ 57,6 │
68,3 │1061 │ 47,3
│ 49,8 │1117│ 61
│ 98,8 │
│1006
│ 58,8 │
90,2 │1062 │ 46,9
│ 23,9 │1118│ 60,7
│ 19,2 │
│1007
│ 59,9 │
98,9 │1063 │ 46,7
│ 44,6 │1119│ 59,4
│ m │
│1008
│ 62,3 │
98,8 │1064 │ 46,8
│ 65,2 │1120│ 57,9
│ m │
│1009
│ 63,1 │
74,4 │1065 │ 46,9
│ 60,4 │1121│ 57,6
│ m │
│1010
│ 63,7 │
49,4 │1066 │ 46,7
│ 61,5 │1122│ 56,3
│ m │
│1011
│ 63,3 │
9,8 │1067 │ 45,5
│ m │1123│ 55
│ m │
│1012
│ 48 │
0 │1068 │ 45,5
│ m │1124│ 53,7
│ m │
│1013
│ 47,9 │
73,5 │1069 │ 44,2
│ m │1125│ 52,1
│ m │
│1014
│ 49,9 │
99,7 │1070 │ 43
│ m │1126│ 51,1
│ m │
│1015
│ 49,9 │
48,8 │1071 │ 42,5
│ m │1127│ 49,7
│ 25,8 │
│1016
│ 49,6 │
2,3 │1072 │ 41 │ m
│1128│ 49,1 │
46,1 │
│1017
│ 49,9 │
m │1073 │ 39,9
│ m │1129│ 48,7
│ 46,9 │
│1018
│ 49,3 │
m │1074 │ 39,9
│ 38,2 │1130│ 48,2
│ 46,7 │
│1019
│ 49,7 │
47,5 │1075 │ 40,1
│ 48,1 │1131│ 48
│ 70 │
│1020
│ 49,1 │
m │1076 │ 39,9
│ 48 │1132│ 48
│ 70 │
│1021
│ 49,4 │
m │1077 │ 39,4
│ 59,3 │1133│ 47,2
│ 67,6 │
│1022
│ 48,3 │
m │1078 │ 43,8
│ 19,8 │1134│ 47,3
│ 67,6 │
│1023
│ 49,4 │
m │1079 │ 52,9
│ 0 │1135│ 46,6
│ 74,7 │
│1024
│ 48,5 │
m │1080 │ 52,8
│ 88,9 │1136│ 47,4
│ 13 │
│1025
│ 48,7 │
m │1081 │ 53,4
│ 99,5 │1137│ 46,3
│ m │
│1026
│ 48,7 │
m │1082 │ 54,7
│ 99,3 │1138│ 45,4
│ m │
│1027
│ 49,1 │
m │1083 │ 56,3
│ 99,1 │1139│ 45,5
│ 24,8 │
│1028
│ 49 │
m │1084 │ 57,5
│ 99 │1140│ 44,8
│ 73,8 │
│1029
│ 49,8 │
m │1085 │ 59
│ 98,9 │1141│ 46,6
│ 99 │
│1030
│ 48,7 │
m │1086 │ 59,8
│ 98,9 │1142│ 46,3
│ 98,9 │
│1031
│ 48,5 │
m │1087 │ 60,1
│ 98,9 │1143│ 48,5
│ 99,4 │
│1032
│ 49,3 │
31,3 │1088 │ 61,8
│ 48,3 │1144│ 49,9
│ 99,7 │
│1033
│ 49,7 │
45,3 │1089 │ 61,8
│ 55,6 │1145│ 49,1
│ 99,5 │
│1034
│ 48,3 │
44,5 │1090 │ 61,7
│ 59,8 │1146│ 49,1
│ 99,5 │
│1035
│ 49,8 │
61 │1091 │ 62
│ 55,6 │1147│ 51
│ 100 │
│1036
│ 49,4 │
64,3 │1092 │ 62,3
│ 29,6 │1148│ 51,5
│ 99,9 │
│1037
│ 49,8 │
64,4 │1093 │ 62
│ 19,3 │1149│ 50,9
│ 100 │
│1038
│ 50,5 │
65,6 │1094 │ 61,3
│ 7,9 │1150│ 51,6
│ 99,9 │
│1039
│ 50,3 │
64,5 │1095 │ 61,1
│ 19,2 │1151│ 52,1
│ 99,7 │
│1040
│ 51,2 │
82,9 │1096 │ 61,2
│ 43 │1152│ 50,9
│ 100 │
│1041
│ 50,5 │
86 │1097 │ 61,1
│ 59,7 │1153│ 52,2
│ 99,7 │
│1042
│ 50,6 │
89 │1098 │ 61,1
│ 98,8 │1154│ 51,5
│ 98,3 │
│1043
│ 50,4 │
81,4 │1099 │ 61,3
│ 98,8 │1155│ 51,5
│ 47,2 │
│1044
│ 49,9 │
49,9 │1100 │ 61,3
│ 26,6 │1156│ 50,8
│ 78,4 │
│1045
│ 49,1 │
20,1 │1101 │ 60,4
│ m │1157│ 50,3
│ 83 │
Продолжение таблицы
Д.3
┌─────┬─────────┬────────┬─────┬─────────┬────────┬────┬─────────┬────────┐
│Вре-
│Приве- │Приве- │Вре- │Приве- │Приве- │Вре-│Приве- │Приве- │
│мя,
с│денная │денный │мя, с│денная │денный │мя, │денная │денный │
│ │частота │крутящий│ │частота │крутящий│с │частота │крутящий│
│ │вращения,│момент,
│
│вращения,│момент, │
│вращения,│момент, │
│ │% │% │ │% │% │ │% │% │
├─────┼─────────┼────────┼─────┼─────────┼────────┼────┼─────────┼────────┤
│1158
│ 50,3 │
31,7 │1214 │ 56
│ 89,4 │1270│ 59,8
│ 10,3 │
│1159
│ 49,3 │
31,3 │1215 │ 56
│ 93,1 │1271│ 59,9
│ 10 │
│1160
│ 48,8 │
21,5 │1216 │ 56,4
│ 93,1 │1272│ 60,6
│ 6,2 │
│1161
│ 47,8 │
59,4 │1217 │ 56,7
│ 94,4 │1273│ 60,5
│ 7,3 │
│1162
│ 48,1 │
77,1 │1218 │ 56,9
│ 94,8 │1274│ 60,2
│ 14,8 │
│1163
│ 48,4 │
87,6 │1219 │ 57
│ 94,1 │1275│ 60,6
│ 8,2 │
│1164
│ 49,6 │
87,5 │1220 │ 57,7
│ 94,3 │1276│ 60,6
│ 5,5 │
│1165
│ 51 │
81,4 │1221 │ 57,5
│ 93,7 │1277│ 61
│ 14,3 │
│1166
│ 51,6 │
66,7 │1222 │ 58,4
│ 93,2 │1278│ 61
│ 12 │
│1167
│ 53,3 │
63,2 │1223 │ 58,7
│ 93,2 │1279│ 61,3
│ 34,2 │
│1168
│ 55,2 │
62 │1224 │ 58,2
│ 93,7 │1280│ 61,2
│ 17,1 │
│1169
│ 55,7 │
43,9 │1225 │ 58,5
│ 93,1 │1281│ 61,5
│ 15,7 │
│1170
│ 56,4 │
30,7 │1226 │ 58,8
│ 86,2 │1282│ 61
│ 9,5 │
│1171
│ 56,8 │
23,4 │1227 │ 59
│ 72,9 │1283│ 61,1
│ 9,2 │
│1172
│ 57 │
m │1228 │ 58,2
│ 59,9 │1284│ 60,5
│ 4,3 │
│1173
│ 57,6 │
m │1229 │ 57,6
│ 8,5 │1285│ 60,2
│ 7,8 │
│1174
│ 56,9 │
m │1230 │ 57,1
│ 47,6 │1286│ 60,2
│ 5,9 │
│1175
│ 56,4 │
4 │1231 │ 57,2
│ 74,4 │1287│ 60,2
│ 5,3 │
│1176
│ 57 │
23,4 │1232 │ 57
│ 79,1 │1288│ 59,9
│ 4,6 │
│1177
│ 56,4 │
41,7 │1233 │ 56,7
│ 67,2 │1289│ 59,4
│ 21,5 │
│1178
│ 57 │
49,2 │1234 │ 56,8
│ 69,1 │1290│ 59,6
│ 15,8 │
│1179
│ 57,7 │
56,6 │1235 │ 56,9
│ 71,3 │1291│ 59,3
│ 10,1 │
│1180
│ 58,6 │
56,6 │1236 │ 57
│ 77,3 │1292│ 58,9
│ 9,4 │
│1181
│ 58,9 │
64 │1237 │ 57,4
│ 78,2 │1293│ 58,8 │
9 │
│1182
│ 59,4 │
68,2 │1238 │ 57,3
│ 70,6 │1294│ 58,9
│ 35,4 │
│1183
│ 58,8 │
71,4 │1239 │ 57,7
│ 64 │1295│ 58,9
│ 30,7 │
│1184
│ 60,1 │
71,3 │1240 │ 57,5
│ 55,6 │1296│ 58,9
│ 25,9 │
│1185
│ 60,6 │
79,1 │1241 │ 58,6
│ 49,6 │1297│ 58,7
│ 22,9 │
│1186
│ 60,7 │
83,3 │1242 │ 58,2
│ 41,1 │1298│ 58,7
│ 24,4 │
│1187
│ 60,7 │
77,1 │1243 │ 58,8
│ 40,6 │1299│ 59,3
│ 61 │
│1188
│ 60 │
73,5 │1244 │ 58,3
│ 21,1 │1300│ 60,1
│ 56 │
│1189
│ 60,2 │
55,5 │1245 │ 58,7
│ 24,9 │1301│ 60,5
│ 50,6 │
│1190
│ 59,7 │
54,4 │1246 │ 59,1
│ 24,8 │1302│ 59,5
│ 16,2 │
│1191
│ 59,8 │
73,3 │1247 │ 58,6
│ m │1303│ 59,7
│ 50 │
│1192
│ 59,8 │
77,9 │1248 │ 58,8
│ m │1304│ 59,7
│ 31,4 │
│1193
│ 59,8 │
73,9 │1249 │ 58,8
│ m │1305│ 60,1
│ 43,1 │
│1194
│ 60 │
76,5 │1250 │ 58,7
│ m │1306│ 60,8
│ 38,4 │
│1195
│ 59,5 │
82,3 │1251 │ 59,1
│ m │1307│ 60,9
│ 40,2 │
│1196
│ 59,9 │
82,8 │1252 │ 59,1
│ m │1308│ 61,3
│ 49,7 │
│1197
│ 59,8 │
65,8 │1253 │ 59,4
│ m │1309│ 61,8
│ 45,9 │
│1198
│ 59 │
48,6 │1254 │ 60,6
│ 2,6 │1310│ 62
│ 45,9 │
│1199
│ 58,9 │
62,2 │1255 │ 59,6
│ m │1311│ 62,2
│ 45,8 │
│1200
│ 59,1 │
70,4 │1256 │ 60,1
│ m │1312│ 62,6
│ 46,8 │
│1201
│ 58,9 │
62,1 │1257 │ 60,6
│ m │1313│ 62,7
│ 44,3 │
│1202
│ 58,4 │
67,4 │1258 │ 59,6
│ 4,1 │1314│ 62,9
│ 44,4 │
│1203
│ 58,7 │
58,9 │1259 │ 60,7
│ 7,1 │1315│ 63,1
│ 43,7 │
│1204
│ 58,3 │
57,7 │1260 │ 60,5
│ m │1316│ 63,5
│ 46,1 │
│1205
│ 57,5 │
57,8 │1261 │ 59,7
│ m │1317│ 63,6
│ 40,7 │
│1206
│ 57,2 │
57,6 │1262 │ 59,6
│ m │1318│ 64,3
│ 49,5 │
│1207
│ 57,1 │
42,6 │1263 │ 59,8
│ m │1319│ 63,7
│ 27 │
│1208
│ 57 │
70,1 │1264 │ 59,6
│ 4,9 │1320│ 63,8
│ 15 │
│1209
│ 56,4 │
59,6 │1265 │ 60,1
│ 5,9 │1321│ 63,6
│ 18,7 │
│1210
│ 56,7 │
39 │1266 │ 59,9
│ 6,1 │1322│ 63,4
│ 8,4 │
│1211
│ 55,9 │
68,1 │1267 │ 59,7
│ m │1323│ 63,2
│ 8,7 │
│1212
│ 56,3 │
79,1 │1268 │ 59,6
│ m │1324│ 63,3
│ 21,6 │
│1213
│ 56,7 │
89,7 │1269 │ 59,7
│ 22 │1325│ 62,9
│ 19,7 │
Продолжение таблицы
Д.3
┌─────┬─────────┬────────┬─────┬─────────┬────────┬────┬─────────┬────────┐
│Вре-
│Приве- │Приве- │Вре- │Приве- │Приве- │Вре-│Приве- │Приве- │
│мя,
с│денная │денный │мя, с│денная │денный │мя, │денная │денный │
│ │частота │крутящий│ │частота │крутящий│с │частота │крутящий│
│ │вращения,│момент,
│ │вращения,│момент,
│ │вращения,│момент,
│
│ │% │% │ │% │% │ │% │% │
├─────┼─────────┼────────┼─────┼─────────┼────────┼────┼─────────┼────────┤
│1326
│ 63 │
22,1 │1382 │ 59,4
│ 13,1 │1438│ 61,9
│ 17,2 │
│1327
│ 63,1 │
20,3 │1383 │ 59,7
│ 22,3 │1439│ 61,5
│ 6,1 │
│1328
│ 61,8 │
19,1 │1384 │ 60,7
│ 10,5 │1440│ 61
│ 9,9 │
│1329
│ 61,6 │
17,1 │1385 │ 59,8
│ 9,8 │1441│ 60,9
│ 4,8 │
│1330
│ 61 │
0 │1386 │ 60,2
│ 8,8 │1442│ 60,6
│ 11,1 │
│1331
│ 61,2 │
22 │1387 │ 59,9
│ 8,7 │1443│ 60,3
│ 6,9 │
│1332
│ 60,8 │
40,3 │1388 │ 61
│ 9,1 │1444│ 60,8
│ 7 │
│1333
│ 61,1 │
34,3 │1389 │ 60,6
│ 28,2 │1445│ 60,2
│ 9,2 │
│1334
│ 60,7 │
16,1 │1390 │ 60,6
│ 22 │1446│ 60,5
│ 21,7 │
│1335
│ 60,6 │
16,6 │1391 │ 59,6
│ 23,2 │1447│ 60,2
│ 22,4 │
│1336
│ 60,5 │
18,5 │1392 │ 59,6
│ 19 │1448│ 60,7
│ 31,6 │
│1337
│ 60,6 │
29,8 │1393 │ 60,6
│ 38,4 │1449│ 60,9
│ 28,9 │
│1338
│ 60,9 │
19,5 │1394 │ 59,8
│ 41,6 │1450│ 59,6
│ 21,7 │
│1339
│ 60,9 │
22,3 │1395 │ 60
│ 47,3 │1451│ 60,2
│ 18 │
│1340
│ 61,4 │
35,8 │1396 │ 60,5
│ 55,4 │1452│ 59,5
│ 16,7 │
│1341
│ 61,3 │
42,9 │1397 │ 60,9
│ 58,7 │1453│ 59,8
│ 15,7 │
│1342
│ 61,5 │
31 │1398 │ 61,3
│ 37,9 │1454│ 59,6
│ 15,7 │
│1343
│ 61,3 │
19,2 │1399 │ 61,2
│ 38,3 │1455│ 59,3
│ 15,7 │
│1344
│ 61 │
9,3 │1400 │ 61,4
│ 58,7 │1456│ 59
│ 7,5 │
│1345
│ 60,8 │
44,2 │1401 │ 61,3
│ 51,3 │1457│ 58,8
│ 7,1 │
│1346
│ 60,9 │
55,3 │1402 │ 61,4
│ 71,1 │1458│ 58,7
│ 16,5 │
│1347
│ 61,2 │
56 │1403 │ 61,1
│ 51 │1459│ 59,2
│ 50,7 │
│1348
│ 60,9 │
60,1 │1404 │ 61,5
│ 56,6 │1460│ 59,7
│ 60,2 │
│1349
│ 60,7 │
59,1 │1405 │ 61
│ 60,6 │1461│ 60,4
│ 44 │
│1350
│ 60,9 │
56,8 │1406 │ 61,1
│ 75,4 │1462│ 60,2
│ 35,3 │
│1351
│ 60,7 │
58,1 │1407 │ 61,4
│ 69,4 │1463│ 60,4
│ 17,1 │
│1352
│ 59,6 │
78,4 │1408 │ 61,6
│ 69,9 │1464│ 59,9
│ 13,5 │
│1353
│ 59,6 │
84,6 │1409 │ 61,7
│ 59,6 │1465│ 59,9 │ 12,8
│
│1354
│ 59,4 │
66,6 │1410 │ 61,8
│ 54,8 │1466│ 59,6
│ 14,8 │
│1355
│ 59,3 │
75,5 │1411 │ 61,6
│ 53,6 │1467│ 59,4
│ 15,9 │
│1356
│ 58,9 │
49,6 │1412 │ 61,3
│ 53,5 │1468│ 59,4
│ 22 │
│1357
│ 59,1 │
75,8 │1413 │ 61,3
│ 52,9 │1469│ 60,4
│ 38,4 │
│1358
│ 59 │
77,6 │1414 │ 61,2
│ 54,1 │1470│ 59,5
│ 38,8 │
│1359
│ 59 │
67,8 │1415 │ 61,3
│ 53,2 │1471│ 59,3
│ 31,9 │
│1360
│ 59 │
56,7 │1416 │ 61,2
│ 52,2 │1472│ 60,9
│ 40,8 │
│1361
│ 58,8 │
54,2 │1417 │ 61,2
│ 52,3 │1473│ 60,7
│ 39 │
│1362
│ 58,9 │
59,6 │1418 │ 61
│ 48 │1474│ 60,9
│ 30,1 │
│1363
│ 58,9 │
60,8 │1419 │ 60,9
│ 41,5 │1475│ 61
│ 29,3 │
│1364
│ 59,3 │
56,1 │1420 │ 61
│ 32,2 │1476│ 60,6
│ 28,4 │
│1365
│ 58,9 │
48,5 │1421 │ 60,7
│ 22 │1477│ 60,9
│ 36,3 │
│1366
│ 59,3 │
42,9 │1422 │ 60,7
│ 23,3 │1478│ 60,8
│ 30,5 │
│1367
│ 59,4 │
41,4 │1423 │ 60,8
│ 38,8 │1479│ 60,7
│ 26,7 │
│1368
│ 59,6 │
38,9 │1424 │ 61
│ 40,7 │1480│ 60,1
│ 4,7 │
│1369
│ 59,4 │
32,9 │1425 │ 61
│ 30,6 │1481│ 59,9
│ 0 │
│1370
│ 59,3 │
30,6 │1426 │ 61,3
│ 62,6 │1482│ 60,4
│ 36,2 │
│1371
│ 59,4 │
30 │1427 │ 61,7
│ 55,9 │1483│ 60,7
│ 32,5 │
│1372
│ 59,4 │
25,3 │1428 │ 62,3
│ 43,4 │1484│ 59,9
│ 3,1 │
│1373
│ 58,8 │
18,6 │1429 │ 62,3
│ 37,4 │1485│ 59,7
│ m │
│1374
│ 59,1 │
18 │1430 │ 62,3
│ 35,7 │1486│ 59,5
│ m │
│1375
│ 58,5 │
10,6 │1431 │ 62,8
│ 34,4 │1487│ 59,2
│ m │
│1376
│ 58,8 │
10,5 │1432 │ 62,8
│ 31,5 │1488│ 58,8
│ 0,6 │
│1377
│ 58,5 │
8,2 │1433 │ 62,9
│ 31,7 │1489│ 58,7
│ m │
│1378
│ 58,7 │
13,7 │1434 │ 62,9
│ 29,9 │1490│ 58,7
│ m │
│1379
│ 59,1 │
7,8 │1435 │ 62,8
│ 29,4 │1491│ 57,9
│ m │
│1380
│ 59,1 │
6 │1436 │ 62,7
│ 28,7 │1492│ 58,2
│ m │
│1381
│ 59,1 │
6 │1437 │ 61,5
│ 14,7 │1493│ 57,6
│ m │
Продолжение таблицы
Д.3
┌─────┬─────────┬────────┬─────┬─────────┬────────┬────┬─────────┬────────┐
│Вре-
│Приве- │Приве- │Вре- │Приве- │Приве- │Вре-│Приве- │Приве-
│
│мя,
с│денная │денный │мя, с│денная │денный │мя, │денная │денный │
│ │частота │крутящий│ │частота │крутящий│с │частота │крутящий│
│ │вращения,│момент,
│
│вращения,│момент, │
│вращения,│момент, │
│ │% │%
│ │% │% │ │% │% │
├─────┼─────────┼────────┼─────┼─────────┼────────┼────┼─────────┼────────┤
│1494
│ 58,3 │
9,5 │1550 │ 57,4
│ m │1606│ 60,9
│ 19,6 │
│1495
│ 57,2 │
6 │1551 │ 57,1
│ 1,1 │1607│ 60,1
│ 34,3 │
│1496
│ 57,4 │
27,3 │1552 │ 57,1
│ 0 │1608│ 59,9
│ 27 │
│1497
│ 58,3 │
59,9 │1553 │ 57
│ 4,5 │1609│ 60,8
│ 25,6 │
│1498
│ 58,3 │
7,3 │1554 │ 57,1
│ 3,7 │1610│ 60,6
│ 26,3 │
│1499
│ 58,8 │
21,7 │1555 │ 57,3
│ 3,3 │1611│ 60,9
│ 26,1 │
│1500
│ 58,8 │
38,9 │1556 │ 57,3
│ 16,8 │1612│ 61,1
│ 38 │
│1501
│ 59,4 │
26,2 │1557 │ 58,2
│ 29,3 │1613│ 61,2
│ 31,6 │
│1502
│ 59,1 │
25,5 │1558 │ 58,7
│ 12,5 │1614│ 61,4
│ 30,6 │
│1503
│ 59,1 │
26 │1559 │ 58,3
│ 12,2 │1615│ 61,7
│ 29,6 │
│1504
│ 59 │
39,1 │1560 │ 58,6
│ 12,7 │1616│ 61,5
│ 28,8 │
│1505
│ 59,5 │
52,3 │1561 │ 59
│ 13,6 │1617│ 61,7
│ 27,8 │
│1506
│ 59,4 │
31 │1562 │ 59,8
│ 21,9 │1618│ 62,2
│ 20,3 │
│1507
│ 59,4 │
27 │1563 │ 59,3
│ 20,9 │1619│ 61,4
│ 19,6 │
│1508
│ 59,4 │
29,8 │1564 │ 59,7
│ 19,2 │1620│ 61,8
│ 19,7 │
│1509
│ 59,4 │
23,1 │1565 │ 60,1
│ 15,9 │1621│ 61,8
│ 18,7 │
│1510
│ 58,9 │
16 │1566 │ 60,7
│ 16,7 │1622│ 61,6
│ 17,7 │
│1511
│ 59 │
31,5 │1567 │ 60,7
│ 18,1 │1623│ 61,7
│ 8,7 │
│1512
│ 58,8 │
25,9 │1568 │ 60,7
│ 40,6 │1624│ 61,7
│ 1,4 │
│1513
│ 58,9 │
40,2 │1569 │ 60,7
│ 59,7 │1625│ 61,7
│ 5,9 │
│1514
│ 58,8 │
28,4 │1570 │ 61,1
│ 66,8 │1626│ 61,2
│ 8,1 │
│1515
│ 58,9 │
38,9 │1571 │ 61,1
│ 58,8 │1627│ 61,9
│ 45,8 │
│1516
│ 59,1 │
35,3 │1572 │ 60,8
│ 64,7 │1628│ 61,4
│ 31,5 │
│1517
│ 58,8 │
30,3 │1573 │ 60,1
│ 63,6 │1629│ 61,7
│ 22,3 │
│1518
│ 59 │
19 │1574 │ 60,7
│ 83,2 │1630│ 62,4
│ 21,7 │
│1519
│ 58,7 │
3 │1575 │ 60,4
│ 82,2 │1631│ 62,8
│ 21,9 │
│1520
│ 57,9 │
0 │1576 │ 60
│ 80,5 │1632│ 62,2
│ 22,2 │
│1521
│ 58 │
2,4 │1577 │ 59,9
│ 78,7 │1633│ 62,5
│ 31 │
│1522
│ 57,1 │
m │1578 │ 60,8 │
67,9 │1634│ 62,3
│ 31,3 │
│1523
│ 56,7 │
m │1579 │ 60,4
│ 57,7 │1635│ 62,6
│ 31,7 │
│1524
│ 56,7 │
5,3 │1580 │ 60,2
│ 60,6 │1636│ 62,3
│ 22,8 │
│1525
│ 56,6 │
2,1 │1581 │ 59,6
│ 72,7 │1637│ 62,7
│ 12,6 │
│1526
│ 56,8 │
m │1582 │ 59,9
│ 73,6 │1638│ 62,2
│ 15,2 │
│1527
│ 56,3 │
m │1583 │ 59,8
│ 74,1 │1639│ 61,9
│ 32,6 │
│1528
│ 56,3 │
m │1584 │ 59,6
│ 84,6 │1640│ 62,5
│ 23,1 │
│1529
│ 56 │
m │1585 │ 59,4
│ 76,1 │1641│ 61,7
│ 19,4 │
│1530
│ 56,7 │
m │1586 │ 60,1
│ 76,9 │1642│ 61,7
│ 10,8 │
│1531
│ 56,6 │
3,8 │1587 │ 59,5
│ 84,6 │1643│ 61,6
│ 10,2 │
│1532
│ 56,9 │
m │1588 │ 59,8
│ 77,5 │1644│ 61,4
│ m │
│1533
│ 56,9 │
m │1589 │ 60,6
│ 67,9 │1645│ 60,8
│ m │
│1534
│ 57,4 │
m │1590 │ 59,3
│ 47,3 │1646│ 60,7
│ m │
│1535
│ 57,4 │
m │1591 │ 59,3
│ 43,1 │1647│ 61
│ 12,4 │
│1536
│ 58,3 │
13,9 │1592 │ 59,4
│ 38,3 │1648│ 60,4
│ 5,3 │
│1537
│ 58,5 │
m │1593 │ 58,7
│ 38,2 │1649│ 61
│ 13,1 │
│1538
│ 59,1 │
m │1594 │ 58,8
│ 39,2 │1650│ 60,7
│ 29,6 │
│1539
│ 59,4 │
m │1595 │ 59,1
│ 67,9 │1651│ 60,5
│ 28,9 │
│1540
│ 59,6 │
m │1596 │ 59,7
│ 60,5 │1652│ 60,8
│ 27,1 │
│1541
│ 59,5 │
m │1597 │ 59,5
│ 32,9 │1653│ 61,2
│ 27,3 │
│1542
│ 59,6 │
0,5 │1598 │ 59,6
│ 20 │1654│ 60,9
│ 20,6 │
│1543
│ 59,3 │
9,2 │1599 │ 59,6
│ 34,4 │1655│ 61,1
│ 13,9 │
│1544
│ 59,4 │
11,2 │1600 │ 59,4
│ 23,9 │1656│ 60,7
│ 13,4 │
│1545
│ 59,1 │
26,8 │1601 │ 59,6
│ 15,7 │1657│ 61,3
│ 26,1 │
│1546
│ 59 │
11,7 │1602 │ 59,9
│ 41 │1658│ 60,9
│ 23,7 │
│1547
│ 58,8 │
6,4 │1603 │ 60,5
│ 26,3 │1659│ 61,4
│ 32,1 │
│1548
│ 58,7 │
5 │1604 │ 59,6
│ 14 │1660│ 61,7
│ 33,5 │
│1549
│ 57,5 │
m │1605 │ 59,7
│ 21,2 │1661│ 61,8
│ 34,1 │
Окончание таблицы
Д.3
┌─────┬─────────┬────────┬─────┬─────────┬────────┬────┬─────────┬────────┐
│Вре-
│Приве- │Приве- │Вре- │Приве- │Приве- │Вре-│Приве- │Приве- │
│мя,
с│денная │денный │мя, с│денная │денный
│мя, │денная
│денный │
│ │частота │крутящий│ │частота │крутящий│с │частота │крутящий│
│ │вращения,│момент,
│
│вращения,│момент, │
│вращения,│момент, │
│ │% │% │ │% │% │ │% │% │
├─────┼─────────┼────────┼─────┼─────────┼────────┼────┼─────────┼────────┤
│1662
│ 61,7 │
17 │1709 │ 59,6
│ 13,8 │1756│ 58,8
│ 11,8 │
│1663
│ 61,7 │
2,5 │1710 │ 59,5
│ 13,9 │1757│ 58,3
│ 8,1 │
│1664
│ 61,5 │
5,9 │1711 │ 60,1
│ 18,9 │1758│ 58,3
│ 5,5 │
│1665
│ 61,3 │
14,9 │1712 │ 59,4
│ 13,1 │1759│ 59
│ 4,1 │
│1166
│ 61,5 │
17,2 │1713 │ 59,8
│ 5,4 │1760│ 58,2
│ 4,9 │
│1667
│ 61,1 │
m │1714 │ 59,9
│ 2,9 │1761│ 57,9
│ 10,1 │
│1668
│ 61,4 │
m │1715 │ 60,1
│ 7,1 │1762│ 58,5
│ 7,5 │
│1669
│ 61,4 │
8,8 │1716 │ 59,6
│ 12 │1763│ 57,4
│ 7 │
│1670
│ 61,3 │
8,8 │1717 │ 59,6
│ 4,9 │1764│ 58,2
│ 6,7 │
│1671
│ 61 │
18 │1718 │ 59,4
│ 22,7 │1765│ 58,2
│ 6,6 │
│1672
│ 61,5 │
13 │1719 │ 59,6
│ 22 │1766│ 57,3
│ 17,3 │
│1673
│ 61 │
3,7 │1720 │ 60,1
│ 17,4 │1767│ 58
│ 11,4 │
│1674
│ 60,9 │
3,1 │1721 │ 60,2
│ 16,6 │1768│ 57,5
│ 47,4 │
│1675
│ 60,9 │
4,7 │1722 │ 59,4
│ 28,6 │1769│ 57,4
│ 28,8 │
│1676
│ 60,6 │
4,1 │1723 │ 60,3
│ 22,4 │1770│ 58,8
│ 24,3 │
│1677
│ 60,6 │
6,7 │1724 │ 59,9
│ 20 │1771│ 57,7
│ 25,5 │
│1678
│ 60,6 │
12,8 │1725 │ 60,2
│ 18,6 │1772│ 58,4
│ 35,5 │
│1679
│ 60,7 │
11,9 │1726 │ 60,3
│ 11,9 │1773│ 58,4
│ 29,3 │
│1680
│ 60,6 │
12,4 │1727 │ 60,4
│ 11,6 │1774│ 59
│ 33,8 │
│1681
│ 60,1 │
12,4 │1728 │ 60,6
│ 10,6 │1775│ 59
│ 18,7 │
│1682
│ 60,5 │
12 │1729 │ 60,8
│ 16 │1776│ 58,8
│ 9,8 │
│1683
│ 60,4 │
11,8 │1730 │ 60,9
│ 17 │1777│ 58,8
│ 23,9 │
│1684
│ 59,9 │
12,4 │1731 │ 60,9
│ 16,1 │1778│ 59,1
│ 48,2 │
│1685
│ 59,6 │
12,4 │1732 │ 60,7
│ 11,4 │1779│ 59,4
│ 37,2 │
│1686
│ 59,6 │
9,1 │1733 │ 60,9
│ 11,3 │1780│ 59,6
│ 29,1 │
│1687
│ 59,9 │
0 │1734 │ 61,1
│ 11,2 │1781│ 50 │
25 │
│1688
│ 59,9 │
20,4 │1735 │ 61,1
│ 25,6 │1782│ 40
│ 20 │
│1689
│ 59,8 │
4,4 │1736 │ 61
│ 14,6 │1783│ 30
│ 15 │
│1690
│ 59,4 │
3,1 │1737 │ 61
│ 10,4 │1784│ 20
│ 10 │
│1691
│ 59,5 │
26,3 │1738 │ 60,6
│ m │1785│ 10
│ 5 │
│1692
│ 59,6 │
20,1 │1739 │ 60,9
│ m │1786│ 0
│ 0 │
│1693
│ 59,4 │
35 │1740 │ 60,8
│ 4,8 │1787│ 0
│ 0 │
│1694
│ 60,9 │
22,1 │1741 │ 59,9
│ m │1788│ 0
│ 0 │
│1695
│ 60,5 │
12,2 │1742 │ 59,8
│ m │1789│ 0
│ 0 │
│1696
│ 60,1 │
11 │1743 │ 59,1
│ m │1790│ 0
│ 0 │
│1697
│ 60,1 │
8,2 │1744 │ 58,8
│ m │1791│ 0
│ 0 │
│1698
│ 60,5 │
6,7 │1745 │ 58,8
│ m │1792│ 0
│ 0 │
│1699
│ 60 │
5,1 │1746 │ 58,2
│ m │1793│ 0
│ 0 │
│1700
│ 60 │
5,1 │1747 │ 58,5
│ 14,3 │1794│ 0
│ 0 │
│1701
│ 60 │
9 │1748 │ 57,5
│ 4,4 │1795│ 0
│ 0 │
│1702
│ 60,1 │
5,7 │1749 │ 57,9
│ 0 │1796│ 0
│ 0 │
│1703
│ 59,9 │
8,5 │1750 │ 57,8
│ 20,9 │1797│ 0
│ 0 │
│1704
│ 59,4 │
6 │1751 │ 58,3
│ 9,2 │1798│ 0
│ 0 │
│1705
│ 59,5 │
5,5 │1752 │ 57,8
│ 8,2 │1799│ 0
│ 0 │
│1706
│ 59,5 │
14,2 │1753 │ 57,5
│ 15,3 │1800│ 0
│ 0 │
│1707
│ 59,5 │
6,2 │1754 │ 58,4
│ 38 │
│ │ │
│1708
│ 59,4 │
10,3 │1755 │ 58,1
│ 15,4 │
│ │ │
├─────┴─────────┴────────┴─────┴─────────┴────────┴────┴─────────┴────────┤
│ Примечание. m - прокручивание двигателя на
динамометрическом стенде. │
└─────────────────────────────────────────────────────────────────────────┘
Графическое
изображение режима работы двигателя, задаваемого на динамометрическом стенде в
испытательном цикле ETC, приведено на рисунке Д.3

Рисунок Д.3.
Динамометрический график испытания ETC
Дополнение
4
(к Приложению Д)
ПРОЦЕДУРЫ
ИЗМЕРЕНИЙ И ОТБОРА ПРОБ
1. Введение
Концентрации
газообразных вредных веществ и вредных частиц, присутствующих в выбросах
двигателей, представленных на испытания, а также дымность этих выбросов должны
быть измерены методами, описанными в дополнении 6 к Приложению Д.
Соответствующие разделы дополнения 6 к Приложению Д описывают рекомендуемые
аналитические системы для выбросов вредных газообразных веществ (раздел 1),
рекомендуемые системы разбавления и отбора проб для вредных частиц (раздел 2) и
рекомендуемые дымомеры для измерения дымности (раздел 3).
В испытании ESC
газообразные компоненты следует определять в неразбавленных отработавших газах.
Допускается также определять эти компоненты в разбавленных отработавших газах
при условии, что для определения вредных частиц должна быть использована
система с полным разбавлением потока.
В испытании ETC для
определения газообразных компонентов и вредных частиц должна быть использована
только система с полным разбавлением потока, которую считают основной системой.
Однако допускается утверждение &органом по сертификации& систем с
частичным разбавлением потока, если их критерии эквивалентны приведенным в 5.2
настоящего стандарта и если в &орган по сертификации& представлены
подробные описания процедур оценки данных и расчета.
2. Динамометр и
испытательный стенд
2.1. Динамометр для
двигателя
Динамометр для
двигателя должен иметь характеристики, обеспечивающие выполнение испытательных
циклов, описанных в дополнениях 1 и 2 к Приложению Д. Система измерения частоты
вращения должна обеспечивать точность считывания показаний с погрешностью не
более +/- 2%. Система измерения крутящего момента должна обеспечивать точность
считывания показаний с погрешностью не более +/- 3% в диапазоне, охватывающем
более 20% полной шкалы.
2.2. Измерительная
аппаратура (кроме динамометра для двигателя)
Если потребуется,
должна быть использована измерительная аппаратура для определения расхода
топлива, расхода воздуха, температуры охлаждающей субстанции и смазки,
противодавления отработавших газов, разрежения в системе впуска, температуры
отработавших газов, температуры воздуха на впуске, атмосферного давления,
влажности, температуры топлива. Эта аппаратура должна удовлетворять
требованиям, указанным в таблице Д.4.
Таблица Д.4
Точность
измерительной аппаратуры
|
Измеряемый параметр (свойство)
|
Допускаемая погрешность, не более
|
|
Расход
топлива
|
+/-
2% максимального значения
|
|
Расход
воздуха
|
+/-
2% максимального значения
|
|
Температура
не более 600 К (327 °C)
|
+/-
2 К (в абсолютных величинах)
|
|
Температура
более 600 К (327 °C)
|
+/-
1% считываемых показаний
|
|
Атмосферное
давление
|
+/-
0,1 кПа (в абсолютных величинах)
|
|
Противодавление
отработавших газов
|
+/-
0,2 кПа (в абсолютных величинах)
|
|
Разрежение
во впускном тракте
|
+/-
0,05 кПа (в абсолютных величинах)
|
|
Давление
в других случаях
|
+/-
0,1 кПа (в абсолютных величинах)
|
|
Относительная
влажность
|
+/-
3% (в абсолютных величинах)
|
|
Абсолютная
влажность
|
+/-
5% считываемых показаний
|
2.3. Расход
отработавших газов
Для расчета
концентраций вредных веществ, содержащихся в неразбавленных отработавших газах,
требуется определить расход отработавших газов (см. 4.4 дополнения 1 к
Приложению Д). Для определения расхода отработавших газов применяют любой из
следующих методов:
- прямое измерение
расхода отработавших газов с помощью мерного сопла или эквивалентной
измерительной системы;
- измерение расхода
воздуха и расхода топлива соответствующими измерительными системами и
последующий расчет расхода отработавших газов по формуле
(для
массы отработавших газов во влажном состоянии).
Погрешность
результатов определения расхода отработавших газов не должна превышать +/- 2,5%
считываемых показаний.
2.4. Расход
разбавленных отработавших газов
Прежде чем
рассчитать концентрации вредных веществ, содержащихся в разбавленных
отработавших газах при использовании полного разбавления потока отработавших
газов (обязательного для испытания ETC), следует определить расход разбавленных
отработавших газов (см. 4.3 дополнения 2 к Приложению Д). Суммарный массовый
расход разбавленных отработавших газов
или суммарную массу разбавленных отработавших
газов за цикл
измеряют с помощью PDP или CFV (см. 2.3.1
дополнения 6 к Приложению Д). Погрешность измерений не должна превышать +/- 2%
считываемых показаний. Она должна быть определена в соответствии с 2.4
дополнения 5 к Приложению Д.
3.
Определение газообразных компонентов
3.1. Общие
требования к анализаторам
Анализаторы должны
иметь диапазон измерений, соответствующий точности, требуемой для измерения
концентраций компонентов, входящих в отработавшие газы (см. 3.1.1 настоящего
дополнения). Рекомендуется использовать анализаторы таким образом, чтобы
измеряемые концентрации располагались в диапазоне 15% - 100% полной шкалы.
Если считывающие
системы (компьютеры, регистраторы показаний) способны обеспечивать достаточную
точность и разрешение в диапазоне ниже 15% полной шкалы, результаты измерений в
этом диапазоне также считают приемлемыми. В этом случае проводят измерения в
отдельных точках для обеспечения точности калибровочных кривых в соответствии с
1.5.5.2 дополнения 5 к Приложению Д.
Электромагнитная
совместимость (ЭМС) оборудования должна находиться на уровне, сводящем к
минимуму дополнительные погрешности.
3.1.1.
Погрешность измерения
Суммарная
погрешность измерения, включая чувствительность к присутствию других газов (см.
1.9 дополнения 5 к Приложению Д), не должна превышать +/- 5% считываемых
показаний или +/- 3,5% полной шкалы в зависимости от того, какое значение
меньше. Для концентраций менее
погрешность измерений не должна превышать
.
3.1.2.
Воспроизводимость
Воспроизводимость,
определяемая как увеличенное в 2,5 раза среднеквадратичное отклонение 10
повторений реакции на данный калибровочный или поверочный газ, не должна
превышать +/- 1% верхнего значения концентрации по полной шкале для любого
диапазона концентраций свыше
(или
C) и +/- 2% для любого диапазона ниже
(или
C).
3.1.3. Помехи
Чувствительность
анализатора по полному размаху показаний к нулевому, поверочному или
калибровочному газу в течение любого 10-секундного периода не должна превышать
2% полной шкалы во всех используемых диапазонах измерений.
3.1.4. Дрейф нуля
Дрейф нуля в
течение 1 ч не должен превышать 2% полной шкалы в самом нижнем из используемых
диапазонов измерений. Чувствительность к нулю определяют как среднюю
чувствительность, включая помехи, к нулевому газу в течение 30-секундного
отрезка времени.
3.1.5. Дрейф
калибровки
Дрейф калибровки в
течение 1 ч не должен превышать 2% полной шкалы в самом нижнем из используемых
диапазонов измерений. Дрейф калибровки определяют как разность между
чувствительностью к калибровке и чувствительностью к нулю. Чувствительность к
калибровке определяют как среднюю чувствительность с учетом помех к
калибровочному газу в течение 30 с.
3.2. Сушка газа
Факультативное
устройство для сушки газа должно оказывать минимальное влияние на концентрацию
измеряемых газов. Химические осушители не являются приемлемыми средствами
удаления воды из пробы.
3.3. Анализаторы
В 3.3.1 - 3.3.4
настоящего дополнения описаны принципы приемлемых методов измерений. Подробное
описание систем измерения приведено в дополнении 6 к Приложению Д. Газы,
подлежащие измерению, необходимо измерять с помощью перечисленного ниже
инструментария. Для нелинейных анализаторов допускается применение
линеаризующих схем.
3.3.1. Определение
оксида углерода (CO)
Анализатор оксида
углерода должен быть недисперсионного инфракрасного (NDIR) абсорбционного типа.
3.3.2. Определение
диоксида углерода

Анализатор диоксида
углерода должен быть недисперсионного инфракрасного (NDIR) абсорбционного типа.
3.3.3.
Определение углеводородов (HC)
Для дизельных
двигателей и газовых двигателей, работающих на СНГ, анализатор углеводородов
должен быть типа "нагреваемый плазменно-ионизационный детектор"
(HFID) с детектором, клапанами, трубами и т.п., нагреваемыми так, чтобы
обеспечить температуру газа 463 К +/- 10 К (190 °C +/- 10 °C). Для газовых
двигателей, работающих на ПГ, в качестве анализатора углеводородов может быть использован
ненагреваемый плазменно-ионизационный детектор (FID) в зависимости от
используемого метода (см. 1.3 дополнения 6 к Приложению Д).
3.3.4.
Определение концентрации углеводородов, не содержащих метан (NMHC), - (только
для двигателей, работающих на ПГ)
Концентрацию
углеводородов, не содержащих метан, определяют одним из следующих методов:
3.3.4.1. Метод
газовой хроматографии (GC)
Концентрацию
углеводородов, не содержащих метан, определяют вычитанием концентрации метана,
выявленного с помощью газового хроматографа (GC) при температуре 423 К (150
°C), из концентрации углеводородов, измеренных в соответствии с 3.3.3
настоящего дополнения.
3.3.4.2. Метод,
использующий отделитель фракций, не содержащих метан (NMC)
Определение фракции
углеводородов, не содержащих метан, выполняют с помощью прогретого NMC,
работающего последовательно с FID (см. 3.3.3 настоящего дополнения), путем
вычитания фракции метана из фракции углеводородов.
3.3.5.
Определение оксидов азота
Анализатор оксидов
азота должен быть типа "хемилюминесцентный детектор" (CLD) или
"нагреваемый хемилюминесцентный детектор" (HCLD) с конвертором
, если
измерение проводят на основе осушенного газа. Если измерение проводят на основе
влажного газа, то необходимо использовать HCLD с конвертором при температуре,
поддерживаемой на уровне свыше 328 К (55 °C), и при условии осуществления
удовлетворительного контроля удаляемой воды (см. 1.9.2.2 дополнения 5 к
Приложению Д).
3.4. Отбор
проб выбросов вредных газообразных веществ
3.4.1.
Неразбавленные отработавшие газы (только для испытания ESC)
Диаметр
пробоотборников для выбросов вредных газообразных веществ должен составлять не
менее 0,5 м или быть не менее чем в 3 раза больше диаметра выпускной трубы (в
зависимости от того, какое значение больше). Пробоотборники должны быть
максимально (в допустимых пределах) удалены от двигателя и, в то же время,
достаточно близки к нему, чтобы обеспечить температуру отработавших газов в
пробоотборнике не менее 343 К (70 °C).
В случае
многоцилиндрового двигателя с разветвленными выпускными патрубками вход в
пробоотборник должен быть расположен на достаточном удалении по потоку, чтобы
обеспечить репрезентативность отобранных проб по отношению к усредненным
выбросам вредных газообразных веществ по всем цилиндрам. В многоцилиндровых
двигателях, таких как V-образные двигатели, имеющих разнесенные группы
патрубков, допускается отбирать пробы из каждой группы патрубков отдельно и
рассчитывать усредненные значения выбросов вредных веществ в отработавших
газах. Допустимо также использовать и другие методы, если продемонстрировано,
что они коррелируются с методами, упомянутыми выше. Для расчета содержания
вредных веществ в отработавших газах необходимо использовать суммарный массовый
расход отработавших газов.
Если двигатель
укомплектован системой дополнительной обработки отработавших газов, пробу
отработавших газов следует отбирать на выходе из этой системы.
3.4.2.
Разбавленные отработавшие газы (обязательно для испытания ETC, факультативно
для испытания ESC)
Выпускная труба
между двигателем и системой полного разбавления потока отработавших газов
должна соответствовать требованиям 2.3.1 (компонент EP) дополнения 6 к
Приложению Д.
Пробоотборник(и)
для выбросов вредных газообразных веществ должен(ны) быть установлен(ны) в
разбавляющем туннеле в точке, где обеспечивается удовлетворительное смешивание
разбавляющего воздуха и отработавших газов.
Для испытания ETC
пробы, в основном, отбирают двумя способами:
- в мешок для
отбора проб в течение всего цикла и проводят измерения после завершения
испытания;
- непрерывно и
интегрируют в течение всего цикла; этот способ обязателен для определения HC и
.
4.
Определение вредных частиц
Для определения
вредных частиц требуется система разбавления отработавших газов. Разбавление
может быть осуществлено с помощью системы частичного разбавления потока (только
для испытания ESC) или системы полного разбавления потока (обязательной для
испытания ETC). Пропускная способность систем разбавления должна быть
достаточно высока, чтобы полностью устранить конденсацию воды в системах
разбавления и отбора проб и поддерживать температуру разбавленных отработавших
газов не более 325 К (52 °C) непосредственно перед фильтродержателями.
Допускается
осушение разбавляющего воздуха перед входом в систему разбавления, особенно при
высокой влажности разбавляющего воздуха. Температура разбавляющего воздуха
должна быть 298 К +/- 5 К (25 °C +/- 5 °C). При наружной температуре ниже 293 К
(20 °C) рекомендуется предварительно подогревать разбавляющий воздух до
температуры, превышающей 303 К (30 °C). Однако температура разбавляющего
воздуха не должна превышать 325 К (52 °C) перед поступлением отработавших газов
в разбавляющий туннель.
Система частичного
разбавления потока предназначается для разделения потока отработавших газов на
две части, из которых меньшая разбавляется воздухом и, соответственно,
используется для определения вредных частиц. В этом случае существенно, чтобы
коэффициент разбавления был определен с большой точностью. Могут быть
использованы различные способы разделения потока, и, тем самым, от способа
разделения в значительной степени зависят состав оборудования для отбора проб и
применяемые процедуры (см. 2.2 дополнения 6 к Приложению Д). Пробоотборник для
вредных частиц должен быть установлен в непосредственной близости от
пробоотборника для выбросов вредных газообразных веществ, и его установка
должна соответствовать требованиям 3.4.1 настоящего дополнения.
Для определения
массы вредных частиц необходимо наличие системы отбора проб вредных частиц,
фильтров для осаждения вредных частиц, весов с погрешностью не более
,
камеры для взвешивания с контролем влажности и температуры. Отбор проб вредных
частиц должен быть проведен методом с незаменяемыми фильтрами, т.е. при
использовании одной пары фильтров для всего испытательного цикла (см. 4.1.3 настоящего
дополнения). В испытании ESC следует уделять повышенное внимание периодам
времени, в течение которых проводят отбор образцов, и расходам по потоку в этой
фазе испытания.
4.1. Фильтры для
осаждения вредных частиц
4.1.1. Требования к
фильтрам
Необходимо
использовать фильтры из стекловолокна с фторуглеродным покрытием или фильтры
мембранного типа на фторуглеродной основе. Фильтры всех типов должны иметь
коэффициент улавливания частиц диоктилфталата диаметром 0,3 мкм не менее 95%
при скорости протекания газа через фильтр от 35 до 80 см/с.
4.1.2. Размеры
фильтров
Фильтры для вредных
частиц должны иметь диаметр не менее 47 мм (диаметр пятна осаждаемых частиц 37
мм). Допускается использование фильтров большего диаметра (см. 4.1.5 настоящего
дополнения).
4.1.3.
Основной и вспомогательный фильтры
Пробы отбирают из
отработавших газов, проходящих через пару фильтров (основной и
вспомогательный), расположенных последовательно, в процессе последовательного
выполнения фаз испытания. Вспомогательный фильтр должен быть расположен ниже по
потоку на расстоянии не более 100 мм от основного и не иметь контакта с ним.
Фильтры допускается взвешивать по отдельности или в паре. В последнем случае
пятна осаждаемых частиц должны быть обращены одно к другому.
4.1.4. Необходимо
поддерживать скорость прохождения газа через фильтр от 35 до 80 м/с. Падение
давления в период от начала до окончания испытания не должно превышать 25 кПа.
Рекомендуемая
минимальная нагрузка на фильтр - 0,5 мг/1075 мм2 площади пятна осаждаемых
частиц. Для фильтров наиболее распространенных размеров рекомендуемые нагрузки
приведены в таблице Д.5.
Таблица Д.5
Рекомендуемые
нагрузки на фильтр
|
Диаметр
фильтра, мм
|
Рекомендуемый
диаметр пятна
осаждаемых частиц, мм
|
Рекомендуемая
минимальная
нагрузка, мг
|
|
47
|
37
|
0,5
|
|
70
|
60
|
1,3
|
|
90
|
80
|
2,3
|
|
110
|
100
|
3,6
|
4.2. Требования к
камере для взвешивания и аналитическим весам
4.2.1.
Условия в камере для взвешивания
Температура в
камере (или в комнате), где фильтры для осаждения частиц доводят до
соответствующей кондиции и взвешивают, должна быть 295 К +/- 3 К (22 °C +/- 3
°C) в течение всего времени выдерживания и взвешивания фильтра. Влажность
следует поддерживать в диапазоне точки росы 282,5 К +/- 3 К (9,5 °C +/- 3 °C) и
относительную влажность - в диапазоне 48% +/- 8%.
4.2.2. Взвешивание
эталонных фильтров
Пространство камеры
(комнаты) не должно содержать никаких взвешенных частиц (таких, как пыль),
которые могут осаждаться на фильтрах в процессе их выдерживания. Отклонения от
условий, поддерживаемых в камере для взвешивания в соответствии с 4.2.1
настоящего дополнения, допускаются, если длительность этих отклонений не
превышает 30 мин. Камера для взвешивания должна быть приведена в соответствие с
предъявляемыми требованиями до того, как персонал войдет в камеру. Не менее
двух ранее не использованных эталонных фильтров или пар эталонных фильтров
должно быть взвешено в период времени, не превышающий 4 ч до взвешивания
фильтров (пар фильтров), предназначенных для отбора проб. При этом
предпочтительнее все взвешивания проводить одновременно. Эталонные фильтры
(пары фильтров) должны быть изготовлены из того же материала, что и фильтры
(пары фильтров), предназначенные для отбора проб, и иметь те же размеры.
Если средняя масса
эталонных фильтров (пары эталонных фильтров) изменяется между взвешиваниями
фильтров, предназначенных для отбора проб, более чем на +/- 5% (+/- 7,5% для
частей фильтров соответственно) рекомендованной минимальной нагрузки на фильтр
(см. 4.1.5 настоящего дополнения), то все фильтры, предназначенные для отбора
проб, необходимо демонтировать, а испытание, цель которого - измерить выбросы
вредных веществ, - повторить.
Если требования к
стабильности условий в камере для взвешивания не выполняются, но результаты
взвешивания эталонных фильтров (пар эталонных фильтров) соответствуют
приведенным выше критериям, изготовитель двигателя может либо принять
результаты взвешивания фильтров, предназначенных для испытаний, либо отвергнуть
их, отрегулировав систему поддержания необходимых условий в камере, и провести
испытание заново.
4.2.3.
Аналитические весы, применяемые для определения масс всех фильтров, должны
иметь погрешность (среднеквадратичное отклонение) 20 мг и разрешение (цену
деления на шкале) 10 мг. Для фильтров диаметром менее 70 мм погрешность и
разрешение должны быть 2 мг и 1 мг соответственно.
4.2.4. Устранение
статического электричества
Для устранения
статического электричества фильтры перед взвешиванием должны быть
нейтрализованы с помощью либо полониевого нейтрализатора, либо другого
устройства аналогичного действия.
4.3. Дополнительные
требования к измерению вредных частиц
Все элементы
системы разбавления и системы отбора проб на участке от выпускной трубы до
фильтродержателя, находящиеся в контакте с неразбавленными и разбавленными
отработавшими газами, должны быть сконструированы так, чтобы свести к минимуму
осаждение вредных частиц или изменение их характеристик. Все элементы должны
быть изготовлены из электропроводящих материалов, не вступающих в реакцию с
компонентами отработавших газов, и быть заземлены для предотвращения
образования статического электричества.
5.
Определение дымности
Настоящий раздел
устанавливает требования к обязательному и факультативному оборудованию,
используемому в испытании ELR. Дымность необходимо измерять дымомером,
работающим как в режиме, измеряющем значения дымности, так и в режиме,
измеряющем значения коэффициента светопоглощения. Режим непосредственного измерения
дымности должен быть применен только для калибровки и поверки дымомера.
Показания дымности в испытательном цикле следует определять только по
результатам измерений коэффициента светопоглощения.
5.1. Общие
требования
Для проведения
испытания ELR требуется система измерения дымности и обработки данных,
включающая в себя три функциональных блока. Блоки могут быть объединены в
агрегат или выполнены в виде системы соединенных между собой компонентов. Эти
три функциональных блока перечислены ниже:
- дымомер,
отвечающий требованиям раздела 3 дополнения 6 к Приложению Д;
- блок обработки
данных, функции которого установлены в разделе 6 дополнения 1 к Приложению Д;
- принтер и/или
электронный накопительный блок для записи и выдачи необходимых значений дымности,
определенных в 6.3 дополнения 1 к Приложению Д.
5.2. Специальные
требования
5.2.1. Линейность
должна находиться в диапазоне +/- 2% (в абсолютных значениях дымности).
5.2.2. Дрейф нуля
Дрейф нуля в
течение 1 ч не должен превышать +/- 1% (в абсолютных значениях дымности).
5.2.3. Показания на
экране дымомера и их диапазон
Диапазон показаний
дымности, отображаемых на экране дымомера, должен составлять 0% - 100% дымности
при погрешности считывания 0,1% дымности. Для коэффициента светопоглощения
показания на экране дымомера должны быть отображены в диапазоне
при погрешности считывания
.
5.2.4.
Время реакции прибора
Время физической
реакции дымомера не должно превышать 0,2 с. Время физической реакции - это
разность между моментами времени, когда реакция приемного устройства быстрого
реагирования дымомера достигает 10% и 90% полного отклонения сигнала при том,
что измеряемая дымность газа изменяется за период времени менее 0,1 с.
Время электрической
реакции дымомера не должно превышать 0,05 с. Время электрической реакции - это
разность между моментами времени, когда реакция дымомера достигает 10% и 90%
полной шкалы при том, что источник света перекрывается или полностью затухает
за период времени менее 0,01 с.
5.2.5.
Фильтры нейтральной оптической плотности
Все фильтры
нейтральной оптической плотности, используемые при калибровке дымомера,
измерении линейности или установке диапазона, должны иметь известную оптическую
плотность в пределах 1% дымности. Для обеспечения точности результатов
номинальное значение оптической плотности фильтра следует проверять не менее
раза в год в соответствии с национальным или международным стандартом, на
который делают ссылку.
Фильтры нейтральной
оптической плотности представляют собой устройства высокой точности и могут
быть повреждены в процессе использования. Контакт с фильтрами должен быть
сведен к минимуму, и, если он требуется, необходимо проявлять осторожность во
избежание нанесения царапин на фильтр и его загрязнения.
Дополнение
5
(к Приложению Д)
КАЛИБРОВКА
1. Калибровка
аналитических приборов
1.1. Введение
Любой аналитический
прибор должен быть подвергнут калибровке так часто, как это необходимо для
обеспечения точности, требуемой настоящим стандартом. В настоящем разделе
описан метод калибровки аналитических приборов, указанных в разделе 3
дополнения 4 и в разделе 1 дополнения 6 к Приложению Д.
1.2. Калибровочные
газы
Необходимо
соблюдать сроки годности всех калибровочных газов. Сроки годности калибровочных
газов, установленные изготовителем, должны быть зафиксированы.
1.2.1.
Химически чистые газы
Требуемая чистота
газов зависит от предельного содержания примесей, указанных ниже. Для
проведения испытаний должны иметься в наличии следующие газы:
- чистый азот:
примеси, не более:
углеводороды,
эквивалентные углероду
;
оксид углерода -
;
диоксид углерода -
;
оксид азота -
,
- чистый кислород:
содержание
кислорода - объемная доля не менее 95%,
- смесь водорода и
гелия (40% +/- 2% - водород, остальное - гелий):
примеси, не более:
углеводороды,
эквивалентные углероду
;
диоксид углерода -
,
- чистый
синтетический воздух:
содержание
кислорода - объемная доля 18% - 21%,
примеси, не более:
углеводороды,
эквивалентные углероду
;
оксид углерода -
;
диоксид углерода -
;
оксид азота -
,
- чистый пропан или
оксид углерода (CO) для поверки CVS.
1.2.2.
Калибровочные и поверочные газы
Для проведения
испытаний должны иметься в наличии смеси газов, состоящие из следующих
химических соединений:
-
и чистый синтетический воздух (см. 1.2.1
настоящего дополнения);
- CO и чистый азот;
-
и чистый азот (количество
,
содержащегося в этом калибровочном газе, не должно превышать 5% содержания NO);
-
и чистый азот;
-
и чистый синтетический воздух;
-
и чистый синтетический воздух.
Примечание.
Допускается использование и других комбинаций газов при условии, что газы,
составляющие комбинацию, не вступают в реакцию между собой.
Реальная
концентрация калибровочного газа должна соответствовать ее номинальному
значению +/- 2%. Все концентрации калибровочного газа должны быть указаны в
объемных долях (% или
).
Газы, применяемые для калибровки, можно также получить с помощью газового
разделителя, используя в качестве разбавляющей субстанции чистый азот или
чистый синтетический воздух. Точность, обеспечиваемая смешивающим устройством,
должна быть такой, чтобы концентрацию разбавленных калибровочных газов можно
было бы определять с погрешностью, не превышающей +/- 2%.
1.3. Процедура
использования анализаторов и системы отбора проб
Процедура
использования анализаторов должна соответствовать инструкциям изготовителя
приборов по их запуску и эксплуатации. При этом необходимо учитывать
минимальные требования 1.4 - 1.9 настоящего дополнения.
1.4. Испытание на
герметичность
Необходимо провести
испытание системы на герметичность. Для этого пробоотборник отсоединяют от
системы выпуска и его входное отверстие закрывают пробкой. Включают насос
анализатора. После завершения периода первичной стабилизации все расходомеры должны
показывать "нуль". Если требование не выполняется, то необходимо
проверить магистраль пробоотборника и устранить неисправность.
Предельно
допустимая степень утечки на стороне разрежения должна составлять 0,5%
реального расхода в проверяемой части системы. Допускается определять значения
реального расхода по расходам потоков, идущих через анализатор и по обходному
тракту.
Другой метод
заключается в ступенчатом изменении концентрации на входе в магистраль
пробоотборника в результате переключения с нулевого на калибровочный газ. Если
после соответствующего периода времени наблюдается более низкая концентрация,
чем непосредственно после переключения, то это указывает на проблемы с
калибровкой или герметичностью.
1.5.
Процедура калибровки
1.5.1. Комплект
приборов
Комплект приборов
необходимо подвергнуть калибровке, калибровочные кривые проверяют стандартными
газами. При отборе проб отработавших газов необходимо использовать те же
расходы потока, что и при калибровке.
1.5.2. Время
прогрева
Время прогрева
должно соответствовать указаниям изготовителя. Если соответствующие указания
отсутствуют, рекомендуемое время прогрева анализатора - не менее 2 ч.
1.5.3. Анализаторы
NDIR и HFID
Анализатор NDIR
должен быть настроен, если это необходимо. В анализаторе HFID необходимо
оптимизировать интенсивность горения (см. 1.8.1 настоящего дополнения).
1.5.4. Калибровка
Калибровку
необходимо проводить для каждого используемого в нормальных условиях рабочего
диапазона.
Анализаторы CO,
,
и HC должны быть установлены на нуль с помощью
чистого синтетического воздуха или азота.
Соответствующие
калибровочные газы необходимо пропустить через анализаторы, зафиксировать
показания и определить калибровочную кривую в соответствии с 1.5.5 настоящего
дополнения.
Необходимо вновь
проверить установку на нуль и, если необходимо, повторить процедуру калибровки.
1.5.5.
Определение калибровочной кривой
1.5.5.1. Общие
указания
Калибровочную кривую
анализатора строят не менее чем по пяти калибровочным точкам (не считая нуля),
распределенным как можно более равномерно. Наивысшая номинальная концентрация
должна соответствовать не менее 90% полной шкалы.
Калибровочную
кривую рассчитывают методом наименьших квадратов. Если полученная в результате
расчета степень полинома более трех (3), то число калибровочных точек (включая
нуль) должно, по меньшей мере, быть равно степени полинома плюс 2.
Калибровочная
кривая не должна отклоняться более чем на +/- 2% от номинального значения в
каждой калибровочной точке и более чем на +/- 1% от значения верхней границы
полной шкалы в нулевой точке.
По калибровочной
кривой и калибровочным точкам возможно проверить правильность выполнения
калибровки. Должны быть указаны различные параметры анализатора, в том числе:
- диапазон
измерений;
- чувствительность;
- дата калибровки.
1.5.5.2.
Калибровка в диапазоне ниже 15% полной шкалы
Калибровочную
кривую определяют с помощью не менее чем четырех дополнительных калибровочных
точек (исключая нуль), расположенных практически равномерно в диапазоне ниже
15% полной шкалы.
Калибровочную
кривую рассчитывают методом наименьших квадратов.
Калибровочная
кривая не должна отклоняться более чем на +/- 4% от номинального значения в
каждой калибровочной точке и более чем на +/- 1% от значения верхней границы
полной шкалы в нулевой точке.
1.5.5.3.
Альтернативные методы
Если удается
продемонстрировать, что альтернативные методы (компьютер, переключатель
диапазонов с электронным управлением и т.п.) обеспечивают эквивалентную
точность, то применение таких методов допускается.
1.6. Проверка
калибровки
Каждый используемый
в нормальных условиях рабочий диапазон необходимо проверять перед каждым
анализом в соответствии с нижеследующей процедурой:
Калибровку
проверяют нулевым поверочным газом и калибровочным газом, нормальное значение
&концентрации& которого превышает 80% полной шкалы измерительного
диапазона.
Если для двух
выбранных калибровочных точек найденные значения отличаются не более чем на +/-
4% полной шкалы от декларированных исходных значений, то допускается изменение
регулируемых параметров. В противном случае необходимо построить новую
калибровочную кривую в соответствии с 1.5.5 настоящего дополнения.
1.7. Проверка
эффективности конвертора

Эффективность
конвертора, преобразующего
в NO, проверяют в соответствии с 1.7.1 - 1.7.8
(см. рисунок Д.4).

1 -
электромагнитный клапан; 2 - озонатор;
3 - регулируемый
трансформатор
Рисунок Д.4. Схема
устройства для проверки
эффективности
конвертора

1.7.1.
Эффективность конвертора может быть проверена на испытательной установке,
показанной на рисунке Д.4 (см. также 3.3.5 дополнения 4 к Приложению Д), в
соответствии с процедурой, изложенной ниже, с помощью озонатора.
1.7.2.
Калибровка
Детекторы CLD и
HCLD необходимо калибровать в наиболее часто используемом рабочем диапазоне,
руководствуясь требованиями изготовителя и используя нулевой поверочный и
калибровочный газ (содержание NO в котором должно соответствовать,
приблизительно, 80% рабочего диапазона, а концентрация
в газовой смеси должна составлять менее 5%
концентрации NO). В анализаторе
должен быть установлен режим измерения NO так,
чтобы калибровочный газ не проходил через конвертор. Показания концентрации при
этом должны быть зафиксированы.
1.7.3. Расчет
Эффективность
конвертора
, %,
рассчитывают по формуле
,
где a -
концентрация
в соответствии с 1.7.6 настоящего дополнения;
b - концентрация
в соответствии с 1.7.7 настоящего дополнения;
c - концентрация NO
в соответствии с 1.7.4 настоящего дополнения;
d - концентрация NO
в соответствии с 1.7.5 настоящего дополнения.
1.7.4. Добавление
кислорода
С помощью тройника
кислород или чистый воздух непрерывно добавляют в поток газа до момента, когда
показания концентрации снизятся, приблизительно, до 20% (минимально - 10%)
показаний калибровки, полученных в соответствии с 1.7.2 настоящего дополнения
(анализатор должен быть в режиме измерения NO). Показание концентрации c
необходимо зафиксировать. Озонатор должен быть отключен в течение всего
процесса.
1.7.5.
Активизация озонатора
Теперь необходимо
активизировать озонатор, чтобы генерировать достаточное количество озона для
снижения концентрации NO, приблизительно, до 20% (минимально - 10%) показаний
калибровки, полученных в соответствии с 1.7.2 настоящего дополнения. Показание
концентрации d необходимо зафиксировать (Анализатор должен быть в режиме
измерения NO).
1.7.6.
Режим измерения

Затем анализатор NO
переключают в режим измерения
, так
чтобы газовая смесь (состоящая из NO,
,
и
)
теперь проходила через конвертор. Показания концентрации a необходимо
зафиксировать (Анализатор должен быть в режиме измерения
).
1.7.7.
Отключение озонатора
Затем озонатор
отключают. Смесь газов, описанная в 1.7.6 настоящего дополнения, проходит через
конвертор в детектор. Показания концентрации b необходимо зафиксировать
(Анализатор должен быть в режиме измерения
).
1.7.8.
Режим измерения NO
При переключении на
режим измерения NO с отключением озонатора поток кислорода или синтетического
воздуха также отключается. Показание
на анализаторе не должно отличаться более чем
на 5% от значения, полученного в соответствии с 1.7.2 настоящего дополнения
(Анализатор должен быть в режиме измерения NO).
1.7.9.
Периодичность испытаний
Эффективность
конвертора следует проверять перед каждой калибровкой анализатора
.
1.7.10. Требования
к эффективности
Эффективность
конвертора должна быть не менее 90%, однако настоятельно рекомендуется более
высокая эффективность - 95%.
Примечание. Если
при регулировке анализатора на наиболее часто используемый рабочий диапазон
работа озонатора не показывает уменьшение концентрации с 80% до 20%, как
предписано в 1.7.5 настоящего дополнения, необходимо использовать наиболее
высокий диапазон, показывающий такое уменьшение.
1.8. Регулировка
плазменно-ионизационного детектора (FID)
1.8.1.
Оптимизация чувствительности детектора
Детектор регулируют
в соответствии с требованиями его изготовителя. Для оптимизации чувствительности
в наиболее часто используемом рабочем диапазоне следует использовать
калибровочную газовую смесь из чистого воздуха и пропана.
После регулировки
расходов топлива и воздуха в соответствии с указаниями изготовителя в
анализатор направляют калибровочный газ концентрации
C +/-
C. Чувствительность при конкретном значении
расхода топлива определяют как разность между чувствительностью на
калибровочный газ и чувствительностью на нулевой газ. Расход топлива ступенчато
регулируют в диапазоне от значения, превышающего диапазон значений, заданный
изготовителем, и до значения, меньшего, чем этот диапазон. Чувствительности на
калибровочный и нулевой газы при этих значениях расхода топлива фиксируют.
Разность между значениями чувствительности к калибровочному и нулевому газам
наносят на график, и расход топлива регулируют по стороне кривой,
соответствующей более богатой смеси.
1.8.2.
Коэффициенты чувствительности на углеводороды
Анализатор
калибруют с помощью воздушно-пропановой смеси и чистого синтетического воздуха
в соответствии с 1.5 настоящего дополнения.
Коэффициенты
чувствительности определяют при вводе анализатора в эксплуатацию и после
основных этапов работы. Коэффициент чувствительности
для конкретных углеводородов определяют как
отношение показания детектора FID, выраженного в
, к
концентрации газа в цилиндре, выраженной в
.
Концентрация газа, используемого в испытаниях, должна быть на уровне
чувствительности, соответствующей, приблизительно, 80% полной шкалы.
Концентрация должна быть известна с погрешностью +/- 2% по отношению к
гравиметрическому эталону, выраженному в объемных долях. Кроме того, газовый
цилиндр необходимо выдержать в течение 24 ч при температуре 298 К +/- 5 К (25
°C +/- 5 °C).
Газы, используемые
при испытаниях, и рекомендуемые относительные коэффициенты чувствительности
указаны ниже:
- метан и чистый
синтетический воздух:
(для дизельных двигателей и двигателей,
работающих на СНГ);
- метан и чистый
синтетический воздух:
(для двигателей, работающих на СНГ);
- пропилен и чистый
синтетический воздух:
;
- толуол и чистый
синтетический воздух:
.
Эти значения даны
по отношению к коэффициенту чувствительности
для смеси пропана и чистого синтетического
воздуха, приравненному к 1,00.
1.8.3. Проверка
влияния кислорода
Влияние кислорода
проверяют при вводе анализатора в эксплуатацию и после основных этапов работы.
Коэффициент
чувствительности определяют в соответствии с 1.8.2 настоящего дополнения.
Газ, используемый
при испытаниях, и диапазон значений рекомендуемого относительного коэффициента
чувствительности:
- пропан и азот:
.
Эти значения даны
по отношению к коэффициенту чувствительности
для смеси пропана и чистого синтетического
воздуха, приравненному к 1,00.
Концентрация
кислорода в воздухе горелки детектора FID должна быть равна концентрации
кислорода в воздухе горелки, имевшей место при предыдущей проверке влияния
кислорода, с погрешностью +/- 1% молярной доли кислорода. Если отклонение
превышает это значение, влияние кислорода необходимо проверить заново, а
анализатор, при необходимости, - отрегулировать.
1.8.4.
Эффективность отделителя фракций, не содержащих метан (NMC), - только для
газовых двигателей, работающих на ПГ
Отделитель NMC
применяют для удаления углеводородов, не содержащих метан (NMHC), из газа в
пробоотборнике путем окисления всех углеводородов, за исключением метана. В
идеале окисление метана должно быть 0%, а остальных углеводородов,
представленных этаном, - 100%. Для обеспечения необходимой точности измерения
NMHC оценивают эффективность отделителя по метану и этану и используют
полученные значения для расчета массового расхода потока выбросов NMHC (см. 4.3
дополнения 2 к Приложению Д).
1.8.4.1.
Эффективность по метану
Содержащий метан
калибровочный газ пропускают через детектор FID с прохождением газа через
отделитель NMC и минуя его. Концентрации фиксируют в обоих случаях.
Эффективность определяют по формуле
,
где
- концентрация HC при
,
проходящем через NMC;
-
концентрация HC при
,
идущем в обход NMC.
1.8.4.2.
Эффективность по этану
Содержащий этан
калибровочный газ пропускают через детектор FID с прохождением газа через
отделитель NMC и минуя его. Концентрации фиксируют в обоих случаях.
Эффективность определяют по формуле
,
где conc(w) -
концентрация HC при
,
проходящем через NMC;
conc(w/o) -
концентрация HC при
,
идущем в обход NMC.
1.9.
Воздействие на показания анализаторов CO,
и

Газообразные
составляющие отработавших газов (за исключением составляющей, подлежащей
анализу) могут различными путями влиять на показания анализатора. Положительное
влияние на показания анализаторов NDIR имеет место, когда посторонний газ
оказывает такое же воздействие, как и измеряемый газ, но в меньшей степени.
Отрицательное влияние на показания анализаторов NDIR имеет место, когда
посторонний газ расширяет полосу абсорбции измеряемого газа, а на показания
детекторов CLD - когда посторонний газ подавляет излучение. Проверки
воздействия, описываемые в 1.9.1 и 1.9.2 настоящего дополнения, должны быть
осуществлены перед вводом анализатора в эксплуатацию и после основных этапов
работы.
1.9.1.
Проверка воздействия на показания анализатора CO
Вода и
могут воздействовать на работу анализатора CO.
Поэтому калибровочный газ, содержащий
и имеющий концентрацию от 80% до 100% полной
шкалы максимального рабочего диапазона, применяемого в испытаниях, должен быть
пропущен через воду при комнатной температуре. Чувствительность анализатора
фиксируют. Чувствительность анализатора не должна превышать 1% полной шкалы для
диапазонов, соответствующих или превышающих
, или
для диапазонов менее
.
1.9.2.
Проверка анализатора
на подавление излучения
На работу
анализаторов с детекторами CLD и HCLD отрицательно влияют
и водяной пар. Чувствительность к подавлению
излучения этими газами пропорциональна их концентрациям, и, следовательно,
требуется испытательное оборудование для определения подавления излучения при
наиболее высоких концентрациях, предполагаемых в испытаниях на основе
проверенной инженерной практики.
1.9.2.1.
Проверка подавления излучения под воздействием

Через анализатор
NDIR пропускают калибровочный газ, содержащий
и дающий показания от 80% до 100% полной шкалы
в наивысшем рабочем диапазоне. Полученное значение для
фиксируют как A. Этот калибровочный газ затем
разбавляют, приблизительно, на 50% калибровочным газом, содержащим NO, и
пропускают через анализатор NDIR и детектор CLD или HCLD. Полученные значения
для
и NO фиксируют как B и C соответственно. После
этого перекрывают подачу
и через детектор (H)CLD пропускают
калибровочный газ, содержащий только NO. Значение для NO фиксируют как D.
Подавление
излучения, %, которое не должно превышать 3% полной шкалы, рассчитывают по
формуле
,
где A -
концентрация неразбавленного газа
,
измеренная в анализаторе NDIR, %;
B - концентрация
разбавленного газа
,
измеренная в анализаторе NDIR, %;
C - концентрация
разбавленного газа NO, измеренная в детекторе (H)CLD,
;
D - концентрация
неразбавленного газа NO, измеренная в детекторе (H)CLD,
.
Допускается
использовать альтернативные методы разбавления и количественного определения
концентрации калибровочных газов, содержащих
и NO, такие как смешивание и добавление
присадок.
1.9.2.2.
Проверка подавления излучения под воздействием влаги
Этот метод проверки
применим только к измерению концентрации водяного пара. При расчете подавления
излучения под воздействием влаги следует принимать во внимание разбавление
калибровочного газа, содержащего NO, водяным паром, и провести пересчет
концентрации водяного пара в смеси, ориентируясь на значения, ожидаемые в
процессе испытаний.
Калибровочный газ,
содержащий NO и имеющий концентрацию, соответствующую 80% - 100% полной шкалы в
нормальном рабочем диапазоне, пропускают через детектор (H) CLD. Значение
концентрации NO фиксируют как D. Затем калибровочный газ, содержащий NO,
пропускают через воду при комнатной температуре, после чего он проходит через
детектор CLD (HCLD). Значение концентрации NO фиксируют как C. Необходимо
определить абсолютное рабочее давление в анализаторе и температуру воды. Эти
значения фиксируют как E и F соответственно. Определяют давление насыщенного
пара смеси, соответствующее температуре воды F при пропускании через нее
калибровочного газа. Это давление фиксируют как G. Концентрацию водяного пара
H, %, в смеси рассчитывают как
H = 100(G/E).
Предполагаемую
концентрацию разбавленного калибровочного газа (в водяном паре) De определяют
по формуле
De = D(1 - H/100).
Для отработавших
газов дизельного двигателя необходимо установить максимальную концентрацию
водяного пара в отработавших газах
, %,
ожидаемую в испытаниях, предполагая, что атомное отношение топлива H/C = 1,8:1
при концентрации калибровочного газа, содержащего
,
равной A (см. 1.9.2.1 настоящего дополнения):
.
Подавление
излучения под воздействием влаги, %, которое не должно превышать 3%,
рассчитывают по формуле
,
где De -
предполагаемая концентрация разбавленного NO,
;
C - концентрация
разбавленного NO,
;
-
максимальная концентрация водяного пара, %;
H - реальная
концентрация водяного пара, %.
Примечание.
Существенно, чтобы калибровочный газ, содержащий NO, имел при данной проверке
минимальную концентрацию
,
поскольку поглощение
водой не учитывают при расчете подавления
излучения.
1.10. Частота
выполнения калибровок
Анализаторы
калибруют в соответствии с 1.5 настоящего дополнения не реже чем один раз в три
месяца или после проведения таких ремонтов или замен в системе, которые могут
нарушить калибровку.
2.
Калибровка системы CVS
2.1. Общие
требования
Систему CVS
калибруют с помощью точного расходомера, соответствующего национальным или
международным стандартам, и ограничительного устройства. Расход через систему
измеряют при установке различных ограничительных устройств. Измеряют также
контрольные параметры системы и соотносят их с соответствующими значениями
расхода.
Допускается
использование расходомеров различных типов, а именно калиброванной трубки
Вентури, калиброванного ламинарного расходомера, калиброванного
турборасходомера.
2.2. Калибровка
насоса с объемным регулированием (PDP)
Все параметры,
относящиеся к насосу, измеряют одновременно с параметрами, относящимися к
расходомеру, который соединяют с насосом последовательно. Значение расчетного
расхода в кубических метрах в минуту (м3/мин) на входе в насос при данном
абсолютном давлении и температуре наносят на график зависимости расхода от
корреляционной функции, представляющей собой числовое значение определенной
комбинации параметров насоса. Затем определяют линейное уравнение, описывающее
взаимосвязь расхода через насос и корреляционной функции. Если система CVS
имеет многорежимный привод, калибровку выполняют для каждого диапазона значений
расходов. В процессе калибровки поддерживают стабильный температурный режим.
2.2.1.
Анализ данных
Расход воздуха
при каждом установленном ограничителе потока
(которых должно быть не менее шести) рассчитывают в стандартных единицах -
кубических метрах в минуту - на основе показаний расходомера, используя метод,
предписанный изготовителем. Затем расход воздуха преобразуют в расход насоса
,
м3/об, при абсолютной температуре и абсолютном давлении на входе в насос по
формуле
,
где
- расход воздуха при стандартных условиях
(101,3 кПа; 273 К);
T - температура на
входе в насос, К;
-
абсолютное давление на входе в насос,
<1>, кПа;
n - частота
вращения,
.
--------------------------------
<1> См.
2.2.1.
Для оценки
взаимовлияния изменений давления в насосе и коэффициента наклона насоса
определяют корреляционную функцию
между частотой вращения вала насоса, разностью
давлений на входе в насос и выходе из него и абсолютным давлением на выходе из
насоса по формуле
,
где
- разность давлений на входе в насос и выходе
из него, кПа;
-
абсолютное давление на выходе из насоса, кПа.
Линейное уравнение
для калибровочной функции получают с помощью метода наименьших квадратов. Это
уравнение имеет вид
,
где
и m - это отрезок, отсекаемый на оси ординат,
и коэффициент наклона, соответственно, - константы, определяющие линии
регрессии.
Для многорежимных
систем CVS калибровочные функции, построенные для различных диапазонов значений
расхода, должны располагаться, приблизительно, параллельно одна другой, а
отрезки, отсекаемые на оси ординат
,
должны увеличиваться при переходе от диапазона с большими значениями расхода к
диапазону с меньшими значениями.
Значения,
рассчитанные по уравнению, не должны отличаться от измеренных значений
более чем на +/- 5%. Значения m будут
изменяться при переходе от одного насоса к другому. Засасывание вредных частиц
со временем приведет к уменьшению коэффициента наклона калибровочной функции m.
Следовательно, калибровка необходима при вводе насоса в эксплуатацию, после
капитального ремонта и в случае, когда полная проверка системы (см. 2.4
настоящего дополнения) показывает уменьшение коэффициента наклона.
2.3. Калибровка
трубки Вентури с критическим расходом (CFV)
Калибровка CFV
основана на уравнении критического расхода трубки Вентури. Расход газа,
зависящий от давления и температуры на входе, описывают уравнением
,
где
- калибровочный коэффициент;
-
абсолютное давление на входе в трубку Вентури, кПа;
T - температура на
входе в трубку Вентури, К.
2.3.1. Анализ
данных
Расход воздуха
при каждом установленном ограничителе потока
(которых должно быть не менее восьми) рассчитывают в стандартных единицах -
кубических метрах в минуту - на основе показаний расходомера, используя метод,
предписанный изготовителем. Коэффициент калибровки рассчитывают на основе
данных калибровки для каждого установленного ограничителя потока по формуле
,
где
- расход воздуха при стандартных условиях
(101,3 кПа; 273 К);
T - температура на
входе в трубку Вентури;
-
абсолютное давление на входе в трубку Вентури.
Чтобы определить
диапазон критического расхода,
наносят на график как функцию давления на
входе в трубку Вентури. При критическом расходе (при закупорке)
будет иметь сравнительно постоянное значение.
При уменьшении давления (увеличении разрежения) закупорка трубки Вентури
рассасывается и
уменьшается, а следовательно, CFV
функционирует за пределами допустимого диапазона.
Среднее значение и
среднеквадратичное отклонение
в диапазоне критического расхода рассчитывают
не менее чем по восьми точкам. Среднеквадратичное отклонение не должно
превышать +/- 0,3% среднего значения
.
2.4. Общая
проверка системы
Суммарную
погрешность системы отбора проб CVS и аналитической системы определяют путем
введения заранее известной массы вредного газообразного вещества в систему в
процессе ее работы в нормальном режиме. Введенное вредное вещество подвергают
анализу, и его массу рассчитывают в соответствии с 4.3 дополнения 2 к
Приложению Д, кроме случая с пропаном, когда для HC применяют коэффициент
0,000472 вместо 0,000479.
Допускается
использование любого из двух излагаемых ниже методов.
2.4.1. Измерение с
помощью вставки, создающей критический поток
Заранее известное
количество чистого однородного газа (оксида углерода или пропана) вводят в
систему CVS через калиброванную вставку, создающую критический поток. Если
давление на входе достаточно высокое, то расход, регулируемый с помощью
вставки, создающей критический поток, не зависит от давления на выходе из
вставки (что характеризует критический поток). Система CVS должна работать в
течение, приблизительно, от 5 до 10 мин как при нормальном испытании,
проводимом для определения содержания выбросов вредных веществ. Пробу газа
анализируют с помощью обычно применяемого оборудования или процедуры (мешка для
отбора проб или интеграционного метода) и рассчитывают массу газа. Найденная
таким способом масса газа не должна отличаться более чем на +/- 3% от заранее
известной массы газа, введенного в систему.
2.4.2. Измерение с
помощью гравиметрической техники
Массу небольшого
цилиндрического контейнера, заполненного оксидом углерода или пропаном,
определяют с погрешностью +/- 0,01 г. В течение, приблизительно, 5 - 10 мин
система CVS должна работать как при нормальном испытании, проводимом для
определения содержания выбросов вредных веществ, в то время как оксид углерода
или пропан вводят в систему. Количество введенного однородного газа определяют
с помощью дифференциального взвешивания. Пробу газа анализируют с помощью
обычно применяемого оборудования или процедуры (мешка для отбора проб или интеграционного
метода) и рассчитывают массу газа. Найденная таким способом масса газа не
должна отличаться более чем на +/- 3% от заранее известной массы газа,
введенного в систему.
3. Калибровка
системы измерения вредных частиц
3.1. Введение
Каждый компонент
калибруют так часто, как это необходимо для поддержания точности измерений,
устанавливаемой настоящим стандартом. В настоящем разделе описан метод
калибровки, который применяют для компонентов, указанных в разделе 4 дополнения
4 к Приложению Д и в разделе 2 дополнения 6 к Приложению Д.
3.2. Измерение
параметров потока
Калибровка
расходомеров газа или инструментального оборудования для измерения параметров
потока должна соответствовать требованиям международных и/или национальных
стандартов. Максимальная погрешность измеряемых величин не должна превышать +/-
2% считываемых показаний.
Если расход
газового потока определяют дифференциальным (разностным) измерением расхода,
максимальная погрешность разности должна быть такой, чтобы погрешность расхода
разбавленных отработавших газов
не превышала +/- 4% [см. также 2.2.1
(компонент EGA) дополнения 6 к Приложению Д]. Эту погрешность можно вычислить
по среднеквадратичному значению погрешностей каждого из используемых
инструментов.
3.3. Проверка
условий прохождения частичных потоков
Диапазоны скоростей
отработавших газов и колебаний давления необходимо проверить и отрегулировать в
соответствии с требованиями 2.2.1 (компонент EP) дополнения 6 к Приложению Д,
если это применимо.
3.4. Периодичность
калибровки
Оборудование для
измерения расходов калибруют не реже чем раз в три месяца или при проведении
таких ремонтных работ и замен в системе, которые влияют на калибровку.
4. Калибровка
оборудования для измерения дымности
4.1. Введение
Частота калибровки
дымомера должна быть такой, чтобы обеспечить точность, требуемую настоящим
стандартом. В настоящем разделе описан метод калибровки, применяемый для
компонентов, указанных в разделе 5 дополнения 4 к Приложению Д и разделе 3
дополнения 6 к Приложению Д.
4.2. Процедура
калибровки
4.2.1. Время
прогрева
Дымомер прогревают
и доводят до стабильного состояния в соответствии с указаниями изготовителя.
Если дымомер оборудован системой воздушной продувки для предотвращения
осаждения копоти на инструментальной оптике, эту систему также следует
запустить и отрегулировать в соответствии с указаниями изготовителя.
4.2.2. Установка
линейной чувствительности
Линейность дымомера
проверяют в режиме определения показаний дымности в соответствии с указаниями
изготовителя. В дымомер устанавливают три фильтра нейтральной плотности с
заранее известными значениями коэффициента пропускания, соответствующие
требованиям 5.2.5 дополнения 4 к Приложению Д. Полученные показания фиксируют.
Фильтры нейтральной плотности должны иметь номинальные значения дымности, в
среднем, 10%, 20% и 40%.
Линейная
зависимость не должна отклоняться более чем на +/- 2% дымности от номинального
значения фильтра нейтральной плотности. Любая нелинейность, превышающая это
значение, должна быть корректирована до начала испытания.
4.3. Периодичность
калибровки
Дымомер калибруют в
соответствии с 4.2.2 настоящего дополнения не реже чем раз в три месяца или при
проведении таких ремонтных работ и замен в системе, которые влияют на
калибровку.
Дополнение
6
(к Приложению Д)
СИСТЕМЫ
АНАЛИЗА И ОТБОРА ПРОБ
1.
Определение выбросов газообразных вредных веществ
1.1. Введение
Подраздел 1.2
настоящего дополнения и рисунки Д.5 и Д.6 содержат детальные описания
рекомендуемых систем отбора проб и анализа. Поскольку при различных
конфигурациях таких систем могут быть достигнуты совпадающие результаты, точное
соответствие рисункам Д.5 и Д.6 не требуется. Допускается использование
дополнительных компонентов, таких как измерительная аппаратура, вентили,
соленоиды, насосы, переключатели, для получения дополнительной информации и
координации работы взаимодействующих систем. Другие компоненты,
функционирование которых не вызвано необходимостью обеспечить точность работы
отдельных систем, могут быть исключены, если их исключение основано на
проверенной инженерной практике.

Рисунок
Д.5. Схема установки для анализа
неразбавленных
отработавших газов с определением
концентраций CO,
, HC
(только для испытания ESC)

Рисунок
Д.6. Схема установки для анализа
разбавленных
отработавших газов с определением
концентраций CO,
, HC
(для испытания ETC,
факультативно - для
испытания ESC)
1.2.
Описание аналитических систем
Аналитическая
система для определения газообразных выбросов вредных веществ в неразбавленных
(рисунок Д.5, только для испытания ESC) или разбавленных (рисунок Д.6, для
испытаний ETC и ESC) отработавших газах, приводимая ниже, основана на
использовании:
- анализатора HFID
для измерения концентрации углеводородов;
- анализатора NDIR
для измерения концентрации оксида углерода и диоксида углерода;
- анализатора HCLD
или эквивалентного анализатора для измерения концентрации оксидов азота.
Отбор проб для
анализа всех компонентов допускается проводить с помощью одного зонда или двух
зондов, расположенных в непосредственной близости один от другого и имеющих
внутреннее разделение для соединения их с разными анализаторами. Необходимо
обеспечить отсутствие конденсации веществ из отработавших газов (включая влагу
и серную кислоту) во всех точках аналитической системы.
1.2.1.
Компоненты аналитической системы, изображенные на рисунках Д.5 и Д.6:
EP - выпускная
труба (рисунки Д.5 и Д.6).
SP1 - пробоотборник
для отработавших газов (рисунок Д.5).
Рекомендуется
прямой пробоотборник из нержавеющей стали с нескольким отверстиями и
заглушенным торцом. Внутренний диаметр пробоотборника не должен превышать
внутренний диаметр пробоотборной магистрали. Толщина стенок пробоотборника
должна быть не более 1 мм. В пробоотборнике должно быть не менее трех отверстий
в трех различных радиальных плоскостях, имеющих размеры, обеспечивающие отбор
потоков с приблизительно одинаковыми расходами. Диаметр пробоотборника должен
составлять не менее 80% диаметра выпускной трубы. Допускается установка одного
или двух пробоотборников.
SP2 - пробоотборник
для анализа HC в разбавленных отработавших газах (рисунок Д.6).
Пробоотборник
должен:
- быть расположен в
начале подогреваемой пробоотборной магистрали HSL1 и занимать ее отрезок длиной
от 254 до 762 мм;
- иметь внутренний
диаметр не менее 5 мм;
- быть вставлен в
туннель для разбавления (DT) (см. 2.3 настоящего дополнения, рисунок Д.18) в
точке, где обеспечено хорошее перемешивание разбавляющего воздуха и
отработавших газов, а именно, на расстоянии, приблизительно, 10 диаметров
туннеля по направлению потока от точки, в которой отработавшие газы входят в
туннель для разбавления;
- быть расположен
на достаточном расстоянии по радиусу от других пробоотборников и стенок
туннеля, чтобы не быть подвергнутым воздействию турбулентных потоков и
завихрений;
- быть
подогреваемым так, чтобы температура газового потока повышалась до 463 К +/- 10
К (190 °C +/- 10 °C) на выходе из пробоотборника.
SP3 - пробоотборник
для анализа CO,
в разбавленных отработавших газах (рисунок
Д.6).
Пробоотборник
должен:
- находиться в той
же плоскости, что и SP2;
- быть расположен
на достаточном расстоянии по радиусу от других пробоотборников и стенок
туннеля, чтобы не быть подвергнутым воздействию турбулентных потоков и
завихрений;
- быть
изолированным и подогреваемым по всей длине до температуры 328 К (55 °C) для
предотвращения конденсации влаги.
HSL1 -
подогреваемая пробоотборная магистраль (рисунки Д.5 и Д.6).
По пробоотборной
магистрали проба газа перетекает из единого пробоотборника к точке разделения
потоков и в анализатор HC.
Пробоотборная
магистраль должна:
- иметь внутренний
диаметр от 5 до 13,5 мм;
- быть изготовлена
из нержавеющей стали или тефлона;
- поддерживать
температуру стенок 463 К +/- 10 К (190 °C +/- 10 °C) при измерении в каждой
отдельно контролируемой подогреваемой секции при температуре отработавших газов
в пробоотборнике не более 463 К (190 °C);
- поддерживать
температуру стенок выше 453 К (180 °C) при температуре отработавших газов в
пробоотборнике выше 463 К (190 °C);
- поддерживать
температуру стенок выше 463 К +/- 10 К (190 °C +/- 10 °C) непосредственно перед
подогреваемым фильтром F2 и детектором HFID.
HSL2 -
подогреваемая пробоотборная магистраль для
(рисунки Д.5 и Д.6).
Пробоотборная
магистраль должна:
- поддерживать
температуру стенок от 328 К до 473 К (от 55 °C до 200 °C) вплоть до конвертера
C, где используют охлаждающую ванну B, и анализатора, где охлаждающую ванну B
не используют;
- быть изготовлена
из нержавеющей стали или тефлона.
SL - пробоотборная
магистраль для CO и
(рисунки Д.5 и Д.6).
Пробоотборная
магистраль должна быть изготовлена из тефлона или нержавеющей стали. Она может
быть как подогреваемой, так и неподогреваемой.
BK - мешок для
определения фоновой концентрации вредных веществ (факультативно, только на
рисунке Д.6).
Для отбора проб с
фоновой концентрацией вредных веществ.
BG - мешок для
отбора проб (факультативно, только для CO и
,
рисунок Д.6).
Для отбора проб и
определения концентраций вредных веществ.
F1 - подогреваемый
первичный фильтр (рисунки Д.5 и Д.6, факультативно).
Температуру следует
поддерживать такую же, как и для пробоотборной магистрали HSL1.
F2 - подогреваемый
фильтр (рисунки Д.5 и Д.6).
Фильтр должен
осаждать все вредные частицы из пробы газа до ее попадания в анализатор.
Температуру следует поддерживать такую же, как и для пробоотборной магистрали
HSL1. Фильтр подлежит замене при необходимости.
P - подогреваемый
насос для перекачки проб (рисунки Д.5 и Д.6).
Насос следует
подогреть до температуры пробоотборной магистрали HSL1.
HC - нагреваемый
плазменно-ионизационный детектор (HFID) для определения концентрации углеводородов
(рисунки Д.5 и Д.6).
Температуру следует
поддерживать в диапазоне 453 К - 473 К (180 °C - 200 °C).
CO,
- анализатор NDIR для определения концентраций
оксида углерода и диоксида углерода (факультативно, для определения
коэффициента разбавления при измерении концентрации вредных частиц, рисунки Д.5
и Д.6).
NO - анализатор CLD
или HCLD для определения оксидов азота (рисунки Д.5 и Д.6).
При использовании
анализатора HCLD температуру следует поддерживать в диапазоне 328 К - 473 К (55
°C - 200 °C).
C - конвертер
(рисунки Д.5 и Д.6).
Конвертер
используют для каталитического преобразования
в NO перед анализом в анализаторе CLD или
HCLD.
B - охлаждающая
ванна (факультативно, рисунки Д.5 и Д.6).
Для охлаждения и
конденсации влаги из пробы отработавших газов. В ванне необходимо поддерживать
температуру в диапазоне 273 К - 277 К (0 °C - 4 °C) с помощью льда или
искусственного охлаждения. Использование ванны факультативно, если на работу анализатора
не влияет водяной пар (см. 1.9.1 и 1.9.2 дополнения 5 к Приложению Д). Если
влага удаляется с помощью конденсации, то необходимо отслеживать температуру
газа в пробе или точку росы либо во влагоотделителе, либо ниже по направлению
потока. Температура газа в пробе или точка росы не должна быть выше 280 К (7
°C). Применение химических осушителей для удаления влаги из пробы не
допускается.
T1, T2, T3 - датчик
температуры (рисунки Д.5 и Д.6).
Для измерения
температуры газового потока.
T4 - датчик
температуры (рисунки Д.5 и Д.6).
Для отслеживания
температуры в конверторе
- NO.
T5 - датчик
температуры (рисунки Д.5 и Д.6).
Для отслеживания
температуры в охлаждающей ванне.
G1, G2, G3 - датчик
давления (рисунки Д.5 и Д.6).
Для измерения
давления в пробоотборных магистралях.
R1, R2 - регулятор
давления (рисунки Д.5 и Д.6).
Для регулирования
давления потоков воздуха и топлива, соответственно, поступающих в анализатор
HFID.
R3, R4, R5 -
регулятор давления (рисунки Д.5 и Д.6).
Для регулирования
давления в пробоотборных магистралях и потоках, направляемых в анализаторы.
FL1, FL2, FL3 -
расходомер (рисунки Д.5 и Д.6).
Для отслеживания
расхода в обходных каналах анализаторов.
FL4, FL5, FL6 -
расходомер (факультативно, рисунки Д.5 и Д.6).
Для отслеживания
расходов через анализаторы.
V1, V2, V3, V4, V5
- селекторный клапан (рисунки Д.5 и Д.6).
Управляет подачей в
анализаторы (по выбору) потоков пробы отработавших газов, калибровочного или
нулевого газа.
V6, V7 - электромагнитный
клапан (рисунки Д.5 и Д.6).
Для перепуска
потока по обходному каналу в обход конвертора C (конвертора
- NO).
V8 - игольчатый
клапан (рисунки Д.5 и Д.6).
Для уравнивания
потоков через конвертор C и обходной канал.
V9, V10 -
игольчатый клапан (рисунки Д.5 и Д.6).
Для регулирования
потоков, идущих к анализаторам.
V11, V12 - рычажный
клапан (рисунки Д.5 и Д.6).
Для удаления
конденсата из ванны B.
V13 - селекторный
клапан (факультативно, рисунок Д.6).
Направляет поток в
мешок BG или BK (при наличии).
1.3. Анализ
NMHC (только для газовых двигателей, работающих на ПГ)
1.3.1. Метод
газовой хроматографии (метод GC, рисунок Д.7)

Рисунок
Д.7. Диаграмма потоков при анализе пробы
отработавших газов
на содержание метана (по методу GC)
При применении
метода GC пробу небольшого заранее измеренного объема вводят в колонну, где она
захватывается инертным транспортирующим газом. В колонне различные компоненты
разделяются в соответствии с их точками кипения, в результате чего они
вымываются из колонны в различные моменты времени. Затем эти компоненты
проходят через детектор, который вырабатывает электрический сигнал, зависящий
от их концентрации. Поскольку этот метод не предназначен для непрерывного
анализа, его применяют только совместно с методом отбора проб в мешок,
описанным в 3.4.2 дополнения 4 к Приложению Д.
Для NMHC используют
автоматизированный метод GC с детектором FID. Отработавшие газы накапливаются в
мешке для отбора проб, из которого часть газов отбирают и направляют в газовый
хроматограф. Пробу в колонне Порапака разделяют на две части (одна часть -
, CO,
воздух, другая - NMHC,
,
вода). Колонна с молекулярным ситом отделяет
от воздуха и CO перед поступлением пробы в
детектор FID, где измеряют концентрацию
(метана). Полный цикл от ввода одной пробы до
ввода другой занимает 30 с. Для определения концентрации NMHC концентрацию
вычитают из суммарной концентрации HC (см.
4.3.1 дополнения 4 к Приложению Д).
На рисунке Д.7
показана типовая установка GC для определения
наиболее распространенным методом. Допускается
применение других методов GC, базирующихся на проверенной инженерной практике.
Компоненты,
показанные на рисунке Д.7:
PC - колонна
Порапака.
Колонна Porapak N,
180/300 мкм (ячейки 50/80), длина 610 мм, внутренний диаметр 2,16 мм, должна
начать работу и быть выдержана с транспортирующим газом не менее 12 ч при 423 К
(150 °C) перед вводом в эксплуатацию.
MSC - колонна с
молекулярным ситом.
Тип 13Х, 250/350
мкм (ячейки 45/60), длина 1200 мм, внутренний диаметр 2,16 мм, должна начать
работу и быть выдержана с транспортирующим газом не менее 12 ч при 423 К (150
°C) перед вводом в эксплуатацию.
OV - печь.
Для поддержания
стабильного температурного режима колонн и вентилей (клапанов) при работе
анализатора и для предварительного выдерживания колонн при температуре 423 К
(150 °C).
SLP - петлеобразный
канал для пробы газа.
Труба из
нержавеющей стали достаточной длины для обеспечения объема, приблизительно, 1
см3.
P - насос.
Для подачи пробы в
газовый хроматограф (GC).
D - осушитель.
Осушитель,
содержащий молекулярное сито, применяют для отделения влаги и других примесей,
которые могут содержаться в транспортирующем газе.
HC -
плазменно-ионизационный детектор (FID) для измерения концентрации метана.
V1 - клапан для
впуска пробы.
Для впуска пробы,
отобранной из мешка для отбора проб и прошедшей через пробоотборную магистраль
SL (см. рисунок Д.6). Клапан должен иметь малый "мертвый" объем, быть
газонепроницаемым и способным к нагреву до 423 К (150 °C).
V3 - селекторный
клапан.
Для подачи по
выбору калибровочного газа, пробы отработавших газов или для перекрытия потока.
V2, V4, V5, V6, V7,
V8 - игольчатый клапан.
Для управления
потоками в системе.
R1, R2, R3 -
регулятор давления.
Для управления
потоками топлива (транспортирующего газа), пробы газа и воздуха соответственно.
FC - капиллярная
трубка в потоке.
Для управления
расходом воздуха, поступающего в HC (детектор FID).
G1, G2, G3 - датчик
давления.
Для управления
потоками топлива (транспортирующего газа), пробы газа и воздуха соответственно.
F1, F2, F3, F4, F5
- фильтр.
Металлокерамические
фильтры для предотвращения попадания абразивных частиц в насос и приборы.
FL1 - расходомер.
Для измерения
расхода пробы, проходящей по обходному каналу.
1.3.2. Метод
отделения фракций, не содержащих метан (NMC, рисунок Д.8)

Метод
отбора проб с помощью мешка для отбора проб

Интеграционный
метод
Рисунок
Д.8. Диаграмма потоков при анализе
пробы отработавших
газов на содержание метана
с помощью
отделителя фракций, не содержащих метан (NMC)
Отделитель окисляет
все углеводороды, за исключением метана
,
превращая их в
и
, так
что при прохождении пробы через NMC детектором FID определяется только
. Если
используют мешок для накопления проб, то в магистраль SL (см. 1.2 настоящего
дополнения, рисунок Д.6) устанавливают систему отклонения потока, с помощью
которой поток может быть направлен либо в отделитель, либо в обход его (см.
рисунок Д.8, верхняя часть). Для измерения углеводородов, не содержащих метан
(NMHC), детектором FID должны быть учтены и зафиксированы значения как HC, так
и
. Если
используют интеграционный метод, то параллельно обычно устанавливаемому
детектору FID в пробоотборную магистраль HSL1 устанавливают отделитель NMC
последовательно со вторым детектором FID (см. 1.2 настоящего дополнения,
рисунок Д.6 и рисунок Д.8, нижняя часть). Для измерения NMHC необходимо
наблюдать и фиксировать показания обоих детекторов FID.
Прежде чем
использовать отделитель в испытаниях, необходимо при температуре не менее 600 К
(327 °C) получить характеристики каталитического воздействия на показания
и
присутствия влаги в количестве, типичном для
потока отработавших газов. Необходимо также знать точку росы и уровень
содержания кислорода
в потоке отработавших газов пробы. Кроме того,
необходимо зафиксировать чувствительность детектора FID к
(см. 1.8.2 дополнения 5 к Приложению Д).
Компоненты,
показанные на рисунке Д.8:
NMC - отделитель
фракций, не содержащих метан.
Для окисления всех
углеводородов, за исключением метана.
HC - нагреваемый
плазменно-ионизационный детектор (HFID).
Для измерения
концентраций HC и
.
Температуру при этом следует поддерживать в диапазоне 453 К - 473 К (180 °C -
200 °C).
V1 - селекторный
клапан.
Для переключения
(по выбору) на режим подачи пробы отработавших газов, нулевого или
калибровочного газов. Клапан V1 идентичен клапану V2 на рисунке Д.6.
V2, V3 -
электромагнитный клапан.
Для направления
потока по обходному каналу в обход отделителя NMC.
V4 - игольчатый
клапан.
Для взаимной
регулировки потоков через отделитель NMC и по обходному каналу.
SL - пробоотборная
магистраль для CO и
.
HSL1 -
подогреваемая пробоотборная магистраль для углеводородов.
2.
Разбавление отработавших газов и определение содержания в них вредных частиц
2.1. Введение
Подразделы 2.2 -
2.4 настоящего дополнения и рисунки Д.9 - Д.20 содержат детальные описания
рекомендуемых систем разбавления и отбора проб. Поскольку при различных
конфигурациях таких систем могут быть достигнуты эквивалентные результаты,
точное соответствие этим рисункам не требуется. Допускается использование
дополнительных компонентов, таких как измерительная аппаратура, клапаны, насосы
и переключатели, для получения дополнительной информации и координации работы
взаимодействующих систем. Компоненты, использование которых необязательно для
обеспечения необходимой точности функционирования систем, могут быть исключены,
если их исключение основано на проверенной инженерной практике.

Рисунок
Д.9. Система с частичным разбавлением потока,
изокинетическим
пробоотборником и частичным отбором проб.
Управление с
помощью вытяжного насоса SB

Рисунок
Д.10. Система с частичным разбавлением потока,
изокинетическим
пробоотборником и частичным отбором проб.
Управление с
помощью нагнетательного насоса PB

Рисунок
Д.11. Система с частичным
разбавлением
потока, частичным отбором проб
и измерением
концентрации
или


Рисунок
Д.12. Система с частичным разбавлением
потока, полным
отбором проб, измерением концентрации
и
использованием углеродного баланса

Рисунок
Д.13. Система с частичным разбавлением
потока, одинарной
трубкой Вентури, частичным
отбором проб и
измерением концентраций

Рисунок
Д.14. Система с частичным разбавлением потока,
двумя трубками
Вентури или двумя соплами, частичным
отбором проб и
измерением концентраций

Рисунок
Д.15. Система с частичным разбавлением
потока, разделением
потока по нескольким трубам,
частичным отбором
проб и измерением концентраций

Рисунок
Д.16. Система с частичным разбавлением
потока, полным отбором
проб и управлением расходом

Рисунок
Д.17. Система с частичным разбавлением
потока, частичным
отбором проб и управлением расходом

Рисунок
Д.18. Система разбавления
полного потока
отработавших газов

Рисунок
Д.19. Система отбора проб вредных частиц (PSS)

Рисунок
Д.20. Система двойного разбавления [DDS
(только для систем
с полным потоком отработавших газов)]
2.2.
Система частичного разбавления потока
Система
разбавления, изображенная на рисунках Д.9 - Д.17, основана на разбавлении части
потока отработавших газов. Разделение потока отработавших газов и последующий
процесс разбавления могут быть осуществлены с помощью разбавляющих систем
различных типов. Для последующего отбора вредных частиц весь поток разбавленных
отработавших газов или его часть направляется к системе отбора проб вредных
частиц (2.4 настоящего дополнения, рисунок Д.19). Первый метод - это метод
полного отбора проб, второй - метод частичного отбора проб.
Способ расчета
коэффициента разбавления зависит от используемой системы разбавления.
Рекомендуются следующие системы:
Изокинетические
системы (рисунки Д.9, Д.10).
В этих системах
скорость и давление потока в отводящем патрубке должны совпадать с
соответствующими параметрами основного потока отработавших газов и, поэтому,
требуется обеспечение невозмущенного и однородного потока у входа в
пробоотборник. Обычно это достигается использованием резонатора и трубы с
прямым участком перед входом в пробоотборник. Коэффициент разделения потоков в
этом случае рассчитывают на основе легкоизмеряемых величин, таких как диаметры
труб. Следует отметить, что изокинезис используется только для выравнивания
параметров потока, но не для определения соотношения геометрических размеров.
Последнее, как правило, не является необходимым, так как размеры вредных частиц
достаточно малы, и они перемещаются вместе с газовыми потоками.
Системы с
регулированием потока и измерением концентрации (рисунки Д.11 - Д.15).
В этих системах
проба отбирается из основного потока отработавших газов благодаря регулированию
потока разбавляющего воздуха и полного потока разбавленных отработавших газов.
Коэффициент разбавления определяют, основываясь на концентрации индикаторных
газов, таких как
или
,
естественным образом присутствующих в отработавших газах двигателя. Измеряют
концентрации в разбавленных отработавших газах и в разбавляющем воздухе, в то
время как концентрация в неразбавленных отработавших газах может быть измерена
непосредственно или рассчитана на основе расхода топлива и уравнения
углеродного баланса при условии, что состав топлива известен. Контроль систем
возможен по расчетному коэффициенту разбавления (рисунки Д.11, Д.12) или по
параметрам потока в отводящем патрубке (рисунки Д.10, Д.11, Д.12).
Системы с
регулированием потока и измерением расхода (рисунки Д.16 и Д.17).
В этих системах
проба отбирается из основного потока отработавших газов благодаря регулированию
потока разбавляющего воздуха и полного потока разбавленных отработавших газов.
Коэффициент разбавления определяют, основываясь на разности расходов этих двух
потоков. При этом требуется точная взаимная калибровка расходомеров, поскольку
неточности в значениях расходов одного потока относительно другого могут
привести к существенным ошибкам при высоких значениях коэффициента разбавления
(от 15 и выше). Управление потоками значительно упрощается, если расход
разбавленных отработавших газов поддерживать постоянным и изменять, по мере
надобности, расход разбавляющего воздуха.
При использовании
систем с частичным разбавлением следует избежать проблем, связанных с
осаждением вредных частиц в отводящем патрубке, и удостовериться, что из
отработавших газов двигателя извлекается представительная по составу проба.
Необходимо также тщательно определять коэффициент разделения потоков.
Использование описанных выше систем требует повышенного внимания к этим
ключевым проблемам.
Неразбавленные
отработавшие газы направляются из выпускной трубы EP в туннель для разбавления
DT по отводящему патрубку TT через изокинетический пробоотборник ISP. Разность
давлений отработавших газов в выпускной трубе и на входе в пробоотборник
улавливается датчиком давления DPT. Сигнал от датчика передается на регулятор
расхода FC1, который управляет вытяжным насосом SB для обеспечения нулевого
перепада давления у входа в пробоотборник. При соблюдении этого условия
скорости потоков отработавшего газа в выпускной трубе и пробоотборнике ISP
одинаковы, и поток, проходящий через ISP по отводящему патрубку TT,
представляет собой постоянную часть полного потока отработавших газов.
Коэффициент разделения определяют отношением поперечных площадей EP и ISP.
Расход потока разбавляющего воздуха измеряют расходомером FM1. Коэффициент
разбавления рассчитывают на основании расхода разбавляющего воздуха и
коэффициента разделения.
Неразбавленные
отработавшие газы направляются из выпускной трубы EP в туннель для разбавления
DT по отводящему патрубку TT через изокинетический пробоотборник ISP. Разность
давлений отработавших газов в выпускной трубе и на входе в пробоотборник
улавливается датчиком давления DPT. Сигнал от датчика DPT передается на
регулятор расхода FC1, который управляет нагнетательным насосом PB, служащим
для обеспечения нулевого перепада давления у входа в пробоотборник. Это
достигается забором части потока разбавляющего воздуха, расход которого уже
измерен расходомером FM1, и направлением его в подающий патрубок TT через
сопло. При соблюдении этого условия скорости потоков отработавшего газа в
выпускной трубе и пробоотборнике ISP одинаковы, и поток, проходящий через ISP
по отводящему патрубку TT, представляет собой постоянную часть полного потока
отработавших газов. Коэффициент разделения определяют отношением поперечных
площадей EP и ISP. Разбавляющий воздух извлекается из туннеля для разбавления
DT с помощью вытяжного насоса SB. Расход потока разбавляющего воздуха измеряют
расходомером FM1 на входе в туннель DT. Коэффициент разбавления рассчитывают на
основании расхода разбавляющего воздуха и коэффициента разделения потоков.
Неразбавленные
отработавшие газы направляются из выпускной трубы EP в туннель для разбавления
DT через пробоотборник SP по отводящему патрубку TT. Концентрации индикаторного
газа (
или
)
измеряют в неразбавленном и разбавленном потоках отработавших газов, а также в
разбавляющем воздухе с помощью анализатора(ов) отработавших газов EGA.
Соответствующие сигналы передаются на регулятор расхода FC2, который регулирует
работу либо нагнетательного насоса PB, либо вытяжного насоса SB с целью
обеспечить соответствующие разделение потоков отработавших газов и коэффициент
разбавления в туннеле DT. Коэффициент разбавления рассчитывают исходя из
концентраций индикаторных газов в неразбавленных и разбавленных отработавших
газах и в разбавляющем воздухе.
Неразбавленные
отработавшие газы направляются из выпускной трубы EP в туннель для разбавления
DT через пробоотборник SP по отводящему патрубку TT. Концентрации
измеряют в разбавленных отработавших газах и в
разбавляющем воздухе с помощью анализатора(ов) отработавших газов EGA. Сигналы,
информирующие о концентрации
и расходе топлива
,
передаются либо на регулятор расхода FC2, либо на регулятор расхода FC3 системы
отбора проб вредных частиц PSS (см. рисунок Д.19). Регулятор FC2 управляет
работой нагнетательного насоса PB, регулятор FC3 - работой насоса P для подачи
пробы в систему PSS (см. рисунок Д.19), тем самым регулируя расходы потоков на
входе в систему и выходе из нее, что обеспечивает соответствующие разделение
потоков отработавших газов и коэффициент разбавления в туннеле DT. Коэффициент
разбавления рассчитывают на основе концентрации
и расхода топлива
в предположении наличия углеродного баланса.
Неразбавленные
отработавшие газы направляются из выпускной трубы EP в туннель для разбавления
DT через пробоотборник SP по отводящему патрубку TT под воздействием
отрицательного давления, создаваемого в трубке Вентури VN, расположенной в
туннеле DT. Расход газового потока в патрубке TT зависит от обмена энергией в
зоне расположения трубки Вентури и, тем самым, зависит от абсолютной
температуры газа на выходе из патрубка TT. Следовательно, разделение потоков
отработавших газов для данного расхода в туннеле не является постоянным и
коэффициент разбавления при малых нагрузках несколько ниже, чем при высоких
нагрузках. Концентрации индикаторного газа (
или
)
измеряют в неразбавленных и разбавленных отработавших газах и в разбавляющем
воздухе с помощью анализатора(ов) отработавших газов EGA. Коэффициент
разбавления рассчитывают на основе полученных значений.
Неразбавленные
отработавшие газы направляются из выпускной трубы EP в туннель для разбавления
DT через пробоотборник SP по отводящему патрубку TT с помощью разделителя,
включающего в себя комплект трубок Вентури (сопел). Первая трубка (сопло) FD1
встроена в выпускную трубу EP, вторая FD2 - в патрубок TT. Кроме того, должны
быть установлены два регулирующих дросселя PCV1 и PCV2, обеспечивающих
неизменный уровень разделения потоков благодаря контролю противодавления в
выпускной трубе EP и давления в туннеле DT. Дроссель PCV1 расположен за
пробоотборником SP (по направлению потока) в выпускной трубе EP, а дроссель
PCV2 - между нагнетательным насосом PB и туннелем DT. Концентрации
индикаторного газа (
или
)
измеряют в разбавленных и неразбавленных отработавших газах и разбавляющем
воздухе с помощью газового анализатора(ов) EGA. Его использование необходимо
для проверки степени разделения отработавших газов и, возможно, для регулировки
дросселей PCV1 и PCV2, чтобы обеспечить более точное управление разделением
потоков. Коэффициент разбавления рассчитывают на основе концентраций
индикаторных газов.
Неразбавленные
отработавшие газы направляются из выпускной трубы EP в туннель для разбавления
по отводящему патрубку TT через разделитель потока FD3, состоящий из нескольких
труб, имеющих одинаковые геометрические параметры (диаметры, длины, радиусы
гибки) и вставленных в выпускную трубу EP. Через одну из этих труб отработавшие
газы направляются в туннель DT, а через остальные проходят в демпфирующую
камеру DC. Следовательно, значение коэффициента разделения потоков отработавших
газов зависит от общего числа труб в разделителе FD3. Поддержание неизменного
коэффициента разделения потоков требует нулевой разности между давлениями в
демпфирующей камере DC и на выходе из патрубка TT. Эта разность давлений
улавливается датчиком давлений DPT. Нулевая разность давления обеспечивается
подачей свежего воздуха в туннель DT в зону около выхода из TT. Концентрации
индикаторных газов (
или
)
измеряют в неразбавленных и разбавленных отработавших газах и в разбавляющем
воздухе с помощью анализатора(ов) отработавших газов EGA. Его (их)
использование необходимо для проверки разделения отработавших газов и возможно
для управления расходом подаваемого воздуха, чтобы более точно контролировать
разделение потоков отработавших газов. Коэффициент разбавления рассчитывают на
основе концентраций индикаторных газов.
Неразбавленные
отработавшие газы направляются из выпускной трубы EP в туннель для разбавления
DT через пробоотборник SP и отводящий патрубок TT. Полный поток в туннеле DT
контролируется регулятором расхода FC3 и насосом для подачи проб P в системе
отбора проб вредных частиц PSS (см. рисунок Д.19). Поток разбавляющего воздуха
контролируется регулятором расхода FC2, который может использовать расход
отработавших газов
,
расход воздуха
или расход топлива
в качестве управляющего сигнала с целью
обеспечить требуемое разделение потоков отработавших газов. Расход потока из
пробоотборника SP в туннеле DT определяют как разность суммарного расхода и
расхода разбавляющего воздуха. Расход разбавляющего воздуха определяют
расходомером FM1, суммарный расход - расходомером FM3 в системе PSS (см.
рисунок Д.19). Коэффициент разбавления рассчитывают на основе этих двух
расходов.
Неразбавленные
отработавшие газы направляются из выпускной трубы EP в туннель для разбавления
DT через пробоотборник SP и отводящий патрубок TT. Разделение потоков
отработавших газов и их расход в туннеле DT контролирует регулятор расхода FC2,
управляя расходами (или скоростями), создаваемыми нагнетательным насосом PB и
вытяжным насосом SB соответственно. Это возможно, поскольку проба, отбираемая
системой отбора проб вредных частиц PSS, возвращается в туннель DT. Возможно
использование расхода отработавших газов
,
расхода воздуха
или расхода топлива
в качестве управляющего сигнала для регулятора
FC2. Расход разбавляющего воздуха измеряют расходомером FM1, полный поток -
расходомером FM2. Коэффициент разбавления рассчитывают на основе этих двух
расходов.
2.2.1. Компоненты,
показанные на рисунках Д.9 - Д.17:
EP -
выпускная труба.
Выпускную трубу
можно изолировать. Для снижения тепловой инерции выпускной трубы рекомендуется
отношение толщины трубы к ее диаметру не более 0,015. Применение гибких секций
должно быть ограничено участками с отношением длины к диаметру не более 12.
Сгибы необходимо свести к минимуму, чтобы уменьшить отложения внутри трубы.
Если система включает в себя глушитель испытательного стенда, то его также
можно изолировать.
В выпускной трубе,
используемой с изокинетической системой, не должно быть колен, изгибов и резких
изменений диаметра на участке, определяемом расстоянием не менее шести
диаметров выпускной трубы до наконечника пробоотборника и трех диаметров
выпускной трубы за ним (по направлению потока отработавших газов). Скорость
газов в зоне пробоотборника должна составлять более 10 м/с, за исключением их
скорости в режиме холостого хода. Колебания давления отработавших газов не
должны превышать +/- 500 Па от среднего значения. Любые меры по снижению
амплитуды колебаний давления, дополнительные по отношению к выпускной системе,
используемой на шасси данного типа (включая глушитель и нейтрализатор), не должны
влиять на работу двигателя или вызывать осаждение вредных частиц.
Для систем без
изокинетического пробоотборника рекомендуется выпускная труба без изгибов и
изменения сечения на участке, определяемом расстоянием не менее шести диаметров
выпускной трубы до наконечника пробоотборника и трех диаметров выпускной трубы
за ним (по направлению потока отработавших газов).
SP - пробоотборник
(рисунки Д.11 - Д.14, Д.16, Д.17).
Внутренний диаметр
пробоотборника должен быть не менее 4 мм. Отношение диаметра выпускной трубы к
диаметру пробоотборника - не менее 4. Пробоотборник должен представлять собой
патрубок с открытым торцом, обращенным против направления потока и
расположенным на оси выпускной трубы, или же пробоотборник должен иметь
несколько отверстий и соответствовать описанию в 1.2.1, компонент SP1
настоящего дополнения (см. рисунок Д.5).
ISP -
изокинетический пробоотборник (рисунки Д.9, Д.10).
Изокинетический
пробоотборник должен быть установлен так, чтобы его торец был обращен против
направления потока и расположен на оси выпускной трубы в зоне, где
обеспечиваются условия для компонента SP. Конструкция пробоотборника должна
обеспечивать равномерный пропуск пробы неразбавленных отработавших газов.
Внутренний диаметр пробоотборника должен быть не менее 12 мм.
Для
изокинетического разделения потока отработавших газов необходима система
регулирования, устанавливающая нулевую разность давлений между выпускной трубой
EP и пробоотборником ISP. В этих условиях скорости потоков отработавших газов в
выпускной трубе и пробоотборнике одинаковы и массовый расход через
пробоотборник ISP представляет собой постоянную долю суммарного расхода
отработавших газов. Пробоотборник ISP должен быть подсоединен к датчику DPT,
улавливающему разность давлений. Нулевая разность давлений между выпускной
трубой EP и пробоотборником ISP должна быть обеспечена регулятором расхода FC1.
FD1, FD2 -
разделитель потоков (рисунок Д.14).
Комплект трубок
Вентури или калиброванных отверстий устанавливают в выпускную трубу EP и в
отводной патрубок TT для отвода соответствующей части потока неразбавленных
отработавших газов в пробоотборник. Регулирующая система, состоящая из двух
дросселей PCV1 и PCV2, регулирующих давление в выпускной трубе и туннеле для
разбавления DT, необходима для соответствующего разделения потоков отработавших
газов.
FD3 - разделитель
потока (рисунок Д.15).
Комплект труб
устанавливают в выпускную трубу для отвода соответствующей части потока
неразбавленных отработавших газов в пробоотборник. Одна из труб подает
отработавшие газы в туннель для разбавления DT, в то время как по другим трубам
отработавшие газы выходят в демпфирующую камеру DC. Трубы должны иметь
одинаковые геометрические параметры (диаметр, длину, радиусы гибки), чтобы
соотношение расходов разделяемых потоков зависело только от общего числа труб.
Для соответствующего разделения потоков необходима система регулирования,
поддерживающая нулевую разность давлений между выходом в камеру DC труб
комплекта и выходом в туннель DT патрубка TT. При этом условии скорости отработавших
газов в выпускной трубе EP и разделителе FD3 соответствуют одна другой и расход
в патрубке TT составляет неизменную часть полного потока отработавших газов. К
датчику разности давлений должны быть подсоединены выход из патрубка TT и вход
в демпфирующую камеру DC. Поддержание нулевой разности давлений обеспечивает
регулятор расхода FC1.
EGA -
анализатор отработавших газов (рисунки Д.11 - Д.15).
Могут быть
использованы анализаторы
и
. При
этом метод углеродного баланса применяют только для анализа
.
Указанные анализаторы калибруют так же, как и анализаторы для измерения
выбросов вредных газообразных веществ. Для определения различий в концентрациях
допускается использовать один или несколько анализаторов. Точность
измерительных систем должна быть такой, чтобы была обеспечена погрешность
измерения расхода разбавленных отработавших газов +/- 4%.
TT - отводящий
патрубок (рисунки Д.9 - Д.17).
Отводящий патрубок
должен:
- иметь возможно
меньшую длину, не превышающую 5 м;
- иметь внутренний
диаметр не менее диаметра пробоотборника, но не более 25 мм;
- достигать своей
концевой частью осевой линии туннеля для разбавления в направлении по движению
потока.
Если патрубок имеет
длину не более 1 м, его необходимо изолировать материалом с максимальной
теплопроводностью 0,05 Вт/(м x К) и толщиной (по радиусу), равной диаметру
пробоотборника. Если патрубок имеет длину более 1 м, он должен быть изолирован
и нагрет до температуры стенки не менее 523 К (250 °C).
DPT - датчик
разности давлений (рисунки Д.9, Д.10, Д.15).
Датчик разности
давлений должен иметь диапазон измерений не более +/- 500 Па.
FC1 - регулятор
расхода.
В изокинетических
системах (рисунки Д.9, Д.10) для поддержания нулевой разности давлений между
выпускной трубой и пробоотборником ISP требуется регулятор расхода.
Регулирование может быть осуществлено:
- управлением
скоростью или расходом потока, идущего через вытяжной насос SB, и поддержанием
постоянных скорости или расхода потока, идущего через нагнетательный насос PB,
во всех испытательных режимах или
- регулировкой
вытяжного насоса SB на постоянный расход по массе потока разбавленных
отработавших газов и управлением потоком, идущим через нагнетательный насос PB,
и, тем самым, потоком пробы отработавших газов в зону около наконечника
патрубка TT (рисунок Д.10).
В системе с
регулировкой давления остаточная ошибка в контуре регулирования должна быть не
более +/- 3 Па. Колебания давления в туннеле для разбавления не должны
превышать +/- 250 Па относительно среднего значения.
В системе с
несколькими трубами (рисунок Д.15) регулятор расхода обеспечивает соответствующее
разделение потока отработавших газов, создавая нулевую разность давления на
выходе из труб комплекта и на выходе из отводящего патрубка TT. Регулирование
заключается в управлении расходом потока воздуха, идущего в туннель DT, в зоне
около выходного отверстия патрубка TT.
PCV1, PCV2 -
дроссель, регулирующий давление (рисунок Д.14).
Для системы с двумя
управляющими трубками Вентури (или двумя калиброванными отверстиями) необходимы
два дросселя, регулирующих давление, для соответствующего разделения потока
путем управления противодавлением в выпускной трубе EP и давлением в туннеле
для разбавления DT. Один дроссель должен быть расположен в выпускной трубе за
наконечником пробоотборника SP (по направлению потока), а другой - между
нагнетательным насосом PB и туннелем для разбавления DT.
DC - демпфирующая
камера (рисунок Д.15).
Демпфирующая камера
должна быть установлена на выходе из комплекта труб для минимизации колебаний
давления в выпускной трубе EP.
VN - трубка Вентури
(рисунок Д.13).
Трубку Вентури
устанавливают в туннеле для разбавления DT, чтобы создать отрицательное
давление около выходного наконечника патрубка TT. Расход газового потока через
патрубок TT, определяемый обменом энергии в зоне трубки Вентури, в основном
пропорционален расходу в нагнетательном насосе PB, что способствует
неизменности коэффициента разбавления. Поскольку обмен энергии зависит от
температуры у выхода из патрубка TT и разности давлений в выпускной трубе EP и
туннеле DT, реальный коэффициент разбавления несколько ниже при малой нагрузке,
чем при высокой нагрузке.
FC2 - регулятор
расхода (рисунки Д.11, Д.12, Д.16, Д.17).
Регулятор расхода
может быть использован для управления расходом в нагнетательном насосе PB и
(или) в вытяжном насосе SB. К нему могут быть подведены сигналы от потоков
отработавших газов, воздуха или топлива и (или) отдельные сигналы от
или
.
При подаче воздуха
под давлением (рисунок Д.16) регулятор FC2 непосредственно управляет потоком
воздуха.
FM1 - расходомер
(рисунки Д.9, Д.10, Д.16, Д.17).
Расходомер для газа
или другие устройства, измеряющие потоки и служащие для измерения расхода
разбавляющего воздуха. Расходомер FM1 является факультативным прибором, если
нагнетательный насос PB калиброван для измерения расхода.
FM2 - расходомер
(рисунок Д.17).
Расходомер для газа
или другие устройства, измеряющие потоки и служащие для измерения расхода
разбавляющего воздуха. Расходомер FM2 является факультативным прибором, если
вытяжной насос SB калиброван для измерения расхода.
PB - нагнетательный
насос (рисунки Д.11 - Д.14, Д.17).
Для регулирования
расхода разбавляющего воздуха насос PB может быть соединен с регулятором
давления FC1 или FC2. Насос PB не применяют, если используют поворотную заслонку.
Нагнетательный насос PB может быть применен для измерения расхода разбавляющего
воздуха, если он соответствующим образом калиброван.
SB - вытяжной насос
(рисунки Д.9 - Д.11, Д.14, Д.15, Д.17).
Используется только
для частичного отбора проб. Насос SB может быть применен для измерения расхода
разбавленных отработавших газов, если он соответствующим образом калиброван.
DAF - фильтр
разбавляющего воздуха (рисунки Д.9 - Д.17).
Рекомендуется
фильтровать и очищать древесным углем разбавляющий воздух для устранения
фоновых углеводородов. По требованию изготовителей двигателей и в соответствии
с проверенной инженерной практикой должна быть взята проба разбавляющего
воздуха для определения фоновых концентраций вредных частиц, которые затем
вычитают из значений, полученных при измерении в разбавленных отработавших
газах.
DT - туннель для
разбавления.
Туннель для
разбавления:
- должен иметь
длину, достаточную для полного перемешивания отработавших газов с разбавляющим
воздухом в условиях турбулентного потока;
- должен быть
изготовлен из нержавеющей стали, имеющей:
отношение толщины к
диаметру не более 0,025 для туннелей внутренним диаметром более 75 мм,
номинальную толщину
не менее 1,5 мм для туннелей внутренним диаметром не более 75 мм;
- должен иметь
диаметр не менее 75 мм для систем с частичным отбором проб;
- рекомендуется
изготовлять диаметром не менее 25 мм для систем с полным отбором проб;
- может быть нагрет
до температуры стенки не более 325 К (52 °C) непосредственно или с помощью
предварительно нагретого разбавляющего воздуха при условии, что его температура
не превышает 325 К (52 °C) перед вводом отработавших газов в туннель для
разбавления;
- может иметь
изоляцию.
Отработавшие газы
двигателя должны быть тщательно перемешаны с разбавляющим воздухом. Для систем
с частичным отбором проб после ввода туннеля в эксплуатацию следует проверить
качество перемешивания путем измерения концентрации
при работающем двигателе, по меньшей мере, в
четырех равномерно расположенных точках туннеля. При необходимости допускается
применение смесительных сопел.
Примечание. Если
наружная температура около туннеля для разбавления (DT) менее 293 К (20 °C),
необходимо предусмотреть меры, чтобы избежать осаждения вредных частиц на
холодных стенках туннеля. Следовательно, рекомендуются нагрев и (или) изоляция
туннеля в установленных выше пределах.
При высоких
нагрузках на двигатель туннель может быть охлажден такими неагрессивными
средствами, как вентилятор, в периоды времени, когда температура охлаждающей
субстанции не опускается ниже 293 К (20 °C).
HE - теплообменник
(рисунки Д.14, Д.15).
Теплообменник
должен иметь объем, достаточный для поддержания температуры на входе в вытяжной
насос SB в диапазоне +/- 11 К (11 °C) относительно средней рабочей температуры,
наблюдаемой в испытании.
2.3.
Система с полным разбавлением потока
Система, показанная
на рисунке Д.18, основана на разбавлении всего потока отработавших газов в
соответствии с концепцией отбора пробы постоянного объема CVS. В этом случае
необходимо измерять полный объем смеси отработавших газов и разбавляющего
воздуха. Допускается применять как насос с объемным регулированием PDP, так и
трубку Вентури с критическим расходом CFV.
Для последующего
накопления вредных частиц проба разбавленных отработавших газов должна быть
направлена в систему отбора проб вредных частиц (2.4 настоящего дополнения,
рисунки Д.19 и Д.20). Если это осуществляется непосредственно, то имеет место
однократное разбавление. Если пробу разбавляют еще раз в дополнительном туннеле
для разбавления, то такую схему относят к системе с двойным разбавлением. Эта
схема полезна в случае, когда требования к температуре на поверхности фильтра
не могут быть выполнены при однократном разбавлении. Несмотря на то, что
система с двойным разбавлением в определенной степени относится к системам
разбавления, ее описание дано в 2.4 настоящего дополнения и на рисунке Д.20,
где описана система отбора проб вредных частиц, поскольку система с двойным
разбавлением использует большинство компонентов типовой системы отбора проб
вредных частиц.
Весь поток
неразбавленных отработавших газов перемешивается с разбавляющим воздухом в
туннеле для разбавления. Расход разбавленных отработавших газов измеряют с
помощью либо насоса с объемным регулированием PDP, либо трубки Вентури с
критическим расходом CFV. Для соответствующего выделения потока пробы, идущего
в устройство для определения вредных частиц, и для определения расхода может
быть использован теплообменник HE или электронный компенсатор расхода EFC. Так
как определение массы вредных частиц основано на анализе полного потока
разбавленных отработавших газов, отсутствует необходимость расчета коэффициента
разбавления.
2.3.1. Компоненты,
показанные на рисунке Д.18:
EP -
выпускная труба.
Длина выпускной
трубы от выпускного коллектора двигателя, выхода из турбонагнетателя или
каталитического нейтрализатора до входа в туннель для разбавления должна быть
не более 10 м. Если длина выпускной трубы превышает 4 м, то она, за исключением
участка длиной 4 м от выпускного коллектора двигателя, выхода из
турбонагнетателя или каталитического нейтрализатора, должна быть изолирована.
Исключение составляет также встроенный в трубу дымомер, если его используют.
Толщина изоляции должна быть не менее 25 мм. Теплопроводность изоляционного
материала, измеренная при температуре 673 К (400 °C), должна быть не более 0,1
Вт/(м x К). Для уменьшения тепловой инерции выпускной трубы рекомендуется
отношение толщины трубы к диаметру не более 0,015. Применение гибких секций
должно ограничиваться отношением их длины к диаметру не более 12.
PDP - насос с
объемным регулированием.
Насосом PDP
измеряют расход всего потока разбавленных отработавших газов, основываясь на
числе оборотов вала насоса и его рабочем объеме. Противодавление системы
выпуска не должно искусственно понижаться насосом PDP или системой впуска
разбавляющего воздуха. Статическое противодавление на выпуске, измеренное при
работающем насосе PDP, должно находиться в диапазоне +/- 1,5 кПа относительно
статического давления, измеренного при отсоединенном насосе PDP при тех же
частоте вращения двигателя и нагрузке. Температура газовой смеси
непосредственно перед входом в насос PDP должна быть в диапазоне +/- 6 К от
средней рабочей температуры, наблюдаемой в испытании при отсутствии
компенсатора расхода. Компенсатор расхода допускается применять только в том
случае, когда температура на входе в насос PDP не превышает 323 К (50 °C).
CVF - трубка
Вентури с критическим расходом.
Трубкой CVF
измеряют расход всего потока разбавленных отработавших газов, устанавливая
расход в условиях дросселирования (критический расход). Статическое
противодавление на выпуске, измеренное при подключенной трубке CVF, должно
находиться в диапазоне +/- 1,5 кПа от статического давления, измеренного при
отсоединенной трубке CVF при тех же частоте вращения двигателя и нагрузке.
Температура газовой смеси непосредственно перед входом в трубку CVF должна быть
в диапазоне +/- 11 К от средней рабочей температуры, наблюдаемой в испытании
при отсутствии компенсатора расхода.
HE - теплообменник
(факультативно, если используют компенсатор EFC).
Теплообменник должен
иметь объем, достаточный для поддержания температуры в указанных выше пределах.
EFC - электронный
компенсатор расхода.
Если температура на
входе в насос PDP или трубку CVF не поддерживается в пределах, установленных
выше, требуется система компенсации расхода, обеспечивающая непрерывное
измерение расхода и регулирование соответствующего разделения проб в системе
отбора проб вредных частиц. С этой целью используют непрерывно измеряемые
сигналы, корректирующие расход потока пробы, проходящего через фильтры для
осаждения вредных частиц системы отбора проб вредных частиц PSS (см. 2.4
настоящего дополнения и рисунки Д.19 и Д.20) соответственно.
DT -
туннель для разбавления.
Туннель для
разбавления должен:
- иметь достаточно
малый диаметр, чтобы создавать турбулентный поток (число Рейнольдса - более
4000), и достаточную длину, чтобы обеспечивать полное перемешивание
отработавших газов с разбавляющим воздухом; допускается использование
перемешивающих насадок;
- иметь диаметр не
менее 460 мм при системе однократного разбавления;
- иметь диаметр не
менее 210 мм при системе двойного разбавления;
- быть изолирован.
Отработавшие газы
двигателя должны при входе в туннель быть направлены по потоку и полностью
перемешаны.
В системе
однократного разбавления проба из туннеля для разбавления перетекает в систему
отбора проб вредных частиц PSS (2.4 настоящего дополнения и рисунок Д.19).
В системе двойного
разбавления проба из туннеля для разбавления перетекает в дополнительный
туннель для дальнейшего разбавления, а затем проходит в фильтры для осаждения
вредных частиц (2.4 настоящего дополнения и рисунок Д.20). Пропускная
способность насоса PDP или трубки CFV должна быть достаточной для протекания
разбавленного потока отработавших газов через туннель DT при температуре не
более 464 К (191 °C) в зоне входа в пробоотборник. Система дополнительного
разбавления должна обеспечивать подачу достаточного количества дополнительного
разбавляющего воздуха, чтобы поддерживать температуру дважды разбавленного
потока отработавших газов не более 325 К (52 °C) непосредственно перед первым
фильтром для осаждения вредных частиц.
DAF - фильтр
разбавляющего воздуха.
Рекомендуется
фильтровать и очищать древесным углем разбавляющий воздух для устранения
фоновых углеводородов. По требованию изготовителей двигателей и в соответствии
с проверенной инженерной практикой должна быть взята проба разбавляющего
воздуха для определения фоновых концентраций вредных частиц, которые затем
вычитают из значений, полученных при измерении в разбавленных отработавших
газах.
PSP - пробоотборник
для вредных частиц.
Пробоотборник -
основная часть патрубка отвода вредных частиц PTT. Пробоотборник:
- должен быть
установлен так, чтобы его торец был направлен против потока, в зоне, где
разбавляющий воздух и отработавшие газы хорошо перемешиваются, а именно, на оси
туннеля для разбавления DT на расстоянии, приблизительно, 10 диаметров по
направлению потока от той точки, где отработавшие газы входят в туннель для
разбавления;
- должен иметь
внутренний диаметр не менее 12 мм;
- может быть
подогрет, однако температура его стенок не должна превышать 325 К (52 °C).
Подогрев может быть как непосредственным, так и с помощью предварительно
нагретого разбавляющего воздуха при условии, что температура воздуха не
превышает 325 К (52 °C) перед входом в разбавляющий туннель отработавших газов;
- может иметь
изоляцию.
2.4.
Система отбора проб вредных частиц PSS
Система отбора проб
вредных частиц необходима для их осаждения на фильтре для отбора вредных
частиц. В случае полного отбора проб и частичного разбавления потока
отработавших газов, когда часть потока отработавших газов, подвергнутая
разбавлению, является пробой и целиком проходит через фильтр, система
разбавления (2.2 настоящего дополнения, рисунки Д.12 и Д.16) и система отбора
проб составляют, как правило, единый блок. В случае частичного отбора проб и
частичного или полного разбавления потока отработавших газов, когда через
фильтр проходит только часть разбавленных отработавших газов, система
разбавления (2.2 и 2.3 настоящего дополнения и рисунки Д.9 - Д.11, Д.13 - Д.15,
Д.17, Д.18) и система отбора проб, как правило, составляют отдельные блоки.
В настоящем
стандарте блок повторного разбавления (рисунок Д.20) системы полного
разбавления потока рассматривают как модификацию типовой системы отбора проб
вредных частиц (см. рисунок Д.19). Система дополнительного разбавления включает
в себя все основные элементы системы отбора проб вредных частиц, такие как
фильтродержатели, насос перекачки проб, а также некоторые элементы, служащие
для разбавления, такие как детали для подачи разбавляющего воздуха и туннель
для дополнительного разбавления.
Во избежание любых
помех в контурах регулирования рекомендуется, чтобы насос для перекачки проб
работал в течение всей процедуры испытаний. В случае применения метода с одним
фильтром следует использовать систему с обходным каналом, чтобы направлять пробы
к фильтрам для отбора проб в соответствующие моменты времени. Влияние процедуры
переключения потоков на контуры регулирования необходимо свести к минимуму.
Проба разбавленных
отработавших газов (см. рисунок Д.19) отбирается из туннеля для разбавления DT
системы полного или частичного разбавления и пропускается через пробоотборник
вредных частиц PSP и патрубок отвода вредных частиц PTT с помощью насоса для
перекачки пробы P. Проба проходит через фильтродержатель (фильтродержатели) FH,
содержащий фильтры для осаждения проб вредных частиц. Расход потока пробы
контролируется регулятором расхода FC3. Если используют электронный компенсатор
расхода EFC (см. рисунок Д.18), расход разбавленных отработавших газов служит
управляющим сигналом для регулятора FC2.
Проба разбавленных
отработавших газов (см. рисунок Д.20) направляется из туннеля для разбавления
DT системы полного разбавления потока через пробоотборник вредных частиц PSP и
патрубок отвода вредных частиц PTT в туннель для дополнительного разбавления
SDT, где она разбавляется вторично. Затем проба проходит через фильтродержатель
(фильтродержатели) FH, где установлены фильтры для осаждения вредных частиц.
Расход разбавляющего воздуха, как правило, постоянный, поскольку расход пробы
контролируется регулятором расхода FC3. Если используют электронный компенсатор
расхода EFC (см. рисунок Д.18), то суммарный расход разбавленных отработавших
газов служит управляющим сигналом для регулятора FC3.
2.4.1. Компоненты,
показанные на рисунках Д.19 и Д.20:
PTT - патрубок отвода
вредных частиц (рисунки Д.19 и Д.20).
Длина патрубка
отвода вредных частиц должна быть минимальной и не превышать 1020 мм. Где это
применимо (например, для систем с частичным разбавлением потока и с частичным
отбором проб и систем с полным разбавлением потока), длина пробоотборника (SP,
ISP, PSP - см. 2.2 и 2.3 настоящего дополнения) должна быть включена в общую
длину патрубка PTT.
Длину патрубка PTT
определяют:
- для системы с
частичным разбавлением потока и частичным отбором проб и систем с полным однократным
разбавлением потока - от наконечника пробоотборника (SP, ISP, PSP
соответственно) до входа в фильтродержатель;
- для систем с
частичным разбавлением потока и полным отбором проб - от окончания туннеля для
разбавления до входа в фильтродержатель;
- для систем с
полным двукратным разбавлением потока - от наконечника пробоотборника PSP до
туннеля для повторного разбавления.
Патрубок отвода:
- может быть
подогрет, однако температура его стенок не должна превышать 325 К (52 °C).
Подогрев может быть как непосредственным, так и предварительно нагретым
разбавляющим воздухом при условии, что его температура не превышает 325 К (52
°C) перед поступлением в туннель для разбавления отработавших газов;
- может быть
изолирован.
SDT - туннель для
дополнительного разбавления (рисунок Д.20).
Туннель для
дополнительного разбавления должен иметь диаметр не менее 75 мм и быть
достаточной длины для того, чтобы обеспечить время задержки дважды разбавленной
пробы не менее 0,25 с. Первичный фильтродержатель FH должен быть расположен на
расстоянии не более 300 мм от выхода из туннеля SDT.
Туннель для
дополнительного разбавления:
- может быть
подогрет, однако температура его стенок не должна превышать 325 К (52 °C).
Подогрев может быть как непосредственным, так и предварительно нагретым
разбавляющим воздухом при условии, что его температура не превышает 325 К (52
°C) перед поступлением в туннель для разбавления отработавших газов;
- может быть
изолирован.
FH -
фильтродержатель (фильтродержатели) (рисунки Д.19 и Д.20).
Для основного и
дополнительного фильтров могут быть использованы общие или отдельные
фильтродержатели. Должны быть выполнены требования 4.1.3 дополнения 4 к
Приложению Д.
Фильтродержатель
(фильтродержатели):
- может быть
подогрет, однако температура его стенок не должна превышать 325 К (52 °C).
Подогрев может быть как непосредственным, так и предварительно нагретым
разбавляющим воздухом при условии, что его температура не превышает 325 К (52
°C) перед поступлением в туннель для разбавления отработавших газов;
- может быть
изолирован.
P - насос для
перекачки проб (рисунки Д.19 и Д.20).
Насос для перекачки
проб вредных частиц должен быть расположен на расстоянии от туннеля для
разбавления, достаточном для поддержания постоянной температуры на входе в
насос с предельными отклонениями +/- 3 К, если не предусмотрена коррекция
расхода с помощью регулятора FC3.
DP - насос для
подачи разбавляющего воздуха (рисунок Д.20).
Насос для подачи
разбавляющего воздуха должен быть расположен так, чтобы воздух для
дополнительного разбавления имел температуру 298 К +/- 5 К (25 °C +/- 5 °C),
если он не был подогрет предварительно.
FC3 - регулятор
расхода (рисунки Д.19 и Д.20).
Регулятор расхода
применяют для компенсации влияния на расход пробы вредных частиц изменений
температуры и противодавления в пробоотборной магистрали в случае невозможности
использования других средств. Регулятор расхода необходим при использовании
компенсатора EFC (рисунок Д.18).
FM3 - расходомер
(рисунки Д.19 и Д.20).
Газовый расходомер
или другое устройство для измерения расхода пробы вредных частиц должно быть
расположено на достаточном расстоянии от насоса для перекачки проб P, так чтобы
температура газа на входе оставалась постоянной с предельными отклонениями +/-
3 К, если коррекция с помощью регулятора FC3 не применена.
FM4 - расходомер
(рисунок Д.20).
Газовый расходомер
или другое устройство для измерения расхода разбавляющего воздуха располагают
так, чтобы температура газа на входе составляла 298 К +/- 5 К (25 °C +/- 5 °C).
BV - шаровой затвор
(факультативно, рисунки Д.19 и Д.20).
Шаровой затвор
должен иметь внутренний диаметр не менее чем внутренний диаметр патрубка отвода
вредных частиц PTT и время переключения менее 0,5 с.
Примечание. Если
наружная температура около пробоотборника PSP, патрубка PTT, туннеля SDT и
фильтродержателей FH менее 293 К (20 °C), необходимо предусмотреть меры,
исключающие осаждение вредных частиц на холодных стенках этих устройств.
Поэтому рекомендуют подогрев и (или) изоляцию указанных устройств в границах,
устанавливаемых соответствующими предписаниями. Рекомендуется также, чтобы
температура на поверхности фильтра в процессе осаждения пробы была не менее 293
К (20 °C).
При работе
двигателя при высоких нагрузках вышеупомянутые устройства можно охлаждать
неагрессивными средствами, такими как вентилятор, если температура охлаждающей
субстанции не опускается ниже 293 К (20 °C).
3.
Определение дымности
3.1. Введение
Подразделы 3.2, 3.3
настоящего дополнения и рисунки Д.21 и Д.22 содержат подробные описания
рекомендуемых дымомеров. Поскольку на дымомерах различных модификаций могут
быть получены эквивалентные результаты, точное соответствие дымомера рисункам
Д.21 и Д.22 не требуется. Допускается использование дополнительных компонентов,
таких как измерительная аппаратура, клапаны, соленоиды, насосы и переключатели,
для получения дополнительной информации и для координации функций отдельных
систем. Другие компоненты, функционирование которых не вызвано необходимостью
обеспечить точность работы отдельных систем, могут быть исключены, если их
исключение основано на проверенной инженерной практике.

Рисунок
Д.21. Полнопоточный дымомер

Рисунок
Д.22. Дымомер на частичном потоке
Принцип измерения
дымности заключается в том, что параметры светового луча, проходящего сквозь
дымовой столб определенной длины, измеряют и часть этого первоначального луча,
достигшую светоприемника, используют для оценки параметров светопоглощения
среды. Способы измерения дымности зависят от конструкции аппаратуры, и это
измерение может быть проведено в выпускной трубе (полнопоточный встроенный дымомер)
или на концевой части выпускной трубы (полнопоточный концевой дымомер), или
путем отвода пробы из выпускной трубы (дымомер на частичном потоке). Для
определения коэффициента светопоглощения по сигналу затухания изготовитель
инструмента должен указать оптическую базу дымомера.
3.2.
Полнопоточный дымомер
Могут быть
использованы полнопоточные дымомеры двух основных типов (рисунок Д.21). При
встроенном дымомере измеряют светопоглощение полного дымового заряда,
находящегося в выпускной трубе вместе с отработавшими газами. В дымомере этого
типа эффективная оптическая база определяется конструкцией дымомера.
При концевом
дымомере светопоглощение полного дымового заряда измеряют на выходе из
выпускной трубы. В дымомере этого типа эффективная оптическая база определяется
конструкцией выпускной трубы и расстоянием между торцом выпускной трубы и
дымомером.
3.2.1. Компоненты
дымомера, изображенные на рисунке Д.21:
EP - выпускная
труба.
При использовании
встроенного дымомера не должно быть никаких изменений диаметра выпускной трубы
на участках длиной до трех диаметров выпускной трубы до входа в зону измерений
и за выходом из нее. Если диаметр зоны измерений больше диаметра выпускной
трубы, рекомендуется плавный переход от выпускной трубы к зоне измерений перед
входом в эту зону.
В случае
использования концевого дымомера концевая часть выпускной трубы длиной 0,6 м
должна иметь круглое поперечное сечение и на этом участке не должно быть
изгибов и колен. Торец выпускной трубы должен быть обрезан перпендикулярно к
оси трубы. Дымомер должен быть установлен по оси выходящего из трубы дымового
заряда на расстоянии (25 +/- 5) мм от торца выпускной трубы.
OPL - оптическая
база дымомера.
Длина пути,
проходимого лучом в дымомере через задымленное пространство от источника света
до светоприемника, корректированная, если требуется, с учетом неравномерной
плотности и краевого эффекта. Оптическую базу дымомера устанавливает его
изготовитель с учетом любых мер, принимаемых против образования сажи (например,
использования продувочного воздуха). Если оптическая база дымомера неизвестна,
ее определяют в соответствии с [4], пункт 11.6.5. Для правильного определения
оптической базы дымомера необходимо обеспечить скорость потока не менее 20 м/с.
LS - источник
света.
Источником света
должна быть лампа накаливания с цветовой температурой от 2800 К до 3250 К или
светодиод, излучающий зеленый свет (LED) с пиком спектра в диапазоне от 550 до
570 нм. Источник света должен быть защищен от отложений сажи средствами,
которые не влияют на оптическую базу, выводя ее за пределы диапазона,
установленного изготовителем.
LD - фотоприемник.
Фотоприемником
должен быть фотоэлемент или фотодиод (с фильтром, если это необходимо). В
случае использования лампы накаливания в качестве источника света светоприемник
должен иметь пиковую спектральную реакцию, подобную фототопической реакции
человеческого глаза (максимальную реакцию) в диапазоне от 550 до 570 нм с
уменьшением до значений, составляющих менее 4% максимальной реакции, в
диапазонах спектра ниже 430 нм и выше 680 нм. Фотоприемник должен быть защищен
от отложений сажи средствами, которые не влияют на оптическую базу, выводя ее
за пределы диапазона, установленного изготовителем.
CL - коллиматорная
линза.
Излучаемый световой
пучок должен быть конвертирован в луч, имеющий в сечении максимальный диаметр
30 мм. Расхождение луча не должно выходить за пределы конуса с углом отклонения
от оптической оси 3°.
T1 - датчик
температуры (факультативно).
Температура
отработавших газов может быть измерена в процессе испытания.
3.3.
Дымомер на частичном потоке
В случае дымомера
на частичном потоке (рисунок Д.22) представительная проба отработавших газов,
отобранная из выпускной трубы, проходит через отводящий патрубок в
измерительную камеру. В дымомере данного типа эффективная оптическая база
зависит от конструкции дымомера. Значения времени реакции, указанные в
следующем пункте, применимы к минимальному расходу газов, проходящих через
дымомер, устанавливаемому изготовителем прибора.
3.3.1. Компоненты,
показанные на рисунке Д.22:
EP - выпускная
труба.
Выпускная труба
должна быть прямой на участке длиной не менее шести диаметров трубы до
наконечника пробоотборника и на участке длиной не менее трех диаметров трубы за
этим наконечником (по направлению потока).
SP - пробоотборник.
Пробоотборник
должен иметь открытый торец, обращенный против направления потока,
расположенный на оси выпускной трубы или вблизи нее. Расстояние между отводящим
патрубком и стенкой выпускной трубы должно быть не менее 5 мм. Диаметр
отверстия пробоотборника должен обеспечивать отбор репрезентативной пробы и
достаточно интенсивный поток через дымомер.
TT - отводящий
патрубок.
Отводящий патрубок
должен:
- иметь возможно
меньшую длину и обеспечивать температуру отработавших газов 373 К +/- 30 К (100
°C + 30 °C) на входе в измерительную камеру;
- иметь температуру
стенок выше точки росы отработавших газов на значение, достаточное для
предотвращения конденсации;
- меть по всей
длине диаметр, равный диаметру пробоотборника;
- иметь время
реакции (см. определение в 5.2.4 дополнения 4 к Приложению Д) менее 0,05 с при
минимальном потоке, проходящем через дымомер;
- не оказывать
существенного влияния на максимум дымности.
FM - расходомер.
Прибор для
определения реального расхода в измерительной камере. Минимальное и
максимальное значения расхода должен устанавливать изготовитель расходомера, и
они должны быть такими, чтобы удовлетворять требованиям к времени реакции
отводящего патрубка и оптической базе. Расходомер может быть расположен около
насоса для перекачки проб P, если его применяют.
MC - измерительная
камера.
Измерительная
камера должна иметь не дающую отражения внутреннюю поверхность или окружающее
пространство с аналогичными свойствами. Попадание постороннего света на фотоприемник
из-за внутренних отблесков при диффузии света должно быть сведено к минимуму.
Давление газа в
измерительной камере не должно отличаться от атмосферного давления более чем на
0,75 кПа. Там, где это условие не может быть выполнено из-за особенностей
конструкции, показания дымомера должны быть приведены к атмосферному давлению.
Температуру стенок
измерительной камеры следует поддерживать неизменной от 343 К (70 °C) до 373 К
(100 °C) с отклонениями от устанавливаемого значения +/- 5 К, но в любом случае
выше точки росы отработавших газов на значение, достаточное для предотвращения
конденсации.
Измерительная
камера должна быть оборудована соответствующими устройствами для измерения
температуры.
OPL - оптическая
база.
Длина пути,
проходимого лучом в дымомере через задымленное пространство от источника света
до светоприемника, корректированная, при необходимости, с учетом неравномерной
плотности и краевого эффекта. Оптическую базу дымомера устанавливает его
изготовитель с учетом любых мер, принимаемых против образования сажи (например,
использования продувочного воздуха). Если оптическая база дымомера неизвестна,
ее определяют в соответствии с [4], пункт 11.6.5.
LS - источник
света.
Источником света
должна быть лампа накаливания с цветовой температурой от 2800 К до 3250 К или
светодиод, излучающий зеленый свет (LED) с пиком спектра в диапазоне от 550 до
570 нм. Источник света должен быть защищен от отложений сажи средствами,
которые не влияют на оптическую базу, выводя ее за пределы диапазона,
установленного изготовителем.
LD - фотоприемник.
Фотоприемником
должен быть фотоэлемент или фотодиод (с фильтром, если это необходимо). В
случае использования лампы накаливания в качестве источника света светоприемник
должен иметь пиковую спектральную реакцию, подобную фототопической реакции
человеческого глаза (максимальную реакцию) в диапазоне от 550 до 570 нм с
уменьшением до значений, составляющих менее 4% максимальной реакции, в
диапазонах спектра ниже 430 нм и выше 680 нм. Фотоприемник должен быть защищен
от отложений сажи средствами, которые не влияют на оптическую базу, выводя ее
за пределы диапазона, установленного изготовителем.
CL - коллиматорная
линза.
Излучаемый световой
пучок должен быть конвертирован в луч, имеющий в сечении максимальный диаметр
30 мм и параллельный оптической оси. Отклонения границ луча от этой оси не
должны превышать 3°.
T1 - датчик
температуры.
Для отслеживания
температуры отработавших газов на входе в измерительную камеру.
P - насос для
перекачки пробы (факультативно).
За измерительной камерой
(по направлению потока) может быть установлен насос для перекачки пробы через
измерительную камеру.
Приложение
Е
(обязательное)
ТЕХНИЧЕСКИЕ
ХАРАКТЕРИСТИКИ ЭТАЛОННОГО
ТОПЛИВА ДЛЯ
ДВИГАТЕЛЕЙ С ВОСПЛАМЕНЕНИЕМ ОТ СЖАТИЯ,
ПРЕДНАЗНАЧЕННОГО
ДЛЯ СЕРТИФИКАЦИОННЫХ ИСПЫТАНИЙ
И ПОДТВЕРЖДЕНИЯ
СООТВЕТСТВИЯ ПРОИЗВОДСТВА
Таблица Е.1
Дизельное топливо
<1>
┌───────────────────────────────┬─────────┬───────────────┬───────────────┐
│ Показатель │ Единица │ Предельное
│Метод испытания│
│
│измерения│ значение <2> │ │
│ │
├───────┬───────┤ │
│ │ │мини- │макси- │ │
│ │
│мальное│мальное│ │
├───────────────────────────────┼─────────┼───────┼───────┼───────────────┤
│
Цетановое число <3>
│ │ 52
│ 54 │ ИСО 5165 [5] │
├───────────────────────────────┼─────────┼───────┼───────┼───────────────┤
│
Плотность при 15 °C
│ кг/м3 │
833 │ 837
│ ИСО 3675 [6] │
├───────────────────────────────┼─────────┼───────┼───────┼───────────────┤
│
Перегонка:
│ │ │ │
│
│
- температура перегонки 50%
│ °C │
245 │ │ ИСО 3405 [7] │
│объема │ │ │ │ │
│
├─────────┼───────┼───────┼───────────────┤
│
- температура перегонки 90%
│ °C │
345 │ 350
│ ИСО 3405 [7] │
│объема │ │ │ │ │
│
├─────────┼───────┼───────┼───────────────┤
│
- температура конечной точки
│ °C │
- │ 370
│ ИСО 3405 [7] │
│кипения │ │ │ │ │
├───────────────────────────────┼─────────┼───────┼───────┼───────────────┤
│
Температура вспышки
│ °C │
55 │ -
│ ИСО 2719 [8] │
├───────────────────────────────┼─────────┼───────┼───────┼───────────────┤
│
Точка закупорки холодного
│ °C │
- │ -5
│ ЕН 116 [9] │
│фильтра
(CFPP) │ │ │ │ │
├───────────────────────────────┼─────────┼───────┼───────┼───────────────┤
│
Вязкость при 40 °C
│ мм2/с │
2,5 │ 3,5
│ ГОСТ 33 │
├───────────────────────────────┼─────────┼───────┼───────┼───────────────┤
│
Содержание полициклических
│ % │
3,0 │ 6,0
│JP 391 <4> [10]│
│ароматических
углеводородов
│(массовая│
│ │ │
│ │ доля)
│ │ │ │
├───────────────────────────────┼─────────┼───────┼───────┼───────────────┤
│
Содержание серы <5>
│ мг/кг │
- │ 300
│ИСО 14596 [11] │
├───────────────────────────────┼─────────┼───────┼───────┼───────────────┤
│
Коррозия медной пластины
│ - │
- │ 1
│ ИСО 2160 [12] │
├───────────────────────────────┼─────────┼───────┼───────┼───────────────┤
│
Углеродистый осадок
│ % │
- │ 0,2
│ИСО 10370 [13] │
│по
Конрадсону, 10% DR
│(массовая│
│ │ │
│ │ доля)
│ │ │ │
├───────────────────────────────┼─────────┼───────┼───────┼───────────────┤
│
Содержание золы
│ % │
- │ 0,01 │ ИСО 6245 [14] │
│
│(массовая│
│ │ │
│ │ доля)
│ │ │ │
├───────────────────────────────┼─────────┼───────┼───────┼───────────────┤
│
Содержание воды
│ % │
- │ 0,05 │ИСО 12937 [15] │
│ │(массовая│ │ │ │
│ │ доля)
│ │ │ │
├───────────────────────────────┼─────────┼───────┼───────┼───────────────┤
│
Индекс нейтрализации │мг
KOH/г │ - │ 0,02
│ASTM D 974 [16]│
│(концентрированная
кислота) │ │ │ │ │
├───────────────────────────────┼─────────┼───────┼───────┼───────────────┤
│
Устойчивость к окислению <6>
│ мг/см3 │ -
│ 0,025 │ИСО 12205 [17] │
├───────────────────────────────┴─────────┴───────┴───────┴───────────────┤
│
<1> Если требуется рассчитать термический КПД двигателя или
ТС, то│
│теплотворную
способность топлива можно рассчитать исходя из следующего: │
│ Удельная энергия (низшая теплотворная
способность) E , МДж/кг: │
│
уд │
│
│
│ 2 1 │
│ E =
(46,423 - 8,792d + 3,170d)[1 - --- (x +
y + s)] + 0,09420s - │
│ уд 100 │
│
│
│
- 0,02499x,
│
│
│
│ где d - плотность при 15 °C;
│
│ x - содержание воды, % (массовая доля); │
│ y - содержание золы, % (массовая
доля);
│
│ s - содержание серы, % (массовая
доля).
│
│
<2> Значения показателей,
устанавливаемые в таблице,
- это│
│"фактические
значения". При этом
используются статистические методы,│
│описанные
в международном стандарте ИСО
4259 [18]. При
установлении│
│минимального значения
показателя принята минимальная
разность 2R│
│относительно нулевого
значения, при установлении минимального и│
│максимального значений
- минимальная разность
4R (где R
-│
│воспроизводимость).
Однако, несмотря на эти критерии, которые
необходимы│
│по
статистическим соображениям, изготовитель топлива должен стремиться к│
│нулевому
значению, если принято максимальное отклонение, равное 2R, и
к│
│среднему значению
в случае ссылки
на минимальное и
максимальное│
│предельные
значения. Если появится необходимость выяснить,
соответствует│
│ли
топливо устанавливаемым
требованиям, то следует
применить методы,│
│описанные
в [18].
│
│
<3> Диапазон значений цетанового числа не
соответствует требованию│
│соблюдения минимального
диапазона, равного 4R.
Однако в случае│
│возникновения
разногласий между изготовителем и потребителем топлива для│
│их
разрешения могут быть применены методы
[18] при условии
повторения│
│измерений
в объеме, достаточном
для достижения необходимой
точности│
│результатов,
что предпочтительнее однократного измерения. │
│
<4> Более совершенный метод испытаний изложен в европейском
стандарте│
│ЕН
12916 [19]. │
│
<5> Реальное содержание серы в топливе, используемом
в испытаниях,│
│должно
быть указано. Кроме того, содержание
серы в эталонном
топливе,│
│используемом
для сертификации ТС или двигателя, по предельным значениям,│
│установленным
в строке B таблицы в 5.2.1 настоящего стандарта, не должно│
│ -1
│
│превышать
50 млн .
│
│
<6> Несмотря на наличие контроля устойчивости к окислению,
желательно│
│ограничить
срок хранения эталонного топлива. Поставщик должен представить│
│указания
по условиям и сроку хранения. │
└─────────────────────────────────────────────────────────────────────────┘
Таблица Е.2
Этанол для
дизельных двигателей <1>
|
Показатель
|
Единица
измерения
|
Предельное
значение <2>
|
Метод
испытания
<3>
|
|
мини-
мальное
|
макси-
мальное
|
|
Содержание спиртов
|
%
(массовая
доля)
|
92,4
|
-
|
ASTM
D 5501 [20]
|
|
Содержание спиртов, отличных
от этанола, в общем количестве
спиртов
|
%
(массовая
доля)
|
-
|
2
|
ASTM
D 5501 [20]
|
|
Плотность при 15 °C
|
кг/м3
|
795
|
815
|
ASTM
D 4052 [21]
|
|
Содержание золы
|
%
(массовая
доля)
|
-
|
0,001
|
ИСО 6245 [14]
|
|
Температура вспышки
|
°C
|
10
|
|
ИСО 2719 [8]
|
|
Кислотность, рассчитываемая
как содержание уксусной
кислоты
|
%
(массовая
доля)
|
-
|
0,0025
|
ИСО
1388-2 [22]
|
|
Индекс нейтрализации (сильная
кислота)
|
KOH
мг/дм3
|
-
|
1
|
|
|
Цвет
|
По
шкале
|
-
|
10
|
ASTM
D 1209 [23]
|
|
Сухой остаток при 100 °C
|
мг/кг
|
|
15
|
ИСО 759 [24]
|
|
Содержание воды
|
%
(массовая
доля)
|
-
|
6,5
|
ИСО 760 [25]
|
|
Содержание альдегидов,
рассчитываемое как содержание
уксусной кислоты
|
%
(массовая
доля)
|
|
0,0025
|
ГОСТ Р 50468
|
|
Содержание серы
|
мг/кг
|
-
|
10
|
ASTM
D 5453 [26]
|
|
Содержание сложных эфиров,
рассчитываемое как содержание
этилацетата
|
%
(массовая
доля)
|
-
|
0,1
|
ASTM
D 1617 [27]
|
|
<1> К этаноловому топливу по требованию изготовителя
двигателя может
быть добавлена присадка,
повышающая цетановое число.
Максимально
допустимое содержание (по массе) - 10%.
<2> Значения
показателей,
устанавливаемые в таблице,
- это
"фактические значения".
При этом используются статистические методы,
описанные в международном
стандарте ИСО 4259
[18]. При установлении
минимального значения показателя
принята минимальная разность
2R
относительно нулевого значения,
при установлении минимального и
максимального значений -
минимальная разность 4R
(где R -
воспроизводимость). Однако, несмотря на эти критерии, которые необходимы
по статистическим соображениям, изготовитель топлива должен стремиться к
нулевому значению, если принято максимальное отклонение, равное 2R, и к
среднему значению в
случае ссылки на
минимальное и максимальное
предельные значения. Если появится необходимость выяснить, соответствует
ли топливо устанавливаемым
требованиям, то следует
применить методы,
описанные в [18].
<3> Для
определения всех свойств,
указанных в таблице,
будут
применены эквивалентные методы испытаний, устанавливаемые международными
стандартами ИСО, по мере введения в действие соответствующих стандартов.
|
Приложение
Ж
(обязательное)
ТЕХНИЧЕСКИЕ
ХАРАКТЕРИСТИКИ ЭТАЛОННОГО ПРИРОДНОГО ГАЗА,
ПРЕДНАЗНАЧЕННОГО
ДЛЯ СЕРТИФИКАЦИОННЫХ ИСПЫТАНИЙ
И ПОДТВЕРЖДЕНИЯ
СООТВЕТСТВИЯ ПРОИЗВОДСТВА
Тип: природный газ
(ПГ)
Европейский рынок
предлагает ПГ в двух группах:
- группа H,
предельными эталонными топливами для которой являются GR и G23;
- группа L,
предельными эталонными топливами для которой являются G23 и G25.
Характеристики
эталонных топлив GR, G23 и G25 приведены ниже:
Таблица Ж.1
Эталонное топливо
GR
┌────────────────────┬───────────┬────────┬───────────────┬───────────────┐
│ Состав │
Единица │Базовое
│ Предельное │Метод испытания│
│ │ измерения
│значение│ значение │
│
│ │ │
├───────┬───────┤ │
│ │ │ │мини- │макси- │ │
│ │ │
│мальное│мальное│ │
├────────────────────┼───────────┼────────┼───────┼───────┼───────────────┤
│Метан │% (молярная│ 87
│ 84 │
89 │ -
│
│ │ доля)
│ │ │ │ │
├────────────────────┼───────────┼────────┼───────┼───────┼───────────────┤
│Этан │% (молярная│ 13
│ 11 │
15 │ -
│
│ │ доля)
│ │ │ │ │
├────────────────────┼───────────┼────────┼───────┼───────┼───────────────┤
│Баланс
<1> │%
(молярная│ - │
- │ 1
│ ИСО 6974 [28] │
│ │ доля)
│ │ │ │ │
├────────────────────┼───────────┼────────┼───────┼───────┼───────────────┤
│Содержание
серы <2> │ мг/м3 │
- │ -
│ 10 │ИСО 6326-5 [29]│
├────────────────────┴───────────┴────────┴───────┴───────┴───────────────┤
│ <1> Инертные газы + C .
│
│ 2 │
│ <2> Показатель измеряют
при стандартных атмосферных
условиях:│
│температуре
293 К (20 °C) и давлении 101,3 кПа. │
└─────────────────────────────────────────────────────────────────────────┘
Таблица Ж.2
Эталонное топливо
G23
┌────────────────────┬───────────┬────────┬───────────────┬───────────────┐
│ Состав │
Единица │Базовое
│ Предельное │Метод испытания│
│ │ измерения
│значение│ значение │ │
│ │ │
├───────┬───────┤ │
│ │ │ │мини- │макси- │ │
│ │ │
│мальное│мальное│ │
├────────────────────┼───────────┼────────┼───────┼───────┼───────────────┤
│Метан │% (молярная│ 92,5
│ 91,5 │ 93,5 │
- │
│ │ доля)
│ │ │ │ │
├────────────────────┼───────────┼────────┼───────┼───────┼───────────────┤
│Баланс
<1> │%
(молярная│ - │
- │ 1
│ ИСО 6974 [28] │
│ │ доля)
│ │ │ │ │
├────────────────────┼───────────┼────────┼───────┼───────┼───────────────┤
│N │%
(молярная│ 7,5 │
6,5 │ 8,5
│ - │
│
2 │ доля)
│ │ │ │ │
├────────────────────┼───────────┼────────┼───────┼───────┼───────────────┤
│Содержание
серы <2> │ мг/м3 │
- │ -
│ 10 │ИСО 6326-5 [29]│
├────────────────────┴───────────┴────────┴───────┴───────┴───────────────┤
│
<1> Инертные газы (отличные от N ) + C /C . │
│ 2 2
2+
│
│ <2>
Показатель измеряют при
стандартных атмосферных условиях:│
│температуре
293 К (20 °C) и давлении 101,3 кПа. │
└─────────────────────────────────────────────────────────────────────────┘
Таблица Ж.3
Эталонное топливо
G25
┌────────────────────┬───────────┬────────┬───────────────┬───────────────┐
│ Состав │
Единица │Базовое
│ Предельное │Метод испытания│
│ │ измерения
│значение│ значение │
│
│ │ │
├───────┬───────┤ │
│ │ │ │мини- │макси- │ │
│ │ │
│мальное│мальное│ │
├────────────────────┼───────────┼────────┼───────┼───────┼───────────────┤
│Метан │% (молярная│ 86
│ 84 │
88 │ -
│
│ │ доля)
│ │ │ │ │
├────────────────────┼───────────┼────────┼───────┼───────┼───────────────┤
│Баланс
<1> │%
(молярная│ - │
- │ 1
│ ИСО 6974 [28] │
│ │ доля)
│ │ │ │ │
├────────────────────┼───────────┼────────┼───────┼───────┼───────────────┤
│N │%
(молярная│ 14 │
12 │ 16
│ - │
│
2 │ доля)
│ │ │ │ │
├────────────────────┼───────────┼────────┼───────┼───────┼───────────────┤
│Содержание
серы <2> │ мг/м3 │
- │ -
│ 10 │ИСО 6326-5 [29]│
├────────────────────┴───────────┴────────┴───────┴───────┴───────────────┤
│
<1> Инертные газы (отличные от N ) + C /C . │
│ 2
2 2+ │
│ <2>
Показатель измеряют при
стандартных атмосферных условиях:│
│температуре
293 К (20 °C) и давлении 101,3 кПа. │
└─────────────────────────────────────────────────────────────────────────┘
Приложение
И
(обязательное)
ТЕХНИЧЕСКИЕ
ХАРАКТЕРИСТИКИ ЭТАЛОННОГО СЖИЖЕННОГО
НЕФТЯНОГО ГАЗА,
ПРЕДНАЗНАЧЕННОГО ДЛЯ СЕРТИФИКАЦИОННЫХ
ИСПЫТАНИЙ И
ПОДТВЕРЖДЕНИЯ СООТВЕТСТВИЯ ПРОИЗВОДСТВА
Тип: сжиженный
нефтяной газ (СНГ)
Таблица И.1
┌───────────────┬─────────┬───────────────────────────────┬───────────────┐
│ Показатель
│ Единица │
Предельное значение
│Метод испытания│
│
│измерения├───────────────┬───────────────┤ │
│ │ │
Топливо A │ Топливо B
│ │
│ │
├───────┬───────┼───────┬───────┤ │
│ │ │мини- │макси- │мини- │макси- │ │
│ │
│мальное│мальное│мальное│мальное│ │
├───────────────┼─────────┼───────┼───────┼───────┼───────┼───────────────┤
│
Октановое │ -
│ 92,5 │ -
│ 92,5 │ -
│ ЕН 589 [30] │
│число
(по │ │ <1>
│ │ │ │(приложение В) │
│моторному │ │ │ │ │ │ │
│методу) │ │ │ │ │ │ │
├───────────────┴─────────┴───────┴───────┴───────┴───────┴───────────────┤
│
Состав │
├───────────────┬─────────┬───────┬───────┬───────┬───────┬───────────────┤
│
Углеводороды │ %
│ 48 │
52 │ 83
│ 87 │ ИСО 7941 [31] │
│C │(объемная│ │ │ │ │ │
│
3 │ доля)
│ │ │ │ │ │
├───────────────┼─────────┼───────┼───────┼───────┼───────┼───────────────┤
│
Углеводороды │ %
│ 43 │
52 │ 13
│ 17 │ ИСО 7941 [31] │
│C │(объемная│ │ │ │ │ │
│
4 │ доля)
│ │ │ │ │ │
├───────────────┼─────────┼───────┼───────┼───────┼───────┼───────────────┤
│
Олефины │ %
│ - │
12 │ -
│ 14 │
- │
│ │(объемная│ │ │ │ │ │
│ │ доля)
│ │ │ │ │ │
├───────────────┼─────────┼───────┼───────┼───────┼───────┼───────────────┤
│
Остаток после │ мг/кг │
- │ 50
│ - │
50 │ NF M 41-015
│
│испарения │ │ │ │ │ │ [32]
│
├───────────────┼─────────┼───────┼───────┼───────┼───────┼───────────────┤
│
Общее │
-1 │ -
│ 50 │
- │ 50
│ ИСО 4260 [33] │
│содержание
серы│ млн │ │ │ │ │ │
│<1> │(массовая│ │ │ │ │ │
│ │ доля)
│ │ │ │ │ │
├───────────────┼─────────┼───────┼───────┼───────┼───────┼───────────────┤
│
Сульфид │ -
│ - │
Нет │ -
│ Нет │ ИСО 8819 [34] │
│водорода │ │ │ │ │ │ │
├───────────────┼─────────┼───────┼───────┼───────┼───────┼───────────────┤
│
Коррозионное │ Класс
│ - │ Класс │ -
│ Класс │ ИСО 6251 <2>
│
│воздействие │ │ │
1 │ │
1 │ [35]
│
│на
медную │ │
│ │ │ │ │
│пластинку │ │ │ │ │ │ │
├───────────────┼─────────┼───────┼───────┼───────┼───────┼───────────────┤
│
Вода при 0 °C │ - │
- │ -
│ - │
- │ Визуальный
│
│ │ │ │ │ │ │ осмотр
│
├───────────────┴─────────┴───────┴───────┴───────┴───────┴───────────────┤
│
<1> Показатель измеряют
при стандартных атмосферных
условиях:│
│температуре
293 К (20 °C) и давлении 101,3 кПа. │
│
<2> Этот метод не гарантирует необходимую точность
при определении│
│наличия
веществ, вызывающих коррозию,
если образец топлива
содержит│
│ингибиторы коррозии
или другие химические
препараты, уменьшающие│
│коррозионное
воздействие образца на
медную пластинку. Следовательно,│
│добавление
таких составляющих с единственной
целью изменить методику│
│испытаний
не допускается. │
└─────────────────────────────────────────────────────────────────────────┘
Приложение
К
(обязательное)
ПРИМЕР
РАСЧЕТА
К.1. Испытание ESC
К.1.1. Выбросы
вредных газообразных веществ
Данные, полученные
в испытаниях и используемые для расчета результатов испытаний в отдельном
конкретном режиме, приведены ниже. В этом примере концентрации CO и
измерены в сухом состоянии, HC - во влажном
состоянии.
Концентрация HC
указана в пропановом эквиваленте
, и ее
необходимо умножить на 3, чтобы получить результат в эквиваленте
.
Процедура расчета для других режимов идентична.
┌────┬─────┬────┬──────┬─────────┬─────────┬─────────┬─────────┬──────────┐
│ │
│ │ │ │ │ -1│ -1│ -1│
│
P, │T , К│H , │G ,
│G │G │HC, млн │CO, млн │NO , млн │
│кВт
│ a │ a │ EXH
│ AIRW, кг│ FUEL, кг│ │ │ 2
│
│ │
│г/кг│кг
│ │ │ │ │ │
├────┼─────┼────┼──────┼─────────┼─────────┼─────────┼─────────┼──────────┤
│82,9│294,8│7,81│563,38│
545,29 │ 18,09
│ 6,3 │
41,2 │ 495 │
└────┴─────┴────┴──────┴─────────┴─────────┴─────────┴─────────┴──────────┘
Расчет поправочного
коэффициента перехода из влажного в сухое состояние
(см. 4.2 дополнения 1 к Приложению Д):
и
;
.
Расчет концентрации
во влажном состоянии:
;
.
Расчет поправочного
коэффициента на влажность для
(см. 4.3 дополнения 1 к Приложению Д):
A = 0,309 x
18,09/541,06 - 0,0266 = -0,0163;
B = -0209 x
18,09/541,06 + 0,00954 = 0,0026;
.
Расчет массовых
расходов выбросов вредных веществ (см. 4.4 дополнения 1 к Приложению Д):
;
CO = 0,000966 x
38,1 x 563,38 = 20,753 г/ч;
HC = 0,000479 x 6,3
x 3 x 563,38 = 5,100 г/ч.
Расчет удельных
выбросов вредных веществ (4.5 дополнения 1 к Приложению Д):
Приведенный ниже
пример расчета дан для CO; для других компонентов процедура расчета аналогична.
Массовые расходы
выбросов вредных веществ в отдельных режимах умножают на соответствующие
коэффициенты весомости, как показано в 2.7.1 дополнения 1 к Приложению Д,
суммируют и получают средний массовый расход выбросов вредных веществ за цикл:
CO = (6,7 x 0,15) +
(24,6 x 0,08) + (20,5 x 0,10) +
+ (20,7 x 0,10) +
(20,6 x 0,05) + (15,0 x 0,05) + (19,7 x
x 0,05) + (74,5 x
0,09) + (31,5 x 0,10) + (81,9 x 0,08) +
+ (34,8 x 0,05) +
(30,8 x 0,05) + (27,3 x 0,05) = 30,91 г/ч.
Мощность двигателя
в отдельных режимах умножают на соответствующие коэффициенты весомости, как
показано в 2.7.1 дополнения 1 к Приложению Д, суммируют и получают среднюю
мощность за цикл:
P(n) = (0,1 x 0,15)
+ (96,8 x 0,08) + (55,2 x 0,10) +
+ (82,9 x 0,10) +
(46,8 x 0,05) + (70,1 x 0,05) + (23,0 x
x 0,05) + (114,3 x
0,09) + (27,0 x 0,10) + (122,0 x 0,08) +
+ (28,6 x 0,05) +
(87,4 x 0,05) + (57,9 x 0,05) =
= 60,006 кВт.
.
Расчет удельных
выбросов
в произвольно выбранной точке (см. 4.6.1
дополнения 1 к Приложению Д):
Предполагают, что в
произвольно выбранной точке Z определены значения следующих величин:
;
;
(рассчитывают
по вышеприведенной формуле);
;
.
Определение
значений выбросов вредных веществ за испытательный цикл (см. 4.6.2 дополнения 1
к Приложению Д):
Предполагают, что
результаты, полученные в четырех режимах, составляющих испытание ESC,
следующие:
┌──────┬──────┬──────┬──────┬──────┬───────┬───────┬───────┬───────┬──────┐
│ n
│ n │
E │ E
│ E │
E │ M
│ M │
M │ M
│
│ RT │
SU │ R │
S │ T
│ U │
R │ S
│ T │
U │
├──────┼──────┼──────┼──────┼──────┼───────┼───────┼───────┼───────┼──────┤
│
1368 │ 1785 │5,943 │5,565 │5,889 │ 4,973
│ 515 │
460 │ 681
│ 610 │
└──────┴──────┴──────┴──────┴──────┴───────┴───────┴───────┴───────┴──────┘
;
;
;
;
.
Сравнение
полученного интерполяцией значения выбросов
в точке Z с непосредственно измеренным
значением этих выбросов в той же точке (см. 4.6.3 дополнения 1 к Приложению Д):
.
К.1.2. Выбросы
вредных частиц
Измерение выбросов
вредных частиц основано на принципе отбора проб вредных частиц за целый цикл,
но заключается в определении, при этом, масс пробы
и эквивалентных расходов потоков отработавших
газов
в отдельных режимах, из которых состоит цикл.
Расчет эквивалентного расхода
зависит от используемой системы. В
нижеследующих примерах приведены расчеты для системы с измерением
и учетом углеродного баланса и системы с
измерением расхода потока. Если используют систему с полным разбавлением
потока, расход
измеряют непосредственно аппаратурой CVS.
Расчет расхода
(см. 5.2.3 и 5.2.4 дополнения 1 к Приложению
Д):
Предполагают, что в
режиме 4 получены следующие исходные данные:
┌───────────┬────────────┬────────────┬────────────┬──────────┬───────────┐
│G , кг/ч │G , кг/ч │G , кг/ч │G , кг/ч │ CO , %
│ CO , %
│
│
EXH │ FUEL │ DILW │ TOTW │
2D │ 2A
│
├───────────┼────────────┼────────────┼────────────┼──────────┼───────────┤
│ 334,02
│ 10,76 │
5,4435 │ 6,0
│ 0,657 │
0,040 │
└───────────┴────────────┴────────────┴────────────┴──────────┴───────────┘
а) метод
углеродного баланса
;
б) метод измерения
расхода
;
.
Расчет массового
расхода потока (см. 5.4 дополнения 1 к Приложению Д):
Расходы потоков
в отдельных режимах умножают на соответствующие
коэффициенты весомости, как показано в 2.7.1 дополнения 1 к Приложению Д,
суммируют и получают среднее значение расхода
за цикл. Суммарный массовый расход пробы
рассчитывают как сумму расходов пробы в
отдельных режимах цикла.


.
Допускают, что на
фильтрах осела масса вредных частиц 2,5 мг, тогда
.
Коррекция по фону
(факультативно):
Допускают, что
выполнено одно измерение фона и получены данные, приведенные ниже. Расчет
коэффициента разбавления DF аналогичен расчету в 3.1 настоящего приложения и
здесь не приведен.
.
Сумма

.
Расчет удельных
выбросов (см. 5.5 дополнения 1 к Приложению Д):
;
.
Если необходима
коррекция по фоновым значениям,
.
Расчет эффективного
коэффициента весомости (см. 5.6 дополнения 1 к Приложению Д):
Взяты исходные
данные для режима 4, приведенные выше, тогда
.
Это значение
находится в допустимых пределах 0,10 +/- 0,003.
К.2. Испытание ELR
Поскольку
фильтрация по Бесселю является совершенно новой усредняющей процедурой для
официальных документов, касающихся отработавших газов, ниже приведены
объяснение процедуры фильтрации по Бесселю, пример построения алгоритма Бесселя
и пример расчета окончательных значений дымности. Константы алгоритма Бесселя
зависят только от конструкции дымомера и значения расхода пробы в применяемой
системе получения исходных данных. Рекомендуется, чтобы изготовитель дымомера
предоставлял окончательные константы фильтра Бесселя для различных значений
расхода пробы, а потребитель использовал эти константы для построения алгоритма
и расчета значений дымности.
К.2.1. Общие
замечания по фильтрам Бесселя
Из-за высокочастотных
искажений необработанный сигнал дымности, как правило, показывает чрезвычайно
разбросанные траектории. Для устранения этих высокочастотных искажений при
проведении испытания ELR требуется фильтр Бесселя. Фильтр Бесселя представляет
собой рекурсивный низкочастотный фильтр второго порядка, который гарантирует
наиболее быстрое усиление сигнала без искажений.
Если допустить, что
факел первичных выпускных газов в выпускной трубе образуется в реальном
времени, то траектории сигнала дымности у каждого дымомера будут разные и
появляться они будут с задержкой. Задержка траектории сигнала и уровень
значений дымности зависят, главным образом, от конфигурации измерительной
камеры дымомера, включая пробоотборные магистрали для отработавших газов, и от
времени, необходимого для обработки сигнала электроникой дымомера. Величины,
определяющие эти два фактора, называют временами физической и электрической
реакций, характеризующими индивидуальный фильтр Бесселя для дымомера каждого
типа.
Целью использования
фильтра Бесселя является получение гарантированных единых общих характеристик
фильтра для всей системы дымомера, в число которых входят:
- время физической
реакции дымомера
;
- время
электрической реакции дымомера
;
- время реакции
используемого фильтра Бесселя
.
Общее время реакции
системы
рассчитывают по формуле
,
причем оно должно
быть одинаковым для дымомеров всех типов, чтобы была возможность получать
одинаковое значение дымности. Поэтому фильтр Бесселя необходимо создавать так,
чтобы время реакции фильтра
вместе со временем физической
и электрической
реакции отдельного дымомера образовывало
требуемое общее время реакции
.
Поскольку
и
являются заданными величинами для каждого
отдельного дымомера и
в настоящем стандарте принято за 1,0 с,
можно рассчитать следующим образом:
.
По определению,
время реакции фильтра
- это время нарастания фильтруемого выходного
сигнала от 10% до 90% значения ступенчатого входного сигнала. Поэтому частота
фильтрации фильтра Бесселя должна повторяться так, чтобы время реакции фильтра
Бесселя укладывалось в отрезок времени нарастания сигнала.
На рисунке К.1
показаны траектории ступенчатого входного сигнала и выходного сигнала,
фильтруемого с помощью фильтра Бесселя, а также время реакции фильтра Бесселя
.

Рисунок К.1.
Траектории ступенчатого входного
сигнала и
фильтруемого выходного сигнала
Построение
окончательного алгоритма фильтра Бесселя представляет собой многоступенчатый
процесс, для которого требуются многочисленные итерационные циклы. Схема
процедуры итерации представлена на рисунке К.2.

Рисунок
К.2. Пошаговое построение алгоритма фильтра Бесселя
К.2.2.
Вычисление алгоритма Бесселя
Настоящий пример
показывает построение алгоритма Бесселя как последовательности многочисленных
шагов в соответствии с итерационной процедурой, представленной на рисунке К.2 и
основанной на положениях 6.1 дополнения 1 к Приложению Д.
Приняты следующие
исходные данные, характеризующие дымомер и систему получения результатов:
- время
физической реакции
0,15 с;
- время
электрической реакции
0,05 с;
- общее
время реакции
1,00 с (значение, установленное
в
настоящем стандарте);
- частота
отбора проб 150 Гц.
Шаг 1. Требуемое
время реакции фильтра Бесселя
:
.
Шаг 2. Определение
частоты фильтрации и расчет констант Бесселя E и K (первая итерация):
;
;
;
;
.
Отсюда получен
следующий алгоритм Бесселя:
,
где
равен значению ступенчатого входного сигнала (
или
), а
представляет собой фильтрованные значения
выходного сигнала.
Шаг 3. Применения
фильтра Бесселя к ступенчатому входному сигналу:
Время реакции
фильтра Бесселя
определено как время возрастания
фильтрованного выходного сигнала от 10% до 90% ступенчатого входного сигнала.
Для определения отрезков времени, за которые реакция достигает 10%
) и
90%
выходного сигнала, к ступенчатому входному
сигналу необходимо применить фильтр Бесселя, используя найденные выше значения
, E и
K.
Номера индексов,
время, значения ступенчатого входного сигнала и фильтрованного по Бесселю
выходного сигнала первой и второй итераций приведены в таблице К.1. В таблице
К.1 первая итерация (10%-я реакция) имеет место между номерами индексов 30 и
31, а 90%-я реакция - между номерами индексов 191 и 192. Для расчета времени
точные значения
и
определяют линейной интерполяцией в промежутке
между ближайшими измеренными позициями следующим образом:
;
,
где
и
- верхнее и нижнее значения фильтрованного
сигнала Бесселя, соответственно, и
- время ближайшей точки измерения, как указано
в таблице К.1.
;
.
Таблица К.1
Значения
ступенчатого входного сигнала
и фильтрованного по
Бесселю выходного сигнала
для первого и
второго итерационных циклов
┌────────┬──────────┬────────────────────┬────────────────────────────────┐
│Индекс
i│ Время, с │Ступенчатый входной │Фильтрованный выходной
сигнал Y │
│ │ │ сигнал │ i│
│ │ │
├───────────────┬────────────────┤
│ │ │ │Первая
итерация│Вторая итерация │
├────────┼──────────┼────────────────────┼───────────────┼────────────────┤
│ -2
│-0,013333 │
0 │ 0,000000
│ 0,000000 │
│ -1
│-0,006667 │
0 │ 0,000000
│ 0,000000 │
│ 0
│ 0,000000 │
1 │ 0,000071
│ 0,000083 │
│ 1
│ 0,006667 │
1 │ 0,000352
│ 0,000411 │
│ 2
│ 0,013333 │
1 │ 0,000908
│ 0,001060 │
│ 3
│ 0,020000 │
1 │ 0,001731
│ 0,002019 │
│ 4
│ 0,026667 │
1 │ 0,002813
│ 0,003278 │
│ 5
│ 0,033333 │
1 │ 0,004145
│ 0,004828 │
│ ...
│ ... │
... │ ...
│ ... │
│ 24
│ 0,160000 │
1 │ 0,067877
│ 0,077876 │
│ 25
│ 0,166667 │
1 │ 0,072816
│ 0,083476 │
│ 26
│ 0,173333 │
1 │ 0,077874
│ 0,089205 │
│ 27
│ 0,180000 │
1 │ 0,083047
│ 0,095056 │
│ 28
│ 0,186667 │
1 │ 0,088331
│ 0,101024 │
│ 29
│ 0,193333 │
1 │ 0,093719
│ 0,107102 │
│ 30
│ 0,200000 │
1 │ 0,099208
│ 0,113286 │
│ 31
│ 0,206667 │
1 │ 0,104794
│ 0,119570 │
│ 32
│ 0,213333 │
1 │ 0,110471
│ 0,125949 │
│ 33
│ 0,220000 │ 1 │ 0,116236
│ 0,132418 │
│ 34
│ 0,226667 │
1 │ 0,122085
│ 0,138972 │
│ 35
│ 0,233333 │
1 │ 0,128013
│ 0,145605 │
│ 36
│ 0,240000 │
1 │ 0,134016
│ 0,152314 │
│ 37
│ 0,246667 │
1 │ 0,140091
│ 0,159094 │
│ ...
│ ... │ ... │ ...
│ ... │
│ 175
│ 1,166667 │
1 │ 0,862416
│ 0,895701 │
│ 176
│ 1,173333 │
1 │ 0,864968
│ 0,897941 │
│ 177
│ 1,180000 │
1 │ 0,867484
│ 0,900145 │
│ 178
│ 1,186667 │
1 │ 0,869964
│ 0,902312 │
│ 179
│ 1,193333 │
1 │
0,872410 │ 0,904445
│
│ 180
│ 1,200000 │
1 │ 0,874821
│ 0,906542 │
│ 181
│ 1,206667 │
1 │ 0,877197
│ 0,908605 │
│ 182
│ 1,213333 │
1 │ 0,879540
│ 0,910633 │
│ 183
│ 1,220000 │
1 │ 0,881849
│ 0,912628 │
│ 184
│ 1,226667 │
1 │ 0,884125
│ 0,914589 │
│ 185
│ 1,233333 │
1 │ 0,886367
│ 0,916517 │
│ 186
│ 1,240000 │
1 │ 0,888577
│ 0,918412 │
│ 187
│ 1,246667 │
1 │ 0,890755
│ 0,920276 │
│ 188
│ 1,253333 │
1 │ 0,892900
│ 0,922107 │
│ 189
│ 1,260000 │
1 │ 0,895014
│ 0,923907 │
│ 190
│ 1,266667 │
1 │ 0,897096
│ 0,925676 │
│ 191
│ 1,273333 │
1 │ 0,899147
│ 0,927414 │
│ 192
│ 1,280000 │
1 │ 0,901168
│ 0,929121 │
│ 193
│ 1,286667 │
1 │ 0,903158
│ 0,930799 │
│ 194
│ 1,293333 │
1 │ 0,905117
│ 0,932448 │
│ 195
│ 1,300000 │
1 │ 0,907047
│ 0,934067 │
│ ...
│ ... │
... │ ...
│ ... │
└────────┴──────────┴────────────────────┴───────────────┴────────────────┘
Шаг 4. Время
реакции фильтра в первом итерационном цикле
.
Шаг 5. Отклонение
времени реакции фильтра Бесселя, полученного в первом итерационном цикле, от
требуемого
.
Шаг 6. Проверка
критериев итерации:
Необходимо
выполнение условия:
.
Поскольку 0,081641 > 0,01, условие окончания процесса итерации не выполнено,
и необходимо начать следующий цикл итерации. Для этого итерационного цикла
рассчитывают новую частоту фильтрации исходя из полученных значений
и
:
.
Эту новую частоту
фильтрации используют во втором итерационном цикле, начинающемся с шага 2 и
повторяющем последующие шаги. Итерацию необходимо повторять, пока результат не
будет удовлетворять критерию итерации. Значения параметров, полученные в
результате первой и второй итераций, сведены в таблицу К.2.
Таблица К.2
Значения
параметров, полученные
в результате первой
и второй итераций
┌────────────────────┬─────────────────────────┬──────────────────────────┐
│ Параметр │ Первая итерация │
Вторая итерация │
├────────────────────┼─────────────────────────┼──────────────────────────┤
│f
, Гц │ 0,318152 │ 0,344126 │
│
c │ │ │
├────────────────────┼─────────────────────────┼──────────────────────────┤
│ │ -5 │ -5
│
│E │ 7,07948 x 10 │ 8,272777 x 10 │
├────────────────────┼─────────────────────────┼──────────────────────────┤
│K │ 0,970783 │ 0,968410 │
├────────────────────┼─────────────────────────┼──────────────────────────┤
│f , с │ 0,200945 │ 0,185523 │
│
10 │ │ │
├────────────────────┼─────────────────────────┼──────────────────────────┤
│f , с │ 1,276147 │ 1,179562 │
│
90 │ │ │
├────────────────────┼─────────────────────────┼──────────────────────────┤
│t , с │ 1,075202 │ 0,994039 │
│
F, iter │ │ │
├────────────────────┼─────────────────────────┼──────────────────────────┤
│Дельта │ 0,081641 │ 0,006657 │
├────────────────────┼─────────────────────────┼──────────────────────────┤
│f , Гц │ 0,344126 │ 0,346417 │
│
c, new │ │ │
└────────────────────┴─────────────────────────┴──────────────────────────┘
Шаг 7.
Окончательный алгоритм Бесселя:
Как только
требование критерия итерации будет выполнено, рассчитывают окончательные
значения констант фильтра Бесселя и окончательный алгоритм Бесселя в
соответствии с шагом 2. В данном примере требование критерия итерации начинает
выполняться после второй итерации
.
Тогда окончательный алгоритм, предназначенный для определения средних значений
дымности, будет:
.
К.2.3. Расчет
значений дымности
На рисунке К.3
представлена общая процедура определения конечных значений дымности.

-
частота вращения A;
- частота вращения B;
-
частота вращения C; Стн 1 - ступень нагрузки 1;
Стн 2 - ступень
нагрузки 2; Стн 3 - ступень нагрузки 3
Рисунок
К.3. Процедура определения
окончательного
значения дымности
На рисунке К.4
показаны траектория измеряемого необработанного сигнала дымности, а также
траектории нефильтрованного и фильтрованного коэффициентов светопоглощения k,
полученные при выполнении первой ступени нагрузки в испытании ELR. Показано
также максимальное значение
фильтрованной траектории коэффициента k.

Рисунок
К.4. Траектории измеряемых сигналов
дымности N,
нефильтрованного и фильтрованного
коэффициентов
светопоглощения k
Соответственно,
таблицы К.3 и К.4 содержат числовые значения индекса i моментов времени (при
частоте измерений проб 150 Гц), необработанного сигнала дымности,
нефильтрованного и фильтрованного сигналов коэффициента светопоглощения k.
Фильтрацию выполняют с использованием констант алгоритма Бесселя, построенного
в 2.2 настоящего приложения. Из-за большого объема данных в таблицах К.3 и К.4
приведены только те значения дымности, которые характеризуют фрагменты
траектории сигнала дымности, расположенные в начале траектории и около
максимального значения.
Таблица К.3
Значения
дымности N, нефильтрованного
и фильтрованного
коэффициентов светопоглощения
k в начальный
момент ступенчатого увеличения нагрузки
┌──────────┬────────────┬─────────────┬───────────────────────────────────┐
│ │ │ │ -1 │
│
Индекс i │ Время, с │Дымность N, %│Коэффициент
светопоглощения k, м │
│ │ │
├─────────────────┬─────────────────┤
│ │ │ │ нефильтрованный
│ фильтрованный │
├──────────┼────────────┼─────────────┼─────────────────┼─────────────────┤
│ -2
│ 0,000000 │
0,000000 │ 0,000000
│ 0,000000 │
│ -1 │
0,000000 │ 0,000000
│ 0,000000 │
0,000000 │
│ 0
│ 0,000000 │
0,000000 │ 0,000000
│ 0,000000 │
│ 1
│ 0,006667 │
0,020000 │ 0,000465
│ 0,000000 │
│ 2
│ 0,013333 │
0,020000 │ 0,000465
│ 0,000000 │
│ 3
│ 0,020000 │
0,020000 │ 0,000465
│ 0,000000 │
│ 4
│ 0,026667 │
0,020000 │ 0,000465
│ 0,000001 │
│ 5
│ 0,033333 │
0,020000 │ 0,000465
│ 0,000002 │
│ 6
│ 0,040000 │
0,020000 │ 0,000465
│ 0,000002 │
│ 7
│ 0,046667 │
0,020000 │ 0,000465
│ 0,000003 │
│ 8
│ 0,053333 │
0,020000 │ 0,000465
│ 0,000004 │
│ 9
│ 0,060000 │
0,020000 │ 0,000465
│ 0,000005 │
│ 10
│ 0,066667 │
0,020000 │ 0,000465
│ 0,000006 │
│ 11
│ 0,073333 │
0,020000 │ 0,000465
│ 0,000008 │
│ 12
│ 0,080000 │
0,020000 │ 0,000465
│ 0,000009 │
│ 13
│ 0,086667 │
0,020000 │ 0,000465
│ 0,000011 │
│ 14
│ 0,093333 │
0,020000 │ 0,000465
│ 0,000012 │
│ 15
│ 0,100000 │
0,192000 │ 0,004469
│ 0,000014 │
│ 16
│ 0,106667 │
0,212000 │ 0,004935
│ 0,000018 │
│ 17
│ 0,113333 │
0,212000 │ 0,004935
│ 0,000022 │
│ 18
│ 0,120000 │
0,212000 │ 0,004935
│ 0,000028 │
│ 19
│ 0,126667 │ 0,343000
│ 0,007990 │
0,000036 │
│ 20
│ 0,133333 │
0,566000 │ 0,013200
│ 0,000047 │
│ 21
│ 0,140000 │
0,889000 │ 0,020767
│ 0,000061 │
│ 22
│ 0,146667 │
0,929000 │ 0,021706
│ 0,000082
│
│ 23
│ 0,153333 │
0,929000 │ 0,021706
│ 0,000109 │
│ 24
│ 0,160000 │
1,263000 │ 0,029559
│ 0,000143 │
│ 25
│ 0,166667 │
1,455000 │ 0,034086
│ 0,000185 │
│ 26
│ 0,173333 │
1,697000 │ 0,039804
│ 0,000237 │
│ 27
│ 0,180000 │
2,030000 │ 0,047695
│ 0,000301 │
│ 28
│ 0,186667 │
2,081000 │ 0,048906
│ 0,000378 │
│ 29
│ 0,193333 │
2,081000 │ 0,048906
│ 0,000469 │
│ 30
│ 0,200000 │
2,424000 │ 0,057067
│ 0,000573 │
│ 31
│ 0,206667 │
2,475000 │ 0,058282
│ 0,000693 │
│ 32
│ 0,213333 │
2,475000 │ 0,058282
│ 0,000827 │
│ 33
│ 0,220000 │
2,808000 │ 0,066237
│ 0,000977 │
│ 34
│ 0,226667 │
3,010000 │ 0,071075
│ 0,001144 │
│ 35
│ 0,233333 │
3,253000 │ 0,076909
│ 0,001328 │
│ 36
│ 0,240000 │
3,606000 │ 0,085410
│ 0,001533 │
│ 37
│ 0,246667 │
3,960000 │ 0,093966
│ 0,001758 │
│ 38
│ 0,253333 │
4,455000 │ 0,105983
│ 0,002007 │
│ 39
│ 0,260000 │
4,818000 │ 0,114836
│ 0,002283 │
│ 40
│ 0,266667 │
5,020000 │ 0,119776
│ 0,002587 │
│ ...
│ ... │
... │ ...
│ ... │
└──────────┴────────────┴─────────────┴─────────────────┴─────────────────┘
Таблица К.4
Значения
дымности N, нефильтрованного и фильтрованного
коэффициентов
светопоглощения k в окрестности
пикового значения
алгоритма Бесселя
<1>
┌──────────┬────────────┬─────────────┬───────────────────────────────────┐
│ │ │ │ -1 │
│
Индекс i │ Время, с │Дымность N, %│Коэффициент
светопоглощения k, м │
│ │ │
├─────────────────┬─────────────────┤
│ │ │ │ нефильтрованный
│ фильтрованный │
├──────────┼────────────┼─────────────┼─────────────────┼─────────────────┤
│ ...
│ ...
│ ... │ ...
│ ... │
│ 259
│ 1,726667 │
17,182000 │ 0,438429
│ 0,538856 │
│ 260
│ 1,733333 │
16,949000 │ 0,431896
│ 0,539423 │
│ 261
│ 1,740000 │
16,788000 │ 0,427392
│ 0,539936 │
│ 262
│ 1,746667 │
16,798000 │ 0,427671
│ 0,540396 │
│ 263
│ 1,753333 │
16,788000 │ 0,427392
│ 0,540805 │
│ 264
│ 1,760000 │
16,798000 │ 0,427671
│ 0,541163 │
│ 265
│ 1,766667 │
16,798000 │ 0,427671
│ 0,541473 │
│ 266
│ 1,773333 │
16,788000 │ 0,427392
│ 0,541735 │
│ 267
│ 1,780000 │
16,788000 │ 0,427392
│ 0,541951 │
│ 268
│ 1,786667 │
16,798000 │ 0,427671
│ 0,542123 │
│ 269
│ 1,793333 │
16,798000 │ 0,427671
│ 0,542251 │
│ 270
│ 1,800000 │
16,793000 │ 0,427532
│ 0,542337 │
│ 271
│ 1,806667 │
16,788000 │ 0,427392
│ 0,542383 │
│ 272
│ 1,813333 │ #16,783000# │ #0,427252#
│ #0,542389# │
│ 273
│ 1,820000 │
16,780000 │ 0,427168
│ 0,542357 │
│ 274
│ 1,826667 │
16,798000 │ 0,427671
│ 0,542288 │
│ 275
│ 1,833333 │
16,778000 │ 0,427112
│ 0,542183 │
│ 276
│ 1,840000 │
16,808000 │ 0,427951
│ 0,542043 │
│ 277
│ 1,846667 │
16,768000 │ 0,426833
│ 0,541870 │
│ 278
│ 1,853333 │
16,010000 │ 0,405750
│ 0,541662 │
│ 279
│ 1,860000 │
16,010000 │ 0,405750
│ 0,541418 │
│ 280
│ 1,866667 │
16,000000 │ 0,405473
│ 0,541136 │
│ 281
│ 1,873333 │
16,010000 │ 0,405750
│ 0,540819
│
│ 282
│ 1,880000 │
16,000000 │ 0,405473
│ 0,540466 │
│ 283
│ 1,886667 │
16,010000 │ 0,405750
│ 0,540080 │
│ 284
│ 1,893333 │
16,394000 │ 0,416406
│ 0,539663 │
│ 285
│ 1,900000 │
16,394000 │ 0,416406
│ 0,539216 │
│ 286
│ 1,906667 │
16,404000 │ 0,416685
│ 0,538744 │
│ 287
│ 1,913333 │
16,394000 │ 0,416406
│ 0,538245 │
│ 288
│ 1,920000 │
16,394000 │ 0,416406
│ 0,537722 │
│ 289
│ 1,926667 │
16,384000 │ 0,416128
│ 0,537175 │
│ 290
│ 1,933333 │
16,010000 │ 0,405750
│ 0,536604 │
│ 291
│ 1,940000 │
16,010000 │ 0,405750
│ 0,536009 │
│ 292
│ 1,946667 │
16,000000 │ 0,405473
│ 0,535389 │
│ 293
│ 1,953333 │
16,010000 │ 0,405750
│ 0,534745 │
│ 294
│ 1,960000 │
16,212000 │ 0,411349
│ 0,534079 │
│ 295
│ 1,966667 │
16,394000 │ 0,416406
│ 0,533394 │
│ 296
│ 1,973333 │
16,394000 │ 0,416406
│ 0,532691 │
│ 297
│ 1,980000 │
16,192000 │ 0,410794
│ 0,531971 │
│ 298
│ 1,986667 │
16,000000 │ 0,405473
│ 0,531233 │
│ 299
│ 1,993333 │
16,000000 │ 0,405473
│ 0,530477 │
│ 300
│ 2,000000 │
16,000000 │ 0,405473
│ 0,529704 │
├──────────┴────────────┴─────────────┴─────────────────┴─────────────────┤
│
<1> Выделены полужирным шрифтом. │
└─────────────────────────────────────────────────────────────────────────┘
Максимальное
(пиковое) значение (при i = 272) рассчитано исходя из данных, представленных в
таблице К.4. Все остальные индивидуальные значения дымности рассчитывают
аналогично. Для начального момента расчета алгоритма его слагаемые
и
принимают равными нулю.
Расчет коэффициента
светопоглощения k:
┌───────────────────────────────┬────────────────────────────────┐
│ L , м │ 0,430 │
│ A │ │
├───────────────────────────────┼────────────────────────────────┤
│ Index i │ 272 │
├───────────────────────────────┼────────────────────────────────┤
│ N, % │ 16,783 │
├───────────────────────────────┼────────────────────────────────┤
│ -1 │ │
│ S
, м │ 0,427392 │
│ 271 │ │
├───────────────────────────────┼────────────────────────────────┤
│ -1 │ │
│ S
, м │ 0,427532 │
│ 270 │ │
├───────────────────────────────┼────────────────────────────────┤
│ -1 │ │
│ Y
, м │ 0,542383 │
│ 271 │ │
├───────────────────────────────┼────────────────────────────────┤
│ -1 │ │
│ Y , м
│ 0,542337 │
│ 270 │ │
└───────────────────────────────┴────────────────────────────────┘
.
Этому значению
соответствует
в приведенном ниже равенстве.
Расчет среднего
значения коэффициента светопоглощения после фильтрации по Бесселю (см. 6.3.2
дополнения 1 к Приложению Д):
В приведенном ниже
равенстве использованы константы Бесселя из 2.2 настоящего дополнения. Реальное
значение нефильтрованного коэффициента k, рассчитанное выше, соответствует
и
- это два предыдущих значения нефильтрованного
коэффициента k,
и
- два предыдущих значения фильтрованного
коэффициента k.

.
Это значение
соответствует
в приведенной ниже таблице.
Расчет конечного
значения дымности (см. 6.3.3 дополнения 1 к Приложению Д):
Из каждой трассы
сигнала дымности отбирают максимальное значение фильтрованного коэффициента
светопоглощения k. Приняты для расчета следующие величины:
┌────────────────────┬────────────────────────────────────────────────────┐
│ │ -1 │
│ Частота вращения │ Y , м │
│ │ max │
│
├──────────────────┬────────────────┬────────────────┤
│ │ Цикл 1 │ Цикл 2
│ Цикл 3 │
├────────────────────┼──────────────────┼────────────────┼────────────────┤
│ A │ 0,5424 │ 0,5435
│ 0,5587 │
├────────────────────┼──────────────────┼────────────────┼────────────────┤
│ B │ 0,5596 │ 0,5400
│ 0,5389 │
├────────────────────┼──────────────────┼────────────────┼────────────────┤
│ C │ 0,4912 │ 0,5207
│ 0,5177 │
└────────────────────┴──────────────────┴────────────────┴────────────────┘
Средние значения
дымности будут:
;
;
;
.
Подтверждение
достоверности результатов, полученных в цикле:
Перед расчетом
величины SV необходимо подтвердить достоверность цикла вычислением удельных
среднеквадратичных отклонений значений дымности по трем циклам на каждой
частоте вращения.
┌─────────────────┬─────────────────┬──────────────────┬──────────────────┐
│Частота
вращения │Среднее значение │
Абсолютное │ Удельное │
│ │ -1
│среднеквадратичное│среднеквадратичное│
│ │ SV, м
│ -1 │ отклонение, % │
│ │ │ отклонение, м │ │
├─────────────────┼─────────────────┼──────────────────┼──────────────────┤
│ A
│ 0,5482 │ 0,0091 │ 1,7
│
├─────────────────┼─────────────────┼──────────────────┼──────────────────┤
│ B
│ 0,5462 │ 0,0116 │ 2,1 │
├─────────────────┼─────────────────┼──────────────────┼──────────────────┤
│ C
│ 0,5099
│ 0,0162 │ 3,2 │
└─────────────────┴─────────────────┴──────────────────┴──────────────────┘
В этом примере
расчет удовлетворяет критерию достоверности, равному 15% для каждой частоты
вращения.
К.3. Испытание ETC
К.3.1.
Выбросы вредных газообразных веществ (дизельные двигатели)
Предположительно,
при использовании системы PDP - CVS получены следующие данные:
┌───────────────────────────────────┬─────────────────────┬───────────────┐
│ Показатель │ Единица измерения │
Значение │
├───────────────────────────────────┼─────────────────────┼───────────────┤
│V │ м3/об │ 0,1776
│
│
0
│ │ │
├───────────────────────────────────┼─────────────────────┼───────────────┤
│N │ об │ 23073
│
│
p
│
│ │
├───────────────────────────────────┼─────────────────────┼───────────────┤
│p │ кПа │ 98,0
│
│
B
│
│ │
├───────────────────────────────────┼─────────────────────┼───────────────┤
│p │ кПа │ 2,3
│
│
1
│
│ │
├───────────────────────────────────┼─────────────────────┼───────────────┤
│T │ К │ 322,5
│
├───────────────────────────────────┼─────────────────────┼───────────────┤
│H │ г/кг │ 12,8
│
│
a │ │ │
├───────────────────────────────────┼─────────────────────┼───────────────┤
│ │ -1 │ 53,7
│
│NO │ млн │ │
│ x conc e │ │ │
├───────────────────────────────────┼─────────────────────┼───────────────┤
│ │ -1 │ 0,4
│
│NO │ млн │ │
│ x conc d │ │ │
├───────────────────────────────────┼─────────────────────┼───────────────┤
│ │ -1 │ 38,9
│
│CO │ млн │ │
│ conc e │ │ │
├───────────────────────────────────┼─────────────────────┼───────────────┤
│ │ -1 │ 1,0
│
│CO │ млн │ │
│ conc d │ │ │
├───────────────────────────────────┼─────────────────────┼───────────────┤
│ │ -1 │ 9,00
│
│HC (без отделителя NMC) │ млн │ │
│ conc e │ │ │
├───────────────────────────────────┼─────────────────────┼───────────────┤
│ │ -1 │ 3,02
│
│HC (без отделителя NMC) │ млн │ │
│ conc d │ │ │
├───────────────────────────────────┼─────────────────────┼───────────────┤
│ │ -1 │ 1,20
│
│HC (с
отделителем NMC) │ млн │ │
│ conc e │ │ │
├───────────────────────────────────┼─────────────────────┼───────────────┤
│ │ -1 │ 0,65
│
│HC (с отделителем NMC) │ млн │ │
│ conc d │ │ │
├───────────────────────────────────┼─────────────────────┼───────────────┤
│CO │ % │ 0,723
│
│ 2, conc e │ │ │
├───────────────────────────────────┼─────────────────────┼───────────────┤
│W │ кВт x ч │ 62,72
│
│
act
│
│ │
└───────────────────────────────────┴─────────────────────┴───────────────┘
Расчет расхода
разбавленных отработавших газов (см. 4.1 дополнения 2 к Приложению Д):
.
Расчет поправочного
коэффициента на влажность для
(см. 4.2 дополнения 2 к Приложению Д):
.
Расчет концентрации
NMHC по методу NMC (см. 4.3.1 дополнения 2 к Приложению Д) исходя из
эффективности по метану
и эффективности по этану
:
;
.
Расчет
концентраций, корректированных по фону (см. 4.3.1.1 дополнения 2 к Приложению
Д):
Если состав
дизельного топлива определен как
, то:
;
;
;
;
;
.
Расчет массовых
расходов выбросов вредных веществ (см. 4.3.1 дополнения 2 к Приложению Д):
;
;
;
.
Расчет удельных
выбросов (см. 4.4 дополнения 2 к Приложению Д):
;
;
;
.
К.3.2. Выбросы
вредных частиц (дизельные двигатели)
Предположительно,
при использовании системы PDP - CVS и двойного разбавления получены следующие
данные:
┌───────────────────────────────┬────────────────────────────────┐
│ M
, кг │ 4237,2 │
│ TOTW │ │
├───────────────────────────────┼────────────────────────────────┤
│ M
, мг │ 3,030 │
│ f, p │ │
├───────────────────────────────┼────────────────────────────────┤
│ M
, мг │ 0,044 │
│ f, b │ │
├───────────────────────────────┼────────────────────────────────┤
│ M
, кг │ 2,159 │
│ TOT │ │
├───────────────────────────────┼────────────────────────────────┤
│ M
, кг │ 0,909 │
│ SEC │ │
├───────────────────────────────┼────────────────────────────────┤
│ M , мг │ 0,341 │
│ d │ │
├───────────────────────────────┼────────────────────────────────┤
│ M
, кг │ 1,245 │
│ DIL │ │
├───────────────────────────────┼────────────────────────────────┤
│ DF │ 18,69 │
├───────────────────────────────┼────────────────────────────────┤
│ W
, кВт x ч │ 62,72 │
│ act │ │
└───────────────────────────────┴────────────────────────────────┘
Расчет выбросов по
массе (см. 5.1 дополнения 2 к Приложению Д):
;
;
.
Расчет выбросов по
массе, корректированных по фону (см. 5.1 дополнения 2 к Приложению Д):
.
Расчет удельных
выбросов (см. 5.2 дополнения 2 к Приложению Д):
;
;
.
К.3.3. Выбросы
вредных газообразных веществ (двигатели, работающие на СНГ)
Предположительно,
при использовании системы PDP - CVS получены следующие данные:
┌────────────────────────────────────────┬───────────────────────┐
│ M , кг │ 4237,2 │
│ TOTW │ │
├────────────────────────────────────────┼───────────────────────┤
│ H , г/кг │ 12,8 │
│ a │ │
├────────────────────────────────────────┼───────────────────────┤
│ -1 │ │
│ NO , млн │ 17,2 │
│ x conc e │ │
├────────────────────────────────────────┼───────────────────────┤
│ -1 │ │
│ NO , млн │ 0,4 │
│ x conc d │ │
├────────────────────────────────────────┼───────────────────────┤
│ -1 │ │
│ CO , млн │ 44,3 │
│ conc e │ │
├────────────────────────────────────────┼───────────────────────┤
│ -1 │ │
│ CO , млн │ 1,0 │
│ conc d │ │
├────────────────────────────────────────┼───────────────────────┤
│ -1
│ │
│ HC
(без отделителя NMC), млн
│ 27,0 │
│ conc e │ │
├────────────────────────────────────────┼───────────────────────┤
│ -1
│ │
│ HC
(без отделителя NMC), млн
│ 2,02 │
│ conc d │ │
├────────────────────────────────────────┼───────────────────────┤
│ -1 │ │
│ HC
(с отделителем NMC), млн
│ 18,0 │
│ conc e │ │
├────────────────────────────────────────┼───────────────────────┤
│ -1 │ │
│ HC
(с отделителем NMC), млн
│ 0,65 │
│ conc d │ │
├────────────────────────────────────────┼───────────────────────┤
│ -1 │ │
│ CH , млн │ 18,0 │
│ 4 conc e │ │
├────────────────────────────────────────┼───────────────────────┤
│ -1 │ │
│ CH , млн │ 1,1 │
│ 4 conc d │ │
├────────────────────────────────────────┼───────────────────────┤
│ CO , % │ 0,723 │
│ 2 conc e │ │
├────────────────────────────────────────┼───────────────────────┤
│ W
, кВт x ч
│ 62,72 │
│ act │ │
└────────────────────────────────────────┴───────────────────────┘
Расчет поправочного
коэффициента на влажность для
(см. 4.2 дополнения 2 к Приложению Д):
.
Расчет концентрации
NMHC (см. 4.3.1 дополнения 2 к Приложению Д):
а) по методу GC:
;
б) по методу NMC:
Принимая
эффективность по метану
и эффективность по этану
(см. 1.8.4 дополнения 5 к Приложению Д),
получают
;
.
Расчет
концентрации, корректированной по фону (см. 4.3.1.1 дополнения 2 к Приложению
Д):
При условии
использования эталонного топлива G20 (100% метана) состава
:
;
.
Для NMHC по методу
GC фоновая концентрация определяется разностью между концентрациями
и
:
;
;
(по
методу NMC);
(по
методу GC);
(по
методу GC).
Расчет массовых
расходов (см. 4.3.1 дополнения 2 к Приложению Д):
;
;
(по
методу NMC);
(по
методу GC);
(по
методу GC).
Расчет удельных
выбросов (см. 4.4 дополнения 2 к Приложению Д):
;
;
(по
методу NMC);
) (по
методу GC);
(по
методу GC).
К.4.
Коэффициент

К.4.1. Расчет коэффициента
[36], [37]
,
где
- коэффициент
;
inert % - объемная
доля инертных газов в топливе (
, He
и др.), %;
-
объемная доля кислорода, первоначально содержащегося в топливе, %;
n и m - относятся к
средним значениям этих величин в формуле
,
представляющей углеводороды применяемого топлива, а именно:
;
,
где
- объемная доля метана в топливе, %;
-
объемная доля всех углеводородов группы
(
и
т.п.) в топливе, %;
-
объемная доля всех углеводородов группы
(
и
т.п.) в топливе, %;
-
объемная доля всех углеводородов группы
(
и
т.п.) в топливе, %;
-
объемная доля всех углеводородов группы
(
и
т.п.) в топливе, %;
diluent % -
объемная доля растворенных газов (
, He
и т.п.) в топливе, %.
К.4.2. Примеры
расчета коэффициента

Пример 1. Эталонное
топливо G25:
(объемные доли)
;
;
.
Пример 2. Эталонное
топливо GR:
(объемные доли)
;
;
.
Пример 3. Топливо
США:
,
(объемные доли)
;

;
.
Приложение
Л
(обязательное)
СПЕЦИАЛЬНЫЕ
ТЕХНИЧЕСКИЕ ТРЕБОВАНИЯ,
КАСАЮЩИЕСЯ
ДИЗЕЛЬНЫХ ДВИГАТЕЛЕЙ, РАБОТАЮЩИХ НА ЭТАНОЛЕ
В случае дизельных
двигателей, работающих на этаноле, необходимо соответствующим образом изменить
следующие пункты, равенства и коэффициенты, относящиеся к методам испытаний,
определяемым в Приложении Д к настоящему стандарту.
Дополнение 1 (к
Приложению Д):
4.2.
Поправка на сухое/влажное состояние
.
4.3. Поправка на
влажность и температуру для

,
где
;
;
-
температура воздуха, К;
-
влажность воздуха на впуске, масса воды на 1 кг сухого воздуха, г/кг.
4.4. Расчет
массовых расходов выбросов вредных веществ
Массовые расходы
выбросов вредных веществ в граммах в час (г/ч) для каждого режима следует
рассчитывать по приведенным ниже формулам, принимая плотность отработавших
газов, равной 1,272 кг/м3, при температуре 273 К (0 °C) и давлении 101,3 кПа:
;
;
,
где
<1> - средние концентрации
вредных веществ в неразбавленных отработавших
газах, как определено в 4.1 настоящего дополнения.
Если,
факультативно, концентрации выбросов вредных газообразных веществ определяют в
системе с полным разбавлением потока, то необходимо использовать следующие
формулы:
;
;
,
где
<1> - средние, с поправкой на фон,
концентрации
)
вредных веществ в разбавленных отработавших газах в каждом режиме, как
определено в 4.3.1.1 дополнения 2 к Приложению Д.
Дополнение 2 (к
Приложению Д):
Область
распространения пунктов 3.1, 3.4, 3.8.3 и раздела 5 дополнения 2 к Приложению Д
расширяется на дизельные двигатели, работающие на этаноле.
4.2. Условия
проведения испытаний должны быть такими, чтобы температура и влажность воздуха,
измеренные на входе в двигатель, соответствовали стандартным условиям в течение
всего периода проведения испытаний. Стандартные условия должны включать в себя
требование использовать (6 +/- 0,5) г воды на 1 кг сухого воздуха при
температуре (298 +/- 3) К. В этих пределах дальнейшая коррекция
не является необходимой. Результаты испытания
не засчитывают, если эти условия не выполняются.
4.3. Расчет
массового расхода потока выбросов вредных веществ
4.3.1. Системы с
постоянным массовым расходом
Для систем с
теплообменником массы вредных веществ в граммах за цикл (г/цикл) следует
определять по уравнениям:
(для
двигателей, работающих на этаноле);
(для
двигателей, работающих на этаноле);
(для
двигателей, работающих на этаноле),
где
<1>
- средние концентрации за цикл,
корректированные по фону, полученные методом интеграции (обязательно для
и HC) или измеренные в накопительном мешке,
;
-
суммарная масса растворенных отработавших газов за цикл, как определено в 4.1
настоящего дополнения, кг.
--------------------------------
<1>
На основе
- эквивалента.
4.3.1.1.
Определение концентраций, корректированных по фону
Средние фоновые
концентрации выбросов вредных газообразных веществ в разбавляющем воздухе
необходимо вычесть из измеренных концентраций, чтобы получить
"чистые" концентрации выбросов вредных газообразных веществ. Средние
значения фоновых концентраций можно определить с помощью накопительного мешка
или непрерывным измерением с последующей интеграцией. Необходимо пользоваться
формулой
conc = conc e -
conc d[1 - (1/DF)],
где conc -
концентрация соответствующего вредного вещества в разбавленных отработавших
газах, корректированная с учетом количества этого вещества, содержащегося в
разбавляющем воздухе,
;
conc e -
концентрация соответствующего вредного вещества, измеренная в разбавленных
отработавших газах,
;
conc d -
концентрация соответствующего вредного вещества, измеренная в разбавляющем воздухе,
;
DF - коэффициент
разбавления.
Коэффициент
разбавления определяют следующим образом:
,
где
- концентрация
в разбавленных отработавших газах, % (объемная
доля);
-
концентрация HC в разбавленных отработавших газах,
, на
основе
;
-
концентрация CO в разбавленных отработавших газах,
;
-
стехиометрический коэффициент.
Концентрации,
измеренные на сухой основе, должны быть преобразованы в концентрации на влажной
основе в соответствии с 4.2 дополнения 1 к Приложению Д.
Стехиометрический
коэффициент для обобщенного состава топлива
рассчитывают следующим образом:
.
Если состав топлива
неизвестен, допускается использовать следующее значение стехиометрического
коэффициента:
.
4.3.2. Системы с
компенсацией расхода
Для систем без
теплообменника массу выбросов вредных веществ в граммах за цикл определяют
расчетом мгновенных значений масс выбросов и интегрированием мгновенных
значений за цикл. Кроме того, выполняют фоновую коррекцию непосредственно по
мгновенным значениям концентрации. Вычисления проводят по следующим формулам:
;
;
,
где conc e -
концентрация соответствующего вредного вещества, измеренная в разбавленных
отработавших газах,
;
conc d -
концентрация соответствующего вредного вещества, измеренная в разбавляющем
воздухе,
;
-
мгновенное значение массы разбавленных отработавших газов (см. 4.1 настоящего
дополнения), кг;
-
суммарное значение массы разбавленных отработавших газов (см. 4.1 настоящего
дополнения), кг;
DF - коэффициент
разбавления (см. 4.3.1.1 настоящего дополнения).
4.4. Расчет
удельных выбросов
Удельные выбросы,
г/(кВт x ч), рассчитывают для каждого отдельного компонента следующим образом:
;
;
,
где
- реально выполненная работа за цикл (см.
3.9.2 настоящего дополнения), кВт x ч.
Приложение
М
(справочное)
СВЕДЕНИЯ О
СООТВЕТСТВИИ ССЫЛОЧНЫХ МЕЖДУНАРОДНЫХ
(РЕГИОНАЛЬНЫХ)
СТАНДАРТОВ МЕЖГОСУДАРСТВЕННЫМ (НАЦИОНАЛЬНЫМ)
СТАНДАРТАМ,
ИСПОЛЬЗОВАННЫМ В НАСТОЯЩЕМ СТАНДАРТЕ
В КАЧЕСТВЕ
НОРМАТИВНЫХ ССЫЛОК
Таблица М.1
┌──────────────────────┬──────────────────────────────────────────────────┐
│Обозначение
ссылочного│ Обозначение и
наименование ссылочного │
│
межгосударственного │ международного (регионального)
стандарта │
│ (национального) │ и условное обозначение степени его
соответствия │
│ стандарта │
ссылочному межгосударственному (национальному) │
│ │ стандарту │
├──────────────────────┼──────────────────────────────────────────────────┤
│ГОСТ
33-2000 │ ИСО 3104:1994
"Нефтепродукты. Прозрачные и
│
│ │непрозрачные
жидкости. Определение кинематической │
│ │вязкости и расчет
динамической вязкости" (IDT)
│
├──────────────────────┼──────────────────────────────────────────────────┤
│ГОСТ
Р 41.24-2003 │ Правила ЕЭК ООН
N 24 "Единообразные предписания, │
│ │касающиеся: I. официального
утверждения двигателей│
│ │с воспламенением
от сжатия в отношении выбросов │
│ │видимых
загрязняющих веществ; II. официального
│
│ │утверждения
автотранспортных средств в отношении
│
│ │установки на них
двигателей с воспламенением │
│ │от сжатия,
официально утвержденных по типу
│
│ │конструкции; III.
официального утверждения │
│ │автотранспортных
средств с двигателями │
│ │с воспламенением
от сжатия в отношении выброса │
│ │видимых
загрязняющих веществ; IV. измерения
│
│ │мощности
двигателей с воспламенением от сжатия"
│
│ │(MOD)
│
├──────────────────────┼──────────────────────────────────────────────────┤
│ГОСТ
Р 41.83-2004 │ Правила ЕЭК ООН
N 83 "Единообразные предписания, │
│ │касающиеся
официального утверждения транспортных
│
│ │средств в
отношении выбросов загрязняющих веществ │
│ │в зависимости от
топлива, необходимого для │
│ │двигателей"
(MOD)
│
├──────────────────────┼──────────────────────────────────────────────────┤
│ГОСТ
Р ИСО 5725-1-2002│ ИСО 5725-1:1994 "Точность (достоверность │
│ │и сходимость)
методов и результатов измерений.
│
│ │Часть 1. Общие
принципы и определения" (IDT)
│
├──────────────────────┼──────────────────────────────────────────────────┤
│ГОСТ
Р ИСО 5725-2-2002│ ИСО 5725-2:1994 "Точность (достоверность │
│ │и сходимость)
методов и результатов измерений.
│
│ │Часть 2. Основной
метод определения повторяемости │
│ │и
воспроизводимости стандартного метода измерения"│
│ │(IDT)
│
├──────────────────────┼──────────────────────────────────────────────────┤
│ГОСТ
Р ИСО 5725-3-2002│ ИСО 5725-3:1994 "Точность (достоверность │
│ │и сходимость)
методов и результатов измерений.
│
│ │Часть 3.
Промежуточные показатели сходимости
│
│ │стандартного
метода измерений" (IDT)
│
├──────────────────────┼──────────────────────────────────────────────────┤
│ГОСТ
Р ИСО 5725-4-2002│ ИСО 5725-4:1994 "Точность (достоверность │
│ │и сходимость)
методов и результатов измерений.
│
│ │Часть 4. Основные
методы определения достоверности│
│ │стандартного
метода измерения" (IDT)
│
├──────────────────────┼──────────────────────────────────────────────────┤
│ГОСТ
Р ИСО 5725-5-2002│ ИСО 5725-5:1994 "Точность (достоверность │
│ │и сходимость)
методов и результатов измерений.
│
│ │Часть 5.
Альтернативные методы определения
│
│ │сходимости
стандартного метода измерения" (IDT)
│
├──────────────────────┼──────────────────────────────────────────────────┤
│ГОСТ
Р ИСО 5725-6-2002│ ИСО 5725-6:1994 "Точность (достоверность │
│ │и сходимость)
методов и результатов измерений.
│
│ │Часть 6.
Использование значений точности
│
│ │на практике"
(IDT)
│
├──────────────────────┼──────────────────────────────────────────────────┤
│ГОСТ
Р 50460-92 │ - │
├──────────────────────┼──────────────────────────────────────────────────┤
│ГОСТ
Р 50468-93 │ ИСО 1388-4:1981
"Этанол технический. Методы
│
│ │испытаний. Часть
4. Определение содержания │
│ │карбонильных
соединений, присутствующих в больших │
│ │количествах.
Титриметрический метод" (IDT)
│
├──────────────────────┼──────────────────────────────────────────────────┤
│ГОСТ
Р 50779.75-99 │ ИСО 8422:1991
"Планы выборочного контроля по
│
│ │качественным признакам
последовательные" (IDT) │
├──────────────────────┼──────────────────────────────────────────────────┤
│ГОСТ
Р 52051-2003 │ Сводная
резолюция о конструкции транспортных
│
│ │средств (СР.3),
Приложение 7/Пересмотр 2 │
│ │от 16 апреля 1999
г. "Классификация и определение │
│ │механических
транспортных средств и прицепов"
│
│ │(MOD)
│
├──────────────────────┴──────────────────────────────────────────────────┤
│ Примечание.
В настоящей таблице
использованы следующие условные│
│обозначения
степени соответствия стандартов: │
│ - IDT - идентичные стандарты; │
│ - MOD - модифицированные стандарты. │
└─────────────────────────────────────────────────────────────────────────┘
БИБЛИОГРАФИЯ
[1]
Европейский стандарт ЕН 437:1993. Газы, используемые для испытаний, давление
при испытаниях, категории аппаратов (Test gases - Test pressures - Appliance
categories)
[2]
Международный стандарт ИСО 16183:2002. Двигатели большой мощности. Измерение
выбросов вредных газообразных веществ из неочищенных отработавших газов и
выбросов вредных частиц с помощью систем частичного разбавления потока в
неустановившемся режиме (Heavy duty engines - Measurement of gaseous emissions
from raw exhaust gas and of particulate emissions using partial flow dilution
systems under transient test conditions)
[3]
Документ КВТ ЕЭК ООН, СР.3. Сводная резолюция о конструкции транспортных
средств, TRANS/WP. 29/78/Rev. 1 от 11.08.1997
[4] Международный
стандарт ИСО 11614:1999. Двигатели внутреннего сгорания с воспламенением от
сжатия поршневые. Прибор для измерения прозрачности и для определения
коэффициента поглощения света отработавших газов (Reciprocating internal
combustion compression-ignition engines - Apparatus for measurement of the
opacity and for determination of the light absorption coefficient of exhaust
gas)
[5]
Международный стандарт ИСО 5165:1998. Нефтепродукты. Определение
воспламеняемости дизельного топлива. Цетановый метод (Petroleum products -
Determination of the ignition quality of diesel fuels - Cetane engine method)
[6]
Международный стандарт ИСО 3675:1998. Нефть сырая и жидкие нефтепродукты.
Лабораторное определение плотности. Метод с использованием ареометра (Crude
petroleum and liquid petroleum products - Laboratory determination of density -
Hydrometer method)
[7]
Международный стандарт ИСО 3405:2000. Нефтепродукты. Определение
дистилляционных характеристик при атмосферном давлении (Petroleum products -
Determination of distillation characteristics at atmospheric pressure)
[8]
Международный стандарт ИСО 2719:2002. Определение температуры вспышки. Метод с
применением прибора Мартенс-Пенского с закрытым тиглем (Determination of flash
point. Pensky-Martens closed cup method)
[9]
Европейский стандарт ЕН 116:1997. Дизельные и бытовые жидкие топлива.
Определение предельного значения температуры фильтруемости (Diesel and domestic
heating fuels; determination of cold water plugging point)
[10] JP
391:1995. Ароматические углеводороды в дизельном топливе и дистиллятах,
определяемые с помощью жидкостной хроматографии высокого разрешения (HPLC)
(Aromatic Hydrocarbons in Diesel Fuels and Distillates by HPLC)
[11]
Международный стандарт ИСО 14596:1998. Нефтепродукты. Определение содержания
серы. Рентгеновская флуоресцентная спектрометрия с дисперсией по длине волны
(Petroleum products - Determination of sulfur content - Wavelength-dispersive
X-ray fluorescence spectrometry)
[12]
Международный стандарт ИСО 2160:1998. Нефтепродукты. Коррозионное воздействие
на медь. Испытание с применением медной пластинки (Petroleum products -
Corrosiveness to copper - Copper strip test)
[13]
Международный стандарт ИСО 10370:1993. Нефтепродукты. Определение углеродистого
остатка кокса. Метод микроизмерений (Petroleum products; determination of
carbon residue; micro method)
[14]
Международный стандарт ИСО 6245:2001. Нефтепродукты. Определение содержания
золы (Petroleum products. Determination of ash)
[15]
Международный стандарт ИСО 12937:2000. Нефтепродукты. Определение содержания
воды. Метод кулонометрического титрования по Карлу Фишеру (Petroleum products.
Determination of water. Coulometric Karl Fischer titration method)
[16]
Стандарт ASTM D 974-02. Метод определения кислотного и щелочного чисел с
помощью титрования с цветовой индикацией (Test Method for Acid and Base Number
by Color-Indicator Titration)
[17]
Международный стандарт ИСО 12205:1995. Нефтепродукты. Определение устойчивости
к окислению средних нефтяных дистиллятов (Petroleum products - Determination of
the oxidation stability of middle-distillate fuels)
[18]
Международный стандарт ИСО 4259:1992. Нефтепродукты. Определение и применение
данных о точности методов испытаний (Petroleum products; determination and
application of precision data in relation to methods of test)
[19]
Европейский стандарт ЕН 12916:2000. Нефтепродукты. Определение типов
ароматических углеводородов в промежуточных дистиллятах. Высокоэффективный
метод жидкостной хроматографии с определением коэффициента преломления
[20]
Стандарт ASTM D 5501-94. Метод определения содержания этанола в
денатурированном этаноле, используемом в качестве топлива, с помощью газовой
хроматографии (Test Method for Determination of Ethanol Content of Denatured
Fuel Ethanol by Gas Chromatography)
[21]
Стандарт ASTM D 4052-96. Метод определения плотности и относительной плотности
жидкостей цифровым измерителем плотности (Standard Test Method for Density and
Relative Density of Liquids by Digital Density Meter)
[22]
Международный стандарт ИСО 1388-2:1981. Этанол технический. Методы испытаний.
Часть 2. Выявление щелочности или определение кислотности по фенолфталеину
(Ethanol for industrial use; Methods of test; Part 2: Detection of alkalinity
or determination of acidity to phenolphthalein)
[23] Стандарт
ASTM D 1209-00. Метод определения цвета чистых жидкостей (по
платиново-кобальтовой шкале) (Standard Test Method for Color of Clear Liquids
(Platinum-Cobalt Scale))
[24]
Международный стандарт ИСО 759:1981. Жидкости органические летучие технические.
Определение сухого остатка после выпаривания на водяной бане. Общий метод
(Volatile organic liquids for industrial use. Determination of dry residue
after evaporation on water bath. General method)
[25]
Международный стандарт ИСО 760:1978. Определение содержания воды. Метод Карла
Фишера (общий метод) (Determination of water. Karl Fischer method (General
method))
[26]
Стандарт ASTM D 5453-00. Метод определения общего содержания серы в легких
углеводородах, топливе для двигателей и маслах с помощью ультрафиолетовой
флуоресценции (Standard Test Method for Determination of Total Sulfur in Light
Hydrocarbons, Motor Fuels and Oils by Ultraviolet Fluorescence)
[27]
Стандарт ASTM D 1617-90. Метод определения эфирного числа растворителей и
разбавителей (Standard Test Method for Ester Value of Solvents and Thinners)
[28]
Международный стандарт ИСО 6974:2000. Природный газ. Определение состава с
заданной погрешностью методом газовой хроматографии. Части 1 - 6 (Natural gas -
Determination of composition with defined uncertainty by gas chromatography -
Parts 1 - 6)
[29]
Международный стандарт ИСО 6326-5:1989. Газ природный. Определение содержания
сернистых соединений. Часть 5. Метод сжигания по Лингнеру (Natural gas; determination of sulfur
compounds; part 5: Lingener combustion method)
[30]
Европейский стандарт ЕН 589:2000. Топливо для автомобилей. Сжиженный нефтяной
газ. Требования и методы испытаний (Automotive fuels - LPG - Requirements and
test methods)
[31]
Международный стандарт ИСО 7941:1988. Пропан и бутан технические. Анализ методом газовой хроматографии (Commercial propane and
butane; analysis by gas chromatography)
[32] NF M
41-015: 1988. Нефтепродукты - Определение остатков отработанного пара
сжиженного нефтяного газа
[33]
Международный стандарт ИСО 4260:1987. Нефтепродукты и углеводороды. Определение содержания серы. Метод сжигания по Викболду (Petroleum products and hydrocarbons; Determination of sulfur content;
Wickbold combustion method)
[34]
Международный стандарт ИСО 8819:1993. Газы сжиженные нефтяные. Обнаружение
сероводорода. Метод с применением ацетата свинца (Liquefied petroleum gases;
detection of hydrogen sulfide; lead acetate method)
[35]
Международный стандарт ИСО 6251:1996. Газы сжиженные нефтяные. Коррозионное
воздействие на медь. Испытание с применением медной пластинки (Liquefied
petroleum gases - Corrosiveness to copper - Copper strip test)
[36]
Стандарт SAE J1829:1987. Стехиометрические коэффициенты воздух/топливо
автомобильных топлив (Stoichiometric Air/Fuel ratios of automotive fuels)
[37] John B. Heywood Internal Combustion
Engine Fundamentals, Chapter 3.4. "Combustion stoichiometry" (pages
68 to 72); McGraw-Hill, 1988.
&Настоящий стандарт вводит в действие Правила ЕЭК ООН N 49.&